ME3103 DCDC 升压ic中文版
- 格式:pdf
- 大小:780.96 KB
- 文档页数:11
概述芯片是单线归零码9通道LED (发光二极管显示器)恒流驱动控制芯片,采用单线归零码通讯协议。
芯片内部集成有单线归零码数字接口、数据锁存器、LED 输出恒流驱动、电源稳压模块、内置RC 振荡器、输出数据自动整形转发等电路。
芯片通过外围MCU 控制实现该芯片的单独辉度、级联控制等实现户外大屏的彩色点阵发光控制。
本产品性能优良,质量可靠。
特点输出端口耐压>26V芯片内置稳压管,电源端需串电阻到IC VDD 脚,无需外加稳压管PWM 辉度调节电路(256级辉度可调),扫描频率1KHZ内置双RC 振荡,并根据数据线上信号进行时钟同步,在接受完本单元的数据后能自动将后续数据进行整形转发内置上电复位电路归零码通讯协议级联接口,能通过一根信号线完成数据的接收与解码当刷新速率30帧/秒时,级联数不小于1024点 数据发送采用800Kbps 的归零码单线通讯协议 上电默认不亮;没有外控数据1秒后芯片自动R=>G=>B 循环显示封装:DIP16、SOP16、DIP14、SOP14应用点光源 护栏管 软灯条户内外大屏等典型应用电路800K 传输速率的9通道LED 输出显示(SEL 端口悬空或者接地)深圳市昊海鑫科技有限公司联系人:陈功 186********QQ:SOP16/DIP16SOP14/DIP14极限参数推荐工作范围(无特殊说明,TA=-40~+85℃,GND=0V)电气参数开关特性内部框图功能描述芯片采用单线归零码协议通讯传输。
芯片在上电复位以后,接收DIN1端传输的数据,接受72bit数据后,DOUT端口开始转发数据,提供下一个芯片的输入数据。
在转发之前,DOUT端口一直拉低。
此时芯片将不接收新的数据,芯片输出端口Rn/Gn/Bn根据接收到的归零码数据,发出相应的不同占空比的信号,该信号周期在1ms左右。
如果DIN1端输入信号为RESET信号,芯片将接收到的数据送显示,芯片将在该信号结束后重新接收新的数据,在接收完本芯片的归零码数据后,通过DOUT端口转发数据。
本IC 是PWM 控制升压DC /DC 转换器IC 。
只需使用外置的线圈、电容器、二极管,就可以组成升压DC /DC 转换器。
具有小型封装与低消耗电流的特点,因此适合用于需要高效率的便携式设备。
概要
(1)数码相机、电子笔记本、PDA 等的便携式设备的电源
(2)便携式CD 、MD 等音频设备的电源(3)微控制器电源
用途
(1)通过低消耗电流实现高效率 (2)内置相位补偿电路 (3)主要规格 ●工作电源电压 1.8~5.5V ●消耗电流 74.3μA typ.(工作时) 0.5μA typ. (OFF 时)
●开关频率 250kH z ●最大Duty 比 78% typ. ●外置部件 电感、电容、二极管 ●输出电压 3.2V
●输出电压精度
± 2.4%
特点
(在没有特别注明时,Topr=+25
℃)
封装
框图。
|MC34063 中文资料PDF及MC34063应用:2007年09月16日星期日下午12:281. MC34063DC/DC变换器控制电路简介:MC34063是一单片双极型线性集成电路,专用于直流-直流变换器控制部分。
片内包含有温度补偿带隙基准源、一个占空比周期控制振荡器、驱动器和大电流输出开关,能输出1.5A的开关电流。
它能使用最少的外接元件构成开关式升压变换器、降压式变换器和电源反向器。
特点:*能在3.0-40V的输入电压下工作*短路电流限制*低静态电流*输出开关电流可达1.5A(无外接三极管)*输出电压可调*工作振荡频率从100HZ到100KHZ2.MC34063引脚图及原理框图3 MC34063应用电路图:3.1 MC34063大电流降压变换器电路3.2 MC34063大电流升压变换器电路3.4 MC34063降压变换器电路3.5 MC34063升压变换器电路mc34063中文资料应用原理资料2009-06-09 17:45MC34063A(MC33063)芯片器件简介该器件本身包含了DC/DC变换器所需要的主要功能的单片控制电路且价格便宜。
它由具有温度自动补偿功能的基准电压发生器、比较器、占空比可控的振荡器,R—S触发器和大电流输出开关电路等组成。
该器件可用于升压变换器、降压变换器、反向器的控制核心,由它构成的DC/DC变换器仅用少量的外部元器件。
主要应用于以微处理器(MPU)或单片机(MCU)为基础的系统里。
MC34063集成电路主要特性:输入电压范围:2、5~40V输出电压可调范围:1.25~40V输出电流可达:1.5A工作频率:最高可达100kHz低静态电流短路电流限制可实现升压或降压电源变换器MC34063的基本结构及引脚图功能:1脚:开关管T1集电极引出端;2脚:开关管T1发射极引出端;3脚:定时电容ct接线端;调节ct可使工作频率在100—100kHz范围内变化;4脚:电源地;5脚:电压比较器反相输入端,同时也是输出电压取样端;使用时应外接两个精度不低于1%的精密电阻;6脚:电源端;7脚:负载峰值电流(Ipk)取样端;6,7脚之间电压超过300mV时,芯片将启动内部过流保护功能;8脚:驱动管T2集电极引出端。
Table of ContentsPrefaceAbout this User's Guide (4)What you will learn from this user's guide (4)Conventions in this user's guide (4)Where to find more information (4)Chapter 1Introducing the OM-USB-3103 (5)Functional block diagram (5)Chapter 2Installing the OM-USB-3103 (6)What comes with your shipment? (6)Hardware (6)Software (6)Documentation (6)Unpacking (6)Installing the software (6)Installing the hardware (6)Calibrating the OM-USB-3103 (7)Chapter 3Functional Details (8)External components (8)USB connector (8)LED indicators (8)Screw terminals (8)Signal connections (9)Analog voltage outputs (9)Digital I/O (9)Digital I/O control terminal (DIO CTL) for pull-up/down configuration (9)Synchronous DAC load terminal (SYNCLD) (10)Counter input (10)Power output (10)Ground (10)Chapter 4Specifications (11)Analog voltage output (11)Analog output calibration (12)Digital input/output (12)Synchronous DAC Load (13)Counter (13)Memory (14)Microcontroller (14)Power (14)USB specifications (14)Environmental (14)Mechanical (14)Main connector and pinout (15)About this User's GuideWhat you will learn from this user's guideThis user's guide describes the Omega Engineering OM-USB-3103 data acquisition device and lists device specifications.Conventions in this user's guideCaution!Shaded caution statements present information to help you avoid injuring yourself and others, damaging your hardware, or losing your data.bold text Bold text is used for the names of objects on a screen, such as buttons, text boxes, and check boxes.italic text Italic text is used for the names of manuals and help topic titles, and to emphasize a word or phrase.Where to find more informationAdditional information about OM-USB-3103 hardware is available on our website at . You can also contact Omega Engineering by phone, fax, or email with specific questions.▪Phone: (203) 359-1660▪Fax: (203) 359-7700▪Email: *************Introducing the OM-USB-3103The OM-USB-3103 is a USB 2.0 full-speed device that is supported under popular Microsoft® Windows®operating systems. The OM-USB-3103 is fully compatible with both USB 1.1 and USB 2.0 ports.The OM-USB-3103 provides eight channels of analog voltage output, eight digital I/O connections, and one 32-bit event counter.The OM-USB-3103 has two quad (4-channel) 16-bit digital-to-analog converters (DAC). You set the voltage output range of each DAC channel independently with software for either bipolar or unipolar. The bipolar range is ±10 V, and the unipolar range is 0 to 10 V. The analog outputs may be updated individually orsimultaneously. A bidirectional synchronization connection allows you to simultaneously update the DAC outputs on multiple devices.The OM-USB-3103 features eight bidirectional digital I/O connections. You can configure the DIO lines as input or output in one 8-bit port. All digital pins are floating by default. A screw terminal connection isprovided for pull-up (+5 V) or pull-down (0 volts) configuration.The 32-bit counter can count TTL pulses.The OM-USB-3103 is powered by the +5 volt USB supply from your computer. No external power is required.All I/O connections are made to screw terminals.Functional block diagramOM-USB-3103 functions are illustrated in the block diagram shown here.Figure 1. OM-USB-3103 block diagramInstalling the OM-USB-3103What comes with your shipment?The following items are shipped with the OM-USB-3103:Hardware▪OM-USB-3103▪USB cableSoftware▪Software for OMB-DAQ-2400, OM-USB, OM-WEB, and OM-WLS Series Data Acquisition Modules CD DocumentationIn addition to this hardware user's guide, you should also receive the OMB-DAQ-2400, OM-USB, OM-WEB, and OM-WLS Series Data Acquisition Software User's Guide. This booklet provides an overview of thesoftware you received with the device, and includes information about installing the software.UnpackingAs with any electronic device, take care while handling to avoid damage from static electricity. Beforeremoving the device from its packaging, ground yourself using a wrist strap or by simply touching the computer chassis or other grounded object to eliminate any stored static charge.If any components are missing or damaged, notify Omega Engineering immediately by phone, fax, or e-mail.▪Phone: (203) 359-1660▪Fax: (203) 359-7700▪Email: *************Installing the softwareRefer to the Software User's Guide for instructions on installing the software. This booklet ships with the hardware, and is available in PDF at /manuals/manualpdf/M4803.pdf..Installing the hardwareTo connect the OM-USB-3103 to your system, connect the USB cable to an available USB port on thecomputer or to an external USB hub connected to the computer. Connect the other end of the USB cable to the USB connector on the device. No external power is required.When connected for the first time, a Found New Hardware dialog opens when the operating system detects the device. When the dialog closes, the installation is complete. The LED on the OM-USB-3103 turns on after the device is successfully installed.OM-USB-3103 User's Guide Installing the OM-USB-3103Calibrating the OM-USB-3103The OM-USB-3103 is shipped fully calibrated. Calibration coefficients are stored in the device FLASHmemory. Return the device to Omega Engineering when calibration is required. The normal calibration interval is once per year.Chapter 3 Functional DetailsExternal componentsThe OM-USB-3103 has the following external components, as shown in Figure 2.▪Screw terminals▪LED indicators▪USB connector1 Screw terminal pins 1 to 28 4 Power LED2 Screw terminal pins 29 to 56 5 USB connector3 Status LEDFigure 2. OM-USB-3103 external componentsUSB connectorThe USB connector provides power and communication. The voltage supplied through the USB connector is system-dependent, and may be less than 5 V. No external power supply is required.LED indicatorsThe OM-USB-3103 has two LED indicators –Status and Power.▪The Status LED indicates the communication status of the OM-USB-3103. It blinks when data is being transferred, and is off when the OM-USB-3103 is not communicating. This LED uses up to 10 mA ofcurrent and cannot be disabled.▪The Power LED turns on when the device is connected to a USB port on a computer or an external USB hub connected to a computer.Screw terminalsThe screw terminals on the bottom edge of the OM-USB-3103 provide the following connections:▪Eight analog voltage outputs (VOUT0 through VOUT7)▪Eight digital I/O (DIO0 to DIO7)▪One digital I/O pull-down resistor connection (DIO CTL)▪One SYNC I/O terminal for external clocking and multi-unit synchronization (SYNCLD)▪One counter input (CTR)▪One power output (+5 V)▪Analog ground (AGND) and digital ground (DGND) connectionsFigure 3. OM-USB-3103 signal pinoutUse 16 AWG to 30 AWG wire gauge when making screw terminal connections.Signal connectionsAnalog voltage outputsThe screw terminal pins labeled VOUT0 to VOUT7 are voltage output terminals. The voltage output range for each channel is software-programmable for either bipolar or unipolar. The bipolar range is ±10 V, and the unipolar range is 0 to 10 V. The channel outputs may be updated individually or simultaneously.Digital I/OYou can connect up to eight digital I/O lines to DIO0 through DIO7. Each digital channel is individuallyconfigurable for input or output. The digital I/O terminals can detect the state of any TTL-level input. Refer to the schematic shown in Figure 4.Figure 4. Schematic showing switch detection by digital channel DIO0 If you set the switch to the +5 V input, DIO0 reads TRUE (1). If you move the switch to DGND, DIO0 reads FALSE (0).Digital I/O control terminal (DIO CTL) for pull-up/down configurationAll digital pins are floating by default. When inputs are floating, the state of unwired inputs are undefined (they may read high or low). You can configure the inputs to read a high or low value when they aren’t wired. Use the DIO CTL pin to configure the digital pins for pull-up (inputs read high when unwired) or pull-down (inputs read low when not wired).▪To pull up the digital pins to +5V, wire the DIO CTL terminal pin to the +5V pin.▪To pull down the digital pins to ground (0 volts), wire the DIO CTL terminal pin to a DGND pin. Synchronous DAC load terminal (SYNCLD)The synchronous DAC load connection is a bidirectional I/O signal that allows you to simultaneously update the DAC outputs on multiple devices. You can use this pin for two purposes:▪Configure as an input (slave mode) to receive the D/A LOAD signal from an external source.When the SYNCLD pin receives the trigger signal, the analog outputs are updated simultaneously.▪Configure as an output (master mode) to send the internal D/A LOAD signal to the SYNCLD pin.You can use the SYNCLD pin to synchronize with a second OM-USB-3103 and simultaneously update the DAC outputs on each device. Refer to Synchronizing multiple units section below.Use InstaCal to configure the SYNCLD mode as master or slave. On power up and reset the SYNCLD pin is set to slave mode (input). Refer to the "USB-3100 Series" section in the Universal Library User's Guide for information on how to configure the OM-USB-3103 with the Universal Library.Synchronizing multiple unitsYou can connect the SYNCLD terminal pin (pin 49) of two OM-USB-3103 units together in a master/slave configuration and simultaneously update the DAC outputs of both devices. Perform the following procedure:1.Connect SYNCLD on the master OM-USB-3103 to the SYNCLD pin on the slave OM-USB-3103.2.Configure SYNCLD on the slave device for input to receive the D/A LOAD signal from the master device.Use InstaCal to set the direction of the SYNCLD pin.3.Configure SYNCLD on the master device for output to generate an output pulse on the SYNCLD pin.Set the Universal Library SIMULTANEOUS option for each device. Refer to the Universal Library User's Guide for information on how to configure the OM-USB-3103 with the Universal Library. When the SYNCLD pin on the slave device receives the signal, the analog output channels on each device are updated simultaneously. Counter inputThe CTR terminal is a 32-bit event counter that can accept frequency inputs up to 1 MHz. The internal counter increments when the TTL levels transition from low to high.Power outputThe +5V terminal can output up to 10 mA maximum. You can use this terminal to supply power to external devices or circuitry.Caution!The +5V terminal is an output. Do not connect to an external power supply or you may damage the device and possibly the computer.GroundThe analog ground (AGND) terminals provide a common ground for all analog voltage output channels.The digital ground (GND) terminals provide a common ground for the digital, counter, and sync terminal and the power terminal.Chapter 4 SpecificationsTypical for 25 °C unless otherwise specified.Specifications in italic text are guaranteed by design.Analog voltage outputTable 1. Analog voltage output specificationsNote 1: The OM-USB-3103 output voltage level defaults to 0 V whenever the output voltage range is reconfigured.The OM-USB-3103 output voltage level will also default to 0 V:1) Whenever the host PC is reset, shut down or suspended.2) If a reset command is issued to the device.Note 2: The duration of this particular output transient is highly dependent on the enumeration process of the host PC. Typically the output of the USB-3103 is stable after 2 seconds.Note 3: The maximum differential non-linearity specification applies to the entire 0 to 70 °C temperature range of the OM-USB-3103. This specification also accounts for the maximum errors due to thesoftware calibration algorithm (in Calibrated mode only) and the DAC8554 digital to analogconverter non-linearities.Table 2. Absolute accuracy specifications – calibrated outputTable 3. Absolute accuracy components specifications – calibrated outputTable 4. Relative accuracy specificationsAnalog output calibrationTable 5. Analog output calibration specificationsDigital input/outputTable 6. Digital I/O specificationsNote 4: Pull up and pull down configuration area available using the DIO CTL terminal block pin 54.The pull down configuration requires the DIO CTL pin (pin 54) to be connected to a DGND pin(pin 50, 53 or 55). For a pull up configuration, the DIO CTL pin should be connected to the +5 Vterminal pin (pin 56).Synchronous DAC LoadTable 7. SYNCLD I/O specificationsNote 5: SYNCLD is a Schmitt trigger input and is over-current protected with a 200 Ohm series resistor.Note 6: When SYNCLD is in input mode, the analog outputs may either be updated immediately or whena positive edge is seen on the SYNCLD pin (this is under software control.) However, the pinmust be at a low logic level in order for the DAC outputs to be updated immediately. If anexternal source is pulling the pin high, no update will occur.CounterTable 8. CTR I/O specificationsMemoryTable 9. Memory specificationsMicrocontrollerTable 10. Microcontroller specificationsPowerTable 11. Power specificationsNote 7: This is the total quiescent current requirement for the OM-USB-3103 which includes up to10 mA for the status LED. This does not include any potential loading of the digital I/O bits,+5 V user terminal, or the VOUTx outputs.Note 8: Output voltage range assumes USB power supply is within specified limits.Note 9: This refers to the total amount of current that can be sourced from the +5 V user terminal (pin 56) for general use. This specification also includes any additional contribution due to DIO loading. USB specificationsTable 12. USB specificationsEnvironmentalTable 13. Environmental specificationsMechanicalTable 14. Mechanical specificationsMain connector and pinoutTable 15. Main connector specifications。
UC-3100系列Arm Cortex-A81GHz IIoT閘道器內建LTE Cat.1和Wi-Fi模組特色與優點•Armv7Cortex-A81000MHz處理器•整合Wi-Fi802.11a/b/g/n和LTE Cat.1個適用於美國、歐盟和亞太地區•支援藍牙4.2•LTE規格電腦,獲得Verizon/AT&T認證以及工業級CE/FCC/UL認證•支援工業CAN2.0A/B通訊協定•-40°C至70°C操作溫度範圍•符合工業EMC應用的EN61000-6-2和EN61000-6-4標準•Linux長期支援至2027年;包括錯誤修復和安全修補認證簡介Moxa的UC-3100系列電腦可作為現場的智慧閘道器,用於資料預處理和傳輸,以及其他嵌入式資料擷取應用。
此系列包含多種型號的裝置,每一型號支援不同的無線選項和通訊協定。
UC-3100進階散熱設計使其適用於-40至70°C的溫度範圍。
事實上,Wi-Fi和LTE連接可同時用於寒冷和炎熱的環境,使您可在艱困操作環境下最大化發揮應用程序的資料預處理和傳輸力。
UC-3100不僅是一個硬體解決方案。
為了提供Moxa Arm為本的電腦有更佳的使用者體驗,UC-3100配備了Moxa Industrial Linux,此為由Moxa開發並具長期支援的高性能工業級Linux發行版。
應用•遠端終端裝置(RTU)•資料擷取•M2M通訊(智慧閘道)•數位看板•工廠自動化•車載監控/數據記錄器(交通運輸)•可編程路由器•能源使用最佳化•預測性維護•資產管理外觀UC-3101UC-3121規格ComputerDRAM1GB DDR3Supported OS Linux Debian9(kernel4.4)Moxa Industrial LinuxSee /MILStorage Pre-installed8GB eMMCStorage Slot UC-3111/3121Models:SD slots x1Computer InterfaceTPM TPM v2.0Ethernet Ports Auto-sensing10/100Mbps ports(RJ45connector)x2Serial Ports UC-3101/3121Models:RS-232/422/485ports x1,software-selectable(DB9male)UC-3111Models:RS-232/422/485ports x2,software-selectable(DB9male) USB2.0USB2.0hosts x1,type-A connectorsCellular Antenna Connector SMA x2SIM Format NanoNumber of SIMs2GPS Antenna Connector SMA x1Wi-Fi Antenna Connector UC-3111/UC-3121Models:RP-SMA x2Console Port RS-232(TxD,RxD,GND),4-pin header output(115200,n,8,1)Ethernet InterfaceMagnetic Isolation Protection 1.5kV(built-in)Cellular InterfaceBand Options US Models:LTE Bands:Band2(1900MHz)/Band4(1700MHz)/Band5(850MHz)/Band12(700MHz)/Band13(700MHz)/Band14(700MHz)/Band66(1700MHz)/Band71(600MHz)UMTS Bands:2(1900MHz)/Band4(1700MHz)/Band5(850MHz)Carrier Approval:Verizon,AT&TEU Models:LTE Bands:Band1(2100MHz)/Band3(1800MHz)/Band7(2600MHz)/Band8(900MHz)/Band20(800MHz)/Band28A(700MHz)UMTS Bands:Band1(2100MHz)/Band3(1800MHz)Band8(900MHz)AP Models:LTE Bands:Band1(2100MHz)/3(1800MHz)/Band5(850MHz)/Band8(900MHz)/Band9(1700MHz)/Band18(850MHz)/Band19(850MHz)/Band26(850MHz)/Band28(700MHz)UMTS Bands:1(2100MHz)/Band5(850MHz)/Band6(800MHz)/Band8(900MHz)/Band19(800MHz)WLAN InterfaceWLAN Standards UC-3111-T-LX/UC-3121-T-LX Models:802.11a/b/g/n,Bluetooth4.2compliance Frequency Band UC-3111-T-LX/UC-3121-T-LX Models:2.4GHz/5GHzSerial InterfaceData Bits5,6,7,8Parity None,Even,Odd,Space,MarkStop Bits1,1.5,2Baudrate50bps to921.60kbpsSerial SignalsRS-232TxD,RxD,RTS,CTS,DTR,DSR,DCD,GNDRS-422Tx+,Tx-,Rx+,Rx-,GNDRS-485-2w Data+,Data-,GNDRS-485-4w Tx+,Tx-,Rx+,Rx-,GNDCAN InterfaceBaudrate UC-3121-T-US-LX/UC-3121-T-EU-LX/UC-3121-T-AP-LX:10to1000kbpsConnector UC-3121-T-US-LX/UC-3121-T-EU-LX/UC-3121-T-AP-LX:DB9maleIsolation UC-3121-T-US-LX/UC-3121-T-EU-LX/UC-3121-T-AP-LX:2kV(built-in)Signals UC-3121-T-US-LX/UC-3121-T-EU-LX/UC-3121-T-AP-LX:CAN_H,CAN_L,CAN_GND,CAN_SHLD,CAN_V+,GNDLED IndicatorsSystem Power x1CAN UC-3121-T-US-LX/UC-3121-T-EU-LX/UC-3121-T-AP-LX:1per port(Tx,Rx)Serial1per port(Tx,Rx)LAN1per port(10/100Mbps)Wireless Signal Strength UC-3101Models:Cellular x3UC-3111/UC-3121Models:Cellular x3and Wi-Fi x3Power ParametersInput Current500mA@12VDCInput Voltage9to36VDCPower Consumption UC-3101Models:6W(Max)UC-3111/UC-3121Models:8W(Max)Physical CharacteristicsHousing MetalInstallation DIN-rail mountingWall mounting(with optional kit)Dimensions(without ears)UC-3101Models:128.5x89.1x26mm(5.06x3.51x1.02in)UC-3111/UC-3121Models:128.5x89.1x41mm(5.06x3.51x1.61in)Weight Product only:550g(1.22lb)Environmental LimitsOperating Temperature-40to70°C(-40to158°F)Storage Temperature(package included)-40to85°C(-40to185°F)Ambient Relative Humidity5to95%(non-condensing)Vibration5Grms@IEC60068-2-64,random wave,5-500Hz,1hr per axis(without USB devicesattached)Shock IEC60068-2-27Standards and CertificationsEMC EN61000-6-2/-6-4EN55032/35EMI CISPR32,FCC Part15B Class AEMS IEC61000-4-2ESD:Contact:4kV;Air:8kVIEC61000-4-3RS:80MHz to1GHz:10V/mIEC61000-4-4EFT:Power:2kV;Signal:1kVIEC61000-4-5Surge:Power:0.5kV;Signal:1kVIEC61000-4-6CS:10VIEC61000-4-8PFMFCarrier Approvals UC-3101-T-US-LX:AT&T,VerizonUC-3111-T-US-LX/-T-US-LX-NW:AT&T,VerizonUC-3121-T-US-LX:AT&T,VerizonCellular Standards EN301511EN301908-1EN62311(MPE SAR)EN301489-1/-52EN301489-1/17Radio Frequency FCCPTCRBRCMIFETEL(UC-3111-T-US-LX)ENACOM(UC-3111-T-EU-LX)NBTC(UC-3111-T-EU-LX)SUBTEL(UC-3111-T-EU-LX)Safety IEC60950-1UL60950-1IEC62368-1UL62368-1NOM(UC-3111-T-US-LX)WLAN Standards EN301489-1-17EN300328EN301893Green Product RoHS,CRoHS,WEEEHazardous Locations Class I Division2ATEXIECExMTBFTime UC-3101-T-US-LX:702,846hrsUC-3101-T-EU-LX/T-AP-LX:585,775hrsUC-3111-T-US-LX:465,569hrsUC-3111-T-EU-LX/T-AP-LX:416,081hrsUC-3121-T-US-LX:474,796hrsUC-3121-T-EU-LX/T-AP-LX:428,931hrs Standards Telcordia(Bellcore)StandardWarrantyWarranty Period5yearsDetails See /tw/warranty Package ContentsDevice1x UC-3100Series computerCable1x terminal block to power jack converter Documentation1x quick installation guide1x warranty card尺寸UC-3101UC-3111UC-3121訂購資訊Model NameCarrier Approval CPUSD SlotRAMeMMCSerialTPM 2.0CANLTEWi-FiBLTUC-3101-T-US-LX AT&T,Verizon 1GHz –1GB 8GB 1P –Cat.1––UC-3111-T-US-LX AT&T,Verizon 1GHz 11GB 8GB 2P –Cat.1P PUC-3111-T-US-LX-NW AT&T,Verizon 1GHz 11GB 8GB 2P –Cat.1––UC-3121-T-US-LX AT&T,Verizon 1GHz 11GB 8GB 1P 1Cat.1P P UC-3101-T-EU-LX –1GHz –1GB 8GB 1P –Cat.1––UC-3111-T-EU-LX –1GHz 11GB 8GB 2P –Cat.1P P UC-3111-T-EU-LX-NW –1GHz 11GB 8GB 2P –Cat.1––UC-3121-T-EU-LX –1GHz 11GB 8GB 1P 1Cat.1P P UC-3101-T-AP-LX –1GHz –1GB 8GB 1P –Cat.1––UC-3111-T-AP-LX –1GHz 11GB 8GB 2P –Cat.1P P UC-3111-T-AP-LX-NW –1GHz 11GB 8GB 2P –Cat.1––UC-3121-T-AP-LX–1GHz11GB8GB1P1Cat.1PP配件(選購)Power AdaptersPWR-12150-CN-SA-TLocking barrel plug,12VDC,1.5A,100to 240VAC,China (CN)plug,-40to 75°C operating temperaturePWR-12150-EU-SA-T Locking barrel plug,12VDC,1.5A,100to240VAC,Continental Europe(EU)plug,-40to75°C operatingtemperaturePWR-12150-UK-SA-T Locking barrel plug,12VDC,1.5A,100to240VAC,United Kingdom(UK)plug,-40to75°C operatingtemperaturePWR-12150-AU-SA-T Locking barrel plug,12VDC,1.5A,100to240VAC,Australia(AU)plug,-40to75°C operatingtemperaturePWR-12150-USJP-SA-T Locking barrel plug,12VDC1.5A,100to240VAC,United States/Japan(US/JP)plug,-40to75°Coperating temperatureCablesCBL-F9DPF1x4-BK-100Console cable with4-pin connector,1mDIN-Rail Mounting KitsUC-3100DIN-Rail Kit DIN-rail kit with screwsWall-Mounting KitsUC-3100Wall-Mounting Kit Wall-mounting kit with screwsAntennasANT-LTE-ASM-02GPRS/EDGE/UMTS/HSPA/LTE,omni-directional rubber duck antenna,2dBiANT-WDB-ARM-02 2.4/5GHz,omni-directional rubber duck antenna,2dBi,RP-SMA(male)ANT-LTEUS-ASM-01GSM/GPRS/EDGE/UMTS/HSPA/LTE,omni-directional rubber duck antenna,1dBiUC-3100Antenna Set4dBi at1575MHz to1610MHz,SMA(male),active GPS/GLONASS,adhesive-type antenna with20-cmcable;2x4dBi at2.4GHz or5dBi at5GHz,RP-SMA(female),omnidirectional antennas;2x1.5dBi698to960MHz or1710to2700MHz,SMA(male),LTE,swivel-type omnidirectional portable antennas©Moxa Inc.版權所有.2023年3月07日更新。
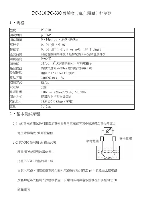
PC-310 PC-330酸鹼度(氧化還原)控制器1 •規格型號PC-310測試項目pH/ORP測試範圍0〜14pH or -1999>1999mV解析度0. 01 pH orl mV精確度0. 01 pH± 1 digit or mVO. 1%± 1 digit溫度補償自動溫度探棒補償(選擇配備)或定點溫度補償環境溫度0~60°C顯示幕31/20. 8Z/LCD數字顯示,附功能指示輸出信號隔離式直流4~20mA輸出最大負載1KQ控制接點兩個RELAY ON/OFF接點接點容量240VAC max. 2A控制方式Hi/Lo設定點2點電源供應110V 或220VAC ±15%, 50/60Hz固定方式配電箱上挖孔安裝固定挖孔尺寸135*135*183mm(H*W*D)重量 1. 5kg2 •基本測試原理:2-1 pH電極的測試是利用指示電極與參考電極在溶液中所測得之電位差經由電位計轉換成pH單位數值2-2 PC-310是利用pH複合式玻璃電極所感測到的電位差,送至PC-310的控制器,經由放大電路,溫度補償電路至顯示電路顯示所測得之pH;並經由比較電路及驅動電路去控制外界控制裝置,以達到將測試溶液控制在所要控制之pH 的範圍內下圖為一基本方塊圖—待測溶液槽 *高點控制點Hi 為控制加酸或加還原劑* *低點控制點Hi 為控制加鹼或加氧原劑3. 配線:3-1控制器後板接線端說明:3-1-1 Glass :接電極信號線之中心軸或傳送器之正訊號源S+ 3-1-2 REF :接電極信號線之網線或傳送器之負訊號源S- 3-1-3 T,T1:溫度補償探棒接點3-1-4 MTC,T2:當不接溫度補償探棒時,MTC 與T2接點須用短路片短路,作儀器內部定點25°C 溫度補償。
若接溫度補償探棒時,此短路片必須拿掉感測電極棒溫度補償探棒攪拌 ---------------------------------馬達 W“[yii~~|缶酸液珅缶 |鹼液槽電磁閥電磁閥記錄器AcW當要做氧化還原電位(ORP)測量時,請將MTC, T2間的短路片拿下, 移至ORP兩個接線端子上23-1-6:供給傳送器作正負電源用3-1-7:電流輸出接點供外接記錄器或與電腦連線闷㊉脣於0~14)H。
MD3103Class-D Mono Audio AmplifierDatasheetVersion 1.0ShenZhen InDreamChip Electronic Technology co.,Ltd.TEL: +86-0755-******** 82568883 FAX: +86-0755-********Room 202, 3rd Building, Innovation and Technology Park in Shangsha ,Futian District, Shenzhen,China For detailed product information, please contact wyj_use@ Tony.Wang@Tel:+86-0755-******** 82568883Fax:+86-0755-********Adress:: Room 202, 3rd Building, Innovation and Technology Park in Shangsha ,Futian District, Shenzhen,ChinaKey Features3W Output at 10% THD with a 4Ω Load and 5V Power SupplyFilterless,Low Quiescent Current and Low EMIHigh Efficiency up to 90%Superior Low NoiseShort Circuit ProtectionThermal ShutdownFew External Components to Save Space and CostSOP-8 Packages AvailablePb-Free PackageApplicationsLCD Monitors / TV ProjectorsNotebook ComputersPortable SpeakersWalkie TakieHandsfree phones/Speaker PhonesCellular PhonesGeneral DescriptionThe MD3103 is a 3w class-D audio amplifier. Its lowTHD+N feature offers high-quality sound reproduction. Thenew filterless architecture allows the device to drive speakerdirectly instead of using low-pass output filters,therefore savesystem cost and PCB area.With the same number of external components,the efficiencyof the MD3103 is much better than that of class-AB cousins .It can optimize battery life thus is ideal for portableapplications.Typical ApplicationTel:+86-0755-******** 82568883Fax:+86-0755-********Adress:: Room 202, 3rd Building, Innovation and Technology Park in Shangsha ,Futian District, Shenzhen,ChinaPin Configuration & Marking InformationPin DescriptionsPin DescriptionsMD3103 SOP-8Pin Numbe Pin Name Description1 /SD Shutdown Control Input(active low),pull-down2 VDD Analog VDD3 VREF Internal analog reference, connect a bypass capacitor from VREF to GND4 IN Channel Input5 OUT- Channel Negative Output6 PVDD Power VDD7 GND Ground8 OUT+ Channel Positive OutputTel:+86-0755-******** 82568883Fax:+86-0755-********Adress:: Room 202, 3rd Building, Innovation and Technology Park in Shangsha ,Futian District, Shenzhen,ChinaTel:+86-0755-******** 82568883Fax:+86-0755-********Adress:: Room 202, 3rd Building, Innovation and Technology Park in Shangsha ,Futian District, Shenzhen ,ChinaThermal InormationParameter Symbolpackage Maximum UnitThermal Resistance(Junction to Ambient)θJA SOP-8 110 ℃/WThermal Resistance(Junction to Case)θJCSOP-830℃/WTel:+86-0755-******** 82568883Fax:+86-0755-********Adress:: Room 202, 3rd Building, Innovation and Technology Park in Shangsha ,Futian District, Shenzhen ,China Electrical characteristic V DD =5V Gain=24dB,R L =8Ω,T A =25o C,unless otherwise noted.Symbol Parameter Test ConditionsMIN TYP MAX UNITV IN Supply Power2.55.5v V DD=5.0V 3.2 V DD=3.6V 1.6THD+N=10%,f=1kHz, R=4ΩV DD=3.0V1.3WV DD=5.0V 2.5 V DD=3.6V 1.3THD+N=1%,f=1kHz, R =4ΩV DD=3.0V 0.85WV DD=5.0V 1.8 V DD=3.6V 0.9THD+N=10%,f=1kHz,R=8ΩV DD=3.0V0.6 WV DD=5.0V 1.4 V DD=3.6V 0.72 PoOutput PowerTHD+N=1%,f=1kHz,R=8ΩV DD=3.0V0.45 WV DD =5.0V ,Po=0.5W,R =8Ω 0.15 V DD =3.6V ,Po=0.5W,R =8Ω f=1kHz0.11 %V DD =5.0V ,Po=1W,R =4Ω 0.15 THD+NTotal Harmonic Distortion PlusNoiseV DD =3.6V ,Po=1W,R =4Ω f=1kHz 0.11 % GvGain24 dB f=100Hz -59PSRR PSRR Power Supply Ripple RejectionV DD =5V ,Inputs ac-grounded withC IN =0.47μFf=1kHz -58 dB Cs CrosstalkV DD =3.6V ,Po=1W,R =4Ω f=1kHz-95 dB SNRSignal-to-noiseratioV DD =5V , V orms=1v,Gv=20dB f=1kHz80 dB A-weighting 100 VnOutputnoiseV DD =5V ,Inputs ac-grounded withC IN =0.47μFNoA-weighting150 μV Dyn DynamicrangeV DD =5.0V ,THD=1% f=1kHz90 dB R L =8Ω,THD=10%87 η EfficiencyR L =4Ω,THD=10%f=1kHz83%V DD =5.0V 10 V DD =3.6V 8I QQuiescent CurrentV DD =3.0V Noload6mATel:+86-0755-******** 82568883 Fax:+86-0755-********Adress:: Room 202, 3rd Building, Innovation and Technology Park in Shangsha ,Futian District, Shenzhen ,ChinaApplication Notes1. When then MD3103 works with LC filters, it should be connected with the speaker before it’s powered on,otherwise it will be damaged easily.2. When the MD3103 works without LC filters, it’s better to add a ferrite chip bead at the outgoing line of speaker for suppressing the possible electromagnetic interference.3. The recommended operating voltage is 5.5V . When the MD3103 is powered with 4 battery cells, it should be noted that the voltage of 4 new dry or alkaline batteries is over 6.0V , higher than its operation voltage, which willdevice. Therefore, it’s recommened to use either 4NI-MH(Nickel Metal Hydride)rechargeable batteries or 3 dry or alkaline batteries. 4. One should not make the input signal too large. Large signalcan cause the clipping of output signal when increasing the volume. This will damage the device because of big gain of the MD31035. When testing the MD3103 without LC filters by using resistor instead of speaker as the output load, the test results, e.g. THD or efficiency, will be worse than those of using speaker as load.Test Setup for Performance TestingNotes1. The AP AUX-0025 low pass filter is necessary for class-D amplifier measurement with AP analyzer.2. Two 22µH inductors are used in series with load resistor to emulate the small speaker for efficiency measurement.Application Information Maximum GainAs shown in block diagram(page 2),the MD3103 has two internal amplifier stages.The first stage’s gain is externally configurable,while the second stage’s is internally fixed. The closed-loop gain of the first stage is set by selecting the ratio of R f to R i while the second stage’s gain is fixed at 2x. The output of amplifier 1 serves as the input to amplifier 2, thus the two amplifiers produce signals identical in magnitude,but different in phase by 180º.Consequentl,the differential gain for the IC is A VD=20*log[2*(R f/R i)] The MD3103 sets maximum R f=142k Ω,minimum R i=18kΩ,so the maximum closed-gain is 24dB.Shutdown operationIn order to reduce power consumption while not in use,the MD3103 contains shutdown circuitry to turn off the amplifier’s bias circuitry. This shutdown feature turns the amplifier off when logic low is applied to the SHDN pin,By switching the SHDN pin connected to GND,the MD3103 supply current draw will be minimized in idle mode,The SHDN pin can be left floating due to the internal pull-up.Power supply decouplingThe MD3103 is a high performance CMOS audio amplifier that requires adequate power supply decoupling to ensure the output THD and PSRR as low as possible . Power supply decoupling affects low as possible . Power supply decoupling affects low frequency response. Optimum decoupling is achieved by using two frequency transients,spikes,or digital has on the line,a good low equivalent-series-resistance(ESR)ceramic capacitor, typically 1.0μF ,works best, placing it as close as possible to the device V DD terminal.For filtering lower-frequency noise signals,a largeTel:+86-0755-******** 82568883Fax:+86-0755-********Adress:: Room 202, 3rd Building, Innovation and Technology Park in Shangsha ,Futian District, Shenzhen,ChinaTel:+86-0755-******** 82568883 Fax:+86-0755-********Adress:: Room 202, 3rd Building, Innovation and Technology Park in Shangsha ,Futian District, Shenzhen ,China capacitors of different types targeting to different types of noise on the power supply leads. For higher capacitor of 20μ F (ceramic) or greater is recommended,placing it near the audio power amplifier.Input Capacitor (C i )Large input capacitors are both expensive and space hungry for portable designs. Clearly,acertain sized capacitor is needed to couple in low frequencies without severe attenuation.But in many cases the speakers used inportable systems,whether internal or external,have little ability to reproduce signals below 100Hz to 150Hz,Thus,using a large input capacitormaynotincreaseactualsystemperformance .In this case,input capacitor(C i )and input resistance (R i ) of the amplifier form a high-pass filter with the corner frequency determined by equation below, f c =1/2TT R i C i in addition to system cost and size,click and pop performance is affected by the size of the input coupling capacitor C i .A larger input coupling capacitor requires more charge to reach its quiescent DC voltage(nominall 1/2 V DD ). This charge comes from the internal circuit via the feedback and is apt to create pops upon device enable.Thus,by minimizing the capacitor size based on necessary low frequency response, turn-on pops can be minimized.Analog Reference Bypass Capacitor(C BYP )The analog Reference Bypass Capacitor(C BYP )is the most critical capacitor and serves several important functions.During start-up or recovery from shutdown mode, C BYP determines the rate at which the amplifier starts up.The second function is to reduce noise caused by the power supply coupling into the output drive signal.This noise is from the internal analogreference to the amplifier,which appears as degraded PSRR and THD+N.A ceramic bypass capacitor(C BYP )with values of 0.47μF to 1.0μF .is recommended for the best THD and noise performance.Increasing the bypass capacitor reduces clicking and popping noise from power on/off and entering and leaving shutdown.Tel:+86-0755-******** 82568883Fax:+86-0755-********Adress:: Room 202, 3rd Building, Innovation and Technology Park in Shangsha ,Futian District, Shenzhen,ChinaOutline Dimesions SOP-8Dimensions MillimetersSymbol Min Max A 1.350 1.750 A1 0.100 0.250 A2 1.350 1.550 b 0.330 0.510 c 0.170 0.250 d 4.700 5.100 E 3.800 4.000 E15.8006.300e 1.270(TYP)L 0.400 1.270 θ0°8°Tel:+86-0755-******** 82568883 Fax:+86-0755-********Adress:: Room 202, 3rd Building, Innovation and Technology Park in Shangsha ,Futian District, Shenzhen ,China。
Document#:Rev:1.5型号:Product Specification of100310Ah Cell310Ah产品规格书310Ah产品规格书Product Specification of310Ah Cell电芯型号Cell Model:001CB0Y0电芯容量Cell Capacity:310Ah产品设计准备产品设计审批销售审批项目工程审批品质保证审批产品经理审批Yang LongfeiZhengXianfeng客户确认签名日期客户代码:公司印章:修改记录AMENDMENT RECORDSRev.ECN No.Effective Date Author Description of Revision 1.02019/10/17Yang Longfei New release目录Content0术语定义Definitions (4)1.适用范围Scope of application (5)2.产品电性能指标Electrical specification (5)2.1.概要General (5)2.2.充电模式/参数Charging/Parameter (6)2.3.放电模式Discharging (7)2.4.高低温容量High/Low Temperature Capacity (7)3.电芯温升Cell temperature rise (7)4.安全与可靠性Safety and Reliability (8)5.产品寿命终止管理Product End of Life Management (8)6.应用条件Application Conditions (8)7安全防范Safety Precautions (11)8免责声明Disclaimer (13)9风险警告Risk Warning (14)0术语定义Definitions术语Terms 定义Definition产品Product 本技术协议中的“产品”是指CATL 生产的310Ah 3.2V 储能用磷酸铁锂电池。
500mA Synchronous Step-Down DC/DC Converters ME3101 Series Selection GuidePin ConfigurationME3101AXX ME3101AXX-DSPin AssignmentME3101AXX Pin NumberPin Name Function 1 VIN Power Input2 VSS VSS3 CE/MODE Chip Enable / Mode Switch4 VOUT Output Voltage Sence 5LXSwitching OutputME3101AXX-DS Pin NumberPin Name Function1 CE/MODE Chip Enable / Mode Switch2 VSS VSS3 LX Switching Output4 VIN Power Input 5VOUTOutput Voltage SenceAbsolute Maximum RatingsPARAMETER SYMBOL RATINGS UNITSVIN Pin Voltage Vin -0.3~6.5 VLx Pin Voltage Vlx -0.3~Vin+0.3 VVOUT Pin Voltage Vout -0.3~6.5 V CE / MODE Pin Voltage Vce -0.3~Vin+0.3 V Lx Pin Current Ilx ±1000 mA Power Dissipation(SOT-23-5L) Pd 250 mWOperating Temperature Range T Opr-25~+85 ℃Storage Temperature Range T stg-40~+125 ℃Block DiagramElectrical CharacteristicsME3101A10 ( Unless Otherwise Stated ,VIN=3.0V,FOSC=1.2MHz, Cin=4.7uF,CL=10uF,L=3.3uH,Ta=25℃ ) PARAMETER SYMBOL CONDITIONS MIN. TYP. MAX. UNIT CIRCUIT Output Voltage Vout Vce=Vin,Iout=30mA 0.98 1.0 1.02 V ①OperatingVoltageRangeVin 2 - 6 V ①Maximum OutputCurrentIout.max -500 -mA ①U.V.L.O . Voltage VuvloVce=Vin,Vout=0V,LX Voltage which Lx pinvoltage holding "L" level- 1.2 -V ②Supply Current Idd Vin=Vce=3.0V,Vout=Vout×1.1-55 -uA ③Stand-by Current Istb Vin=3.0V,Vce=0V,Vout=Vout×1.1-0 1 uA ③Frequency FOSC Iout=100mA 1020 1200 1380 KHz ①PFM SwitchCurrentIpfm Vce=Vin,Iout=1mA -180 -mA ①Maximum DutyRatioMaxdty Vce=Vin,Vout=0 100 --%④Minimum DutyRatioMindty Vce=Vout=Vin --0 %④Efficiency EFFI Vce=Vin=2.5V,Iout=100mA-90 -%①Lx SW “H” ON Resistance RlxHVce=0.5Vin,Vce=0V,Ilx=100mA-0.5 1.2 Ω ⑤Lx SW “L” ONResistanceRlxL Vce=0.5Vin,Ilx=100mA -0.6 1.4 Ω -Lx SW “H” LeakCurrent IleakHVin=Vout=5.0V,Vce=0V,Lx=0V-0.01 1 uA ⑥Lx SW “L” Leak Current IleakLVin=Vout=5.0V,Vce=0V,Lx=5V-0.01 1 uA ⑥Current Limit Ilim Vin=Vce=5.0V,Vout=0V -800 -mA ⑦Output Voltage Temperature CharacteristicsVout/(Vout*⊿topr)Iout=30mA,-40℃≤Topr≤85℃-+100 -ppm/℃①CE “H” Voltage VceH Vout=0V 0.7 -Vin V ⑧CE “L” Voltage VceL Vout=0V Vss -0.6 V ⑧CE “H” Current Iceh Vin=Vce=5.5V,Vout=0V -0.1 -0.1 uA ⑧CE “L” Current Icel Vin=5.5V,Vce=0V,Vout=0V-0.1 -0.1 uA ⑧Soft-Start Time Tss Vce=0V~Vin,Iout=1mA 0.5 1.2 3.0 msec ①Latch Time Tlat Vin=Vce=5.0V 1 -20 msec ⑨ME3101A12 ( Unless Otherwise Stated ,VIN=3.0V,FOSC=1.2MHz, Cin=4.7uF,CL=10uF,L=3.3uH,Ta=25℃ ) PARAMETER SYMBOL CONDITIONS MIN. TYP. MAX. UNIT CIRCUIT Output Voltage Vout Vce=Vin,Iout=30mA 1.176 1.2 1.224 V ①OperatingVoltageRangeVin 2 - 6 V ①Maximum OutputCurrentIout.max VIN=2.5V 500 --mA ①U.V.L.O . Voltage VuvloVce=Vin,Vout=0V,LX Voltage which Lx pinvoltage holding "L" level1 1.4 1.78 V ②Supply Current Idd Vin=Vce=3.0V,Vout=Vout×1.1-60 120 uA ③Stand-by Current Istb Vin=3.0V,Vce=0V,Vout=Vout×1.1-0 1 uA ③Frequency FOSC Iout=100mA 1020 1200 1380 KHz ①PFM SwitchCurrentIpfm Vce=Vin,Iout=1mA 100 140 180 mA ①Maximum DutyRatioMaxdty Vce=Vin,Vout=0 100 --%④Minimum DutyRatioMindty Vce=Vout=Vin --0 %④Efficiency EFFI Vce=Vin=2.5V,Iout=100mA-90 -%①Lx SW “H” ON Resistance RlxHVce=0.5Vin,Vce=0V,Ilx=100mA-0.5 1.2 Ω ⑤Lx SW “L” ONResistanceRlxL Vce=0.5Vin,Ilx=100mA -0.6 1.4 Ω -Lx SW “H” LeakCurrent IleakHVin=Vout=5.0V,Vce=0V,Lx=0V-0.01 1 uA ⑥Lx SW “L” Leak Current IleakLVin=Vout=5.0V,Vce=0V,Lx=5V-0.01 1 uA ⑥Current Limit Ilim Vin=Vce=5.0V,Vout=0V 600 700 -mA ⑦Output Voltage Temperature CharacteristicsVout/(Vout*⊿topr)Iout=30mA,-40℃≤Topr≤85℃-+100 -ppm/℃①CE “H” Voltage VceH Vout=0V 0.9 -Vin V ⑧CE “L” Voltage VceL Vout=0V Vss -0.3 V ⑧CE “H” Current Iceh Vin=Vce=5.5V,Vout=0V -0.1 -0.1 uA ⑧CE “L” Current Icel Vin=5.5V,Vce=0V,Vout=0V-0.1 -0.1 uA ⑧Soft-Start Time Tss Vce=0V~Vin,Iout=1mA 0.5 1.0 3.0 msec ①Latch Time Tlat Vin=Vce=5.0V 1 -20 msec ⑨ME3101A18 ( Unless Otherwise Stated ,VIN=3.6V,FOSC=1.2MHz, Cin=4.7uF,CL=10uF,L=3.3uH,Ta=25℃ ) PARAMETER SYMBOL CONDITIONS MIN. TYP. MAX. UNIT CIRCUIT Output Voltage Vout Vce=Vin,Iout=30mA 1.764 1.8 1.836 V ①Operating VoltageRangeVin 2 - 6 V ①Maximum OutputCurrentIout.max VIN=3.0V 500 --mA ①U.V.L.O . Voltage VuvloVce=Vin,Vout=0V,LX Voltage which Lx pinvoltage holding "L" level1 1.4 1.78 V ②Supply Current Idd Vin=Vce=3.6V,Vout=Vout×1.1-60 120 uA ③Stand-by Current Istb Vin=3.6V,Vce=0V,Vout=Vout×1.1-0 1 uA ③Frequency FOSC Iout=100mA 1020 1200 1380 KHz ①PFM SwitchCurrentIpfm Vce=Vin,Iout=1mA 100 140 180 mA ①Maximum DutyRatioMaxdty Vce=Vin,Vout=0 100 --%④Minimum DutyRatioMindty Vce=Vout=Vin --0 %④Efficiency EFFI Vce=Vin=3.0V,Iout=100mA-90 -%①Lx SW “H” ON Resistance RlxHVce=0.5Vin,Vce=0V,Ilx=100mA-0.5 1.2 Ω ⑤Lx SW “L” ONResistanceRlxL Vce=0.5Vin,Ilx=100mA -0.6 1.4 Ω -Lx SW “H” LeakCurrent IleakHVin=Vout=5.0V,Vce=0V,Lx=0V-0.01 1 uA ⑥Lx SW “L” Leak Current IleakLVin=Vout=5.0V,Vce=0V,Lx=5V-0.01 1 uA ⑥Current Limit Ilim Vin=Vce=5.0V,Vout=0V 600 700 -mA ⑦Output Voltage Vout/ Iout=30mA,-40℃≤Topr≤85℃-+100 -ppm/℃①TemperatureCharacteristics(Vout*⊿topr)CE “H” Voltage VceH Vout=0V 0.9 -Vin V ⑧CE “L” Voltage VceL Vout=0V Vss -0.3 V ⑧CE “H” Current Iceh Vin=Vce=5.5V,Vout=0V -0.1 -0.1 uA ⑧CE “L” Current Icel Vin=5.5V,Vce=0V,Vout=0V-0.1 -0.1 uA ⑧Soft-Start Time Tss Vce=0V~Vin,Iout=1mA 0.5 1.0 3.0 msec ①Latch Time Tlat Vin=Vce=5.0V 1 -20 msec ⑨ME3101A33 ( Unless Otherwise Stated ,VIN=5V,FOSC=1.2MHz, Cin=4.7uF,CL=10uF,L=3.3uH,Ta=25℃ ) PARAMETER SYMBOL CONDITIONS MIN. TYP. MAX. UNIT CIRCUIT Output Voltage Vout Vce=Vin,Iout=30mA 3.234 3.3 3.366 V ①Operating VoltageRangeVin 2 - 6 V ①Maximum OutputCurrentIout.max VIN=4.5V 500 --mA ①U.V.L.O . Voltage VuvloVce=Vin,Vout=0V,LX Voltage which Lx pinvoltage holding "L" level1 1.4 1.78 V ②Supply Current Idd Vin=Vce=5V,Vout=Vout×1.1-60 120 uA ③Stand-by Current Istb Vin=5V,Vce=0V,Vout=Vout×1.1-0 1 uA ③Frequency FOSC Iout=100mA 1020 1200 1380 KHz ①PFM Switch Current Ipfm Vce=Vin,Iout=1mA 100 140 180 mA ①Maximum DutyRatioMaxdty Vce=Vin,Vout=0 100 --%④Minimum Duty Ratio Mindty Vce=Vout=Vin --0 %④Efficiency EFFI Vce=Vin=4.5V,Iout=100mA-93 -%①Lx SW “H” ON Resistance RlxHVce=0.5Vin,Vce=0V,Ilx=100mA-0.5 1.2 Ω ⑤Lx SW “L” ONResistanceRlxL Vce=0.5Vin,Ilx=100mA -0.6 1.4 Ω -Lx SW “H” LeakCurrent IleakHVin=Vout=5.0V,Vce=0V,Lx=0V-0.01 1 uA ⑥Lx SW “L” Leak Current IleakLVin=Vout=5.0V,Vce=0V,Lx=5V-0.01 1 uA ⑥Current Limit Ilim Vin=Vce=5.0V,Vout=0V 600 700 -mA ⑦Output Voltage Vout/ Iout=30mA,-40℃≤Topr≤85℃-±100 -ppm/℃①TemperatureCharacteristics(Vout*⊿topr)CE “H” Voltage VceH Vout=0V 1.1 -Vin V ⑧CE “L” Voltage VceL Vout=0V Vss -0.3 V ⑧CE “H” Current Iceh Vin=Vce=5.5V,Vout=0V -0.1 -0.1 uA ⑧CE “L” Current Icel Vin=5.5V,Vce=0V,Vout=0V-0.1 -0.1 uA ⑧Soft-Start Time Tss Vce=0V~Vin,Iout=1mA 0.5 1.0 3.0 msec ①Latch Time Tlat Vin=Vce=5.0V 1 -20 msec ⑨Note On Use:1. Use Ceramic Capacitor will achieve low ripple and high efficiency.2. When the difference between VIN and VOUT is large in PWM control, very narrow pulses will be outputted, andthere is the possibility that some cycles may be skipped completely.3. When the difference between VIN and VOUT is small, and the load current is heavy, very wide pulses will beoutputted and there is the possibility that some cycles may be skipped completely: in this case, the Lx pin may not go low at all.4. With the IC, the peak current of the coil is controlled by the current limit circuit. Since the peak current increaseswhen dropout voltage or load current is high, current limit starts operating, and this can lead to instability. When peak current becomes high, please adjust the coil inductance value and fully check the circuit operation. In addition, please calculate the peak current according to the following formula:Ipk = (VIN-VOUT) * On Duty / (2* L* FOSC) + IOUTL: Coil Inductance ValueFOSC: Oscillation Frequency5. When VIN is less than 2.4V, limit current may not be reached because voltage falls caused by ON resistance.6. Care must be taken when laying out the PC Board, in order to prevent misoperation of the current limit mode.Depending on the state of the PC Board, latch time may become longer and latch operation may not work. In order to avoid the effect of noise, the board should be laid out so that capacitors are placed as close to the chip as possible.7. Use of the IC at voltages below the recommended voltage range may lead to instability.8. When the IC is used in high temperature, output voltage may increase up to input voltage level at no loadbecause of the leak current of the driver transistor.Typical Applications(2) Output Voltage vs. Output Current (3) Input Current vs. Output Current R=6Ω,IOUT=550mA,VIN=0~5V(5) Load ResponseVIN=5V,IOUT=0~100mA VIN=5V,IOUT=100~0mAVIN=5V,IOUT=0~300mA VIN=5V,IOUT=300~0mAVIN=5V,IOUT=0~550mA VIN=5V,IOUT=550~0mAPackaging Information SOT23-5。
Vishay SemiconductorsVLMC310.Low Current SMD LED PLCC-2FEATURES•SMD LED with exceptional brightness •Compatible with automatic placement equipment•EIA and ICE standard package•Compatible with infrared, vapor phase andwave solder processes according to CECC 00802and J-STD-020C•Available in 8 mm tape •Low profile package•Non-diffused lens: excellent for coupling to light pipes and backlighting•Very low power consumption •Luminous intensity ratio in one packaging unit I Vmax /I Vmin ≤ 2.0•Lead (Pb)-free device•Preconditioning: according to Jedec level 2a •Component in accordance to RoH S 2002/95/EC and WEEE 2002/96/EC19225DESCRIPTIONThese new devices have been designed to meet the increasing demand for low current SMD LEDs.The package of the VLMC310. is the PLCC-2(equivalent to a size B tantalum capacitor).It consists of a lead frame which is embedded in a white thermoplast. The reflector inside this package is filled up with clear epoxy.PRODUCT GROUP AND PACKAGE DATA •Product group: LED •Package: SMD PLCC-2 •Product series: low current •Angle of half intensity: ± 60°APPLICATIONS •Automotive: backlighting in dashboards and switches •Telecommunication: indicator and backlighting in telephone and fax •Indicator and backlight for audio and video equipment•Indicator and backlight for battery driven equipment •Small indicator for outdoor applications •Indicator and backlight in office equipment •Flat backlight for LCDs, switches and symbols •General usePARTS TABLEPART COLOR, LUMINOUS INTENSITYTECHNOLOGY VLMC3100Green, I V > 0.71 mcd GaP on GaP VLMC3101Green, I V > 1.12 mcdGaP on GaPVishay SemiconductorsVLMC310.Note:1) Tamb = 25°C unless otherwise specified2) Driving the LED in reverse direction is suitable for a short term application Note:1) Tamb = 25°C unless otherwise specified2) in one Packing Unit IVmax/I Vmin≤ 2.0Note:Wavelengths are tested at a current pulse duration of 25 ms and an accuracy of ± 1 nm.Note:Luminous intensity is tested at a current pulse duration of 25 ms and an accuracy of ± 11 %.The above Type Numbers represent the order groups which include only a few brightness groups. Only one group will be shipped on each reel (there will be no mixing of two groups on each reel). In or-der to ensure availability, single brightness groups will not be order-able.In a similar manner for colors where wavelength groups are mea-sured and binned, single wavelength groups will be shipped on any one reel.In order to ensure availability, single wavelength groups will not be orderable.ABSOLUTE MAXIMUM RATINGS1) VLMC310.PARAMETER TEST CONDITION SYMBOL VALUE UNIT Reverse voltage2)V R6V DC Forward current I F7mA Surge forward current t p≤ 10 µs I FSM0.5A Power dissipation P V20mW Junction temperature T j100°C Operating temperature range T amb- 40 to + 100°C Storage temperature range T stg- 40 to + 100°C Soldering temperature t ≤ 5 s T sd260°CThermal resistance junction/ ambient mounted on PC board(pad size > 16 mm2)R thJA500K/WOPTICAL AND ELECTRICAL CHARACTERISTICS1) VLMC310., GREENPARAMETER TEST CONDITION PART SYMBOL MIN TYP.MAX UNITLuminous intensity 2)I F = 2 mA VLMC3100I V0.71 1.6mcd VLMC3101I V 1.12 1.6mcdDominant wavelength I F = 2 mAλd562575nm Peak wavelength I F = 2 mAλp565nm Angle of half intensity I F = 2 mAϕ± 60deg Forward voltage I F = 2 mA V F 1.9 2.4V Reverse voltage I R = 10 µA V R615V Junction capacitance V R = 0, f = 1 MHz C j50pFCOLOR CLASSIFICATIONGROUPGREENDOM. WAVELENGTH (NM) MIN. MAX.3562565 4564567 5566569 6568571 7570573 8572575LUMINOUS INTENSITY CLASSIFICATION GROUP LIGHT INTENSITY (MCD) STANDARD OPTIONAL MIN MAX E110.710.90E220.90 1.12F11 1.12 1.40Vishay SemiconductorsVLMC310.TYPICAL CHARACTERISTICS T amb = 25°C, unless otherwise specifiedFigure 1. Forward Current vs. Ambient Temperature Figure 2. Rel. Luminous Intensity vs. Angular Displacement Figure 3. Forward Current vs. Forward Voltage 0246810I F - F o r w a r d C u r r e n t (m A )95 1084210080604020T am b - Am b ient Temperat u re (°C)0.40.20.20.40.695 103190.60.90.80°30°10°20°40°50°60°70°80°0.71.0I V r e l - R e l a t i v e L u m i n o u s I n t e n s i t y21V F - For w ard V oltage (V )495 10056I -F o r w a r d C u r r e n t (m A )F 135Figure 4. Rel. Luminous Intensity vs. Ambient TemperatureFigure 5. Rel. Lumin. Intensity vs. Forw. Current/Duty CycleFigure 6. Relative Luminous Intensity vs. Forward Current0.95 1005720406080100I - R e l a t i v eL u m i n o u s I n t e n s i t yv r e l T am b - Am b ient Temperat u re (°C)10205010020000.16486500v r e l I - S p e c i f i c L u m i n o u s I n t e n s i t y10.50.20.050.02t p/TI F /mA 0.10.111010095 10059I - R e l a t i v e L u m i n o u s I n t e n s i t yv r e l I F - For w ard C u rrent (mA)Vishay SemiconductorsVLMC310.PACKAGE DIMENSIONS in millimetersFigure 7. Relative Intensity vs. Wavelength52054056058060000.20.40.60.81.262095 10038λ - W a v elength (nm)1.0I - R e l a t i v e L u m i n o u s I n t e n s i t yV r e lVishay SemiconductorsVLMC310.METHOD OF TAPING/POLARITY AND TAPE AND REELSMD LED (VLM3 - SERIES)Vishay’s LEDs in SMD packages are available in an antistatic 8 mm blister tape (in accordance with DIN IEC 40 (CO) 564) for automatic component inser-tion. The blister tape is a plastic strip with impressed component cavities, covered by a top tape.TAPING OF VLM.3..REEL PACKAGE DIMENSION IN MM FOR SMD LEDS, TAPE OPTION GS08(= 1500 PCS.)REEL PACKAGE DIMENSION IN MM FORSMD LEDS, TAPE OPTION GS18(= 8000 PCS.) PREFERREDSOLDERING PROFILEFigure 8. Tape Dimensions in mm for PLCC-2Figure9. Reel Dimensions - GS08Figure 10. Reel Dimensions - GS18Figure 11. Vishay Lead (Pb)-free Reflow Soldering Profile(acc. to J-STD-020C)Figure 12. Double Wave Soldering of Opto Devices (all Packages)Vishay Semiconductors VLMC310.BAR CODE PRODUCT LABELEXAMPLE:A)Type of componentB)Manufacturing plantC)SEL - selection code (bin):e.g.: J1 = code for luminous intensity groupD)Date code year/weekE)Day code (e.g. 3: Wednesday)F)Batch no.G)Total quantityH)Company codeDRY PACKINGThe reel is packed in an anti-humidity bag to protect the devices from absorbing moisture during transpor-tation and storage.FINAL PACKINGThe sealed reel is packed into a cardboard box. A sec-ondary cardboard box is used for shipping purposes.RECOMMENDED METHOD OF STORAGEDry box storage is recommended as soon as the alu-minium bag has been opened to prevent moisture absorption. The following conditions should be observed, if dry boxes are not available:• Storage temperature 10°C to 30°C• Storage humidity ≤ 60 % RH max.After more than 672 h under these conditions moisture content will be too high for reflow soldering.In case of moisture absorption, the devices will recover to the former condition by drying under the following condition:192 h at 40°C + 5°C/ - 0°C and < 5 % RH (dry air/ nitrogen) or96 h at 60°C + 5°C and < 5 % RH for all device con-tainers or24 h at 100°C + 5°C not suitable for reel or tubes. An EIA JEDEC standard JESD22-A112 level 2a label is included on all dry bags.ESD PRECAUTIONProper storage and handling procedures should be fol-lowed to prevent ESD damage to the devices espe-cially when they are removed from the AntistaticShielding Bag. Electro-Static Sensitive Devices warn-ing labels are on the packaging.VISHAY SEMICONDUCTORS STANDARDBAR CODE LABELSThe Vishay Semiconductors standard bar code labelsare printed at final packing areas. The labels are oneach packing unit and contain Vishay Semiconductorsspecific data.V ISHAYHVishay SemiconductorsVLMC310.Ozone Depletin g Substances Policy StatementIt is the policy of Vishay Semiconductor GmbH to1.Meet all present and future national and international statutory requirements.2.Regularly and continuously improve the performance of our products, processes, distribution and operating systems with respect to their impact on the health and safety of our employees and the public, as well as their impact on the environment.It is particular concern to control or eliminate releases of those substances into the atmosphere which are known as ozone depleting substances (ODSs).The Montreal Protocol (1987) and its London Amendments (1990) intend to severely restrict the use of ODSs and forbid their use within the next ten years. Various national and international initiatives are pressing for an earlier ban on these substances.Vishay Semiconductor GmbH has been able to use its policy of continuous improvements to eliminate the use of ODSs listed in the following documents.1.Annex A, B and list of transitional substances of the Montreal Protocol and the London Amendments respectively2.Class I and II ozone depleting substances in the Clean Air Act Amendments of 1990 by the Environmental Protection Agency (EPA) in the USA3.Council Decision 88/540/EEC and 91/690/EEC Annex A, B and C (transitional substances) respectively.Vishay Semiconductor GmbH can certify that our semiconductors are not manufactured with ozone depleting substances and do not contain such substances.We reserve the right to make changes to improve technical designand may do so without further notice.Parameters can vary in different applications. All operating parameters must be validated for each customer application by the customer. Should the buyer use Vishay Semiconductors products for any unintended or unauthorized application, the buyer shall indemnify Vishay Semiconductors against all claims, costs, damages, and expenses, arising out of, directly or indirectly, any claim of personal damage, injury or deathassociated with such unintended or unauthorized use.Vishay Semiconductor GmbH, P.O.B. 3535, D-74025 Heilbronn, GermanyDisclaimer Legal Disclaimer NoticeVishayAll product specifications and data are subject to change without notice.Vishay Intertechnology, Inc., its affiliates, agents, and employees, and all persons acting on its or their behalf (collectively, “Vishay”), disclaim any and all liability for any errors, inaccuracies or incompleteness contained herein or in any other disclosure relating to any product.Vishay disclaims any and all liability arising out of the use or application of any product described herein or of any information provided herein to the maximum extent permitted by law. The product specifications do not expand or otherwise modify Vishay’s terms and conditions of purchase, including but not limited to the warranty expressed therein, which apply to these products.No license, express or implied, by estoppel or otherwise, to any intellectual property rights is granted by this document or by any conduct of Vishay.The products shown herein are not designed for use in medical, life-saving, or life-sustaining applications unless otherwise expressly indicated. Customers using or selling Vishay products not expressly indicated for use in such applications do so entirely at their own risk and agree to fully indemnify Vishay for any damages arising or resulting from such use or sale. Please contact authorized Vishay personnel to obtain written terms and conditions regarding products designed for such applications.Product names and markings noted herein may be trademarks of their respective owners.元器件交易网。
TL H 7761LM110 LM210 LM310 Voltage FollowerNovember1994LM110 LM210 LM310Voltage FollowerGeneral DescriptionThe LM110series are monolithic operational amplifiers in-ternally connected as unity-gain non-inverting amplifiersThey use super-gain transistors in the input stage to get lowbias current without sacrificing speed Directly interchange-able with101 741and709in voltage follower applicationsthese devices have internal frequency compensation andprovision for offset balancingThe LM110series are useful in fast sample and hold cir-cuits active filters or as general-purpose buffers Furtherthe frequency response is sufficiently better than standardIC amplifiers that the followers can be included in the feed-back loop without introducing instability They are plug-inreplacements for the LM102series voltage followers offer-ing lower offset voltage drift bias current and noise in addi-tion to higher speed and wider operating voltage rangeThe LM110is specified over a temperature range b55 C sT A s a125 C the LM210from b25 C s T A s a85 C andthe LM310from0 C s T A s a70 CFeaturesY Input current10nA max over temperatureY Small signal bandwidth20MHzY Slew rate30V m sY Supply voltage range g5V to g18V Schematic DiagramTL H 7761–1C1995National Semiconductor Corporation RRD-B30M115 Printed in U S AAbsolute Maximum RatingsIf Military Aerospace specified devices are required please contact the National Semiconductor Sales Office Distributors for availability and specifications (Note6)Supply Voltage g18V Power Dissipation(Note1)500mW Input Voltage(Note2)g15V Output Short Circuit Duration(Note3)Indefinite Operating Temperature RangeLM110b55 C to a125 C LM210b25 C to a85 C LM3100 C to a70 C Storage Temperature Range b65 C to a150 C Lead Temperature(Soldering 10sec )260 C Soldering InformationDual-In-Line PackageSoldering(10sec )260 C Small Outline PackageVapor Phase(60sec )215 C Infrared(15sec )220 C See AN-450‘‘Surface Mounting Methods and Their Effect on Product Reliability’’for other methods of soldering sur-face mount devicesESD rating to be determinedElectrical Characteristics(Note4)Parameter ConditionsLM110LM210LM310Units Min Typ Max Min Typ Max Min Typ MaxInput Offset Voltage T A e25 C1 54 01 54 02 57 5mV Input Bias Current T A e25 C1 03 01 03 02 07 0nA Input Resistance T A e25 C101010121010101210101012X Input Capacitance1 51 51 5pFLarge Signal Voltage T A e25 C V S e g15V0 9990 99990 9990 99990 9990 9999V V Gain V OUT e g10V R L e8k XOutput Resistance T A e25 C0 752 50 752 50 752 5X Supply Current T A e25 C3 95 53 95 53 95 5mA Input Offset Voltage6 06 010mV Offset Voltage b55 C s T A s a85 C66m V C Temperature Drift a85s T A s125 C12m V C0 C s T A s a70 C10m V C Input Bias Current101010nALarge Signal Voltage V S e g15V V OUT e g10V0 9990 9990 999V V Gain R L e10k XOutput Voltage V S e g15V R L e10k Xg10g10g10V Swing(Note5)Supply Current T A e125 C2 04 02 04 0mASupply Voltage g5V s V S s g18V708070807080dB Rejection RatioNote1 The maximum junction temperature of the LM110is150 C of the LM210is100 C and of the LM310is85 C For operating at elevated temperatures devices in the HO8package must be derated based on a thermal resistance of165 C W junction to ambient or22 C W junction to case The thermal resistance of the dual-in-line package is100 C W junction to ambientNote2 For supply voltages less than g15V the absolute maximum input voltage is equal to the supply voltageNote3 Continuous short circuit for the LM110and LM210is allowed for case temperatures to125 C and ambient temperatures to70 C and for the LM310 70 C case temperature or55 C ambient temperature It is necessary to insert a resistor greater than2k X in series with the input when the amplifier is driven from low impedance sources to prevent damage when the output is shorted R S e5k min 10k typical is recommended for dynamic stability in all applicationsNote4 These specifications apply for g5V s V S s g18V and b55 C s T A125 C for the LM110 b25 C s T A s85 C for the LM210 and0 C s T A s70 C for the LM310unless otherwise specifiedNote5 Increased output swing under load can be obtained by connecting an external resistor between the booster and V b terminals See curveNote6 Refer to RETS110X for LM110H LM110J military specificationsApplication HintThe input must be driven from a source impedance of typically10k X(5k X min )to maintain stability The total source impedance will be reduced at high frequencies if there is stray capacitance at the input pin In these cases a10k X resistor should be inserted in series with the input physically close to the input pin to minimize the stray capacitance and prevent oscillation2Typical Performance Characteristics (LM110 LM210)Input CurrentOutput Noise VoltageResponseLarge Signal Pulse Phase Lag Voltage Gain and Phase LagVoltage Gain and Voltage GainOutput Resistance Symmetrical Output Swing Positive Output SwingFrequency ResponseLarge SignalPower Supply Rejection Supply CurrentTL H 7761–283Typical Performance Characteristics (LM310)Input CurrentOutput Noise VoltageResponseLarge Signal Pulse Phase Lag Voltage Gain and Phase LagVoltage Gain and Voltage GainOutput Resistance Symmetrical Output Swing Positive Output SwingFrequency ResponseLarge SignalPower Supply Rejection Supply CurrentTL H 7761–294Auxiliary CircuitsOffset Balancing CircuitTL H 7761–2Increasing Negative Swing Under LoadTL H 7761–3May be added to reduce internal dissipation Typical ApplicationsDifferential Input Instrumentation AmplifierTL H 7761–4R4R2eR5R3A V eR4R2Fast Integrator with Low Input CurrentTL H 7761–55Typical Applications(Continued)Fast Inverting Amplifier with High Input ImpedanceTL H 7761–6Comparator for Signals of Opposite PolarityTL H 7761–7Zero Crossing DetectorTL H 7761–96Typical Applications(Continued)Driver for A D Ladder NetworkTL H 7761–8Buffer for Analog SwitchTL H 7761–10Switch substrates are boot-strapped to reduce output capacitance of switch7Typical Applications(Continued)Comparator for AC Coupled SignalsTL H 7761–11High Input Impedance AC AmplifierTL H 7761–12Comparator for A D Converter Using a Binary-Weighted NetworkTL H 7761–138Typical Applications (Continued)Bilateral Current SourceTL H 7761–14I OUT eR 3V IN R1R5R3e R4a R5R1e R2Comparator for A D Converter Using a Ladder NetworkTL H 7761–15Sine Wave Oscillatorf o e 10kHzTL H 7761–169Typical Applications(Continued)Low Pass Active FilterTL H 7761–18 Values are for10kHz cutoff Use silvered mica capacitors for good temperature stabilityHigh Pass Active FilterTL H 7761–19 Values are for100Hz cutoff Use metalized polycarbonate capacitors for good temperature stabilitySimulated InductorTL H 7761–2110Typical Applications (Continued)Adjustable Q Notch FilterTL H 7761–22f o e12q R1C1R1e R2e 2R3C1e C2e C3 2Bandpass FilterTL H 7761–23Sample and HoldTL H 7761–24Use capacitor with polycarbonate teflon or polythylene dietetric11Typical Applications(Continued)Buffered Reference SourceTL H 7761–25Low Drift Sample and HoldTeflon polyethylene or polycarbonate dielectric capacitorWorst case drift less than3mV sec TL H 7761–26Variable Capacitance MultiplierC e 1a R b R a J C1TL H 7761–2712Connection DiagramsMetal Can PackageTL H 7761–30Package is connected to Pin 4(V b)Top ViewOrder Number LM110H LM210H or LM310HLM110H 883See NS Package Number H08CDual-In-Line Package TL H 7761–31Top ViewOrder Number LM110J LM210JLM310J or LM110J 883 See NS Package Number J14ADual-In-Line PackageTL H 7761–32Top ViewOrder Number LM310M LM310N or LM110J-8 883 See NS Package Number J08A M08A or N08EAvailable per SMD 5962-876060113Physical Dimensions inches(millimeters)Metal Can Package(H)Order Number LM110H LM110H 883 LM210H or LM310HNS Package Number H08CDual-In-Line Package(J)Order Number LM110J-8 883NS Package Number J08A14Physical Dimensions inches(millimeters)(Continued)Ceramic Dual-In-Line Package(J)Order Number LM110J 883NS Package Number J14AS O Package(M)Order Number LM310MNS Package Number M08A15L M 110 L M 210 L M 310V o l t a g e F o l l o w e rPhysical Dimensions inches (millimeters)(Continued)Molded Dual-In-Line Package (N)Order Number LM310N NS Package Number N08ELIFE SUPPORT POLICYNATIONAL’S PRODUCTS ARE NOT AUTHORIZED FOR USE AS CRITICAL COMPONENTS IN LIFE SUPPORT DEVICES OR SYSTEMS WITHOUT THE EXPRESS WRITTEN APPROVAL OF THE PRESIDENT OF NATIONAL SEMICONDUCTOR CORPORATION As used herein 1 Life support devices or systems are devices or 2 A critical component is any component of a life systems which (a)are intended for surgical implant support device or system whose failure to perform can into the body or (b)support or sustain life and whose be reasonably expected to cause the failure of the life failure to perform when properly used in accordance support device or system or to affect its safety or with instructions for use provided in the labeling can effectivenessbe reasonably expected to result in a significant injury to the userNational Semiconductor National Semiconductor National Semiconductor National Semiconductor CorporationEuropeHong Kong LtdJapan Ltd1111West Bardin RoadFax (a 49)0-180-530858613th Floor Straight Block Tel 81-043-299-2309。