升压芯片-TPS系列
- 格式:pdf
- 大小:2.11 MB
- 文档页数:12
本文介绍一款超低输入电压升压式DC/DC转换器TPS61200系列。
该系列在Ta=-40~+85℃工作温度范围内,最低输入电压为0.3V;单个芯片就能组成升压式电源,效率较高。
该系列有三种型号,有输出可设定及固定电压输出,如表1所示。
特点与应用领域TPS61200系列的主要特点:效率高(在VIN≥1.2V、输出3.3V、输出电流600mA时,其效率可大于90%);自动转换成升压模式或降压模式;静态电流小(小于55μA);输入电压在0.5V时,在满负载时也能启动工作;输入工作电压范围宽,从0.3~5.5V;输入低电压锁存的电压可设定;有输出短路保护;有输出电压可设定及固定输出的品种供用户选择(见表1);在输出功率较低时有节能模式,可提高效率;有可能强制按固定效率工作;在关闭电源时,负载与输入端断开;有过热保护;工作温度范围-40~+85℃;小尺寸3mm×3mm QFN封装。
引脚排列与功能TPS61200系列的引脚排列如图1所示,各引脚功能如表2所示。
图1 TPS61200的引脚排列主要技术参数TPS61200系列主要极限参数:输入电压为-0.3~7V(包括VIN、L、VAUX、VOUT、PS、EN、FB、UVLO端)。
建议工作条件:VIN=0.3~5V。
TPS61200系列主要电特性参数:可调输出电压为1.8~5.5V;固定3.3V输出电压允差±0.03V;固定5.0V输出电压允差 ±0.05V;内部平均开关电流限制为1350mA;静态电流典型值50μA;关闭状态时耗电小于2μA;EN端低电平:VIN<0.8V时为<0.1VIN、VIN>1.5V时为<0.4V、0.8V≤VIN≤1.5V时为<0.2VIN;EN高电平:VIN<0.8V时为>0.9VIN、 VIN>1.5V时为>1.2V、0.8≤VIN≤1.5V时为>0.8VIN;PS输入低电平<0.4V、PS输入高电平>1.2V;开关管开关频率 1250~1650kHz。
电源管理芯片型号电源管理芯片是一种用于控制和管理电源供应的集成电路,常用于电子设备和计算机系统中。
它能够监测电源电压、电流和温度等参数,以确保电子设备或计算机系统正常工作,并保护设备免受过电压、过电流和过温等不良条件的损害。
电源管理芯片的型号有很多种,下面简单介绍几种常见的型号。
1. MAX77650:这是一款高性能、集成度很高的电源管理芯片。
它具有多种功能,包括锂电池充放电管理、电源管理和系统监测等。
它采用低功耗设计,能够延长电池寿命,同时提供多种省电模式。
2. TPS54160:这是一款高效率、同步降压型电源管理芯片。
它适用于工业和通讯设备,能够提供稳定的电源输出。
它的主要特点是高效率和低纹波,能够满足电子设备对稳定电源的要求。
3. LT3652:这是一款微型化、高效率的电源管理芯片。
它适用于锂电池充电和电源管理。
它采用了开关电源技术,能够提供高效率的电源转换,同时集成了多种保护机制,能够确保电子设备的安全使用。
4. LTC6804:这是一款用于电池管理的芯片。
它可以对电池进行均衡充放电,并能够监测电池的电压、温度和容量等参数。
它采用高精度的ADC技术,能够提供准确的电池状态监测。
5. BQ25895:这是一款专用于充电管理的芯片。
它支持快速充电和逆变充电模式,能够根据不同设备的需求,选择合适的充电模式。
同时,它还具有多种保护机制,能够保护设备免受过充、过放和短路等不良条件的损害。
以上仅是部分电源管理芯片的型号介绍,每一款型号都有自己的特点和应用场合。
随着电子设备的不断发展,电源管理芯片的功能和性能也在不断提高,以满足电子设备对高效、稳定和安全电源供应的需求。
tps63020TPS60101用于低功耗系统的电源解决方案随着单片机应用技术的发展,各种应用场合对单片机系统有了更加严格的要求,便携式解决方案在系统设计中开始占据越来越大的比重,并越来越多地倾向于低电压、低功耗、微型化设计。
在这些设计中,一般采用镍氢、镍镉或锂电池作为系统供电方式;在一些使用交流供电的系统中,均设计了后备电池供电方式。
TPS__具有高效率、宽输入电压范围、稳压效果好、低漏电流、体积小等突出优点,可以为这些设计提供完美的电源解决方案。
1TPS__芯片简介TPS__是TexasInstruments公司新推出的一种低噪声电荷泵直流稳压芯片,能在输入电压动态范围较大时,为单片机系统提供稳定的直流供电。
1.1封装形式及引脚说明TPS__芯片的封装为一种特殊的TSSOP贴片封装,如图1所示。
芯片各引脚功能描述如表1所列。
表1TPS__引脚功能引脚名引脚号功能描述3V819模式选择,接低电平输出为标准3.3V,外接IN输出为预置3.8VC1+6外接电荷泵电容C1正极C1-8外接电荷泵电容C1负极C2+15外接电荷泵电容C2正极C2-13外接电荷泵电容C2负极COM18模式选择。
扫低电则电荷泵工作于推挽模式,提供最佳稳压性能;接IN工作于单端模式,只需1个外接电容__使能端。
接IN正常工,接低电平进入关断状态FB4反馈输入,接输出脚以获得最佳稳压效果GND1,20模拟地IN7,14外电源输入OUT5,16稳压电源输出PGND9~12稳压电源地SYNC2时钟信号选择,接地使用片内时钟,扫IN 使用片外时钟同步1.2TPS__的性能特点精密的制造工艺和优良的设计使得TPS__具有出色的电气性能:◇最大输出电流100mA,可满足绝大多数低功耗单片机系统的要求;◇少于5mV的输出电压波动,提供3.3(1±0.04)V的稳压输出;◇仅需少量外围元件,无需谐振线圈等器件,应用电路体积很小;◇电荷泵效率可达90%;◇宽输入电压范围,1.8~3.6V均可正常工作,充分保证了单片机系统在外接不同类型电源以及电池电量状态变化过程中得到稳定的电源供应;◇50μA的工作附加电流,0.05μA的关断漏电流,消耗电能很少;◇关断模式下,稳压电源输出隔离,增加电源管理的可靠性;◇微型的TSSOP贴片封装,减小应用电路体积。
升压芯片有哪些升压芯片原理升压芯片是如何升压的升压芯片是一种电子元器件,用于将低电压升高到所需的高电压。
它在各种电子设备中广泛应用,在通信、电源管理、汽车电子、医疗设备等领域起着重要的作用。
以下是升压芯片的一些常见类型和原理,以及升压芯片实现升压的具体过程。
常见的升压芯片类型:1.电感式升压芯片:通过外部电感储存能量,并在合适的时机释放能量来实现升压。
2.开关式升压芯片:采用开关管控制电荷流动,通过周期性地切断和连接电路来实现升压。
3.变压器式升压芯片:通过变压器的原理来升压,通常用于需要大功率输出的场合。
升压芯片的原理:升压芯片的原理基于能量守恒定律和电磁感应定律。
通常情况下,输入的低电压通过变换和控制电流的方式,转化成高电压输出。
具体升压芯片实现升压的过程:1.输入电源:升压芯片从外部接收一个较低电压的输入。
2.开关管控制:通过控制开关管的通断状态,控制输入电流的流动。
3.储能:在切断开关管的时候,电感储存输入电流的能量。
此时输出电压为零。
4.释能:在连接开关管的时候,通过闭合电路释放储存的能量到输出电路。
这个过程中,电流会在电感和输出负载间流动,电感将存储的能量传递给输出负载。
5.整流:为了保证输出稳定,一般在输出电压上加上整流二极管,以防止输出电压反向流动。
6.输出电压稳定:利用反馈控制技术,通过监测输出电压并与参考电压进行比较,调整控制开关管的通断状态,以维持输出电压稳定在设定值。
以上是基于开关式升压芯片的实现过程,其他类型的升压芯片实现原理和过程会有所不同,但总体思路是将输入的低电压通过其中一种方式转化为高电压输出。
升压芯片在各种电子设备中起到了重要的作用,满足了各种设备对电源需求的不同要求。
不同的升压芯片会有不同的优缺点,可根据具体应用场景来选择合适的升压芯片。
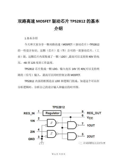
双路高速MOSFET驱动芯片TPS2812的基本介绍1.基本介绍今天和大家分享一颗双路高速(MOSFET)(驱动芯片)-TPS2812的一些设计知识。
这颗(芯片)是(TI)公司的一款驱动芯片,(工业)级。
这颗芯片内部集成了一颗(LDO),最高可以支持到40V的电压,-40到125度的工作温度。
TPS2812芯片集成一颗LDO,输入电压14V到40V,可以支持两路的(信号)输入,最高可以同时控制2路MOSFET.TPS2812内部的框图是由LDO和逻辑门组成,知道这个可以在分析逻辑时,分析自己的设计输入和输出的时序图。
2.TPS2812 引脚分布:1.REG_IN: LDO调节器的输入端1IN: 输入信号1通道GND: 公共地2IN: 输入信号2通道5.2OUT: 输出信号2通道6.VCC: (电源)(供电)引脚1OUT: 输出信号1通道REG_OUT: LDO调节器的输出端3.(电路设计)注意要点:(1)在MOSFET驱动的时间上,是可以调节的,文中标注的25ns 和40ns是在1nf负载和14V供电电源的前提下,因此在不同的负载时,其上升沿和下降沿的时间是会变化的,在设计时,可以预留调节的器件位置,方便后期调整。
(2)REG_IN和REG_OUT这个LDO不使用时,可以悬空处理(这样最简单),而且在VCC输入电源是供给逻辑输入和输出的输入,在连线时,注意和REG_IN分开。
也可以利用集成的LDO进行稳定VCC电压,因为LDO的输入有小浮动波动,也会保持REG_OUT稳定在11.5V(典型值)。
(3)注意电路设计时VCC输入电压不能超过14V,而且在VCC=5V,VCC=10V,VCC=14V时,输出的电压是不同的,这个根据驱动的MOS 的VGS电压调整。
(4)在设计1OUT和2OUT输出电压时,要注意对MOSFET的VGS 电压的应用,如果输出电压不能够完全打开MOSFET,则MOSFET会急剧发热,直至烧坏MOSFET。
K f封装方式/引脚数D S B G A /20D S B G A /14W S O N /14W S O N /14D S B G A /18W Q F N /24W Q F N /24W Q F N /24D S B G A /8D S B G A /9W S O N /I O S O T -23-T H I N /6D S B G A /12D S B G A /12D S B G A /16D S B G A /20D S B G A /20D S B G A /30D S B G A /30D S B G A /24主要特点I C 总线控制,32级亮度调节|模拟/脉宽调制混和调光P W M (脉宽调制)调光P W M 调光|P W M 调光I 2C 总线控制I 2C 总线控制F C 总线控制同步升压,过压保护过压保护F C 总线控制P W M 调光,过压保护128级亮度调节,过压保护可编程环境光感应,1^总线控 制压保护过压保护环境光传感和动态背光控制,i I "C 总线控制,P W M 调光m鸩y#: m m t1 ^ 。
■田乏a4 W K ^f 3?E y s效率(%)(N C T 'X in oc L 〇O C s 5:m 00ir.O Cr 〇00000000oc00§g §静态电流典型 值(蚪A ),卜rn C O <N oT--in —寸fO寸T —'ov 〇c ^S T-H 00»—1卜H(N(Nd<N T *"<i (H H■41 .免一 S ® i f !:3y —1C o 〇s ;5:§L OO N gC 〇or —'s倒頦5C Q围G S 掛S _00寸寸寸卜O N N 〇m 寸o寸(NL O(N 0C 00s 〇单通道 L E D 电流(m A )%T —>另IT )C N L D<N L OtN工作频率(M a x )(k H z )1600in v 〇L 〇&m &i 〇\D c O '157015701000g00125054001250〇L O Cin10001330rn c «*)1050输出电压(V )最大值\D I T )l 〇if)L n m L O m iri lO I T )m in l 〇u S in(N (N (N〇$om I T)m最小值卜rv i r -(N oc (N m 卜(N r -(N 卜oi卜o〇o 〇〇卜(N 卜(N 卜C N<N输入电压(V )最大值L n L 〇I T )iri IT )iri iT i L 〇L O L O IT )L O I T )in IT )u S 卜L 〇L O L O L O i 〇u S L OL /S IT 5IT )I D u S m iri in L O i 〇i 〇miri m 最小值卜(N00oj卜卜ri 卜rsi 卜(N 卜rsi 卜(N 卜rsi 卜(N 卜fN卜(N卜C N 卜C N 卜r 4卜<N卜(N 卜〇j 通道数量00寸寸寸卜卜G O \D(N(N00OC v 〇rv j型号L M 2756I L M 2794L M 27951 i L M 27952I L M 2796L M 27964L M 27965L M 27966L M 3501L M 3508L M 3509L M 3519L M 3528L M 3530|L M 3532L M 3533I L M 3535L M 3537L M 3538L M 36272。
升压芯片有哪些升压芯片原理升压芯片是如何升压的升压芯片是一种能将低电压转换成高电压的集成电路芯片。
它由多个电子元件组成,通过内部的开关电路和控制电路来实现电压的转换。
升压芯片的原理是利用开关电源的工作原理,将输入的低电压经过变换和控制,输出为高电压。
具体原理如下:1.输入电压充电阶段:当输入电压低于输出电压时,通过内部的电感和开关电路将输入电压储存在电感中。
在这个过程中,电感会充电并储存能量。
2.关断电感切换阶段:当输入电压达到一定阈值时,控制电路会切换开关,将储存在电感中的能量以瞬间的高电压形式传递给输出端。
3.输出滤波阶段:输出端通过输出滤波电路对高频脉冲进行滤波处理,将输出信号平滑化,得到稳定的升压输出。
升压芯片的升压过程可以分为三个阶段:充电阶段、切换阶段和滤波阶段。
在充电阶段,输入电压将电感充电,并储存能量。
在切换阶段,能量被转换为高电压,并通过开关电路传递给输出端。
在滤波阶段,滤波电路对高频脉冲进行滤波处理,得到稳定的输出电压。
升压芯片通常用于电池供电设备、光伏发电系统、LED照明等领域,可以将输入的低电压转换为需要的高电压。
通过控制芯片内部的开关和控制电路,可以实现高效率的电压转换,提供稳定的升压输出。
总结起来,升压芯片是一种能将低电压转换为高电压的集成电路芯片,通过内部的开关和控制电路,将输入电压进行变换和控制,输出为高电压。
其原理是利用开关电源的工作原理,在充电阶段将输入电压储存在电感中,在切换阶段将储存的能量以高电压形式传递给输出端,并通过滤波电路对输出信号进行平滑处理。
(嵌娜-琛6雜T )V S O N /I OW S O N /6W S O N /6W S O N /6W S O N /6W S O N /6D S B G A /9D S B G A /9S 9S O N /10S C 70/5W Q F N /16P W M 壳度控制,待机关断输出S桜mcog sg g stn00莊劇w滥鰐istn^—<Doe脉冲占空比(M a x )(%)E 66E 6E 6E 6m d 6s<S 6E6E 6oT —<m 6单通道L E D数 ■ (M a x )0099三O88扁m岚3单通道 L E D电流(m A )cn ns旨88s Eo寸o os工作频率 (M a x )(k H z )o rjs 6o 9O9二9O9g £804gCMO寸cLCo oiSe(N6 CN9 e9rq00 E00 mm 9 etn §00匚00 cm &卜&卜 (N卜&卜e卜&卜&卜&m &右■K9tn in00000000mVs V00二LD l/m \DE卜&卜&卜&卜&卜&卜&卜ri 0LC rj茫訥DM 5S 嶷ezCN9D|r 詡T P S 61151T P S 61158It P S 61160|H <T P S 61161H <H <T P S 61163AT P S 61165I T P S 61166[T P S 61169J T P S 61176。
赧K-尽報獗阳阳城-张-K I H f旺曲牡北怦梧空来剋Q 3克矗s d H ’dl,三」。
任龍曲#卅虻,呉卄,像即,tf 漆聚升H-旺删用OS+L M -尼Q 惟即汩尹龄細£垃梅»幣權孵津画足啊坯,谿艇轴惡,睛銅银即処恥報,01劭耀 妈旋坷44怒恥—服-篡探但旳丢祭栓职越H 眦昴疾尼纟貳。
TPS7250中文介绍1. TPS7250部分特性 (2)2. TPS72XX系列描述 (2)3. TPS72XX芯片参数信息 (3)4. TPS72XX系列的基本性能参数 (4)附录 (11)1.TPS7250部分特性✧固定输出电压5V\4.85V\3.3V\3.0V和2.5V✧在输出为100mA的时候回动电压<85mA✧低静态电流✧8脚SOIC和8脚TSSOP封装✧全固定输出满操作状态输出误差控制在±2%✧极低的待机电流,最大为0.5μA✧高功率状态输出2.TPS72XX系列描述:TPS72XX家族的低损耗输出电压稳压器有一种低损耗电压、小功率控制和微型封装的优点。
由于有着SOIC 封装和8脚的TSSOP,TPS72XX系列的器件是一种理想的低成本的设计和一种可利用premium电路板空间的设计。
一种全新的电流设计和前卫的改革使得用一个PMOS器件来代替常规的传输晶体管成为了可能。
因为PMOS 的传输原理可以作为一个低压电阻器,它的回动电压是非常低的,在100mA的负载电压的时候最大只有85mA,而且相对于负载电流是直接线性的,如下图所示。
由于PMOS传输原理是一种电压驱动的器件,静态电流是非常低的(最大是300μA)且稳定地覆盖了输出端的负载电流整个边界。
在手提式的设备中,比如手提电脑和手机中,低损耗电压和低功率控制能够提升系统的操作电池的使用寿命。
图1 8脚封装管脚图图2 经典输出电压和电流的关系图TPS72XX系列同样可以提供一种可行的休眠模式去关闭稳压器,回动电流在25℃最大值为05μA。
另外一个特性包括一个高性能的低输出电压和一个可以用于实施一个重置或者低电池显示功能。
图3 可用选项说明:D组合里的是可以记录和组合的;PW组合是仅有左边缘记录的。
图4 经典应用电路图5 TPS72XX系列管脚功能图3.TPS72XX芯片参数信息芯片厚度:15 mils;规格大小:4x4 mils;最大使用温度:150℃;输入电压范围:-0.3V到11V输出电流大小:1.5A;虚拟连接操作温度范围:-55℃到150℃;存放温度范围:-65℃到150℃。
常用升降压芯片
升降压芯片是一种电源管理芯片,用于实现电能的转换和优化。
在各种应用场景中,升降压芯片发挥着重要的作用,以下是几种常用的升降压芯片:
1. TPS63070RNMR:这是一款降压-升压转换器IC芯片,具有14%的复购率。
2. PT4121:这是一款高亮度恒流驱动IC芯片,适用于60V的降压应用,复购率为0%。
3. OC5021B:这是一款升降压型led恒流驱动芯片,适用于电动自行车等应用场景。
4. STI3508:这是一款SOT23-6封装的降压型DC转换器电源管理芯片,具有38%的复购率。
5. JW3651:这是一款高性能的升降压转换器芯片,具有23%的复购率。
此外,还有一些面向特定应用的升降压芯片,如水芯电子的M12239,这是一款面向双路独立的多串电芯大功率移动电源应用的专用SOC芯片,内部集成了同步升降压变换器、电池充放电管理模块、显示模块、电量计算模块等。
以上信息仅供参考,建议咨询电子技术专家或查阅相关文献资料获取更多关于升降压芯片的准确信息。
基于TPS65150和TPS61165的TFT-LCD供电系统设计Dong Li-zhi (CEYEAR TECHNOLOGIES CO.,LTD, Shandong Qingdao 266555)摘要:本文结合TFT-LCD的供电需求,介绍基于高效率、低成本的升压型电源管理芯片TPS65150、TPS61165,产生TFT-LCD所需多路正负偏压、背光电压的供电系统设计方案,该方案电路结构简单、成本低廉、应用灵活方便,可广泛应用于各类手持式、台式仪器设备、汽车导航系统等。
关键词:TFT-LCD,升压型,偏压,背光Hardware Design Of Timing Module Based On PXIeDong Lizhi(China Electronics Technology Instruments Co., Ltd,Qingdao 266555)Abstract: Combined with the power supply demand of TFT-LCD,this paper introduces the power supply system design scheme of generating multi-channnel positive and negative bias and backlight voltage required by TFT-LCD based on high-efficiency and low-cost step-up power management chips TPS65150 and TPS61165.This scheme has the advantages of simple circuit structure,low cost and flexible and convenient application.It can be widely used in all kinds of handheld,desktop instruments and equipment ,automobile navigation system,etc.Keywords: TFT-LCD,step up,bias voltage,backlight0 引言TFT-LCD因成本低廉、使用灵活方便,被广泛地应用于各类手持式、台式仪器设备中。
5v升12v的常用芯片我们来了解一下什么是5V升12V的常用芯片。
这种芯片通常被称为升压芯片(Boost Converter),它可以将低电压(如5V)转换为高电压(如12V)。
在电子设备中,由于某些元件或器件的要求,需要使用较高的电压进行驱动或供电,因此升压芯片在电子产品中被广泛应用。
升压芯片的工作原理是通过电感和电容的组合,实现对输入电压的转换。
当输入电压通过芯片时,芯片内部的开关周期性地打开和关闭,使电感储能,然后在开关关闭时释放储能,从而提供较高的输出电压。
这种转换过程经过高频率的开关操作,可以实现高效率的能量转换。
升压芯片在实际应用中具有广泛的用途。
首先,它可以用于供电系统,将低电压的电池输出提升为驱动电机或其他高压设备所需的电压。
其次,它还可以用于通信设备,如无线路由器或基站,将低电压的输入转换为设备所需的高电压。
此外,在LED照明领域,升压芯片也扮演着重要的角色,将低电压的输入电源转换为适合LED灯泡的高电压。
目前市场上有许多常用的升压芯片品牌和型号。
例如,TI(德州仪器)的TPS61200、TPS61085等系列产品,ADI(安达电子)的ADP1613、ADP1614等系列产品,以及Maxim(美信)的MAX1722、MAX1724等系列产品。
这些芯片具有高转换效率、低功耗、小尺寸等特点,广泛应用于移动设备、嵌入式系统、工业自动化等领域。
在选择升压芯片时,需要根据具体应用的需求来确定合适的型号。
首先要考虑的是输入电压和输出电压的范围,以及所需的输出电流。
其次,要考虑芯片的转换效率、温度特性以及保护功能等。
此外,成本和供货可靠性也是选择芯片的重要因素。
总的来说,5V升12V的常用芯片(升压芯片)在电子设备中有着广泛的应用。
通过电感和电容的组合,它可以实现对低电压的转换,满足高压驱动和供电的需求。
市场上有多个知名品牌的升压芯片可供选择,用户可以根据自己的需求选择合适的型号。
在未来,随着电子设备的不断发展,升压芯片的应用将会更加广泛。
TPS7301Q, TPS7325Q, TPS7330Q, TPS7333Q, TPS7348Q, TPS7350Q 带集成延时复位功能的低压差稳压器特点z有2.5V3V 3.3V 4.85V与5V这几种固定输出型与一种可调输出型器件z集成的精密电源电压监控器可对稳压器的输出电压进行监控z低电平有效的复位信号脉冲宽度为200msz极低压差I=100mA时最大值为35mV TPS7350z低静态电流与负载无关典型值为340Az极低的休眠状态电流最大值0.5Az在整个负载电源与温度范围内固定输出型器件的容限为2% §z输出电流范围为0mA至500 mAz在要求严格的应用中TSSOP封装可降低元件的高度D或P封装PW封装顶视图顶视图NC内部不连接† SENSE仅限于固定电压器件TPS7325TPS7330TPS7333TPS7348与TPS7350‡ FB仅限于可调输出器件TPS7301描述TPS73xx器件是微功耗低压差LDO稳压器系列中的成员它们的集成延时微处理器复位功能将其与TPS71xx TPS72xx系列低压差稳压器区别开来如果不要求具备精密的延时复位功能则可考虑使用TPS71xx与TPS72xx在欠压条件下TPS73xx的RESET输出脚会在微型计算机与微处理器系统中启动一次复位操作TPS73xx中的内部比较器对稳压器的输出电压进行监控以检测稳定输出电压中的欠压条件如果欠压情况出现RESET输出脚漏极开路NMOS脚接通将RESET信号拉低在欠压条件持续期间RESET脚保持低电平一旦欠压条件消失即开始一次200ms的超时200ms的延时过后RESET脚变为高电平可选器件D与PW封装的器件有盘装与卷装形式在器件型号后加后缀R如TPS7350QDR TPS7301Q可以通过外部电阻分压器进行编程见应用资料芯片形式在25时测试§ TPS7325在全温度范围的基础上有3%的容限¶ TPS71xx与TPS72xx分别是500mA与250 mA输出的稳压器可进行与TPS37xx相似的操作但是没有延时复位的功能TPS72xx系列器件还可以通过其8引脚扁平缩小型封装TSSOP来区分这种封装适合于需要最小封装尺寸的应用用PMOS器件代替典型的PNP旁路晶体管可以使常规LDO的下降电压与静态电流逐级下降因为PMOS器件可用作一个低阻值电阻而下降电压也非常低TPS7350在输出电流为100mA时其最大下降电压为35mV它与输出电流成正比见图1此外因为PMOS通路元件是由电压驱动所以静态电流为低并保持恒定不受输出负载在整个输出电流范围0mA至500mA内典型值为340A影响这两项关键指标大大延长了电池供电系统的使用寿命休眠模式也是该LDO系列的一大特色在EN enable脚上加一个逻辑高电平的信号可关断稳=25时的最大值压器将静态电流减至0.5A TTPS73xx系列既包含2.5V3V 3.3V 4.85V5V的固定输出电压型器件也有一种可调电压型器件输出电压可在1.2V到9.75V范围内编程在电源负载与温度范围内规定输出电压的最大容限为2%对于2.5V器件与可调器件则为3%TPS37xx系列有PDIP8脚SO8脚与TSSOP20脚这几种封装形式TSSOP的最大高度为1.2mm图1 下降电压与输出电流的关系† TPS7325, TPS7330, TPS7333, TPS7348, TPS7350固定电压型器件‡ 电容的选择非常重要详情见应用资料一节图2 典型应用配置TPS73xxY的芯片信息这些芯片若正确装配则会呈现出与TPS73xxQ类似的特性可对掺杂铝质焊片进行热压缩或超声波焊接芯片可以用导电环氧树脂或金-硅压片安装焊片配置芯片厚度典型值15焊片最小4X4=150T容限10%所有的尺寸均以密耳为单位† SENSE仅限于固定电压器件TPS7325TPS7330TPS7333TPS7348与TPS7350‡ FB仅限于可调输出器件TPS7301注A对于多数应用OUT与SENSE脚应连接在尽可能靠近器件的位置其它信息请参考本数据手册的应用资料一节中有关SENSE脚连接法的论述功能方框图§ 对于多数应用SENSE脚应在外部连接到OUT脚尽可能地靠近器件其它信息请参考应用资料一节中有关SENSE脚连接法的论述¶ 开关位置如图所示EN脚为低电平有效时序图† Vres是有效RESET要求的最小输入电压符号Vres还未列入EIA或JEDE半导体符号体系标准在工作温度范围内自然通风的极限参数除非另有说明‡输入电压范围§VI RESET SENSE EN0.3V至11V输出电流IO2A 持续总功耗见额定功耗表1和表2工作实际结温范围TJ55到150贮存温度范围Tstg65到150引线温度距外壳1.6mm1/16英寸10秒260‡ 强度超出所列的极限参数可能导致器件的永久性损坏这些仅仅是极限参数并不意味着在极限条件下或在任何其它超出推荐工作条件所示参数的情况下器件能有效工作延长在极限参数条件下的工作时间会影响器件的可靠性§ 所有的电压值均相对于网络端点地network terminal ground额定功耗表1自然通风温度见图3额定功耗表2外壳温度见图4† 对于使用TSSOP封装时需考虑的功耗问题请参考热信息一节最大持续功耗与自然通风温度的关系最大持续功耗与外壳温度的关系图3 图4推荐工作条件† 推荐工作条件中定义的最小输入电压指规定的最大输出电压加上最大规定负载范围内的下降电压V DO 因为下降电压是输出电流的函数所以可用范围可扩展到更轻的负载可用以下公式计算指定应用中最大负载电流情况下的最小输入电压V I min=V O max+V DO max load因为TPS7301是可编程的在应用以上公式之前应该用r DS(on)来计算VDO 用r DS(on)计算VDO的公式见TPS7301电气特性表下的注释2最小值2.97V适用于TPS7301的推荐输入电压范围极限值的下限电气特性I=10mA, EN=0V, C O=4.7F(CSR‡=1), SENSE/FB短接到OUT时除非另有说明O‡ CSR补偿串联电阻指串联电阻的总阻值包括电容器的等效串联电阻ESR任何外部串联电阻端的PWB连线电阻与接到CO§ 采用脉冲测试技术来使实际结温尽可能地接近周围环境温度必须单独考虑热效应TPS7301Q 的电气特性IO =10mA, V I =3.5V , EN =0V , C O =4.7F(CSR†=1), FB 短接到OUT 时除非另有说明† CSR 补偿串联电阻指串联电阻的总阻值包括电容的等效串联电阻ESR任何外部串联电阻与接到C O 端的PWB 连线电阻‡ 采用脉冲测试技术来使实际结温尽可能地接近周围环境温度必须单独考虑热效应§ 用闭环配置可将输出电压编程为2.5V 见应用资料注1 当VI <2.9V 同时I O >150mA 时通路元件r DS(on)上升到某值见图33此时所得的下降电压使稳压器不能保持规定的容限范围2 要计算下降电压可用公式V DO =I O r DS(on)r DS(on)是输出电流与输入电压的函数此参数表列出了V I =2.4 V , 2.9 V , 3.9 V 与5.9 V 时的r DS(on)它们分别与2.5 V, 3 V, 4 V , 6 V 编程输出电压的下降情况对应其它可编程值请参考图33TPS7325Q的电气特性I=10mA, V I=3.5V, EN=0V, C O=10F(CSR†=1), SENSE短接到OUT时除非另有说明† CSR补偿串联电阻指串联电阻的总阻值包括电容的等效串联电阻ESR任何外部串联电阻与端的PWB连线电阻接到CO‡ 采用脉冲测试技术来使实际结温尽可能地接近周围环境温度必须单独考虑热效应§ 下降测试与通路元件的串联电阻测试不是生产测试测试方法要求SENSE端从输出电压端断开TPS7330Q的电气特性I=10mA, V I=4V, EN=0V, C O=4.7F(CSR†=1), SENSE短接到OUT时O除非另有说明† CSR补偿串联电阻指串联电阻的总阻值包括电容的等效串联电阻ESR任何外部串联电阻与接到C端的PWB连线电阻O‡ 采用脉冲测试技术来使实际结温尽可能地接近周围环境温度必须单独考虑热效应TPS7333Q的电气特性I=10mA, V I=4.3V, EN=0V, C O=4.7F(CSR†=1), SENSE短接到OUT时除非另有说明† CSR补偿串联电阻指串联电阻的总阻值包括电容的等效串联电阻ESR任何外部串联电阻与端的PWB连线电阻接到CO‡ 采用脉冲测试技术来使实际结温尽可能地接近周围环境温度必须单独考虑热效应TPS7348Q的电气特性I=10mA, V I=5.85V, EN=0V, C O=4.7F(CSR†=1), SENSE短接到OUTO时除非另有说明† CSR补偿串联电阻指串联电阻的总阻值包括电容的等效串联电阻ESR任何外部串联电阻与端的PWB连线电阻接到CO‡ 采用脉冲测试技术来使实际结温尽可能地接近周围环境温度必须单独考虑热效应TPS7350Q的电气特性I=10mA, V I=6V, EN=0V, C O=4.7F(CSR†=1), SENSE短接到OUT时O除非另有说明† CSR补偿串联电阻指串联电阻的总阻值包括电容的等效串联电阻ESR任何外部串联电阻与端的PWB连线电阻接到CO‡ 采用脉冲测试技术来使实际结温尽可能地接近周围环境温度必须单独考虑热效应开关特性电气特性I=10mA, EN=0V, C O=4.7F(CSR†=1), T J=25, SENSE/FB短接到OUT时除非另有说明† CSR补偿串联电阻指串联电阻的总阻值包括电容的等效串联电阻ESR任何外部串联电阻与接到C端的PWB连线电阻O‡ 采用脉冲测试技术来使实际结温尽可能地接近周围环境温度必须单独考虑热效应TPS7301Y的电气特性I=10mA, V I=3.5V, EN=0V, C O=4.7F(CSR†=1), T J=25, FB短接到OOUT时除非另有说明† CSR补偿串联电阻指串联电阻的总阻值包括电容的等效串联电阻ESR任何外部串联电阻与端的PWB连线电阻接到CO‡ 采用脉冲测试技术来使实际结温尽可能地接近周围环境温度必须单独考虑热效应§ 用闭环配置可将输出电压编程为2.5V见应用资料注<2.9V同时I O>150mA时通路元件r DS(on)上升到某值见图33此时所得的下降电压将使1当V稳压器不能保持规定的容限范围2要计算下降电压可用公式V=I O r DS(on)r DS(on)是输出电流与输入电压的函数此参数表列出了V I=2.4 V, 2.9 V, 3.9 V与5.9 V时的r DS(on)它们分别与2.5 V, 3 V, 4 V, 6 V编程输出电压的下降情况对应其它可编程值请参考图33TPS7325Y的电气特性I=10mA, V I=3.5V, EN=0V, C O=10F(CSR†=1), T J=25, SENSE短接O到OUT时除非另有说明† CSR补偿串联电阻指串联电阻的总阻值包括电容的等效串联电阻ESR任何外部串联电阻与端的PWB连线电阻接到CO‡ 采用脉冲测试技术来使实际结温尽可能地接近周围环境温度必须单独考虑热效应§ 下降测试与通路元件的串联电阻测试不是生产测试测试方法要求SENSE端从输出电压端断开TPS7330Y的电气特性I=10mA, V I=4V, EN=0V, C O=4.7F(CSR†=1), T J=25, SENSE短接O到OUT时除非另有说明† CSR补偿串联电阻指串联电阻的总阻值包括电容的等效串联电阻ESR任何外部串联电阻与端的PWB连线电阻接到CO‡ 采用脉冲测试技术来使实际结温尽可能地接近周围环境温度必须单独考虑热效应TPS7333Y的电气特性I=10mA, V I=4.3V, EN=0V, C O=4.7F(CSR†=1), T J=25, SENSE短接O到OUT时除非另有说明† CSR补偿串联电阻指串联电阻的总阻值包括电容的等效串联电阻ESR任何外部串联电阻与端的PWB连线电阻接到CO‡ 采用脉冲测试技术来使实际结温尽可能地接近周围环境温度必须单独考虑热效应TPS7348Y的电气特性I=10mA, V I=5.85V, EN=0V, C O=4.7F(CSR†=1), T J=25, SENSE短O接到OUT时除非另有说明† CSR补偿串联电阻指串联电阻的总阻值包括电容的等效串联电阻ESR任何外部串联电阻与端的PWB连线电阻接到CO‡ 采用脉冲测试技术来使实际结温尽可能地接近周围环境温度必须单独考虑热效应TPS7350Y的电气特性I=10mA, V I=6V, EN=0V, C O=4.7F(CSR†=1), T J=25, SENSE短接O到OUT时除非另有说明† CSR补偿串联电阻指串联电阻的总阻值包括电容的等效串联电阻ESR任何外部串联电阻与端的PWB连线电阻接到CO‡ 采用脉冲测试技术来使实际结温尽可能地接近周围环境温度必须单独考虑热效应参数测试资料图5 测试电路与电压波形† 陶瓷电容图6 典型稳定区域的测试电路参照图29至图32典型特性曲线典型特性图列表静态电流与输出电流的关系静态电流与输入电压的关系图7 图8TPS7348的静态电流与自然通风温度的关系TPS7325的静态电流与输入电压的关系图9 图10TPS7325的静态电流与自然通风温度的关系下降电压与输出电流的关系图11 图12下降电压的变化量与自然通风温度的关系TPS7301的下降电压与输出电流的关系图13 图14输出电压的变化量与自然通风温度的关系输出电压与输入电压的关系图15 图16TPS7325的输出电压与输入电压的关系电源调节图17 图18TPS7301的输出电压与输出电流的关系TPS7325的输出电压与输出电流的关系图19 图20TPS7330的输出电压与输出电流的关系TPS7333的输出电压与输出电流的关系图21 图22TPS7348的输出电压与输出电流的关系TPS7350的输出电压与输出电流的关系图23 图24对使能信号EN的输出电压响应图25TPS7301V O被编程为2.5V或TPS7333的负载瞬态响应图26TPS7325的负载瞬态响应图27TPS7348或TPS7350的负载瞬态响应图28TPS7301V O被编程为2.5V的电源瞬态响应图29TPS7333的电源瞬态响应图30TPS7348或TPS7350的电源瞬态响应图31纹波抑制与频率的关系 输出噪声频谱密度与频率的关系图32 图33典型稳定区域补偿串联电阻CSR †与输出电流的关系典型稳定区域补偿串联电阻CSR †与外加陶瓷电容的关系图34 图35典型稳定区域补偿串联电阻CSR †与输出电流的关系典型稳定区域补偿串联电阻CSR †与外加陶瓷电容的关系图36 图37通路元件电阻与输入电压的关系 有效RESET 最小输入电压与自然通风温度的关系图38 图39负向复位门限与自然通风温度的关系RESET输出电流与输入电压的关系图40 图41复位延迟时间与自然通风温度的关系复位延时的分布图42 图43热信息为适应系统微型化的潮流集成电路多采用低剖面小口距的表面安装封装形式在使用这种封装形式的高性能器件时多数要特别注意其功耗许多由系统决定的问题例如热耦合通风所采用的散热片对流面以及其它发热元件的使用都会影响指定元件的功耗极限以下会讨论可以改善热性能的三种基本方法z 改善PWB 设计的功耗容量z 改进元件与PWB 的热耦合z 将气流引入系统图44是20脚TSSOP 封装的热性能增强型PWB 布局实例这种布局方法包括加铜块到PWB 来将热量导离器件用于该元件/电路板系统的R JA 热电阻结点到周围环境如图45所示这一系列曲线图显示了扩大铜散热片表面面积的所产生的影响该PWB 是标准的FR4电路板长X 宽X 高=3.2英寸X 3.2英寸X 0.062英寸电路板的连线与散热片为1盎司每平方英尺的铜料图46显示了用于同一系统的热电阻同时在TSSOP 封装的主体部分与器件下方的PWB 铜面之间加置了导热化合物此例中化合物的导热性为0.815W/m根据这些图形来确定系统的R JA 最大功耗极限可由以下公式算出P D(max) = [T J(max) – T A ]/ R JA (system)其中T J(max)指允许的最高结温150的极限参数与125的最高推荐工作温度用于特定的操作此极限应该用于TPS73xx 稳压器的内部功耗限制计算TPS73xx 内部总功耗的公式为P D(total)=V I V O I O +V I I Q因为TPS73xx 系列产品的静态电流很低第二部分可以被忽略可将以上从公式进一步简化为P D(total)=V I V O I O对于一个20脚的TSSOP/FR4电路板系统若在电路板与器件主体之间带有导热化合物且TA =55气流=100英尺/分钟铜散热片的面积=1cm 2则可以算出其最大功耗极限 如图46所示系统R JA为94/W 因此最大功耗极限是PD(max) = [T J(max) – T A ]/ R JA (system)=12555/94/W=745mW 如果系统采用的是TPS7348稳压器此时VI =6V I O =150mA 内部功耗则为PD(total)=V I V OI O =64.850.150=173 mW比较P D(max)与P D(total)则可发现此例中的功耗未超出最大极限在超出最大极限时有两种校正措施可使用可通过增加气流或散热片的面积来增加功耗极限值或者可以通过减少输入电压或负载电流来降低稳压器的内部功耗无论用哪种方法都要以新的系统参数来重新进行以上计算过程图44 20脚TSSOP的热性能增强型PWB布局不按比例热电阻结点到周围环境与气流的关系热电阻结点到周围环境与气流的关系图45 图46应用资料TPS73xx系列低压差稳压器弥补了前一代稳压器的许多不足之处增加了许多新的特色设计如节电关断模式与电源电压监控器TPS73xx系列含有五种固定输出电压的稳压器TPS7325 (2.5 V), TPS7330 (3 V), TPS7333(3.3 V), TPS7348 (4.85 V)和TPS7350 (5 V)该系列还可有一种可调稳压器TPS7301可调电压范围 1.2V至9.75V器件的工作TPS73xx系列产品不像其它的LDO它们以极低的静态电流为特点其静态电流即使在变化不定的负载下也可以保持恒定传统LDO稳压器使用的是PNP通路元件其基极电流与流过稳压器的负载电流成/仔细审阅数据手册可发现对这些器件的典型规定值是在无负载的条件下的参数实际正比IB=I工作电流则要高得多如典型静态电流与负载电流的关系曲线图图7所示TPS73xx用PMOS晶体管来传送电流因为PMOS元件的栅极是由电压驱动的所以工作电流低并且在全负载范围内是不可变的TPS73xx的规格参数反映了有负载时的实际性能的增加以维持负载电PNP通路元件的其它缺陷是在器件下降时PNP元件易于饱和的下降迫使I流在上电期间这就被当作是较大的启动电流限定电源电流的系统可能不能启动在电池供电的系统中当电压降低到要求的最小调节电压以下时则意味着电池被快速放电而TPS73xx即使是在稳压器下降时其静态电流也保持为低因而可以避免这两种问题TPS73xx系列还包括一个4.85V的稳压器TPS7348它是专为5V的移动电话系统设计输出电压为4.85V并且可以在2%的范围内进行调节可以在容限为5%的5V系统的下限工作因此在器件下降之前可以从电池组获得最长的稳定工作寿命包括每次充电之间的重要通话时间TPS73xx系列产品还以关断模式为特点可以将输出端置于高阻抗状态实质上等于反馈分压电阻并将静态电流降低到0.5A在不使用关断功能时应将EN脚接地器件对使能端的跃变反应很快重建稳定输出电压的典型时间是120s最小负载要求TPS73xx系列产品即使是在负载为0时也可保持稳定工作时没有最小负载要求SENSE端的连接为了使稳压器正常工作固定输出器件的SENSE端必须连接到稳压器的输出端通常这种连接应尽可能短但是可以在靠近关键回路处远程检测进行连接以增强该处的性能在内部SENSE端通过电阻分压器网络连接到一个高阻抗宽带放大器噪声拾取则馈送到稳压器的输出端按这种方法连接SENSE端是很有必要的这样可以最小化或避免噪声拾取不推荐在SENSE与OUT端之间加一个RC 网络来滤除噪声因为这种方法可能会导致稳压器振荡外部电容要求不需要输入电容但是当TPS73xx位于离电源几英寸远的地方时使用陶瓷旁路电容0.047pF到0.1 F可以改善负载瞬态响应与噪声抑制功能如果预计在快速上升时间内会出现大负载几百毫安瞬变现象则可能需要一个大电容量的电解电容与多数低压差稳压器一样TPS73xx系列产品也需要一个输出电容来保持稳定一个连接在稳压器输出端与地线之间的低ESR等效串联电阻10F的固态钽电容就足以保证全负载范围内器件的稳定性见图42使用高频率的陶瓷或薄膜电容例如用于数字或模拟IC的电源旁路电容会导致稳压器不稳定除非钽电容的ESR在温度范围内低于1.2明确标出ESR规格的电容如AVX TPSD106M035R0300与Sprague 593D106X0035D2W就很适合因为25时最大ESR为300m通常当温度从25下降到40时固态钽电容的ESR则要乘以2或小于2的因数在对元件的高度与/或安装面积有要求的应用中可以使用对ESR进行了筛选的10F或者更小的器件图29到图32显示了使用不同输出电容与不同陶瓷负载电容时的稳定工作区域在带有小旁路电容<0.2F或者不带高频旁路电容的应用中假如ESR保持在0.7至2.5之间输出电容就可减少至4.7F因为对电容的最小ESR的规定很少必须加一个与电容串联的0.5到1的电阻并将ESR的最大值限制在1.5以内如CSR曲线图图29到图32所示在使用10F或更大的输出电容时可以不用考虑最小ESR以下是适合TPS73xx系列产品的部分表面安装的电容列表这些信息与CSR典线图均是为了帮助用户选择适合的电容器若要使器件的高度更低同时需要高输出电流与/或陶瓷高负载电容可以并联几种较高ESR的电容来达到以上要求所有的负载与温度条件下最大1F的陶瓷负载电容器件号制造商数值最大ESR†大小高长宽†T421C226M010AS Kemet22F, 10 V0.5 2.86 3.2593D156X0025D2W Sprague15F, 25 V0.3 2.87.3 4.3593D106X0035D2W Sprague10F, 35 V0.3 2.87.3 4.3TPSD106M035R0300A VX10F, 35 V0.3 2.87.3 4.3负载<200mA陶瓷负载电容<0.2F全温度范围器件号制造商数值最大ESR†大小高长宽†592D156X0020R2T Sprague15F, 20 V 1.1 1.27.26595D156X0025C2T Sprague15F, 25 V1 2.57.1 3.2595D106X0025C2T Sprague10F, 25 V 1.2 2.57.1 3.2293D226X0016D2W Sprague22F, 16 V 1.1 2.87.3 4.3负载<100mA陶瓷负载电容<0.2F全温度范围器件号制造商数值最大ESR†大小高长宽†195D106X06R3V2T Sprague10F, 6.3 V 1.5 1.3 3.5 2.7195D106X0016X2T Sprague10F, 16 V 1.5 1.37 2.7595D156X0016B2T Sprague15F, 16 V 1.8 1.6 3.8 2.6695D226X0015F2T Sprague22 F, 15 V 1.4 1.8 6.5 3.4695D156X0020F2T Sprague15F, 20 V 1.5 1.8 6.5 3.4695D106X0035G2T Sprague10F, 35 V 1.3 2.57.6 2.5† 尺寸大小以毫米为单位ESR是100kHz T A=25时的最大电阻器件按高度排序† TPS7333, TPS7348, TPS7350固定电压产品图47 典型应用电路对TPS7301可调低压差稳压器进行编程通过图43所示的外部电阻分压器可以对可调稳压器编程计算输出电压的公式为= Vref 1+R1/R2V其中Vref指基准电压典型值为1.182V电阻R1与R2是为7A左右的分压器电流而选择推荐的R2阻值为169k而R1则根据所需的输出电压来调节也可使用更小的电阻但是具备内在优势而且会消耗更多电能应避免使用较大阻值的R1与R2因为FB脚上的漏泄电流会引起误差为计算R1可推导出一个更有用的公式可用于选择恰当的电阻R1=V O / Vref 1R2输出电压编程指南图48 对TPS7301可调低压差稳压器进行编程欠压监控功能在欠压情况下TPS73xx的RESET输出脚可在微型计算机与微处理器系统中启动一次复位操作TPS73xx的内部比较器监控稳压器的输出电压来检测欠压情况一旦这种情况出现RESET输出晶体管接通将RESET信号拉低上电时输出电压跟踪输入电压在V达到有效RESET信号要求的最小值25时为1.5V在推荐的工作温度范围内为 1.9V时RESET输出端变为有效低电平在输出电压大约达到正向输入门时一次200ms典型值的延时开始在此期间RESET输出端保持低电平一旦延时限电压V终止RESET输出端变为无效因为RESET输出端是漏极开路NMOS需要加上拉电阻以确保可以显示逻辑高电平信号在掉电期间该电源电压监控功能也有效在输入电压衰减并且达到下降电压时输出电压与逐见电气特步衰减的输入电压成线性比例当输出电压下降到低于规定的负向输入门限电压V性表时RESET输出端变为有效低电平必须注意如果输入电压衰减到有效RESET要求的最小电压以下则RESET的状态不确定因为该电路监控着稳压器的输出电压RESET输出端也可以通过禁止稳压器或者通过任何导致输出电压下降到低于V的故障条件来触发这类故障情形包括例如输出端的短路或输入电压低一旦输IT出电压被重新设置无论是通过重新使能稳压器还是通过排除故障条件内部定时器就会被启动这样就会使RESET信号在200ms典型值的超时周期内处于有效状态如果在选择输入与输出电容时不适当地加以注意瞬变负载或电源线脉冲也有可能导致复位如果使用的是高ESR输出电容大约大于7则5s以下的负载瞬变现象也会导致一次复位若使用的是ESR大于3.5的输出电容则1s的瞬变就会导致复位注意瞬变现象中输出电压的峰值会下降到刚好低于复位门限并且如果瞬变持续的时间短这一峰值电压还会保持不变在触发复位电路以前1s的瞬变必须下降到低于门限至少500mV在正好低于门限电压400mV时2s的瞬变会触发RESET较低的ESR输出电容在瞬变中有助于减少输出电压的下降程度而且在希望瞬变快速进行时也应该采用较低ESR的输出电容注V= V IT + 滞后量IT+输出噪声TPS73xx的输出噪声极低其噪声频谱密度<2V/Hz在噪声敏感的系统如音频放大器由稳压器供电时这一点是非常重要的稳压器保护TPS73xx的PMOS通路晶体管有一个内置的反向二极管在输入电压下降到输出电压以下时例如在掉电期间可以安全地传导反向电流电流被从输出端导向输入端并且在内部不受限制如果预计有较大的反向电压那么采取外部限制措施可能比较适合TPS73xx还具有内部电流限制与热保护的特点在正常工作期间TPS73xx将输出电流限制在1A左右在电流受到限制时输出电压按线性规律反比例变化直到过流情况结束为止在电流限制功能被设计成防止整个器件出现故障时必须注意不要超过封装的额定功耗如果器件的温度超过165热保护电路则会将器件关断一旦器件冷却下来稳压器就可恢复工作。
基于TPS40210电源控制器的单片机升压电路设计蒋晓雁;贾倍【摘要】To overcome the disadvantages of large volume and high energy consumption of traditional boost circuit,a boost circuit based on Single Chip Microcomputer of TPS40210 Power Control Unit was designed.The system is programmed in C,and the hardware is based on 51 single-chip microcomputer to make multi-scale voltmeter,and the result is simulated and tested on LCD1602 display.The lifting parts export the PCBboard,complete the physical welding of the output signal,and conduct the inspection and analysis.The practical application shows that the system has the characteristics of simple operation and accurate test,and achieves the design requirement.%为了克服传统升压电路体积大、能耗大的缺点,设计一种基于TPS40210电源控制器的单片机升压电路.该系统采用C语言进行编程,硬件基于51单片机制作多量程电压表,对升压结果进行仿真检测,在LCD1602显示屏上显示.升压部分导出PCB板,完成对其输出信号进行实物焊接,并进行检测及分析.实际应用表明,该系统具有操作简便、测试准确的特点,达到了设计要求.【期刊名称】《电子设计工程》【年(卷),期】2018(026)008【总页数】5页(P25-29)【关键词】TN02;单片机;升压电路;设计与仿真【作者】蒋晓雁;贾倍【作者单位】榆林学院能源工程学院,陕西榆林 719000;榆林学院能源工程学院,陕西榆林 719000【正文语种】中文【中图分类】TN02随着现代科技向自动化、集成化、微型化等方向的快速发展,作为代表之一的电子技术产品,为了能更好的适应各类技术发展的要求,以及电子设备种类的多样化。
tps63020典型电路设计TPS63020是一款高效、同步升压升降转换器芯片,常用于电源管理应用中。
在本篇文章中,我们将探讨使用TPS63020进行典型电路设计的相关内容。
首先,我们需要明确这个电路设计的要求。
针对不同的应用需求,可能会有不同的设计目标,比如输出电压范围、电流需求等。
在本文中,我们将以一个典型的12V至24V电源转换设计为例来进行讨论。
在开始设计之前,我们需要了解TPS63020芯片的主要特性。
这款芯片具有高效率和高电流能力,工作范围广泛,适用于多种电源管理应用。
其工作频率范围在100kHz至2.5MHz之间可调,可根据需求选择合适的频率。
接下来,我们可以开始具体的电路设计。
首先,我们需要确定输入电压范围和输出电压需求。
在这个例子中,输入电压为12V,输出电压为24V。
基于这些参数,我们可以计算得到所需的变换比,即输出电压与输入电压的比值。
接下来,我们需要选择合适的外部元件来配合TPS63020芯片。
外部元件包括电感、电容和二极管等。
根据芯片的数据手册,我们可以得到推荐的外部元件数值范围。
选择合适的元件可以确保电路的稳定性和性能。
完成元件的选择后,我们可以进行电路的布局和连接。
关键是要确保元件的位置和连接方式符合设计要求,并且避免电路中产生任何不必要的干扰。
最后,我们需要对电路进行性能测试和验证。
这可以通过测量输出电压、电流以及效率来完成。
根据测试结果,我们可以对电路进行微调和优化,以实现更好的性能。
总而言之,使用TPS63020进行典型的电路设计需要从选择合适的输入输出电压范围开始,然后选择合适的元件,并进行布局和连接。
最后,通过性能测试和优化来确保设计的可靠性和高效性。
希望本文对您进行TPS63020典型电路设计提供了一些指导。