穿孔铝板吊顶施工工艺
- 格式:doc
- 大小:40.00 KB
- 文档页数:7
穿孔铝板吊顶施工方案引言穿孔铝板吊顶是一种常见的室内装饰材料,其具有良好的防火性能、显著的遮阳效果、美观大方等特点。
本文将介绍穿孔铝板吊顶的施工方案,包括施工前的准备工作、施工过程和施工后的清理工作。
施工前准备工作在进行穿孔铝板吊顶施工之前,需要进行一些准备工作,以确保施工的顺利进行。
1.设计方案:在施工前,需要做好细致的设计方案,包括吊顶的布局、穿孔铝板尺寸和排布方式等。
设计方案应充分考虑建筑物的结构和装饰风格,确保吊顶的安装和美观效果。
2.材料准备:准备好所需的穿孔铝板、吊顶龙骨、吊顶连接件、吊顶吊钩等材料。
确保材料的数量和质量满足施工需求。
3.工具准备:准备好常用的施工工具,如电钻、切割机、量具、螺丝刀等。
确保工具的正常使用和安全性。
4.施工场地准备:对施工场地进行清理和整理,确保施工场地的安全和清洁。
移除可能影响施工的障碍物和杂物。
施工过程穿孔铝板吊顶的施工主要包括以下步骤:1.定位和标线:根据设计方案,确定吊顶的位置和布局,并对顶部进行标线。
2.安装吊顶龙骨:根据标线,安装吊顶龙骨。
吊顶龙骨的安装应严格按照设计方案和安装要求来进行,确保龙骨的稳固和平整。
3.安装穿孔铝板:使用螺丝将穿孔铝板安装在吊顶龙骨上。
在安装前,应先对穿孔铝板进行精细的测量和切割,确保铝板的尺寸和形状符合要求。
4.连接吊顶:根据需要,安装吊顶连接件,将各个穿孔铝板连接在一起,形成完整的吊顶。
5.安装吊顶吊钩:根据需要,安装吊顶吊钩,用于吊装吊顶。
吊钩的安装应牢固可靠,确保吊顶的安全性。
6.检查和调整:在吊顶安装完成后,进行全面的检查和调整,确保吊顶的平整度、垂直度和美观度符合要求。
施工后清理工作在穿孔铝板吊顶施工完成后,需要进行一些清理工作,以保持施工现场的整洁和安全。
1.清理工具和材料:将使用过的工具和材料进行清理和整理,按照规定的方式妥善存放或处理。
2.施工现场清理:清理施工现场,包括清除施工过程中产生的垃圾和其他杂物,清洁施工现场的地面和墙面。
穿孔(chuānkǒng)吸音铝板吊顶施工技术在大型公共建筑(ɡōnɡɡònɡ jiàn zhù)的室内装饰中都要充分考虑整个空间的吸音效果,从墙面到吊顶都需设计使用吸音装饰材料,以满足声学要求。
目前在吸音吊顶工程方面,用的最多的,吸音效果较好的材料是穿孔吸音铝板。
鄂尔多斯市体育馆中心游泳馆幕墙(mù qiánɡ)工程为吸音(xī yīn)铝板吊顶。
一、吸音(xī yīn)铝板吊顶工程的施工工艺(一)吸音铝板概述目前工程中所用的吸音铝板都为冲孔铝板,铝板厚度从1-3mm不等,孔径大小、孔间距和布孔率都需通过相关声学测定机构测定。
为了加强吸音效果,一般在铝板背面加铺玻璃吸音棉或者无纺布,铝板正面饰面漆可采用珠光喷涂、滚涂、氟碳喷涂等,颜色可按要求定制。
如****内场吸音吊顶铝板孔径3mm、孔间距6mm、布孔率18%,铝板厚2mm,背面粘贴0.2mm厚SoundTex进口无纺布,正面为灰白色氟碳喷涂。
(二)吸音铝板吊顶工程施工工艺流程施工准备→放线定位→主龙骨安装、调平→次龙骨安装、固定→特制吊挂件制作安装→吊筋安装→隐蔽验收→冲孔吸音铝板安装(包括嵌条和收边条安装)→铝板面调平→验收(三)吸音铝板吊顶的施工要点1、公共建筑内部的吸音吊顶一般都属于大面积吊顶,故施工准备阶段的测量放线尤为重要,放线应根据设计图纸进行,先按现场放出吊顶面的十字中轴线,再按照龙骨间距和吊顶板模数依次向两边放出控制线,如遇到穹型面吊顶,则需先在电脑上模拟排版,确保无误后方可进行现场放线。
2、由于龙骨都是与成品装饰铝板配合使用的,所以在设计时应先确定主次钢龙骨的规格,然后再根据吊顶面积和设计铝板规格,对主次钢龙骨分格进行布置。
3、主龙骨安装完成后需进行一次整体调平,如是穹型吊顶,则还需控制好主龙骨的弯弧度,以确保次龙骨能平整顺直地安装在主龙骨上。
4、次龙骨间距必须相等,因为特制吊挂件是直接安装在次龙骨上的,只有吊挂件、吊杆、次龙骨在同一竖向直线上,才能保证(bǎozhèng)每根吊杆受力均匀。
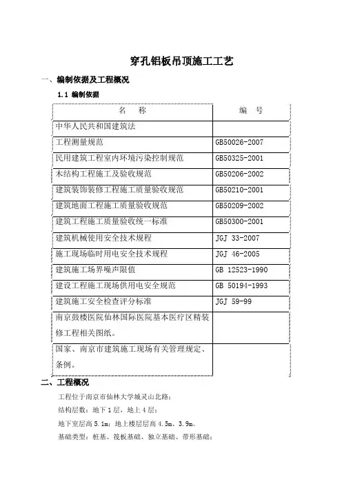
穿孔铝板吊顶施工工艺一、编制依据及工程概况1.1 编制依据名称编号中华人民共和国建筑法工程测量规范GB50026-2007 民用建筑工程室内环境污染控制规范GB50325-2001 木结构工程施工及验收规范GB50206-2002 建筑装饰装修工程施工质量验收规范GB50210-2001 建筑地面工程施工质量验收规范GB50209-2002 建筑工程施工质量验收统一标准GB50300-2001 建筑机械使用安全技术规程JGJ 33-2007 施工现场临时用电安全技术规程JGJ 46-2005 建筑施工场界噪声限值GB 12523-1990 建设工程施工现场供用电安全规范GB 50194-1993 建筑施工安全检查评分标准JGJ 59-99南京鼓楼医院仙林国际医院基本医疗区精装修工程相关图纸。
国家、南京市建筑施工现场有关管理规定、条例。
二、工程概况工程位于南京市仙林大学城灵山北路;结构层数:地下1层,地上4层;地下室层高5.1m;地上楼层层高4.5m、3.9m。
基础类型:桩基、筏板基础、独立基础、带形基础;地下室结构类型:框架剪力墙结构;主体结构类型:主体采用钢筋混凝土框架结构,部分结构件采用了钢结构、预应力钢筋混凝土结构及预制钢筋混凝土构件;地上A区、B区、C区为门诊部,D区、E区、F区、G区为病房住院部;地下室面积27870平方米,地上面积76746平方米;部分房间为穿孔铝板、烤漆钢板吊顶。
三、施工部署合理运用相关方指定的施工场地,合理安排材料周转场、验货场,材料分区集中管理。
室内装饰及安装大面积展开时,可与甲方协商室内材料堆放场地以满足现场对材料的需求,从而保证最终总控计划的实现。
保护环境、污染预防,遵章守法、与时俱进。
四、施工组织机构建立完善的管理体系。
解决现场施工用水、用电、运输、交叉配合等问题。
加强施工调度,协调各个专业配合及保证现场工作秩序。
坚持文明施工,保持良好的施工平面环境。
装饰工程的施工,重在施工组织与管理,一个高效的项目管理机构,一支优秀的施工队伍是工程得以优质、高速顺利竣工的重要前提。
冲孔铝板天花吊顶施工
1、材料准备:
冲孔铝板有配套龙骨、龙骨吊杆、胀管螺栓、防锈化等。
2、作业条件:
在室内大面积作业时事先搭设脚手架,先做样板间经有关质量部门检查验收合格后方可组织施工,配套工程、空调、消防、电气等安装工程已竣工,不影响施工作业。
此工程项目要分二段进行,龙骨吊顶可与轻钢龙骨石膏板吊施工同时进行,安装冲孔铝板则等到工程施工末期,与油漆工程同步施工。
3、操作工艺:
先准确放线,弹出标高线和龙骨布置线,然后将25×25角铝固定在墙或柱面上,保证天棚边缘部位封口完整与顺直,龙量的间距依据冲孔铝板规格采用
0.60米宽,吊点控制在1米以内,吊杆采用圆钢,并作防锈处理,既要满足安全的要求,同时要便于调平,在吊点位置,用冲击钻拉胀管螺栓,然后用胀管螺栓与吊杆焊接,吊杆与龙骨的连接,采用配套伸缩式吊杆挂件连接。
龙骨安装完后调整龙骨的平整度,首先拉纵横标高控制线,从一端开始,一边安装,一边调整,最后精调边线。
龙骨调平与否,是质量控制的关键部分,只有平整的龙骨,才能达到理想的装饰效果。
这时,可组织有关质检部门对隐蔽工程进行验收。
安装冲孔铝板时应从一个方向依次安装,并进行分部调整与处理,对灯饰、通风口、检查孔的处理,要认真细致,不影响装饰效果,自动喷淋,烟感器,风口在设备与天棚表面要衔接得体、安装吻合,且成行成线,其交接部位,不得露白茬,采用T型角铝按预留尺寸收口,保证天棚整体美观,尽量一次施工完毕,不进行拆装和上人维修,以确保天棚质量。
1/ 1。
4铝板吊顶4.1 施工准备劳动力准备(1)到位工种:木工、安装工、运输工、杂工;(2)在开工前,对工人做好安全文明教育,向工人叙述分项工程主要施工要点。
材料准备(1)在现场施工前做好材料下料、订购、运输、仓储工作。
1)吊顶龙骨在运输过程中,要注意垫置、平放,防止翘曲、变形。
2)材料运输途中,必须采取防震、保护措施,并做好固定;应注意避免面板表面被污染;也须注意避免损坏面板的边角部位。
(2)本工程对金属饰面板的设计、采购及安装应满足以下要求:1)铝板吊顶材料应符合相关规范的要求,投标人应通过计算确定铝板的厚度及吊挂件、龙骨的强度及型号。
2)设计与施工应有相应的措施保证吊顶具有足够的强度和稳定性,在碰撞情况下能保证不发生铝板坠落、变形等问题。
3)吊挂件及龙骨应选用同品牌的配套产品。
2)材料的表面喷涂应符合要求,使用前应经招标人和设计单位认可。
5)材料档次应选用档次较高的品牌;铝板选择档次较高的品牌。
施工机具准备电锯、射钉枪、手锯、手刨子、钳子、螺丝刀、扳手、方尺、钢尺、钢水平尺等。
其它准备(1)审核顶棚设计图纸、检查结构尺寸是否与建筑设计相符,并要求设计单位进行交底;(2)金属龙骨及其全部配件应按设计规格选用,其数量有所备用;(3)有预埋件的要检查预埋件数量、质量并做好记录;(4)搭设好安装吊顶的脚手架;(5)机具经检修后并设专人管理;(6)现场要单独设置材料库房,不准随意堆放。
4.2 施工工艺框图4.3 施工操作要点(1)弹线:即根据图纸弹好吊顶的水平标高线、龙骨布置线和吊杆悬挂点。
弹水平线要用水平仪或水平管和水平尺找水平,然后根据吊顶的设计标高将水平线弹到墙面上或柱面上或特设的标杆上(指站台顶面无墙而设),龙骨和吊杆位置线弹到楼板上。
(2)安装吊杆:可根据设计规定选用装膨胀螺栓或植筋技术来固定吊杆。
(3)安装膨胀螺栓,螺栓的螺杆要有足够长度符合设计要求和满足施工规定与吊杆搭接焊的长度;(4)吊杆与连接件间的连接要牢固,这里的连接件是指吊杆与主龙骨的连接,连接方法(是套丝连接还是焊接)按设计规定办理。
铝板吊顶施工工艺一、施工工艺1、弹顶棚标高水平线、划龙骨分档:用水准仪在房间内每个墙(柱)角上抄出+500 ㎜水平点,弹出水准线,从水准线量至吊顶设计高度加上金属板的厚度和折边的高度,用粉线沿墙(柱)弹出吊顶中龙骨、边龙骨的下皮线。
按吊顶平面图,在混凝土顶板弹出主龙骨的位置。
主龙骨宜平行房间长向安装,一般从吊顶中心向两边分,间距为900~1200 ㎜,一般取1000mm 为宜。
2、固定吊挂杆件:采用膨胀螺栓固定吊挂杆件。
采用ф6 的吊杆,吊杆可以采用冷拔钢筋或盘圆钢筋。
吊杆的一端同∟30×30×3 L=50 角钢焊接,(角钢的孔径应根据吊杆和膨胀螺栓的直径确定)另一端可以用攻丝套出丝扣,丝扣长度不小于100 ㎜,也可以买成品丝杆与吊杆焊接。
制作好的吊杆应做防锈处理。
制作好的吊杆用膨胀螺栓固定在楼板上,用冲击电锤打孔,孔径要稍大于膨胀螺栓的直径。
灯具、风口及检修口等要设附加吊杆。
大于3kg 的重型灯具、电扇及其他重型设备严禁安装在吊顶工程的龙骨上,要另设吊挂件与结构连接。
3、安装边龙骨:边龙骨要按弹线安装,沿墙(柱)上的边龙骨控制线把L 形镀锌轻钢条用自攻螺丝固定在预埋木砖上或用射钉枪固定,射钉间距应不大于吊顶次龙骨的间距。
铝板用密封胶直接收边。
4、安装主龙骨:主龙骨应吊挂在吊杆上。
主龙骨间距900 ㎜~1200 ㎜,一般取1000mm 为宜。
主龙骨应起拱,起拱高度为房间短跨度的 1/500。
主龙骨的悬臂段不应大于300 ㎜,否则应增加吊杆。
主龙骨的接长应采取对接,相邻龙骨的对接接头要相互错开。
相邻主龙骨吊挂件正反安装,以保证主龙骨的稳定性,主龙骨挂好后应调平。
5、安装次龙骨:次龙骨与吊杆用专用吊卡或螺栓连接,铝板的次龙骨,应使用产品厂家提供的专用次龙骨,与主龙骨直接连接。
用T形镀锌铁片连接件把次龙骨固定在主龙骨上时,次龙骨的两端应搭在L 形边龙骨的水平翼缘上。
在通风、水电等洞口周围应设附加龙骨,附加龙骨的连接用拉铆钉铆固或螺钉固定。
铝扣板吊顶施工方法及施工工艺(示范文本)一、工艺流程弹顶棚标高水平线、划龙骨分档线→固定吊挂杆→安装边龙骨→安装主龙骨→安装次龙骨→罩面板安装→验收二、施工工艺1、弹顶棚标高水平线、划龙骨分档线:用水准仪在房间内每个墙(柱)角上抄出+1000㎜水平点,弹出水准线,从水准线量至吊顶设计高度加上金属板的厚度和折边的高度,用墨线沿墙(柱)弹出边龙骨的下皮线。
龙骨宜平行房间长向安装,一般从吊顶中心向两边分,间距为900~1200㎜,一般取1000mm为宜。
2、固定吊挂杆件:采用膨胀螺栓固定吊挂杆件。
采用ф8的吊杆,吊杆可以采用冷拔钢筋或盘圆钢筋。
制作好的吊杆用膨胀螺栓固定在楼板上,用冲击电锤打孔,孔径要稍大于膨胀螺栓的直径。
灯具、风口及检修口等要设附加吊杆。
3、安装边龙骨:边龙骨要按弹线安装,沿墙(柱)上的边龙骨控制线把L形镀锌轻钢条用自攻螺丝固定在预埋木砖上或用射钉枪固定,射钉间距应不大于吊顶次龙骨的间距。
铝扣板用密封胶直接收边。
4、安装主龙骨:主龙骨应吊挂在吊杆上。
主龙骨间距900㎜~1200㎜,一般取1000mm为宜。
主龙骨应起拱,起拱高度为房间短跨度的1/500。
主龙骨的悬臂段不应大300㎜,否则应增加吊杆。
主龙骨的接长应采取对接,相邻龙骨的对接接头要相互错开。
相邻主龙骨吊挂件正反安装,以保证主龙骨的稳定性,主龙骨挂好后应调平。
5、安装次龙骨:次龙骨与主龙骨用专用吊卡或螺栓连接,铝扣板的次龙骨,应使用产品厂家提供的专用次龙骨,与主龙骨直接连接。
用T形镀锌铁片连接件把次龙骨固定在主龙骨上时,次龙骨的两端应搭在L形边龙骨的水平翼缘上。
在通风、水电等洞口周围应设附加龙骨,附加龙骨的连接用拉铆钉铆固或螺钉固定。
6、铝扣板安装:铝扣板安装时在装配面积的中间位置垂直次龙骨方向拉一条基准线,对齐基准线向两边安装。
安装时,轻拿轻放,必须顺着翻边部位顺序将方板两边轻压,卡进龙骨后再推紧。
7、饰面板上的灯具等设备的位置应合理、美观,与饰面的交接应吻合、严密。
烤漆铝板及微孔铝板吊顶施工工艺方法与措施目录一、烤漆铝板吊顶 (1)二、微孔铝板吊顶 (3)(一)质量标准 (3)(二)轻钢龙骨安装及质量要求 (3)(三)微穿孔铝板安装及质量要求 (4)一、烤漆铝板吊顶1.弹线定位:主要是弹好吊顶标高线,龙骨布置线和吊杆悬挂点,吊点间距450cm,沿四周墙面弹线允许水平偏差±2mm。
2.固定吊杆:在吊点处打眼,置入φ10膨胀螺栓固定40X40角钢,φ8吊杆满焊于角钢,吊杆、角钢均刷防锈漆三遍。
3.龙骨的安装与调平:吊顶主龙骨选用25×100铝方管(局部造型部分采用厂家加工,现场组装的方法)。
(1)龙骨安装:应按照预先弹好的位置,从一端依次安装到另一端,高低跨处先安装高跨部分,再安装低跨部分,对于检修孔、上人孔、通风等部位,在安装龙骨的同时,应将尺寸及位置留出,将封边的横撑龙骨安装完毕。
(2)龙骨安装是根据先弹好的标高线就位的,因此龙骨的调平宜在同一时间完成。
4.烤漆铝板安装本工程中所用烤漆铝板为厂家定形加工,现场放样后进行加工处理,货到现场后进行装配组成,故安装用螺纹钉直接固定于龙骨之上即可。
5.工程质量允许偏差值(见表8-2)。
(1)所用烤漆铝板表面平整,边缘应整齐,铝板的长边沿纵向铺设,从吊顶的一端开始逐块排列,铝板与墙(柱)面应留5mm间隙。
(2)固定方法:在自由状态下进行固定,防止出现弯曲、凸鼓现象。
自攻螺钉与铝板的固定件加以连接,自攻丝与固定件垂直,弯曲、变形的应剔除。
(3)铝板板之间接缝处理:按照要求,铝板之间要求离缝处理,即在铝板与铝板之间进行打胶处理。
铝板之间留12mm缝,把缝内清理干净,无污物,内垫橡胶条,贴上绷带,然后进行打胶处理。
二、微孔铝板吊顶(一)质量标准1.轻钢龙骨和微孔条形铝板的材质、品种、式样、型号、规格应符合设计要求。
2.轻钢龙骨的安装必须位置正确,连接牢固,无松动。
3.微穿孔铝板应无脱层、翘曲、折裂、缺楞掉角等缺陷,安装必须牢固。
1 穿孔铝板等吊顶工程施工工艺1.1穿孔铝板吊顶工程(1)弹线:根据楼层标高水平线,按照设计标高,沿墙四周弹顶棚标高水平线,并找出房间中心点,并沿顶棚的标高水平线,以房间中心点为中心在墙上划好龙骨分档位置线。
(2)安装主龙骨吊杆:在弹好顶棚标高水平线及龙骨位置线后,确定吊杆下端头的标高,安装预先加工好的吊杆,吊杆安装用φ8膨胀螺栓固定在顶棚上。
吊杆选用φ8圆钢,吊筋间距控制在1200mm 范围内。
(3)安装主龙骨:主龙骨间距控制在1200mm范围内。
安装时采用与主龙骨配套的吊件与吊杆连接。
(4)安装边龙骨:按天花净高要求在墙四周用水泥钉固定25*25烤漆龙骨,水泥钉间距不大于300mm。
(5)安装次龙骨:根据铝扣板的规格尺寸,安装与板配套的次龙骨,次龙骨通过吊挂件,吊挂在主龙骨上。
当次龙骨长度需多根延续接长时,用次龙骨连接件,在吊挂次龙骨的同时,将相对端头相连接,并先调直后固定。
(6)安装金属板:铝扣板安装时在装配面积的中间位置垂直次龙骨方向拉一条基准线,对齐基准线向两边安装。
安装时,轻拿轻放,必须顺着翻边部位顺序将方板两边轻压,卡进龙骨后再推紧。
(7)清理:铝扣板安装完后,需用布把板面全部擦拭干净,不得有污物及手印等。
1.2吊顶工程施工技术要点1.吊顶工程施工前应按设计要求对房间净高、洞口标高和吊项管道、设备及其支架的标高进行交接检验。
2.根据吊项的设计标高在四周墙上弹线,弹线应清晰、位置应准确。
3.吊顶主龙骨起拱高度为房间短向跨度的0.1%~0.3%。
吊杆的间距不得大于12~mm,吊杆距主龙骨端部距离不得大于300mm,大于300mm时应增加吊杆;当吊杆长度大于1500mm时,应设置反支撑;当吊杆与设备相遇时,应调整并增设吊杆。
4.重型灯具、电扇及其它重型设备严禁安装在吊顶龙骨上。
5.吊顶标高、尺寸、起拱和造型应符合设计要求。
6.整体无缝的轻钢龙骨石膏板吊顶应采取可靠的防开裂措施:(1)保证轻钢龙骨吊顶承重体系的整体刚度。
安装主龙骨
骨安装,参照上面棚做法;
技术交底记录
表C2-1
工程名称南京鼓楼仙林国际医院交底日期
施工单位南通二建集团有限公司分项工程名称铝合金板吊顶
4.2
保证不变形、不受潮、不生锈。
4.3施工顶棚部位时,对已安装的门窗、已施工完毕的地面、墙面、窗台等应
注意保护
4.4已装轻钢骨架不得上人踩踏。
其他工种吊挂件,不得吊于轻钢骨架上。
4.5为了保护成品,饰面板安装必须子棚内管道试水、保温、设备安装调试等一切工序全部验收后进行。
5.0应注意的问题
5.1吊顶龙骨必须牢固、平整;利用吊杆调整拱度。
安装龙骨时应严格按放线的水平标准线组装周边骨架。
受力节点应严密、牢固,保证龙骨的整体刚度。
龙骨的尺寸应符合设计要求,纵横拱度均匀,互相适应。
吊顶龙骨严禁有硬弯,如有须调直再进行安装。
2、当做分项工程施工技术交底时,应填写“分项工程名称”栏,其它技术交底可不填写。
铝扣板吊顶施工方法及施工工艺第一步:施工前准备工作1.首先需要进行施工前的准备工作,包括制作施工方案、确定材料和器具的种类和数量、了解施工现场的情况等。
2.除去旧吊顶或墙面的杂物和残留物,并清洁干净施工区域。
第二步:安装横梁1.根据设计要求,在墙面上布置好主横梁的位置,并用水平仪调整好横梁的水平度。
2.使用锤子或电钻等工具,在墙面上预先打好横梁的安装孔,并插入膨胀螺栓。
3.用螺丝刀将横梁固定在墙面上。
第三步:安装龙骨1.根据设计要求,将龙骨固定在横梁上。
可以使用螺丝将龙骨侧向固定在横梁上,也可以使用吊线确定龙骨的位置。
2.确保龙骨之间的间距和平行度符合设计要求。
第四步:安装扣板1.清洁好待安装的铝扣板,并根据需要进行尺寸修剪。
修剪好的铝扣板要保证边缘平整,无毛刺。
2.将修剪好的铝扣板依次插入龙骨上,并逐渐向下推压,使其与龙骨完全贴合。
扣板之间的间距要保持一致,同时要注意不要刮伤壁面。
第五步:安装照明灯具1.根据设计要求,预留好照明灯具的安装位置,并将照明灯具的线路嵌入龙骨中。
2.安装好照明灯具,注意保证灯具的安装牢固,线路接口的可靠性。
第六步:进行尾部处理1.在吊顶的尾部,根据需要进行板材的修剪。
修剪好的板材要保证边缘平整,无毛刺。
2.将修剪好的板材插入到尾部,并用特殊的装饰线条进行封边处理,确保吊顶的整体美观。
第七步:验收和清理1.完成施工后,对吊顶进行验收。
包括检查各个部位的安装是否符合工艺要求,检查吊顶的平整度和边缘的统一性。
2.清理施工现场,将吊顶施工过程中产生的杂物和垃圾清理干净,保持施工现场的整洁。
铝扣板吊顶的施工工艺主要包括上述步骤,施工过程中需要注意质量控制和安全施工。
在选择材料和工具时要严格按照设计要求,并根据施工现场实际情况灵活调整施工方案。
在施工过程中要保持施工区域的整洁,确保施工质量和安全,最终完成一套美观、耐用、实用的铝扣板吊顶。
异形叠级发光穿孔铝板吊顶施工工法异形叠级发光穿孔铝板吊顶施工工法一、前言异形叠级发光穿孔铝板吊顶施工工法是一种新型的吊顶装饰材料及施工工艺,以其美观、实用、环保等特点在建筑领域得到广泛应用。
本篇文章将介绍该工法的特点、适应范围、工艺原理、施工工艺、劳动组织、机具设备、质量控制、安全措施、经济技术分析以及工程实例。
二、工法特点该工法采用异形叠级发光穿孔铝板作为吊顶装饰材料,具有如下特点:1. 美观大方:异形叠级设计使得吊顶具有独特造型,能够打造出丰富多样的空间效果,良好的光线反射使得整个室内看起来更加明亮宽敞。
2. 轻盈环保:异形叠级发光穿孔铝板采用轻质材料制成,不仅重量轻,安装方便,而且可以实现材料的循环使用,符合环保要求。
3. 耐用耐久:采用耐候性和耐腐蚀性较强的铝材制作,可以长时间保持外观不易受损,具有较长的使用寿命。
4. 易清洁维护:表面涂层具有自洁功能,不易沾污,清洁简便。
三、适应范围该工法适用于各类室内场所的吊顶装饰,尤其适合用于大型商业、展览、会议等场所,如购物中心、办公楼、会议厅等。
四、工艺原理该工法通过异形叠级发光穿孔铝板的安装实现吊顶效果。
其具体分析和解释如下:1. 施工工法与实际工程之间的联系:工法的核心是采用异形叠级发光穿孔铝板作为吊顶装饰材料,通过安装将其固定在吊顶结构之上,形成完美的吊顶效果。
2. 采取的技术措施:在施工过程中,需采取合适的安装方式,确保吊顶铝板的稳固性和准确性。
根据设计要求进行板材的加工、尺寸的精确控制,可采用专用的钻孔设备对铝板进行穿孔处理,以实现各种异形叠级设计。
五、施工工艺1. 准备作业:根据设计图纸确定吊顶板材的数量、尺寸和形状,进一步确认施工方案和工艺要求。
安全检查:检查施工现场的安全环境和建筑物结构的安全性。
2.材料准备:对所需的异形叠级发光穿孔铝板进行订购,并配备所需的施工工具和辅助设备。
3. 板材加工:根据设计要求进行板材的加工,包括尺寸切割、异形叠级设计打样等。
穿孔铝板吊顶施工工艺一、施工准备1、材料及要求:⑴、铝合金板:铝合金方板规格600×600,厚度0.8mm,孔径¢3,穿孔率15%,铝合金条板136宽搭接型铝合金条板面层穿孔,板尺寸一致,颜色均匀,无裂纹、折断、缺棱掉角。
品在运输过程中要轻拿轻放,严禁雨淋受潮,存放环境干燥、通风、避雨、下垫木板,与墙壁要有一距离。
⑵、铝合金方板吊顶龙骨:T型轻钢龙骨横撑TB23×26,T型轻钢次龙骨TB23×32,U型轻钢主龙骨CB30×12铝合金条板吊顶龙骨:、轻钢次龙骨LB50×26、U型轻钢主龙骨CB38×12、⑶、零配件:吊杆、角码、丝杆和螺母、射钉、自攻螺钉,(膨胀螺栓)。
2、主要机具:⑴、电动工具:电锯、无齿锯、手电锯、手电钻、冲击电锤、电动螺丝刀、电焊机。
⑵、手动工具:射钉枪、拉铆枪、气动直钉枪、气动码钉枪、手锯、手刨子、钳子、扳子、水准仪、靠尺、钢卷尺等。
3、作业条件⑴、施工前应熟悉现场、图纸和设计说明。
⑵、设计要求对房间的净高、洞口标高和吊顶内的管道、设备及其支架的标高进行交接检查。
⑶、材料进场验收记录、检验报告、出场合格证应齐全。
⑷、吊顶内的管道、设备安装完成;罩面板安装前,上述设备应检验、试压验收合格。
⑸、罩面板安装前,墙、柱面装饰基本完成,涂料只剩最后一遍面漆并经验收合格。
⑹、先进行样板工程,在样板验收合格后,再进行大面积吊顶。
二、施工方法1、铝合金穿孔方板吊顶⑴、0.8厚铝合金穿孔方板,嵌入安装⑵、T型轻钢龙骨横撑TB23×26,中距600。
⑶、T型轻钢次龙骨TB23×32,中距600。
⑷、U型轻钢主龙骨CB30×12,中距1200找平后与镀锌吊杆固定。
⑸、¢6镀锌吊杆双向中距1200,吊杆上部与地板预留吊环固定。
⑹、工艺流程:弹标高水平线、划龙骨分档线→固定吊挂杆件→安装边龙骨→安装大龙骨→安装次龙骨→安装横撑龙骨→罩面板安装①、弹吊顶水平线,划龙骨分档线用水准仪在房间内每个墙(柱)角上抄出水平点(若墙体较长,中间也应当抄几个点),弹出水准线(水准线以楼层500mm为准),从水准线量至吊顶设计高度,用粉线沿墙(柱)弹出水准线,即为吊顶次龙骨的下皮线。
建筑室内穿孔吸音铝板吊顶施工技术规程一、前言建筑室内吊顶是建筑装饰中非常重要的一环。
很多地区的吊顶施工都采用了铝板吊顶,因为铝板吊顶美观、能承受载荷、易于安装、有很好的防火性能等特点。
其中,穿孔吸音铝板吊顶成为了吊顶行业的新宠,吸音效果极佳。
穿孔吸音铝板吊顶施工技术规程是为了确保施工质量,避免因施工不当造成的质量问题。
二、施工前的准备2.1 材料准备1.铝板吊顶主体材料。
2.吊顶骨架:要按照结构设计图纸要求进行加工制作。
3.吸音棉:要在铝板及框架之间进行的空间充填,为了吸声。
4.吸音棉泡沫:为夹层材料,挤塑泡沫或者针刺纤维化学泡沫。
5.木龙骨:用于连接吊顶骨架的攻丝和吸声垫。
2.2 工具准备1.工具类:包括各种电动工具、手动工具等。
2.打孔器:根据设计要求,选择不同尺寸的孔,并且要确保孔边是平整的。
2.3 施工前的检查1.设备检查:检查设备是否完整,有没有故障现象。
2.材料检查:要检查各种材料是否符合要求。
3.安全检查:施工时候要注意安全问题,现场要加强安全教育,随时注意现场安全。
三、施工步骤按照下面的工作步骤进行操作:3.1 安装吊顶骨架1.根据结构设计图纸要求制作好吊顶骨架。
2.安装木龙骨。
首先用钻头在木龙骨上打孔,然后攻丝,安装吸声垫。
3.安装横向与纵向龙骨以及绑扣。
4.安装联接龙骨。
3.2 安装吸音棉1.将吸音棉逐层填充在龙骨之间。
2.使吸音棉压缩到一定程度,尽量减小缝隙。
3.3 安装穿孔铝板1.根据设计图纸,确定穿孔板的孔洞大小与排列方式。
2.按设计要求排列穿孔铝板。
3.安装穿孔铝板。
首先在铝板上作标记,然后确定位置和数量,水平安装到位,用螺钉固定。
3.4 安装边角线1.安装边角线,首先确定位置,水平安装到位。
安装时,要与板面垂直,并要用螺栓固定。
3.5 穿孔铝板拼缝1.根据设计要求,确定拼缝位置,穿刺铝板拼接时,铝板之间的拼缝应该越小越好,这样可以防止污垢沉积和细菌滋生。
3.6 整体检查敲击吊顶铝板,检查是否有松动、掉落或变形现象。
穿孔铝板吊顶施工工艺一、编制依据及工程概况1.1 编制依据名称编号中华人民共和国建筑法工程测量规范GB50026-2007 民用建筑工程室内环境污染控制规范GB50325-2001 木结构工程施工及验收规范GB50206-2002 建筑装饰装修工程施工质量验收规范GB50210-2001 建筑地面工程施工质量验收规范GB50209-2002 建筑工程施工质量验收统一标准GB50300-2001 建筑机械使用安全技术规程JGJ 33-2007 施工现场临时用电安全技术规程JGJ 46-2005 建筑施工场界噪声限值GB 12523-1990 建设工程施工现场供用电安全规范GB 50194-1993 建筑施工安全检查评分标准JGJ 59-99南京鼓楼医院仙林国际医院基本医疗区精装修工程相关图纸。
国家、南京市建筑施工现场有关管理规定、条例。
二、工程概况工程位于南京市仙林大学城灵山北路;结构层数:地下1层,地上4层;地下室层高5.1m;地上楼层层高4.5m、3.9m。
基础类型:桩基、筏板基础、独立基础、带形基础;地下室结构类型:框架剪力墙结构;主体结构类型:主体采用钢筋混凝土框架结构,部分结构件采用了钢结构、预应力钢筋混凝土结构及预制钢筋混凝土构件;地上A区、B区、C区为门诊部,D区、E区、F区、G区为病房住院部;地下室面积27870平方米,地上面积76746平方米;部分房间为穿孔铝板、烤漆钢板吊顶。
三、施工部署合理运用相关方指定的施工场地,合理安排材料周转场、验货场,材料分区集中管理。
室内装饰及安装大面积展开时,可与甲方协商室内材料堆放场地以满足现场对材料的需求,从而保证最终总控计划的实现。
保护环境、污染预防,遵章守法、与时俱进。
四、施工组织机构建立完善的管理体系。
解决现场施工用水、用电、运输、交叉配合等问题。
加强施工调度,协调各个专业配合及保证现场工作秩序。
坚持文明施工,保持良好的施工平面环境。
装饰工程的施工,重在施工组织与管理,一个高效的项目管理机构,一支优秀的施工队伍是工程得以优质、高速顺利竣工的重要前提。
穿孔铝板星空顶吊顶施工工艺流程序号工艺流程施工内容施工要点
1 施工准备技术交底、材料准备、现场测量材料质量合格,测量数
据准确
2 弹线定位根据设计图纸确定吊顶的标高和位
置,并在墙柱面上弹出控制线
弹线清晰,位置准确
3 安装吊杆根据弹线位置,安装吊杆,间距符合
设计要求
吊杆垂直,安装牢固
4 安装主龙
骨将主龙骨与吊杆连接,调整水平度和
标高
主龙骨间距均匀,水平
度良好
5 安装次龙
骨在主龙骨上安装次龙骨,用专用挂件
连接
次龙骨安装平整,与主
龙骨垂直
6 隐蔽验收对龙骨安装进行隐蔽验收,检查吊
杆、龙骨的连接和间距等验收合格后方可进行下一步
7 铝板安装将穿孔铝板逐一安装在次龙骨上,用
自攻螺丝固定铝板安装牢固,表面平整
8 星空灯安
装按照设计位置安装星空灯
灯具位置准确,线路连
接可靠
9 调试对星空灯进行调试,检查灯光效果灯光均匀,无闪烁或故
障
10 清理验收清理施工现场,对吊顶整体效果进行
验收表面洁净,无划伤、污染,验收合格。
穿孔铝板吊顶施工工艺
一、施工准备
1、材料及要求:
⑴、铝合金板:铝合金方板规格600×600,厚度0.8mm,孔径¢3,穿孔率15%,铝合金条板136宽搭接型铝合金条板面层穿孔,板尺寸一致,颜色均匀,无裂纹、折断、缺棱掉角。
品在运输过程中要轻拿轻放,严禁雨淋受潮,存放环境干燥、通风、避雨、下垫木板,与墙壁要有一距离。
⑵、铝合金方板吊顶龙骨:T型轻钢龙骨横撑TB23×26,T型轻钢次龙骨TB23×32,U型轻钢主龙骨CB30×12铝合金条板吊顶龙骨:、轻钢次龙骨LB50×26、U型轻钢主龙骨CB38×12、
⑶、零配件:吊杆、角码、丝杆和螺母、射钉、自攻螺钉,(膨胀螺栓)。
2、主要机具:
⑴、电动工具:电锯、无齿锯、手电锯、手电钻、冲击电锤、电动螺丝刀、电焊机。
⑵、手动工具:射钉枪、拉铆枪、气动直钉枪、气动码钉枪、手锯、手刨子、钳子、扳子、水准仪、靠尺、钢卷尺等。
3、作业条件
⑴、施工前应熟悉现场、图纸和设计说明。
⑵、设计要求对房间的净高、洞口标高和吊顶内的管道、设备及其支架的标高进行交接检查。
⑶、材料进场验收记录、检验报告、出场合格证应齐全。
⑷、吊顶内的管道、设备安装完成;罩面板安装前,上述设备应检验、试压验收合格。
⑸、罩面板安装前,墙、柱面装饰基本完成,涂料只剩最后一遍面漆
并经验收合格。
⑹、先进行样板工程,在样板验收合格后,再进行大面积吊顶。
二、施工方法
1、铝合金穿孔方板吊顶
⑴、0.8厚铝合金穿孔方板,嵌入安装
⑵、T型轻钢龙骨横撑TB23×26,中距600。
⑶、T型轻钢次龙骨TB23×32,中距600。
⑷、U型轻钢主龙骨CB30×12,中距1200找平后与镀锌吊杆固定。
⑸、¢6镀锌吊杆双向中距1200,吊杆上部与地板预留吊环固定。
⑹、工艺流程:
弹标高水平线、划龙骨分档线→固定吊挂杆件→安装边龙骨→安装大龙骨→安装次龙骨→安装横撑龙骨→罩面板安装
①、弹吊顶水平线,划龙骨分档线
用水准仪在房间内每个墙(柱)角上抄出水平点(若墙体较长,中间也应当抄几个点),弹出水准线(水准线以楼层500mm为准),从水准线量至吊顶设计高度,用粉线沿墙(柱)弹出水准线,即为吊顶次龙骨的下皮线。
同时在混凝土顶板弹出主龙骨和吊杆的位置。
主龙骨平行房间长向布置,从中心向两边分。
②、固定吊挂杆件
采用膨胀螺栓固定吊挂杆件,用冲击电锤打孔,孔径应稍大于膨胀螺栓的直径。
如果吊杆长度大于1000mm,设置反向支撑。
吊挂杆件应通直并有足够的承载能力。
吊杆距主龙骨端部距离不得超过300mm,超过300㎜的要增加吊杆。
灯具、风口及检修口等应设附加吊杆。
大于3Kg的重型灯具、电扇及其他重型设备严禁安装在吊顶工程的龙骨上,应另设吊挂件与结构连接。
③、安装主龙骨
主龙骨应吊挂在吊杆上,主龙骨采用U型轻钢龙骨CB30×12,间距1200mm。
主龙骨应起拱,起拱高度为房间短向跨度的1/500。
主龙骨的悬臂段不应大于300mm,否则应增加吊杆。
主龙骨的接头应采取对接,相邻龙骨的对接接头要相互错开。
主龙骨挂好后应调平。
④、安装边龙骨
边龙骨的安装应按设计要求弹线,沿墙(或柱)上的水平龙骨线把L 形镀锌轻钢条用射钉固定在二次结构墙上,对于剪力墙和柱子的地方,采用塑料胀栓固定,射钉间距600㎜。
⑤、安装次龙骨
次龙骨应紧贴主龙骨安装。
次龙骨采用T型轻钢龙骨TB23×32,间距600mm。
用T形镀锌铁片连接件把次龙骨固定在主龙骨上时,次龙骨的两端应搭在L形边龙骨的水平翼缘上。
在通风、水电等洞口周围应根据设计要求设附加龙骨,附加龙骨的连接件用拉铆钉铆固。
灯具、风口及检修口等应附加吊杆和补强龙骨。
⑥、横撑龙骨安装:横撑龙骨与次龙骨型号一样,采用T型轻钢龙骨TB23×32,间距600mm,安装时,将截取好的横撑龙骨的端头插入支托,扣在次龙骨上,并用钳子将挂搭弯入次龙骨内,组装好的次龙骨和横撑龙骨在一条线上。
⑦、面板安装
饰面板应在自由状态下嵌入固定,防止出现弯棱、凸鼓的现象;还应在房间具备封闭的条件下安装固定,防止板面受潮变形。
⑧、窗帘盒安装
窗帘盒采用细木压实板,板厚18㎜,窗帘盒宽度出墙200㎜,长度尺寸按照吊顶排版图的尺寸现场加工制作。
(见附图)
2、铝合金穿孔方板吸声吊顶
⑴、0.8mm厚600×600mm铝合金穿孔方板,内面粘贴一层无纺布,用自攻螺丝与铝合金龙骨固定,孔径为¢3,穿孔率为15%;
⑵、50mm厚超细玻璃丝绵吸声层,玻璃的布袋装填于龙骨间;
⑶、T型轻钢龙骨横撑TB23×26,中距600mm;
⑷、T型轻钢次龙骨TB23×32,中距600mm;
⑸、U型轻钢主龙骨CB30×12,中距1200mm,
⑹、¢6钢筋吊杆,双向中距1200mm,吊杆上部与板底预留吊环固定;
⑺、主要施工工艺:
弹标高水平线、划龙骨分档线→固定吊挂杆件→安装边龙骨→安装大龙骨→安装次龙骨→安装横撑龙骨→罩面板安装
弹吊顶水平线,划龙骨分档线、固定吊挂杆件、安装主龙骨、次龙骨、横撑龙骨安装,参照上面棚2做法;
罩面板安装:在安装罩面板的时候,在铝板内粘贴一层无纺布,将50㎜厚的超细玻璃丝绵吸声材料放在龙骨内,将龙骨与龙骨之间的间距作为一个单元,满铺放。
罩面板与龙骨用自攻丝固定。
3、铝合金条板吊顶
⑴、136宽搭接型铝合金条板面层穿孔板
⑵、条板轻钢次龙骨LB50×26中距1200㎜
⑶、U型轻钢主龙骨CB38×12中距1500㎜
⑷、¢6钢筋吊杆,中距横向1200㎜,纵向1500㎜
⑸、主要施工工艺:
弹标高水平线、划龙骨分档线→固定吊挂杆件→安装边龙骨→安装大龙骨→安装次龙骨→罩面板安装
弹吊顶水平线,划龙骨分档线、固定吊挂杆件、安装主龙骨、次龙骨、横撑龙骨安装,参照上面棚2做法;
罩面板安装:铝合金条板采用卡的方式与龙骨安装,条板安装从一个
方向一次安装,先将板条一段用力压入卡脚,再顺势将其余部分压入卡脚内,采用推压的安装方式。
窗帘盒安装:按照吊顶排版设计图,在窗户口安装窗帘盒,窗帘盒采用大兴板现场加工制作,完成后用射钉枪固定,窗帘盒上的小钉子要刷防锈漆,安装完成后,在上面刮腻子。
三、质量标准
1、主控项目
⑴、吊顶的标高、尺寸、起拱和造型应符合设计要求。
⑵、饰面材料的材质、品种、规格应符合设计要求。
⑶、吊杆、龙骨和饰面材料的安装必须牢固。
⑷、吊杆、龙骨的材质、规格、安装间距及连接方式应符合设计及产品使用要求。
金属吊杆应进行表面防锈处理。
2、一般项目
⑴、饰面材料表面应洁净、色泽一致,不得有翘曲、裂缝及缺损。
⑵、饰面板上的灯具、烟感、喷淋头、风口、广播等设备的位置应合理、美观,与饰面板的接缝应吻合、严密。
⑶、吊杆、龙骨的接缝应均匀一致,角缝应吻合,表面应平整无翘曲、锤印。
⑷、明龙骨吊顶工程安装的允许偏差和检验方法应符合(表--1)
四、成品保护
1、轻钢骨架及罩面板安装时应注意保护顶棚内各种管线。
轻钢骨架的吊杆、龙骨不得固定在通风管道及其他设备管道上。
管理,保证不变形、不受潮、不生锈。
3、施工顶棚部位时,对已安装的门窗、已施工完毕的地面、墙面、窗台等应注意保护。
4、已装轻钢骨架不得上人踩踏。
其他工种吊挂件,不得吊于轻钢骨架上。
5、为了保护成品,饰面板安装必须子棚内管道试水、保温、设备安装调试等一切工序全部验收后进行。
五、应注意的问题
1、吊顶龙骨必须牢固、平整;利用吊杆调整拱度。
安装龙骨时应严格按放线的水平标准线组装周边骨架。
受力节点应严密、牢固,保证龙骨的整体刚度。
龙骨的尺寸应符合设计要求,纵横拱度均匀,互相适应。
吊顶龙骨严禁有硬弯,如有须调直再进行安装。
2、吊顶面层必须平整;施工前应弹线,中间按平线起拱。
长龙骨的接长应采用对接;相邻龙骨接头要错开,避免主龙骨向边倾斜。
龙骨安装完毕,应检查合格后再安装饰面板。
吊件必须安装牢固,严禁松动变形。
龙骨分格的几何尺寸必须符合要求和饰面板块的模数。
饰面板的品种、规格符合设计要求,外观质量必须符合材料技术标准的规格。
3、用电钻打吊杆孔的时候,要避开楼板内的水电预埋管道,楼板上的红色标记线为管道铺设线路。
六、安全注意事项
1、进入施工现场人员必须正确戴好安全帽,系好下颚带,锁好带扣;
2、作业时必须正确使用个人防护用品,着装要整齐,严禁赤脚和穿拖鞋、高跟鞋进入施工现场;
3、新进场的作业人员,必须首先参加入场安全教育培训,经考试合格后方可上岗,未经教育培训或考试不合格者,不得上岗作业;
4、施工现场禁止吸烟,配备灭火器材防止火灾发生,禁止追逐打闹,禁止酒后作业。