设计评审、设计验证、设计确认的区别
- 格式:doc
- 大小:53.50 KB
- 文档页数:5
设计评审、设计验证、设计确认的区别区别:设计评审:目的:评价设计开发结果满足要求的能力,识别问题对象:阶段设计结果时机:设计适当阶段方式:会议、传阅设计验证:目的:证实设计输出满足输入要求对象:设计输出文件图样、样品时机:形成设计输出时方式:试验、计算、对比、评审设计确认:目的:证实产品满足使用要求或已知预期用途要求对象:向顾客提供的产品或样品时机:产品交付或生产服务实施之前方式:试用、模拟验证(Verification)与确认(Validation)的区别说法一:(2)“验证(Verification)”的涵义通过提供客观证据对规定要求已得到满足的认定。
(2)“确认(Validation)”的涵义通过提供客观证据对特定的预期用途或应用要求已得到满足的认定。
(3)“验证”和“确认”之区别“验证”和“确认”都是认定。
但是,“验证”表明的是满足规定要求,而“确认”表明的是满足预期用途或应用要求,说简单点,“确认”就是检查最终产品是否达到顾客使用要求。
(4)“设计和开发”中“设计验证”和“设计确认”之区别在于:设计验证的目的是检查设计输出是否满足设计输入的规定要求。
设计确认的目的是检查设计形成的最终产品是否达到顾客的使用要求。
说法二:1.“确认”是要证明所提供的(或将要提供的)产品适合其预计的用途,而“验证”则是要查明工作产品是否恰当地反映了规定的要求。
换句话说,验证要保证“做得正确”,而确认则要保证“做的东西正确”。
2.验证注重“过程”,确认注重“结果”3.(Verification) ---Are we producing the product right?(Validation) ---Are we producing the right product?说法三:1.什么是验证?验证就是要用数据证明我们是不是在正确的制造产品。
注意这里强调的是过程的正确性2.什么是确认?确认就是要用数据证明我们是不是制造了正确的产品。
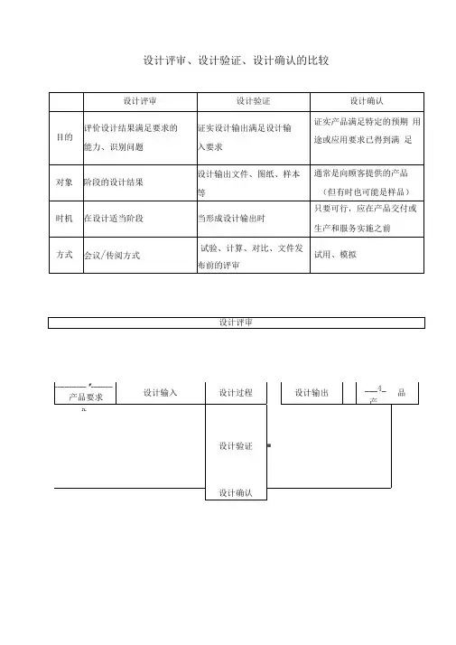
设计和开发评审设计和开发验证设计和开发确认三者的区别文件编码(GHTU-UITID-GGBKT-POIU-WUUI-8968)设计和开发评审、设计和开发验证、设计和开发确认三者的区别关于他们的区别我这里从一下几个方面进行比较:1、目的设计评审:评价设计结果满足要求的能力,识别问题设计验证:证实设计输出满足设计输入的要求设计确认:证实产品满足规定的使用要求或已知的预期用途的要求2、对象设计评审:阶段的设计结果设计验证:设计输出文件、图纸、样本等设计确认:通常是向顾客提供的产品(有时也可以是样品)3、时机设计评审:在设计适当阶段设计验证:当形成设计输出时设计确认:只要可行,应在产品交付或生产和服务实施之前。
4、方式设计评审:会议/传阅方式设计验证:试验、计算、对比、文件发布前的评审。
设计确认:试用、模拟一、目的的区别设计评审:评价设计结果满足要求的能力、识别问题(识别问题是主要目的,还要提出解决措施。
);设计验证:证实设计输出满足设计输入的要求;设计确认:证实产品满足特定的预期用途或应用要求已得到满足;二、对象的区别设计评审:阶段的设计结果(通过评审可以转入下阶段。
)设计验证:设计输出文件、图纸、样本等;设计确认:通常是向顾客提供的产品(但有时也可以是样品);三、时机的区别设计评审:在设计适当阶段设计验证:当形成设计输出时(包括阶段性设计输出的验证。
)设计确认:只要可行,应在产品交付或生产和服务实施之前(必要时,应当提前确认,以免确认发现问题后来不及修改了。
)四、方式的区别设计评审:会议/传阅方式(还有文件会签。
)设计验证:试验、计算、对比、文件发布前的评审设计确认:试用、模拟五、结果的区别设计评审:评审结果及任何必要措施的记录应予保持设计验证:验证结果及任何必要措施的记录应予保持设计确认:确认结果以任何必要措施的记录应予保持六、参与者的区别设计评审:各个有关人员代表,其中与评审对象接受者的职能代表一定要参加。
清楚理解设计评审、设计验证、设计确认三个概念在ISO9001:2015版本的8.3.4 设计和开发控制条款中有:组织应对设计和开发过程进行控制,以确保:1)实施评审活动,以评价设计和开发的结果满足要求的能力2)实施验证活动,以确保设计和开发输出满足输入的要求3)实施确认活动,以确保产品和服务能够满足规定的使用要求或预期用途要求;如何清楚认识设计评审、设计验证和设计确认三个概念呢?首先我们先看看这三个概念的基本定义。
1、评审:对客体实现所规定目标的适宜性、有效性和充分性的确定。
2、验证:通过提供客观证据对规定要求已得到满足的认定。
(注1:验证所需的客观证据可以是检验结果或者其他形式的确定结果,如:变换方法进行计算或者文件评审。
注2:为验证所进行的活动有时被称为鉴定过程)3、确认:通过提供客观证据对特定的预期用途或应用要求已得到满足的认定。
(注1:确认所需的客观证据可以是试验结果或者其他形式的确定结果,如:变换方法进行计算或者文件评审。
注2:确认所使用的条件可以是实际的或是模拟的)“评审”通常有:管理评审、设计开发评审、顾客要求评审、同行评审、纠正措施评审等。
“验证”和“确认”都是认定,“验证”表明的是能够满足规定要求,“确认”表明的是能够满足预期用途或应用要求,说通俗点,“确认”就是检查最终产品是否达到顾客使用要求。
在设计开发活动中,如何理解这三个概念呢?设计评审:对设计结果满足要求的能力进行评审,包括阶段结果,在所策划的多个阶段完成时进行,一般会有多次评审活动。
通常采用会议方式进行。
设计验证的目的是检查设计输出是否满足设计输入的规定要求。
一般在阶段完成或设计完成后进行。
通常采用计算演示或文件评审。
设计确认的目的是检查设计形成的最终产品是否达到顾客的使用要求。
通常通过鉴定定型或客户使用后确认。
举例:手机电池的设计开发,为期3个月的设计开发周期,每个月为一小阶段,每个阶段结束后的总结以及评审就属于设计评审,3个月设计完后,对手机电池设计开发输出的实物以及资料对照设计输入进行检查,看是否满足设计输入要求,比如:电池的尺寸、电阻、容量等参数。
一文讲透设计评审、设计验证、设计确认的区别在GB/T 19001-2016/ISO 9001:2015《质量管理体系要求》标准文本里,有些概念、术语从字面看意思比较相近,如根据“8.3产品和服务的设计和开发”条款,设计开发过程中所涉及的设计评审、设计验证、设计确认等概念术语。
三者到底有什么区别与联系?企业在认证贯标时该如何理解?现进行整理总结如下:设计评审、设计验证、设计确认关系示意图设计和开发评审设计评审的时机:在适宜的阶段,应依据所策划的安排设计评审的目的,以便:a)评价设计和开发的结果满足要求的能力;b)识别任何问题并提出必要的措施。
评审的参加者:应包括与所评审的设计和开发阶段有关的职能的代表。
评审结果及任何必要措施的记录应予保持。
方法:会议/文件传阅等设计和开发验证1)设计和开发验证的目的:为确保设计和开发输出满足输入的要求2)时机:应依据所策划的安排对设计和开发进行验证3)验证结果及必要措施的记录应予保持。
方法:①变换方式进行计算②试验证实,如在空调设计中对制冷功率和制冷时间进行试验等;③与已证实的类似设计的比较结果④对设计输出结果进行评审,如对产品装配图、产品零件图、材料定额表的评审等设计和开发确认1)设计和开发确认的目的:为确保产品能够满足规定的使用要求或已知的预期用途的要求。
2)时机:应依据所策划的安排对设计和开发进行确认。
只要可行,确认应在产品交付或实施之前完成。
3)确认结果及任何必要措施的记录应予保持。
方法:①对设计和开发的产品进行试用,②使用各种手段进行模拟三者可单独或任意组合的方式进行。
附:ISO9001:2015条款8.3要求在实施产品设计开发的时候,需要策划和实施设计开发评审(review)、验证(verification)和确认(validation)的活动。
对于部分标准的初学者来说,这三项活动之间有什么区别可能是一个疑惑,这篇文章想通过ISO9000:2015中对这三项活动的定义以及ISO9001:2015中提到的这三项活动的目的来解释一下这三者的区别。
设计评审、设计验证、设计确认的区别区别:设计评审:目的:评价设计开发结果满足要求的能力,识别问题对象:阶段设计结果时机:设计适当阶段方式:会议、传阅设计验证:目的:证实设计输出满足输入要求对象:设计输出文件图样、样品时机:形成设计输出时方式:试验、计算、对比、评审设计确认:目的:证实产品满足使用要求或已知预期用途要求对象:向顾客提供的产品或样品时机:产品交付或生产服务实施之前方式:试用、模拟验证(Verification)与确认(Validation)的区别说法一:(2)“验证(Verification)”的涵义通过提供客观证据对规定要求已得到满足的认定。
(2)“确认(Validation)”的涵义通过提供客观证据对特定的预期用途或应用要求已得到满足的认定。
(3)“验证”和“确认”之区别“验证”和“确认”都是认定。
但是,“验证”表明的是满足规定要求,而“确认”表明的是满足预期用途或应用要求,说简单点,“确认”就是检查最终产品是否达到顾客使用要求。
(4)“设计和开发”中“设计验证”和“设计确认”之区别在于:设计验证的目的是检查设计输出是否满足设计输入的规定要求。
设计确认的目的是检查设计形成的最终产品是否达到顾客的使用要求。
说法二:1.“确认”是要证明所提供的(或将要提供的)产品适合其预计的用途,而“验证”则是要查明工作产品是否恰当地反映了规定的要求。
换句话说,验证要保证“做得正确”,而确认则要保证“做的东西正确”。
2.验证注重“过程”,确认注重“结果”3.(Verification) ---Are we producing the product right?(Validation) ---Are we producing the right product?说法三:1.什么是验证?验证就是要用数据证明我们是不是在正确的制造产品。
注意这里强调的是过程的正确性2.什么是确认?确认就是要用数据证明我们是不是制造了正确的产品。
验证(Verification)与确认(Validation)的差别说法一:(2)“验证(Verification)”的涵义通过提供客观证据对规定要求已得到满足的认定。
(2)“确认(Validation)”的涵义通过提供客观证据对特定的预期用途或应用要求已得到满足的认定。
(3)“验证”和“确认”之差别“验证”和“确认”都是认定。
可是,“验证”表明的是满足规定要求,而“确认”表明的是满足预期用途或应用要求,说简单点,“确认”就是检查终于产品是否达到顾客使用要求。
(4)“设计和开发”中“设计验证”和“设计确认”之差别在于:设计验证的目的是检查设计输出是否满足设计输入的规定要求。
设计确认的目的是检查设计形成的终于产品是否达到顾客的使用要求。
说法二:1.“确认”是要证明所提供的(或将要提供的)产品适合其估计的用途,而“验证”则是要查明工作产品是否恰当地反映了规定的要求。
换句话说,验证要保证“做得正确”,而确认则要保证“做的东西正确”。
2.验证注重“过程”,确认注重“结果”3.(Verification) ---Are we producing the product right?(Validation) ---Are we producing the right product?说法三:1.什么是验证?验证就是要用数据证明我们是不是在正确的制造产品。
注意这里强调的是过程的正确性2.什么是确认?确认就是要用数据证明我们是不是制造了正确的产品。
注意这里强调的是结果的正确性。
3.验证和确认是一个广泛的概念,感兴趣的读者能够參考IEEE Std 1012-1998 。
验证:验证检查某样东西是否符合之前已定好的标准,如:文档评审,要检查的东西是文档,检查标准就是文档的评审标准,又如:測试软件,要检查的东西就是软件,检查的标准就是软件的规格说明,包含功能说明,性能要求等。
确认:检查软件在终于的执行环境上是否达到预期的目标。
验证(Verification)与确认(Validation)的差别验证(Verification)与确认(Validation)的差别说法⼀:(2)“验证(Verification)”的涵义通过提供客观证据对规定要求已得到满⾜的认定。
(2)“确认(Validation)”的涵义通过提供客观证据对特定的预期⽤途或应⽤要求已得到满⾜的认定。
(3)“验证”和“确认”之差别“验证”和“确认”都是认定。
可是,“验证”表明的是满⾜规定要求,⽽“确认”表明的是满⾜预期⽤途或应⽤要求,说简单点,“确认”就是检查终于产品是否达到顾客使⽤要求。
(4)“设计和开发”中“设计验证”和“设计确认”之差别在于:设计验证的⽬的是检查设计输出是否满⾜设计输⼊的规定要求。
设计确认的⽬的是检查设计形成的终于产品是否达到顾客的使⽤要求。
说法⼆:1.“确认”是要证明所提供的(或将要提供的)产品适合其估计的⽤途,⽽“验证”则是要查明⼯作产品是否恰当地反映了规定的要求。
换句话说,验证要保证“做得正确”,⽽确认则要保证“做的东西正确”。
2.验证注重“过程”,确认注重“结果”3.(Verification) ---Are we producing the product right?(Validation) ---Are we producing the right product?说法三:1.什么是验证?验证就是要⽤数据证明我们是不是在正确的制造产品。
注意这⾥强调的是过程的正确性2.什么是确认?确认就是要⽤数据证明我们是不是制造了正确的产品。
注意这⾥强调的是结果的正确性。
3.验证和确认是⼀个⼴泛的概念,感兴趣的读者能够參考 IEEE Std 1012-1998 。
验证:验证检查某样东西是否符合之前已定好的标准,如:⽂档评审,要检查的东西是⽂档,检查标准就是⽂档的评审标准,⼜如:測试软件,要检查的东西就是软件,检查的标准就是软件的规格说明,包含功能说明,性能要求等。
设计评审、验证、确认的区别
设计评审:
目的:评价设计开发结果满足要求的能力,识别问
题
对象:阶段设计结果
时机:设计适当阶段
方式:会议、传阅
设计验证:
目的:证实设计输出满足输入要求
对象:设计输出文件图样、样品
时机:形成设计输出时
方式:试验、计算、对比、评审
设计确认:
目的:证实产品满足使用要求或已知预期用途要求
对象:向顾客提供的产品或样品
时机:产品交付或生产服务实施前
区分说法二说法三说法四
验证满足规定要求。
(设计输出是否满足设计
输入的规定要求)
保证“做得正确”。
注重“过程”。
用数据证明是不是在正
确的制造产品,强调的
是“过程的正确性”。
用试验的方法,来检验某个结论是否正确。
实践是检验真理的唯一标准,验证=检验+证明。
即用实践来检验理论是否成立。
验证之前,答案可能
是对或错的。
确认
满足预期用途或应用要
求,即检查最终产品是否
达到顾客使用要求。
(设计形成的最终产品是
否达到顾客的使用要求)
保证“做的东西正确”。
注重“结果”。
用数据证明是不是制造
了正确的产品,强调的
是“结果的正确性”。
已经知道某个结论,看看是否被有效执行,不需要验
证理论的正确性。
是对执行力的检验。
日本企业喜欢用“确认”一词,
可以理解为:结合实物,到现场认真地看。
验证(Verification)与确认(Validation)的区别
都是
“认定”。
说法一。
验证(Verification)与确认(Validation)的区别验证:我们正确地构造了产品吗?(注重过程-由QA负责)确认:我们构造了正确的产品吗?(注重结果-由QC负责)说法一:(2)“验证(Verification)”的涵义通过提供客观证据对规定要求已得到满足的认定。
(2)“确认(Validation)”的涵义通过提供客观证据对特定的预期用途或应用要求已得到满足的认定。
(3)“验证”和“确认”之区别“验证”和“确认”都是认定。
但是,“验证”表明的是满足规定要求,而“确认”表明的是满足预期用途或应用要求,说简单点,“确认”就是检查最终产品是否达到顾客使用要求。
(4)“设计和开发”中“设计验证”和“设计确认”之区别在于:设计验证的目的是检查设计输出是否满足设计输入的规定要求。
设计确认的目的是检查设计形成的最终产品是否达到顾客的使用要求。
说法二:1.“确认”是要证明所提供的(或将要提供的)产品适合其预计的用途,而“验证”则是要查明工作产品是否恰当地反映了规定的要求。
换句话说,验证要保证“做得正确”,而确认则要保证“做的东西正确”。
2.验证注重“过程”,确认注重“结果”3.(Verification) ---Are we producing the product right?(Validation) ---Are we producing the right product?说法三:1.什么是验证?验证就是要用数据证明我们是不是在正确的制造产品。
注意这里强调的是过程的正确性2.什么是确认?确认就是要用数据证明我们是不是制造了正确的产品。
注意这里强调的是结果的正确性。
3.验证和确认是一个广泛的概念,感兴趣的读者可以参考IEEE Std 1012-1998 。
验证:验证检查某样东西是否符合之前已定好的标准,如:文档评审,要检查的东西是文档,检查标准就是文档的评审标准,又如:测试软件,要检查的东西就是软件,检查的标准就是软件的规格说明,包括功能说明,性能要求等。
验证与确认的区别验证(Verification)与确认(Validation)的区别验证:我们正确地构造了产品吗?(注重过程-由QA负责)确认:我们构造了正确的产品吗?(注重结果-由QC负责)说法一:(2)“验证(Verification)”的涵义通过提供客观证据对规定要求已得到满足的认定。
(2)“确认(Validation)”的涵义通过提供客观证据对特定的预期用途或应用要求已得到满足的认定。
(3)“验证”和“确认”之区别“验证”和“确认”都是认定。
但是,“验证”表明的是满足规定要求,而“确认”表明的是满足预期用途或应用要求,说简单点,“确认”就是检查最终产品是否达到顾客使用要求。
(4)“设计和开发”中“设计验证”和“设计确认”之区别在于:设计验证的目的是检查设计输出是否满足设计输入的规定要求。
设计确认的目的是检查设计形成的最终产品是否达到顾客的使用要求。
说法二:1.“确认”是要证明所提供的(或将要提供的)产品适合其预计的用途,而“验证”则是要查明工作产品是否恰当地反映了规定的要求。
换句话说,验证要保证“做得正确”,而确认则要保证“做的东西正确”。
2.验证注重“过程”,确认注重“结果”3.(Verification) ---Are we producing the product right?(Validation) ---Are we producing the right product?说法三:1.什么是验证?验证就是要用数据证明我们是不是在正确的制造产品。
注意这里强调的是过程的正确性2.什么是确认?确认就是要用数据证明我们是不是制造了正确的产品。
注意这里强调的是结果的正确性。
3.验证和确认是一个广泛的概念,感兴趣的读者可以参考 IEEE Std 1012-1998 。
验证:验证检查某样东西是否符合之前已定好的标准,如:文档评审,要检查的东西是文档,检查标准就是文档的评审标准,又如:测试软件,要检查的东西就是软件,检查的标准就是软件的规格说明,包括功能说明,性能要求等。
设计验证与设计确认 HEN system office room 【HEN16H-HENS2AHENS8Q8-HENH1688】设计验证和设计确认一、设计验证和设计确认的区别设计和开发验证:目的是确保设计和开发的输出满足输入的要求;设计和开发确认:目的是确保产品满足规定的使用要求或已知的预期用途的要求,在产品交付或实施之前完成。
二、设计和开发验证:1、设计和开发验证的方法:设计开发输出的是信息(文件),为了确保设计和开发输出资料满足输入资料要求,根据设计和开发策划时做出的安排,对设计和开发进行验证。
通常的验证方法是通过制造样机的方式来进行。
验证的方法应根据具体情况选择以下几种方式(其中1、2种方式选一种)1)当整个设计已完成时,可根据评审通过的设计开发初稿制作样机。
技术部负责对样机进行型式试验或送公司以外的权威检测机构进行检测并出具检测报告作为验证依据。
2)在设计开发适当阶段,对样机的部分设计或样机的功能、性能可采用与已证实成功的类似设计进行比较,用类似设计的相关证据,作为本阶段设计的验证依据。
此外,下列方法也可用于验证:1)设计评审;2)2)变换方法进行计算,以验证原来的计算结果和分析的正确性;3)3)可能时,将新设计与已证实的类似设计进行比较;4)进行试验和证实,如模型或样机(样品)试验,若采用这种方法,则应明确制定试验大纲,并将结果形成文件;5)5)进行独立验证,以验证原来的计算结果和其他设计活动的正确性;6)6)对发放前的设计阶段文件进行评审。
7)上述方法可以选用一种或多种。
通过这些方法验证,以寻找设计输出可能存在的问题和缺陷,便于早一点修正。
8)设计开发验证是分阶段、分层次进行的。
一般来说,对某一子项(例如某一零件)的设计可以采用较为简单的方法,而对整个设计则应采用较为复杂的方法。
加工业的设计开发则必须进行样机试验才能最终加以验证。
验证的结果及任何必要措施(例如更正)的记录应予保持。
2、设计和开发验证的步骤:1)设计开发项目负责人综合所有的验证结果,编制《设计开发验证报告》,将验证结果和跟踪情况记录在报告内,报总工程师批准。