验槽记录填写样本
- 格式:doc
- 大小:416.50 KB
- 文档页数:40
地基验槽检查记录表编号:ZSY-WG-008工程名称:宜章弘源化工有限责任公司地下管网工程区编号:ZSY-WG-8致:天津辰达工程监理有限公司我单位已完成了外管基础S51、S50工作,现报上该工程报验申请表,请予以审查和验收。
附件:1、地基验槽(坑)记录承包单位(章)项目经理_____________________日期________________________ 审查意见项目监理机构(章)日期工程名称:宜章弘源化工有限责任公司地下管网工程区编号:ZSY-WG-9致:天津辰达工程监理有限公司总/专业监理工程师________________日期地基验槽检查记录表编号:ZSY-WG-009工程名称:宜章弘源化工有限责任公司地下管网工程编号:ZSY-WG-9致:天津辰达工程监理有限公司我单位已完成了外管基础S48 S49工作,现报上该工程报验申请表,请予以审查和验收。
附件:1地基验槽(坑)记录承包单位(章)项目经理_____________________日期________________________ 审查意见项目监理机构(章)日期工程名称:宜章弘源化工有限责任公司地下管网工程编号:ZSY-WG-10致:天津辰达工程监理有限公司总/专业监理工程师________________日期地基验槽检查记录表编号:ZSY-WG-010工程名称:宜章弘源化工有限责任公司地下管网工程编号:ZSY-WG-10致:天津辰达工程监理有限公司我单位已完成了外管基础S38 S39 S40、S41、S42、S43工作,现报上该工程报验申请表,请予以审查和验收。
附件:1、地基验槽(坑)记录(1份)2、地基验槽平面图(1份)承包单位(章)项目经理_____________________日期________________________ 审查意见项目监理机构(章)日期工程名称:宜章弘源化工有限责任公司地下管网工程编号:ZSY-WG-11致:天津辰达工程监理有限公司总/专业监理工程师________________日期。
基础地基验槽检查记录日期:20XX年XX月XX日地点:XX工地一、检查目的:本次地基验槽检查的目的是确保地基验槽施工符合设计要求以及相关规范,保证地基的稳固性和安全性,为后续施工提供可靠的基础。
二、检查内容:1.验槽尺寸:确认地基验槽的尺寸是否与设计图纸一致,并符合设计要求。
2.底板平整度:检查地基验槽底板的平整度,确保底板无凹凸不平、缺陷等问题,保证基础的平稳。
3.坡度控制:检查地基验槽的坡度是否符合设计要求,以确保地基的排水功能良好。
4.土壤承载力:测试地基土壤的承载力,确保地基能够承受后续结构的荷载。
5.验槽排水系统:检查地基验槽的排水系统是否畅通,包括排水管道、排水孔等,以确保地基在降雨等情况下能够及时排水。
6.地下水位测试:测试地基区域的地下水位,了解地下水的情况,以确保地基能够应对潮湿环境的影响。
7.地基材料质量:检查地基材料的质量,包括水泥、砂石等是否符合相关标准,保证地基施工质量。
三、检查结果与处理:1.验槽尺寸:经测量,验槽尺寸与设计图纸一致,符合设计要求,无需处理。
2.底板平整度:经检查,底板平整度良好,无明显凹凸不平的情况,无需处理。
3.坡度控制:验槽坡度控制合理,符合设计要求,无需处理。
4.土壤承载力:采取静力触探等方法测试,土壤承载力满足设计要求,无需处理。
5.验槽排水系统:检查排水系统,排水管道畅通,无堵塞现象,排水孔位于合适位置,无需处理。
6.地下水位测试:测试地下水位,地下水位稳定在合理范围内,无需处理。
7.地基材料质量:抽取样品进行实验室测试,地基材料满足相关标准要求,无需处理。
四、存在问题及改进措施:根据本次地基验槽检查情况,没有发现明显的问题。
但为确保后续施工的顺利进行,建议加强施工现场管理,包括:1.严格执行施工图纸和设计要求,确保地基验槽施工符合标准。
2.加强对地基验槽施工人员的培训,提高他们的技术水平和施工质量认识。
3.定期巡视地基验槽施工现场,保持施工区域整洁,避免影响地基验槽的施工质量。
地基验槽(复验)记录(建)表 4. 1.5. 1 (DBJ3-56-) 共页第页附图及阐明:1、经建设、监理、勘察、设计、施工等有关单位对地基基槽进行验收。
地基土质、基槽尺寸、标高、轴线、持力层等均符合地质勘察报告及设汁规范规定。
地基验槽(复验)记录(建)表 4. 1.5. 1 (DBJ3-56-) 共页第页附图及阐明:1、经建设、监理、勘察、设计、施工等有关单位对地基基槽进行验收。
地基土质、基槽尺寸、标高、轴线、持力层等均符合地质勘察报告及设计规范规定。
2、基槽开挖长119米,基底开挖宽0.8米,开挖深度为1・85米,放坡1:0・55・地表勘察单位 设计单位 施工单位 监理单位项目负责人: 项目专业负责人: 项目技术负责人: 专业监理工程师:地基验槽(复验)记录附图及阐明:1、 经建设、监理、勘察、设计、施工等有关单位对地基基槽进行验收。
地基土质、 基槽尺寸、标高、轴线、持力层等均符合地质勘察报告及设计•规范规定。
2、基槽开挖长90米,基底开挖宽0.8米,开挖深度为1.88米,放坡1:0・55・经检查基底持力层为粘性土层、地基匀质、尺寸、标高、基土等符合图纸设计及施工规范规定。
工程名称 丹江唯牒番解决工施工单位湖北省工业建筑集团有限公司验槽部位 WD8-WA34段管沟验槽日期 10月25日地基土质状况 土质与地质勘察报告相符 基槽尺寸标高 基槽尺寸标高与施工图相符。
持力层设计规定持力层满足设计规定。
(建)表 4. 1. 5. 1 (DBJ3-56-) 共 页第 页施工单位初验结论 地表地基验槽(复验)记录(建)表4・ 1.5. 1 (DBJ3-56-) 共页第页附图及阐明:1、经建设、监理、勘察、设计、施工等有关单位对地基基槽进行验收。
地基土质、基槽尺寸、标高、轴线、持力层等均符合地质勘察报告及设计规范规定。
地基验槽(复验)记录(建)表 4. 1.5. 1 (DBJ3-56-) 共页第页附图及阐明:1、经建设、监理、勘察、设计、施工等有关单位对地基基槽进行验收。
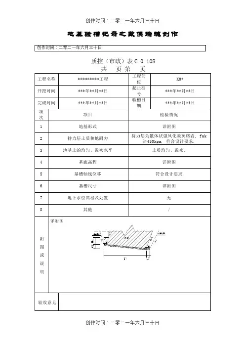
地基验槽记录表(范文).地基验槽(复验)记录质控(建)表4.1.5.1共页第页工程名称XXX道路工程验槽部位施工单位XXX验槽日期2011年6月15日K1+86~K1+940左侧加筋挡土墙基槽地基土质情况基槽尺寸标高持力层设计要求附图及说明:1、基槽开挖长80.0m,基底开挖宽度1.5m;2、附图如下:1.0m符合设计图纸要求符合设计图纸要求符合设计图纸要求加筋挡土墙基槽开挖示意图施工单位初验结论验槽结论(复验)勘察单位工程卖力人:.符合要求设计单元工程专业卖力人:施工单元项目技术负责人:监理单位专业监理工程师:.地基验槽(复验)记录质控(建)表4.1.5.1共页第页工程名称XXX道路工程验槽部位地基土质情况基槽尺寸标高持力层设计要求附图及说明:1、基槽开挖长16.8m,基底开挖宽度4.0m;2、附图如下:4.0m1.5m×1.8m盖板涵基槽开挖示意图K0+820盖板涵基槽施工单元XXX扶植开展验槽日期2011年6月5日符合设计图纸要求符合设计图纸要求符合设计图纸要求施工单位初验结论验槽结论(复验)勘探单元项目负责人:.符合要求设计单元项目专业负责人:施工单位工程技术卖力人:监理单元专业监理工程师:.地基验槽(复验)记录质控(建)表4.1.5.1共页第页工程名称XXX道路工程验槽部位施工单元XXX扶植开展验槽日期2011年7月6日K0+820~K0+845左侧片石砼挡墙地基土质情况基槽尺寸标高持力层设计要求附图及说明:1、基槽开挖长25.0m,基底开挖宽度3.0m;2、附图如下:3.0m符合设计图纸要求符合设计图纸要求符合设计图纸要求K0+820~K0+860左侧片石砼挡墙基槽开挖表示图施工单元初验结论验槽结论(复验)勘探单元工程卖力人:.符合要求设计单元项目专业负责人:施工单元项目技术负责人:监理单位专业监理工程师:.地基验槽(复验)记录质控(建)表4.1.5.1共页第页工程称号XXX门路革新工程验槽部位K1+810~K1+920右边挡土墙基槽地基土质情况基槽尺寸标高持力层设计要求砂性粘土符合设计图纸要求符合设计图纸要求施工单位XXX验槽日期2011年7月23日附图及说明:1、基槽开挖长110.0m,基底开挖宽度3.07(3.38)m;2、基槽向内1:5(1:0.15)3、附图如下:沟槽开挖示意图施工单元初验结论验槽结论(复验)勘察单位工程卖力人:工程专业卖力人:符合要求设计单位工程技术卖力人:施工单元监理单元专业监理工程师:..地基验槽(复验)记录质控(建)表4.1.5.1共页第页工程称号XXX门路革新工程施工单元XXX扶植开展验槽日期2011年7月24日验槽部位K0+560~K0+620左侧重力式挡墙基槽地基土质情况基槽尺寸标高持力层设计要求中分化岩层,粉质粘土符合设计图纸要求符合设计图纸要求附图及说明:1、基槽开挖长60m,基底开挖宽度3.07(3.38)m;2、基槽向内1:5(1:0.15)3、附图如下:沟槽开挖表示图施工单位初验结论验槽结论(复验)勘探单元项目负责人:项目专业负责人:符合要求设计单位项目技术负责人:施工单位监理单位专业监理工程师:..地基验槽(复验)记录质控(建)表4.1.5.1共页第页工程称号XXX门路革新工程施工单元XXX扶植开展验槽日期2011年7月24日验槽部位K1+870~K1+910右边仰斜式挡墙基槽地基土质情况基槽尺寸标高持力层设计要求素填土、粉质粘土符合设计图纸要求符合设计图纸要求附图及说明:1、基槽开挖长60m,基底开挖宽度3.07(3.38)m;2、基槽向内1:53、附图如下:沟槽开挖表示图施工单位初验结论验槽结论(复验)勘察单位项目负责人:.项目专业负责人:符合要求设计单位工程技术卖力人:施工单元监理单元专业监理工程师:.地基验槽(复验)记录质控(建)表4.1.5.1共页第页XXX门路革新工工程名施工单位XXXXXX验槽部验槽日K0+845~K0+880左侧重力式挡墙基槽2011年7月27日位期地基土质情况基槽尺寸标高持力层设计要求砂性粘土符合设计图纸要求符合设计图纸要求附图及说明:1、基槽开挖长35m,基底开挖宽度2.61(2.39)m;2、基槽向内1:53、附图如下:499.252(501.952)m2.61(2.39)m沟槽开挖示意图施工单。
表式C5-2-1地基验槽检查记录
表式C5-2-1地基验槽检查记录
表式C5-2-1地基验槽检查记录
表式C5-2-1地基验槽检查记录
表式C5-2-1地基验槽检查记录
表式C5-2-1地基验槽检查记录
表式C5-2-1地基验槽检查记录
表式C5-2-1地基验槽检查记录
表式C5-2-1地基验槽检查记录
表式C5-2-1地基验槽检查记录
表式C5-2-1地基验槽检查记录
表式C5-2-1地基验槽检查记录
表式C5-2-1地基验槽检查记录
表式C5-2-1地基验槽检查记录
表式C5-2-1地基验槽检查记录
表式C5-2-1地基验槽检查记录
表式C5-2-1地基验槽检查记录
表式C5-2-1地基验槽检查记录
表式C5-2-1地基验槽检查记录
表式C5-2-1地基验槽检查记录
表式C5-2-1地基验槽检查记录
表式C5-2-1地基验槽检查记录
表式C5-2-1地基验槽检查记录
表式C5-2-1地基验槽检查记录
表式C5-2-1地基验槽检查记录
表式C5-2-1地基验槽检查记录
表式C5-2-1地基验槽检查记录
表式C5-2-1地基验槽检查记录
表式C5-2-1地基验槽检查记录
表式C5-2-1地基验槽检查记录。
地基处理地基验槽记录地基处理是建筑工程中至关重要的一部分,它直接影响到整个建筑物的稳定性和耐久性。
地基处理的目的是为了确保地基能够承受建筑物的重量,并能够分散荷载到地下土层中。
下面是一个地基处理地基验槽记录的例子,详细描述了地基处理的过程和结果。
1.项目信息:项目名称:XX大厦建设工程地基处理单位:XX地基处理有限公司施工日期:2024年5月1日验槽日期:2024年5月15日地基处理验槽位置:施工地点西侧2.验槽前准备工作:2.1清理施工区域,将土壤、碎石等杂物清除。
2.2划定验槽范围,确保槽的长度、宽度和深度符合设计要求。
2.3部署劳动力和机械设备,准备开始地基处理工作。
3.验槽过程:3.1验槽施工队按照设计要求进行开挖工作,先进行横向挖槽,然后纵向挖槽。
3.2挖槽深度达到设计要求后,施工队开始进行地基处理工作。
3.3使用扒土机将槽底的土层剪切和平整,确保槽底平整度符合设计要求。
3.4施工队按照设计要求进行填土作业,采用机械压实的方式。
3.5每压实一层土,施工队使用振动器对土层进行振实,确保土层的密实度符合设计要求。
4.验槽结果:4.1地基处理的验槽结果显示,经过施工队的努力,地基处理工作完成得较为理想。
4.2验槽结果显示,槽底的平整度符合设计要求,没有明显的凹凸不平现象。
4.3土层的密实度符合设计要求,没有明显的松散、不均匀现象。
4.4验槽结果显示,地基处理后的地基能够承受建筑物的重量,并能够分散荷载到地下土层中。
5.总结和建议:5.1地基处理工作符合设计要求,为后续建筑施工打下了坚实的基础。
5.2验槽过程中没有发现明显的问题,说明施工队的技术水平较高。
5.3验槽结果显示,地基处理的质量较好,建议继续按照相同的标准和要求进行后续地基处理工作。
5.4地基处理工作应继续监督和检查,确保施工质量和进度符合要求。
以上是地基处理地基验槽记录的一个例子,通过详细描述地基处理的过程和结果,可以有效地记录施工过程,为后续工作提供参考和依据。
地基验槽记录表格1. 检查槽的基本信息
2. 槽的尺寸和形状
3. 槽的土质情况
4. 槽的施工情况
5. 其他检查记录
- [ ] 水位观测
- [ ] 底部平整度检查
- [ ] 槽壁沉降观测
- [ ] 断面形状检查
备注:(可以添加其他需要记录的内容)
6. 检查结论
在进行地基验槽记录检查的过程中,需要填写上述表格,详尽记录槽的基本信息、尺寸和形状、土质情况、施工情况以及其他检
查记录。
根据检查结果,可以得出相应的结论和建议,以便后续工程的进行。
注意:请根据实际情况填写表格内容,确保准确、全面地记录地基验槽的相关信息。
基础验槽记录表范文
1. 项目概述
本文档旨在提供一份基础验槽记录表的范文,以供参考。
2. 验槽信息
2.1 验槽名称
- 验槽名称:[填写验槽名称]
2.2 验槽编号
- 验槽编号:[填写验槽编号]
2.3 验槽位置
- 验槽位置:[填写验槽位置]
3. 验槽检测记录
3.1 检测日期
- 检测日期:[填写检测日期]
3.2 验槽外观检查
- 验槽外观是否完好:[是/否]
- 外观异常情况描述:[填写异常情况描述]
3.3 验槽尺寸测量
- 验槽高度:[填写高度]
- 验槽宽度:[填写宽度]
- 验槽长度:[填写长度]
3.4 验槽密封性测试
- 验槽密封性是否正常:[是/否]
- 密封性异常情况描述:[填写异常情况描述]
3.5 验槽漏水测试
- 验槽是否有漏水现象:[是/否]
- 漏水情况描述:[填写漏水情况描述]
3.6 验槽排水能力测试
- 验槽排水能力是否正常:[是/否]
- 排水能力异常情况描述:[填写异常情况描述]
3.7 其他检测项目(可选)
- 检测项目1:[填写检测项目1结果]
- 检测项目2:[填写检测项目2结果]
- ...
4. 结论与建议
4.1 结论
- 综合以上检测结果,验槽的状况为:[填写状况]
4.2 建议
- 针对以上出现的异常情况,建议采取以下措施:[填写建议措施]
5. 审核人签名
- 审核人:[填写审核人]
- 签名:[审核人签名]
---
以上为基础验槽记录表的范文,供参考使用。
根据实际情况进行具体修改,以确保记录的准确性和全面性。