地基验槽记录(填写范例)
- 格式:doc
- 大小:38.50 KB
- 文档页数:2
基础地基验槽检查记录一、项目信息1. 工程名称:xxx工程2. 地点:xxx地点3. 检查日期:20xx年xx月xx日4.检查人员:检查员姓名、职务二、检查内容1.土壤类型及含水量测定a. 根据工程地点和前期调查资料,预估土壤类型为:xxxb.使用相应的土壤采样工具,采集多个样本。
c.将样本带回实验室进行分析,确定土壤类型。
d.根据实验室测试结果计算出土壤的含水量。
2.地基验槽开挖a.检查土地清理工作是否完成,包括移除植被、清除垃圾等。
b.按照设计要求,进行地基验槽开挖工作。
c.检查开挖面的垂直度和水平度是否满足要求。
3.地基验槽纵断面检查a.检查地基验槽纵断面的平整度。
b.检查纵断面上的任何不规则或不均匀性。
c.若存在问题,记录具体位置和问题描述。
4.地基验槽横断面检查a.检查地基验槽横断面的开挖深度是否符合设计要求。
b.检查横断面的水平平整度。
c.检查横断面的垂直度。
d.若存在问题,记录具体位置和问题描述。
5.地基验槽底部检查a.检查地基验槽底部是否清理干净。
b.检查底部土壤的均匀性和密实度。
c.若存在问题,记录具体位置和问题描述。
6.填土检查b.检查填土层的厚度、均匀性和密实度。
c.检查填土层与地基验槽底部的贴合度。
d.若存在问题,记录具体位置和问题描述。
7.钢筋检查a.检查钢筋的质量和数量是否符合设计要求。
b.观察并记录钢筋的安装位置和间距。
c.检查钢筋与地基验槽的连接情况。
d.若存在问题,记录具体位置和问题描述。
8.其他问题记录a.在检查过程中发现的其他问题,如地基验槽周边的安全隐患、环境污染等,都需要记录下来并通知相关部门进行处理。
三、检查结论根据以上检查内容和结果,结合设计要求和施工规范,得出以下结论:1.土壤类型和含水量与预估基本一致,满足设计要求。
2.地基验槽开挖工作符合设计要求,没有发现明显的缺陷。
3.地基验槽纵断面和横断面的平整度、水平度和垂直度均符合要求。
4.地基验槽底部清理和填土工作进行了充分检查和补正。
地基验槽检查记录
日期:2024年10月15日
地点:xx工地
工程名称:xx项目
检查人员:xxx
检查目的:对地基验槽进行检查,确保地基工程的质量和安全。
检查内容及结论:
1.地基验槽的开挖情况:地基验槽的开挖应符合设计要求,并且保持清晰的边界。
经检查,地基验槽的开挖工作已经完成,边界清晰,符合要求。
2.地基验槽的土质情况:地基验槽开挖后,需要仔细观察土质情况,确保土质符合设计要求。
经检查,地基验槽的土质为黏土,干燥,无明显变形和滑动迹象。
3.地基验槽的支护情况:地基验槽需要进行支护工作,以防止土体坍塌。
检查时,发现地基验槽的支护工作已经完成,支护结构牢固,符合要求。
4.地基验槽的渗水情况:地基验槽需要防止渗水,以保证后续土体的稳定性。
经检查,地基验槽无明显渗水现象,符合要求。
5.地基验槽的平整度:地基验槽的底部需保持平整,以确保后续的土体均匀沉降。
检查时,地基验槽底部平整度良好,符合要求。
结论及建议:
地基验槽的开挖和支护工作已经完成,各项指标符合设计要求。
在后续施工过程中,需要密切关注土质情况和渗水情况,及时调整施工方法,确保地基工程的质量和安全。
验槽照片:(可附加验槽照片,以确保检查结果的真实性)
请相关施工单位和监理单位认真落实检查结果,确保地基工程的质量和安全。
检查人员签名:xxx
以上是对地基验槽检查记录的详细描述,如有不足之处,请指出并提出改进建议。
感谢您的关注和支持!。
工程名称:壶镇溪东溪西区块污水零排放工程-新和村截污纳管项目编号:施工单位浙江正茂市政园林工程有限公司验收项目Y1-Y19管道沟槽基底分部(分项)工程名称给水排水管道工程项目经理徐文光施工执行标准名称及编号《给水排水管道工程施工及验收规范》 GB50268-2008地基验槽内容及简图经设计、建设、监理及施工等单位有关人员现场对管槽基底的土质、开挖尺寸、标高、坡度等进行了检查验收。
结论经检查,该段沟槽开挖深度、坡度、基底宽度均符合设计要求,基底平整,无洞穴、坑洼、松土及积水,基础持力层为粉质黏土夹石,基础承载力满足设计要求,验槽合格。
验收结论监理工程师(建设单位项目专业技术负责人)签名:年月日勘察单位代表(签名):年月日设计单位代表(签名):年月日施工单位项目专业质量检查员(签名):项目专业技术负责人(签名):年月日工程名称:壶镇溪东溪西区块污水零排放工程-新和村截污纳管项目编号:施工单位浙江正茂市政园林工程有限公司验收项目W1-W39管道沟槽基底分部(分项)工程名称给水排水管道工程项目经理徐文光施工执行标准名称及编号《给水排水管道工程施工及验收规范》 GB50268-2008地基验槽内容及简图经设计、建设、监理及施工等单位有关人员现场对管槽基底的土质、开挖尺寸、标高、坡度等进行了检查验收。
结论经检查,该段沟槽开挖深度、坡度、基底宽度均符合设计要求,基底平整,无洞穴、坑洼、松土及积水,基础持力层为粉质黏土夹石,基础承载力满足设计要求,验槽合格。
验收结论监理工程师(建设单位项目专业技术负责人)签名:年月日勘察单位代表(签名):年月日设计单位代表(签名):年月日施工单位项目专业质量检查员(签名):项目专业技术负责人(签名):年月日工程名称:壶镇溪东溪西区块污水零排放工程-新和村截污纳管项目编号:施工单位浙江正茂市政园林工程有限公司验收项目Y20-Y26管道沟槽基底分部(分项)工程名称给水排水管道工程项目经理徐文光施工执行标准名称及编号《给水排水管道工程施工及验收规范》 GB50268-2008地基验槽内容及简图经设计、建设、监理及施工等单位有关人员现场对管槽基底的土质、开挖尺寸、标高、坡度等进行了检查验收。
地基验槽(复验)记录(建)表 4. 1.5. 1 (DBJ3-56-) 共页第页附图及阐明:1、经建设、监理、勘察、设计、施工等有关单位对地基基槽进行验收。
地基土质、基槽尺寸、标高、轴线、持力层等均符合地质勘察报告及设汁规范规定。
地基验槽(复验)记录(建)表 4. 1.5. 1 (DBJ3-56-) 共页第页附图及阐明:1、经建设、监理、勘察、设计、施工等有关单位对地基基槽进行验收。
地基土质、基槽尺寸、标高、轴线、持力层等均符合地质勘察报告及设计规范规定。
2、基槽开挖长119米,基底开挖宽0.8米,开挖深度为1・85米,放坡1:0・55・地表勘察单位 设计单位 施工单位 监理单位项目负责人: 项目专业负责人: 项目技术负责人: 专业监理工程师:地基验槽(复验)记录附图及阐明:1、 经建设、监理、勘察、设计、施工等有关单位对地基基槽进行验收。
地基土质、 基槽尺寸、标高、轴线、持力层等均符合地质勘察报告及设计•规范规定。
2、基槽开挖长90米,基底开挖宽0.8米,开挖深度为1.88米,放坡1:0・55・经检查基底持力层为粘性土层、地基匀质、尺寸、标高、基土等符合图纸设计及施工规范规定。
工程名称 丹江唯牒番解决工施工单位湖北省工业建筑集团有限公司验槽部位 WD8-WA34段管沟验槽日期 10月25日地基土质状况 土质与地质勘察报告相符 基槽尺寸标高 基槽尺寸标高与施工图相符。
持力层设计规定持力层满足设计规定。
(建)表 4. 1. 5. 1 (DBJ3-56-) 共 页第 页施工单位初验结论 地表地基验槽(复验)记录(建)表4・ 1.5. 1 (DBJ3-56-) 共页第页附图及阐明:1、经建设、监理、勘察、设计、施工等有关单位对地基基槽进行验收。
地基土质、基槽尺寸、标高、轴线、持力层等均符合地质勘察报告及设计规范规定。
地基验槽(复验)记录(建)表 4. 1.5. 1 (DBJ3-56-) 共页第页附图及阐明:1、经建设、监理、勘察、设计、施工等有关单位对地基基槽进行验收。
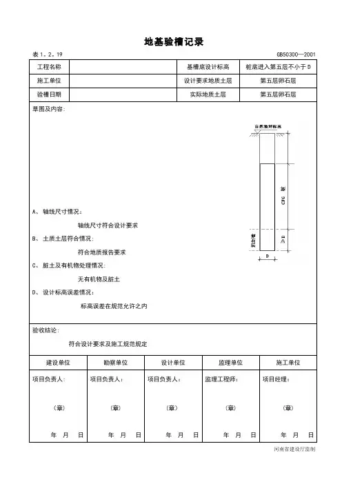
地基验槽记录
表1。
2。
19 GB50300—2001 工程名称基槽底设计标高桩底进入第五层不小于D 施工单位设计要求地质土层第五层卵石层
验槽日期实际地质土层第五层卵石层
草图及内容:
A、轴线尺寸情况:
轴线尺寸符合设计要求
B、土质土层符合情况:
符合地质报告要求
C、脏土及有机物处理情况:
无有机物及脏土
D、设计标高误差情况:
标高误差在规范允许之内
验收结论:
符合设计要求及施工规范规定
建设单位勘察单位设计单位监理单位施工单位
项目负责人:
(章)
年月日项目负责人:
(章)
年月日
项目负责人:
(章)
年月日
监理工程师:
(章)
年月日
项目经理:
(章)
年月日
河南省建设厅监制。
Q/CSG表BJ2—38—2 编号:TGY-DTQ—地基验槽(坑)检查记录Q/CSG表BJ2—38—1 编号:TGY—DTQ—地基验槽(坑)检查记录Q/CSG表BJ2—38-2 编号:TGY—DTQ-CD002Q/CSG表BJ2-38-1 编号:TGY-DTQ-CD003地基验槽(坑)检查记录Q/CSG表BJ2—38—2 编号:地基验槽(坑)检查记录Q/CSG表BJ2—38—1 编号:TGY—地基验槽(坑)检查记录Q/CSG表BJ2-38-2 编号:TGY—地基验槽(坑)检查记录Q/CSG表BJ2—38—1 编号:TGY-DTQ—地基验槽(坑)检查记录Q/CSG表BJ2—38-2 编号:TGY—DTQ—CD005地基验槽(坑)检查记录Q/CSG表BJ2-38-1 编号:TGY-DTQ—AB001地基验槽(坑)检查记录Q/CSG表BJ2-38-2 编号:TGY—地基验槽(坑)检查记录Q/CSG表BJ2—38—1 编号:TGY-DTQ-CD006地基验槽(坑)检查记录Q/CSG表BJ2—38—2 编号:TGY-DTQ-CD006地基验槽(坑)检查记录Q/CSG表BJ2-38—1 编号:TGY—DTQ—BC001地基验槽(坑)检查记录Q/CSG表BJ2-38—2 编号:TGY—DTQ—地基验槽(坑)检查记录Q/CSG表BJ2-38—1 编号:TGY-DTQ—HJK001地基验槽(坑)检查记录Q/CSG表BJ2-38—2 编号:TGY-DTQ—HJK001地基验槽(坑)检查记录Q/CSG表BJ2—38-1 编号:TGY—DTQ-MN001地基验槽(坑)检查记录Q/CSG表BJ2-38—2 编号:TGY-DTQ—地基验槽(坑)检查记录Q/CSG表BJ2-38-1 编号:TGY-DTQ-CD007地基验槽(坑)检查记录Q/CSG表BJ2—38—2 编号:TGY-DTQ—CD007地基验槽(坑)检查记录Q/CSG表BJ2—38—1 编号:TGY—DTQ-MN002地基验槽(坑)检查记录Q/CSG表BJ2-38—2 编号:TGY-DTQ—地基验槽(坑)检查记录Q/CSG表BJ2-38—1 编号:TGY—DTQ-MN003地基验槽(坑)检查记录Q/CSG表BJ2—38—2 编号:TGY-DTQ —MN003地基验槽(坑)检查记录Q/CSG表BJ2-38—1 编号:TGY—DTQ-KM001地基验槽(坑)检查记录Q/CSG表BJ2-38—2 编号:TGY—DTQ—地基验槽(坑)检查记录Q/CSG表BJ2-38—1 编号:TGY—DTQ-MN004地基验槽(坑)检查记录Q/CSG表BJ2—38-2 编号:TGY—DTQ-MN004地基验槽(坑)检查记录Q/CSG表BJ2-38—1 编号:TGY-DTQ-BC002地基验槽(坑)检查记录Q/CSG表BJ2-38-2 编号:TGY—DTQ—地基验槽(坑)检查记录Q/CSG表BJ2—38-1 编号:TGY—地基验槽(坑)检查记录Q/CSG表BJ2-38—2 编号:TGY—DTQ —KM002地基验槽(坑)检查记录Q/CSG表BJ2-38—1 编号:TGY—DTQ—KM003地基验槽(坑)检查记录Q/CSG表BJ2-38—2 编号:TGY-DTQ—地基验槽(坑)检查记录Q/CSG表BJ2—38—1 编号:TGY—DTQ-MN005地基验槽(坑)检查记录Q/CSG表BJ2-38-2 编号:TGY-DTQ-MN005地基验槽(坑)检查记录Q/CSG表BJ2—38—1 编号:TGY—DTQ—MN006地基验槽(坑)检查记录Q/CSG表BJ2-38—2 编号:地基验槽(坑)检查记录Q/CSG表BJ2-38-1 编号:TGY-DTQ—MN006。
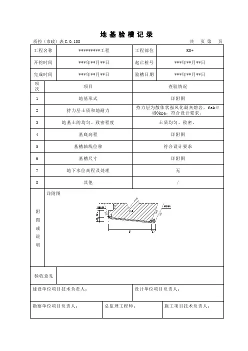
地基验槽记录
工程名称*********工程工程部位K0+
开挖时间***年**月**日
起止
桩号
***年**月**日
完成时间***年**月**日
验槽
日期
***年**月**日
项
次
项目查验情况1地基形式详附图
2持力层土质和地耐力持力层为散体状强风化凝灰熔岩,fak ≥450kpa,符合设计要求。
3地基土的均匀、致密程度土质均匀、致密。
4基底高程详附图
5基槽轴线位移符合设计要求6基槽尺寸详附图
7地下水位高程及处理无
8其他/
附
图
或
说
明
详附图
验收意
见
建设单位项目技术负责人:设计单位项目负责人:
勘察单位项目负责人:总监理工程师:施工项目技术负责人:。