喷涂打样记录表
- 格式:xls
- 大小:26.00 KB
- 文档页数:2
喷漆过程检测记录表
1. 背景
喷漆过程是制造业中常见的一项工艺,用于给产品表面涂上一层漆。
为了确保喷漆过程的质量和一致性,需要进行检测和记录。
2. 目的
本文档的目的是记录喷漆过程中的检测结果,以便后续分析和质量控制。
3. 检测内容
3.1 喷漆前检测
在进行喷漆之前,需要进行以下检测:
- 表面清洁程度:检查产品表面是否干净,无灰尘、油污等杂质。
- 表面平整度:检测产品表面是否平整,无凹凸不平的情况。
- 喷涂底漆:检查底漆的颜色和质量是否符合要求。
3.2 喷漆过程中检测
在喷漆过程中,需要进行以下检测:
- 喷涂厚度:使用涂层厚度测量仪器,检测涂层的厚度是否符
合要求。
- 喷涂均匀性:观察涂层的颜色和光泽,确保喷涂均匀无斑块。
- 干燥时间:记录每次喷涂后的干燥时间,以控制下一次涂层
的喷涂时机。
3.3 喷漆后检测
在喷漆完成后,需要进行以下检测:
- 外观检查:检查产品表面的漆膜是否平整、无气泡、流挂等
缺陷。
- 色差测试:使用色差仪器,检测产品表面颜色与标准颜色之
间的差异。
5. 结论
通过对喷漆过程的检测记录,我们可以掌握每个环节的质量情况,及时发现和解决问题,以确保喷漆过程的质量和一致性。
检测记录表是一项重要的质量控制工具,应当被认真填写和保留。
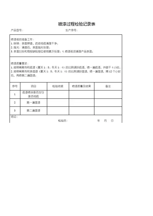
喷漆过程检测记录表
1. 检测记录概述
本文档记录了喷漆过程中的检测记录,包括喷漆前、喷漆中和喷漆后的各项检测指标。
2. 喷漆前检测记录
2.1 表面准备检测
- 检查表面是否平整,无明显凹凸或划痕。
- 检查表面是否清洁干燥,无灰尘、油脂或其他杂质。
2.2 喷漆材料准备检测
- 检查喷漆颜料是否充足,并确保颜色与要求一致。
- 检查喷漆稀释剂是否正确配比,以保证喷涂效果。
3. 喷漆中检测记录
3.1 喷涂厚度检测
- 使用喷涂厚度测量仪对喷涂层厚度进行测量,确保符合要求。
3.2 喷涂均匀性检测
- 目视检查喷涂表面是否均匀,无明显颜色差异或斑块。
4. 喷漆后检测记录
4.1 表面质量检测
- 目视检查喷漆表面是否光滑平整,无明显气泡、划痕或色差。
4.2 喷涂附着力测试
- 使用适当的附着力测试方法,检测喷涂层与基材之间的附着力。
5. 检测记录保存
- 所有检测记录应妥善保存,并按照规定的时间进行归档。
6. 结论
本文档提供了喷漆过程中的检测记录表,以确保喷漆作业的质量符合要求。
通过仔细执行检测记录中的各项指标,可以提高喷漆作业的效率和质量,并确保最终的喷漆结果符合预期。
喷涂工序检验记录表日期:[填写日期]
项目名称:[填写项目名称]
检验人员:[填写检验人员姓名]
1. 检验项目
1.1 喷涂前准备
- 涂装材料准备
- 喷涂设备准备
- 表面处理是否符合要求
1.2 喷涂过程
- 喷涂厚度是否符合要求
- 涂层均匀度是否符合要求
- 防止沉降、起泡以及流挂的程度是否符合要求1.3 喷涂完成后
- 喷涂表面质量是否满足要求
- 涂层附着力是否合格
- 颜色、光泽度是否符合要求
2. 检验方法
- 检验人员应按照相关标准和规范进行检验操作
- 对不同喷涂工艺,可使用适当的检验设备,如检测涂层厚度的测厚仪、评估涂层均匀度的光斑灯、评价表面质量的放大镜等
3. 检验结果记录
4. 检验结论
- 喷涂工序检验结果是否合格:[填写结果]
5. 检验意见及建议
[填写检验意见及建议]
6. 备注
[填写备注信息]
该检验记录表为喷涂工序的检验过程记录,用于验证喷涂工序
的质量控制是否符合要求。
在进行检验前,检验人员应熟悉相关标
准和规范,并使用适当的检验设备进行检测。
检验结果应真实可靠,需及时记录,并根据检验结果提出相应的意见和建议,以便进行改
进和优化。
*注意:以上检验记录仅供参考,具体检验项目和标准要求需
根据实际情况进行调整。
*。
喷涂检验记录表格检验员工作计划严格按照检验科“准确及时,优质服务,科学管理,持续改进”的工作质量方针,逐步建立或完善全面的质量管理体系,规范枝术操作规程,实事求是地认真做好室内质控和室间质控,确保检验结果的准确度和真实性。
进一步深入开展程序化温馨服务活动,做好窗口服务工作开展科室内程序化温馨服务教育,进一步转变服务理念。
第一:礼貌待患,真诚帮助;第二:发挥作用,服务临床;第三:窗口整洁,环境优雅;第四:严肃认真,确保质量;第五:团队协作,共同发展。
临床检验作为窗口科室,每天接触大量患者,窗口标本采集,患者排队等候,环境有些混乱。
要求全科同事积极维护良好的窗口形象。
争取在检验窗口建立导医服务系统,争取建立标本采集叫号系统,以及建立报告单发放自助打印系统。
1、完善科室内部细节化管理,使科室的每一项规章制度均能落实到实处,贯穿到科室工作的每一个环节。
2、优化门诊患者取报告单流程,使患者花最少的时间,跑最少的路,拿到最及时的检验报告。
3、实行各窗口微笑服务,使就诊患者从精神上感受到温暖,减轻心理压力。
实验室质量控制是检验重要工作,为提高检验质量,计划选派人员参加卫生部实验室质量控制培训班。
在作好室内质量控制的基础上,继续参加省、卫生部两级质量评价活动,确保成绩合格,所有的参评项目还要保持多年的“一单通”资格,全面提高检验质量。
继续严格执行实验室内部安全检查制度,每天有专人安全检查、签字登记,保障实验室人员和物资设备安全运行。
严格执行实验室生物安全管理制度,专人负责实验室生物安全以及院内感染控制的管理。
血库是检验科下属的二级学科实验室,血库负责人是检验科任命的实验室负责人,专门负责输血管理,减少参与输血检验操作的工作人员,血库工作人员经过技术培训和安全教育。
输血作为一个独立学科,具有很强的专业性,也是需要在医院输血管理委员会的领导下,临床和医技齐抓共建的一个学科。
建立和完善独立的输血科,加强输血管理,是重点工作。