人行道铺装检验批质量验收记录表格模板
- 格式:doc
- 大小:27.00 KB
- 文档页数:1
土工布人行道板沥青检验批质量检验记录工程名称:XX工程施工单位:XX建筑工程有限公司检验日期:2024年7月1日一、土工布检验记录1.材料名称:土工布2. 材料规格:宽度5m,厚度0.5mm3.检验项目:a)规格尺寸:宽度、厚度、重量b)力学性能:抗拉强度、抗撕裂强度c)耐化学腐蚀性能:抗酸碱性d)其他特殊性能:透水性、透气性等4.检验结果:a)规格尺寸合格b)力学性能:抗拉强度≥15MPa,抗撕裂强度≥150Nc)耐化学腐蚀性能:抗酸碱性合格d)其他特殊性能合格5.检验结论:本批土工布符合设计要求,合格。
二、人行道板检验记录1.材料名称:人行道板2.材料规格:长度2m,宽度0.3m,厚度0.1m3.检验项目:a)规格尺寸:长度、宽度、厚度b)抗冻性能:不破裂、无明显锈蚀c)抗压强度:不破碎、无明显裂缝d)其他特殊性能:耐磨性、防滑性等4.检验结果:a)规格尺寸合格b)抗冻性能合格c)抗压强度合格d)其他特殊性能合格5.检验结论:本批人行道板符合设计要求,合格。
三、沥青检验记录1.材料名称:沥青2.材料规格:粘度级别SBS120/1503.检验项目:a)规格尺寸:外观、颜色、粘度b)抗拉强度:≥0.5MPac)接触粘度:≥20sd)其他特殊性能:耐高温性、耐酸碱性等4.检验结果:a)规格尺寸合格b)抗拉强度合格c)接触粘度合格d)其他特殊性能合格5.检验结论:本批沥青符合设计要求,合格。
综上所述,本次土工布、人行道板、沥青的检验结果均符合设计要求,合格。
施工单位应按照规范要求进行下一步施工工作,确保工程质量的稳定和可靠。
同时,质检部门应密切监督施工过程,及时发现并解决施工中的质量问题,确保工程顺利进行。
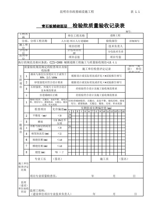
人行道铺装检验批质量验收记录表工程名称 分部工程名称 施工单位 施工执行标准 名称及编号质量验收规范的规定 (CJJ2-2008)主20.8.7-1控 1人行道结构材质和强度应 项 符合设计要求。
条目检查项目允许偏差( mm )1人行道边缘平面偏位5 一般 2纵向高程± 10项 0目3 接缝两侧高差24 横坡 ± 0.3%5平整度5一般项目合格率平均值(%)施工单位 检查评定结果验收部位施工班组长专业工长项目经理监理(建设) 施工单位检查评定记录单位验收记录实测值或实测偏差值 (mm)1 23 4应测合格 合格点数 点数 率 (%)项目专业质量检查员 :年月日监理(建设) 单位验收结论监理工程师:(建设单位项目技术负责人)年 月 日人行道铺装质量检验标准20.8.7 人行道质量检验应符合下列规定:主控项目1.人行道结构材质和强度应符合设计要求。
检查数量:全数检查。
检查方法:检查产品合格证和试件强度试验报告一般项目1.人行道铺装允许偏差应符合表20.8.7 的规定。
表 20.8.7 人行道铺装允许偏差检验频率项目允许偏差( mm)检验方法范围点数人行道边缘平面偏位 5 2 用 20m线和钢尺量纵向高程±102 0接缝两侧高差 2 每 20m一 3 用水准仪测量个断面横坡±0.3% 3平整度53用3m直尺、塞尺量。
工程名称 宜兴市和桥彭城南路新建工程分部工程名称 道路工程施工单位 江苏缘恒建设有限公司 施工执行标准 名称及编号质量验收规范的规定 (CJJ2-2008)主20.8.7-1控 1人行道结构材质和强度应 项 符合设计要求。
条目检查项目允许偏差(mm )1人行道边缘平面偏位5 一般 2纵向高程± 10 项 0目32接缝两侧高差4 横坡 ±0.3%5平整度5一般项目合格率平均值(%)施工单位检查评定结果验收部位 K0+040— K0+060施工班组长专业工长项目经理监理(建设) 施工单位检查评定记录单位验收记录实测值或实测偏差值 (mm) 1234应测 合格 合格 点数 点数 率 (%)项目专业质量检查员 :年月日监理(建设)单位验收结论监理工程师:(建设单位项目技术负责人)年 月 日工程名称宜兴市和桥彭城南路新建工程分部工程名称道路工程施工单位江苏缘恒建设有限公司施工执行标准 名称及编号质量验收规范的规定 (CJJ2-2008)主20.8.7-1控 1人行道结构材质和强度应 项 符合设计要求。
条目检查项目允许偏差(mm )1人行道边缘平面偏位5 一般 2纵向高程± 10 项 0目32接缝两侧高差4 横坡 ±0.3%5平整度5一般项目合格率平均值(%)施工单位检查评定结果验收部位 K0+060— K0+080施工班组长专业工长项目经理监理(建设) 施工单位检查评定记录单位验收记录实测值或实测偏差值 (mm) 1234应测 合格 合格 点数 点数 率 (%)项目专业质量检查员 :年月日监理(建设)单位验收结论监理工程师:(建设单位项目技术负责人)年 月 日工程名称宜兴市和桥彭城南路新建工程分部工程名称道路工程施工单位江苏缘恒建设有限公司施工执行标准 名称及编号质量验收规范的规定 (CJJ2-2008)主20.8.7-1控 1人行道结构材质和强度应 项 符合设计要求。
人行道砖铺设单元工程质量评定表格1 / 1水利水电工程表人行道砖铺设单元工程质量评定表单位工程名称 广州市荔湾区葵蓬涌整改工程单元工程量 165m2分部工程名称 堤身防范 检验日期 2010年 7月 1日单元工程名称.部位北 0+~北 0+段 评定日期2010年 7月 1日人行道砖铺设项 检查项目质量标准检验记录次1△人行道砖的质 吻合规定要求吻合设计要求量2△槽底基础和后 必定夯打密实吻合设计要求背填料坚固、顶面平展,缝宽均匀,3安砌情况勾缝密实,线条直顺,曲线 吻合设计要求圆滑雅观项赞同偏差合格数 合格检测项目实测值率次(mm)(点)(%)1直顺度15 11,13,14,17,10,9,8,12,7,9112 相邻两块高差3 1,3,2,5,2,4,4,2,3, 2 83相邻两块缝宽±3-2, -1,2,4, 2,21,-2,-4,2,384 顶面高程±106,11,5,4,-8,6,12,-7,-5,68检测结果共检测 40 点,其中合格 33 点,合格率%。
质量 项目法人(监理单位)鉴定质施工单位自评建议复核建议量等级等级主要检查项目全部吻合质量标准,一般检查项目吻合合格标准。
检测项目实测点合格率%。
合格施工单位名称山东省引黄济青建筑安装总公司项目法人(监理单位) 肇庆西江水电监理有限公司测量员 初检负责人 终检负责人名称鉴定人。