人行道检验批质量验收记录(最新版)
- 格式:xlsx
- 大小:16.68 KB
- 文档页数:1
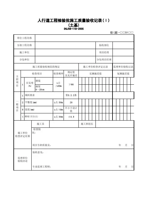
人行道铺装检验批质量验收记录表工程名称 分部工程名称 施工单位 施工执行标准 名称及编号质量验收规范的规定 (CJJ2-2008)主20.8.7-1控 1人行道结构材质和强度应 项 符合设计要求。
条目检查项目允许偏差( mm )1人行道边缘平面偏位5 一般 2纵向高程± 10项 0目3 接缝两侧高差24 横坡 ± 0.3%5平整度5一般项目合格率平均值(%)施工单位 检查评定结果验收部位施工班组长专业工长项目经理监理(建设) 施工单位检查评定记录单位验收记录实测值或实测偏差值 (mm)1 23 4应测合格 合格点数 点数 率 (%)项目专业质量检查员 :年月日监理(建设) 单位验收结论监理工程师:(建设单位项目技术负责人)年 月 日人行道铺装质量检验标准20.8.7 人行道质量检验应符合下列规定:主控项目1.人行道结构材质和强度应符合设计要求。
检查数量:全数检查。
检查方法:检查产品合格证和试件强度试验报告一般项目1.人行道铺装允许偏差应符合表20.8.7 的规定。
表 20.8.7 人行道铺装允许偏差检验频率项目允许偏差( mm)检验方法范围点数人行道边缘平面偏位 5 2 用 20m线和钢尺量纵向高程±102 0接缝两侧高差 2 每 20m一 3 用水准仪测量个断面横坡±0.3% 3平整度53用3m直尺、塞尺量。
自动扶梯自动人行道土建交接检验检验批质量验收记录自动扶梯和自动人行道是现代城市交通工具中常见的设备之一,其重要性和使用范围不言而喻。
为了确保自动扶梯和自动人行道的安全和质量,土建交接检验是非常重要的一步。
土建交接检验主要是对自动扶梯和自动人行道的基础和结构进行检查和验收,以确保其符合国家和地方的相关标准和要求。
本文将详细介绍自动扶梯、自动人行道土建交接检验的具体内容和相关质量验收记录。
首先,对自动扶梯和自动人行道的基础进行检验。
检查以下内容:基础的垂直度和水平度是否符合要求,基础的强度是否满足设计要求,地下排水系统是否正常运行等。
同时,还需要对基础的建设进行验收记录,如基础开挖情况、土方回填情况、基础混凝土浇筑质量等。
其次,对自动扶梯和自动人行道的结构进行检验。
检查以下内容:结构的坚固程度是否符合要求,结构的拆装是否便捷,机械连接件的质量是否合格等。
同时,还需要对结构的建设进行验收记录,如结构钢梁安装情况、结构支撑系统情况、结构整体安装质量情况等。
第三,对自动扶梯和自动人行道的运行系统进行检验。
检查以下内容:运行系统的是否灵活,运行速度是否稳定,安全保护装置是否齐全等。
同时,还需要对运行系统的建设进行验收记录,如电气系统的布局情况、控制系统的安装质量、电缆敷设情况等。
最后,对自动扶梯和自动人行道的安全保护装置进行检验。
检查以下内容:安全装置的有效性,紧急停机按钮的是否灵敏,防滑装置的是否正常等。
同时,还需要对安全保护装置的建设进行验收记录,如紧急停机按钮的安装位置和数量、防护栏材质和固定情况等。
土建交接检验检验批质量验收记录要详细记录上述检验内容和结果。
对于不符合要求的地方,要提出整改意见和措施,并追踪整改情况。
同时,还需要对验收记录进行签字和盖章,以确认验收的有效性和真实性。
总之,自动扶梯和自动人行道的土建交接检验是确保其质量和安全的关键一步。
本文对该检验的具体内容和质量验收记录进行了详细介绍,希望能够对相关人员的工作有所帮助。
工程名称 宜兴市和桥彭城南路新建工程分部工程名称 道路工程施工单位 江苏缘恒建设有限公司 施工执行标准 名称及编号质量验收规范的规定 (CJJ2-2008)主20.8.7-1控 1人行道结构材质和强度应 项 符合设计要求。
条目检查项目允许偏差(mm )1人行道边缘平面偏位5 一般 2纵向高程± 10 项 0目32接缝两侧高差4 横坡 ±0.3%5平整度5一般项目合格率平均值(%)施工单位检查评定结果验收部位 K0+040— K0+060施工班组长专业工长项目经理监理(建设) 施工单位检查评定记录单位验收记录实测值或实测偏差值 (mm) 1234应测 合格 合格 点数 点数 率 (%)项目专业质量检查员 :年月日监理(建设)单位验收结论监理工程师:(建设单位项目技术负责人)年 月 日工程名称宜兴市和桥彭城南路新建工程分部工程名称道路工程施工单位江苏缘恒建设有限公司施工执行标准 名称及编号质量验收规范的规定 (CJJ2-2008)主20.8.7-1控 1人行道结构材质和强度应 项 符合设计要求。
条目检查项目允许偏差(mm )1人行道边缘平面偏位5 一般 2纵向高程± 10 项 0目32接缝两侧高差4 横坡 ±0.3%5平整度5一般项目合格率平均值(%)施工单位检查评定结果验收部位 K0+060— K0+080施工班组长专业工长项目经理监理(建设) 施工单位检查评定记录单位验收记录实测值或实测偏差值 (mm) 1234应测 合格 合格 点数 点数 率 (%)项目专业质量检查员 :年月日监理(建设)单位验收结论监理工程师:(建设单位项目技术负责人)年 月 日工程名称宜兴市和桥彭城南路新建工程分部工程名称道路工程施工单位江苏缘恒建设有限公司施工执行标准 名称及编号质量验收规范的规定 (CJJ2-2008)主20.8.7-1控 1人行道结构材质和强度应 项 符合设计要求。
人行道透水砖检验批质量验收记录这几天,正好碰上人行道透水砖的检验批质量验收,真是让我大开眼界。
说实话,刚开始我还以为这种事儿就是砖头一铺好,检查一下就行了,哪知道里面学问大着呢!你想啊,这透水砖,可不简单,既得考虑美观,也得考虑实用,关键是还得考虑透水性和承重性。
这一检查下来,我才意识到这透水砖的世界,可不仅仅是铺铺砖那么简单。
哎呀,咋说呢,这砖虽然看起来就像是一块块普通的小方砖,可它的背后,却藏着满满的知识和讲究呢!首先说说这个“透水”吧。
你想,咱们生活中大大小小的雨天一来,水往往都像个调皮的孩子,跑得哪儿都去,溅得到处都是。
结果一不小心,水就漫过了人行道,弄得大家走路都得小心翼翼的。
透水砖的作用,基本上就是让这些水不再像流浪的猫一样四处乱窜,而是能通过砖缝儿慢慢渗透到地下,既能避免积水,也能帮助地下水的补给。
简直是雨天行人的福音!不过,透水砖要是真的透水不好,那可是大问题,大家都得被坑得团团转。
所以,验收时得把这个透水性给仔细查清楚。
再说了,砖头可不能只考虑透水性,得看它的承重性。
试想,大家平时走路,车来车往,光是人的体重,也得给砖头带来一些压力。
尤其是大街上那车水马龙的,行人和车辆的重量对砖的要求可高着呢!我那天就看见,有个师傅拿了个标准的测试设备来,一下压在砖上,结果砖头顶住了,没啥事儿,这才叫合格。
要是砖不耐压,时间一长,砖缝都给压坏了,结果就会造成砖面不平,影响行走的舒适度。
这些事,谁都不愿意遇到,可一旦出现了,那可就麻烦大了。
不过,看似细小的砖块,其实背后需要的技术含量可不低。
光是透水砖的材质,就得仔细挑选,特别是原料的质量,必须得符合要求。
如果砖的材料不对,透水性就差,反倒容易产生积水、渗水不畅的情况。
砖和砖之间的缝隙,得有个标准宽度,太宽了不好,太窄了又影响透水性,能做到恰到好处的才是好砖。
嘿,大家想必也能感受到这个透水砖的质量验收,真不是说说那么简单的。
每一步都得小心翼翼,确保万无一失。
沥青人行道检验批质量验收记录
项目名称: [项目名称] [项目名称]
检验批次: [检验批次号] [检验批次号]
检验日期: [检验日期] [检验日期]
检验单位: [检验单位] [检验单位]
施工单位: [施工单位] [施工单位]
监理单位: [监理单位] [监理单位]
一、背景
在项目进程中,涉及到了沥青人行道的施工工作。
为确保施工质量符合相关要求,进行了质量验收检验。
二、检验内容
1. 沥青人行道表面平整度检验
2. 沥青人行道厚度检验
3. 沥青人行道密实度检验
4. 沥青人行道材料标识检验
5. 沥青人行道交界处检验
三、检验结果
经过对以上检验内容的检测,得出以下结果:
1. 沥青人行道表面平整度:符合设计要求。
2. 沥青人行道厚度:符合设计要求。
3. 沥青人行道密实度:符合设计要求。
4. 沥青人行道材料标识:符合设计要求。
5. 沥青人行道交界处:无明显问题。
四、质量验收结论
根据对沥青人行道的质量验收检验结果,经过综合评估,认为该检验批次的施工质量达到或超过了设计要求,并可以正式验收。
五、评定人员
检验人员: [检验人员姓名] [检验人员姓名]
评定人员: [评定人员姓名] [评定人员姓名]
六、备注
任何异常或特殊情况的记录和描述。
以上为沥青人行道检验批质量验收记录的内容。
请注意:
- 检验报告及相关检验数据应保存备案。
- 如有其他需要,请咨询相关部门。
人行道检验批质量验收记录一、项目概述人行道作为城市基础设施的一部分,对于行人出行的安全和便利起着重要的作用。
因此,在建设过程中,对人行道的质量进行严格的验收是必要的。
二、验收目的人行道检验批质量验收的目的是确保人行道施工质量符合相关标准和规范,达到安全、美观、实用的要求,保障行人出行的质量。
三、验收内容1. 施工单位信息施工单位名称、联系人、联系电话等信息。
2. 工程概况人行道的位置、长度、宽度、厚度等基本信息。
3. 施工材料验收施工材料的合格证明文件,包括水泥、砂浆、砂石、钢筋等。
4. 施工工艺验收施工工艺的合规性,包括平整度、坡度、坡口、抹灰等。
5. 施工质量验收施工质量的符合性,包括地面硬度、平整度、表面平滑度等。
6. 排水设施验收排水设施的合理性和完善性,包括雨水落水口、排水沟等。
7. 特殊注意事项需要特别注意的施工细节和要求,如施工过程中对周边环境的保护等。
四、验收流程1. 准备提前通知施工单位,确认验收时间,并准备验收所需的文件和工具。
2. 验收人员到场验收人员到达现场,核实施工单位信息,并进行初步检查。
3. 材料检查验收人员检查施工材料的合格证明文件,核对材料规格和数量。
4. 工程概况检查验收人员核实人行道的位置、长度、宽度和厚度等基本信息。
5. 施工工艺检查验收人员检查人行道的平整度、坡度、坡口和抹灰等施工工艺是否符合要求。
6. 施工质量检查验收人员检查人行道的地面硬度、平整度和表面平滑度等施工质量是否符合要求。
7. 排水设施检查验收人员检查雨水落水口、排水沟等排水设施是否合理完善。
8. 特殊注意事项检查验收人员核实施工过程中是否注意了周边环境的保护,并提出意见和建议。
9. 验收结论根据以上各项检查结果,验收人员根据实际情况做出验收结论。
五、验收结论1. 合格如果人行道的施工质量和工艺符合要求,材料、设备完备,排水设施合理完善,则验收结论为合格。
2. 不合格如果人行道的施工质量和工艺不符合要求,材料、设备不完备,排水设施不合理完善,则验收结论为不合格。