星级酒店餐饮部工作流程实用标准图
- 格式:docx
- 大小:291.06 KB
- 文档页数:11
酒店标准流程
酒店标准流程
食品原料、物料请购审批标准流程适用岗位厨师长、行政总厨
协调、配合部门财务部、采供、仓管签发
酒店标准流程
餐厅卫生清洁工作标准流程适用岗位餐厅主管协调、配合部门厨房水台、餐厅服务员签发
酒店标准流程
中餐点菜服务标准流程适用岗位餐饮部领班、服务员协调、配合部门签发
酒店标准流程
酒店标准流程
送餐工作标准流程适用岗位餐厅服务员
协调、配合部门客房部、厨房、收银员签发
酒店标准流程
宴会接待标准流程适用岗位餐饮部领班、服务员、迎宾协调、配合部门签发
酒店流程流程
酒吧工作标准流程适用岗位吧台酒水管理员协调、配合部门签发
精心打造未来11。
程流店标准酒
厨师长、行政总厨总厨工作标准流程适用岗位
签发协调、配合部门采供部、
酒店标准流程
厨师长、行政总厨适用岗位食品原料、物料请购审批标准流
程协调、配合部门财务部、采供、仓管签发
酒店标准流程
餐厅主管适用岗位餐厅卫生清洁工作标准流程签发协调、配合部门厨房水台、餐厅服务员
酒店标准流程
中餐点菜服务标准流程适用岗位餐饮部领班、服务员签发协调、配合部门
酒店标准流程
餐厅服务员适用岗位零点服务工作标准流程签发协调、配合部门厨房、收银员
酒店标准流程
餐厅服务员适用岗位送餐工作标准流程签发协调、配合部门客房部、厨房、收银员
酒店标准流程
宴会接待标准流程适用岗位餐饮部领班、服务员、迎宾签发协调、配合部门
酒店流程流程
酒吧工作标准流程适用岗位吧台酒水管理员签协调、配合部门发。
餐饮部业务流程
一、传菜工作流程
二、餐饮零点客人服务流程
三、餐饮宴会服务流程四、团队用餐服务流程
五、退换食品服务流程
六、退换酒水服务流程
七、送餐服务流程
八、酒水、饮料领用工作流程
九、宴会酒水工作流程
十、厨房原料领用工作流程
十一、粗加工流程
十二、厨房生产、十二、厨房生产、出品流程开始食品原材料粗加工、细加工厨房接单切配烹调打荷传菜核对菜品错对出菜结束
十三、餐具清洁消毒流程开始除渣清洗、消毒整理、检查(将有污渍、破损餐具捡出来)营业结束营业中必要时送至餐厅、清洁餐具及时随时使用的餐具分类放入餐具柜暂时不用的餐具收回餐具库结束。
总经理助理每日工作流程1、每日9:30上班, 9:20之前打卡,更换工作服,进入工作状态。
2、9:20~ 10:30,巡查各楼层营业区域的卫生情况,督促楼层经理仔细检查各项区域卫生包括:地面、墙壁、垃圾桶、花盆、装饰物及公共卫生间卫生等。
3、检查门童工作。
酒店大门前卫生、四周停车场卫生、各区域的消防设备实施情况及消防监控室设备实施是否正常运作。
4、检查PA保洁的工作特别是客用洗手间、开餐前必须进行彻底的检查卫生清洁情况是否彻底干净,有无水迹、异昧、洗手液、擦手纸等准备是否到位,有无与工作无关的物品出现在视线围。
5、10:30~11:00,工作午餐6、11:05主持召开餐前前厅全体工作会议,详细布置午餐的工作。
9、11 :15~13:30,开餐期间的工作。
(1)开餐前期时,在对己有预定的比较重要的包间,带领楼面经理、领班进一步进行检查准备是否充分。
(2)开餐前期上客时,应站立于一楼门厅迎接重要的客人,并送至包间与之沟通。
(3)餐中不间断进行巡视检查,现场督导楼面经理的工作,协调前后场之间的工作。
(4)对于重要的客人用餐的包厢要多加巡视,进行现场服务,并适时与顾客沟通,征求意见与建议,了解客人就餐情况。
(5)及时了解厨房出菜情况并进行跟踪,对于对讲机催菜的包间要及时与厨师长进行沟通加快。
(6)如有客人要求出面打招呼时,不能以任何理由推脱,要及时出面与顾客交流。
如因为菜肴质量问题时,要及时解决,主动道歉并全程跟踪。
(7)在结账高峰时,要多关注收银台的情况,如有较忙时要合理安排收银员与服务员的结账顺序要求等;对于客人要求打折签单等情况,如楼面经理解决不了时要及时进行解决。
(8)开餐后期对于重要的客人要主动送客至一楼门外汽车上,待客人离开后方可回到店。
(9)了解各楼层的收尾工作,督促楼面经理进行收尾工作,当餐的工作必须当餐完成,绝不允许留至下餐或第二天收尾。
(10)了解当餐的营业状况及营收情况,并做好记录,督促收银员把收银款交银行或财务部门。
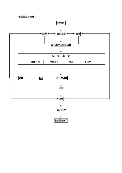
餐饮部工作流程:
改进后餐饮部工作流程:
改进流程图说明:
接到客人的预订后,确定客人的用餐要求,制定符合客人需求的用餐标准,为客人提供他们真正所需的服务。
为客人上完菜后,应在客人用餐时注意客人的用餐情况,随时为客人提供服务,不应该让客人在需要帮助的时候找不到服务员,且应注意观察餐桌上的客人,分清主次客人,以便提供更为细致入微的服务。
客人用完餐后,应向客人询问他们的用餐感受,在服务、菜品等上有什么意见或建议,收集客人的看法,促进酒店餐饮部进步。
酒店餐饮部岗位流程一、服务部工作流程1、例会流程2、备餐工作流程3、迎客工作流程4、餐前服务工作流程5、点菜点酒服务流程6、席间服务流程7、餐后服务流程8、结账9、送客的作业流程10、收餐复台作业流程11、闭餐的作业工作流程二、酒水部工作流程1、例会流程2、备餐工作流程3、出品、传递作业流程4、餐后整理作业流程5、闭餐的作业工作流程三、迎宾部工作流程1、例会流程2、餐前准备工作流程3、引领流程4、送客工作流程5、闭餐工作流程四、预订部工作流程1、例会流程2、餐前准备工作流程3、预定工作流程4、预定变更流程5、取消预订流程6、闭餐工作流程五、传菜部工作流程1、例会流程2、餐前准备工作流程3、餐品传递工作流程4、撤台工作流程5、收餐工作流程6、闭餐工作流程六、西餐服务部工作流程一、服务部工作流程1.例会例会流程2.备餐备餐工作流程3.迎客迎接客人的作业流程4、餐前服务餐前服务工作作业流程5、点菜、点酒点菜点酒服务的作业流程6.席间服务席间服务的作业流程7.结账8.餐后服务9.送客送客的作业流程10.收餐复台收餐复台作业流程11.闭餐闭餐的作业工作流程二、酒水部工作流程1例会例会流程2备餐备餐工作流程3出品、传递出品、传递作业流程4餐后整理8闭餐闭餐的作业工作流程三、迎宾部工作流程1.例会例会流程2.餐前准备餐前准备工作流程3.领位领位的作业流程4.送客送客的作业流程5.闭餐闭餐的作业工作流程四、预定部工作流程1.例会例会流程1.接听电话及准备工作餐前准备及电话预定作业流程2.接待到店预定顾客接待到店预订顾客作业流程3.传达预定修改、取消信息预定更改作业流程预订取消的作业流程4.闭餐闭餐的作业工作流程五、传菜员工作流程1、例会例会流程2、餐前准备餐前准备作业流程3、传递菜品菜品传递作业流程4、协助服务员撤台撤台作业流程5、收市收市作业流程6、闭餐闭餐的作业工作流程七、西餐服务员流程。
酒店标准流程
酹师氏根据生产纾营情况,M LHA 写取物冲屮购单送求侯部
总厨工作标准流程
适用岗位
厨师长、行政总厨
协调、配合部门
米供部、
调料由采供部 签.合略即签
不需加工的羸 糾门€ i!部号 员直送廚龙验
需駅匸的原啣选 送粗加工聆签. 合格石皱发领货
粗加工右的原斜再 送啓房验签合再盤 ? ■进诉佐证白尿 冈保菅
旳W
逍入1 ”占 墩的扁料 中即仰帝
交,配菜 迪:也濒 费单3 数同匸L 冰优曲r
屮两点也
牛加丽R
配乌制疋 需墩的育入”麻妊 无
砧工料进菜档做承
酒店标准流程
酒店标准流程
协调、配合部门
厨房水台、餐厅服务员
签 发
餐厅卫生清洁工作标准流程
适用岗位
餐厅主管
%
L r
T
保
按
用门删
n
管业中应将 卄业络克应 洗净的餐耐 将洗净的餐 冥及时送至 国耳存放换 警厅厨瞒 定的厨中
如经牛一决枫怙况泮K
«1佥库作详细记录
酒店标准流程
中餐点菜服务标准流程适用岗位餐饮部领班、服务员协调、配合部门
酒店标准流程
酒店标准流程
送餐工作标准流程适用岗位餐厅服务员协调、配合部门客房部、厨房、收银员签发
宴会接待标准流程协调、配合部门酒店标准流程
适用岗位餐饮部领班、服务员、迎宾
酒店流程流程。