钢结构制作检验批工程质量检查记录表
- 格式:doc
- 大小:286.50 KB
- 文档页数:9
钢结构工程检验批质量验收记录表全套钢结构焊接工程检验批质量验收记录工程名称:XXX环境集烟系统综合处理项目总包单:XXX分包单:XXX检验部位:45万方钢结构平台监理:项目经理施工单位检查记录:1.焊材与母材必须相互匹配,并按要求烘焙存放。
按照施工质量验收规范规定,焊条、焊丝、焊剂、电渣焊熔嘴等焊材与母材的匹配应符合行业标准81规定。
同时,焊接材料应按产品说明书及焊接工艺文件的规定进行烘焙和存放。
2.焊工必须考试合格并取得合格证书。
持证焊工必须在其考试合格项目及其认可范围内施焊。
3.施工单位对首次采用的钢材、焊接材料、焊接方法,焊后热处理等应进行焊接工艺评定,并应根据评定报告确定焊接工艺。
4.设计要求全焊透的一、二级焊缝应采用超声波探伤进行内部缺陷检验。
不能对缺陷作出判断时,采用射线探伤。
5.T型、十字、角接接头要求熔透的对接和角对接组合焊缝设计有疲劳验算要求的吊车梁或类似构件的腹板与上翼缘连接焊缝应为≥t/40~4mm4.6.焊缝表面不得有裂纹、焊瘤等缺陷。
一、二级焊缝不得有表面气孔、夹渣、弧坑裂纹、电弧擦伤等缺陷。
且一级焊缝不得有咬边、未焊满、根部收缩等缺陷。
焊缝表面无裂纹、气孔、夹渣、焊瘤等缺陷。
焊工有焊工证,符合设计以及规范要求。
7.对于需要进行焊前预热或焊后热处理的焊缝,其预热或后热温度应符合国家现行标准的规定或通过工艺试验确定。
预热区在焊道两侧,每侧宽度均应大于焊件厚度的1.5倍,且不小于100mm。
后热处理应在焊后立即进行,保温时间应根据板厚按每25mm板厚1h确定。
8.焊缝凹形的角焊缝,焊缝金属与母材间应平缓过渡。
加工成凹形的角焊缝,不得在其表面留下切痕。
9.焊缝感观应达到:外形均匀成型好,焊道与焊道、焊道与基础金属间过渡平滑,焊渣和飞溅物基本清除干净。
10.二、三级焊缝外观质量标准应符合规范规定。
三级对接焊缝应按二级焊缝标准进行外观质量检验。
以上记录符合执行企业标准名称及编号《钢结构工程施工质量验收规范》GB-2001的要求。
钢结构工程检验批质量验收记录表旁站监理方案本文介绍了钢结构零部件加工工程的检验批质量验收记录表,以及钢构件组装工程检验批质量验收记录表。
其中,钢结构天桥和吊车梁(桁架)是本文中需要进行验收的两个部位。
钢结构零部件加工工程检验批质量验收记录表中,需要检验的内容包括材料品种、规格、钢材复验、切面质量、矫正和成型、边缘加工和制孔等方面。
具体的验收标准和规定在表格中有详细说明。
钢构件组装工程检验批质量验收记录表中,需要检验的内容包括焊接H型钢接缝、焊接H型钢精度、焊接组装精度、顶紧接触面、轴线交点错位、焊缝坡口精度、铣平面保护和外形尺寸等方面。
同样,具体的验收标准和规定在表格中有详细说明。
在进行验收时,需要由专业工长(施工员)进行检查评定,并由施工单位进行检查评定记录。
如果符合验收标准和规定,则为合格,否则为不合格。
最后,本文提供了监理(建设)单位验收结论的空白表格,需要由专业监理工程师进行填写,并由建设单位项目专业技术负责人进行签字确认。
总之,本文提供了一份完整的钢结构零部件加工工程和钢构件组装工程的验收记录表格,有助于确保工程质量的合格性。
项目经理XXX加强分包项目经理施工执行标准名称及编号为《钢结构工程施工质量验收规范》(GB-2001)。
其中,多层板叠螺栓孔第9.2.1条规定施工单位检查评定记录监理(建设)单位验收记录通过率应达标。
经检查,主控项目符合要求,一般项目抽样检查均符合设计及规范要求。
针对涂料性能第4.9.1条,涂装基层验收、涂层厚度、涂料质量、表面质量、附着力测试、标志等方面的验收,施工单位检查评定记录应符合设计标准要求。
经检验,涂层符合要求,无结皮、结块、误涂、漏涂,标志清晰。
施工班组长表示主控项目检验合格,一般项目抽样检验符合设计及规范要求。
针对钢结构防火涂料涂装工程的验收,施工单位检查评定记录应符合《钢结构工程施工质量验收规范》(GB-2001)的规定。
涂层表面质量的验收应符合第14.3.6条。
钢结构工程检验批质量验收记录表
施工测量放线报验单工程名称:贡山县丹当公园修复(二期)工程
土方开挖工程检验批质量验收记录表TJ4.1.1
钢结构零件及部件加工工程检验批质量验收记录
GB50202-2001
钢结构零件及部件加工工程检验批质量验收记录
GB 50205-2001
钢结构防火涂料涂装工程检验批质量验收记录
钢结构制作(安装)焊接检验批质量验收记录
钢构件(钢梯、平台及栏杆)安装检验批质量验收记录表
T
防腐涂料涂装检验批质量验收记录表
技术交底记录GJ1.4
注:本记录一式两份,一份交接受交底人,一份存档。
结构工程质量控制资料核查表GJ1.7
钢结构工程观感质量检查记录GJ1.9
焊缝检查记录GJ2.3.1(通用表)(强制性条文检查通用表)。
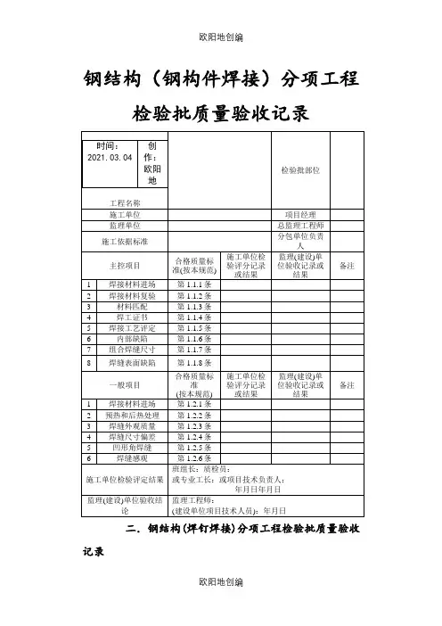
钢结构(钢构件焊接)分项工程检验批质量验收记录表J.0.1 工程名称检验批部位施工单位项目经理监理单位总监理工程师施工依据标准钢结构工程质量验收规范(GB50205-2001)分包单位负责人主控项目合格质量标准(GB50205-2001)施工单位检验评分记录或结果监理(建设)单位验收记录或结果备 注1 焊接材料进场第4.3.1条2 焊接材料复验第4.3.2条3 材料匹配第5.2.1条4 焊工证书第5.2.2条5 焊接工艺评定第5.2.3条6 内部缺陷第5.2.4条7 组合焊缝尺寸第5.2.5条8 焊缝表面缺陷第5.2.6条一般项目合格质量标准(GB50205-2001)施工单位检验评分记录或结果监理(建设)单位验收记录或结果备 注1 焊接材料进场第4.3.4条2 预热和后热处理第5.2.7条3 焊缝外观质量第5.2.8条4 焊缝尺寸偏差第5.2.9条5 凹形角焊缝第5.2.10条6 焊缝感观第5.2.11条施工单位 检验评定结果班 组 长: 质检员:或专业工长: 或项目技术负责人: 年 月日年 月 日监理(建设)单位验收结论监理工程师(建设单位项目技术人员): 年 月 日钢结构(焊钉焊接)分项工程检验批质量验收记录表J.0.2工程名称检验批部位施工单位项目经理监理单位总监理工程师施工依据标准钢结构工程质量验收规范(GB50205-2001)分包单位负责人主控项目合格质量标准(GB50205-2001)施工单位检验评定记录或结果监理(建设)单位验收记录或结果备 注1 焊接材料进场第4.3.1条2 焊接材料复验第4.3.2条3 焊接工艺评定第5.3.1条4 焊后弯曲试验第5.3.2条一般项目合格质量标准(GB50205-2001)施工单位检验评定记录或结果监理(建设)单位验收记录或结果备 注1 焊钉和瓷环尺寸第4.3.3条2 焊缝外观质量第5.3.3条施工单位检验评定结果班 组 长: 质检员:或专业工长: 或项目技术负责人:年 月日年 月 日监理(建设)单位验收结论监理工程师(建设单位项目技术人员): 年月 日表J.0.3工程名称检验批部位施工单位项目经理监理单位总监理工程师施工依据标准钢结构工程质量验收规范(GB50205-2001)分包单位负责人主控项目合格质量标准(GB50205-2001)施工单位检验评定记录或结果监理(建设)单位验收记录或结果备 注1 成品进场第4.4.1条2 螺栓实物复验第6.2.1条3 匹配及间距第6.2.2条一般项目合格质量标准(GB50205-2001)施工单位检验评定记录或结果监理(建设)单位验收记录或结果备 注1 螺栓紧固第6.2.3条2 外观质量第6.2.4条施工单位检验评定结果班 组 长: 质检员:或专业工长: 或项目技术负责人:年 月 日年月 日监理(建设)单位验收结论监理工程师(建设单位项目技术人员): 年月 日表J.0.4工程名称检验批部位施工单位项目经理监理单位总监理工程师施工依据标准钢结构工程质量验收规范(GB50205-2001)分包单位负责人主控项目合格质量标准(GB50205-2001)施工单位检验评分记录或结果监理(建设)单位验收记录或结果备 注1 成品进场第4.1.1条2 扭矩系数或预拉力复验第4.2.2条或第4.2.3条3 抗滑移系数试验第6.3.1条4 终拧扭矩第6.3.2条或 第6.3.3条5一般项目合格质量标准(GB50205-2001)施工单位检验评分记录或结果监理(建设)单位验收记录或结果备 注1 成品包装第4.4.4条2 表面硬度试验第4.4.5条3 初拧、复拧扭矩第6.3.4条4 连接外观质量第6.3.5条5 摩擦面外观第6.3.6条6 扩孔第6.3.7条7 网架螺栓紧固第6.3.8条8施工单位 检验评定结果班 组 长: 质检员: 或专业工长: 或项目技术负责人: 年月日年月日监理(建设)单位验收结论监理工程师(建设单位项目技术人员): 年 月日钢结构(零件及部部件加工)分项工程检验批质量验收记录表J.0.5工程名称检验批部位施工单位项目经理监理单位总监理工程师施工依据标准钢结构工程质量验收规范(GB50205-2001)分包单位负责人主控项目合格质量标准(GB50205-2001)施工单位检验评分记录或结果监理(建设)单位验收记录或结果备 注1 材料进场第4.2.1条2 钢材复验第4.2.2条3 切面质量第6.3.1条4 矮正和成型第7.3.1条或第7.3.2条5 边缘加工第7.4.1条6 螺栓球、焊接球加工第7.5.1条和第7.5.2条7 制孔第7.6.1条8一般项目合格质量标准(GB50205-2001)施工单位检验评分记录或结果监理(建设)单位验收记录或结果备 注1 材料规格尺寸第4.2.3条或第4.2.3条2 钢材表面质量第4.2.5条3 切割精度第7.2.2条或第7.2.3条4 矫正质量第7.3.3条、第7.3.4条和第7.3.5条5 边缘加工精第7.4.2条6 螺栓球、焊接球加工精度第7.5.3条和第7.5.4条7 管件加工精第7.5.5条8 制孔精度第7.6.2条和第7.6.3条9施工单位 检验评定结果班 组 长: 质检员: 或专业工长: 或项目技术负责人: 年月 日年月日监理(建设)单位验收结论监理工程师(建设单位项目技术人员): 年 月 日钢结构(构件组装)分项工程检验批质量验收记录表J.0.6工程名称检验批部位施工单位项目经理监理单位总监理工程师施工依据标准钢结构工程质量验收规范(GB50205-2001)分包单位负责人主控项目合格质量标准(GB50205-2001)施工单位检验评分记录或结果监理(建设)单位验收记录或结果备 注1 吊车梁(桁架)第8.3.1条2 端部铣平精度第8.4.1条3 外形尺寸第8.5.1条4一般项目合格质量标准(GB50205-2001)施工单位检验评分记录或结果监理(建设)单位验收记录或结果备 注1 焊接H型钢接缝第8.2.1条2 焊接H型钢精度第8.2.2条3 焊接组装精度第8.3.2条4 顶紧接触面第8.3.3条5 轴线交点错位第8.3.4条6 焊缝坡口精度第8.4.2条7 铣平面保护第8.4.3条8 外形尺寸第8.5.2条9施工单位 检验评定结果班 组 长: 质检员: 或专业工长: 或项目技术负责人: 年 月日年月日监理(建设)单位验收结论监理工程师(建设单位项目技术人员): 年 月日钢结构(预拼装)分项工程检验批质量验收记录表J.0.7工程名称检验批部位施工单位项目经理监理单位总监理工程师施工依据标准钢结构工程质量验收规范(GB50205-2001)分包单位负责人主控项目合格质量标准(GB50205-2001)施工单位检验评定记录或结果监理(建设)单位验收记录或结果备 注1 多层板叠栓孔第9.2.1条23一般项目合格质量标准(GB50205-2001)施工单位检验评定记录或结果监理(建设)单位验收记录或结果备 注1 预拼装精度23施工单位 检验评定结果班 组 长: 质检员: 或专业工长: 或项目技术负责人: 年 月日年 月 日监理(建设)单位验收结论监理工程师(建设单位项目技术人员): 年 月日表J.0.8工程名称检验批部位施工单位项目经理监理单位总监理工程师施工依据标准钢结构工程质量验收规范(GB50205-2001)分包单位负责人主控项目合格质量标准(GB50205-2001)施工单位检验评分记录或结果监理(建设)单位验收记录或结果备 注1 基础验收第10.2.1条、第10.2.2条、第10.2.3条、第10.2.4条2 构件验收第10.3.1条3 顶紧接触面第10.3.2条4 垂直度和侧弯曲第10.3.3条5 主体结构尺寸第10.3.4条6一般项目合格质量标准(GB50205-2001)施工单位检验评分记录或结果监理(建设)单位验收记录或结果备 注1 地脚螺栓精度第10.2.5条2 标记第10.3.5条3 桁架、梁安装精度第10.3.6条4 钢柱安装精度第10.3.7条5 吊车梁安装精度第10.3.8条6 檀条等安装精度第10.3.9条7 平台等安装精度第10.3.10条8 现场组对精度第10.3.11条9 结构表面第10.3.12条施工单位 检验评定结果班 组 长: 质检员: 或专业工长: 或项目技术负责人: 年 月 日年 月日监理(建设)单位验收结论监理工程师(建设单位项目技术人员): 年月日表J.0.9工程名称检验批部位施工单位项目经理监理单位总监理工程师施工依据标准钢结构工程质量验收规范(GB50205-2001)分包单位负责人主控项目合格质量标准(GB50205-2001)施工单位检验评分记录或结果监理(建设)单位验收记录或结果备 注1 基础验收第11.2.1条、第11.2.2条、第11.2.3条、第11.2.4条2 构件验收第11.3.1条3 钢柱安装精度第11.3.2条4 顶紧接触面第11.3.3条5 垂直度和侧弯曲第11.3.4条6 主体结构尺寸第11.3.5条一般项目合格质量标准(GB50205-2001)施工单位检验评分记录或结果监理(建设)单位验收记录或结果备 注1 地脚螺栓精度第11.2.5条2 标记第11.3.7条3 构件安装精度第11.3.8条和 第11.3.10条4 主体结构高度第11.3.9条5 吊车梁安装精度第11.3.11条6 檀条等安装精度第11.3.12条7 平台等安装精度第11.3.13条8 现场组对精度第11.3.14条9 结构表面第11.3.6条施工单位 检验评定结果班 组 长: 质检员:或专业工长: 或项目技术负责人: 年月 日年 月 日监理(建设)单位验收结论监理工程师(建设单位项目技术人员): 年 月日表J.0.10工程名称检验批部位施工单位项目经理监理单位总监理工程师施工依据标准钢结构工程质量验收规范(GB50205-2001)分包单位负责人主控项目合格质量标准(GB50205-2001)施工单位检验评分记录或结果监理(建设)单位验收记录或结果备 注1 焊接球第4.5.1条和 第4.5.2条2 螺栓球第4.6.1条和 第4.6.2条3 封板、锥头、套筒第4.7.1条 第4.7.2条4 橡胶垫第4.10.1条5 基础验收第12.2.1条、 第12.2.2条6 支座第12.2.3条、 第12.2.4条7 拼装精度第12.3.1条、 第12.3.2条8 节点承载力试验第12.3.3条9 结构挠度第12.3.4条一般项目合格质量标准(GB50205-2001)施工单位检验评分记录或结果监理(建设)单位验收记录或结果备 注1 焊接球精度第4.5.3条、 第4.5.4条2 螺栓球精度第4.6.4条3 螺栓球螺纹精度第4.6.3条4 锚栓精度第12.2.5条5 结构表面第12.3.5条6 安装第12.3.6条施工单位检验评定结果班组长: 质检员: 或专业组长: 或项目技术负责人: 年月日年月日监理(建设)单位验收结论监理工程师(建筑单位项目技术人员): 年月日钢结构(压型金属片)分项工程检验批质量验收记录表 J.0.11工程名称检验批部位施工单位项目经理监理单位总监理工程师施工依据标准钢结构工程质量验收规范(GB50205-2001)分包单位负责人主控项目合格质量标准(GB50205-2001)施工单位检验评定记录或结果监理(建设)单位验收记录或结果备注1 压型金属板进场 第4.8.1条 第4.8.2条2 基板裂纹 第13.2.1条3 涂层缺陷 第13.2.2条4 现场安装 第13.3.1条5 搭接 第13.3.2条6 端部锚固 第13.3.3条一般项目合格质量标准(GB50205-2001)施工单位检验评定记录或结果监理(建设)单位验收记录或结果备 注1 压型金属板精度 第14.8.3条2 轧制精度 第13.2.3条 第13.2.5条3 表面质量 第13.2.4条4 安装质量 第13.3.4条5 安装精度 第13.3.5条施工单位检验评定结果 班 组 长: 质 检 员:或专业工长: 或项目技术负责人:年 月 日 年 月 日监理(建设)单位验收结论监理工程师(建设单位项目技术人员): 年 月 日钢结构(防腐涂料涂装)分项工程检验批质量验收记录表 J.0.12工程名称检验批部位施工单位项目经理监理单位 总监理工程师施工依据标准 钢结构工程质量验收规范(GB50205-2001)分包单位负责人主控项目合格质量标准(GB50205-2001)施工单位检验评定记录或结果监理(建设)单位验收记录或结果备 注1 产品进场 第4.9.1条2 表面处理 第14.2.1条3 涂层厚度 第14.2.2条一般项目合格质量标准(GB50205-2001)施工单位检验评定记录或结果监理(建设)单位验收记录或结果备注1 产品进场 第4.9.3条2 表面质量 第14.2.3条3 附着力测试 第14.2.4条4 标志 第14.2.5条施工单位检验评定结果 班 组 长: 质 检 员:或专业工长: 或项目技术负责人:年 月 日 年 月 日监理(建设)单位验收结论监理工程师(建设单位项目技术人员): 年 月 日钢结构(防火涂料涂)分项工程检验批质量验收记录表 J.0.13工程名称检验批部位施工单位项目经理监理单位总监理工程师施工依据标准钢结构工程质量验收规范(GB50205-2001)分包单位负责人主控项目合格质量标准(GB50205-2001)施工单位检验评定记录或结果监理(建设)单位验收记录或结果备注1 产品进场 第4.9.2条2 涂装基层验收 第14.3.1条3 强度试验 第14.3.2条4 涂层厚度 第14.3.3条5 表面裂缝 第14.3.4条一般项目合格质量标准(GB50205-2001)施工单位检验评定记录或结果监理(建设)单位验收记录或结果备注1 产品进场第4.9.3条2 基层表面第14.3.5条3 涂层表面质量第14.3.6条施工单位检验评定结果班组长:质检员:或专业工长:或项目技术负责人:年月日年月日监理(建设)单位验收结论监理工程师(建设单位项目技术人员):年月日。
钢结构(钢构件焊接)分项工程检验批质量验收记录
二.钢结构(焊钉焊接)分项工程检验批质量验收记录
三.钢结构(普通紧固件连接)分项工程检验批质量验收记录
四.钢结构(高强度螺栓连接)分项工程检验批质量验收记录
五.钢结构(零件及部件加工)分项工程检验批质量验收记录
六.钢结构(构件组装)分项工程检验批质量验收记录
七.钢结构(预拼装)分项工程检验批质量验收记录
八.钢结构(单层结构安装)分项工程检验批质量验收记录
九.钢结构(多层结构安装)分项工程检验批质量验收记录
十.钢结构(网架结构安装)分项工程检验批质量验收记录
十一钢结构(压型金属板)分项工程检验批质量验收记录
十二钢结构(防腐涂料涂装)分项工程检验批质量验收记录
十三钢结构(防火涂料涂装)分项工程检验批质
量验收记录。
钢结构(钢构件焊接)分项工程检验批质量验收记录
二.钢结构(焊钉焊接)分项工程检验批质量验收记录
三.钢结构(普通紧固件连接)分项工程检验批质量验收记录
四.钢结构(高强度螺栓连接)分项工程检验批质量验收记录
五.钢结构(零件及部件加工)分项工程检验批质量验收记录
监理工程师:
(建设单位项目技术人员): 年月曰六.钢结构(构件组装)分项工程检验批质量验收记录
论监理工程师:
(建设单位项目技术人员)年月日七.钢结构(预拼装)分项工程检验批质量验收记录
八.钢结构(单层结构安装)分项工程检验批质量验收记录
九.钢结构(多层结构安装)分项工程检验批质量验收记录
十.钢结构(网架结构安装)分项工程检验批质量验收记录
卜一钢结构(压型金属板)分项工程检验批质量验收记录
十二钢结构(防腐涂料涂装)分项工程检验批质量验收记录
十三钢结构(防火涂料涂装)分项工程检验批质量验收记录。