轴承及轴承座选配
- 格式:doc
- 大小:250.00 KB
- 文档页数:5
内圈m6 n6 p6 外圈H7 G7K7常内圈旋转的配合外圈旋转时内圈h6 k6三维网外圈M6 N6合一般不要采用因为国内加工能力不行孔和轴尺寸和形状达不到要求的话会跑外圈①当轴承内径公差带与轴公差带构成配合时,在一般基孔制中原属过渡配合的公差代号将变为过赢配合,如k5、k6、m5、m6、n6等,但过赢量不大;当轴承内径公差代与h5、h6、g5、g6等构成配合时,不在是间隙而成为过赢配合。
②轴承外径公差带由于公差值不同于一般基准轴,也是一种特殊公差带,大多情况下,外圈安装在外壳孔中是固定的,有些轴承部件结构要求又需要调整,其配合不宜太紧,常与H6、H7、J6、J7、Js6、Js7等配合。
附:一般情况下,轴一般标0~+0。
005 如果是不常拆的话,就是+0。
005~+0。
01的过盈配合就可以了,如果要常常的拆装就是过渡配合就可以了。
我们还要考虑到轴材料本身在转动时候的热胀,所以轴承越大的话,最好是-0。
005~0的间隙配合,最大也不要超过0。
01的间隙配合还有一条就是动圈过盈,静圈间隙0 前言滚动轴承是一种标准化部件,具有摩擦力小、容易起动及更换简便等优点。
我们在日常维修或从事机械设计时,合理、正确选择轴承配合是至关重要的。
1 轴承配合的选择方法三正确选择轴承配合,对保证机器正常运转、提高轴承的使用寿命和充分利用轴承的承载能力关系很大。
滚动轴承配合的选择主要是根据轴承套圈承受负荷的性质和大小,并结合轴承的类型、尺寸、工作条件、轴与壳体的材料和结构以及工作温度等因素综合考虑。
(1)套圈是否旋转三维网技当轴承的内圈或外圈工作时为旋转圈,应采用稍紧的配合,其过盈量的大小应使配合面在工作负荷下不发生“爬行”,因为一旦发生爬行,配合表面就要磨损,产生滑动,套圈转速越高,磨损越严重。
轴承座尺寸公差【原创实用版】目录1.轴承座与轴承配合公差的概念2.轴承座尺寸公差的标注方法3.轴承座与轴承配合公差的选择4.轴承座尺寸公差在实际应用中的案例5.轴承与公差关联的尺寸正文一、轴承座与轴承配合公差的概念轴承座与轴承配合公差是指在轴承座和轴承的配合过程中,两者之间的尺寸差异。
这种公差通常用于确保轴承座和轴承能够紧密地配合在一起,同时允许一定的调整余量,以保证轴承的正常工作和使用寿命。
二、轴承座尺寸公差的标注方法在轴承座尺寸公差的标注中,通常采用符号和数字表示。
符号表示公差等级,数字表示公差值。
例如,H6 表示公差等级为 H,公差值为 6 微米。
在实际应用中,根据不同的轴承座和轴承部件结构要求,选择合适的公差等级和公差值。
三、轴承座与轴承配合公差的选择选择轴承座与轴承配合公差时,需要考虑以下几个方面:首先,根据轴承座的结构要求和轴承的工作条件,选择合适的公差等级;其次,考虑轴承座的装配和拆卸方便性,以及轴承的调整和更换方便性;最后,根据轴承座的材料和加工工艺,确定公差值。
四、轴承座尺寸公差在实际应用中的案例在实际应用中,轴承座尺寸公差的选择和标注对轴承座的加工和使用具有重要意义。
例如,在设计 UCFl210 菱形轴承座时,需要根据其尺寸公差,选择合适的轴承和配合方式,以确保轴承座的正常工作和使用寿命。
五、轴承与公差关联的尺寸轴承与公差关联的尺寸主要包括轴承的内径、外径、宽度等。
这些尺寸的公差会影响轴承的精度、装配和拆卸方便性,以及使用寿命。
因此,在标注轴承座尺寸公差时,需要考虑这些关联尺寸的影响。
总之,轴承座尺寸公差是轴承座与轴承配合过程中的重要参数,选择合适的公差等级和公差值,能够确保轴承座的正常工作和使用寿命。
在选择轴承配合时,应考虑本节所讨论的各种因素,以及所提供的一般选择方法。
1。
旋转状况旋转状况是指轴承圈相对于负荷方向的运动状况。
基本上有三种不同的状况: "旋转负荷”、“静止负荷”及“不定向负荷"。
"旋转负荷”的适用状况是轴承圈在旋转而负荷是静止的,或者轴承圈是静止的而负荷在旋转,则在转一圈的过程中,滚道的各个点都承受负荷。
不旋转但却摆动的重负荷,例如作用于连杆轴承上的负荷,通常被认为是旋转负荷。
承受旋转负荷的轴承圈,如果安装时带有游隙配合,会在轴承支承面上转动(蠕动或漂移),示范,造成接触表面的磨损(摩擦腐蚀)。
要防止这一点,必须使用过盈配合。
所需要的过盈配合量视运行状况而定(见以下第2、4点)。
条件示范1内圈旋转外圈静止负荷方向恒定内圈有旋转负荷外圈有静止负荷内圈与轴之间需要过盈配合,因为相对于内圈的负荷方向有变化。
外圈与轴承座之间可以用游隙配合,因为相对于外圈的负荷方向恒定。
例如: 皮带驱动的轴条件示范2内圈静止外圈旋转负荷方向恒定内圈有静止负荷外圈有旋转负荷外圈与轴承座之间需要过盈配合,因为相对于外圈的负荷方向有变化。
内圈与轴之间可以用游隙配合,因为相对于内圈的负荷方向恒定。
例如: 传输带上的托辊,汽车轮毂轴承“静止负荷”的适用状况是当轴承圈是静态而负荷也是静态的,或者轴承圈与负荷以同等速度旋转,负荷始终指向滚道的同一个位置。
在这些状态下,轴承圈通常不会在其支承面上转动。
因此,轴承圈不一定要有过盈配合,除非因其它原因需要这样做。
条件示范3内圈旋转外圈静止负荷与内圈一起旋转内圈有静止负荷外圈有旋转负荷外圈与轴承座之间需要过盈配合,因为相对于外圈的负荷方向有变化。
内圈与轴之间可以用游隙配合,因为相对于内圈的负荷方向恒定。
例如: 振动场合应用、振动筛或电机条件示范4内圈静止外圈旋转负荷与外圈一起旋转内圈有旋转负荷外圈有静止负荷内圈与轴之间需要过盈配合,因为相对于内圈的负荷方向有变化。
内圈m6 n6 p6 外圈H7 G7K7这是正常内圈旋转的配合外圈旋转时内圈h6 k6外圈M6 N6双H配合一般不要采用因为国内加工能力不行孔和轴尺寸和形状达不到要求的话会跑外圈①当轴承内径公差带与轴公差带构成配合时,在一般基孔制中原属过渡配合的公差代号将变为过赢配合,如k5、k6、m5、m6、n6等,但过赢量不大;当轴承内径公差代与h5、h6、g5、g6等构成配合时,不在是间隙而成为过赢配合。
②轴承外径公差带由于公差值不同于一般基准轴,也是一种特殊公差带,大多情况下,外圈安装在外壳孔中是固定的,有些轴承部件结构要求又需要调整,其配合不宜太紧,常与H6、H7、J6、J7、Js6、Js7等配合。
附:一般情况下,轴一般标0~+0。
005 如果是不常拆的话,就是+0。
005~+0。
01的过盈配合就可以了,如果要常常的拆装就是过渡配合就可以了。
我们还要考虑到轴材料本身在转动时候的热胀,所以轴承越大的话,最好是-0。
005~0的间隙配合,最大也不要超过0。
01的间隙配合还有一条就是动圈过盈,静圈间隙0 前言滚动轴承是一种标准化部件,具有摩擦力小、容易起动及更换简便等优点。
我们在日常维修或从事机械设计时,合理、正确选择轴承配合是至关重要的。
1 轴承配合的选择方法正确选择轴承配合,对保证机器正常运转、提高轴承的使用寿命和充分利用轴承的承载能力关系很大。
滚动轴承配合的选择主要是根据轴承套圈承受负荷的性质和大小,并结合轴承的类型、尺寸、工作条件、轴与壳体的材料和结构以及工作温度等因素综合考虑。
(1)套圈是否旋转当轴承的内圈或外圈工作时为旋转圈,应采用稍紧的配合,其过盈量的大小应使配合面在工作负荷下不发生“爬行”,因为一旦发生爬行,配合表面就要磨损,产生滑动,套圈转速越高,磨损越严重。
轴承工作时,若其内圈或外圈为不旋转套圈,为了拆装和调整方便,宜选用较松的配合。
由于不同的工作温升,将使轴颈或外壳孔在纵向产生不同的伸长量。
轴承与轴承座的公差配合表
首先,公差配合表中会列出轴的基本尺寸范围,包括公差的上限和下限,以及轴承座的基本尺寸范围,同样包括公差的上限和下限。
这些基本尺寸是设计师在设计轴承和轴承座时需要遵循的参考数值。
其次,公差配合表中会规定公差等级,一般分为IT01、IT0、IT1、IT2、IT3等等,不同的公差等级代表着不同的精度要求。
例如,IT01代表着最高的精度要求,适用于精密机械设备,而IT3则代表着较低的精度要求,适用于一般机械设备。
配合表是公差配合表中的重要部分,它会详细列出轴和轴承座之间的配合情况,包括最大配合间隙、最小配合间隙、零配合间隙等内容。
设计师可以根据实际情况选择合适的配合尺寸,以确保轴承和轴承座能够良好地配合。
最后,公差系列是公差配合表中的另一个重要内容,它是指按照公差等级划分的一组公差的集合。
公差系列的选择取决于实际工程需求,不同的公差系列适用于不同的工程情况。
总的来说,公差配合表是机械设计中非常重要的一部分,它为设计师提供了标准化的参考,帮助他们在设计轴承和轴承座时确保其配合尺寸的准确性和可靠性。
同时,设计师在使用公差配合表时也需要根据具体的工程要求和实际情况进行合理的选择和应用。
黑龙江科技大学王龙轴承配置不仅包括滚动轴承,而且包括同轴承有关的部件,如轴和轴承座。
润滑剂也是轴承配置的一个非常重要的组成部分,因为润滑剂要防磨损防腐蚀,这样轴承才能充分发挥作用。
此外,密封件也是一个非常重要的部件,密封件的性能对润滑剂的清洁至关重要。
保持清洁对轴承的使用寿命有深远影响,这就是为什么润滑剂和密封件已成为SKF业务一部分的原因所在。
为了设计滚动轴承配置,需要–选择合适的轴承种类并–决定适当的轴承尺寸,但这还不够。
还要考虑其它几个方面:–例如轴承配置中其它部件的适当形式和设计、–正确的配合和轴承的内部游隙或预载荷、–固定装置、–适当的密封件、–润滑剂的种类和剂量,以及–安装和拆除方法等。
每个单独的决定都会影响到轴承配置的性能、可靠性和经济性。
所需工作量取决于是否具备类似的轴承选配经验。
遇上缺乏经验、有特殊要求、或需要对轴承配置的成本及任何其它随后的外形给予特殊考虑时,就需要做更多工作,例如更精确的计算和/或测试。
在综合技术介绍之后的章节,轴承配置的设计人员会看到按照一般要求的顺序而提供的必要基本信息。
显而易见,不可能将每一种可以想到的轴承应用所需要的所有信息都包括在内。
基于这个理由,我们会在多处提到全面的SKF应用工程服务,该服务包括正确选择轴承以及如何进行完整的轴承配置计算等技术支持。
对于轴承配置的技术要求越高、在特定应用中使用轴承的经验越有限,就越应该利用这一服务。
在综合技术章节中所包括的信息通常适用于普通滚动轴承,或至少适用于一组轴承。
如果只需要某种特定轴承的确切信息,可在相应的分类表格章节之前的有关文字中找到。
应注意,在产品表中出现的载荷和速度数值以及疲劳载荷极限值都是四舍五入后的近似值。
轴承材料轴承内外圈由车加工厂车削成,配件进料严格把关,确保轴承在第一道生产工序就有稳定的质量。
轴承的套圈和钢球均采用精炼轴承钢制造;保持架采用优质冷轧钢板冲压或增强工程塑料制造;防尘盖采用SPCC专,密封圈采用丁晴耐油橡胶热压制成.其中, 国标轴承钢材型号与ISO等标准对照如下:∙标准钢材型号表示∙GB/T307-94 GCr15∙ISO 683XVII1∙AISI 52100∙DIN 100Cr6∙JIS SUJ2轴承精度轴承精度按GB/T307-94的国家标准可以分为2、4、5、6、和0级.轴承游隙径向游隙按国标GB/T4604-93分为五组:C2、C0、C3、C4 及 C5.轴承润滑轴承分为开式,单面或双面防尘盖,单面或双面密封圈,出厂时已填充适量的润滑油脂,可直接使用.轴承振动和噪音按JB/T7047-93标准将单个轴承振动加速度级别分为Z1、Z2、Z3组;按JB/T50009-94标准将单个轴承振动允许极限值分为V1、V2、V3组。
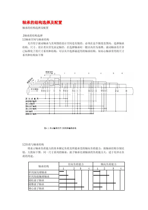
1.2负荷与轴承结构如电动机、计量仪器之类要求低噪音、低扭矩的仪器,适合使用低噪音精密深沟球轴承。
1.7旋转精度与轴承结构机床主轴等要求旋转精度高,增压机之类转速高的用途,应选用精度等级为5级、4级、2级等高精度轴承。
滚动轴承的旋转精度,就不同项目均有规定。
根据结构不同,所规定的等级也不同。
因而,要求高旋转精度的用途,多适用深沟球轴承、角接触球轴承、圆柱滚子轴承。
1.8安装、拆卸和轴承结构圆柱滚子轴承、滚针轴承、圆锥滚子轴承等的内圈和外圈可以分离,便于安装和拆卸。
如需定期检查,轴承的拆卸、安装比较频繁的情况下,上述的轴承构造比较适用。
锥孔调心球轴承、调心滚子轴承(小型)等轴承若使用紧定套则更容易拆卸和安装。
2轴承的配置一般情况下,一根轴两端有两套滚动轴承作支承,在确定配置方案时应考虑以下因素:(1)、由于温度变化而造成的轴的膨胀、收缩。
(2)、轴承安装、拆卸的难易。
(3)、由于轴的挠曲,安装误差而造成的内圈、外圈的倾斜。
(4)、包括轴承整个旋转系统的刚性与预紧方法。
(5)、在最适宜的位置上的负荷。
2.1固定端轴承及自由端轴承在配置轴承时,将一个作为固定端轴承。
在固定端的轴承选择可承受径向负荷和轴向负荷的轴承。
固定端轴承之外的其他轴承,作为仅承受径向负荷的自由端轴承。
以此解决由于温度变化而产生的轴的膨胀、收缩。
而且,还可以利用于轴向方向安装位置的调整。
对温度变化而产生的轴的伸缩如没有充分的解决对策,轴承会受到异常的轴向负荷,成为轴承早期坏损的原因。
自由端轴承,可使用内圈、外圈可以分离、可轴向移动的圆柱滚子轴承、径向滚针轴承。
这类轴承易安装和拆卸。
将非分离型轴承用于自由端时,一般以外圈和外壳的配合作为间隙配合,来排除运转中轴的膨胀。
还可以从内圈的配合面排除。
在轴承间距短,轴伸缩影响少的情况下,将只承受一个方向轴向负荷的角接触球轴承,圆锥滚子轴承等2个对向使用。
安装后的轴向间隙(轴向方向的松动量)由螺母、垫片来调整。
轴承的径向定位——配合的选择——推荐配合滚动轴承的内径与外径公差已经国际标准化,见“公差”一节。
为了使具有圆柱内径与圆柱外径的轴承达到过盈配合或游隙配合,从ISO公差系统中为轴与轴承座孔的支承面选择合适的公差范围。
对于滚动轴承应用来说,可选择的ISO公差等级为数不多。
轴承内径与外径公差最常用的等级位置如图18 所示。
带锥形内孔的轴承可直接安装在锥形轴颈支承面上,或者装配在圆柱形轴颈支承面上的有外锥面的紧定套或退卸套上。
在这种情况下,轴承内圈的配合并非像圆柱形孔的进口轴承一样由所选的轴公差来决定,而是由内圈在锥形轴颈支承面或套筒上推移的距离来决定的。
这时必须特别注意内部游隙减少的情况,如“自调心球轴承”、“球面滚子轴承”和“CARB®圆环滚子轴承”各节中所提到的。
如果轴承要用紧定套或退卸套来固定,锥套支承面允许有较大的直径公差,但是圆柱度公差必须减少,见“轴承支承面与挡肩的尺寸、形状与运行精度”。
实心钢轴的配合实心钢轴的推荐配合可以在下面找到:有圆柱形内孔的径向轴承(精密轴承除外)较高精度的径向轴承推力轴承(精密轴承除外)较高精度的推力轴承铸铁与钢轴承座的配合在参考表格里可以找到下列轴承的适用轴承座公差建议:–非剖分轴承座内的径向轴承(精密轴承除外)–剖分或非剖分轴承座内的径向轴承(精密轴承除外)–较高精度的径向轴承–推力轴承(精密轴承除外)–较高精度的推力轴承这些推荐值参照了上述的一般选择方法,是根据轴承设计的发展和多年轴承的广泛应用提出的。
现代轴承相比早期的传统轴承在承载能力方面有了显著的提高。
这些推荐值体现了更严格的应用条件。
轴承座公差的推荐数值也反映了轴承外圈能否在轴承座孔内作轴向移动。
根据这些信息,可以核对所选择的公差是否适用于非定位端不能承受径向位移的非分离型轴承。
注意对于不锈钢轴承,表T1, T3, T5, T6 和T8 中所推荐的公差值适用,但需考虑表T1中角注2)和3) 的限制值。
高手分享轴承与轴、轴承座的配合在论坛里经常看到社友讨论轴承与轴、轴承座的配合问题。
由于轴承是标准件,尺寸公差是定死了的,这个配合问题也就成了怎么确定轴、轴承座的尺寸公差问题。
截图来自舍弗勒的轴承综合样本HR1。
还有轴承座的配合以上是轴承配合的基本原则。
但是原则并不是放之四海而皆准滴,原则更像世界纪录---是用来打破的。
打破之前你得权衡下打破原则的得与失,或者说利和弊。
轧机轴承内圈与轴的间隙配合就是一个经典的打破轴承配合基本原则的案例。
基本原则也没有包括一些特殊情况---如空心轴、轻金属轴承座等情况。
这种情况要选更紧的配合,要多紧,可以计算。
还有推力轴承的配合。
截图同样来自舍弗勒样本HR1。
推力轴承之轴承座正确选择轴承配合,首先要搞清楚轴承的工况,特别是受到什么性质的载荷。
载荷分点载荷与圆周载荷,区分这两种载荷,是正确选择轴承配合的前提。
说轧机轴承内圈与轴松配合,这说法不准确;不是所有轧机中的轴承内圈与轴都是松配合的。
而是在轧机中有些轴承内圈与轴是松配合,如4列圆锥,及有些4列圆柱。
轴、轴承座与轴承配合公差1)轴承配合一般都是过渡配合,但在有特殊情况下可选过盈配合,但很少。
因为轴承与轴配合是轴承的内圈与轴配合,使用的是基孔制,本来轴承是应该完全对零的,我们在实际使用中也完全可以这样认为,但为了防止轴承内圈与轴的最小极限尺寸配合时产生内圈滚动,伤害轴的表面,所以我们的轴承内圈都有0到几个μ的下偏公差来保证内圈不转动,所以轴承一般选择过渡配合就可以了,即使是选择过渡配合也不能超过3丝的过盈量。
配合精度等级一般就选6级,有的时候也要看材料,还有加工工艺,理论上7级有点偏底了,5级配合的话就要用磨。
我一般选用是:轴承内圈与轴配合轴选k6轴承外圈与孔配合孔选K6或K7 2)轴承与轴的配合公差标准①当轴承内径公差带与轴公差带构成配合时,在一般基孔制中原属过渡配合的公差代号将变为过赢配合,如k5、k6、m5、m6、n6等,但过赢量不大;当轴承内径公差代与h5、h6、g5、g6等构成配合时,不在是间隙而成为过赢配合。
如何选配曲轴轴承曲轴各轴颈选定修理级别并进行修理后,必须选配相应级别的轴承与之相配合。
轴承规格有4级:0.25mm、0.somm、0.75mm 和1.oomm.改换轴承时,必须对轴承进行选配,其选配的技术要求如下: (l)依据轴颈选轴承.依据曲轴的磨削尺寸,选用同一级别的轴承。
(2)轴承长度规定.新轴承装人座孔内,上下两片的每端均应高出轴承座平面0.03~0.05mm。
以保证轴承与座孔紧密贴合,提升散热效果。
检查轴承长度的经验做法是:将轴承安装好.装上轴承盖,按规定力矩值拧紧一端螺栓,在另一端盖与轴承座平面间擂人厚度为0.05mm 的垫片,当拧该端螺栓的力矩达到10~20N·m 时,如垫片抽不出,说明轴承长度合适边口垫片能抽出,说明轴承长度过长,应将无定位突禅的一端锉低;如未拧到规定力矩值垫片就抽不出,说明轴承过短,应重新选配.(3)背面光滑突禅好.轴承背面应无斑点,表面粗糙度Ra为0.8m,突禅可防止轴承转动,起定位作用,如突禅过低,可用尖铣冲出理想的高度,如突禅损坏,应重新选轴承。
(4)弹性合适无哑声。
把新轴承放人轴承座上后,要求轴承的曲率半径大于座孔的曲率半径,当轴承装人座孔后,可借轴承自身的弹力与轴承座孔紧密贴合,以利于散热.检查轴承有无哑声,可敲击轴承背面查听,有哑声说明合金与底板结合不牢,应重新选配。
(5)轴承与轴颈的配合间隙要适当.选配轴承时,必须对其配合间隙进行检查.检查时,用量缸表和测微器测量轴承和轴颈,其差值即为配合间隙。
轴承的配合间隙的经验检查方法是:关于连杆轴承,在轴承上徐一层薄机油、将连杆装在相应轴颈上,按规定力矩值拧紧螺栓,然后用手甩动连杆,能转动 1~1/2圈,沿轴线方向扳动连杆,没有间隙感觉.即符合要求;关于主轴承,在各道轴颈和轴承表面涂以机油,装好曲轴按规定力矩值拧紧螺栓,双手扳动曲轴,以曲轴能转动1/2圈、且转动轻便、均匀无阻滞现象为合适(6)装人座孔要同轴。