P型轴承座尺寸规格
- 格式:xls
- 大小:234.50 KB
- 文档页数:12
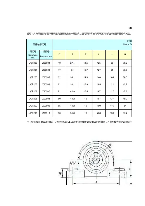
Z90500型(UCP200) 带立式座顶丝外球面球轴承参数表带座轴承型号外形尺寸带座轴承重量配用轴承代号配用轴承座代号螺栓尺寸配合轴径D B S L J H H1 H2 A N N1 KgZ90501 UCWP201 40 27.4 11.5 125 96 30.2 57 14 36 13 19 0.6 90501 UC201 M10 17 Z90502 UCWP202 40 27.4 11.5 125 96 30.2 57 14 36 13 19 0.6 90502 UC202 M10 17 Z90503 UCWP203 40 27.4 11.5 125 96 30.2 57 14 36 13 19 0.6 90503 UC203 M10 17 Z90504 UCP204 47 31 12.7 127 95 33.3 65 14 38 13 19 0.7 90504 UC204 M10 20 Z90505 UCP205 52 34.1 14.3 140 105 36.5 71 15 38 13 19 0.8 90505 UC205 M10 25 Z90506 UCP206 62 38.1 15.9 165 121 42.9 83 17 48 17 23 1.3 90506 UC206 M14 30 Z90507 UCP207 72 42.9 17.5 167 127 47.6 93 18 48 17 23 1.6 90507 UC207 M14 35 Z90508 UCP208 80 49.2 19 184 137 49.2 100 18 54 17 23 1.9 90508 UC208 M14 40 Z90509 UCP209 85 49.2 19 190 146 54 106 20 54 17 23 2.2 90509 UC209 M14 45 Z90510 UCP210 90 51.6 19 206 159 57.2 114 21 60 20 26 2.6 90510 UC210 M16 50 Z90511 UCP211 100 55.6 22.2 219 171 63.5 126 23 60 20 26 3.3 90511 UC211 M16 55 Z90512 UCP212 110 65.1 25.4 241 184 69.8 138 25 70 20 26 4.6 90512 UC212 M16 60 Z90513 UCP213 120 65.1 25.4 265 203 76.2 151 27 70 25 31 5.9 90513 UC213 M20 65 Z90514 UCP214 125 74.6 30.2 266 210 79.4 157 27 72 25 31 6.6 90514 UC214 M20 70 Z90515 UCP215 130 77.8 33.3 275 217 82.6 163 28 74 25 31 7.4 90515 UC215 M20 75 Z90516 UCP216 140 82.6 33.3 292 232 88.9 175 30 78 25 31 9 90516 UC216 M20 80 Z90517 UCP217 150 85.7 34.1 310 247 95.2 187 32 83 25 31 11 90517 UC217 M20 85 Z90518 UCP218 160 96 39.7 327 262 101.6 200 33 88 27 33 13 90518 UC218 M22 90 Z90520 UCP220 180 108 42 380 308 115 225 40 95 30 38 16 UC220 M24Z90600型(UCP300) 带立式座顶丝外球面球轴承参数表带座轴承型号外形尺寸带座轴承重量配用轴承代号配用轴承座代号螺栓尺寸配合轴径D B S L J H H1 H2 A N N1 Kg mm mmZ90605 UCP305 62 38 15 175 132 45 85 15 45 17 20 1.4 90605 UC305 Z605 P305 M14 25 Z90606 UCP306 72 43 17 180 140 50 95 18 50 17 20 1.8 90606 UC306 Z606 P306 M14 30 Z90607 UCP307 80 48 19 210 160 56 106 20 56 17 25 2.8 90607 UC307 Z607 P307 M14 35 Z90608 UCP308 90 52 19 220 170 60 116 22 60 17 27 3 90608 UC308 Z608 P308 M14 40 Z90609 UCP309 100 57 22 245 190 67 129 24 67 20 30 4.1 90609 UC309 Z609 P309 M16 45 Z90610 UCP310 110 61 22 275 212 75 143 27 75 20 35 5.8 90610 UC310 Z610 P310 M16 50 Z90611 UCP311 120 66 25 310 236 80 154 30 80 20 38 7.4 90611 UC311 Z611 P311 M16 55 Z90612 UCP312 130 71 26 330 250 85 165 32 85 25 38 9.4 90612 UC312 Z612 P312 M20 60 Z90613 UCP313 140 75 30 340 260 90 176 33 90 25 38 10 90613 UC313 Z613 P313 M20 65 Z90614 UCP314 150 78 33 360 280 95 187 35 90 27 40 12 90614 UC314 Z614 P314 M22 70 Z90615 UCP315 160 82 32 380 290 100 198 35 100 27 40 14 90615 UC315 Z615 P315 M22 75 Z90616 UCP316 170 86 34 400 300 106 210 40 110 27 40 18 90616 UC316 Z616 P316 M22 80 Z90617 UCP317 180 96 40 420 320 112 220 40 110 33 45 20 90617 UC317 Z617 P317 M27 85 Z90618 UCP318 190 96 40 430 330 118 235 45 110 33 45 24 90618 UC318 Z618 P318 M27 90 Z90619 UCP319 200 103 41 470 360 125 250 45 120 36 50 29 90619 UC319 Z619 P319 M30 95 Z90620 UCP320 215 108 42 490 380 140 275 50 120 36 50 35 90620 UC320 Z620 P320 M30 100 Z90621 UCP321 225 112 44 490 380 140 280 50 120 36 50 35 90621 UC321 Z621 P321 M30 105 Z90622 UCP322 240 117 46 520 400 150 300 55 140 40 55 45 90622 UC322 Z622 P322 M33 110 Z90624 UCP324 260 126 51 570 450 160 320 65 140 40 55 55 90624 UC324 Z624 P324 M33 120 Z90626 UCP326 280 135 54 600 480 180 355 75 140 40 55 72 90626 UC326 Z626 P326 M33 130 Z90628 UCP328 300 145 59 620 500 200 390 75 140 40 55 89 90628 UC328 Z628 P328 M33 140UCPH200(ZH90500)型带高中心立式座顶丝外球面球轴承参数表带座轴承型号外形尺寸带座轴承重量配用轴承代号配用轴承座代号螺栓尺寸配合轴径D B S L J H H1 H2 A N N1 KgZH90503 40 27.4 11.5 127 95 70 101 15 40 13 19 1 90503 ZH503 M10 17 ZH90504 47 31 12.7 127 95 70 101 15 40 13 19 1 90504 ZH504 M10 20 ZH90505 52 34.1 14.3 140 105 80 114 16 50 13 19 1.2 90505 ZH505 M10 25 ZH90506 62 38.1 15.9 165 121 90 130 18 50 17 21 1.8 90506 ZH506 M14 30 ZH90507 72 42.9 17.5 167 127 95 140 19 60 17 21 2.4 90507 ZH507 M14 35 ZH90508 80 49.2 19 184 137 100 149 19 70 17 25 2.4 90508 ZH508 M14 40 ZH90509 85 49.2 19 190 146 105 157 20 70 17 25 3.7 90509 ZH509 M14 45 ZH90510 90 51.6 19 206 159 110 165 22 70 20 25 4.1 90510 ZH510 M16 50ZA90500(UCPA200)型带窄立式座顶丝外球面球轴承参数表带座轴承型号外形尺寸带座轴承重量配用轴承代号配用轴承座代号螺栓尺寸配合轴径D B S L J H H1 H2 H3 A dN KgZA90503 40 27.4 11.5 76 52 30.2 62 11 12 40 M10 0.6 90503 ZA503 M10 17 ZA90504 47 31 12.7 76 52 30.2 62 11 12 40 M10 0.6 90504 ZA504 M10 20 ZA90505 52 34.1 14.3 84 56 36.5 72 12 15 45 M10 0.8 90505 ZA505 M10 25 ZA90506 62 38.1 15.9 94 66 42.9 84 12 18 50 M12 1.2 90506 ZA506 M12 30 ZA90507 72 42.9 17.5 110 80 47.6 95 13 20 55 M12 1.7 90507 ZA507 M12 35 ZA90508 80 49.2 19 116 84 49.2 100 13 20 58 M12 2 90508 ZA508 M12 40 ZA90509 85 49.2 19 120 90 54.2 108 13 22 60 M12 2.2 90509 ZA509 M12 45 ZA90510 90 51.6 19 130 94 57.2 116 14 25 64 M16 2.9 90510 ZA510 M16 50F90500型(UCFU200) 带方形座顶丝外球面球轴承参数表带座轴承型号外形尺寸带座轴承重量配用轴承代号配用轴承座代号螺栓尺寸配合轴径D B S L J A A1 A2 N KgF90503 UCFU203 40 27.4 11.5 76 54 27 11 17 12 0.6 90503 F503 M10 17 F90504 UCFU204 47 31 12.7 86 63.5 30 11 19 12 0.7 90504 UC204 F504 FU204 M10 20 F90505 UCFU205 52 34.1 14.3 95 70 30 13 19 12 0.9 90505 UC205 F505 FU205 M10 25 F90506 UCFU206 62 38.1 15.9 108 82.5 33 13 20 12 1.1 90506 UC206 F506 FU206 M10 30 F90507 UCFU207 72 42.9 17.5 117 92 36 15 21 14 1.5 90507 UC207 F507 FU207 M12 35 F90508 UCFU208 80 49.2 19 130 101.5 39 15 24 16 1.9 90508 UC208 F508 FU208 M14 40 F90509 UCFU209 85 49.2 19 137 105 40 16 24 16 2.3 90509 UC209 F509 FU209 M14 45 F90510 UCFU210 90 51.6 19 143 111 46 16 28 19 2.7 90510 UC210 F510 FU210 M16\M14 50 F90511 UCFU211 100 55.6 22.2 162 130 49 18 31 19 3.9 90511 UC211 F511 FU211 M16 55 F90512 UCFU212 110 65.1 25.4 175 143 53 18 34 19 4.7 90512 UC212 F512 FU212 M16 60 F90513 UCFU213 120 65.1 25.4 187 149.5 52 21 34 19 5.7 90513 UC213 F513 FU213 M16 65 F90514 UCFU214 125 74.6 30.2 193 152 54 22 35 19 6.1 90514 UC214 F514 FU214 M16 70 F90515 UCFU215 130 77.8 33.3 200 159 58 22 35 19 6.9 90515 UC215 F515 FU215 M16 75 F90516 UCFU216 140 82.6 33.3 208 165 58 22 35 23 8.1 90516 UC216 F516 FU216 M20 80 F90517 UCFU217 150 85.7 34.1 220 175 63 24 36 23 9.3 90517 UC217 F517 FU217 M20 85 F90518 UCFU218 160 96 39.7 235 187 68 24 42 23 11 90518 UC218 F518 FU218 M20 90 UCFU220 180 108 42 265 210 74 28 44 27 12 UC220 FU220 M22F90600型(UCF300) 带方形座顶丝外球面球轴承带座轴承型号外形尺寸带座轴承重量配用轴承代号配用轴承座代号螺栓尺寸配合轴径D B S L J A A1 A2 N KgF90605 UCF305 62 38 15 110 80 29 13 16 16 1.1 90605 UC305 F605 F305 M14 25 F90606 UCF306 72 43 17 125 95 32 15 18 16 1.6 90606 UC306 F606 F306 M14 30 F90607 UCF307 80 48 19 135 100 36 16 20 19 2 90607 UC307 F607 F307 M16 35 F90608 UCF308 90 52 19 150 112 40 17 23 19 2.7 90608 UC308 F608 F308 M16 40 F90609 UCF309 100 57 22 160 125 44 18 25 19 3.4 90609 UC309 F609 F309 M16 45 F90610 UCF310 110 61 22 175 132 48 19 28 23 4.5 90610 UC310 F610 F310 M20 50 F90611 UCF311 120 66 25 185 140 52 20 30 23 5.5 90611 UC311 F611 F311 M20 55 F90612 UCF312 130 71 26 195 150 56 22 33 23 6.5 90612 UC312 F612 F312 M20 60 F90613 UCF313 140 75 30 208 166 58 22 33 23 7.9 90613 UC313 F613 F313 M20 65 F90614 UCF314 150 78 33 226 178 61 25 36 25 9.5 90614 UC314 F614 F314 M22 70 F90615 UCF315 160 82 32 236 184 66 25 39 25 12 90615 UC315 F615 F315 M22 75 F90616 UCF316 170 86 34 250 196 68 27 38 31 14 90616 UC316 F616 F316 M27 80 F90617 UCF317 180 96 40 260 204 74 27 44 31 16 90617 UC317 F617 F317 M27 85 F90618 UCF318 190 96 40 280 216 76 30 44 35 19 90618 UC318 F618 F318 M30 90 F90619 UCF319 200 103 41 290 228 94 30 59 35 22 90619 UC319 F619 F319 M30 95 F90620 UCF320 215 108 42 310 242 94 32 59 38 26 90620 UC320 F620 F320 M33 100 F90621 UCF321 225 112 44 310 242 94 32 59 38 27 90621 UC321 F621 F321 M33 105 F90622 UCF322 240 117 46 340 266 96 35 60 41 38 90622 UC322 F622 F322 M36 110 F90624 UCF324 260 126 51 370 290 110 40 65 41 50 90624 UC324 F624 F324 M36 120 F90626 UCF326 280 135 54 410 320 115 45 65 41 66 90626 UC326 F626 F326 M36 130 F90628 UCF328 300 145 59 450 350 125 55 75 41 90 90628 UC328 F628 F328 M36 140LA90500(UCFA200)型带可调菱形座顶丝外球面球轴承参数表带座轴承型号外形尺寸带座轴承重量配用轴承代号配用轴承座代号螺栓尺寸配合轴径D B S L J H H1 H2 A A1 A2 N N1 KgLA90500 40 27.4 11.5 102 78 60 54 40 25.5 12 15 10 10 0.7 90503 LA503 M8LA90504 47 31 12.7 102 78 60 54 40 25.5 12 15 10 10 0.6 90504 LA504 M8 20 LA90505 52 34.1 14.3 125 98 68 65 51 27 14 16 12 13 0.8 90505 LA505 M10 25 LA90506 62 38.1 15.9 144 117 80 72 58 31 14 18 12 13 1.2 90506 LA506 M10 30 LA90507 72 42.9 17.5 161 130 90 82 66 34 16 19 15 15 1.5 90507 LA507 M12 35 LA90508 80 49.2 19 175 144 100 87 71 36 16 21 15 15 1.8 90508 LA508 M12 40 LA90509 85 49.2 19 181 148 108 90 72 38 18 22 15 15 2.2 90509 LA509 M12 45 LA90510 90 51.6 19 190 157 115 94 76 40 18 22 15 15 2.6 90510 LA510 M12 50 LA90511 100 55.6 22.2 219 184 130 104 86 43 20 25 16 17 3.6 90511 LA511 M14 55L90600型(UCFL300) 带菱形座顶丝外球面球轴承参数表带座轴承型号外形尺寸带座轴承重量配用轴承代号配用轴承座代号螺栓尺寸配合轴径D B S L J H A A1 A2 N KgL90605 UCFL305 62 38 15 150 113 80 29 13 16 19 1.1 90605 UC305 L605 FL305 M16 25 L90606 UCFL306 72 43 17 180 134 90 32 15 18 23 1.5 90606 UC306 L606 FL306 M20 30 L90607 UCFL307 80 48 19 185 141 100 36 16 20 23 1.9 90607 UC307 L607 FL307 M20 35 L90608 UCFL308 90 52 19 200 158 112 40 17 23 23 2.5 90608 UC308 L608 FL308 M20 40 L90609 UCFL309 100 57 22 230 177 125 44 18 25 25 3.4 90609 UC309 L609 FL309 M22 45 L90610 UCFL310 110 61 22 240 187 140 48 19 28 25 4.4 90610 UC310 L610 FL310 M22 50 L90611 UCFL311 120 66 25 250 198 150 52 20 30 25 5.1 90611 UC311 L611 FL311 M22 55 L90612 UCFL312 130 71 26 270 212 160 56 22 33 31 6.1 90612 UC312 L612 FL312 M27 60 L90613 UCFL313 140 75 30 295 240 175 58 25 33 31 7.8 90613 UC313 L613 FL313 M27 65 L90614 UCFL314 150 78 33 315 250 185 61 28 36 35 9 90614 UC314 L614 FL314 M30 70 L90615 UCFL315 160 82 32 320 260 195 66 30 39 35 10 90615 UC315 L615 FL315 M30 75 L90616 UCFL316 170 86 34 355 285 210 68 32 38 38 13 90616 UC316 L616 FL316 M33 80 L90617 UCFL317 180 96 40 370 300 220 74 32 44 38 15 90617 UC317 L617 FL317 M33 85 L90618 UCFL318 190 96 40 385 315 235 76 36 44 38 18 90618 UC318 L618 FL318 M33 90 L90619 UCFL319 200 103 41 405 330 250 94 40 59 41 22 90619 UC319 L619 FL319 M36 95 L90620 UCFL320 215 108 42 440 360 270 94 40 59 44 27 90620 UC320 L620 FL320 M39 100 L90621 UCFL321 225 112 44 440 360 270 94 40 59 44 27 90621 UC321 L621 FL321 M39 105 L90622 UCFL322 240 117 46 470 390 300 96 42 60 44 33 90622 UC322 L622 FL322 M39 110 L90624 UCFL324 260 126 51 520 430 330 110 48 65 47 48 90624 UC324 L624 FL324 M42 120 L90626 UCFL326 280 135 54 550 460 360 115 50 65 47 58 90626 UC326 L626 FL326 M42 130 L90628 UCFL328 300 145 59 600 500 400 125 60 75 51 81 90628 UC328 L628 FL328 M45 140LA90500(UCFA200)型带可调菱形座顶丝外球面球轴承参数表带座轴承型号外形尺寸带座轴承重量配用轴承代号配用轴承座代号螺栓尺寸配合轴径D B S L J H H1 H2 A A1 A2 N N1 KgLA90500 40 27.4 11.5 102 78 60 54 40 25.5 12 15 10 10 0.7 90503 LA503 M8LA90504 47 31 12.7 102 78 60 54 40 25.5 12 15 10 10 0.6 90504 LA504 M8 20 LA90505 52 34.1 14.3 125 98 68 65 51 27 14 16 12 13 0.8 90505 LA505 M10 25 LA90506 62 38.1 15.9 144 117 80 72 58 31 14 18 12 13 1.2 90506 LA506 M10 30 LA90507 72 42.9 17.5 161 130 90 82 66 34 16 19 15 15 1.5 90507 LA507 M12 35 LA90508 80 49.2 19 175 144 100 87 71 36 16 21 15 15 1.8 90508 LA508 M12 40 LA90509 85 49.2 19 181 148 108 90 72 38 18 22 15 15 2.2 90509 LA509 M12 45 LA90510 90 51.6 19 190 157 115 94 76 40 18 22 15 15 2.6 90510 LA510 M12 50 LA90511 100 55.6 22.2 219 184 130 104 86 43 20 25 16 17 3.6 90511 LA511 M14 55TY90500型(UCFC200) 带凸台圆形座顶丝外球面球轴承参数表带座轴承型号外形尺寸带座轴承重量配用轴承代号配用轴承座代号螺栓尺寸配合轴径D B S D1 D2 J P A A1 A2 A3 N KgTY90503 40 27.4 11.5 58 97 53 75 19 4 9 6 12 0.5 90503 TY503 M10 17 TY90504 UCFC204 47 31 12.7 62 100 55.1 78 20.5 5 10 7 12 0.7 90504 UC204 TY504 FC204 M10 20 TY90505 UCFC205 52 34.1 14.3 70 115 63.5 90 21 6 10 7 12 1 90505 UC205 TY505 FC205 M10 25 TY90506 UCFC206 62 38.1 15.9 80 125 70.7 100 23 8 10 8 12 1.3 90506 UC206 TY506 FC206 M10 30 TY90507 UCFC207 72 42.9 17.5 90 135 77.8 110 26 8 11 9 14 1.6 90507 UC207 TY507 FC207 M12 35 TY90508 UCFC208 80 49.2 19 100 145 84.8 120 26 10 11 9 14 2.1 90508 UC208 TY508 FC208 M12 40 TY90509 UCFC209 85 49.2 19 105 160 93.3 132 26 12 10 14 16 2.7 90509 UC209 TY509 FC209 M14 45 TY90510 UCFC210 90 51.6 19 110 165 97.6 138 28 12 10 14 16 3.1 90510 UC210 TY510 FC210 M14 50 TY90511 UCFC211 100 55.6 22.2 125 185 106.1 150 31 12 13 15 19 4.2 90511 UC211 TY511 FC211 M16 55 TY90512 UCFC212 110 65.1 25.4 135 195 113.1 160 36 12 17 15 19 5.3 90512 UC212 TY512 FC212 M16 60 TY90513 UCFC213 120 65.1 25.4 145 205 120.2 170 36 14 16 15 19 6 90513 UC213 TY513 FC213 M16 65 TY90514 UCFC214 125 74.6 30.2 150 215 125.1 177 40 14 17 18 19 7 90514 UC214 TY514 FC214 M16 70 TY90515 UCFC215 130 77.8 33.3 160 220 130.1 184 40 16 18 18 19 7.8 90515 UC215 TY515 FC215 M16 75 TY90516 UCFC216 140 82.6 33.3 170 240 141.4 200 42 16 18 18 23 9.3 90516 UC216 TY516 FC216 M20 80 TY90517 UCFC217 150 85.7 34.1 180 250 147.1 208 45 18 18 20 23 11 90517 UC217 TY517 FC217 M20 85 TY90518 UCFC218 160 96 39.7 190 265 155.5 220 50 18 22 20 23 13 90518 UC218 TY518 FC218 M20 90K90500型(UCT200) 带滑块座顶丝外球面球轴承参数表带座轴承型号外形尺寸带座轴承重量配用轴承代号配用轴承座代号配合轴径D B S L L1 L2 H H1 A A1 A2 N N1 N2 KgK90503 UCT203 47 31 12.7 94 61 10 89 76 32 12 21 19 16 32 0.8 90503 UC203 K503 T203 17 K90504 UCT204 47 31 12.7 94 61 10 89 76 32 12 21 19 16 32 0.8 90504 UC204 K504 T204 20 K90505 UCT205 52 34.1 14.3 97 62 10 89 76 32 12 24 19 16 32 0.9 90505 UC205 K505 T205 25 K90506 UCT206 62 38.1 15.9 113 70 10 102 89 32 12 28 22 16 37 1.3 90506 UC206 K506 T206 30 K90507 UCT207 72 42.9 17.5 129 78 13 102 89 37 12 30 22 16 37 1.7 90507 UC207 K507 T207 35 K90508 UCT208 80 49.2 19 144 88 16 114 102 49 16 33 29 19 49 2.3 90508 UC208 K508 T208 40 K90509 UCT209 85 49.2 19 144 87 16 117 102 49 16 35 29 19 49 2.4 90509 UC209 K509 T209 45 K90510 UCT210 90 51.6 19 149 90 16 117 102 49 16 37 29 19 49 2.5 90510 UC210 K510 T210 50 K90511 UCT211 100 55.6 22.2 171 106 19 146 130 64 22 38 35 25 64 3.8 90511 UC211 K511 T211 55 K90512 UCT212 110 65.1 25.4 194 119 19 146 130 64 22 42 35 32 64 4.7 90512 UC212 K512 T212 60 UCT213 120 65.1 25.4 224 137 21 167 151 70 26 44 41 32 70 7 UC213 T213 65 UCT214 125 74.6 30.2 224 137 21 167 151 70 26 46 41 32 70 7.3 UC214 T214 70 UCT215 130 77.8 33.3 232 140 21 167 151 70 26 48 41 32 70 7.7 UC215 T215 75 UCT216 140 82.6 33.3 235 140 21 184 165 70 26 51 41 32 70 8.4 UC216 T216 80 UCT217 150 85.7 34.1 260 162 29 198 173 73 30 54 48 38 73 11 UC217 T217 85K90600型(UCT300) 带滑块座顶丝外球面球轴承参数表带座轴承型号外形尺寸带座轴承重量配用轴承代号配用轴承座代号配合轴径D B S L L1 L2 H H1 A A1 A2 N N1 N2 KgK90605 UCT305 62 38 15 122 76 12 89 80 36 12 26 26 16 36 1.4 90605 UC305 K605 T305 25 K90606 UCT306 72 43 17 137 85 14 100 90 41 16 28 28 18 41 1.8 90606 UC306 K606 T306 30 K90607 UCT307 80 48 19 150 94 15 111 100 45 16 32 30 20 45 2.4 90607 UC307 K607 T307 35 K90608 UCT308 90 52 19 162 100 17 124 112 50 18 34 32 22 50 3 90608 UC308 K608 T308 40 K90609 UCT309 100 57 22 178 110 18 138 125 55 18 38 34 24 55 4 90609 UC309 K609 T309 45 K90610 UCT310 110 61 22 191 117 20 151 140 61 20 40 37 27 61 5 90610 UC310 K610 T310 50 K90611 UCT311 120 66 25 207 127 21 163 150 66 22 44 39 29 66 6.4 90611 UC311 K611 T311 55 K90612 UCT312 130 71 26 220 135 23 178 160 71 22 46 41 31 71 7.6 90612 UC312 K612 T312 60 K90613 UCT313 140 75 30 238 146 25 190 170 80 26 50 43 32 70 9.7 90613 UC313 K613 T313 65 K90614 UCT314 150 78 33 252 155 25 202 180 90 26 52 46 36 85 11 90614 UC314 K614 T314 70 K90615 UCT315 160 82 32 262 160 25 216 192 90 26 55 46 36 85 14 90615 UC315 K615 T315 75 K90616 UCT316 170 86 34 282 174 28 230 204 102 30 60 53 42 98 16 90616 UC316 K616 T316 80 K90617 UCT317 180 96 40 298 183 30 240 214 102 32 64 53 42 98 20 90617 UC317 K617 T317 85 K90618 UCT318 190 96 40 312 192 30 255 228 110 32 66 57 46 106 22 90618 UC318 K618 T318 90 K90619 UCT319 200 103 41 322 197 31 270 240 110 35 72 57 46 106 25 90619 UC319 K619 T319 95 K90620 UCT320 215 108 42 345 210 32 290 260 120 35 75 59 48 115 32 90620 UC320 K620 T320 100 K90621 UCT321 225 112 44 345 210 32 290 260 120 35 75 59 48 115 32 90621 UC321 K621 T321 105 K90622 UCT322 240 117 46 385 235 38 320 285 130 38 80 65 52 125 40 90622 UC322 K622 T322 110 K90624 UCT324 260 126 51 432 267 42 355 320 140 45 90 70 60 140 55 90624 UC324 K624 T324 120 K90626 UCT326 280 135 54 465 285 45 385 350 150 50 100 75 65 150 69 90626 UC326 K626 T326 130 K90628 UCT328 300 145 59 515 315 50 415 380 155 50 100 80 70 160 84 90628 UC328 K628 T328 140LB90500(UCFB200)型带悬挂式座顶丝外球面球轴承参数表带座轴承型号外形尺寸带座轴承重量配用轴承代号配用轴承座代号螺栓尺寸配合轴径D B S L J J1 C f H H1 A A1 A2 N KgFB90503 40 27.4 11.5 62 32 27 52 52 110 42 25.5 13 15 10 0.7 90503 FB503 M8 17 FB90504 47 31 12.7 62 32 27 52 52 110 42 25.5 13 15 10 0.7 90504 FB504 M8 20 FB90505 52 34.1 14.3 68 34 27 52 56 116 45 27 13 16 10 0.8 90505 FB505 M8 25 FB90506 62 38.1 15.9 78 40 29 55 65 130 50 31 13 18 10 1 90506 FB506 M8 30 FB90507 72 42.9 17.5 90 46 32 62 70 144 55 34 15 19 10 1.3 90507 FB507 M8 35 FB90508 80 49.2 19 100 50 41 72 78 164 60 36 16 21 12 1.4 90508 FB508 M10 40 FB90509 85 49.2 19 106 54 43 76 80 174 65 38 18 22 12 2.2 90509 FB509 M10 45 FB90510 90 51.6 19 112 58 46 82 86 184 68 40 18 22 12 2.5 90510 FB510 M10 50HA90500(UCHA200)型带悬吊式座顶丝外球面球轴承参数表带座轴承型号外形尺寸带座轴承重量配用轴承代号配用轴承座代号配合轴径D B S L H H1 H2 A E Dn KgHA90505 52 34.1 14.3 70 64 99 19 40 0 G 3/4" 1 90505 HA505 25 HA90506 62 38.1 15.9 80 64 104 19 40 0 G 3/4" 1 90506 HA506 30 HA90507 72 42.9 17.5 92 70 116 19 40 0 G 3/4" 1.4 90507 HA507 35 HA90508 80 49.2 19 96 73 121 19 40 2 G 3/4" 1.5 90508 HA508 40 HA90509 85 49.2 19 108 82 136 21 48 4 G 1" 2.1 90509 HA509 45 HA90510 90 51.6 19 114 83 140 21 48 5 G1" 2.6 90510 HA510 50 HA90511 100 55.6 22.2 126 87 150 25 60 7 G1 1/4" 2.9 90511 HA511 55 HA90512 110 65.1 25.4 142 102 173 28 60 9 G1 1/4" 4.4 90512 HA512 60 HA90513 120 65.1 25.4 166 117 200 32 70 9.5 G1 1/2" 6.6 90513 HA513 65 HA90514 125 74.6 30.2 166 117 200 32 70 9.5 G1 1/2" 6.8 90514 HA514 70 HA90515 130 77.8 33.3 166 117 200 32 70 9.5 G1 1/2" 7 90515 HA515 75CS390200(SAPFT200)型带冲压三角形座顶丝外球面球轴承参数表带座轴承型号外形尺寸带座轴承重量配用轴承代号配用轴承座代号螺栓尺寸配合轴径D B1 S J H H1 A A1 N KgCS390203 40 28.6 6.5 63.5 80 29 15 4 7.1 0.28 390203 CS203 M6 17 CS390204 47 31 7.5 71.5 90 34 17 4 9 0.37 390204 CS204 M8 20 CS390205 52 31 7.5 76 95 35 17 4 9 0.42 390205 CS205 M8 25 CS390206 62 35.7 9.0 90.5 112 41 19 5 11 0.65 390206 CS206 M10 30 CS390207 72 38.9 9.5 100 122 45 21 5 11 0.80 390207 CS207 M10 35。
A:轴承座总宽度A1:轴承座底座宽度d:轴承公称内径d1,d2:适用轴径d3:异径孔轴承座大端孔径Da:轴承座内孔直径g:轴承座内孔宽度H:安装面到轴承座内孔直径中心线的距离H1:轴承座底座高度J:螺栓孔中心距离J1:螺栓孔中心距离L:轴承座总长度N:螺栓孔宽度N1:螺栓孔长度S:固定轴承座用螺栓直径3.结构型式及外形尺寸等经孔二螺柱和轴承座本标准适用于符合JB/T2560-2563规定的滑动轴承座2.引用标准GB1176 铸造铜合金GB1184形状和位置公差未注公差的规定GB1801公差与配合尺寸至500mm轴公差带与配合GB1804公差与配合未注公差尺寸的极限偏差GB4879防锈包装GB9439灰铸铁件GB11335未注公差角度的极限偏差GB11352一般工程用铸造碳钢件JB/T2560整体有衬正滑动轴承座型式与尺寸JB/T2561对开式二螺柱正滑动轴承座型式与尺寸JB/T2562对开式四螺柱正滑动轴承座型式与尺寸JB/T2563对开式四螺柱斜滑动轴承座型式与尺寸JB/ZQ4000.10涂装通用技术条件JB/ZQ4286包装通用技术条件3.技术要求3.1轴承座的材料采用HT200灰铸铁或ZG 200ZG400铸钢制造,其机械性能应符合GB9439或GB11352的规定3.2轴瓦和轴套采用ZQA19-4铝青铜制造,轴套也可采用AQSn6-6-3锡青铜选择,其机械性能和化学成分应符合GB1176的规定.3.3铸件上的型砂应清除干净,浇口,冒口,结疤及夹砂等均应铲除或打磨掉,清理后,毛坏表面应平整,光洁.3.4铸件不允许有裂纹,无损于强度和外观的其他缺陷,在下列范围内允许存在.3.4.1非加工表面的缩孔,气孔及渣孔等缺陷,深庥不超过铸件壁厚的八分之一,长*宽不大于5mm*5mm,缺陷总数不超过3个,但轴承座的主要受力断面不允许有铸造缺陷轴承座,是一种安装轴承的部件,它环绕轴承或轴瓦且有一个与轴承外圈或座圈或调心外座圈或调心座垫圈或轴瓦的外表面相匹配的内表面。
轴承座规格表大全1. 材质:铸铁、灰铸铁、黄铜、钢、不锈钢等。
2. 型号:UC、UCT、UCF、UCFL、UE、UK、UP、UCP等。
3. 内径范围:6mm-150mm。
4. 外径范围:17mm-320mm。
5. 宽度范围:17mm-130mm。
6. 重量范围:0.05kg-17kg。
7. 额定静载荷:1.6KN-130KN。
8. 额定动载荷:12.3KN-140KN。
二、高温轴承座规格表高温轴承座主要用于高温环境下的机械设备中,其规格表如下:1. 材质:高温合金、钢等。
2. 型号:UC、UCT、UCF、UCFL、UE、UK、UP、UCP等。
3. 温度范围:100℃-800℃。
4. 内径范围:8mm-150mm。
5. 外径范围:22mm-320mm。
6. 宽度范围:17mm-130mm。
7. 额定静载荷:3.6KN-94KN。
8. 额定动载荷:17.6KN-158KN。
三、耐腐蚀轴承座规格表耐腐蚀轴承座主要用于化工、石化等有腐蚀性气体和液体的环境中,其规格表如下:1. 材质:304不锈钢、316不锈钢等。
2. 型号:UC、UCT、UCF、UCFL、UE、UK、UP、UCP等。
3. 内径范围:8mm-150mm。
4. 外径范围:22mm-320mm。
5. 宽度范围:17mm-130mm。
6. 额定静载荷:1.6KN-130KN。
7. 额定动载荷:12.3KN-140KN。
四、重载轴承座规格表重载轴承座主要用于工程机械和冶金设备等重载行业中,其规格表如下:1. 材质:铸铁、钢、不锈钢等。
2. 型号:UC、UCT、UCF、UCFL、UE、UK、UP、UCP等。
3. 内径范围:12mm-200mm。
4. 外径范围:30mm-420mm。
5. 宽度范围:23mm-145mm。
6. 重量范围:0.15kg-25kg。
7. 额定静载荷:16KN-200KN。
8. 额定动载荷:58KN-250KN。
以上是几种常见轴承座的规格表,不同的轴承座有不同的特点和适用行业,选择适合自己的轴承座有助于提高机械设备的使用寿命和效率。
轴承座规格型号
轴承座是一种常用的机械零部件,它的功能是用来支撑转动的轴,以便轴可以旋转。
轴承座的规格型号多样,有不同的功能,用于不同的用途。
本文将介绍轴承座规格型号的主要特点及对应用途。
第一,轴承座有不同的外形尺寸,有球形、圆柱形、螺旋形等,具体型号有波面轴承座、圆锥轴承座、滚珠轴承座等。
其次,轴承座有不同的材料,有铁制、钢制、铝制等,根据不同的材料有高温铁芯轴承座、不锈钢轴承座、铸铝轴承座等。
第三,轴承座的密封形式有密封圈、O形圈、V形圈等。
最后,轴承座的轴径也有不同的规格,主要有4mm、8mm、10mm、12mm、16mm等,有些轴承座的轴径可以达到100mm。
以上是轴承座规格型号的主要特点。
各种规格型号的轴承座可以用于机械传动系统、汽车前轴芯承系统、建筑机械系统、钻孔机、磨床、移动机械等。
轴承座一般能满足不同应用场合的要求,可以提高工作效率,降低维护成本。
此外,轴承座选型应考虑工作条件,如轴承座的负荷、转速、温度、润滑、环境负荷等。
在进行轴承座的选型时,应根据轴承座的使用情况,结合各项参数,准确选择合适的轴承座型号。
总之,轴承座规格型号多样,各有不同的特点,可以满足不同应用场合的要求。
正确选择轴承座,可以提高机械系统的工作效率,提升设备使用寿命,减少使用成本。
- 1 -。
轴承座型号尺寸标准
不同型号的轴承座尺寸标准各不相同。
以下是部分轴承座型号及其尺寸标准:
UCP型轴承座:采用底座式结构,底座上带有两个固定螺栓孔,与机架安装紧固。
内部安装UC系列外球面球轴承,并配有适当的密封件。
其尺寸标准为(mm):轴孔直径d=12-100,底座长L=127,隔板厚度H=56.5。
UCF型轴承座:采用法兰式结构,连接方式与机架紧固。
内部安装UC 系列外球面球轴承,并配有适当的密封件。
其尺寸标准为(mm):轴孔直径d=12-100,底座长L=144,隔板厚度H=72。
UCFL型轴承座:采用垫板式结构,底座上带有两个固定螺栓孔,与机架安装紧固。
内部安装UC系列外球面球轴承,并配有适当的密封件。
其尺寸标准为(mm):轴孔直径d=12-100,底座长L=148,隔板厚度H=84。
UCT型轴承座:采用耳式结构,与机架通过固定耳进行连接。
内部安装UC系列外球面球轴承,并配有适当的密封件。
其尺寸标准为(mm):轴孔直径d=12-100,底座长L=89,隔板厚度H=37。
以上内容仅供参考,如需了解更多信息,建议咨询专业人士或查阅相关文献。
p220轴承座尺寸参数
摘要:
1.轴承座尺寸参数的概述
2.轴承座尺寸参数的具体内容
3.轴承座尺寸参数的意义和作用
4.轴承座尺寸参数的选择和应用
正文:
轴承座尺寸参数是在轴承选型和使用过程中非常重要的一个参数,它对于轴承的安装和使用有着直接的影响。
轴承座尺寸参数主要包括内径、外径、宽度、高度等几个方面。
内径是轴承座的一个重要尺寸参数,它决定了轴承的安装空间。
如果内径过大,可能导致轴承安装不稳定;如果内径过小,则无法容纳轴承。
外径则是轴承座与轴承配合的尺寸,它决定了轴承的承载能力。
如果外径过大,可能导致轴承的承载能力下降;如果外径过小,则可能无法承受轴承的负载。
宽度是轴承座的横向尺寸,它决定了轴承座的稳定性和承载能力。
高度则是轴承座的长度尺寸,它决定了轴承座的承载高度。
如果高度过小,可能导致轴承的承载能力下降;如果高度过大,则可能使轴承座的稳定性受到影响。
轴承座尺寸参数的选择应根据轴承的具体使用条件和要求来确定。
例如,如果轴承需要承受较大的负载,那么轴承座的外径和高度就需要选择较大的尺寸;如果轴承需要在较小的空间内安装,那么轴承座的内径和宽度就需要选择较小的尺寸。
总之,轴承座尺寸参数是轴承选型和使用过程中非常重要的一个参数,它直接影响着轴承的安装和使用。
p220轴承座尺寸参数(原创版)目录1.轴承座尺寸参数的重要性2.p220 轴承座的具体尺寸参数3.如何选择合适的轴承座尺寸参数4.轴承座尺寸参数对轴承性能的影响正文一、轴承座尺寸参数的重要性在机械制造领域,轴承座的尺寸参数对于轴承的稳定性、可靠性以及使用寿命具有至关重要的影响。
合理的轴承座尺寸参数可以确保轴承在承受负荷和转速的同时,还能保持良好的工作状态,减少故障率和维修成本。
因此,在设计和选择轴承座时,必须充分考虑尺寸参数的合理性。
二、p220 轴承座的具体尺寸参数p220 轴承座是一款常见的轴承座型号,其具体尺寸参数如下:1.外径:220mm2.内径:150mm3.高度:62mm4.轴承孔中心距:130mm5.轴承座宽度:210mm这些尺寸参数是 p220 轴承座的基本属性,但实际应用中,还需要根据具体工况和设计要求进行调整。
三、如何选择合适的轴承座尺寸参数选择轴承座尺寸参数时,需要考虑以下几个方面:1.工况要求:根据轴承所承受的负荷、转速、工作温度等工况参数,选择合适的轴承座尺寸。
2.轴承类型:不同类型的轴承对轴承座尺寸参数的要求不同,例如,深沟球轴承和圆锥滚子轴承对轴承座的宽度和高度要求不同。
3.安装空间:轴承座的尺寸参数应与安装空间相匹配,以确保轴承座能够顺利安装到轴承座孔中。
4.轴向定位:根据轴向定位的要求,选择合适的轴承座尺寸参数,以确保轴承在承受负荷时能够保持稳定的轴向位置。
四、轴承座尺寸参数对轴承性能的影响轴承座尺寸参数对轴承性能的影响主要表现在以下几个方面:1.轴承座的刚度:尺寸参数影响轴承座的刚度,刚度越大,轴承的振动和噪声越小,但刚度过大会增加轴承座的重量和成本。
2.轴承座的散热性能:尺寸参数影响轴承座的散热性能,较大的尺寸可以提供更大的散热面积,有利于提高轴承座的散热性能。
3.轴承座的安装和维护:尺寸参数影响轴承座的安装和维护难度,合理的尺寸参数可以降低安装和维护成本。
p208轴承座标准摘要:1.轴承座标准的概述2.轴承座标准的分类3.轴承座标准的主要内容4.轴承座标准的应用和影响正文:一、轴承座标准的概述轴承座标准是对轴承座生产、加工和使用的技术要求和规范的总称,是保证轴承座质量、可靠性和互换性的重要依据。
在我国,轴承座标准是由国家标准化管理委员会制定和发布的,旨在引导和规范轴承座行业的发展。
二、轴承座标准的分类轴承座标准主要分为两类:一类是通用轴承座标准,另一类是专用轴承座标准。
通用轴承座标准主要针对通用轴承座,包括轴承座的尺寸、形位公差、表面粗糙度、材料等技术要求;专用轴承座标准则针对特定领域或用途的轴承座,如汽车轴承座、风电轴承座等。
三、轴承座标准的主要内容轴承座标准的主要内容包括以下几个方面:1.尺寸:规定了轴承座的外径、内径、高度等尺寸参数,以及与轴承配合的公差范围。
2.形位公差:包括轴承座的圆度、圆柱度、同轴度等形位公差,以及轴承座与轴承配合的形位公差。
3.表面粗糙度:规定了轴承座表面的粗糙度要求,以保证轴承座的耐磨性和抗疲劳性能。
4.材料:规定了轴承座的材料类型和性能要求,以确保轴承座的强度、硬度和耐腐蚀性。
5.公差等级:根据轴承座的应用场合和工作条件,规定了不同的公差等级。
四、轴承座标准的应用和影响轴承座标准的应用主要体现在以下几个方面:1.指导轴承座生产:轴承座标准为轴承座生产提供了技术依据,有助于提高生产效率和产品质量。
2.保证轴承座质量:轴承座标准规定了轴承座的尺寸、形位公差、表面粗糙度等技术要求,有助于保证轴承座的质量。
3.促进轴承座互换性:轴承座标准规定了轴承座的尺寸、公差等级等技术要求,有助于提高轴承座的互换性。
4.降低轴承座成本:轴承座标准有助于提高轴承座的生产效率和质量,从而降低轴承座的成本。
ucpa轴承座尺寸参数
UCPA轴承座是一种悬臂式座承,用于安装UC系列球轴承。
以下是UCPA轴承座的一般尺寸参数:
1. 座承型号: UCPA + 适用轴承型号
2. 座承材料: 一般为铸铁或钢板材质
3. 座承尺寸:一般遵循国际标准,如ISO 3228或JIS B 1559规定的尺寸。
- 座承底面宽度(A): 通常为 30mm - 85mm
- 座承底面长度(B): 通常为 82mm - 165mm
- 座承安装孔中心距离(H):通常为 63.5mm - 149.2mm
- 座承安装孔径(d):根据不同轴承尺寸而定,一般为
12mm - 60mm
- 座承总高度(H1): 通常为 33.3mm - 83mm,包括轴承和座承的高度
4. 座承重量:根据材质和尺寸而定,一般为 0.7kg - 7kg
5. 适用轴承:UC系列球轴承,如UC204、UC205等。
6. 座承特点:用于悬臂式安装,具有良好的刚性和耐用性,适用于各种机械设备中的定位或支撑部分。
需要注意的是,具体的UCPA轴承座尺寸参数可能会有所差异,建议根据实际使用要求和厂家提供的技术资料进行选择和确认。
p209轴承座尺寸参数P209轴承座,也称为“滑块轴承座”,是一种用于支撑、支持和调节轴承的机械零部件。
它是由一组机械零件构成的,包括轴承框架、支撑座、支撑块以及其他配件。
P209轴承座的应用非常广泛,可以用于各种机械设备和电力设备中,如通用机械、电机、发动机、制动器、减速机、驱动器等。
P209轴承座的尺寸参数包括外粗尺寸、内粗尺寸、拉拔尺寸、偏差尺寸和特殊尺寸等。
它们的尺寸参数不同,具体以型号为准,主要取决于轴承座的使用环境和使用要求。
P209轴承座的外粗尺寸通常由直径和厚度两个参数组成,可根据轴距、直径、厚度等要求进行设计。
它的内粗尺寸可以由滑块的安装螺钉的尺寸和形状参数控制,以确保正确的安装尺寸。
P209轴承座的拉拔尺寸是指轴承座内部尺寸,用于拉伸轴承座外部尺寸,以确保座体的紧凑,尽可能减少滑动和噪声的发生。
P209轴承座的偏差尺寸是指外面倒角边缘的偏差尺寸,以及座面与圆柱面之间的偏差尺寸,目的是为了确保导轨座的密封性,防止潮湿环境对导轨座造成损坏。
P209轴承座的特殊尺寸是指型号外形尺寸受特殊处理而产生的偏差尺寸,偏差尺寸越大,越易产生滑动和噪声。
P209轴承座尺寸参数还包括安装尺寸、应力尺寸和零件组装尺寸等。
其中安装尺寸是指轴承座在安装时应符合的尺寸参数,如座面间距、座面厚度、孔径尺寸等。
而应力尺寸是指轴承座安装后应受的和可承受的最大应力,以确保轴承座正常使用。
最后,零件组装尺寸是指不同组成零件组装时需要符合的尺寸参数,以确保良好的运行性能。
P209轴承座尺寸参数是用于轴承座设计和制造的重要依据,它们的精确性和准确性直接关系到轴承座的整体运行性能。
因此,在使用P209轴承座时,应根据型号的尺寸参数进行设计,并严格按照各种尺寸要求进行制造,以确保轴承座性能良好。
标准轴承座尺寸
标准轴承座尺寸通常根据不同的轴承类型和尺寸进行设计和制造。
以下是一些常见的轴承座尺寸:
1. 直径:轴承座的直径根据轴承的外径大小和装配要求而定,常见的直径尺寸有20mm、25mm、30mm等。
2. 高度:轴承座的高度根据轴承的外径、适用的轴承厚度和装配要求而定,常见的高度尺寸有10mm、12mm、15mm等。
3. 孔径:轴承座的孔径是要适配相应的轴承内径尺寸,常见的孔径尺寸有20mm、25mm、30mm等。
4. 螺孔:轴承座上的螺孔用于固定轴承或其他附件,常见的螺孔规格有M8、M10、M12等。
需要注意的是,不同的轴承座尺寸可能会有所不同,具体的尺寸应根据实际应用和设计需求来确定。
轴承座规格尺寸轴承座规格尺寸是指用于安装轴承的座子的尺寸规格。
轴承座作为连接轴承和机器设备的重要部件,其规格尺寸的合理设计对于保证机器设备的正常工作和寿命具有重要影响。
本文将从座子的直径、孔径、高度和孔中心距等方面对轴承座规格尺寸进行详细介绍。
一、座子的直径座子的直径指的是轴承座的外径。
通常采用的直径规格有16mm、20mm、25mm、30mm、35mm等多种规格。
座子的直径选择应根据实际工作负荷、转速和轴承型号等因素综合考虑,以确保座子的强度和刚度满足工作要求。
二、座子的孔径座子的孔径指的是轴承座的内径。
孔径的大小应与轴承的外径相匹配,以确保轴承能够正确安装在座子上。
常见的孔径规格有17mm、20mm、25mm、30mm、35mm等多种规格。
在选择孔径时,需要根据轴承的规格和工作条件进行合理的匹配,以确保轴承能够正常运转。
三、座子的高度座子的高度指的是轴承座的整体高度。
座子的高度直接影响着轴承和轴的相对位置关系,对于轴承的运转和传递负荷起着重要作用。
常见的座子高度规格有40mm、50mm、60mm、70mm等多种规格。
在选择座子高度时,应根据轴承和轴的尺寸、安装方式和工作条件等因素进行综合考虑,确保座子的高度与轴承和轴的要求相匹配。
四、座子的孔中心距座子的孔中心距指的是轴承座两个孔中心之间的距离。
孔中心距的大小直接影响着轴承的位置和相对运动关系,对于轴承的工作性能和传递负荷起着重要作用。
通常采用的孔中心距规格有50mm、60mm、70mm、80mm等多种规格。
在选择孔中心距时,需要根据轴承和座子的要求进行合理匹配,以确保轴承能够在规定的工作范围内运转稳定。
轴承座规格尺寸是保证机器设备正常工作和寿命的重要因素之一。
座子的直径、孔径、高度和孔中心距等规格尺寸的选择应根据轴承和轴的要求,结合实际工作条件进行综合考虑。
合理的规格尺寸设计能够提高轴承的工作性能,延长机器设备的使用寿命,提高生产效率和质量。
UCPH216轴承座是一种常用的轴承座规格,它具有一系列的尺寸参数。
下面将详细介绍UCPH216轴承座的规格尺寸参数。
1. 轴承座类型:UCPH216轴承座属于球心外球面轴承座,采用铸铁材质制作,具有良好的强度和耐用性。
2. 轴承座尺寸:- 轴承座高度(H):140mm- 底座长度(L):292mm- 底座宽度(A):77.8mm- 轴承座螺钉孔间距(J):233mm- 底座孔径(N):82.6mm3. 轴承尺寸:- 轴承型号:UC216- 轴承内径(d):80mm- 轴承外径(D):140mm- 轴承宽度(B):82.6mm4. 安装方式:UCPH216轴承座可通过底部固定螺栓将底座安装在基础上,同时通过内螺纹与轴连接,确保轴承的稳定运转。
5. 密封结构:UCPH216轴承座一般采用防尘盖或密封圈等结构,以防止灰尘、水分等外界物质进入轴承内部,保护轴承的正常工作。
6. 使用环境要求:UCPH216轴承座适用于一般工业场所,温度范围通常在-20℃至+120℃之间。
在特殊环境下,需要根据实际情况选择合适的材质和密封结构。
7. 使用注意事项:- 安装时应保持轴承座与底座之间的垂直度,避免影响轴承的正常工作。
- 螺纹连接时应注意螺纹的紧固力度,避免松动或过紧导致轴承损坏。
- 使用前应检查轴承座内的润滑脂情况,确保轴承良好润滑,延长使用寿命。
综上所述,UCPH216轴承座是一种常用的球心外球面轴承座,具有一系列规格尺寸参数。
在使用时需要注意安装方式、密封结构以及使用环境要求等方面的要求,以确保轴承的正常工作和使用寿命。
希望以上信息对您有所帮助!。
轴承座详细概述有轴承的地方就要有支撑点,轴承的内支撑点是轴,外支撑就是常说的轴承座。
由于一个轴承可以选用不同的轴承座,而一个轴承座同时又可以选用不同类型的轴承,因此,带来轴承座的品种很多。
轴承座快易优有收录,许多国外大的轴承公司也都有自己的轴承座型录。
但是同样的轴承座型号在不同的公司样本里的标记也不完全相同。
对于标准轴承座不同的应用场合,可选择不同材料的轴承座如:灰口铸铁铁、球墨铸铁和铸钢、不锈钢、塑料的特殊轴承座。
根据轴承和轴承座的不同要求,轴承座的分类也不完全相同,在使用的时候要根据设计,认真核对选用。
1按轴承座的形状分类:1、1外球面带座轴承,也称轴承单元SKF的说法。
不带轴承的时候就叫外球面轴承座。
1、1、1、1外球面轴承座其根据轴承的系列分为200系列。
500系列。
300系列。
600系列。
XOO系列。
1、2外球面轴承座按形状分为立式座P座,方形座F座,菱形座FL座,圆形座C座,凸台圆形座FC座,凸台方形座FS座,暗孔座PA座,吊式座FA座。
1、3整体式即非分离式立式轴承座组座,带螺丝紧固的轴承箱盖。
这些立式轴承座组座最初是作为轻轨道卡车的轴箱开发的,但也可用于传统的立式轴承座组。
非分离式立式轴承座组座比分离式轴承座刚性高,有些可承受更重的载荷。
外球面轴承座也属于整体式座。
2剖分式轴承座2、1剖分式轴承座,根据选配的轴承不同以及轴的要求分SN2、5、3、6系列,SNL2、SNL5、SD有2、5、3、6、3100、3000、3200轴承座分为:剖分式轴承座、滑动轴承座、滚动轴承座、带法兰的轴承座、外球面轴承座等。
转盘轴承座引是一种可以接受综合载荷、构造特别的大型和特大型轴承座,其具有构造紧凑、回转灵敏、装置维护方便等特点。
与普通轴承座相比,转盘轴承座有下列明显特征:1、外形尺寸直径通常为0、4cm~10m,最大可达40m。
2、承载才能高普通可一同接受轴向载荷、径向载荷和倾覆力矩载荷。
3、转速低任务转速低于10r/min,而且少数状况下不做陆续回转,仅在一定角度内转动,做摆动运动。