受拉钢筋的锚固长度和抗震锚固长度
- 格式:docx
- 大小:19.92 KB
- 文档页数:2
根据《钢筋混凝土设计规范》11.1.7规定:受拉钢筋抗震锚固长度LaE,计算公式:LaE=ζaE La。
式中:LaE——受拉钢筋抗震锚固长度;ζaE——为抗震锚固长度修正系数,对一、二级抗震等级取1.15,对三级抗震等级取1.05,对四级抗震等级取1.00。
La——受拉钢筋锚固长度(非抗震)。
一、受拉钢筋最小锚固长度(la、laE)非抗震受拉钢筋最小锚固长度la注:1. HPB235级钢筋(光面钢筋)的末端应做180度弯钩,弯后平直段长度应≥3d。
2.当钢筋在混凝土施工过程中易受扰动(如滑模施工)时,其锚固长度应将表值乘以修正系数1.1。
3. HRB335、HRB400和RRB400级的环氧树脂涂层钢筋(用于三类环境的钢筋混凝土构件中),其锚固长度应将表值乘以修正系数1.25。
4. 当HRB335、HRB400和RRB400级钢筋,在锚固区的混凝土保护层厚度>3d且配有箍筋时,其锚固长度可将表值乘以修正系数0.8。
5.任何情况下锚固长度应≥250mm。
6.当钢筋末端采用机械锚固时,其锚固长度可将表值乘以修正系数0.7。
7.当计算中充分利用纵向钢筋的抗压强度时,受压钢筋的锚固长度不应小于受拉锚固长度la 的0.7倍。
机械锚固措施不得用于受压钢筋的锚固。
二、受拉钢筋最小抗震锚固长度laE1.当钢筋在混凝土施工过程中易受扰动(如滑模施工)时,其锚固长度应将表值乘以修正系数1.1。
2. HRB335、HRB400和RRB400级的环氧树脂涂层钢筋(用于三类环境的钢筋混凝土构件中),其锚固长度应将表值乘以修正系数1.25。
3. 当HRB335、HRB400和RRB400级钢筋,在锚固区的混凝土保护层厚度>3d且配有箍筋时,其锚固长度可将表值乘以修正系数0.8。
4. 当钢筋末端采用机械锚固时,其锚固长度可将表值乘以修正系数0.7。
5. 四级抗震的锚固长度laE按非抗震的锚固长度la采用,即laE=la。
Lab和LaE 的区别:Lab=a*ft/fy,Lab为基本锚固长度,a为钢筋的外型系数,光圆钢筋取0.16,带肋钢筋取0.14,ft、fy分别为混凝土、钢筋抗拉强度设计值。
关于锚固长度值的确定
L ab:基本锚固长度
L abe:基本锚固长度(指的是抗震基本锚固长度)
L a:受拉钢筋锚固长度
L aE:纵向受拉钢筋抗震锚固长度。
L a=ζa*L ab 公式○1
L abe=ζaE* L ab 公式○2【出自混凝土结构设计规范2010 11.6.7-1】
L aE =ζaE* La 公式○3
ζaE*ζa*L ab 公式○4
将公式○1代入公式○3得:L aE =
ζa* L abe 公式○5
将公式○2代入公式○4得:L aE =
受拉钢筋锚固长度修正系数ζ a 在施工中很少考虑,(在带肋钢筋的直径大于25时取1.1。
环氧树脂涂层带肋钢筋取1.25,本工程不是此类钢筋,施工中易受扰动的钢筋取1.1,如滑膜施工使钢筋承受较大动荷载(混规2002))。
即通常情况下L aE锚固值可近似出理为L abe 的锚固值。
即通长情况下L aE=L abe
何时取用L aE锚固值,何时取用L abe的锚固值可详见【混凝土结构设计规范2010 P161,162】以及图集《13G101-11》P9第9页.“L aE用于钢筋直锚或者总锚固,L abe用于钢筋弯折锚固和机械锚固”
公式○2举例:对照《11g101-1》查:
如:混凝土等级C25,二级抗震:40*1.15=46d
混凝土等级C25,三级抗震:40*1.05=42d
混凝土等级C25,四级抗震:40*1.0=40d
混凝土等级C30,二级抗震:35d*1.15=40.25d≈ 40d
混凝土等级C25,三级抗震:35d*1.05=36.75d≈37d
混凝土等级C30,四级抗震:35d*1.0=35d。
钢筋锚固长度计算方法钢筋锚固长度计算方法钢筋锚固长度计算方法一)钢筋工程量计算规则1、钢筋工程,应区别现浇、预制构件、不同钢种和规格,分别按设计长度乘以单位重量,以吨计算。
2、计算钢筋工程量时,设计已规定钢筋塔接长度的,按规定塔接长度计算;设计未规定塔接长度的,已包括在钢筋的损耗率之内,不另计算塔接长度。
钢筋电渣压力焊接、套筒挤压等接头,以个计算。
3、先张法预应力钢筋,按构件外形尺寸计算长度,后张法预应力钢筋按设计图规定的预应力钢筋预留孔道长度,并区别不同的锚具类型,分别按下列规定计算:(1)低合金钢筋两端采用螺杆锚具时,预应力的钢筋按预留孔道长度减0.35m,螺杆另行计算。
(2)低合金钢筋一端采用徽头插片,另一端螺杆锚具时,预应力钢筋长度按预留孔道长度计算,螺杆另行计算。
(3)低合金钢筋一端采用徽头插片,另一端采用帮条锚具时,预应力钢筋增加0. 15m,两端采用帮条锚具时预应力钢筋共增加0.3m计算。
(4)低合金钢筋采用后张硅自锚时,预应力钢筋长度增加0. 35m计算。
(5)低合金钢筋或钢绞线采用JM, XM, QM型锚具孔道长度在20m以内时,预应力钢筋长度增加lm;孔道长度20m以上时预应力钢筋长度增加1.8m计算。
(6)碳素钢丝采用锥形锚具,孔道长在20m以内时,预应力钢筋长度增加lm;孔道长在20m以上时,预应力钢筋长度增加1.8m. (7)碳素钢丝两端采用镦粗头时,预应力钢丝长度增加0. 35m计算。
(二)各类钢筋计算长度的确定钢筋长度=构件图示尺寸-保护层总厚度+两端弯钩长度+(图纸注明的搭接长度、弯起钢筋斜长的增加值)式中保护层厚度、钢筋弯钩长度、钢筋搭接长度、弯起钢筋斜长的增加值以及各种类型钢筋设计长度的计算公式见以下:1、钢筋的砼保护层厚度受力钢筋的砼保护层厚度,应符合设计要求,当设计无具体要求时,不应小于受力钢筋直径,并应符合下表的要求。
钢筋的砼保护层厚度(mm)环境条件构件名称砼强度等级低于C25 C25及C30 高于C30 室内正常环境板、墙、壳15 梁、柱25 露天或室内高湿度环境板、墙、壳35 25 15 梁、柱45 35 25 有垫层基础35 70 无垫层注:(1)轻骨料砼的钢筋的保护层厚度应符合国家现行标准《轻骨料砼结构设计规程》。
纵向受拉钢筋的最小锚固长度l a和一、二级、三级抗震等级的抗震锚固长度l aE (一)注:1、所有锚固长度均应l a≥250 。
2、Ⅰ级钢筋两端必须加弯钩。
HPB235钢筋为受拉时,其末端应做成180°弯钩。
弯钩平直段长度不应小于3 d 。
当受压时,可不做弯钩。
3、当弯锚时,有些部位的锚固长度为≥0.4l a + 15 d ,见各类构件的标准构造详图。
4、当钢筋在混凝土施工过程中易受扰动(如滑模施工)时,其锚固长度应乘以修正系数 1.1 。
纵向受拉钢筋的最小锚固长度l a和一、二级、三级抗震等级的抗震锚固长度l aE (二)注:1、所有锚固长度均应l a≥250 。
2、Ⅰ级钢筋两端必须加弯钩。
HPB235钢筋为受拉时,其末端应做成180°弯钩。
弯钩平直段长度不应小于3 d 。
当受压时,可不做弯钩。
3、当弯锚时,有些部位的锚固长度为≥0.4l a + 15 d ,见各类构件的标准构造详图。
注:1、所有锚固长度均应l a≥250 。
2、Ⅰ级钢筋两端必须加弯钩。
HPB235钢筋为受拉时,其末端应做成180°弯钩。
弯钩平直段长度不应小于3 d 。
当受压时,可不做弯钩。
3、当弯锚时,有些部位的锚固长度为≥0.4l a + 15 d ,见各类构件的标准构造详图。
4、当钢筋在混凝土施工过程中易受扰动(如滑模施工)时,其锚固长度应乘以修正系数 1.1 。
注:1、所有锚固长度均应l a≥250 。
2、Ⅰ级钢筋两端必须加弯钩。
HPB235钢筋为受拉时,其末端应做成180°弯钩。
弯钩平直段长度不应小于3 d 。
当受压时,可不做弯钩。
3、当弯锚时,有些部位的锚固长度为≥0.4l a + 15 d ,见各类构件的标准构造详图。
4、当钢筋在混凝土施工过程中易受扰动(如滑模施工)时,其锚固长度应乘以修正系数 1.1 。
注:1、所有锚固长度均应l a≥250 。
2、Ⅰ级钢筋两端必须加弯钩。
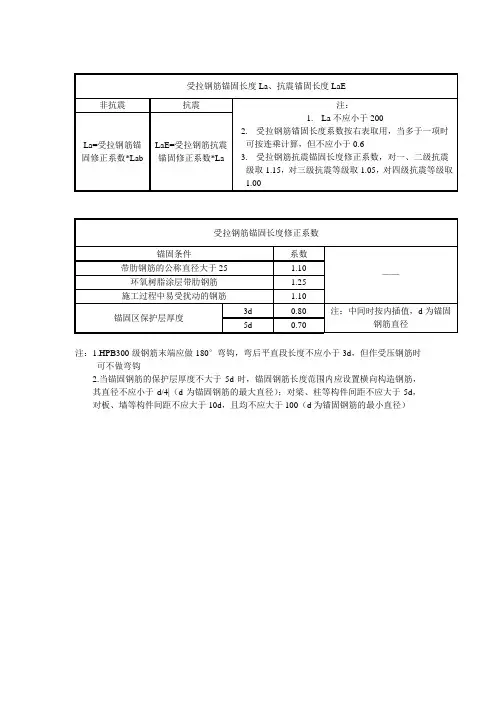
受拉钢筋锚固长度La 、抗震锚固长度LaE
非抗震 抗震 注:
1. La 不应小于200
2. 受拉钢筋锚固长度系数按右表取用,当多于一项时
可按连乘计算,但不应小于0.6
3. 受拉钢筋抗震锚固长度修正系数,对一、二级抗震
级取1.15,对三级抗震等级取1.05,对四级抗震等级取
1.00
La=受拉钢筋锚固修正系数*Lab LaE=受拉钢筋抗震锚固修正系数*La
注:1.HPB300级钢筋末端应做180°弯钩,弯后平直段长度不应小于3d ,但作受压钢筋时
可不做弯钩
2.当锚固钢筋的保护层厚度不大于5d 时,锚固钢筋长度范围内应设置横向构造钢筋,
其直径不应小于d/4|(d 为锚固钢筋的最大直径);对梁、柱等构件间距不应大于5d ,对板、墙等构件间距不应大于10d ,且均不应大于100(d 为锚固钢筋的最小直径)。
抗震设计时受拉钢筋的基本锚固长度
抗震设计是建筑结构中非常重要的一部分,针对地震发生时结构不被破坏,防止对人的伤害和财产的损失。
而在抗震设计中,受拉钢筋的基本锚固长度也是一个至关重要的环节。
受拉钢筋的基本锚固长度是指将受拉钢筋的一端固定在混凝土中,以保证它在工程中的正常使用,达到结构稳定和安全的要求。
在钢筋构件的力学性能中,拉力是非常关键的,因此需要保证钢筋在受拉的时候不会滑动,否则会导致结构破坏。
基本锚固长度的选取需要根据受拉钢筋的直径、混凝土的强度和受拉钢筋与混凝土的附着力等因素进行考虑。
基本原则是选择足够的锚固长度,以确保钢筋整体受力的均匀性和结构的稳定性。
在实际工作中,为了计算出受拉钢筋的基本锚固长度,需要了解以下几个方面:
首先,需要确定钢筋的直径和混凝土的强度。
在计算基本锚固长度时,需要根据实际情况确定具体的钢筋直径和混凝土强度。
其次,需要了解混凝土与钢筋之间的附着性能。
这是决定基本锚固长度的关键因素之一。
另外,需要针对结构的具体情况进行计算,以确保附着力能够达到理想的要求。
最后,需要根据弯曲疲劳和蠕变等因素进行综合考虑。
受拉钢筋在使用过程中,可能会受到弯曲载荷和疲劳载荷等,因此在计算基本锚固长度时,需要将这些因素考虑进去,确保结构的安全性。
在实际工程中,受拉钢筋的基本锚固长度是一个非常重要的计算参数,需要在设计中严格计算和控制。
只有正确的计算和设计,才能确保建筑结构在地震等自然灾害中得到有效保护,最大限度地避免损失和伤害。
受拉钢筋基本锚固长度:非抗震Lab ----- 抗震Labe受拉钢筋锚固长度修正系数:Z a受拉钢筋抗震锚固长度修正系数:Z aE对一、二级抗震等级取 1.15, 对三级抗震等级取1.05,对四级抗震等级取1.00La――受拉钢筋锚固长度(非抗震)La = Z a LabLaE ------ 受拉钢筋锚固长度(抗震)LaE= Z aE LaLa = Z a LabHe ――柱截面沿框架方向的高度(圆柱为截面直径)Hn ---- 所在的楼层柱净高Be――端柱端头的宽度Bf ――剪力墙厚度Ln ――梁净跨度长度Hb ――梁截面高度Hw ――截面腹板高度G――侧面构造钢筋N――侧面抗扭钢筋Ln ――梁净跨长度AP ――代表的是动力配电箱AL ――代表的是照明配电箱ALE ――应急照明配电箱AT ――双电源切换箱AW——电表箱RD——弱电QD ――强电F――电涌保护器或避雷器XF ――消防PF――排风PY ――排烟YJV电缆型号的名称为:交联聚乙烯绝缘聚氯乙烯护套电力电缆电缆ZR-YJV-4*35+1*16-CT-SC50-WC-CC , NH-BV-2*2.5+BVR-1*2.5-CT-KBG20-WC-CC , 3(RWP-2X1.0/SC20)-FC,WC 什么意思?ZR-YJV-4*35+1*16-CT-SC50-WC-CC 中,ZR :阻燃,YJV :交联聚乙烯铜芯线4*35+1*16 : 4根截面积为35平方毫米和一根16平方毫米的芯SC50:电缆穿直径为50的焊接钢管WC :暗敷在墙内CC:暗敷在屋面或顶板内。
NH-BV-2*2.5+BVR-1*2.5-CT-KBG20-WC-CC中NH :耐火BV :聚氯乙烯铜芯线BVR :应该是软线WC :暗敷在墙内CT: 桥架KBG为扣压式镀锌薄壁电线管,其连接是用扣压钳子,将管道和管件压出小坑,紧密连接。
JDG为紧定式镀锌薄壁电线管,其连接靠管件顶丝顶紧管道,达到紧密连接。
四级抗震纵向受拉钢筋抗震锚固长度1.概述在建筑设计和施工中,抗震设计是非常重要的一环。
在设计中,需要考虑到建筑在地震发生时的受力情况,以及钢筋混凝土结构的抗震性能。
其中,纵向受拉钢筋的抗震锚固长度就是一个关键参数,本文将围绕这一主题展开讨论。
2.四级抗震纵向受拉钢筋抗震锚固长度的定义四级抗震是指建筑的抗震能力符合《建筑抗震设计规范》GB xxx-2010中规定的四级抗震要求。
在这种抗震等级下,建筑中的纵向受拉钢筋需要具备一定的抗震锚固长度,以保证在地震发生时能够有效地发挥作用,保护建筑结构的安全。
3.纵向受拉钢筋抗震锚固长度的计算方法纵向受拉钢筋抗震锚固长度的计算需要考虑多个因素,包括地震作用、构件尺寸、钢筋截面积、混凝土强度等。
具体的计算方法一般参考《混凝土结构抗震设计规范》GB xxx-2010中的相关规定,采用钢筋混凝土结构设计软件进行计算。
4.四级抗震纵向受拉钢筋抗震锚固长度的重要性四级抗震的抗震要求相对较高,对于纵向受拉钢筋的抗震锚固长度也提出了相应的要求。
合理计算和设置抗震锚固长度,不仅能够保证结构的抗震性能,还能够减小地震作用对结构造成的损坏,提高建筑的抗震安全性。
5.纵向受拉钢筋抗震锚固长度的设计建议根据《混凝土结构抗震设计规范》GB xxx-2010中的要求,设计抗震锚固长度应参考相应的规范,并结合实际工程情况进行合理调整。
还应结合地震动力学理论,进行结构的动力计算和分析,确保纵向受拉钢筋的抗震锚固长度符合抗震设计要求。
6.结论四级抗震纵向受拉钢筋的抗震锚固长度是建筑抗震设计中非常重要的一项技术指标。
合理计算和设置抗震锚固长度,对于提高建筑的抗震性能和安全性至关重要。
建筑结构设计人员在设计中应严格按照规范要求进行计算和设置,确保纵向受拉钢筋的抗震锚固长度达到设计要求,为建筑的抗震安全提供保障。
抗震锚固长度对于建筑的抗震性能至关重要,它直接影响着结构在地震发生时的受力情况和整体稳定性。
受拉钢筋基本锚固长度和抗震锚固长度的区别受拉钢筋基本锚固长度和抗震锚固长度的区别引言:在建筑工程中,钢筋的锚固是十分重要的一环。
钢筋的锚固长度是指钢筋在混凝土中的埋置长度,它直接影响着钢筋的受力性能和整个结构的安全性能。
在不同的工程中,受拉钢筋的基本锚固长度和抗震锚固长度有着不同的要求和区别。
1. 受拉钢筋基本锚固长度受拉钢筋基本锚固长度是指在正常使用和荷载下,钢筋能够稳定传递拉力的最小锚固长度。
根据国家标准,受拉钢筋的基本锚固长度是钢筋直径的40倍。
基本锚固长度的计算公式是:Lb=40d,其中Lb表示基本锚固长度,d表示钢筋的直径。
基本锚固长度的确定是为了保证钢筋的拉力能够得到充分的传递,避免出现钢筋滑移或者脱离混凝土的情况,从而确保结构的安全性能。
基本锚固长度的要求是普遍适用于一般建筑工程,不考虑地震等特殊情况。
2. 抗震锚固长度抗震锚固长度是指在地震作用下,钢筋能够稳定传递拉力的最小锚固长度。
由于地震作用会给结构带来巨大的水平荷载,因此钢筋的锚固长度需要相应地增加,以确保结构在地震中的安全性能。
抗震锚固长度的计算需要考虑地震力的大小和结构的抗震性能要求。
一般来说,抗震锚固长度要大于基本锚固长度。
具体的计算方法较为复杂,需要根据结构的特点、地震的影响和相关的抗震设计规范进行综合考虑。
抗震锚固长度的增加是为了增强钢筋与混凝土之间的粘结力,防止钢筋滑移和脱离混凝土,从而保证结构在地震中的整体稳定性能。
抗震锚固长度的要求是针对地震区域的建筑工程,是为了满足地震作用下的安全性能。
3. 区别与联系受拉钢筋的基本锚固长度和抗震锚固长度在计算方法和要求上有所不同,但它们也存在一定的联系。
基本锚固长度是抗震锚固长度的一种特殊情况,即在不考虑地震作用时的最小锚固长度。
基本锚固长度和抗震锚固长度的计算都需要考虑钢筋的直径,这是因为钢筋的直径直接影响着钢筋与混凝土之间的粘结力和传力能力。
总结:受拉钢筋的基本锚固长度和抗震锚固长度是建筑工程中钢筋锚固的重要参数。
抗震设计时受拉钢筋基本锚固长度1. 引言说到抗震设计,大家可能觉得这是一件很枯燥的事情,但其实这背后有着不少有趣的知识呢!今天我们就来聊聊受拉钢筋的基本锚固长度。
可能很多小伙伴在听到这些专业术语时,都忍不住想要打个哈欠,但没关系,我们会让这段旅程轻松有趣,让你在欢声笑语中了解抗震设计的重要性!2. 受拉钢筋的角色2.1 受拉钢筋的定义首先,受拉钢筋到底是什么呢?简单来说,受拉钢筋就是在混凝土结构中负责承受拉力的那根“英雄”钢筋。
它就像一位勇敢的骑士,时刻准备着保护自己的城堡(也就是我们的建筑物)。
当地震来袭,建筑物就像被一只大手摇晃,受拉钢筋在其中发挥着至关重要的作用,确保整体结构的稳定。
想象一下,如果没有这位骑士,建筑物可能会四分五裂,后果可想而知。
2.2 基本锚固长度的概念那么,什么是基本锚固长度呢?打个比方,钢筋就像是一根面条,要想把面条放进汤里,必须让它在水里泡一段时间才能变软。
这就是锚固的道理!锚固长度就是确保钢筋牢牢“扎根”在混凝土里的长度。
这个长度太短了,面条就会滑出来,结构也就不稳当;长度太长了,又会浪费材料,所以找到一个合适的锚固长度是关键。
这就像你吃面条时,长短要适中,才能入口顺滑,别一口吃下去,结果却卡了喉咙。
3. 基本锚固长度的计算3.1 影响因素好啦,接下来我们聊聊计算基本锚固长度时需要考虑的因素。
首先,钢筋的直径是一个很重要的因素。
就像穿鞋子一样,鞋子的大小直接影响到你的舒适度。
如果你买了一双超小号的鞋子,那走几步就要想办法脱掉了。
钢筋直径越大,锚固长度也相应要长一些,才能确保它牢牢固定在混凝土中。
其次,混凝土的强度也是一个关键因素。
强度高的混凝土就像是结实的地基,能给钢筋提供更多的支持;而强度低的混凝土,钢筋需要更长的锚固长度才能保持稳固。
想象一下,如果地基软塌塌的,钢筋再怎么努力,也难以发挥出它的“英雄本色”呀。
3.2 规范要求除了这些影响因素,设计规范也是我们必须关注的。
板的钢筋板配筋规定:钢筋混凝土板是受弯构件,按其作用分为:底部受力筋、上部负筋、分布筋几种。
一、受力筋主要用来承受拉力。
悬臂板及地下室底板等构件的受力钢筋的配置是在板的上部。
当板为两端支承的简支板时,其底部受力钢筋平行跨度布置;当板为四周支承并且其长短边之比值大于2时,板为单向受力,叫单向板,其底部受力钢筋平行短边方向布置;当板为四周支承并且其长短边之比值小于或等于2时,板为双向受力,叫双向板,其底部纵横两个方向均为受力钢筋。
1、板中受力钢筋的常用直径:板厚h<100mm时为6~8mmm;h=100~150mm时为8~12mm;h>150mm时为12~16mm;采用现浇板时受力钢筋不应小于6mm,预制板时不应小于4mm。
2、板中受力钢筋的间距,一般不小于70mm,当板厚h≤150mm时间距不宜大于200mm,当h>150mm时不宜大于1.5h或250mm。
板中受力钢筋一般距墙边或梁边50mm开始配置。
3、单向板和双向板可采用分离式配筋或弯起式配筋。
分离式配筋因施工方便,已成为工程中主要采用的配筋方式。
当多跨单向板、多跨双向板采用分离式配筋时,跨中下部钢筋宜全部伸人支座;支座负筋向跨内的延伸长度a应覆盖负弯矩图并满足钢筋锚固的要求。
4、简支板或连续板跨中下部纵向钢筋伸至支座的中心线且锚固长度不应小于5d(d为下部钢筋直径)。
当连续板内温度收缩应力较大时,伸入支座的锚固长度宜适当增加。
对与边梁整浇的板,支座负弯矩钢筋的锚固长度应为La,见图2-21右侧支座负筋5、在双向板的纵横两个方向上均需配置受力钢筋。
承受弯矩较大方向的受力钢筋,布置在受力较小钢筋的外层。
二、分布钢筋它主要用来使作用在板面荷载能均匀地传递给受力钢筋;抵抗四温度变化和混凝土收缩在垂直于板跨方向所产生的拉应力;同时还与受力钢筋绑扎在一起组合成骨架,防止受力钢筋在混凝土浇捣时的位移。
1、单向板中单位长度上分布钢筋的截面面积不宜小于单位宽度上受力钢筋截面面积15%,且不宜小于该方向板截面面积的0.15%;分布钢筋的间距不宜大于250mm,直径不宜小于6mm。