焊缝符号表示法清晰版
- 格式:ppt
- 大小:348.50 KB
- 文档页数:46
常用焊缝符号及其标注方法基本符号是表示焊缝横截面形状的符号,常用基本符号见表1。
表1 常用基本符号序号名称示意图符号1 角焊缝2 点焊缝3 Ⅰ形焊缝4 V形焊缝5 单边V形焊缝6 带钝边V形焊缝7 缝焊缝表1(完)常用基本符号序号名称示意图符号8 塞焊缝或槽焊缝9 封底焊缝10 喇叭形焊缝11 单边喇叭形焊缝4.1.2 在焊接标注时,焊缝的基本符号必须标注。
4.1.3 对于需要开坡口的焊缝,当设计对坡口形状有特殊要求时,则应在技术图样中画出焊缝坡口的断面图,并明确各项要求;设计对坡口形状无特殊要求时,则技术图样中不做规定,应由工艺人员在工艺文件中予以明确。
4.2 辅助符号4.2.1 辅助符号是表示焊缝表面形状特征的符号,见表2。
表2 辅助符号序号名称示意图符号标注示例说明1 平面符号平面V形对接焊缝一般通过加工保证2 凹面符号凹面角焊缝3 凸面符号凸面V形对接焊缝4.2.2 对焊缝的表面无要求时,则不标注辅助符号。
4.3 补充符号4.3.1 补充符号是为了补充说明焊缝的某些特征而采用的符号,见表3。
4.3.2 当焊缝具有表3所列特征时,则必须标注相应的补充符号。
表3 补充符号序号名称示意图符号标注示例说明1 带垫板符号 V形对接焊缝,底面有垫板2 三面焊缝符号工件三面施角焊缝,焊接方法为手工电弧焊3 周围焊缝符号沿工件周围施角焊缝4 尾部符号 (同上述三面焊缝符号)标注焊接方法及处数N 等说明4.4 尺寸符号4.4.1 常用尺寸符号见表4,表中各尺寸符号,在图样中应标出具体数值。
表4 焊缝尺寸符号序号名称示意图符号标注示例说明1焊脚尺寸K角焊缝焊脚尺寸为K2焊缝宽度焊缝厚度c SⅠ形焊缝 焊缝宽为c 焊缝厚为S3熔核直径d塞焊缝 熔核直径d点焊缝 焊点直径d4 焊缝间距 e角焊缝 焊脚尺寸为K焊缝长度为l 焊缝间距为e 焊缝段(点)数n5 焊缝长度l 6 焊缝段(点)数 n7 相同焊缝处数 d角焊缝 焊脚尺寸为K相同焊缝处数为N4.4.2 确定焊缝位置的尺寸不在焊缝符号中给出,而是将其标注在图样上。
资料范本本资料为word版本,可以直接编辑和打印,感谢您的下载焊接符号标注及详细表示方法地点:__________________时间:__________________说明:本资料适用于约定双方经过谈判,协商而共同承认,共同遵守的责任与义务,仅供参考,文档可直接下载或修改,不需要的部分可直接删除,使用时请详细阅读内容焊接符号标注及表示方法—详版什么是焊接符号焊接符号是一种工程语言,能简单、明了地在图纸上说明焊缝的形状、几何尺寸和焊接方法。
我国的焊接符号是由国家标准GB324规定的。
焊接符号有什么作用焊接符号是把在图样上用技术制图方法所表示的焊缝的基本形式和尺寸采用一些符号来表示的方法。
焊接符号可以表示出:(1)所焊焊缝的位置。
(2)焊缝横截面形状(坡口形状)及坡口尺寸。
(3)焊缝表面形状特征。
(4)表示焊缝某些特征或其他要求。
焊缝形式及坡口尺寸在图纸上是怎样表示的焊缝形式及坡口尺寸在图纸上一般采用技术制图的方法表示。
为了简化焊缝在图样上的表示方法,现采用国家标准规定的焊缝符号及坡口尺寸的表示方法。
焊接符号由哪几部分组成焊接符号一般是由基本符号和指引线组成,必要时还可以加上辅助符号、补充符号和焊缝尺寸符号。
焊缝形式及坡口尺寸在图纸上是怎样表示的焊缝形式及坡口尺寸在图纸上一般采用技术制图的方法表示。
为了简化焊缝在图样上的表示方法,现采用国家标准规定的焊缝符号及坡口尺寸的表示方法。
表示焊缝的基本符号有哪些焊缝基本符号是表示焊缝截面形状的符号,它采用近似于焊缝横剖面形状的符号来表示。
GB324-1988中规定了13种焊缝形式的符号,见表2-2。
点击下载 HYPERLINK "/zt-hanjiefuhao/%E7%84%8A%E6%8E%A5%E7%AC%A6%E5%8F%B7%E8%AF%B4%E6%98%8E%E5 %A4%A7%E5%85%A8.xls" 焊接符号说明大全(excel表格详细讲解)焊接加工符号的国家标准有哪些焊接符号的国家标准主要有两个:(1) HYPERLINK"/biaozhun/showbz_915.html" \t "_blank" GB324一2008《焊缝代号》。
最常用-焊缝符号表示方法4 焊缝符号4.1 基本符号基本符号是表示焊缝横截面形状的符号,常用基本符号见表1。
表1 常用基本符号序名称示意图符号号1 角焊缝2 点焊缝3 Ⅰ形焊缝4 V形焊缝5 单边V 形焊缝6 带钝边V形焊缝表1(完)常用基本符号序号名称示意图符号7 缝焊缝8 塞焊缝或槽焊缝9 封底焊缝10 喇叭形焊缝11 单边喇叭形焊缝在焊接标注时,焊缝的基本符号必须标注。
对于需要开坡口的焊缝,当设计对坡口形状有特殊要求时,则应在技术图样中画出焊缝坡口的断面图,并明确各项要求;设计对坡口形状无特殊要求时,则技术图样中不做规定,应由工艺人员在工艺文件中予以明确。
4.2 辅助符号辅助符号是表示焊缝表面形状特征的符号,见表2。
表2 辅助符号序号名称示意图符号标注示例说明1 平面符号平面V形对接焊缝一般通过加工保证2 凹面符号凹面角焊缝3 凸面符号凸面V形对接焊缝4.2.2 对焊缝的表面无要求时,则不标注辅助符号。
4.3 补充符号补充符号是为了补充说明焊缝的某些特征而采用的符号,见表3。
当焊缝具有表3所列特征时,则必须标注相应的补充符号。
表3 补充符号序号名称示意图符号标注示例说明1 带垫板符号V形对接焊缝,底面有垫板2 三面焊缝符号工件三面施角焊缝,焊接方法为手工电弧焊3 周围焊缝符号沿工件周围施角焊缝4 尾部符号(同上述三面焊缝符号)标注焊接方法及处数N等说明4.4 尺寸符号4.4.1 常用尺寸符号见表4,表中各尺寸符号,在图样中应标出具体数值。
表4 焊缝尺寸符号序号名称示意图符号标注示例说明1 焊脚尺寸K角焊缝焊脚尺寸为K2 焊缝宽度焊缝厚度cSⅠ形焊缝焊缝宽为c焊缝厚为S3 熔核直径d塞焊缝熔核直径d点焊缝焊点直径d4 焊缝间距e角焊缝焊脚尺寸为K焊缝长度为l焊缝间距为e焊缝段(点)数n5 焊缝长度l6 焊缝段(点)数n7 相同焊缝处数d角焊缝焊脚尺寸为K相同焊缝处数为N4.4.2 确定焊缝位置的尺寸不在焊缝符号中给出,而是将其标注在图样上。
焊缝符号表示法本标准根据GB/T 324-2008 焊缝符号表示法规定而制定。
9.1 基本要求1)在技术图样或文件上需要表示焊缝或接头时,推荐采用焊缝符号。
必要时,也可采用一般的技术制图方法表示。
2)焊缝符号应清晰表述所要说明的信息,不使图样增加更多的注解。
3)完整的焊缝符号包括基本符号、指引线、补充符号、尺寸符号及数据等。
为了简化,在图样上标注焊缝时通常只采用基本符号和指引线,其他内容一般在有关的文件中(如焊接工艺规程等)明确。
4)符号的比例、尺寸及标注位置参见GB/T 12212的有关规定。
9.2 焊缝符号焊缝符号包括基本符号、辅助符号和补充符号。
常用焊缝符号如表所示。
9.3 基本符号和指引线的位置规定9.3.1 基本要求在焊缝符号中,基本符号和指引线为基本要素。
焊缝的准确位置通常由基本符号和指引线之间的相对位置决定,具体位置包括:———箭头线的位置;———基准线的位置;———基本符号的位置。
9.3.2 指引线指引线由箭头线和基准线(实线和虚线)组成,见图19.3.3 焊接标注的内容常用焊接标注的内容如下:K-焊角尺寸,当对焊角尺寸无要求时可以省略;d-塞焊孔的尺寸;n-焊缝段数,当对焊缝段数无明确要求时可以省略;l-焊缝长度,当焊缝长度已由结构尺寸确定时可以省略; e-焊缝间距;n-相同焊缝数量。
本公司的焊接结构中常用的焊缝符号如表所示。
注:当断续焊缝的段数无严格要求时可省略段数。
当同一图样中部分焊缝相同且已用图示法明确表示其位置时,可在技术要求中用文字说明,但剩余焊缝应在图样中明确标注。
基本符号是表示焊缝横截面形状的符号,常用基本符号见表1。
表1 常用基本符号序号名称示意图符号1 角焊缝2 点焊缝3 Ⅰ形焊缝4 V形焊缝5 单边V形焊缝6 带钝边V形焊缝基本符号是表示焊缝横截面形状的符号,常用基本符号见表1。
表1 常用基本符号序号名称示意图符号1 角焊缝2 点焊缝3 Ⅰ形焊缝4 V形焊缝5 单边V形焊缝6 带钝边V形焊缝基本符号是表示焊缝横截面形状的符号,常用基本符号见表1。
表1 常用基本符号序号名称示意图符号1 角焊缝2 点焊缝3 Ⅰ形焊缝4 V形焊缝5 单边V形焊缝6 带钝边V形焊缝基本符号是表示焊缝横截面形状的符号,常用基本符号见表1。
表1 常用基本符号序号名称示意图符号1 角焊缝2 点焊缝3 Ⅰ形焊缝4 V形焊缝5 单边V形焊缝6 带钝边V形焊缝基本符号是表示焊缝横截面形状的符号,常用基本符号见表1。
表1 常用基本符号序号名称示意图符号1 角焊缝2 点焊缝3 Ⅰ形焊缝4 V形焊缝5 单边V形焊缝6 带钝边V形焊缝基本符号是表示焊缝横截面形状的符号,常用基本符号见表1。
表1 常用基本符号序号名称示意图符号1 角焊缝2 点焊缝3 Ⅰ形焊缝4 V形焊缝5 单边V形焊缝6 带钝边V形焊缝基本符号是表示焊缝横截面形状的符号,常用基本符号见表1。
表1 常用基本符号序号名称示意图符号1 角焊缝2 点焊缝3 Ⅰ形焊缝4 V形焊缝5 单边V形焊缝6 带钝边V形焊缝基本符号是表示焊缝横截面形状的符号,常用基本符号见表1。
表1 常用基本符号序号名称示意图符号1 角焊缝2 点焊缝3 Ⅰ形焊缝4 V形焊缝5 单边V形焊缝6 带钝边V形焊缝基本符号是表示焊缝横截面形状的符号,常用基本符号见表1。
表1 常用基本符号序号名称示意图符号1 角焊缝2 点焊缝3 Ⅰ形焊缝4 V形焊缝5 单边V形焊缝6 带钝边V形焊缝基本符号是表示焊缝横截面形状的符号,常用基本符号见表1。
表1 常用基本符号序号名称示意图符号1 角焊缝2 点焊缝3 Ⅰ形焊缝4 V形焊缝5 单边V形焊缝6 带钝边V形焊缝基本符号是表示焊缝横截面形状的符号,常用基本符号见表1。
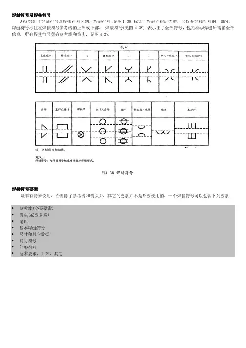
焊缝符号及焊接符号焊缝符号及焊接符号AWS给出了焊缝符号及焊接符号区别,焊缝符号(见图4.38)标识了焊缝的指定类型,它仅是焊接符号的一部分,焊缝符号标注在焊接符号参考线的上部或下部。
焊接符号(见图4.39) 表示出了全部符号,包括标识焊缝所需的全部信息。
所有焊接符号须有参考线和箭头,见图4.37。
焊接符号要素焊接符号要素除非有特殊说明,否则除了参考线和箭头外,其它的要素并不是都要使用的。
一个焊接符号可以包含下列要素:•参考线(必要要素)•箭头(必要要素)•尾巴•基本焊缝符号•尺寸和其它数据•辅助符号•外形符号•技术要求,工艺,其它参考线总是划成水平线。
它用来表示焊缝符号和其它数据,对在其上标识的任何要素都有其具体的含义。
参考线以下被称为箭头端, 参考线以上称为另一端。
在图4.40表示了这一惯例。
箭头方向不改变参考线的含义。
带有基本焊缝符号的多参考线标识方法如图4.41所示。
连接参考线的箭头指向需焊接的坡口或区域。
它或许有折角,或许无折角,或许带有多个箭头。
当所示箭头带有折角时,折角箭头总是指向接头需开坡口的工件,如图4.42所示。
图4.42还标识了多个箭头指向同一焊缝的不同位置。
多个箭头的另一个例子表示在图4.60中。
在图中箭头指向的线段清楚的标明了要求的接头或焊接范围。
箭头要尽可能指向实线(可见线),箭头有时也许会指向虚线(隐蔽线)。
焊接符号的尾巴用来标明焊接和切割工艺,焊接技术要求,程序,及标明焊缝所需的附加信息。
当不需要用焊接工艺,技术要求,其它程序及附加信息尽一步描述焊接内容时,焊接符号的尾巴可以省掉。
图4.43针对焊接符号尾巴进行了描述。
图中提及的工艺,参考文献,技术要求,规范及其它与焊接有关的文件也许会通过增加在焊接符号尾巴上的参考信息来说明。
包含在参考文件中的信息不一定需要在焊接符号中重复(见图4.44)图纸中可通过指定的单一焊接符号为典型(或缩小为TYP) 来避免同一焊接符号的重复,其箭头指向相应接头(见图4.45)。
常用焊缝符号及其标注方法基本符号是表示焊缝横截面形状的符号,常用基本符号见表1。
表1 常用基本符号序号名称示意图符号1 角焊缝2 点焊缝3 Ⅰ形焊缝4 V形焊缝5 单边V形焊缝6 带钝边V形焊缝7 缝焊缝表1(完)常用基本符号序号名称示意图符号8 塞焊缝或槽焊缝9 封底焊缝10 喇叭形焊缝11 单边喇叭形焊缝4.1.2 在焊接标注时,焊缝的基本符号必须标注。
4.1.3 对于需要开坡口的焊缝,当设计对坡口形状有特殊要求时,则应在技术图样中画出焊缝坡口的断面图,并明确各项要求;设计对坡口形状无特殊要求时,则技术图样中不做规定,应由工艺人员在工艺文件中予以明确。
4.2 辅助符号4.2.1 辅助符号是表示焊缝表面形状特征的符号,见表2。
表2 辅助符号序号名称示意图符号标注示例说明1 平面符号平面V形对接焊缝一般通过加工保证2 凹面符号凹面角焊缝3 凸面符号凸面V形对接焊缝4.2.2 对焊缝的表面无要求时,则不标注辅助符号。
4.3 补充符号4.3.1 补充符号是为了补充说明焊缝的某些特征而采用的符号,见表3。
4.3.2 当焊缝具有表3所列特征时,则必须标注相应的补充符号。
表3 补充符号序号名称示意图符号标注示例说明1 带垫板符号 V形对接焊缝,底面有垫板2 三面焊缝符号工件三面施角焊缝,焊接方法为手工电弧焊3 周围焊缝符号沿工件周围施角焊缝4 尾部符号(同上述三面焊缝符号)标注焊接方法及处数N等说明4.4 尺寸符号4.4.1 常用尺寸符号见表4,表中各尺寸符号,在图样中应标出具体数值。
表4 焊缝尺寸符号序号名称示意图符号标注示例说明1 焊脚尺寸K角焊缝焊脚尺寸为K2焊缝宽度焊缝厚度cSⅠ形焊缝焊缝宽为c焊缝厚为S3 熔核直径 d 塞焊缝熔核直径d点焊缝焊点直径d4 焊缝间距 e角焊缝焊脚尺寸为K焊缝长度为l焊缝间距为e焊缝段(点)数n5 焊缝长度l6 焊缝段(点)数n7 相同焊缝处数 d 角焊缝焊脚尺寸为K 相同焊缝处数为N4.4.2 确定焊缝位置的尺寸不在焊缝符号中给出,而是将其标注在图样上。
4 焊缝符号4.1 基本符号4.1.1 基本符号是表示焊缝横截面形状的符号,常用基本符号见表1。
表1 常用基本符号序号名称示意图符号1 角焊缝2 点焊缝3 Ⅰ形焊缝4 V形焊缝5 单边V形焊缝6 带钝边V形焊缝表1(完)常用基本符号序号名称示意图符号7 缝焊缝8 塞焊缝或槽焊缝9 封底焊缝10 喇叭形焊缝11 单边喇叭形焊缝4.1.2 在焊接标注时,焊缝的基本符号必须标注。
4.1.3 对于需要开坡口的焊缝,当设计对坡口形状有特殊要求时,则应在技术图样中画出焊缝坡口的断面图,并明确各项要求;设计对坡口形状无特殊要求时,则技术图样中不做规定,应由工艺人员在工艺文件中予以明确。
4.2 辅助符号4.2.1 辅助符号是表示焊缝表面形状特征的符号,见表2。
表2 辅助符号序号名称示意图符号标注示例说明1 平面符号平面V形对接焊缝一般通过加工保证2 凹面符号凹面角焊缝3 凸面符号凸面V形对接焊缝4.2.2 对焊缝的表面无要求时,则不标注辅助符号。
4.3 补充符号4.3.1 补充符号是为了补充说明焊缝的某些特征而采用的符号,见表3。
4.3.2 当焊缝具有表3所列特征时,则必须标注相应的补充符号。
表3 补充符号序号名称示意图符号标注示例说明1 带垫板符号 V形对接焊缝,底面有垫板2 三面焊缝符号工件三面施角焊缝,焊接方法为手工电弧焊3 周围焊缝符号沿工件周围施角焊缝4 尾部符号(同上述三面焊缝符号)标注焊接方法及处数N等说明4.4 尺寸符号4.4.1 常用尺寸符号见表4,表中各尺寸符号,在图样中应标出具体数值。
表4 焊缝尺寸符号序号名称示意图符号标注示例说明1 焊脚尺寸K角焊缝焊脚尺寸为K2焊缝宽度焊缝厚度cSⅠ形焊缝焊缝宽为c焊缝厚为S3 熔核直径 d 塞焊缝熔核直径d点焊缝焊点直径d4 焊缝间距 e角焊缝焊脚尺寸为K焊缝长度为l焊缝间距为e焊缝段(点)数n5 焊缝长度l6 焊缝段(点)数n7 相同焊缝处数 d 角焊缝焊脚尺寸为K 相同焊缝处数为N4.4.2 确定焊缝位置的尺寸不在焊缝符号中给出,而是将其标注在图样上。
焊接符号表示法(GB324-88)基本符号名称示意图符号名称示意图符号卷边焊缝*(卷边完全熔化)封底焊缝I形焊缝角焊缝V形焊缝塞焊缝或槽焊缝单边V形焊缝带钝边V形焊缝点焊缝o带钝边单边V形焊缝带钝边U形焊缝缝焊缝带钝J形焊缝辅助符号补充符号名称示意图符号名称示意图符号名称示意图符号名称示意图符号平面符号_凸起符号三面焊缝符号带垫板符号凹陷符号周围焊缝符号o现场符号尾部符号<焊缝尺寸符号符号名称示意图符号名称示意图d 工件厚度e焊缝间距a坡口角度K焊角尺寸b根部间隙d熔核直径注:*不完全熔化的卷边焊缝用I 形焊缝符号来表示,并加注焊缝有效厚度S 。
c 钝边s 焊缝有效厚度R 焊缝宽度N相同焊缝数量符号l根部半径H坡口深度n焊缝长度h余高焊缝段数b坡口面角度焊缝尺寸符号及其标注位置标注方法说明:1、指引线一般由箭头和两条基准线(一条为实线,另一条为虚线)两部分组成。
如果焊缝在接头的箭头侧,则将基本符号标在基准线的实线侧(参见表1-49中1);如果焊缝在接头的非箭头侧,则将基本符号标在基准线的虚线侧(参见1-49中1下部);标注对称焊缝及双面焊缝时,可不加虚线(参见表1-49中3及5上部)。
2、基本符号左侧标注焊缝横截面上的尺寸,基本符号右侧标注焊缝长度方向尺寸,基本符号的上侧或下侧标注坡口角度、坡口面角度、根部间隙等尺寸。
3、相同焊缝数量符号在尾部。
4、当标注的尺寸数据较多又不易分辨时,可在数据前面增加相应的尺寸符号。
焊缝符号大全详细讲解哎呀,说到焊缝符号,这可真是个让人又爱又恨的东西啊!我记得刚入行那会儿,师傅拿着一张图纸,指着上面密密麻麻的符号,跟我说:“小子,把这些都记住了,你才能算是个合格的焊工。
”我当时就懵了,心想:“这啥玩意儿啊,怎么这么多符号,还都长得差不多?”师傅看我一脸茫然,笑了笑,说:“别急,慢慢来。
你看这个,这是角焊缝,一般用在两个板材的连接处。
这个符号,你看,像不像个小山丘?对,它就是表示焊缝的形状。
”我凑过去仔细一看,还真有点像,心里稍微有点底了。
师傅接着说:“再看这个,这是对接焊缝,一般用在两块板材的对接处。
这个符号,你看,像不像两块板材面对面站着?对,它就是表示两块板材要对接在一起。
”我点点头,觉得有点意思了。
师傅看我有点开窍了,继续说:“还有这个,这是塞焊缝,一般用在需要加强连接强度的地方。
这个符号,你看,像不像一个小洞?对,它就是表示要在板材上打个洞,然后塞进去焊。
”我听得入神,觉得这些符号还挺有意思的。
师傅看我听得认真,笑了笑,说:“小子,别光听我说,你自己动手试试。
”我拿起焊枪,按照师傅说的,试着焊了几条焊缝。
刚开始,焊得歪歪扭扭的,师傅看了直摇头。
我有点泄气,师傅拍拍我的肩膀,说:“别灰心,慢慢来,熟能生巧。
”就这样,我一边学一边练,渐渐地,那些焊缝符号在我眼里不再那么陌生了。
我开始能看懂图纸上的符号,也能按照符号的要求焊出合格的焊缝。
师傅看我进步了,脸上露出了欣慰的笑容。
现在回想起来,那些焊缝符号就像是一把钥匙,帮我打开了焊接世界的大门。
虽然刚开始觉得它们复杂难懂,但只要用心去学,去练,总能掌握它们的奥秘。
就像师傅说的,熟能生巧,只要坚持不懈,没有什么是学不会的。
哎,说到这儿,我又想起师傅那张布满皱纹的脸,还有他那双粗糙却温暖的手。
师傅虽然严厉,但我知道,他是在用心教我。
现在,我也成了一名焊工,也带起了徒弟。
每当看到徒弟们一脸茫然地看着图纸上的焊缝符号,我就想起自己当年的样子,心里不禁感慨万千。
4 焊缝符号4.1 基本符号4.1.1基本符号是暗示焊缝横截面形状的符号,经常使用基本符号见表1。
表1 经常使用基本符号序号名称示意图符号1角焊缝2点焊缝3Ⅰ形焊缝4V形焊缝5单边V形焊缝6带钝边V 形焊缝表1(完)经常使用基本符号序号名称示意图符号7缝焊缝8塞焊缝或槽焊缝9封底焊缝10喇叭形焊缝11单边喇叭形焊缝4.1.2在焊接标注时,焊缝的基本符号必须标注。
4.1.3对于需要开坡口的焊缝,当设计对坡口形状有特殊要求时,则应在技术图样中画出焊缝坡口的断面图,并明确各项要求;设计对坡口形状无特殊要求时,则技术图样中不做规定,应由工艺人员在工艺文件中予以明确。
4.2 辅助符号4.2.1辅助符号是暗示焊缝概况形状特征的符号,见表2。
表2 辅助符号序号名称示意图符号标注示例说明1 平面符号平面V形对接焊缝一般通过加工包管2凹面符号凹面角焊缝3凸面符号凸面V形对接焊缝4.2.2 对焊缝的概况无要求时,则不标注辅助符号。
4.3 弥补符号4.3.1弥补符号是为了弥补说明焊缝的某些特征而采取的符号,见表3。
4.3.2当焊缝具有表3所列特征时,则必须标注相应的弥补符号。
表3 弥补符号序号名称示意图符号标注示例说明1 带垫板符号V形对接焊缝,底面有垫板2三面焊缝符号工件三面施角焊缝,焊接方法为手工电弧焊3周围焊缝符号沿工件周围施角焊缝4尾部符号(同上述三面焊缝符号)标注焊接方法及处数N等说明4.4 尺寸符号4.4.1 经常使用尺寸符号见表4,表中各尺寸符号,在图样中应标出具体数值。
表4 焊缝尺寸符号序号名称示意图符号 标注示例说明 1 焊脚尺寸K角焊缝焊脚尺寸为K2焊缝宽度 焊缝厚度c SⅠ形焊缝焊缝宽为c 焊缝厚为S3熔核直径d塞焊缝 熔核直径d点焊缝 焊点直径d4 焊缝间距 e角焊缝 焊脚尺寸为K焊缝长度为l 焊缝间距为e 焊缝段(点)数n5 焊缝长度 l6 焊缝段(点)数 n7 相同焊缝处数 d角焊缝 焊脚尺寸为K相同焊缝处数为N4.4.2 确定焊缝位置的尺寸不在焊缝符号中给出,而是将其标注在图样上。