多联机冷媒管尺寸
- 格式:doc
- 大小:42.00 KB
- 文档页数:3
冷媒管最大等效配管长度
冷媒管最大等效配管长度是指在进行制冷系统设计时,考虑到管路阻力、制冷剂流动特性等因素,对冷媒管路的长度进行限制和优化,以确保系统能够正常、高效地运行。
冷媒管是制冷系统中的重要组成部分,负责传输制冷剂,因此其长度和配置对制冷效果和系统稳定性有着重要影响。
在制冷系统设计中,需要综合考虑管路长度、管径、管材、弯曲半径等多个因素,以及不同地区的气候条件、使用环境等因素,来确定冷媒管的最大等效配管长度。
在冷媒管路配置过程中,如果超出规定的最大等效配管长度,可能会导致制冷效果下降、能耗增加、系统稳定性下降等问题。
根据不同的制冷系统和设备要求,冷媒管最大等效配管长度可能会有所不同。
此外,在进行制冷系统设计和施工过程中,还需要遵循相关的标准和规范,确保管路配置合理、安全可靠。
总结来说,冷媒管最大等效配管长度是指在制冷系统设计中,考虑到各种因素对管路性能的影响,所规定的冷媒管路的最大长度限制。
其目的是为了保证制冷系统的正常运行和高效能,以及提高系统的稳定性和可靠性。
在实际应用中,需要根据具体要求和条件进行合理的配置和管理。
冷媒铜管规格【原创实用版】目录1.冷媒铜管的概念与分类2.冷媒铜管的规格尺寸3.冷媒铜管的选择方法4.冷媒铜管的应用领域5.冷媒铜管的发展趋势正文一、冷媒铜管的概念与分类冷媒铜管,主要用于空调、制冷系统中,作为冷媒(制冷剂)流动的通道。
根据冷媒的类型,冷媒铜管可以分为 R22 制冷剂铜管、R410a 制冷剂铜管、R134a 制冷剂铜管等。
根据结构形式,冷媒铜管可分为普通管和翅片管等。
二、冷媒铜管的规格尺寸冷媒铜管的规格尺寸主要包括管径和壁厚。
在我国,冷媒铜管的规格主要参照 GB/T 17213.1-2019《工业用鳍管第 1 部分:无缝鳍管》标准。
常见的管径有 6mm、9.52mm、7.94mm、7mm 等,壁厚有 0.5mm、0.6mm、0.7mm 等。
三、冷媒铜管的选择方法在选择冷媒铜管时,应考虑以下因素:1.制冷剂的类型:根据所使用的制冷剂类型选择相应规格的冷媒铜管。
2.系统设计压力:根据系统的设计压力,选择合适的管径和壁厚。
3.传输距离:传输距离较长时,应选择较大管径的冷媒铜管,以减少流阻和压力损失。
4.使用环境:考虑使用环境的温度、湿度等因素,选择具有良好耐腐蚀性和抗氧化性的冷媒铜管。
四、冷媒铜管的应用领域冷媒铜管广泛应用于空调、制冷、热泵、冷冻冷藏等系统中,如家用空调、中央空调、冷冻机组、冷库等。
五、冷媒铜管的发展趋势随着制冷技术的发展和环保要求的提高,冷媒铜管也在不断更新和改进。
未来冷媒铜管的发展趋势主要体现在以下几个方面:1.环保型制冷剂:随着 R22 制冷剂的逐步淘汰,R410a、R134a 等环保型制冷剂的应用将越来越广泛,相应的冷媒铜管需求也将增加。
2.高效节能:随着节能减排的需求,未来冷媒铜管将向更高效、更节能的方向发展,如采用薄壁管、翅片管等结构形式。
冷媒铜管规格冷媒铜管规格是指冷媒在空调、制冷设备及其他制冷系统中传输的管道的规格。
冷媒铜管规格通常包括管道直径、壁厚、管长等多个参数。
这些规格的选择对于冷媒传输的效率和系统的稳定性具有重要影响。
下面将介绍一些常见的冷媒铜管规格及其应用。
1. 直径:冷媒铜管的直径通常以毫米(mm)为单位。
常见的直径规格有6mm、8mm、10mm、12mm等。
直径越大,冷媒在管道中的流速越快,传输效率也越高。
因此,在冷媒流量较大的系统中,通常选择较大直径的冷媒铜管。
2. 壁厚:冷媒铜管的壁厚是指管道壁的厚度,通常以毫米(mm)为单位。
常见的壁厚规格有0.6mm、0.8mm、1.0mm等。
壁厚越大,冷媒铜管的强度越高,可以承受更大的压力。
因此,在高压力、高温度的制冷系统中,通常选择较大壁厚的冷媒铜管。
3. 管长:冷媒铜管的管长通常以米(m)为单位。
根据具体的制冷系统布局和安装需求,可以选择不同长度的冷媒铜管。
在一些较长的冷媒传输距离中,需要选择较长的冷媒铜管,以确保冷媒的流通畅通。
冷媒铜管规格的选择需要综合考虑多个因素,包括系统的制冷负荷、冷媒种类、工作温度和压力、管道布局等。
不同的冷媒铜管规格适用于不同的制冷系统。
常见的冷媒铜管规格如下:1. 6mm×0.6mm冷媒铜管:适用于小型空调、冷柜等制冷设备,制冷负荷较小的系统。
2. 8mm×0.8mm冷媒铜管:适用于中型空调、冷库等制冷设备,制冷负荷适中的系统。
3. 10mm×1.0mm冷媒铜管:适用于大型空调、冷库等制冷设备,制冷负荷较大的系统。
4. 12mm×1.0mm冷媒铜管:适用于超大型空调、中央空调等制冷设备,制冷负荷非常大的系统。
除了上述常见规格外,还有其他规格的冷媒铜管可供选择,以满足不同系统的需求。
在选择冷媒铜管规格时,还需要考虑到制冷系统的工作条件。
例如,在高温度、高湿度的环境中,需要选择耐腐蚀、耐高温的冷媒铜管。
海尔:(奥蕴多联中央空调)1、室外机汇总管套件2、分歧管套件3、室内机配管分歧管之间管径选择表4、使用范围总长度:300米配管单程最长可达150米第一分歧管到最远室内机配管长度达40米室外机与室内机落差:室外机在上方时为50米,室外机在下方时为40米室内机与室内机的落差为:15米三菱重工海尔:(KX4)1、使用范围配管总长度:510米以内配管单程长度:160米以内从室外机到第一分歧管长度:130米以内第一分歧管到最远室内机配管长度:40米以内室外机间的配管长度:到第一汇总管后5米以内(只限于组合使用)室外机与室内机落差:室外机在上方时为50米以内,室外机在下方时为40米以内同一系统室外机间的落差:1米以内室外机到第一汇总管之间的配管长度为10米以内室内机之间的落差:15米以内2、室外机组合分歧管套件3、分歧管套件4、冷媒配管的选定要领4-1 主管(室外侧分歧~室内侧第一分歧)1)室外机容量在255~960时,最长从(室外机到最远的室内机)在90m以上时,一定将气侧、液侧的主管尺寸加大。
2)室外机容量在1010以上时,请不要将气管尺寸变大。
液管加大到下表所示的尺寸。
4-2 分歧管之间配管选定4-3 室内机连接配管的尺寸东芝:(SMMSi直流变速多联式中央空调) 1、使用范围:总配管长度:1000米最大当量接管长度235米,最大实际接管长度190米。
最大室内外机高度差:室外机在上方时70米,室外机在下方时40米最大室内机高度差:40米第一分歧管到最远室内机配管长度:90米2、室外机组合分歧管套件3、分歧管套件大金:(VRVⅢ)(CMSⅡ)1、使用范围配管总长度:1000米最大实际单程配管长度:165米等效单管长度190米最大室内外机高度落差:室外机在上方时50米,室外机在下方时90米最大管长差:40米(离第一分歧管最近室内机到最远室内机距离)室内机高度落差:15米2、室外机组合分歧管套件3、分歧管套件4、配管尺寸大金:(CMS)1、使用范围配管总长度:510米最大实际单程配管长度:120米最大室内外机高度落差:室外机在上方时50米最大管长差:40米(第一分歧管离最远室内机长度)室内机高度落差:15米2、分歧管套件3、配管尺寸约克YES多联式空调(A系列、B系列)1、使用范围YDOH35-651.最大配管长度可达70米2.室内机与室外机的水平落差可达30米(室外机在上)3.室内机之间水平落差可达15米YDOH80-4804.最大配管长度可达125米5.室内机与室外机的水平落差可达50米(室外机在上)6.室内机之间水平落差可达15米2、配管管径YDOH-AYDOH-BLG分歧管<16<33<71<145<232格力。
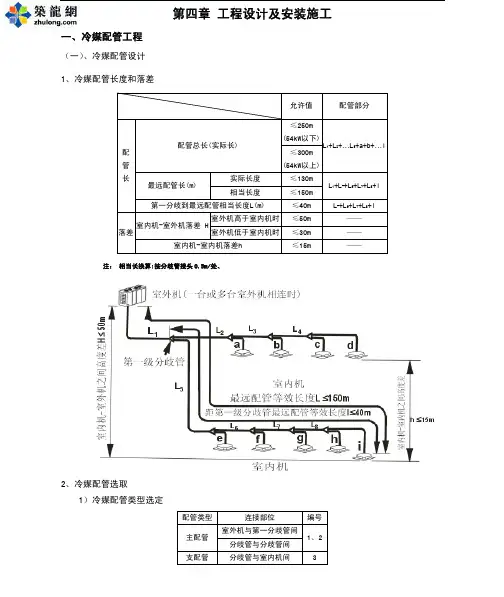
多联机配管选型表..15.冷媒配管⼯程15.1 冷媒配管设计1、冷媒配管长度和落差(表1 )注:1.分歧管折算长度为等价配管长度0.5m。
2.内机尽量均等地安装在U型分歧管的两边。
3.当外机在上的场合且落差超过20⽶,建议在主管的⽓管上每隔10m设置⼀个回油弯,回油弯规格建议如图2。
4.当外机在下时,H≥40m主管与液管需加⼤⼀号。
5.连接到室内机的第⼀个分歧管组件的允许长度应等于或⼩于40m。
但当下列条件全部满⾜的情况下,允许长度可以延长为90m。
6.所有分歧管必须采⽤美的专⽤的分歧管,不按此要求操作可能导致系统严重故障!图1注:1、所有分歧管必须采⽤美的专⽤的分歧管,不按此要求操作可能导致系统严重故障;2、内机尽量均等地安装在U 型分歧管的两边。
300mm 以上图215.2 冷媒配管选取1)冷媒配管类型选定(表2 )24N10注:1、所有分歧管必须采⽤美的专⽤的分歧管。
2、内机尽量均等地安装在U型分歧管的两边。
3、表中所有配管等效长度L1+…+L6+a+…+g+0.5*6(分歧管折算为等价配管长度0.5m)。
4、配管等效长度为单程配管等效长度,即等于⽓侧或液侧的等效长度。
2)室内机主、配管尺⼨选定(表3 )注意:A.A表⽰:配管下游内机(从该段配管的⾄最后⼀台内机之间所有内机)的能⼒之和。
B.第⼀分歧管以外机总能⼒为准,其他分歧管不得⼤于第⼀个分歧管。
C.与主配管相连的分歧接⼝尺⼨若与主配管尺⼨不符,须作适当转接3)室外机主管尺⼨,连接⽅法 (表4)注意:1)请根据上表选择室外机连接配管管径,如果超配,出现主配管⼤于主管的情况,则按照就⼤原则,选择较⼤值的主管和主配管。
例如:三台外机16+16+14并联(总容量为46HP),连接的所有内机总容量为1360,假设所有配管等效长度≥90m,则按照外机总容量为46HP查表4.4得其主管为:Φ38.1/Φ22.2;根据所有内机总容量为1360查表4.3得其主配管为:Φ41.3/Φ22.2,按照就⼤原则,最终确定主管规格为:Φ41.3/Φ22.2。
多联机分歧管及管径选择标准
分歧管在多联机安装系统中,其作用是将管道中的制冷剂分流到室内机中,起着制冷剂分流的作用。
分歧管在整个中央空调VRV管道系统用量不大,但确很重要。
如果分歧管选用不当,就可能出现泄漏,爆管的可能,给中央空调系统造成很大的损失,后期维修起来也很费劲。
这里列举几个主要的参考标准:
铜材质:分歧管主要是紫铜管加工而成,紫铜管质量的好坏直接决定分歧管的质量,现在很多中央空调采用R410A 冷媒,其工作压力比传统冷媒要高,所以应该采用R410A专用铜管,R410A铜管比普通铜管的抗压能力强,耐压可达到50KG以上,适合R410A氟利昂的系统管道的运行。
厚度:分歧管采用的铜管的厚度应该根据口径大小而定,口径越大,应该用越后的铜管。
一般情况下,22.3以下的口径用1mm厚的铜管即可,31.8及以下采用1.3mm铜管,35及以上最好采用1.5mm铜管。
焊接:分歧管的分支口都是经过焊接而成,而焊口也是最容易出问题的地方,好的分歧管应该是焊口均匀、规则、光滑、无虚焊、无脱焊等
氧化物:分歧管加工过程中,会留下大量氧化物,所以加工后还要进行酸洗,把管道内外的氧化物等杂质清洗干
净。
好的分歧管应该管壁干净,内壁无黑点,无杂质。
二、各厂家多联机分歧管及管径选择标准
海尔(奥蕴多联中央空调)1、室外机汇总管套件外机匹数汇总管型号备注8~16匹无
18~32匹HZG-20/A对应2个模块34~48匹HZG-30/A对应3个模块。
第四章 工程设计及安装施工一、冷媒配管工程(一)、冷媒配管设计 1、冷媒配管长度和落差注: 相当长换算:按分歧管接头0.5m/处、2、冷媒配管选取1)冷媒配管类型选定配管类型连接部位 编号室外机与第一分歧管间主配管 分歧管与分歧管间 1、2支配管分歧管与室内机间32)单模块室外机配管尺寸和连接方法机型 气侧 液侧MDV-D252(8)W/S-830Φ28.6(焊接)Φ12.7(扩口螺母)MDV-D280(10)W/S-830Φ28.6(焊接)Φ12.7(扩口螺母)MDV-D335(12)W/S-830Φ28.6(焊接)Φ12.7(扩口螺母)MDV-D400(14)W/S-830Φ38(焊接) Φ15.9(扩口螺母)MDV-D450(16)W/S-830Φ38(焊接) Φ15.9(扩口螺母) 3)多台模块机并联的连接主管尺寸并联机组能力A(HP)配管尺寸(气/液)18≤A≤24 Φ38.0/Φ19.026≤A≤32 Φ45.0/Φ22.034≤A≤48 Φ54.0/Φ25.050≤A≤64 Φ67.0/Φ28.6★注意:多台模块机并联时,必须处于同一水平面,不得出现高差。
4)主配管尺寸选定A (HP) 配管尺寸 (气/液) 适用分歧管 备注0<A≤12 Φ28.6/Φ12.7 MDV-BY101分流冷媒到下一分歧管或室内机12<A≤16 Φ38.0/Φ15.9MDV-BY102分流冷媒到下一分歧管或室内机 16<A≤24 Φ38.0/Φ19.024<A≤32 Φ45.0/Φ22.0 MDV-BY103分流冷媒到下一分歧管或室内机32<A≤48 Φ54.0/Φ25.0 MDV-BY104分流冷媒到下一分歧管48<A≤64 Φ67.0/Φ28.6 MDV-BY105分流冷媒到下一分歧管 说明:① A表示:配管下游内机(从该段配管的至最后一台内机之间所有内机)的马力数之和。
② 第一分歧管以外机总能力为准,其他分歧管不得大于第一个分歧管。
冷媒铜管规格摘要:I.冷媒铜管简介A.冷媒铜管的定义B.冷媒铜管的作用II.冷媒铜管规格A.冷媒铜管的尺寸规格1.常见尺寸2.规格选择方法B.冷媒铜管的壁厚规格1.常见壁厚2.壁厚选择方法III.冷媒铜管的应用A.空调系统中的冷媒铜管1.空调室内机和室外机的连接2.冷媒管道的布置B.冷媒铜管在其他制冷设备中的应用IV.冷媒铜管的安装与维护A.冷媒铜管的安装流程1.安装前的准备工作2.安装过程中的注意事项B.冷媒铜管的维护保养1.日常维护2.定期检查与更换正文:冷媒铜管规格是空调制冷行业中一个重要的主题。
冷媒铜管,又称制冷剂管或冷媒管,是一种用于连接空调室内机和室外机的管道,起到输送制冷剂的作用。
在制冷循环系统中,冷媒铜管是保证制冷效果的关键部件之一。
冷媒铜管规格主要涉及到尺寸和壁厚两个方面。
尺寸规格主要包括外径、内径和长度等参数。
常见的尺寸规格有一匹、一匹半、两匹、两匹半、三匹等,这些规格主要是根据空调的制冷量来划分的。
在选择尺寸规格时,应根据空调的实际制冷需求来选择合适的规格,以保证冷媒铜管的性能和安全性。
壁厚规格是冷媒铜管规格的另一个重要方面。
常见的壁厚规格有0.3mm、0.36mm、0.5mm等。
在选择壁厚规格时,需要考虑冷媒的种类、工作压力、温度等因素,以确保冷媒铜管在实际应用中的稳定性和可靠性。
冷媒铜管广泛应用于空调系统和其他制冷设备中。
在空调系统中,冷媒铜管连接室内机和室外机,起到输送制冷剂的作用。
在冷媒铜管的布置过程中,应考虑到管道的走向、长度、弯曲等因素,以保证空调系统的正常运行。
除了空调系统,冷媒铜管还应用于其他制冷设备,如冰箱、冷柜等,起到制冷剂输送和循环的作用。
在安装冷媒铜管时,需要遵循一定的安装流程。
首先,要进行安装前的准备工作,包括检查冷媒铜管的质量、尺寸和壁厚是否符合要求。
其次,在安装过程中,要注意避免冷媒铜管的破损和污染,确保安装的顺利进行。
最后,在安装完成后,要进行试运行,检查冷媒铜管是否正常工作。