专利申请流程图模板分享
- 格式:docx
- 大小:665.90 KB
- 文档页数:5
发明专利申请表格样板以下是一个发明专利申请表格的样板:发明专利申请表格申请号(办理单位填写):________________________申请日期:________________________申请人姓名/名称:________________________申请人法律地位:________________________申请人地址:________________________发明名称:________________________本发明专利申请是针对以下专利法律文件进行的申请(请标注):1. 中国专利法;2. 国际专利合作条约(PCT);3. 其他国家/地区(请注明):________________________ 申请人代理人姓名/名称:________________________申请人代理人地址:________________________发明专利申请费用缴纳情况:1. 申请费:________________________2. 发明检索费:________________________3. 发明申报费:________________________4. 发明授权费:________________________5. 其他费用(请注明):________________________声明:本申请表中的信息真实有效,如有虚假陈述将承担法律责任。
申请人签名:________________________日期:________________________注意事项:1. 在填写申请表格时,请确保所有信息准确无误,并附上所需的文件和支持证明材料。
2. 在填写申请表格之前,请仔细阅读并理解相关专利法律文件和规定。
3. 如有需要,可以咨询专利申请代理机构或专利律师以获得更详细的指导和帮助。
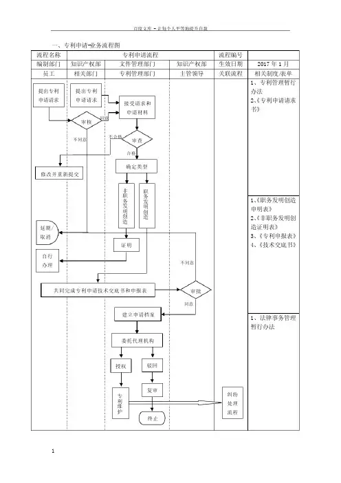
一、专利申请-业务流程图 流程名称 专利申请流程流程编号 编制部门 知识产权部 文件管理部门 知识产权部 生效日期 2017年1月 员工 相关部门专利管理部门主管领导关联流程 相关制度/表单1、专利管理暂行办法 2、《专利申请请求书》1、《职务发明创造申明表》2、《非职务发明创造证明表》3、《专利申报表》4、《技术交底书》1、法律事务管理暂行办法提出专利申请请求延期/取消修改并重新提交自行办理提出专利申请请求审核接受请求和申请材料同意不同意审查不合格合格确定类型非职务发明创造职务发明创造证明共同完成专利申请技术交底书和申报表审批不同意同意建立申请档案委托代理机构专利维护授权 驳回终止纠纷处理流程复审二、专利资产运营-业务流程图 流程名称 专利资产运营流程流程编号 LC-YJY-ZSCQ-02 编制部门 知识产权部 文件管理部门 知识产权部 生效日期2017年1月 相关部门单位决策层专利管理部门关联流程 相关制度/表单1、专利管理暂行办法2、《专利运营申请书》3、《专利法律状态核实表》4、《专利资产评议申请表》1、《专利变更申请表》专业机构集团公司接受申请 专利法律状态核实专利资产价值评估专利资产评议申请专利资产评议报告审批 办理专利相关手续建档、备案终止不同意同意专利运营(转让、许可、投资等)申请三、合同处理-业务流程图 流程名称 合同处理流程 流程编号 编制部门 知识产权部文件管理部门知识产权部 生效日期 2017年1月 相关部门知识产权部会签部门关联流程相关制度/表单1、法律事务管理暂行办法1、《合同会签单》继续会签一般事项 重大 事项洽谈 谈判起草 合同起草合同审 核通过合同修改没通过四、纠纷处理-业务流程图 流程名称 纠纷处理流程 流程编号 编制部门 知识产权部文件管理部门知识产权部 生效日期 2017年1月 相关部门知识产权部院领导关联流程相关制度/表单1、法律事务管理暂行办法1、《合同会签单》纠纷发生 确立处理方案审 批同对方协商同意不同意签订和解协议协商一致 进行诉讼不履行诉讼终结 归 档汇报 结果和解终结协商不成监督协议履行 履行五、商标申请-业务流程图 流程名称 商标申请流程 流程编号编制部门 知识产权部文件管理部门知识产权部 生效日期2017年1月 相关部门知识产权部院领导关联流程相关制度/表单1、商标管理暂行办法设计商标 审批提出商标申请委托代理机构初步公告商标授权 异议答复商标局审查同意不同意未通过有异议 接受商标驳回不接受商标复审行政诉讼归 档提出商标申请无异议通过六、版权登记-业务流程图 流程名称 版权登记流程流程编号 编制部门 知识产权部文件管理部门 知识产权部 生效日期 2017年1月 相关部门知识产权部关联流程相关制度/表单提出版权登记申请审核、分类准 备 资 料中国版权保护中心 陕西省版权保护协会软件作品领取证书归 档中国版权保护中心审查 陕西省版权局审查。
专利申请一、专利申请流程第一步:注册专利电子申请账号第二步:申请专利费用减缓第三步:专利申请第一步:注册专利电子账号1、进入专利电子申请网: ,注册电子申请用户名,获得用户代码;2、使用用户代码和密码登录电子申请网站,下载并安装用户数字证书;3、下载电子申请客户端,安装并升级,使用客户端编辑并提交专利申请;或登录电子申请在线业务办理平台,在线提交专利申请。
第二步:费用减缓申请1、费用减缴备案需在专利申请之前提出,审核通过后费用才能减缴;2、专利费减备案系统登录地址:;电子申请注册用户可使用电子申请注册用户名登录;3、备案资料:营业执照复印件、上年度企业所得税年度纳税申报表复印件。
(现场提交或邮寄)4、费用减缓备案提交相关资料后,7个工作日可知审核结果。
5、符合下列条件之一的申请人或专利权人,可以向国家知识产权局请求减缴上述收费:(1)申请人或者专利权人是个人,并上一年度月均收入低于三千五佰元的;(2)申请人或者专利权人是小型微利企业,并上年度企业应纳税所得额低于30万元的。
(3)两个或者两个以上的个人,或者单位为共同申请人,或者共有专利权人的,应当分别符合上述第一项或者第二项的规定。
6、申请人或者专利权人可以请求减缴下列专利收费:(1)申请费(不包括公布印刷费、申请附加费)(2)发明专利申请审查费(3)年费(自授予专利权当年起10年的年费)(4)复审费。
7、申请人或者专利权人为一个个人或者单位的,可以请求减缴85%的上述收费。
两个或者两个以上的个人,或者单位为共同申请人,或者专利权人的,可以请求减缴70%的上述收费。
第三步:专利申请流程及时间发明专利审批程序包括:受理、初审、公布、实审以及授权五个阶段。
受理之日起约2-3年左右拿证。
(1)受理:时间不确定(2)初审:6个月(3)公布:如果申请人没有提出提前公开的请求,要等到自申请之日起满18个月,专利局也可以根据申请人的请求早日公布其申请。
(申请人提出提前公布的,初审合格后直接公布)(4)实审:自申请日起3年内提出申请,实审时间为10-12个月实用型和外观专利审批程序包括:受理、初审和授权三个阶段。
发明专利申报流程图解析发明专利是指具有创造性、能够被实施、有实用性,并且能够在技术上解决某个问题的发明。
发明专利是工业产权中的一种。
发明专利申请流程相对复杂,需要经过多个环节的审批和授权才能够获得专利权。
下面将对发明专利申报流程进行图解分析。
一、寻找发明切入点切入点是指在申请发明专利前,需要先对研究领域进行深入的探究和研究,找到问题所在、对现有技术有所改进或是新技术的发明点。
这个过程需要进行大量的科研调查,包括文献查找、市场调研等。
二、评估可行性在找到发明切入点后,要对发明点进行一定的评估,确定能否通过技术手段来解决问题,并评估该技术创新是否可行、是否有市场前景。
同时,还需要评估该项技术是否有商业价值。
三、申请专利检索在确定发明点可行后,需要进行专利检索,以确定该项技术是否属于现有技术范畴内,是否已经有了类似的专利申请或者已获得专利。
四、起草申请材料当所有的前期工作都做好了,接下来就需要起草专利申请的材料:包括专利申请书、说明书、权利要求书等。
专利申请书是申请发明专利的主要依据,内容包括技术领域、背景技术、发明切入点、发明内容、权利要求等。
五、申请提交申请材料可以通过线上或线下形式进行提交,线上提交方式需要进行电子签名以确保申请人的身份和材料的真实性。
线下提交方式需要将申请材料寄送到所在专利局进行审核。
六、实审阶段申请提交后,发明专利进入实审阶段,进行审查和评估,包括形式审查、审查意见通知、实质审查等多个环节。
经过审核后,如果申请符合规定,专利局会颁发《审定通知书》,告知申请人申请获得了专利权。
七、年费缴纳专利申报成功后,需要在特定时期内缴纳专利年费。
否则,专利局将会撤回发明专利的专利权。
年费缴纳是发明专利维持有效的重要手段。
综上所述,发明专利申报的过程需要经过多个环节的审核和审批,并且需要进行多种形式的费用缴纳。
希望本文提供的发明专利申报流程图解能够对相关申请人提供帮助。
专利申请流程图模板分享
专利申请是获得专利权的必须程序。
专利权的获得,要由申请人向国家专利机关提出申请,经国家专利机关批准并颁发证书。
申请人在向国家专利机关提出专利申请时,还应提交一系列的申请文件,如请求书、说明书、摘要和权利要求书等等,那么,在专利申请中都有哪些流程呢?今天小编将专利申请流程图分享给大家。
专利申请流程图模板
点击链接在线编辑
/#R1a975e7f20f295153c4bc26e6b6 5f200 密码:4mna
方法介绍:
1.点击链接即可进入在线流程图编辑页面,这时一个完整的流程图就展现在面板中:
2.在面板的四周可以看到有很多的工具栏,需要对流程图添加节点,点击左边基础图形里面的任一图形直接拖曳到右边空白处即可:
3.插入新的节点之后,需要对文本框里的内容进行修改,双击文本框即可进行操作,在面板的右边,可以对样式、文本以及排列
进行设计:
4.点击面板上方的油漆桶或者右边“文本”选项中的背景色即可对流程图字体文本框添加背景颜色:
5.在“编辑”选项中可以对每一个节点进行选择筛查:
6.流程图中可以对每一个节点插入链接、图片和文本,使整个流程图丰富多彩:
7.“排列”选项中可以对流程图进行布局调整,根据自己的喜好选择流程图形状:
8.点击页面左上角“文件”导出,选择导出的格式就可将完整的流程图导出使用了:
以上就是小编运用流程图总结的高中数学函数,相信大家都看懂了吧,后期需要更多关于在线编辑模板及时留言哦!。