关于验证牛顿第二定律实验的典型例题
- 格式:docx
- 大小:64.36 KB
- 文档页数:4
【例1】在光滑水平面上的木块受到一个方向不变,大小从某一数值逐渐变小的外力作用时,木块将作 [ ]A.匀减速运动B.匀加速运动C.速度逐渐减小的变加速运动 D.速度逐渐增大的变加速运动【例2】一个质量m=2kg的木块,放在光滑水平桌面上,受到三个大小均为F=10N、与桌面平行、互成120°角的拉力作用,则物体的加速度多大?若把其中一个力反向,物体的加速度又为多少?【例3】沿光滑斜面下滑的物体受到的力是 [ ]A.重力和斜面支持力 B.重力、下滑力和斜面支持力C.重力、正压力和斜面支持力 D.重力、正压力、下滑力和斜面支持力【例4】图中滑块与平板间摩擦系数为μ,当放着滑块的平板被慢慢地绕着左端抬起,α角由0°增大到90°的过程中,滑块受到的摩擦力将 [ ]A.不断增大 B.不断减少C.先增大后减少D.先增大到一定数值后保持不变【例5】如图,质量为M的凹形槽沿斜面匀速下滑,现将质量为m的砝码轻轻放入槽中,下列说法中正确的是 [ ]A.M和m一起加速下滑B.M和m一起减速下滑C.M和m仍一起匀速下滑【例6】图1表示某人站在一架与水平成θ角的以加速度a向上运动的自动扶梯台阶上,人的质量为m,鞋底与阶梯的摩擦系数为μ,求此时人所受的摩擦力。
【例7】在粗糙水平面上有一个三角形木块abc,在它的两个粗糙斜面上分别放两个质量m1和m2的木块,m1>m2,如图1所示。
已知三角形木块和两个物体都是静止的,则粗糙水平面对三角形木块[ ]A.有摩擦力作用,摩擦力方向水平向右B.有摩擦力作用,摩擦力方向水平向左C.有摩擦力作用,但摩擦力方向不能确定D.以上结论都不对【例8】质量分别为m A和m B的两个小球,用一根轻弹簧联结后用细线悬挂在顶板下(图1),当细线被剪断的瞬间,关于两球下落加速度的说法中,正确的是 [ ]A.a A=a B=0 B.a A=a B=gC.a A>g,a B=0 D.a A<g,a B=0【例9】在车箱的顶板上用细线挂着一个小球(图1),在下列情况下可对车厢的运动情况得出怎样的判断:(1)细线竖直悬挂:______;(2)细线向图中左方偏斜:___;(3)细线向图中右方偏斜:___________ 。
牛顿第二定律典型例题一、力的瞬时性1、无论绳所受拉力多大,绳子的长度不变,由此特点可知,绳子中的张力可以突变.2、弹簧和橡皮绳受力时,要发生形变需要一段时间,所以弹簧和橡皮绳中的弹力不能突变,但是,当弹簧或橡皮绳被剪断时,它们所受的弹力立即消失.【例1】如图3-1-2所示,质量为m 的小球与细线和轻弹簧连接后被悬挂起来,静止平衡时AC 和BC 与过C 的竖直线的夹角都是600,则剪断AC 线瞬间,求小球的加速度;剪断B 处弹簧的瞬间,求小球的加速度.练习1、(2010年全国一卷)15.如右图,轻弹簧上端与一质量为m 的木块1相连,下端与另一质量为M 的木块2相连,整个系统置于水平放置的光滑木坂上,并处于静止状态。
现将木板沿水平方向突然抽出,设抽出后的瞬间,木块1、2的加速度大小分别为1a 、2a ︒重力加速度大小为g ︒则有A. 10a =,2a g =B. 1a g =,2a g =C. 120,m M a ag M +==D. 1a g =,2m Ma g M+=2、一物体在几个力的共同作用下处于静止状态.现使其中向东的一个力F 的值逐渐减小到零,又马上使其恢复到原值(方向不变),则( ) A .物体始终向西运动B .物体先向西运动后向东运动C .物体的加速度先增大后减小D .物体的速度先增大后减小3、如图3-1-13所示的装置中,中间的弹簧质量忽略不计,两个小球质量皆为m ,当剪断上端的绳子OA 的瞬间.小球A 和B 的加速度多大?4、如图3-1-14所示,在两根轻质弹簧a 、b 之间系住一小球,弹簧的另外两端分别固定在地面和天花板上同图3-1-13图3-1-2图3-1-14一竖直线上的两点,等小球静止后,突然撤去弹簧a ,则在撤去弹簧后的瞬间,小球加速度的大小为2.5米/秒2,若突然撤去弹簧b ,则在撤去弹簧后的瞬间,小球加速度的大小可能为( ) A .7.5米/秒2,方向竖直向下 B .7.5米/秒2,方向竖直向上 C .12.5米/秒2,方向竖直向下 D .12.5米/秒2,方向竖直向上二、临界问题的分析与计算【例2】如图3-2-3所示,斜面是光滑的,一个质量是0.2kg 的小球用细绳吊在倾角为53o的斜面顶端.斜面静止时,球紧靠在斜面上,绳与斜面平行;当斜面以8m/s 2的加速度向右做匀加速运动时,求绳子的拉力及斜面对小球的弹力.假设斜面向右加速运动时,斜面对小球的弹力恰好为0,这时绳中的拉力F 与小球的重力mg 的合力使它具有加速度a ,因此有:mgcotα=ma ,即0.2×10×cot53°=0.2a , ∴a=7.5m/s^2,由于这一加速度<10m/s^2,所以当斜面以10m/s2的加速度向右运动时,小球已离开斜面向上了。
牛顿第二定律应用的典型问题1. 力和运动的关系力是改变物体运动状态的原因,而不是维持运动的原因。
由知,加速度与力有直接关系,分析清楚了力,就知道了加速度,而速度与力没有直接关系。
速度如何变化需分析加速度方向与速度方向之间的关系,加速度与速度同向时,速度增加;反之减小。
在加速度为零时,速度有极值。
例1. 如图1所示,轻弹簧下端固定在水平面上。
一个小球从弹簧正上方某一高度处由静止开始自由下落,接触弹簧后把弹簧压缩到一定程度后停止下落。
在小球下落的这一全过程中,下列说法中正确的是()图1A. 小球刚接触弹簧瞬间速度最大B. 从小球接触弹簧起加速度变为竖直向上C. 从小球接触弹簧到到达最低点,小球的速度先增大后减小D. 从小球接触弹簧到到达最低点,小球的加速度先减小后增大例2. 一航天探测器完成对月球的探测任务后,在离开月球的过程中,由静止开始沿着与月球表面成一倾斜角的直线飞行,先加速运动,再匀速运动,探测器通过喷气而获得推动力,以下关于喷气方向的描述中正确的是()A. 探测器加速运动时,沿直线向后喷气B. 探测器加速运动时,竖直向下喷气C. 探测器匀速运动时,竖直向下喷气D. 探测器匀速运动时,不需要喷气解析:小球的加速度大小决定于小球受到的合外力。
从接触弹簧到到达最低点,弹力从零开始逐渐增大,所以合力先减小后增大,因此加速度先减小后增大。
当合力与速度同向时小球速度增大,所以当小球所受弹力和重力大小相等时速度最大。
故选CD。
解析:受力分析如图2所示,探测器沿直线加速运动时,所受合力方向与运动方向相同,而重力方向竖直向下,由平行四边形定则知推力方向必须斜向上方,由牛顿第三定律可知,喷气方向斜向下方;匀速运动时,所受合力为零,因此推力方向必须竖直向上,喷气方向竖直向下。
故正确答案选C。
图22. 力和加速度的瞬时对应关系(1)物体运动的加速度a与其所受的合外力F有瞬时对应关系。
每一瞬时的加速度只取决于这一瞬时的合外力,而与这一瞬时之间或瞬时之后的力无关。
2.光滑斜面上,放有质量为M的木板,木板上表面粗糙,为使木板能在斜面上静止不动,今有一质量为m的猫在上面奔跑,求猫的运动方向和加速度大小。
解:木板不动,其受力平衡。
设斜面夹角为α则木板受到猫给的沿着斜面向上的力大小为Mgsinα。
则猫受到沿着斜面向下的力总共是(m+M)gsinα其加速度为 a = (m+M)gsinα/m3.在倾斜角α=30°的光滑斜面上,通过定滑轮连接着质量mA=mB=1kg的两个物体,开始使用手拖住A,其离地高h=5m,B位于斜面底端撤去手后,求(1)A即将着地时A的动能(2)物体B离低端的最远距离(斜面足够长)解:1,将AB看作整体,用动能地理,设A的动能为E,则B的动能也为E。
有2E = mgh - mgh/2,带入数据求的E =2,机械能守恒,B的动能完全转化为重力势能,设上升高度为H,则mgH = E ,对应的斜面长度L = 2H =所以,物体B离低端的最远距离为 5+L =4.质量为一千克的木板静止在粗糙的水平地面上,木板与地面间的摩擦因素为,在木板左端放置一块质量为一千克,大小不算的铁块,铁块与动摩擦因素为,取g等于10。
求,当木板长为1m,在铁块上加一个水平向右的恒力8N,多少时间铁块运动到木板右端?解:已知μ=,μ′= 对铁块分析,设铁块的加速度为a ma=F拉-μ′mg 解得a=4m/s²对木板分析,设木板加速度为a′ ma′=μ′mg-μ(m+m)g 解得a′=2m/s² 根据S= 1/2 (a-a′)t² 已知S=1m 将a ,a′ 解得t=1s铁块对地的加速度a1 = (8 - *1*g)/1 = 4木板对地的加速度a2 = (*1*g - *2*g)/1 = 2则铁块对木板的相对加速度a = a1 - a2 = 2 ,铁块对木板的初速度为0有 *at^2 = 1 ,得t = 1s5.如图所示。
已知斜面倾角30°,物体A质量mA=㎏,物体B质量mB=㎏,H=。
牛顿第二定律实验练习题1.关于“验证牛顿运动定律”的实验,下列说法中符合实际的是() A.通过同时改变小车的质量m及受到的拉力F的研究,能归纳出加速度、力、质量三者之间的关系B.通过保持小车质量不变,只改变小车的拉力的研究,就可以归纳出加速度、力、质量三者之间的关系C.通过保持小车受力不变,只改变小车质量的研究,就可以得出加速度、力、质量三者之间的关系D.先不改变小车质量,研究加速度与力的关系;再不改变受力,研究加速度与质量的关系,最后归纳出加速度、力、质量三者之间的关系2.如图所示,在探究牛顿运动定律的演示实验中,若1、2两个相同的小车所受拉力分别为F1、F2,车中所放砝码的质量分别为m1、m2,打开夹子后经过相同的时间两车的位移分别为x1、x2,则在实验误差允许的范围内,有()A.当m1=m2、F1=2F2时,x1=2x2B.当m1=m2、F1=2F2时,x2=2x1C.当m1=2m2、F1=F2时,x1=2x2D.当m1=2m2、F1=F2时,x2=2x13.若测得某一物体质量m一定时,a与F的有关数据资料如下表所示:a/(m·s-2) 1.98 4.06 5.958.12F/N 1.00 2.00 3.00 4.00(1)根据表中数据,画出a-F图象.(2)根据图象判定:当m一定时,a与F的关系为______________(3)若甲、乙两同学在实验过程中,由于没有按照正确步骤进行实验,处理数据后得出如图所示的a-F图象.试分析甲、乙两同学可能存在的问题:甲:_____________________________________________________乙:_____________________________________________________4.某同学设计了一个探究加速度a与物体所受合力F及质量m关系的实验,图(a)所示为实验装置简图.(交流电的频率为50 Hz)(1)图(b)所示为某次实验得到的纸带,根据纸带可求出小车的加速度大小为________m/s2.(保留两位有效数字)(2)保持砂和砂桶质量不变,改变小车质量m ,分别得到小车加速度a 与质量m 及对应的1m数据如下表:实验次数 1 2 3 4 5 6 7 8 小车加速度a /m·s -2 1.90 1.72 1.49 1.25 1.00 0.75 0.50 0.30 小车质量m /kg 0.25 0.29 0.33 0.40 0.50 0.71 1.00 1.671m /kg -14.00 3.45 3.03 2.50 2.00 1.41 1.00 0.60请在下图所示的坐标纸中画出a -1m图线,并由图线求出小车加速度a 与质量倒数1m之间的关系式是________________________5.为了探究加速度与力的关系,使用如图所示的气垫导轨装置进行实验.其中G 1、G 2为两个光电门,它们与数字计时器相连,当滑行器通过G 1、G 2光电门时,光束被遮挡的时间Δt 1、Δt 2都可以被测量并记录,滑行器连同上面固定的一条形挡光片的总质量为M ,挡光片宽度为D ,光电门间距离为x ,牵引砝码的质量为m .回答下列问题:(1)实验开始应先调节气垫导轨下面的螺钉,使气垫导轨水平,在不增加其他仪器的情况下,如何判定调节是否到位?答:____________________________________________________________________(2)若取M =0.4 kg ,改变m 的值,进行多次实验,以下m 的取值不合适的一个是 A .m 1=5 g B .m 2=15 g C .m 3=40 g D .m 4=400 g(3)在此实验中,需要测得每一个牵引力对应的加速度,求得的加速度的表达式为 ______________________________(用Δt 1、Δt 2、D 、x 表示)6.在用DIS 研究小车加速度与外力的关系时,某实验小组先用如图(a )所示的实验装置,重物通过滑轮用细线拉小车,位移传感器(发射器)随小车一起沿倾斜轨道运动,位移传感器(接收器)固定在轨道一端.实验中把重物的重力作为拉力F ,改变重物重力重复实验四次,列表记录四组数据.(1)在坐标纸上作出小车加速度a 和拉力F 的关系图线;(2)从所得图线分析该实验小组在操作过程中的不当之处是:__________________________;a /ms -2 2.01 2.98 4.02 6.00 F /N1.002.003.005.003.0 a/ms -2 1.02.0 4.0 2.0 6.0 4.0F /N位移传感器 (接收器)小车位移传感器 (发射器)重物轨道 )a 图((3)如果实验时,在小车和重物之间接一个不计质量的微型力传感器,如图(b)所示.从理论上分析,该实验图线的斜率将___________.(填“变大”,“变小”,“不变”)7.如图所示的实验装置可以验证牛顿运动定律,小车上固定一个盒子,盒子内盛有沙子.沙桶的总质量(包括桶以及桶内沙子质量)记为m ,小车的总质量(包括车、盒子及盒内沙子质量)记为M.(1)验证在质量不变的情况下,加速度与合外力成正比:从盒子中取出一些沙子,装入沙桶中,称量并记录沙桶的总重力mg ,将该力视为合外力F ,对应的加速度a 则从打下的纸带中计算得出.多次改变合外力F 的大小,每次都会得到一个相应的加速度.本次实验中,桶内的沙子取自小车中,故系统的总质量不变.以合外力F 为横轴,以加速度a 为纵轴,画出a -F 图象,图象是一条过原点的直线. ①a -F 图象斜率的物理意义是_________________________________________. ②你认为把沙桶的总重力mg 当作合外力F 是否合理? 答:________.(填“合理”或“不合理”)③本次实验中,是否应该满足M ≫m 这样的条件? 答:________(填“是”或“否”);理由是______________________________________________________.(2)验证在合外力不变的情况下,加速度与质量成反比:保持桶内沙子质量m 不变,在盒子内添加或去掉一些沙子,验证加速度与质量的关系.本次实验中,桶内的沙子总质量不变,故系统所受的合外力不变.用图象法处理数据时,以加速度a 为纵横,应该以______倒数为横轴.参考答案位移传感器(接收器) 小车力传感器位移传感器 (发射器)重物轨道 )b 图(1.解析:验证牛顿运动定律的实验,是利用控制变量法,探究加速度a 与合外力F 、物体质量m 的关系,故D 项正确.答案:D2.解析:当m 1=m 2、F 1=2F 2时,由F =ma 可知,a 1=2a 2,再由x =12at 2可得:x 1=2x 2,故A 正确,B 错误;当m 1=2m 2、F 1=F 2时,a 1=12a 2,再由x =12at 2可得:x 1=12x 2,故C 错误,D 正确.答案:AD3.解析:(1)若a 与F 成正比,则图象是一条过原点的直线.同时,因实验中不可避免地出现误差,研究误差产生的原因,从而减小误差,增大实验的准确性,则在误差允许范围内图象是一条过原点的直线即可.连线时应使直线过尽可能多的点,不在直线上的点应大致对称地分布在直线两侧,离直线较远的点应视为错误数据,不予以考虑.描点画图如图所示.(2)由图可知a 与F 的关系是正比例关系.(3)图中甲在纵轴上有较大截距,说明绳对小车拉力为零时小车就有加速度a 0,可能是平衡摩擦力过度所致.乙在横轴上有截距,可能是实验前没有平衡摩擦力或平衡摩擦力不够. 答案:(1)见解析 (2)正比例关系(3)平衡摩擦力时木板抬的过高 没有平衡摩擦力或平衡摩擦力不够4.解析:(1)由逐差法得a =a =(x 3+x 4)-(x 1+x 2)(4T )2=[(7.72+7.21)-(6.70+6.19)]×10-216×0.022m/s 2≈3.2 m/s 2 (2)如图所示,a =12mN答案:见解析5.解析:(1)如果气垫导轨水平,则不挂砝码时,M 应能在任意位置静止不动,或推动M 后能使M 匀速运动.(2)应满足M ≫m ,故m 4=400 g 不合适. (3)由v 1=D Δt 1,v 2=DΔt 2,v 22-v 12=2ax可得:a =(D Δt 2)2-(D Δt 1)22x.答案:(1)取下牵引砝码,M 放在任意位置都不动;或取下牵引砝码,轻推滑行器M ,数字计时器记录每一个光电门的光束被挡的时间Δt 都相等 (2)D(3)a =(D Δt 2)2-(D Δt 1)22x6. (1) (2)倾角过大 观察图像可以发现,当外力为零 时,加速度a 不等于0,说明在平衡摩擦力时轨道倾角过大,使得重力沿斜面向下的分力大于摩擦力。
牛顿第二定律典型题型题型1:矢量性:加速度的方向总是与合外力的方向相同。
在解题时,可以利用正交分解法进行求解。
1、如图所示,物体A放在斜面上,与斜面一起向右做匀加速运动,物体A受到斜面对它的支持力和摩擦力的合力方向可能是 ( )A.斜向右上方 B.竖直向上C.斜向右下方 D.上述三种方向均不可能1、A 解析:物体A受到竖直向下的重力G、支持力F N和摩擦力三个力的作用,它与斜面一起向右做匀加速运动,合力水平向右,由于重力没有水平方向的分力,支持力F N和摩擦力F f的合力F一定有水平方向的分力,F在竖直方向的分力与重力平衡,F向右斜上方,A正确。
2、如图所示,有一箱装得很满的土豆,以一定的初速度在摩擦因数为的水平地面上做匀减速运动,(不计其它外力及空气阻力),则其中一个质量为m的土豆A受其它土豆对它的总作用力大小应是 ( )A.mg B.mgC.mg D.mg2、C 解析:像本例这种物体系的各部分具有相同加速度的问题,我们可以视其为整体,求关键信息,如加速度,再根据题设要求,求物体系内部的各部分相互作用力。
选所有土豆和箱子构成的整体为研究对象,其受重力、地面支持力和摩擦力而作减速运动,且由摩擦力提供加速度,则有mg=ma,a=g。
而单一土豆A的受其它土豆的作用力无法一一明示,但题目只要求解其总作用力,因此可以用等效合力替代。
由矢量合成法则,得F总=,因此答案C正确。
例3、如图所示,电梯与水平面夹角为300,当电梯加速向上运动时,人对梯面压力是其重力的6/5,则人与梯面间的摩擦力是其重力的多少倍?拓展:如图,动力小车上有一竖杆,杆端用细绳拴一质量为m的小球.当小车沿倾角为30°的斜面匀加速向上运动时,绳与杆的夹角为60°,求小车的加速度和绳中拉力大小.题型2:必须弄清牛顿第二定律的瞬时性牛顿第二定律是表示力的瞬时作用规律,描述的是力的瞬时作用效果—产生加速度。
物体在某一时刻加速度的大小和方向,是由该物体在这一时刻所受到的合外力的大小和方向来决定的。
牛顿第二定律典型例题分析(一)例1、一物体质量为10 kg,在5N的水平向右的拉力作用下沿水平桌面由静止开始运动,物体与桌面间的动摩擦因数为0.20。
①画出物体的受力图。
②加速度多大?方向如何?③求物体在4.0秒末的速度;④求物体在4.0秒末的位移⑤若在4秒末撤去拉力,求物体还能滑行多长时间?针对练习:一辆质量为1.0×103kg的小汽车正以10m/s的速度在平直公路上行驶,现在关闭发动机让它在12.5m的距离内匀减速地停下来,求所需的阻力。
例2、如图所示,质量为4 kg的物体静止于水平面上,物体与水平面间的动摩擦因数为0.5,物体受到F=20 N,与水平方向成37°角斜向上的拉力作用时,沿水平面做匀加速运动。
(g取10 m/s2) 求①物体的加速度是多大?②4秒内的位移?③经过多长时间速度变为10m/s④若在4秒末撤去拉力,求物体还能滑行多长时间?例3、一斜面AB 长为10 m,倾角为37°,一质量为2kg 的小物体(大小不计)从斜面顶端A 点由静止开始下滑,如图所示(g取10 m/s 2)①若斜面光滑,求小物体下滑到斜面底端B 点时的速度及所用时间.②若斜面与物体间的动摩擦因数为0.5,求小物体下滑到斜面底端B 点时的速度及所用时间.针对练习:2004年12月22日,一场瑞雪降临我市。
许多同学在课间追逐嬉戏,尽情玩耍,而同学王清和张华却做了一个小实验:他们造出一个方形的雪块,让它以一定的初速度从一斜坡的底端沿坡面冲上该足够长的斜坡(坡上的雪已压实,斜坡表面平整),发现雪块能沿坡面最大上冲3.4 m 。
已知雪块与坡面间的动摩擦因数为μ=0.1,他们又测量了斜坡的倾角为θ=37º,如图所示。
他俩就估测出了雪块的初速度。
那么:(1)请你算出雪块的初速度为多大?(2)请问雪块沿坡面向上滑的时间为多长?(sin37º=0.6 , cos37º=0.8,g 取10 m/s 2)。
高中物理牛顿第二定律经典练习题专题训
练(含答案)
高中物理牛顿第二定律经典练题专题训练(含答案)
1. Problem
已知一个物体质量为$m$,受到一个力$F$,物体所受加速度为$a$。
根据牛顿第二定律,力、质量和加速度之间的关系可以表示为:
$$F = ma$$
请计算以下问题:
1. 如果质量$m$为2kg,加速度$a$为3m/s^2,求所受的力
$F$的大小。
2. 如果质量$m$为5kg,力$F$的大小为10N,求物体的加速度$a$。
2. Solution
使用牛顿第二定律的公式$F = ma$来解决这些问题。
1. 问题1中,已知质量$m$为2kg,加速度$a$为3m/s^2。
将这些值代入牛顿第二定律的公式,可以得到:
$$F = 2 \times 3 = 6 \,\text{N}$$
所以,所受的力$F$的大小为6N。
2. 问题2中,已知质量$m$为5kg,力$F$的大小为10N。
将这些值代入牛顿第二定律的公式,可以得到:
$$10 = 5a$$
解方程可以得到:
$$a = \frac{10}{5} = 2 \,\text{m/s}^2$$
所以,物体的加速度$a$为2m/s^2。
3. Conclusion
通过计算题目中给定的质量、力和加速度,我们可以使用牛顿第二定律的公式$F = ma$来求解相关问题。
掌握这一定律的应用可以帮助我们更好地理解物体运动的规律和相互作用。
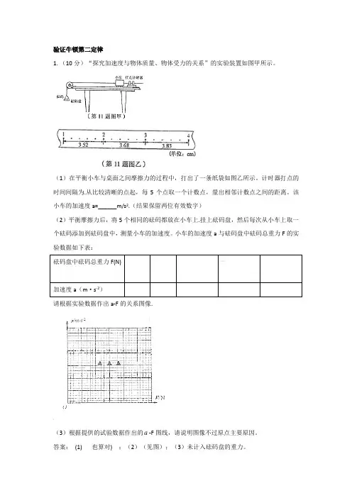
验证牛顿第二定律1.(10分)“探究加速度与物体质量、物体受力的关系”的实验装置如图甲所示。
(1)在平衡小车与桌面之间摩擦力的过程中,打出了一条纸袋如图乙所示。
计时器打点的时间间隔为.从比较清晰的点起,每5个点取一个计数点,量出相邻计数点之间的距离。
该小车的加速度a=______m/s2.(结果保留两位有效数字)(2)平衡摩擦力后,将5个相同的砝码都放在小车上.挂上砝码盘,然后每次从小车上取一个砝码添加到砝码盘中,测量小车的加速度。
小车的加速度a与砝码盘中砝码总重力F的实验数据如下表:砝码盘中砝码总重力F(N)—加速度a(m·s-2)请根据实验数据作出a-F的关系图像..(3)根据提供的试验数据作出的a-F图线,请说明图像不过原点主要原因。
答案:(1) 也算对) ;(2)(见图);(3)未计入砝码盘的重力。
解析:(1)处理匀变速直线运动中所打出的纸带,求解加速度用公式2at x =∆,关键弄清公式中各个量的物理意义,x ∆为连续相等时间内的位移差,t 为连需相等的时间间隔,如果每5个点取一个点,则连续两点的时间间隔为t =,=∆x ()210-⨯m ,带入可得加速度a =s 2。
也可以使用最后一段和第二段的位移差求解,得加速度a =s 2. (2)根据图中的数据,合理的设计横纵坐标的刻度值,使图线倾斜程度太小也不能太大,以与水平方向夹角45°左右为宜。
由此确定F 的范围从0设置到1N 较合适,而a 则从0到3m/s 2较合适。
设好刻度,根据数据确定个点的位置,将个点用一条直线连起来,延长交与坐标轴某一点。
如图所示。
(3)处理图象问题要注意图线的斜率、交点、拐点、面积等意义,能正确理解这些量的意义则很多问题将会迎刃而解。
与纵坐标相交而不过原点,该交点说明当不挂砝码时,小车仍由加速度,即绳对小车仍有拉力,从此拉力的来源考虑很容易得到答案,是因为砝码盘的重力,而在(2)问的图表中只给出了砝码的总重力,而没有考虑砝码盘的重力。
牛顿第二定律经典例题及答案
例题:如图,质量的小车停放在光滑水平面上,在小车右端施加一水平恒力F=8N。
当小车向右运动速度达到3m/s时,在小车的右端轻放一质量m=2kg的小物块,物块与小车间的动摩擦因数μ=0.2,假定小车足够长,问:
(1)经过多长时间物块停止与小车间的相对运动?
(2)小物块从放在车上开始经过t0=3s 所通过的位移是多少?(g 取10m/s2)
【分析与解答】:
(1)依据题意,物块在小车上停止运动时,物块与小车保持相对静止,应具有共同的速度。
设物块在小车上相对运动时间为t,物块、小车受力分析如图:
物块放上小车后做初速度为零加速度为a1的匀加速直线运动,小车做加速度a2的匀加速运动。
其中对物块:由μmg=ma1,
有a1=μg=2m
对小车:F-μmg=Ma2
∴a2=0.5m/s2物块在小车上停止相对滑动时,速度相同
则有:a1t1=v0+a2t1
故答案为:
(1)经多2s物块停止在小车上相对滑动;
(2)小物块从放在车上开始,经过t=3.0s,通过的位移是8.4m.本文网络搜索,如有侵权联系删除。
牛顿第二运动定律【例1】物体从某一高度自由落下,落在直立于地面的轻弹簧上,如图3-2所示,在A点物体开始与弹簧接触,到B点时,物体速度为零,然后被弹回,则以下说法正确的是:A、物体从A下降和到B的过程中,速率不断变小B、物体从B上升到A的过程中,速率不断变大C、物体从A下降B,以及从B上升到A的过程中,速率都是先增大,后减小D、物体在B点时,所受合力为零的对应关系,弹簧这种特【解析】本题主要研究a与F合殊模型的变化特点,以及由物体的受力情况判断物体的运动性质。
对物体运动过程及状态分析清楚,同时对物=0,体正确的受力分析,是解决本题的关键,找出AB之间的C位置,此时F合由A→C的过程中,由mg>kx1,得a=g-kx1/m,物体做a减小的变加速直线运动。
在C位置mg=kx c,a=0,物体速度达最大。
由C→B的过程中,由于mg<kx2,a=kx2/m-g,物体做a增加的减速直线运动。
同理,当物体从B→A时,可以分析B→C做加速度度越来越小的变加速直线运动;从C→A做加速度越来越大的减速直线运动。
C正确。
例2如图3-10所示,在原来静止的木箱内,放有A物体,A被一伸长的弹簧拉住且恰好静止,现突然发现A被弹簧拉动,则木箱的运动情况可能是A、加速下降B、减速上升肥C、匀速向右运动D、加速向左运动【解析】木箱未运动前,A物体处于受力平衡状态,受力情况为:重力mg,箱底的支持力N,弹簧拉力F和最大的静摩擦力f m(向左)由平衡条件知:N=mg F=f m。
由于发现A弹簧向右拉动(已知),可能有两种原因,一种是由A向右被拉动推知,F>f m′,(新情况下的最大静摩擦力),可见f m>f m′即是最大静摩擦力减小了,由f m=μN知正压力N减小了,即发生了失重现象,故物体运动的加速度必然竖直向下,所以木箱的运动情况可能是加速下降或减速上升,故A、B正确。
另一种原因是木箱向左加速运动,由于惯性原因,木块必然向中滑动,故D 正确。
实验:验证牛顿第二定律1.“验证牛顿运动定律〞的实验中,以下说法正确的选项是( )A.平衡摩擦力时,小盘应用细线通过定滑轮系在小车上B.实验中应始终保持小车和砝码的质量远远大于小盘和砝码的质量C.实验中如果用纵坐标表示加速度,用横坐标表示小车和车内砝码的总质量,描出相应的点在一条直线上时,即可证明加速度与质量成反比D.平衡摩擦力时,小车后面的纸带必须连好,因为运动过程中纸带也要受到阻力解析:平衡摩擦力时,细线不能系在小车上,纸带必须连好,故A错D对;小车和砝码的总质量应远大于小盘和砝码的总质量,故B对;假设横坐标表示小车和车内砝码的总质量,那么a-M图象是双曲线,不是直线,故C错.答案: BD2.(2021年三明模拟)用如图甲所示的装置做“验证牛顿第二定律〞实验,甲同学根据实验数据画出的小车的加速度a和小车所受拉力F的图象为图中的直线Ⅰ,乙同学画出的a-F图象为以下图中的直线Ⅱ.直线Ⅰ、Ⅱ在纵轴或横轴上的截距较大,明显超出了误差范围,下面给出了关于形成这种情况原因的四种解释,其中可能正确的选项是( )A.实验前甲同学没有平衡摩擦力B.甲同学在平衡摩擦力时,把长木板的末端抬得过高了C.实验前乙同学没有平衡摩擦力D.乙同学在平衡摩擦力时,把长木板的末端抬得过高了解析:由直线Ⅰ可知,甲同学在未对小车施加拉力F时小车就有了加速度,说明在平衡摩擦力时,把木板的末端抬得过高了,B正确,A错误;由直线Ⅱ可知,乙同学在对小车施加了一定的拉力时,小车的加速度仍等于零,故实验前乙同学没有平衡摩擦力或平衡摩擦力缺乏,C正确,D错误.答案:BC3.在“探究加速度与物体质量、物体受力的关系〞实验中,某小组设计了如下图的实验装置.图中上下两层水平轨道外表光滑,两小车前端系上细线,细线跨过定滑轮并挂上砝码盘,两小车尾部细线连到控制装置上,实验时通过控制装置使两小车同时开场运动,然后同时停顿.(1)在安装实验装置时,应调整滑轮的高度,使__________.在实验时,为减小系统误差,应使砝码盘和砝码的总质量________(选填“远大于〞、“远小于〞或“等于〞)小车的质量.(2)本实验通过比拟两小车的位移来比拟小车加速度的大小,能这样比拟,是因为________.解析:(1)在安装实验装置时,应调整滑轮的高度,使细线与水平轨道平行,在实验时,为使砝码和盘的总重力近似等于细线的拉力,作为小车所受的合外力,必须满足砝码和盘的总质量远小于小车的质量.(2)因为两小车同时开场运动,同时停顿,运动时间一样,由s=12at2可知,a与s成正比.答案:(1)小车与滑轮之间的细线与轨道平行远小于(2)两车从静止开场匀加速直线运动,且两车运动的时间一样,其加速度与位移成正比4.如图为“用DIS(位移传感器、数据采集器、计算机)研究加速度和力的关系〞的实验装置.(1)在该实验中必须采用控制变量法,应保持________不变,用钩码所受的重力作为________,用DIS测小车的加速度.(2)改变所挂钩码的数量,屡次重复测量.在某次实验中根据测得的多组数据可画出a-F关系图线(如下图).①分析此图线的OA段可得出的实验结论是_______________.②(单项选择题)此图线的AB段明显偏离直线,造成此误差的主要原因是( )A.小车与轨道之间存在摩擦B.导轨保持了水平状态C.所挂钩码的总质量太大D.所用小车的质量太大解析:(1)因为要探索“加速度和力的关系〞所以应保持小车的总质量不变,钩码所受的重力作为小车所受外力.(2)由于OA段a-F关系为一倾斜的直线,所以在质量不变的条件下,加速度与外力成正比.由实验原理:mg=Ma得a=mgM =FM,而实际上a′=mg(M+m),可见AB段明显偏离直线是由于没有满足M≫m造成的.答案:(1)小车的总质量小车所受外力(2)①在质量不变的条件下,加速度与外力成正比②C5.(2021年高考江苏单科)为了探究受到空气阻力时,物体运动速度随时间的变化规律,某同学采用了“加速度与物体质量、物体受力关系〞的实验装置(如下图).实验时,平衡小车与木板之间的摩擦力后,在小车上安装一薄板,以增大空气对小车运动的阻力.(1)往砝码盘中参加一小砝码,在释放小车________(选填“之前〞或“之后〞)接通打点计时器的电源,在纸带上打出一系列的点.(2)从纸带上选取假设干计数点进展测量,得出各计数点的时间t与速度v的数据如下表:时间t/s0速度v/(m·s-1)请根据实验数据作出小车的v-t图象.(3)通过对实验结果的分析,该同学认为:随着运动速度的增加,小车所受的空气阻力将变大,你是否同意他的观点?请根据v-t图像简要阐述理由.解析:(1)之前(2)如下图(3)同意.在v-t图象中,速度越大时,加速度越小,小车受到的合力越小,那么小车受空气阻力越大.答案:(1)之前(2)如下图(3)见解析6.(2021年潍坊模拟)为了探究加速度与力的关系,使用如下图的气垫导轨装置进展实验.其中G1、G2为两个光电门,它们与数字计时器相连,当滑行器通过G、G2光电门时,光束被遮挡的时间Δt1、Δt2都可以被测量并记录,滑行器连同1上面固定的一条形挡光片的总质量为M,挡光片宽度为D,光电门间距离为x,牵引砝码的质量为m.答复以下问题:(1)实验开场应先调节气垫导轨下面的螺钉,使气垫导轨水平,在不增加其他仪器的情况下,如何判定调节是否到位?答:____________________________(2)假设取M=0.4 kg,改变m的值,进展屡次实验,以下m的取值不适宜的一个是___________________________.A.m1=5 g B.m2=15 gC.m3=40 g D.400 g(3)在此实验中,需要测得每一个牵引力对应的加速度,其中求得的加速度的表达式为:___________________________.(用Δt1、Δt2、D、s表示)解析:(1)如果气垫导轨水平,那么不挂砝码时,M应能在任意位置静止不动,或推动M后能使M匀速运动.(2)应满足M ≫m ,故m 4=400 g 不适宜.(3)由v 1=D Δt 1,v 2=D Δt 2,v 22-v 21=2as 可得:a =(D Δt 2)2-(D Δt 1)22s. 答案:(1)取下牵引砝码,M 放在任意位置都不动;或取下牵引砝码,轻推滑行器M ,数字计时器记录每一个光电门的光束被挡的时间Δt 都相等.(2)D (3)a =(D Δt 2)2-(D Δt 1)22s。
牛顿第二定律典型例题【例1】一物体放在光滑水平面上,初速为零,先对物体施加一向东恒力F,历时1s;随即把此力改为向西,大小不变,历时1s;接着又把此力改为向东,大小不变,历时1s;如此反复,只改变力的方向,共历时1min,在此1min内()A.物体时而向东运动,时而向西运动,在1min末静止于初始位置之东B.物体时而向东运动,时而向西运动,在1min末静止于初始位置C.物体时而向东运动,时而向西运动,在1min末继续向东运动D.物体一直向东运动,从不向西运动,在1min末静止于初始位置之东【例2】如图3-1-2所示,质量为m的小球与细线和轻弹簧连接后被悬挂起来,静止平衡时AC和BC与过C的竖直线的夹角都是600,求:(1)剪断AC线瞬间小球的加速度;(2)剪断B处弹簧的瞬间小球的加速度.【例3】如图所示,轻弹簧下端固定在水平面上。
一个小球从弹簧正上方某一高度处由静止开始自由下落,接触弹簧后把弹簧压缩到一定程度后停止下落。
在小球下落的这一全过程中,下列说法中正确的是A.小球刚接触弹簧瞬间速度最大B.从小球接触弹簧起加速度变为竖直向上C.从小球接触弹簧到到达最低点,小球的速度先增大后减小D.从小球接触弹簧到到达最低点,小球的加速度先减小后增大【例4】如图3-1-3表示某人站在一架与水平成θ角的以加速度a向上运动的自动扶梯台阶上,人的质量为m,鞋底与阶梯的摩擦系数为μ,求此时人所受的摩擦力.(请用两种方法①沿加速度方向为x轴建立坐标系②沿水平向右方向为x轴建立坐标系,分解加速度)【例5】如图所示,在箱内倾角为α的固定光滑斜面上用平行于斜面的细线固定一质量为m的木块。
求:在下面两种情形中,线对木块的拉力F1和斜面对箱的压力F2各多大?(1)箱以加速度a匀加速上升时;(2)箱以加速度a向左匀加速运动时。
【例6】如图所示,沿水平方向做匀变速直线运动的车厢中,悬挂小球的悬线偏离竖直方向37°角,球和车厢相对静止,球的质量为1kg.(1)求车厢运动的加速度并说明车厢的运动情况.(2)求悬线对球的拉力.(g=10m/s2,sin37°=0.6,cos37°=0.8)【例7】一个质量为0.2 kg的小球用细线吊在倾角θ=53°的斜面顶端,如图,斜面静止时,球紧靠在斜面上,绳与斜面平行,不计摩擦,若斜面开始以水平加速度a向右运动,且a从等于零开始逐渐增大,则:(1)绳的拉力T及斜面对小球的弹力N将怎样变化?(2)当a=10 m/s2时,求T和N【例8】如图所示,m =4kg的小球挂在小车后壁上,细线与竖直方向成37°角。
关于验证牛顿第二定律实验的典型例题 2013.11典型例题1——在“验证牛顿第二定律”实验中,研究加速度与力的关系时得到如图所示的图像,试分析其原因.分析:在做关系实验时,用砂和砂桶重力mg代替了小车所受的拉力F,如图所示:事实上,砂和砂桶的重力mg与小车所受的拉力F是不相等的.这是产生实验系统误差的原因,为此,必须根据牛顿第二定律分析mg和F在产生加速度问题上存在的差别.由图像经过原点知,小车所受的摩擦力已被平衡.设小车实际加速度为a,由牛顿第二定律可得:即若视,设这种情况下小车的加速度为,则.在本实验中,M保持不变,与mg(F)成正比,而实际加速度a与mg成非线性关系,且m越大,图像斜率越小。
理想情况下,加速度a与实际加速度a差值为上式可见,m取不同值,不同,m越大,越大,当时,,,这就是要求该实验必须满足的原因所在.本题误差是由于砂及砂桶质量较大,不能很好满足造成的.点评:本实验的误差来源:因原理不完善引起的误差,本实验用砂和砂桶的总重力mg代替小车的拉力,而实际小车所受的拉力要小于砂和砂桶的总重力,这个砂和砂桶的总质量越接近小车和砝码的总质量,误差越大,反之砂和砂桶的总质量越小于小车和砝码的总质量,由此引起的误差就越小.因此满足砂和砂桶的总质量m远小于小车和砝码的总质量M的目的就是为了减小因实验原理不完善而引起的误差.此误差可因为而减小,但不可能消去此误差.典型例题2——在利用打点计时器和小车做“验证牛顿第二定律”的实验时,实验前为什么要平衡摩擦力?应当如何平衡摩擦力?分析:牛顿第二定律表达式中的F,是物体所受的合外力,在本实验中,如果不采用一定的办法平衡小车及纸带所受的摩擦力,小车所受的合外力就不只是细绳的拉力,而应是细绳的拉力和系统所受的摩擦力的合力.因此,在研究加速度a和外力F的关系时,若不计摩擦力,误差较大,若计摩擦力,其大小的测量又很困难;在研究加速度a和质量m的关系时,由于随着小车上的砝码增加,小车与木板间的摩擦力会增大,小车所受的合外力就会变化(此时长板是水平放置的),不满足合外力恒定的实验条件,因此实验前必须平衡摩擦力.应如何平衡摩擦力?怎样检查平衡的效果?有人是这样操作的;把如图所示装置中的长木板的右端垫高一些,使之形成一个斜面,然后把实验用小车放在长木板上,轻推小车,给小车一个沿斜面向下的初速度,观察小车的运动情况,看其是否做匀速直线运动.如果基本可看作匀速直线运动,就认为平衡效果较好.这样操作有两个问题,一是在实验开始以后,阻碍小车运动的阻力不只是小车受到的摩擦力,还有打点计时器限位孔对纸带的摩擦力及打点时振针对纸带的阻力.在上面的做法中没有考虑后两个阻力,二是检验平衡效果的方法不当,靠眼睛的直接观察判断小车是否做匀速直线运动是很不可靠的.正确的做法是。
牛顿第二定律练习题(经典好题)1、当质量为m的物体受到水平拉力F作用时,其产生的加速度为a。
若水平拉力变为2F,则物体产生的加速度为2a,即选项C。
2、根据牛顿第二定律,单独作用于某一物体上的力和加速度之间成正比,因此F1/F2=3/1,即F1=3F2.两个力同时作用于该物体时,根据牛顿第二定律,加速度等于合力除以物体质量,因此可得加速度为4m/s2,即选项D。
3、根据牛顿第二定律,物体所受合力等于物体质量乘以加速度。
已知合力为F1+F2=14N,加速度为2.5m/s2,因此可得物体质量为5.6kg。
4、因为弹簧对两球的拉力大小相等,根据牛顿第二定律可得F/2=ma,其中a为两球的加速度。
因此A球的加速度为F/2m,B球的加速度为F/2m,即选项A和C。
5、由于两小球质量相等,因此在细绳烧断的瞬间,它们受到的合力相等,根据牛顿第二定律可得加速度大小相等,即aA=aB=g,即选项A。
6、(1)根据牛顿第一定律,匀速运动时物体所受合力为零,因此F=μG=0.3×200N=60N。
(2)根据牛顿第二定律,物体所受合力等于物体质量乘以加速度加上摩擦力,即F=ma+μmg。
代入已知数据可得F=ma+60N。
因为题目给定了加速度为10m/s2,因此可得F=ma+60N=200N。
7、根据牛顿第二定律,物体所受合力等于物体质量乘以加速度加上摩擦力,其中摩擦力的大小为物体与斜面间的滑动摩擦因数乘以物体所受垂直于斜面的支持力。
因为物体在斜面上匀速下滑,所以合力为零,即mgcosθ=μmgsinθ,解得滑动摩擦因数为μ=tanθ。
8、根据牛顿第一定律,球所受合力为零,因此挡板和斜面所受支持力大小相等,即F1=F2=G/2=10N。
9、物体受到的合力分解成水平方向和竖直方向的分力,其中竖直方向的分力等于物体重力,水平方向的分力等于恒力F的投影。
因为物体做匀速运动,所以水平方向的分力等于摩擦力,即Fcosθ=μmg,解得摩擦力大小为F=μmg/cosθ。
牛顿运动定律典型问题一、共点力平衡及动态平衡【例1】如图(甲)质量为m的物体,用水平细绳AB拉住,静止在倾角为θ的固定斜面上,求物体对斜面压力的大小。
【例2】如图所示,用竖直档板将小球夹在档板和光滑斜面之间,若缓慢转动挡板,使其由竖直转至水平的过程中,分析球对挡板的压力和对斜面的压力如何变化.【例3】如图所示,支杆BC一端用铰链固定于B,另一端连接滑轮C,重物P上系一轻绳经C固定于墙上A点。
若杆BC、滑轮C及绳子的质量、摩擦均不计,将绳端A点沿墙稍向下移,再使之平衡时,绳的拉力和BC杆受到的压力如何变化?【练习】1.如图所示,用一个三角支架悬挂重物,已知AB杆所受的最大压力为2000N,AC绳所受最大拉力为1000N,∠α=30°,为不使支架断裂,求悬挂物的重力应满足的条件?2.如图所示,细绳CO与竖直方向成30°角,A、B两物体用跨过滑轮的细绳相连,已知物体B所受到的重力为100N,地面对物体B的支持力为80N,试求(1)物体A所受到的重力;(2)物体B与地面间的摩擦力;(3)细绳CO受到的拉力。
3.如图所示,在质量为1kg的重物上系着一条长30cm的细绳,细绳的另一端连着圆环,圆环套在水平的棒上可以滑动,环与棒间的静摩擦因数为0.75,另有一条细绳,在其一端跨过定滑轮,定滑轮固定在距离圆环0.5m的地方。
当细绳的端点挂上重物G,而圆环将要开始滑动时,试问(1)长为30cm的细绳的张力是多少?(2)圆环将要开始滑动时,重物G的质量是多少?4.如图,A、B两物体质量相等,B用细绳拉着,绳与倾角θ的斜面平行。
A与B,A与斜面间的动摩擦因数相同,若A沿斜面匀速下滑,求动摩擦因数的值。
5.如图所示,用两根绳子系住一重物,绳OA与天花板夹角θ不变,且θ>45°,当用手拉住绳OB,使绳OB由水平慢慢转向OB′过程中,OB绳所受拉力将()A.始终减少B.始终增大C.先增大后减少D.先减少后增大6.如图所示,一重球用细线悬于O点,一光滑斜面将重球支持于A点,现将斜面沿水平面向右慢慢移动,那么细线对重球的拉力T及斜面对重球的支持力N的变化情况是:()A.T逐渐增大,N逐渐减小;B.T逐渐减小,N逐渐增大;C.T先变小后变大,N逐渐减小;D.T逐渐增大,N先变大后变小。
1. 在粗糙的水平面上,物体在水平推力的作用下,由静止开始做匀加速直线运动,经过一段时间后,将水平推力逐渐减小到零(物体不停止),那么,在水平推力减小到零的过程中A. 物体的速度逐渐减小,加速度逐渐减小B. 物体的速度逐渐增大,加速度逐渐减小C. 物体的速度先增大后减小,加速度先增大后减小D. 物体的速度先增大后减小,加速度先减小后增大变式1、2. 如下图所示,弹簧左端固定,右端自由伸长到O点并系住物体m,现将弹簧压缩到A点,然后释放,物体一直可以运动到B点,如果物体受到的摩擦力恒定,则A. 物体从A到O先加速后减速B. 物体从A到O加速,从O到B减速C. 物体运动到O点时,所受合力为零D. 以上说法都不对变式2、3. 如图所示,固定于水平桌面上的轻弹簧上面放一重物,现用手往下压重物,然后突然松手,在重物脱离弹簧之前,重物的运动为A. 先加速,后减速B. 先加速,后匀速C. 一直加速D. 一直减速问题2:牛顿第二定律的基本应用问题:4. 2003年10月我国成功地发射了载人宇宙飞船,标志着我国的运载火箭技术已跨入世界先进行列,成为第三个实现“飞天”梦想的国家,在某一次火箭发射实验中,若该火箭(连同装载物)的质量,启动后获得的推动力恒为,火箭发射塔高,不计火箭质量的变化和空气的阻力。
(取)求:(1)该火箭启动后获得的加速度。
(2)该火箭启动后脱离发射塔所需要的时间。
5. 如图所示,沿水平方向做匀变速直线运动的车厢中,悬挂小球的悬线偏离竖直方向角,球和车厢相对静止,球的质量为1kg。
(g取,,)(1)求车厢运动的加速度并说明车厢的运动情况。
(2)求悬线对球的拉力。
6. 如图所示,固定在小车上的折杆∠A=,B端固定一个质量为m的小球,若小车向右的加速度为a,则AB杆对小球的作用力F为()A. 当时,,方向沿AB杆B. 当时,,方向沿AB杆C. 无论a取何值,F都等于,方向都沿AB杆D. 无论a取何值,F都等于,方向不一定沿AB杆问题3:整体法和隔离法在牛顿第二定律问题中的应用:7. 一根质量为M的木杆,上端用细线系在天花板上,杆上有一质量为m的小猴,如图所示,若把细线突然剪断,小猴沿杆上爬,并保持与地面的高度不变,求此时木杆下落的加速度。
关于验证牛顿第二定律实验的典型例题 2013.11
典型例题1——在“验证牛顿第二定律”实验中,研究加速度与力的关系时得到如图所示的图像,试分析其原因.
分析:在做关系实验时,用砂和砂桶重力mg代替了小车所受的拉力F,如图所示:
事实上,砂和砂桶的重力mg与小车所受的拉力F是不相等的.这是产生实验系统误差的原因,为此,必须根据牛顿第二定律分析mg和F在产生加速度问题上存在的差别.由图像经过原点知,小车所受的摩擦力已被平衡.设小车实际加速度为a,由牛顿第二定律可得:
即
若视,设这种情况下小车的加速度为,则.在本实验中,M保持不变,与mg(F)成正比,而实际加速度a与mg成非线性关系,且m越大,图像斜率越小。
理想情况下,加速度a与实际加速度a差值为
上式可见,m取不同值,不同,m越大,越大,当时,,,这就是
要求该实验必须满足的原因所在.
本题误差是由于砂及砂桶质量较大,不能很好满足造成的.
点评:本实验的误差来源:因原理不完善引起的误差,本实验用砂和砂桶的总重力mg代替小车的拉力,而实际小车所受的拉力要小于砂和砂桶的总重力,这个砂和砂桶的总质量越接近小车和砝码的总质量,误差越大,反之砂和砂桶的总质量越小于小车和砝码的总质量,由此引起的误差就越小.因此满足砂和砂桶的总质量m远小于小车和砝码的总质量M的目的就是为了减小因实验原理不完善而引起的误差.此误差可因
为而减小,但不可能消去此误差.
典型例题2——在利用打点计时器和小车做“验证牛顿第二定律”的实验时,实验前为什么要平衡摩擦力?应当如何平衡摩擦力?
分析:牛顿第二定律表达式中的F,是物体所受的合外力,在本实验中,如果不采用一定的办法平衡小车及纸带所受的摩擦力,小车所受的合外力就不只是细绳的拉力,而应是细绳的拉力和系统所受的摩擦力的合力.因此,在研究加速度a和外力F的关系时,若不计摩擦力,误差较大,若计摩擦力,其大小的测量又很困难;在研究加速度a和质量m的关系时,由于随着小车上的砝码增加,小车与木板间的摩擦力会增大,小车所受的合外力就会变化(此时长板是水平放置的),不满足合外力恒定的实验条件,因此实验前必须平衡摩擦力.
应如何平衡摩擦力?怎样检查平衡的效果?有人是这样操作的;把如图所示装置中的长木板的右端垫高一些,使之形成一个斜面,然后把实验用小车放在长木板上,轻推小车,给小车一个沿斜面向下的初速度,观察小车的运动情况,看其是否做匀速直线运动.如果基本可看作匀速直线运动,就认为平衡效果较好.这样操作有两个问题,一是在实验开始以后,阻碍小车运动的阻力不只是小车受到的摩擦力,还有打点计时器限位孔对纸带的摩擦力及打点时振针对纸带的阻力.在上面的做法中没有考虑后两个阻力,二是检验平衡效果的方法不当,靠眼睛的直接观察判断小车是否做匀速直线运动是很不可靠的.正确的做法是。
将长木板的末端(如图中的右端)垫高一些,把小车放在斜面上,轻推小车,给小车一个沿斜面向下的初速度,观察小车的运动,当用眼睛直接观察可认为小车做加速度很小的直线运动以后,保持长木板和水平桌面的夹角不动,并装上打点计时器及纸带,在小车后拖纸带,打点计时器开始打点的情况下,给小车一个沿斜面向下的初速度,使小车沿斜面向下运动.取下纸带后,如果在纸带上打出的点子的间隔基本上均匀,就表明小车受到的阻力跟它的重力沿斜面的分力平衡.
点评:(1)打点计时器工作时,振针对纸带的阻力是周期性变化的,所以,难以做到重力沿斜面方向的分力与阻力始终完全平衡,小车的运动也不是严格的匀速直线运动,纸带上的点子间隔也不可能完全均匀,所以上面提到要求基本均匀.
(2)在实验前对摩擦力进行了平衡以后,实验中需在小车上增加或减少砝码,因此为改变小车对木板的压力,从而使摩擦力出现变化,有没有必要重新平衡摩擦力?我们说没有必要,因为由此引起的摩擦力变化
是极其微小的,从理论上讲,在小车及其砝码质量变化时,由力的分解可知,重力沿斜面向下的分力和
垂直斜面方向的分力(大小等于对斜面的压力),在斜面倾角不变的情况下是成比例增大或减小的,进
而重力沿斜面方向的分力和摩擦力f成比例变化,仍能平衡.但实际情况是,纸带所受阻力,在平
衡时有,而当和f成比例变化后,前式不再相等,因而略有变化,另外,小车的轴与轮的摩擦力也会略有变化,在我们的实验中,质量变化较小,所引起的误差可忽略不计.
典型例题3——用如图甲所示的装置研究质量一定时加速度与作用力的关系.实验中认为细绳对小车的作用力F等于砂和桶的总重力,用改变砂的质量的办法来改变对小车的作用力F,用打点计时器测出小车的加速度a,得出若干组F和a的数值,然后根据测得的数据作a—F图线.一学生作出如图乙所示的图线,发现横轴上的截距OA较大,明显地超出了偶然误差的范围,这是由于实验中没有进行什么步骤?
分析:这是一个验证性的实验,作出的a —F 图线理应通过原点,表明质量M 一定时,加速度a 与F 成
正比,作出图乙所示的图线,表示什么意思呢?设截距
,现变换一下坐标原点,把原点移至A 点,
纵坐标仍表示加速度a ,横坐标表示 ,设直线的斜率为
,则图丙表示
即:由牛顿第二定律可知,在某同学所做的这个实验中,合外力并不是细绳对小车的作用力F ,而是 ,显然,这个f 是水平长木板对小车的摩擦力,这个摩擦力在实验中是不能忽略的.实验中需平衡此摩擦力,采用的办法是:“在长木板的不带定滑轮的一端下面垫一块木板,反复移动木板的位置,直到小车在斜面上运动时可以保持匀速直线运动状态.这时小车拖着纸带运动时受到的摩擦阻力恰好与小车所受的重力在斜
面上的分力平衡.”(见高中课本)这时小车所受的合外力 ,画出的图线应当通过原点,该同学作出如图乙所示的a —F 图线,是因为他在实验中没有进行平衡摩擦力这一步骤.
典型例题4——利用例3图甲所示的装置做“验证牛顿第二定律”实验,甲同学根据实验数据画出的小车的加速度a 和小车所受拉力F 的图像为图中的直线Ⅰ,乙同学画出的a —F 图像为下图中的直线Ⅱ.直线Ⅰ、Ⅱ在纵轴或横轴上的截距较大,明显超出了误差范围,下面给出了关于形成这种情况原因的四种解释,其中可能正确的是( )
A 、实验前甲同学没有平衡摩擦力;
B 、甲同学在平衡摩擦力时,把长木板的末端抬得过高了;
C 、实验前乙同学没有平衡摩擦力;
D 、乙同学在平衡摩擦力时,把长木板的末端抬得过高了.
分析:图像Ⅰ在纵轴上有较大的截距,说明在绳对小车的拉力
(还没有挂砂桶),小车就有了沿长木
板向下的加速度 .设长木板与水平桌面间的夹角为 ,小车所受的重力mg 沿长木板向下的分力应为
,长木板对小车的摩擦阻力应为 ,又设运动系统所受的其他阻力为f (可视为定值),
则应有
,在此式中m 、g 、 、f 为定值,如果适当减小 值,可使
减小而 值增大,实现 ,图像起点回到坐标系的原点.图像Ⅱ在横轴上有较大的截距,说明乙同学在实验前没有平衡摩擦力,因此在绳对小车有了较大的拉力F 以后,小车的加速度仍然为零,其原因如例3所述.由上述分析可知,B 、C 选项的叙述正确.
分析(1)关键分析纵截距及其物理意义,(2)在实验中平衡摩擦力的标准是物体在不挂砂桶时匀速运动,即所连纸带上的点应是均匀分布的.
【典型例题】
例1.质量为m 的物体放在倾角为α的斜面上,物体和斜面间的动摩擦系数为μ,如沿水平方向加一个力F ,使物体沿斜面向上以加速度a 做匀加速直线运动,如下图甲,则F 多大?
例2.如图所示,质量为m 的人站在自动扶梯上,
扶梯正以加速度a 向上减速运动,a 与水平方向
的夹角为θ,求人受的支持力和摩擦力。
例3.风洞实验室中可产生水平方向的、大小可调节的风力,现将一套有小球的细直杆放入风洞实验室,小球孔径略大于细杆直径。
(如图)
(1)当杆在水平方向上固定时,调节风力的大小,使小球在杆上匀速运动。
这时小球所受的风力为小球所受重力的0.5倍,求小球与杆间的动摩擦因数。
(2)保持小球所受风力不变,使杆与水平方向间夹角为37°并固定,则小球从静止出发在细杆上滑下距离s 所需时间为多少?(sin37°=0.6,cos37°=0.8)
例4.如图所示,物体从斜坡上的A 点由静止开始滑到斜坡底部B 处,又沿水平地面滑行到C 处停下,已知斜坡倾角为θ,A 点高为h ,物体与斜坡和地面间的动摩擦因数都是μ,物体由斜坡底部转到水平地面运动时速度大小不变,求B 、C 间的距离。
C B。