555定时器温度控制电路设计
- 格式:doc
- 大小:213.00 KB
- 文档页数:14
试验十 555定时器的原理及三种应用实验内容1.连接施密特触发器电路,分别输入正弦波、锯齿波信号,观察并记录输入输出波形。
电路如下图:输入正弦波时的波形:输入三角波时的波形:2.设计一个驱动发光二级管的定时器电路,要求每接收到负脉冲时,发光管持续点亮二秒后熄灭。
由电路要求知要用单稳态触发器电路,脉冲宽度为Tw=1.1RC,选取R=2KΩ,C=1.1μF,电路如下所示:波形图如下:3.连接多放谐振荡电路电路,取R1=1KΩ,R2=10KΩ,C1=0.1μF,C2=0.2μF观察、记录VCr、Vo的同步波形,测出Vo的周期并与估算值进行比较。
改变参数R1=15KΩ,R2=5KΩ,C1=0.033μF,C2=0.1μF用示波器观察并测量输出波形的频率。
与理论值比较,算出频率的相对误差值。
电路如图所示:R1=1KΩ,R2=10KΩ,C1=0.1μF,C2=0.2μF时的波形图:实验模拟结果:Vo周期To=1.5ms,VCr周期Tc=1.5ms,F=1/T=0.67KHz 理论计算值为:T=0.7*(R1+2R2)*C1=1.47ms,频率f=1/T=0.68KHz频率的相对误差为:ІF-fІ/f=1.47%R1=15KΩ,R2=5KΩ,C1=0.033μF,C2=0.1μF时的波形图:实验模拟结果:Vo周期To=0.6ms期Tc=0.6ms,频率F=1/T=1.67KHz理论计算值为:T=0.7*(R1+2R2)*C1=0.5775频率f=1/T=1.73KHz频率的相对误差为:ІF-fІ/f=3.47%4.用NE556时基电路功能实现救护车警铃电路,用555的两个时基电路构成低频对高频调制的救护车警铃电路。
555定时器应用电路的设计与调试1.555定时器的原理概述2.555定时器的基本工作原理555定时器的基本工作原理是通过外部RC电路产生的时间常数来控制输出的时间周期。
具体来说,当电源正常通电后,555定时器的电源引脚将被高电平激活,通过内部比较器将电压与阀值进行比较,并将结果传递给RS触发器。
RS触发器的输出信号会控制放电开关,根据输入信号的变化来控制电容的放电与充电,从而实现定时和脉冲控制功能。
3.555定时器的应用电路设计(1)单稳态触发器电路单稳态触发器电路常用于产生固定宽度的脉冲信号。
通过一个电容和一个电阻连接到555定时器的触发脚,当电源通电或接收到外部触发脉冲信号时,555定时器会产生一个固定宽度的脉冲信号输出。
(2)Astable多谐振荡器电路Astable多谐振荡器电路常用于产生固定频率和变量占空比的方波信号。
通过一个电容和两个电阻连接到555定时器的控制脚与放电脚,当电源通电后,555定时器会自动产生方波信号输出。
4.实验步骤与调试方法(1)准备实验所需材料,包括555定时器芯片、电容、电阻、开关和示波器等。
(2)按照设计电路图连接实验电路,注意正确连接每个元件的引脚。
(3)接通电源,通过示波器观察输出信号,并根据需要调整电容和电阻的数值以达到所需的定时和脉冲控制效果。
(4)通过实验数据和示波器观察结果,对实验电路进行调试和优化,直至达到预期的结果。
5.实验注意事项(1)实验时要注意正确连接元件的引脚,避免引脚连接错误导致电路无法正常工作。
(2)实验中可以选择合适的电阻和电容数值以达到所需的定时和脉冲控制效果。
(3)在实验过程中可以适当添加一些调试电路,如LED灯、蜂鸣器等,以便更直观地观察电路的工作情况和调试结果。
6.本文总结本文对555定时器应用电路进行了设计与调试的详细解析,介绍了555定时器的基本工作原理和应用电路设计,以及相关的实验步骤和调试方法。
通过合理的设计和调试,可以实现各种定时和脉冲控制功能,满足不同场合的需求。
555定时器方波电路摘要:1.555 定时器简介2.555 定时器方波电路的工作原理3.555 定时器方波电路的应用4.制作555 定时器方波电路的步骤5.总结正文:1.555 定时器简介555 定时器是一种常用的电子元件,具有简单的结构和稳定的性能。
它可以用来产生定时脉冲,广泛应用于各种电子设备和自动化控制系统中。
555 定时器内部包含两个比较器、一个计数器、一个RS 触发器和一个放电晶体管。
通过外接电阻和电容,可以设定不同的时间延迟,从而满足不同的应用需求。
2.555 定时器方波电路的工作原理555 定时器方波电路是一种利用555 定时器产生方波信号的电路。
它的基本工作原理是通过改变电阻和电容的值来调整555 定时器的工作状态,从而实现不同频率和占空比的方波信号输出。
当555 定时器的触发端输入一个低电平信号时,计数器开始计数,并在达到预设值时产生一个高电平输出;当触发端输入一个高电平信号时,计数器停止计数,放电晶体管导通,将电容放电,从而产生一个方波信号。
3.555 定时器方波电路的应用555 定时器方波电路广泛应用于各种电子设备和自动化控制系统中,如音频放大器、脉冲发生器、通信设备、计时器等。
它具有结构简单、成本低廉、性能稳定等优点,是电子工程师和爱好者进行实验和设计的好帮手。
4.制作555 定时器方波电路的步骤制作555 定时器方波电路的步骤如下:(1) 准备元器件:555 定时器、电阻、电容、晶体管、电源等。
(2) 连接电路:将555 定时器的触发端接地,将放电端与晶体管的基极相连,将晶体管的发射极接地,将集电极接负载。
将电阻和电容分别连接到555 定时器的定时端和放电端。
(3) 调试电路:将电源接入电路,调整电阻和电容的值,观察输出信号,直到得到所需的方波信号。
(4) 测试电路:在确认电路正常工作后,对电路进行测试,检查输出信号的频率、占空比等参数是否符合设计要求。
5.总结555 定时器方波电路是一种简单、实用的电路,广泛应用于各种电子设备和自动化控制系统中。
555定时器1 绪论在科技日星月异的今天,各式各样的电子产品比比皆是。
这些电子产品都是由一些中小规模的集成电路和一些元器件构成的555定时器是一种将模拟功能与数字(逻辑)功能机密结合在一起的中小规模单片集成电路。
它功能多样,应用广泛,只要外部配上几个阻容元器件即可构成单稳态触发器、施密特触发器、多谐振荡器等电路,是脉冲波形产生与变换的重要元器件,广泛应用于信号的产生与变换、控制与检测、家用电器以及电子玩具等领域。
这次要设计的555声控电子猫电路中就用到了555定时器构成的单稳态延时电路。
同时还要用到音频放大器和音频振荡器。
1. 1 集成555定时器集成555定时器是一种将模拟电路与数字电路的功能巧妙结合在一起的多用途单片集成电路。
该电路使用灵活、方便,只需外接少许的阻容元件就可以构成脉冲单元电路,因而在自动控制、仪器仪表和实用电器等许多领域都得到了广泛的应用。
555定时器根据内部器件类型可分为双极型和单极型。
它的电源电压范围宽(双极型555定时器为5-16V,单级型555定时器为3-18V),可提供与TTL与CMOS 数字电路兼容的接口电平,还可以输出一定功率,驱动微电动机、指示灯和扬声器等。
555定时器又可分为单定时器和双定时器型。
TTL单定时器型号的最后三位数字为555,双定时器的为556;CMOS单定时器的最后四位数为7555,双定时器的为7556。
1. 2 音频放大器进入21世纪以后,各种便携式的电子设备成为了电子设备的一种重要的发展趋势。
从作为通信工具的手机,到作为娱乐设备的MP3播放器,已经成为差不多人人具备的便携式电子设备。
陆续将要普及的还有便携式电视机,便携式DVD等等。
所有这些便携式的电子设备的一个共同点,就是都有音频输出,也就是都需要有一个音频放大器;另一个特点就是它们都是电池供电的。
它的最大特点就是它能够在保持最低的失真情况下得到最高的效率。
高效率的音频放大器不只是在便携式的设备中需要,在大功率的电子设备中也需要。
摘要红外线发射电路的功能是利用红外线发光二极管发射光脉冲,从而实现电路对人或物体的感应。
红外线接收电路的功能是利用光敏元件接收发射出来的光脉冲,并且将光脉冲信号转化为电信号,同时对其进行放大。
声光报警电路的功能是当有人体或物体接近防盗报警电路时,通过声音和显示信号提示主人。
时间延迟和自动喷洒电路的功能是当声光报警一段时间之后自动喷洒麻醉剂来保护财产。
电源电路的功能是为上述所有电路提供直流电压,该电路也可采用电池供电,但需要注意的问题是选择合适电池的指标参数与电路相匹配。
关键词防盗报警/红外线/555定时器/ LM567锁相环频率解码器目录第一章光电报警电路的应用 (3)第二章电路的组成及其原理 (4)第一节设计要求 (4)第二节简易光电报警电路的结构模块图 (4)第三节工作原理 (5)一、电源电路 (5)二、红外发射电路 (6)三、红外接收电路 (7)四、选频电路 (7)五、声光报警电路 (8)六、时间延迟及麻醉喷射电路 (9)第三章主要器件使用说明 (11)第一节 555定时器 (11)一、内部结构及引脚功能 (11)二、555的功能描述 (12)三、555的应用 (13)四、555管脚图 (14)第二节 LM567 (14)一、LM567管脚功能 (14)二、LM567内部结构及工作原理 (15)第三节继电器 (17)第四章个人总结 (18)参考文献 (21)附录 (21)附录1简易光控防盗报警电路总图 (22)附录2元件参数列表 (23)第一章光电报警电路的应用随着时代的不断进步,人们对自己所处环境的安全性提出了更高的要求,尤其是在家居安全方面,不得不时刻留意那些不速之客。
所以作为新一代的智能家居安全防盗报警器系统就应运而生,并日益受到广泛的重视和运用。
另外,为了进一步规范住宅小区智能化建设,建设部特别制定了智能小区的等级标准,按照其要求智能小区中必须具有安全防范、信息管理、物业管理和信息网络等系统。
实验五555定时器电路设计【实验目的】1、熟悉集成定时器555的工作原理及应用。
2、掌握时钟信号产生电路的设计方法【知识要点】组成占空比连续可调并能调节振荡频率的多谐振荡器VO图6.5.5 占空比与频率均可调的多谐振荡器电路如图6.5.5。
对C充电时,充电电流通过R1、D1、R W2和R W1;放电时通过R W1、R W2、D2、R2。
当R1=R2、R W2调至中心点,因充放电时间基本相同,其占空比约为50%,此时调节R W1仅改变频率,占空比不变。
如R W2调至偏离中心点,再调节R W1,不仅振荡频率改变,而且对占空比也有影响。
R W1不变,调节R W2,仅改变占空比,对频率无影响。
因此,当接通电源后,应首先调节R W1使频率至规定值,再调节R W2,以获得需要的占空比。
若频率调节的范围比较大,还可以用波段开关改变C的值。
【实验内容】题目:时钟信号发生电路设计设计一个电路,能够产生时钟信号,信号频率100Hz~1KHz,占空比要求在1/2~2/3范围内可调。
测量实际电路的输出信号频率,测量脉冲的上升时间。
思考:1、如果希望得到高电平电压为10V的时钟信号,电路应如何处理?2、对于不标准的时钟信号,一般应进行怎样的处理?【实验要求】按题目内容进行设计,设计方法和方案不限。
要求首先进行计算机(Multisim)仿真,实现题目功能。
然后在模拟实验箱中完成实际操作。
自行设计测试表格,完成实际电路的测试。
【报告要求】要求在实验报告中写出设计思路和设计过程。
画出仿真原理图和仿真结果。
列出元器件清单。
写出实验结果及实验总结。
可能用到的芯片(555)。
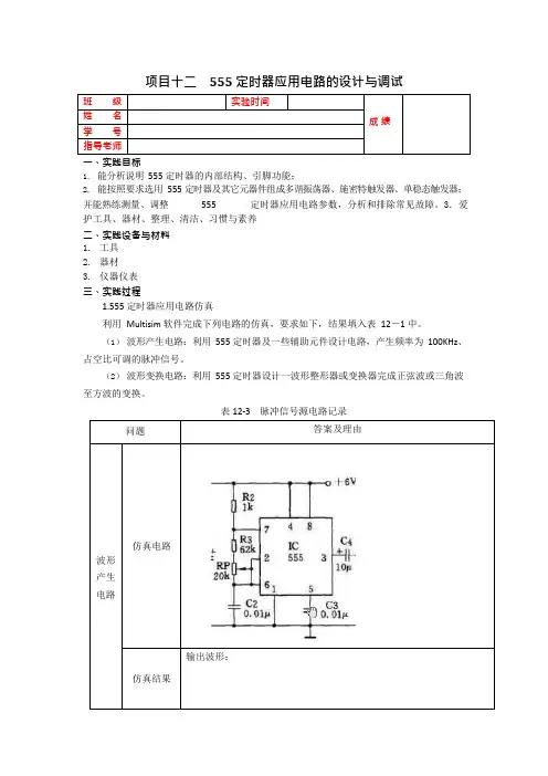
项目十二 555 定时器应用电路的设计与调试1. 能分析说明 555 定时器的内部结构、引脚功能;2. 能按照要求选用 555 定时器及其它元器件组成多谐振荡器、施密特触发器、单稳态触发器;并能熟练测量、调整 555 定时器应用电路参数,分析和排除常见故障。
3.爱护工具、器材、整理、清洁、习惯与素养 二、实践设备与材料 1. 工具 2. 器材3. 仪器仪表三、实践过程1.555 定时器应用电路仿真利用 Multisim 软件完成下列电路的仿真,要求如下,结果填入表 12-1 中。
(1)波形产生电路:利用 555 定时器及一些辅助元件设计电路,产生频率为 100KHz 、占空比可调的脉冲信号。
(2) 波形变换电路:利用 555 定时器设计一波形整形器或变换器完成正弦波或三角波至方波的变换。
表 12-3 脉冲信号源电路记录周期:T=(R1+2R3+2R P)C2\1.43 频率:最大占空比:t w1=T k\T 最小占空比:t w2=t\T输入波形:输出波形:周期:T= (R1+2R3+2R P)C2\1.43 频率:自我评价小组评价教师评价2.单稳态电路仿真与测试图12-3 555 定时器构成单稳态触发器如果用图12-3 所示单稳态电路输出定时时间为1 s 的正脉冲,R = 27 kΩ,试确定定时元件C 的取值,并选择合适的电容。
若定时时间改为5 s 的正脉冲,C = 30uF,试确定定时元件R 的取值。
并通过仿真进行验证。
结果记录在表12-2 中。
表12-2 单稳态电路仿真与测试电阻电容仿真波形及脉冲时间时间为1 s 的正脉冲R = 10 kΩ C=0.1μF时间为5 s 的正脉冲R =51KΩC=0.1uF自我评价小组评价教师评价3.1kHZ 的脉冲信号源电路的设计与制作理解图12-4 所示电路,使用555 电路为某TTL 电路设计一个1kHZ 的脉冲信号源。
实际电路的频率可调范围为750~1090HZ。
555毫秒级定时器电路555毫秒级别的定时器电路可以用来产生精确的时间延迟或振荡器。
这种电路通常使用555定时/计数器集成电路,它可以提供一个可编程的延迟时间,范围从几毫秒到几分钟。
以下是一个简单的555毫秒定时器电路的例子:元件:555定时计数器、电阻、电容、LED灯1. 电源:为555集成电路提供+5V电源。
2. 第1脚(引脚1)接地:将引脚1接地,即连接到地线。
3. 第2脚(引脚2)连接电阻R1,R1的阻值决定了定时器的振荡频率。
R值越小,频率越高,但要注意不要选择过小的R值导致振荡过快。
4. 第3脚(引脚3)连接电阻R2,R2的阻值决定了定时器的负载电容。
R2越大,负载电容越小,定时器的延时越长。
5. 第4脚(引脚4)连接电阻R3,R3的阻值决定了定时器的放电时间常数。
R3越大,放电时间越长,定时器的延时越短。
6. 第5脚(引脚5)连接电容C,C的电容决定了定时器的振荡频率。
C值越小,频率越高。
7. 第6脚(引脚6)连接LED,用于显示定时器的状态。
8. 第7脚(引脚7)为公共地。
编程延时:设定定时器的计数周期为1ms,则定时器每隔1ms计数一次,直到计数到设定的延时值为止。
例如,如果设定的延时值为50ms,则定时器会在开始计时后的50ms后停止计数,此时LED灯显示“0”(代表50ms),然后重新开始计数。
注意事项:1. 确保电源电压符合555定时/计数器的工作电压范围。
2. 在设计电路时,要考虑到元器件的额定参数和工作环境,避免元器件损坏或性能下降。
3. 在调试电路时,要注意观察LED灯的显示和定时器的计数情况,及时调整元器件参数以达到预期效果。
555定时器电路例题555定时器电路是一种常用的集成电路,广泛应用于定时、脉冲生成和频率分割等领域。
下面是一个关于555定时器电路的例题,我将从多个角度进行详细回答。
例题,设计一个555定时器电路,使其输出一个占空比为50%、周期为1秒的方波信号。
回答:1. 555定时器电路基本原理:555定时器电路由内部比较器、RS触发器、电压比较器和输出驱动器等组成。
其中,RS触发器的状态变化控制了输出信号的占空比和周期。
2. 555定时器电路的连接方式:根据题目要求,我们需要将555定时器配置为单稳态(monostable)模式。
将555的引脚连接如下:引脚1(GND)连接到电路的地线。
引脚4(复位)连接到电路的正电源。
引脚5(控制电压)连接到电路的正电源。
引脚6(阈值)不连接。
引脚7(放电)不连接。
引脚8(VCC)连接到电路的正电源。
引脚2(触发)通过一个电阻连接到电路的正电源,通过一个电容连接到地线。
引脚3(输出)连接到电路的输出负载。
3. 555定时器电路的计算:根据555定时器的工作原理和公式可以计算出电阻和电容的取值:充电时间,T1 = 0.693 (R1 + R2) C.放电时间,T2 = 0.693 R2 C.周期,T = T1 + T2。
由于题目要求占空比为50%,即T1 = T2,所以我们可以将T1和T2设为相等。
代入公式得到:T1 = T2 = 0.693 (R1 + R2) C.T = 2 T1 = 2 T2 = 1秒。
由此可得:0.693 (R1 + R2) C = 0.5秒。
4. 解方程求解电阻和电容的取值:根据上述方程,我们可以选择合适的电阻和电容取值来满足题目要求。
例如,假设我们选取R1 = 10kΩ,R2 = 10kΩ,代入方程得到:0.693 (10k + 10k) C = 0.5秒。
C ≈ 0.022μF.所以,我们可以选择R1 = 10kΩ,R2 = 10kΩ,C ≈0.022μF的电阻和电容取值。
基于555定时器的直流电机调速电路设计及实验报告心得555 成本低,性能可靠,只需要外接几个电阻、电容,就可以实现多谐振荡器、单稳态触发器及施密特触发器等脉冲产生与变换电路。
它也常作为定时器广泛应用于仪器仪表、家用电器、电子测量及自动控制等方面。
555 定时器的内部电路框图和外引脚排列它内部包括两个电压比较器,三个等值串联电阻,一个 RS 触发器,一个放电管 T 及功率输出级。
它提供两个基准电压VCC /3 和 2VCC /3555 定时器的功能主要由两个比较器决定。
两个比较器的输出电压控制 RS 触发器和放电管的状态。
在电源与地之间加上电压,当 5 脚悬空时,则电压比较器 C1 的同相输入端的电压为 2VCC /3,C2 的反相输入端的电压为VCC /3。
若触发输入端 TR 的电压小于VCC /3,则比较器 C2 的输出为 0,可使 RS 触发器置 1,使输出端 OUT=1。
如果阈值输入端 TH 的电压大于 2VCC/3,同时 TR 端的电压大于VCC /3,则 C1 的输出为 0,C2 的输出为 1,可将 RS 触发器置 0,使输出为 0 电平。
它的各个引脚功能如下:1脚:外接电源负端VSS或接地,一般情况下接地。
1 8脚:外接电源VCC,双极型时基电路VCC的范围是4.5 ~ 16V,CMOS型时基电路VCC的范围为3 ~ 18V。
一般用5V。
3脚:输出端Vo2脚:低触发端6脚:TH高触发端4脚:是直接清零端。
当端接低电平,则时基电路不工作,此时不论、TH处于何电平,时基电路输出为“0”,该端不用时应接高电平。
5脚:VC为控制电压端。
若此端外接电压,则可改变内部两个比较器的基准电压,当该端不用时,应将该端串入一只0.01μF电容接地,以防引入干扰。
7脚:放电端。
该端与放电管集电极相连,用做定时器时电容的放电。
在1脚接地,5脚未外接电压,两个比较器A1、A2基准电压分别为的情况下,555时基电路的功能表如表6—1示。
一、概述1.1 背景介绍直流-直流(DC-DC)转换电路在电子设备中扮演着重要的角色,它能够将输入直流电压转换为不同电压级别的输出直流电压,被广泛应用于电源管理系统、通信设备、汽车电子等领域。
1.2 555定时器在电子电路中的作用555定时器作为一种集成电路在电子电路中具有广泛的应用,它具有稳定的性能和较高的可靠性,且易于使用和调试。
基于555定时器的DC-DC转换电路成为了研究和应用的热点。
二、基于555定时器的DC-DC转换电路设计原理2.1 555定时器原理简介555定时器是一种集成电路,由比较器、触发器和双稳态器等部分组成。
通过设置电阻和电容的数值,可以实现不同的工作模式,例如单稳态、多谐振等。
2.2 反激式DC-DC转换电路原理反激式DC-DC转换电路是一种常见的拓扑结构,通过变压器的磁耦合实现电压的转换。
其中,555定时器可以作为反激控制器使用,实现电源的稳定、高效转换。
三、基于555定时器的DC-DC转换电路设计与实现3.1 电源拓扑选择根据实际需求,可以选择不同的电源拓扑结构,如升压、降压、升降压等。
在基于555定时器的DC-DC转换电路设计中,通常会选择适合的反激拓扑结构。
3.2 电路参数计算设计反激式DC-DC转换电路需要考虑转换效率、输出稳定性、噪声等因素。
通过555定时器的参数设置和元件的选择,可以计算出电路的关键参数。
3.3 电路实现与调试根据设计参数,搭建实际的电路原型,并进行调试和测试。
通过观察波形、测量电压电流等方式,验证电路的性能和稳定性。
四、基于555定时器的DC-DC转换电路应用实例4.1 通信设备电源管理系统在通信设备中,稳定的电源是保证设备正常工作的基础。
基于555定时器的DC-DC转换电路可以提供稳定可靠的电源支持,保证通信设备的正常运行。
4.2 汽车电子电源转换汽车电子设备对电源的要求较高,需要稳定的电压输出以供各种电子设备使用。
基于555定时器的DC-DC转换电路可以在汽车电子系统中得到广泛的应用。
555定时器电路原理图基于555芯片的定时器电路设计这节要将的是关于555(芯片)组成的(定时器)电路,主要讲解6种,分别是延时定时器、长延时定时器、分段式定时器、抗干扰的定时器、可变间歇定时器和通、断时间分别可调的循环定时器。
前3种相对而言简单一些;后3种定时器,相对前面3种就相对复杂一些。
不过,只要认真探索,任何困难都能迎刃而解的。
一、延时定时器本电路是一个用555(集成电路)组成的单稳延时电路,可以实现延时关断。
延时定时器原理图原理介绍与一般的555单稳电路不同的是在第5脚接有一只(二极管)VD1,将该脚与(电源)电压+6V接通。
该脚是555的控制端,与内部2/3电源分压点相接,接入VD1后,则该点将被箝位在 5.3V (0.6-0.7=5.3V),其中0.7V是VD1的导通压降。
这样就使得(阈值电压)也相应提高到5.3V,从而使得C1的充电时间有较大延长,一般来说,可以在相同R、C时间常数下使定时时间增大数倍。
计时开始前,先按动一下S1,计时开始,定时时间到时,555第3脚输出低电平,继电器K线圈失电断开,实现被控负载延时关断的功能。
增大C1的容量可以获得更长的延时时间。
二、长延时定时器本电路是由2只555组成延时的定时器。
长延时定时器原理图原理介绍由U1和R1、R2、RP1、VD1、VD2、C1组成无稳态多谐(振荡器),U1的振荡方波通过VD3、R3,加至U2的第6、7脚。
U2和R4、C4、R3、C3等组成一单稳延时电路。
刚开始通电时,由于C4接在触发端第2脚与地之间,故第3脚呈现高电平,继电器K吸合,其常开触点K1-1闭合,维持给U1、U2的(供电),此时,与U2的第7脚相连的集成电路内的放电管截止,因而C3开始充电。
C3的充电呈阶跃式,即U1输出方波的正脉冲,即高电平期间对其充电,由于VD3的存在,C3上的电荷不能向U1反向放电。
当C3的充电电压超过+6V的2/3阈值电平时,U2复位,第3脚输出低电平,定时时间到,继电器K释放,K1-1断开,U1、U2也同时失电,电路完全停止工作。
555定时器延时电路
摘要:
1.555定时器简介
2.555定时器的工作原理
3.555定时器的应用领域
4.555定时器的延时电路设计
5.555定时器延时电路的优缺点
6.总结
正文:
【1.555定时器简介】
555定时器是一种常用的电子元件,具有简单、易用、成本低等优点,广泛应用于各种电子设备和电路中。
它能产生固定的时间延迟,常用于定时、计数、中断等场景。
【2.555定时器的工作原理】
555定时器内部主要由两个比较器、一个计数器、一个RS触发器和一个放电电路组成。
当电路中的电压达到1/3Vcc时,555定时器开始工作。
通过调整外部电阻和电容的值,可以设置不同的时间延迟。
【3.555定时器的应用领域】
555定时器广泛应用于家电、通信、计算机、仪器仪表等领域。
例如,在智能家居中,可以用555定时器实现照明、空调等设备的定时控制;在通信领域,555定时器可以用于信号发生、接收和处理等环节。
【4.555定时器的延时电路设计】
设计555定时器延时电路时,需要根据实际需求选择合适的电阻和电容值。
一般来说,延时时间与外部电阻和电容的大小成正比。
通过改变电阻和电容的连接方式,还可以实现不同的延时效果。
【5.555定时器延时电路的优缺点】
优点:结构简单、成本低、易于调试和维修;
缺点:延时精度受外部元件影响较大,容易受到温度、电压等因素的干扰。
【6.总结】
555定时器延时电路是一种简单、实用的电路设计方案,广泛应用于各种电子设备和电路中。
通过调整外部电阻和电容的值,可以实现不同时间延迟效果。
基于555和热敏电阻的温控加热器电路设计温控加热器是一种能够根据环境温度的变化来调节加热器工作状态的电路。
本文将基于555定时器和热敏电阻设计一个温控加热器电路。
首先,我们需要了解一些基本的电子元件和原理。
555定时器是一个广泛应用于电子装置中的标准集成电路,它可以提供多种不同的工作模式。
热敏电阻是一种具有温度敏感特性的电阻器,它的电阻值会随着环境温度的变化而变化。
接下来,我们将详细介绍温控加热器电路的设计步骤:1.确定需要监测和控制的温度范围。
这个范围将决定我们需要选择的热敏电阻和其他电子元件的参数。
2.选择合适的热敏电阻。
根据需求,选择一个在需要监测的温度范围内电阻值变化较大且稳定的热敏电阻。
3.设计电流调度电路。
由于热敏电阻的电阻值较大,为了提供足够的电流对其进行测量,我们需要设计一个电流放大器电路。
4.设计一个基于555定时器的矩形波发生器电路。
这个电路将产生一个固定频率和占空比的方波信号。
5.将矩形波信号和热敏电阻测量电路相连接。
矩形波信号将作为激励信号,而热敏电阻将作为测量物体的敏感元件。
6.设计一个比较器电路。
比较器将测量到的热敏电阻值与设定的温度阈值进行比较,并输出一个控制信号。
7.设计一个继电器驱动电路。
继电器将根据比较器输出的控制信号,打开或关闭加热器。
8.将继电器连接到加热器。
继电器将根据控制信号打开或关闭加热器,从而控制加热器的工作状态。
以上是基于555定时器和热敏电阻设计温控加热器电路的步骤。
通过这个电路,我们可以实现对加热器的温度控制,并根据实际需求对温度进行自动调节。
这个电路在许多领域中都有广泛应用,如恒温箱、温控水壶等。
当然,在实际设计过程中,还涉及到电路的参数选择、连接设计和电源供应等方面的考虑。
因此,在进行具体设计前,还需要进行更详细的研究和分析。
希望以上的简要介绍能够对你的温控加热器电路设计提供一些帮助。
51单片机利用555的湿度测量电路及程序【转】网上看到的湿度测量方案,转过来给大家看看。
温度检测采用HS1101型温度传感器,HS1101是HUMIREL公司生产的变容式相对湿度传感器,采用独特的工艺设计。
HS1101测量湿度采用将HS1101置于555振荡电路中,将电容值的变化砖换成电压频率信号,可以直接被微处理器采集。
设计的电路如图1所示。
555芯片外接电阻R57,R58与HS1101,构成对HS1101的充电回路。
7端通过芯片内部的晶体管对地短路实现对HS1101的放电回路,并将引脚2,6端相连引入到片内比较器,构成一个多谐波振荡器,其中,R57相对于R58必须非常的小,但决不能低于一个最小值。
R51是防止短路的保护电阻。
HS1101作为一个变化的电容器,连接2和6引脚。
引脚作为R57的短路引脚。
HS1101的等效电容通过R57和R58充电达到上限电压(近似于0.67 VCC,时间记为T1),这时555的引脚3由高电平变为低电平,然后通过R58开始放电,由于R57被7引脚内部短路接地,所以只放电到触发界线(近似于0.33 VCC,时间记为T2),这时555芯片的引脚3变为高电平。
通过不同的两个电阻R19,R20进行传感器的不停充放电,产生方波输出。
由此可以看出,空气相对湿度与555芯片输出频率存在一定线性关系。
表2给出了典型频率湿度关系(参考点:25℃,相对湿度:55%,输出频率:6.660 kHz)。
可以通过微处理器采集555芯片的频率,然后查表即可得出相对湿度值。
为了更好提高测量精度,将采用下位机负责采集频率,将频率值送入上位机进行分段处理。
将555OUT接到51单片机的T1脚上,部分程序如下:#include "reg51.h"#define uchar unsigned char#define uint unsigned intuchar tem0 , tem1;uchar temp0 , temp1;uint f=0; //初值/***************************************************************************** 名称:timer0()* 功能:定时器1,每50000us中断一次。
NE555为8脚时基集成电路,各脚主要功能(集成块图在下面)1地 GND 2触发3输出4复位5控制电压6门限(阈值)7放电8电源电压Vcc应用十分广泛,可装如下几种电路:1。
单稳类电路作用:定延时,消抖动,分(倍)频,脉冲输出,速率检测等。
2。
双稳类电路作用:比较器,锁存器,反相器,方波输出及整形等。
3。
无稳类电路作用:方波输出,电源变换,音响报警,玩具,电控测量,定时等。
我们知道,555电路在应用和工作方式上一般可归纳为3类。
每类工作方式又有很多个不同的电路。
在实际应用中,除了单一品种的电路外,还可组合出很多不同电路,如:多个单稳、多个双稳、单稳和无稳,双稳和无稳的组合等。
这样一来,电路变的更加复杂。
为了便于我们分析和识别电路,更好的理解555电路,这里我们这里按555电路的结构特点进行分类和归纳,把555电路分为3大类、8种、共18个单元电路。
每个电路除画出它的标准图型,指出他们的结构特点或识别方法外,还给出了计算公式和他们的用途。
方便大家识别、分析555电路。
下面将分别介绍这3类电路。
单稳类电路单稳工作方式,它可分为3种。
见图示。
第1种(图1)是人工启动单稳,又因为定时电阻定时电容位置不同而分为2个不同的单元,并分别以1.1.1 和1.1.2为代号。
他们的输入端的形式,也就是电路的结构特点是:“RT-6.2-CT”和“CT-6.2-RT”。
第2种(图2)是脉冲启动型单稳,也可以分为2个不同的单元。
他们的输入特点都是“RT-7.6-CT”,都是从2端输入。
1.2.1电路的2端不带任何元件,具有最简单的形式;1.2.2电路则带有一个RC微分电路。
第3种(图3)是压控振荡器。
单稳型压控振荡器电路有很多,都比较复杂。
为简单起见,我们只把它分为2个不同单元。
不带任何辅助器件的电路为1.3.1;使用晶体管、运放放大器等辅助器件的电路为1.3.2。
图中列出了2个常用电路。
双稳类电路这里我们将对555双稳电路工作方式进行总结、归纳。
内容摘要在日常的生产与生活中,温度是一个非常重要的过程变量,因为它直接影响燃烧、化学反应、发酵、烘烤、煅烧、蒸馏、浓度、挤压成形、结晶以及空气流动等物理和化学过程。
所以人们需要用到良好的温度检测及控制装置系统来解决这些问题。
本文介绍了采用A/D转换、555定时器、AT89C51芯片以及DS1620温度传感器等组成的温度控制系统的设计方法和工作原理。
能够通过传感器对温度的感应自动调节加热功率的大小,并且在解决温度检测的基础上,通过555定时器完成对温度的特殊控制。
本设计应用性比较强,设计系统可以作为温度监控系统,如果稍微改装可以做热水器温度调节系统、实验室温度监控系统等等。
课题主要任务是完成环境温度检测,利用单片机实现温度调节并通过计算机实施温度监控。
设计后的系统具有操作方便,控制灵活等优点。
本设计系统包括温度传感器,A/D转换模块,温度传感器模块,和555定时器,AT89C51芯片等。
文中对每个部分功能、实现过程作了详细介绍。
整个系统的核心是以555定时器进行温度监控,完成了课题所有要求。
索引关键词:自动控制系统温度传感器 MCS-51 555定时器目录第一章绪论 (1)1.1研究温度控制系统的意义 (1)1.2 温度控制系统中传感器 (1)1.3 温度控制系统设计要点 (1)1.4 温度控制系统设计内容 (1)第二章硬件系统的构成 (2)2.1 AT89C51概况 (2)2.2功能特性概述 (2)2.3引角功能说明 (2)2.4时钟振荡器 (4)2.5空闲节电模式 (4)2.6掉电模式 (4)2.7传感器概述 (4)第三章数字温度测控芯片DS1620的应用 (4)3.1 概述 (4)3.2 引脚功能说明 (5)3.3 操作和控制 (6)3.4 DS1620有两种操作模式 (6)3.5 555定时器概述 (8)3.6 电路图 (10)后记 (11)参考文献 (12)555定时器温度控制电路设计第一章绪论1.1研究温度控制系统的意义温度是工业对象中主要的被控参数之一,像冶金、机械、食品、化工各类工业中,广泛使用的各种加热炉、热处理炉、反应炉等,对工件的处理温度要求严格控制,单片机温度控制系统使温度控制指标得到了大幅度提高。
其使用量日益增多,其地位和作用倍显重要,温度控制系统的结构组成,控制原理使用维护等方面的基础内容已成为电气工程技术人员急需了解掌握的必要知识。
1.2 温度控制系统中传感器随着“信息时代”的到来,作为获取信息手段的传感器技术得到了显著的进步,其应用领域越来越广泛,对其要求越来越高,需求越来越迫切。
传感器技术已成为衡量一个国家科学技术发展水平的重要标志之一。
因此,了解并掌握各类传感器的基本结构、工作原理及特性是非常重要的。
由于传感器能将各种物理量、化学量和生物量等信号转变为电信号,使得人们可以利用计算机实现自动测量、信息处理和自动控制,但是它们都不同程度地存在温漂和非线性等影响因素。
传感器主要用于测量和控制系统,它的性能好坏直接影响系统的性能。
因此,不仅必须掌握各类传感器的结构、原理及其性能指标,还必须懂得传感器经过适当的接口电路调整才能满足信号的处理、显示和控制的要求,而且只有通过对传感器应用实例的原理和智能传感器实例的分析了解,才能将传感器和信息通信和信息处理结合起来,适应传感器的生产、研制、开发和应用。
另一方面,传感器的被测信号来自于各个应用领域,每个领域都为了改革生产力、提高工效和时效,各自都在开发研制适合应用的传感器,于是种类繁多的新型传感器及传感器系统不断涌现。
温度传感器是其中重要的一类传感器。
其发展速度之快,以及其应用之广,并且还有很大潜力。
为了提高对传感器的认识和了解,尤其是对温度传感器的深入研究以及其用法与用途,基于实用、广泛和典型的原则而设计了本系统。
本文利用单片机结合传感器技术而开发设计了这一温度监控系统。
文中传感器理论单片机实际应用有机结合,详细地讲述了利用热敏电阻作为热敏传感器探测环境温度的过程,以及实现热电转换的原理过程。
1.3 温度控制系统设计要点温变化规律的控制,这主要在控制程序设计中考虑。
温度控制范围:这就涉及到测温元件、功率的选择等。
控制精度、超调量等指标,这涉及到A/D转换精度、控制规律选择等。
1.4 温度控制系统设计内容本设计应用性比较强,设计系统可以作为温度监控系统,如果稍微改装可以做热水器温度调节系统、实验室温度监控系统等等。
课题主要任务是完成环境温度检测,利用单片机实现温度调节并通过计算机实施温度监控。
设计后的系统具有操作方便,控制灵活等优点。
本设计系统包括温度传感器,A/D转换模块,温度传感器模块,和555定时器,AT89C51芯片等。
文中对每个部分功能、实现过程作了详细介绍。
整个系统的核心是以555定时器进行温度监控,完成了课题所有要求。
第二章硬件系统的构成2.1 AT89C51概况AT89C51是一种带4K字节闪烁可编程可擦除只读存储器(FPEROM—Flash Programmable and Erasable Read Only Memory)的低电压,高性能CMOS 8位微处理器,俗称单片机。
AT89C2051是一种带2K字节闪烁可编程可擦除只读存储器的单片机。
单片机的可擦除只读存储器可以反复擦除100次。
该器件采用ATMEL高密度非易失存储器制造技术制造,与工业标准的MCS-51指令集和输出管脚相兼容。
由于将多功能8位CPU 和闪烁存储器组合在单个芯片中,ATMEL的AT89C51是一种高效微控制器,AT89C2051是它的一种精简版本。
AT89C系列单片机为很多嵌入式控制系统提供了一种灵活性高且价廉的方案。
2.2功能特性概述一、4K字节可编程闪烁存储器二、寿命:1000写/擦循环三、数据保留时间:10年四、全静态工作:0Hz-24MHz五、三级程序存储器锁定六、128×8位内部RAM七、32可编程I/O线八、两个16位定时器/计数器九、5个中断源十、可编程串行通道十一、低功耗的闲置和掉电模式十二、片内振荡器和时钟电路2.3引角功能说明VCC:供电电压。
GND:接地。
P0口:P0口为一个8位漏级开路双向I/O口,每脚可吸收8TTL门电流。
当P1口的管脚第一次写1时,被定义为高阻输入。
P0能够用于外部程序数据存储器,它可以被定义为数据/地址的第八位。
在FIASH编程时,P0 口作为原码输入口,当FIASH进行校验时,P0输出原码,此时P0外部必须被拉高。
P1口:P1口是一个内部提供上拉电阻的8位双向I/O口,P1口缓冲器能接收输出4TTL门电流。
P1口管脚写入1后,被内部上拉为高,可用作输入,P1口被外部下拉为低电平时,将输出电流,这是由于内部上拉的缘故。
在FLASH编程和校验时,P1口作为第八位地址接收。
P2口:P2口为一个内部上拉电阻的8位双向I/O口,P2口缓冲器可接收,输出4个TTL门电流,当P2口被写“1”时,其管脚被内部上拉电阻拉高,且作为输入。
并因此作为输入时,P2口的管脚被外部拉低,将输出电流。
这是由于内部上拉的缘故。
P2口当用于外部程序存储器或16位地址外部数据存储器进行存取时,P2口输出地址的高八位。
在给出地址“1”时,它利用内部上拉优势,当对外部八位地址数据存储器进行读写时,P2口输出其特殊功能寄存器的内容。
P2口在FLASH编程和校验时接收高八位地址信号和控制信号。
P3口:P3口管脚是8个带内部上拉电阻的双向I/O口,可接收输出4个TTL门电流。
当P3口写入“1”后,它们被内部上拉为高电平,并用作输入。
作为输入,由于外部下拉为低电平,P3口将输出电流(ILL)这是由于上拉的缘故。
P3口也可作为AT89C51的一些特殊功能口,如下所示:管脚备选功能P3.0 RXD(串行输入口)P3.1 TXD(串行输出口)P3.2 /INT0(外部中断0)P3.3 /INT1(外部中断1)P3.4 T0(记时器0外部输入)P3.5 T1(记时器1外部输入)P3.6 /WR(外部数据存储器写选通)P3.7 /RD(外部数据存储器读选通)P3口同时为闪烁编程和编程校验接收一些控制信号。
RST:复位输入。
当振荡器复位器件时,要保持RST脚两个机器周期的高电平时间。
ALE/PROG:当访问外部存储器时,地址锁存允许的输出电平用于锁存地址的地位字节。
在FLASH编程期间,此引脚用于输入编程脉冲。
在平时,ALE端以不变的频率周期输出正脉冲信号,此频率为振荡器频率的1/6。
因此它可用作对外部输出的脉冲或用于定时目的。
然而要注意的是:每当用作外部数据存储器时,将跳过一个ALE脉冲。
如想禁止ALE的输出可在SFR8EH地址上置0。
此时,ALE只有在执行MOVX,MOVC指令是ALE才起作用。
另外,该引脚被略微拉高。
如果微处理器在外部执行状态ALE禁止,置位无效。
PSEN:外部程序存储器的选通信号。
在由外部程序存储器取指期间,每个机器周期两次PSEN有效。
但在访问外部数据存储器时,这两次有效的PSEN信号将不出现。
EA/VPP:当/EA保持低电平时,则在此期间外部程序存储器(0000H-FFFFH),不管是否有内部程序存储器。
注意加密方式1时,/EA将内部锁定为RESET;当/EA端保持高电平时,此间内部程序存储器。
在FLASH编程期间,此引脚也用于施加12V编程电源(VPP)。
XTAL1:反向振荡放大器的输入及内部时钟工作电路的输入。
XTAL2:来自反向振荡器的输出。
2.4时钟振荡器振荡器就是可以产生一定频率的交变电流信号的电路.晶体振荡器,以下我简称晶振,是利用了晶体的压电效应制造的,当在晶片的两面上加交变电压时,晶片会反复的机械变形而产生振动,而这种机械振动又会反过来产生交变电压。
当外加交变电压的频率为某一特定值时,振幅明显加大,比其它频率下的振幅大得多,产生共振,这种现象称为压电谐振.晶振产生振荡必须附加外部时钟电路,一般是一个放大反馈电路,只有一片晶振是不能实现震荡的.于是就有了时钟振荡器,将外部时钟电路跟晶振放在同一个封装里面,一般都有4个引脚了,两条电源线为里面的时钟电路提供电源,又叫做有源晶振,时钟振荡器,或简称钟振.好多钟振一般还要做一些温度补偿电路在里面,让振荡频率能更加准确.2.5空闲节电模式在空闲工作模式状态,CPU自身处于睡眠状态而所有片内的外设仍保持激活状态,这种方式由软件产生。
此时,同时将片内RAM和所有特殊功能寄存器的内容冻结。
空闲模式可由任何允许的中断请求或硬件复位终止。
由硬件复位终止空闲状态只需两个机器周期有效复位信号,在此状态下,片内硬件禁止访问内部RAM,但可以访问端口引脚,当用复位终止空闲方式时,为避免可能对端口产生意外写入,激活空闲模式的那条指令后一条指令不应是一条对端口或外部存储器的写入指令。