第四章玻璃马蹄焰窑炉砖结构、钢结构设计与计算
- 格式:pdf
- 大小:40.96 KB
- 文档页数:11
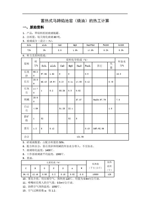
蓄热式马蹄焰池窑(烧油)的热工计算一、原始资料1、产品:翠绿料机制玻璃瓶罐。
2、出料量:每天熔化玻璃60吨。
5、碎玻璃数量:占配合料量的50%。
6、配合料水分:靠石英砂和纯碱的外加水分带入,不另加水。
7、玻璃熔化温度:1400℃。
8、工作部玻璃液平均温度:1300℃。
10、雾化介质:用压缩空气,预热到120℃,用量为0.6m/公斤油。
11、喷嘴砖孔吸入的空气量:0.5m3/公斤油。
12、助燃空气预热温度:1050℃。
13、空气过剩系数a:取1.2。
14、火焰空气内表面温度:熔化部1450℃,工作部1350℃。
池深方向玻璃液温降:窑池上部为2℃/cm,窑池下部为1℃/cm。
池墙、池底内表面温度按玻璃液温度(1250℃)取用。
17、熔化部窑顶处压力:2米汞柱。
二、玻璃形成过程耗热计算:100公斤湿粉料中形成氧化物的量1、生成硅酸盐耗热(以1公斤湿粉料计;单位是千卡/公斤或千焦);由CaCO3生成CaSiO3的反应耗热量q1q1=367G cao=367*0.082=30.1千卡/公斤*4.184=125.91KJ由Na2CO3生成Na2SiO3的反应耗热量q2q2=227.3G Na2O=227.3*(0.1114+0.00331)=25.98千卡/公斤*4.184=108.71KJ 由硝酸钠生成硅酸钠的反应耗热量q3q3=0由硫酸钡生成BaSiO3的反应耗热量q4q4=0一公斤湿粉料生成硅酸盐耗热q硅q硅= q1+ q2+ q3+ q4=234.62kj=58.23千卡/公斤2.配合料用量计算在配合料中,粉料占50%,碎玻璃占50%。
1公斤粉料需加碎玻璃量50/50=1公斤。
1公斤粉料加上碎玻璃1公斤,得: 1-0.01*24.52+1=1.79公斤玻璃液。
熔成1公斤玻璃液需要的粉料和碎玻璃分别为: G 粉=1/1.79=0.56公斤 G 碎=1/1.79=0.56公斤。
熔成1公斤玻璃液需要的配合料量为 G 料=G 粉+G 碎=0.56+0.56=1.12公斤。
热工、无非、材物、材化专业《窑炉课程设计》指导书周露亮编2010年9月目录课程设计要求与说明1第一章窑炉制图规格2第二章窑体图9第三章尺寸标注13第四章窑炉课程设计说明书撰写规范19第五章设计说明书的编写22课程设计要求与说明一、课程设计目的课程设计是课堂教学的实践延伸,目的是对学生学习《热工过程及设备》课程的最后总结,是教学重要的一环。
要求学生通过课程设计能综合运用和巩固所学的理论知识,并学会如何将理论与实践结合,研究解决实际中的项目技术问题。
主要任务是培养学生设计与绘图的基本技能,掌握窑炉设备的设计程序、过程与内容。
学生根据老师给定的设计任务,在规定的时间里,应围绕自己的题目内容,结合所学知识,认真查阅资料,体验项目设计的过程,同时锻炼学生分析和解决实际问题的能力。
二、课程设计要求通过本课程设计,要求学生进一步了解窑炉设备的基本结构;掌握窑炉设备的工作原理、项目制图方法和编制设计说明书的方法,同时要求学生融会贯通所学的理论知识,与实践结合,理解窑炉设备的设计思想和设计方法。
学生对课程设计题目应视作真正的任务,要求学生认真负责地进行设计,每一个计算数据和结构设计应尽可能与生产实际相结合,课程设计应作为学生的创造性成果,不能抄袭历届学生的设计,也不允许简单照搬现成的资料,要求学生能表达自己的设计思想。
三、课程设计题目、内容1、设计题目:隧道窑设计辊道窑设计2、设计内容(1)图纸:主体结构图及主要断面图。
要求尺寸标注齐全,线条、文字、图例规范;(2)说明书:确定主要尺寸和工作系统,进行燃烧计算和热平衡计算,要求计算正确,编写完整,格式规范。
第一章窑炉制图规格窑炉项目图是表达窑炉设计的重要技术资料,是施工的依据。
为了使窑炉项目图表达统一,清晰简明,提高制图质量,便于识读,满足设计和施工等的要求,又便于技术交流,对于图样的画法、图线的线型和应用、比例、图例以及字体等,统一规定。
一、图纸幅面为了合理使用图纸和便于装订和管理,所有图纸的幅面,应符合表1—1的规定:表1—1图纸幅面尺寸(mm)尺寸代号幅面代号A0 A1 A2 A3 A4B×L 841×1189594×841420×594297×420 210×297c 10 5a 25图中B×L为图纸的短边乘以长边,a、c为图框线到幅面线之间的宽度。
玻璃马蹄焰池窑课程设计说明书集团文件发布号:(9816-UATWW-MWUB-WUNN-INNUL-DQQTY-玻璃窑炉及设计课程设计说明书题目:年产42200吨高白料酒瓶燃油蓄热式马蹄焰池窑设计学生姓名:\学号:院(系):材料科学与工程学院专业:无机非金属材料工程指导教师:2013年6月20日目录1绪论课程设计是培养学生运用《窑炉及设计(玻璃)》课程的理论和专业知识,解决实际问题,进一步提高设计、运算、使用专业资料等能力的重要教学环节。
目的是使学生受到设计方法的初步训练,逐步树立正确的设计观点,增强设计能力、创新能力和综合能力,初步掌握窑炉及其它热工设备设计的基本知识和技能,并对所学窑炉热工理论知识进行验证和深化,为将来从事生产、设计、研究及教学等方面工作打下良好的基础。
同时为毕业设计(论文)奠定良好的基础。
1.1设计依据:(1)设计题目:年产42200吨高白料酒瓶燃油马蹄焰玻璃池窑的设计(2) 原始数据:产品规格:高白酒瓶容量550mL, 重量450g/只行列机年工作时间及机时利用率:325 天,95%机速:QD8行列机高白酒瓶75只/分钟QD6行列机高白酒瓶42只/分钟产品合格率:90%玻璃熔化温度1430℃玻璃形成过程耗热量q玻=2350kJ/kg玻璃液重油组成(质量分数%),见表1 。
1.2简述玻璃窑炉的发展历史及今后的发展动向玻璃生产专用热工设备统称为玻璃窑炉。
玻璃窑炉是玻璃行业生产的心脏,是能源消耗的主要设备。
目前我国正在运行的窑炉以火焰炉为主,能耗水平较高(一般在300~500公斤标煤/吨成品左右,国际先进水平为相当于150~200公斤标煤/吨成品);熔化率低(一般在1。
5~2吨玻璃液/平方米熔化面积·天,国际先进水平为3~3。
6吨工字钢玻璃液/平方米熔化面积·天),周期熔化率低(国际可超过10000吨玻璃液/窑炉运行周期,国内在2400~6200吨玻璃液/窑炉运行周期)这也与我们企业的产品结构、窑炉熔化面积的大小、生产线的合理配置有关;在能源结构方面,我们目前主要选用煤和油,热利用率低且污染严重,而目前国际上则普遍采用天然气和电等清洁能源,热利用率高污染少。
第二章结构设计熔化部设计熔化率K值确定瓶罐玻璃池窑设计K值在—为宜。
熔化率取的过小,窑炉不节能,取得过大,熔化操作困难,或是达不到设计容量,本次取(m2·d)。
理由如下:目前国外燃油瓶罐玻璃窑炉熔化率均在以上,而我国却在左右,偏低的原因:(1)整个池窑缺少有助于强化熔融的配套设计。
(2)操作管理,设备,材料等使得窑后期生产条件恶化。
由于这些影响熔化能力的因素,现在瓶罐玻璃K值偏小。
在全面改进窑炉结构和有关附属设备后,根据国内耐火材料配套情况和玻璃原料量与制备情况。
采取了K= t/(m2·d)。
熔化池设计(1)确定来了熔化率K值:熔化部面积 100/=40m2。
(2)熔化池的长、宽、深:L×B×H=8000mm×5000mm×1200mm本设计取长宽比值为。
长宽比确定后,在具体确定窑池长度时,要保证玻璃液充分熔化和澄清,并考虑到砖窑材料的质量以及燃烧火焰的情况,一般要求火焰转向点在窑长的2/3处。
窑长应≥4m 。
在确定窑池宽度时,应考虑到火焰的扩展范围,此范围取决于小炉宽度、中墙宽度(两个小炉的间距,小炉的间距,既要便于热修,又不要降低火焰的覆盖面积,一般小炉之间的通道宽度取~1.2 m )。
窑池宽度约为2~7m。
长宽选定后,当然具体尺寸还要按照池底排砖情况(最好是直缝排砖)作出适量调整,池底一般厚为200~300m。
具体的池底排列会在后面设计的选材方面进行说明。
这里先不做细讲。
综上,本次选用L=8m ,B=5m。
窑池深度一般根据经验确定。
池深一般在900—1200mm为宜。
池深不仅影响到玻璃液流和池底温度,而且影响玻璃液的物理化学均匀性以及窑炉的熔化率。
一般池底温度在1200—1360℃之间较为合适。
池底温度的提高可使熔化率提高。
但池底温度高于1380℃时,需要提高池底耐火材料的质量及品种,否则则会加速池底的侵蚀并降低炉龄,且会增加玻璃球的结石含量,这对后道拉丝生产是不利的,影响池底温度的决定性因素是玻璃的铁含量和玻璃气氛。
课程设计任务书学生姓名: 专业班级:指导教师:工作单位:题目: 33 t/d蓄热式马蹄焰池窑的设计初始条件:1、产品的品种:陶瓷熔块2、产量: 33 吨/天3、玻璃的成分陶瓷熔块成分(wt/%)表14、原料所用原料及基本要求表26、纯配合料熔化,不外加碎玻璃。
7、玻璃的熔化温度:1509 ℃;熔化部火焰空间温度: 1559 ℃。
8、助燃空气预热温度:1198 ℃。
9、燃料:重油重油的元素组成表310、重油雾化介质:压缩空气,温度80℃,用量0.5Bm/kg油11、空气过剩系数:α取1.112、窑型:蓄热式马蹄焰流液洞池窑要求完成的主要任务:一、撰写设计说明书,主要内容包括:1、设计依据及相关政策、法律、法规及设计规范2、物料平衡计算(列出计算过程)2.1配料计算2.2去气产物及组成计算3、热平衡计算(列出计算过程)3.1燃料燃烧计算3.2玻璃形成过程所消耗的热量计算3.3燃料消耗量近似计算4、窑炉的结构设计详细说明各部位的作用,各主要参数选择依据,并进行方案对比。
4.1熔化部设计包括熔化部的面积、长、宽、深度、火焰空间及投料口的尺寸。
4.2工作部的设计包括工作部的面积、长、宽、深度及火焰空间的尺寸。
4.3玻璃液的分隔设备的设计4.4出料口的设计4.5小炉口的计算与设计4.6蓄热室的计算与设计4.7烟道与烟囱尺寸的确定5、窑炉耐火材料的设计与选择包括池壁、池底、胸墙、大碹、蓄热室的耐火材料及保温材料的设计与选择。
要求作方案对比,阐述选择依据。
6、窑炉主要技术经济指标①熔化量:②熔化率:③熔化部面积:④冷却部面积:⑤一侧蓄热室格子砖的受热面积:⑥单位熔化部面积所占格子砖受热面积:⑦每公斤玻璃液所消耗的热量:⑧燃料消耗量:⑨玻璃熔成率。
二、用CAD绘制一张窑炉总图(3#图打印)时间安排:18周讲课、查阅资料、设计计算、绘制草图;19周 CAD制图;20周撰写设计说明书、答辩。
指导教师签名:年月日系主任(或责任教师)签名:年月日目录1.设计依据及相关的法律法规 (1)1.1设计的依据:课程设计任务书 (1)1.2国家相关法律、法规及设计规范 (1)1.3马蹄焰窑炉的特点 (2)2.物料平衡计算 (2)2.1配料计算 (2)2.2去气产物及组成计算 (4)3.热平衡计算 (5)3.1燃料燃烧计算 (5)3.2玻璃形成过程中所消耗的热量 (6)3.3燃料消耗量近似计算 (7)4.窑炉的结构设计 (8)4.1熔化部的设计 (8)4.2工作部的设计 (11)4.3玻璃液的分隔设备(流液洞)的设计 (11)4.4出料口的设计 (12)4.5 小炉口的计算与设计 (12)4.6蓄热室的计算与设计 (13)4.7烟道与烟囱尺寸的确定 (15)5. 主要技术经济指标 (16)6. 参考文献 (16)7. 总结 (16)设计题目:33 t/d蓄热式马蹄焰池窑的设计1 设计依据及相关的法律法规设计依据及其基本原则:随着工业生产现代化水平的日益提高,能源供应日趋紧张,在本设计中,为了节约能源、降低成本,采用有效的保温措施。
玻璃窑炉热工计算及设计
本书主要介绍玻璃窑炉热工计算及设计的相关知识。
首先介绍了玻璃制品的生产工艺和原理,然后深入讲解了玻璃窑炉的热工特性和热工计算方法,包括燃料燃烧热、热负荷、热平衡等方面的计算。
接下来,介绍了玻璃窑炉的结构设计,包括炉身、燃烧室、烟道等部分的设计原则和方法。
最后,还介绍了玻璃窑炉的运行管理和维护保养的相关知识,以及常见的故障排除方法。
本书内容详实,适合从事玻璃制造工艺和热工计算设计的工程师、技术人员及学习相关专业的研究生、本科生等阅读使用。
- 1 -。
玻璃熔窑设计第四章热工计算IMB standardization office【IMB 5AB- IMBK 08- IMB 2C】第4章总工艺计算耗热量的计算已求得的数据①原料组成见表4-1表4-1原料组成单位:质量分数(%)②碎玻璃用量占配合料的20%。
③配合料(不包含碎玻璃)水分:4%。
④玻璃熔化温度1465℃湿粉料中形成氧化物的数量见表3-2表4-2形成玻璃液的各氧化物的量单位:质量分数(%)湿粉料逸出气体组成见表4-3表4-3逸出气体组成配合料用量的计算碎玻璃量粉料量=2080(4-1)即:碎玻璃量=2080×粉料量即1㎏粉料中需要加入㎏碎玻璃,可以得到玻璃液:%×1+=因此,熔制成为1㎏玻璃液需要粉料量:G粉=1=0.9530G粉=0.251.0493=0.2383熔化成1㎏玻璃液需要的配合料量为:+=生成硅酸盐耗热量(以1㎏湿粉料进行计算,单位kJ/kg)由CaCO3生产CaSiO3时反应耗热量q1:q1==×(++)/100=由MgCO3生成MgSiO3时反应耗热量q2:q2==×++/100=由CaMg(CO3)2生成CaMg(SiO3)2时反应耗热量q3:q3==×(+)/100=由NaCO3生成NaSiO3时耗热量q4:q4==×100=由Na2SO4生成NaSO3时耗热量q5:q5=×100=1㎏湿粉料生成硅酸盐耗热量:q0=q1+q2+q3+q4+q5=++++=(kJ)玻璃形成过程的热量平衡(以生成1㎏玻璃液计,单位是kJ/kg,从0℃算起)①支出热量a.生成硅酸盐耗热量:qⅠ=q0G粉=×=b.形成玻璃耗热量:qⅡ=347G粉(1-气)kJ=347××(1-×)=c.加热玻璃液到1465℃耗热量:qⅢ=C玻t玻C玻=+×10-4t玻=+×10-4×1465=qⅢ=C玻t玻=×1465=d.加热逸出气体到1465℃耗热量:qⅣ=气G粉C气t熔式中V气=粉=熔=1465℃C气=C CO2(CO2%+SO2%)+C H2O H2O% =×(+)%+×%=qⅣ=气G粉C气t熔=××××1645=e.蒸发水分耗热量:qⅤ=2491G粉G水qⅤ=2491G粉G水=2491××4%=共计支出热量:q支=qⅠ+qⅡ+qⅢ+qⅣ+qⅤ=++++=②收入热量(设配合料入窑温度为36℃)a.由碎玻璃入窑带入的热量:qⅥ=C碎玻璃G碎玻璃t碎玻璃C碎玻璃=+×10-4×36=qⅥ=C碎玻璃G碎玻璃t碎玻璃=××36=b.由粉料入窑带入的热量:qⅦ=C粉G粉t粉qⅦ=C粉G粉t粉=××36=共计支出热量:q收=qⅥ+qⅦ=+=③熔化1㎏玻璃液在玻璃形成过程中的耗热量:q=q支-q收=-=燃烧计算烟气组成计算[5]1.重油成分见下表4-4表4-4重油成分单位:质量分数(%)2.计算基准:100g重油;条件:重油完全燃烧;窑内气体或火焰按其化学组成成分以及具有的氧化或还原能力分为氧化气氛、中性气氛、还原气氛三种。
玻璃窑炉马蹄焰池窑简介1.熔化池结构窑炉的熔化率主要取决于熔化温度,因为中碱和无碱玻璃球窑的熔制温度比较高,如果进一步提高熔化温度来提高熔化率,会加速对耐火材料的侵蚀,降低球质和影响炉龄。
而采取鼓泡和电助熔技术可以相应提高中下层玻璃温度,促进玻璃的均化,并且提高熔化率。
玻璃原料从熔化到澄清的行程也大,这有利于玻璃质量的控制和提高,而长宽比又受到小炉结构设计、火焰长度及拐弯要求的限制。
池深不仅影响到玻璃液流和池底温度,而且影响玻璃液的物理化学均匀性以及窑炉的熔化率。
一般池底温度在1200—1360℃之间较为合适。
池底温度的提高可使熔化率提高。
但池底温度高于1380℃时,需要提高池底耐火材料的质量及品种,否则会加速池底的侵蚀并降低炉龄,且会增加玻璃球的结石含量,这对后道拉丝生产是不利的,影响池底温度的决定性因素是玻璃的铁含量和玻璃气氛。
当Fe2O3含量在0.25—0.3%范围内时,池深800—1200mm的玻璃球窑,其垂直温降约为15—30℃/100mm。
2.工作池选择半圆形工作池时,其半径R决定于制球机台数与布置方式。
一般工作池半径小于等于熔化池池宽,工作池深度浅于熔化池池深300—400mm。
3.投料池为了获得稳定的玻璃质量,一般在池壁两侧设置一对投料池,随换火操作交替由火根投料。
投料池中心线与窑炉池壁的距离主要决定于小炉喷火口的温度,温度越高距离可缩小。
一般其距离可定在0.8—1.0m。
4.流液洞流液洞的功能是降温和均化。
采用沉式流液洞比采用直通式流液洞温降大。
而均化效果受液洞高度影响较大。
如高度越小则均化效果越好。
所以设计流液洞宽度一般应大于其高度。
在不考虑玻璃回流的情况下,玻璃流经流液洞的平均速度可取5—20m/h。
5.胸墙高度胸墙高度应根据窑炉容积发热强度来确定,目前容积发热强度设计值一般取60—200KW/m3(相当于50—180*103kcal/N.m3),比早期的数据已有明显下降,这说明提高了胸墙高度,而且采用质量改善的耐火材料和较好的保温效果,使窑炉热损失减少,大容积空间更有利于燃料的完全燃烧和增强其容积辐射强度,有利于提高熔制质量和降低能耗。
第4章总工艺计算4.1耗热量的计算4.1.1已求得的数据①原料组成见表4-1表4-1 原料组成单位:质量分数(%)②碎玻璃用量占配合料的20%。
③配合料(不包含碎玻璃)水分:4%。
④玻璃熔化温度1465℃4.1.2 100㎏湿粉料中形成氧化物的数量见表3-2表4-2 形成玻璃液的各氧化物的量单位:质量分数(%)4.1.3 100㎏湿粉料逸出气体组成见表4-3表4-3 逸出气体组成4.1.4 配合料用量的计算碎玻璃量粉料量(4-1)即:碎玻璃量粉料量即1㎏粉料中需要加入0.25㎏碎玻璃,可以得到玻璃液:1-20.0664%×1+0.25=1.0493因此,熔制成为1㎏玻璃液需要粉料量:G粉G粉熔化成1㎏玻璃液需要的配合料量为:0.9530+0.2383=1.1913 kg4.1.5 生成硅酸盐耗热量(以1㎏湿粉料进行计算,单位kJ/kg)由CaCO3生产CaSiO3时反应耗热量q1:q1=1536.6G CaO=1536.6×(0.0807+0.0119+1.5926)/100=25.8948 kJ由MgCO3生成MgSiO3时反应耗热量q2:q2=3466.7G MgO=3466.7×(0.0215+0.0387+0.0047)/100=2.2187 kJ由CaMg(CO3)2生成CaMg(SiO3)2时反应耗热量q3:q3=2757.4G CaMgO2=2757.4×(4.6755+3.0831)/100=213.9329 kJ由NaCO3生成NaSiO3时耗热量q4:q4=951.7G Na2O=951.7×10.3850/100=98.8340 kJ由Na2SO4生成NaSO3时耗热量q5:q5=3467.1×0.1635/100=5.6687 kJ1㎏湿粉料生成硅酸盐耗热量:q0=q1+q2+q3+q4+q5=25.8948+2.2187+213.9329+98.8340+5.6687=346.5489(kJ)4.1.6 玻璃形成过程的热量平衡(以生成1㎏玻璃液计,单位是kJ/kg,从0℃算起)①支出热量a. 生成硅酸盐耗热量:qⅠ=q0G粉=352.2931×0.9530=330.2611b.形成玻璃耗热量:qⅡ=347G粉(1-0.01G气)kJ=347×0.9530×(1-0.01×20.0644)=264.3398c.加热玻璃液到1465℃耗热量:qⅢ=C玻t玻C玻=0.672+4.160×10-4t玻=0.672+4.610×10-4×1465=1.3474 qⅢ=C玻t玻=1.3474×1465=1973.9410 kJd.加热逸出气体到1465℃耗热量:qⅣ=0.01V气G粉C气t熔式中V气=13.1238 G粉=0.9530 t熔=1465℃C气=C CO2(CO2%+SO2%)+C H2O H2O%=2.3266×(61.53+0.54)%+1.825×37.93%=2.1363qⅣ=0.01V气G粉C气t熔=0.01×13.1238×0.9530×2.1363×1645 =391.4284 kJe.蒸发水分耗热量:qⅤ=2491G粉G水qⅤ=2491G粉G水=2491×0.9530×4%=94.9569 kJ共计支出热量:q支=qⅠ+qⅡ+qⅢ+qⅣ+qⅤ=330.2611+264.3398+1973.9410+391.4284+94.9569 =3054.9272 kJ②收入热量(设配合料入窑温度为36℃)a.由碎玻璃入窑带入的热量:qⅥ=C碎玻璃G碎玻璃t碎玻璃C碎玻璃=0.7511+2.65×10-4×36=0.7606qⅥ=C碎玻璃G碎玻璃t碎玻璃=0.7606×0.2383×36=6.5 kJb.由粉料入窑带入的热量:qⅦ=C粉G粉t粉q Ⅶ=C粉G粉t粉=0.963×0.9530×36=33.0 kJ共计支出热量:q收=qⅥ+qⅦ=6.5+33.0=39.5 kJ③熔化1㎏玻璃液在玻璃形成过程中的耗热量:q=q支-q收=3054.9272-39.5=3015.4272 kJ4.2燃烧计算4.2.1烟气组成计算[5]1. 重油成分见下表4-4表4-4 重油成分单位:质量分数(%)2. 计算基准:100g重油;条件:重油完全燃烧;窑内气体或火焰按其化学组成成分以及具有的氧化或还原能力分为氧化气氛、中性气氛、还原气氛三种。
第四章砖结构、钢结构设计与计算4.1 砖结构设计与计算4.1.1 砖结构设计池底池底宜采用多层式结构,采用耐侵蚀和保温相结合的结构。
耐侵蚀采用80mm厚电熔AZS砖和50mm锆质捣打层。
主体材料用300mm厚粘土大砖(齐缝排列)。
池壁因池壁直接与玻璃液接触,故要选择耐侵蚀的电熔铸锆刚玉砖。
砌筑池壁时应尽可能减少水平砖缝。
故选用300×400×1000电熔锆刚玉砖,整块立砌。
胸墙胸墙不与玻璃液直接接触,粉料的飞散和拱顶熔融后的流下物,所以胸墙材料要求耐高温耐侵蚀,故选用优质硅砖750×400×300。
大碹大碹要在高温碱蒸汽下使用,但为了使被侵蚀部分不受影响,选用优质硅砖。
这样熔融后流下不致使玻璃出现明显缺陷。
流液洞流液洞通道侧壁与玻璃液接触,并且要接受液流的冲刷,使用环境在1300~1450℃的条件下,故选用F-AZS无缩孔砖(40#)。
规格1000×400×300。
流液洞盖板与玻璃液接触并且有气液相上砖孔侵蚀,在1300~1450℃的条件下选用F-AZS无缩孔砖(40#)。
窑坎窑坎与玻璃液接触有强制冲刷。
同样选用F-AZS无缩孔砖。
加料口拐角砖与玻璃液接触并有温度变化,粉料堆积较大,并有机械冲刷,选用F-AZS 无缩孔砖。
其余熔化部耐火材料默认使用F-AZS 电熔铸锆刚玉砖工作池拱顶及拱脚砖,胸墙工作池因温度变化比较低,所以硅材要求可放宽,使用普通硅砖就行。
其他池壁和铺面材料与熔化池基本相同。
小炉小炉各部位中喷火口及底板前段以及喷火口用41#F-AZS砖,小炉侧墙斜拱采用优质硅砖。
蓄热室蓄热室侧墙上部采用铬镁砖,下部采用粘土砖。
中间隔墙上部采用镁铬砖,下部采用粘土砖。
4.1.2保温池底保温池底采用粘土大砖300mm和轻质粘土砖200mm,外加石棉。
池壁保温池壁保温采用115mm厚的轻质高铝砖和115mm厚的硅酸钙板。
胸墙保温胸墙保温用115mm厚的轻质粘土砖和115mm厚的硅酸铝板砖。
第 4 章总工艺计算耗热量的计算已求得的数据①原料组成见表4-1②碎玻璃用量占配合料的20%。
③配合料(不包含碎玻璃)水分:4%。
④玻璃熔化温度1465C湿粉料中形成氧化物的数量见表3-2表4-2形成玻璃液的各氧化物的量单位:质量分数(%)湿粉料逸出气体组成见表4-3表4-3逸出气体组成配合料用量的计算 碎玻璃量 20 ( 4 1、 粉料量 =80 (4-1、即:碎玻璃量=20 X 粉料量80即1 kg 粉料中需要加入kg 碎玻璃,可以得到玻璃液:%Xl + =因此,熔制成为1 kk 玻璃液需要粉料量:1G 粉==09粉 1.0493熔化成1 kg 玻璃液需要的配合料量为:+ =生成硅酸盐耗热量(以1 kg 湿粉料进行计算,单位kJ/kg ) 由CaCO 3生产CaSiO 3时反应耗热量q 1 :q 1 = =x ( + + ) /100 =由MgCO 3生成MgSiO 3时反应耗热量q 2:q 2==x+ + /100=由CaMg(CO 3)2生成CaMg(SiO 3)2时反应耗热量q 3:q 3== X ( + ) /100=由NaCO 3生成NaSiO 3时耗热量q 4:0.251.0493 =0.2383q4== X1OO=由Na2SO4 生成NaSO3 时耗热量q5:q5= X1OO=1 kg湿粉料生成硅酸盐耗热量:q o= q i+ q2 + q3+ q4 + q5—H—I—I——(kJ)玻璃形成过程的热量平衡(以生成1 kg玻璃液计,单位是kJ/kg,从0C算起)①支出热量a.生成硅酸盐耗热量:q i—q o G粉一X—b.形成玻璃耗热量:q n—347G粉(1—气)kJ—347XX( 1 -X)—c.加热玻璃液到1465E耗热量:q m—C玻t玻C 玻—+ X0—4t 玻—+ X0—4X465—q m —C 玻t 玻—X465—d.加热逸出气体到1465E耗热量:q^ —气G粉C气t熔式中V气—粉—熔—1465 °CC 气—C CO2(CO2%+ SO2%)+ C H2O H2O%— X(+)%+ X%q^ =气G 粉C 气t 熔—XXXX1645e.蒸发水分耗热量:q v—2491G粉G水q v —2491G粉G 水—2491XX% —共计支出热量:q支一q【+ q n + q m + q^ + q v—++++②收入热量(设配合料入窑温度为36C)a.由碎玻璃入窑带入的热量:q^ —C碎玻璃G碎玻璃t碎玻璃—4C 碎玻璃—+ X10 X36—q^ —C碎玻璃G碎玻璃t碎玻璃—X/^36 —b.由粉料入窑带入的热量:q^ = C粉G粉t粉q^ = C 粉G 粉t 粉=XX36=共计支出热量:q收=中+ q皿=+ =③熔化1 kg玻璃液在玻璃形成过程中的耗热量:q = q 支—q 收=—=燃烧计算烟气组成计算:5:1•重油成分见下表4-4表4-4重油成分单位:质量分数(%)2.计算基准:100g重油;条件:重油完全燃烧;窑内气体或火焰按其化学组成成分以及具有的氧化或还原能力分为氧化气氛、中性气氛、还原气氛三种。
窑炉及设计(玻璃)课程设计说明书题目:年产1.2万吨玻璃酒瓶燃油马蹄焰池窑的设计学生姓名:学号:院(系):材料科学与工程学院专业:无机非金属材料工程指导教师:2012 年 6 月 17 日陕西科技大学窑炉及设计(玻璃)课程设计任务书材料科学与工程学院无机非金属材料工程专业班级学生:题目:年产1.2万吨玻璃酒瓶燃油马蹄焰池窑的设计课程设计从2012 年 6 月 4 日起到2012 年 6 月17 日1、课程设计的内容和要求(包括原始数据、技术要求、工作要求等):(1) 原始数据:a.产品规格:青白酒瓶容量500mL, 重量400g/只b.行列机年工作时间及机时利用率:313 天,95%c.机速:QD6行列机青白酒瓶38只/分钟d.产品合格率:90%e.玻璃熔化温度1430℃f.玻璃形成过程耗热量q玻=2350kJ/kg玻璃液g.重油组成(质量分数%),见表1。
表1 重油组成(2) 设计计算说明书组成(电子纸质版)参考目录如下1.绪论1.1设计依据1.2简述玻璃窑炉的发展历史及今后的发展动向1.3对所选窑炉类型的论证1.4有关工艺问题的论证2.设计计算内容2.1日出料量的计算2.2熔化率的选取2.3熔窑基本结构尺寸的确定2.4燃料燃烧计算2.5燃料消耗量的计算2.6小炉结构的确定与计算2.7蓄热室的设计2.8窑体主要部位所用材料的选择和厚度的确定3.主要技术经济指标4.对本人设计的评述参考文献设计说明书格式见《陕西科技大学课程设计说明书撰写格式暂行规范》。
(3)图纸要求采用绘图纸铅笔绘制,图纸断面见参考图。
图幅大小见表3。
各断端面绘图比例必须一致。
表3 图纸要求2、对课程设计成果的要求〔包括图表、实物等硬件要求〕:设计计算说明书一套,窑炉图纸两张。
指导教师:日期:教研室主任:日期:目录1.绪论1.1设计依据61.2简述玻璃窑炉的发展历史及今后的发展动向61.3对所选窑炉类型的论证71.4有关工艺问题的论证82.设计计算内容102.1日出料量的计算102.2熔化率的选取102.3熔窑基本结构尺寸的确定102.4燃料燃烧计算142.5燃料消耗量的计算152.6小炉结构的确定与计算172.7蓄热室的设计192.8窑体主要部位所用材料的选择和厚度的确定203.主要技术经济指标204.对本人设计的评述225. 参考文献231、绪论课程设计是培养学生运用《玻璃窑炉及设计》课程的理论和专业知识,解决实际问题,进一步提高设计、运算、使用专业资料等能力的重要教学环节。
第4章马蹄焰池窑 窑内火焰呈马蹄形流动(在窑内呈U形),仅在熔化部的前端设置一对小炉的玻璃池窑称为马蹄焰池窑(有时亦称U形池窑)。
其示意图如图4—1所示。
马蹄焰池窑的优点是:ⅰ.热利用率高。
马蹄形火焰在窑内呈“U”形,长度可达熔化池长度的1.3~1.5倍,行程较长,因而燃料燃烧充分,同时窑体表面积小,热散失量较少,可提高热利用率,降低燃料消耗。
目前先进的大型马蹄焰池窑比相同熔化面积的横焰池窑热耗量低15~20%。
ⅱ.结构简单,造价低,只有一对小炉布置在熔化池端墙上,而横焰池窑一般有3对以上的小炉,且布置在熔化池两侧,这将使横馅池窑结构复杂,砌筑困难,同时横焰池窑占地面积大,建窑和建厂房的费用都比马蹄焰池窑高,建一座马蹄焰池窑的费用比建同等规模的横焰池窑低25%~30% 马蹄焰池窑的缺点是: ⅰ.沿窑长方向难以建立必要的热工制度,火焰覆盖面积小,在炉宽度上的温度分布不均匀,尤其是火焰换向带来了周期性的温度波动和热点(即玻璃液最高沮度的位置)的移动, ⅱ.一对小炉限制了炉宽,也就限制了炉的规模; ⅲ.燃料燃烧喷出的火焰有时对配合料料堆有推料作用,不利于配合料的熔化澄清,并对花格墙、流液洞盖板和冷却部空间砌体有烧损作用。
马蹄焰池窑与横焰池窑的比较见表4—1。
由于以上特点,马蹄焰池窑已被广泛用于制造对玻璃质量无特别要求的各种空心制品(如瓶罐、器皿、化学仪器、泡壳、玻璃管)、压制品和玻璃球等,其最大熔化面积可达90m2。
4.1 马蹄焰池窑的结构4.1.1 窑池 马蹄焰池窑结构设计的内容是根据生产规模的大小来因地制宜地确定窑池各部位的形第89页式、尺寸和材料。
设计要依据窑炉热工理论、池窑工作原理和生产实践经验,还要进行必要的经验计算。
(1)窑池尺寸 窑池是玻璃熔窑的主要部分。
它的熔化面积、长宽比和池深等几何尺寸必须符合工艺与结构的要求。
①熔化面积熔化部窑池面积按已定的熔窑规模(日产量)和熔化率(常用K表示)估算。
玻璃球窑之窑炉的结构和熔制一、球窑的种类1.E玻璃球窑生产E玻璃成分的窑炉被称为E玻璃球窑。
适合的窑型有:蓄热式马蹄焰窑;蓄热式横火焰窑;换热式单元窑。
其中单元窑能较好控制玻璃质量,但在我国玻璃球生产初期,国内缺少高热值燃油及煤气,燃烧器和金属换热器方面的技术落后,因此实际上单元窑从没有用于生产玻璃球。
横火焰窑生产的玻璃质量相对较好,但因蓄热式横火焰窑池宽度一般要求大于4mm,以保证燃烧完全和窑炉热效率高。
这样,横火焰窑的熔化面积较大,使制球机半圆型工作池的布置受到限制,因此这种窑型的使用也很少。
但可以认为,随着制球机的改进,以及能源供给的多样化,采用横火焰窑还是有一定应用前景的。
马蹄焰窑至今仍是国内制造E玻璃球的首选窑型。
2.C玻璃球窑生产C玻璃成分的窑炉被称为C玻璃球窑,C玻璃球窑也以采用马蹄形火焰窑为主。
过去4台制球机以下的C玻璃球窑曾采用过双碹窑。
应该说单元窑和横火焰窑同样也适用于C玻璃球窑,但由于如前所述的原因,实际生产中从未采用。
3.电熔球窑适合于小规模特种成分玻璃球或玻璃块的生产。
二、马蹄焰球窑结构设计1.结构尺寸(1)熔化面积。
窑炉的熔化率主要取决于熔化温度,因为中碱和无碱玻璃球窑的熔制温度比较高,如果进一步提高熔化温度来提高熔化率,会加速对耐火材料的侵蚀,降低球质和影响炉龄。
而采取鼓泡和电助熔技术可以相应提高中下层玻璃温度,促进玻璃的均化,并且提高熔化率。
(2)熔池长宽比。
长宽比越大,玻璃原料从熔化到澄清的行程也大,这有利于玻璃质量的控制和提高,而长宽比又受到小炉结构设计、火焰长度及拐弯要求的限制。
采用高热值燃料的球窑池长可达到10mm,所以可选择较大的长宽比。
而采用低热值燃料的球窑应选择较小的长宽比。
一般长宽比选用范围为1.4—2.0。
(3)池深。
池深不仅影响到玻璃液流和池底温度,而且影响玻璃液的物理化学均匀性以及窑炉的熔化率。
一般池底温度在1200—1360℃之间较为合适。
玻璃马蹄焰窑炉结构设计首先,玻璃马蹄焰窑炉的基本结构包括窑体、燃烧室、燃烧系统、温度控制系统和排放系统。
窑体是玻璃熔化的主要区域,需要具备一定的承重能力和耐高温的特性。
一般情况下,窑体会采用耐火材料进行修建,例如高铝砖、耐火石棉板等。
此外,窑体还应具备良好的隔热性能,以减少能源的浪费。
燃烧室是窑体内部的燃烧区域,通常位于窑体的一侧或底部。
其主要作用是燃烧燃料产生高温火焰,以供给窑体进行玻璃熔化。
燃烧室的结构设计应考虑到燃料的种类和供氧情况,确保燃烧效果良好且稳定。
同时,为了方便清理和维护,燃烧室通常还会设计有可拆卸的燃烧室内壁。
燃烧系统是玻璃马蹄焰窑炉的关键部分,包括燃料供应、燃烧风机、点火装置等。
燃料供应系统一般选择液体燃料或气体燃料,如天然气、液化石油气等。
燃烧风机用于提供燃烧室所需的氧气,保证燃烧过程中火焰的正常运行。
点火装置则用于点燃燃料并维持火焰的稳定运行。
温度控制系统是玻璃马蹄焰窑炉的重要组成部分,其主要功能是控制窑体内的温度,确保玻璃熔化过程的稳定性。
温度控制系统一般由温度传感器、控制器和执行机构组成。
温度传感器位于窑体内部,用于实时监测温度变化。
控制器接收传感器的信号,并通过执行机构控制燃料供应量、燃烧风速等,以实现对温度的自动控制。
排放系统主要用于处理产生的废气和废渣。
废气一般经过过滤和净化设备进行处理,以减少对环境的污染。
废渣则通过排渣装置进行收集和清理,以便后续处理或回收利用。
综上所述,玻璃马蹄焰窑炉的结构设计应考虑到窑体的强度和隔热性能,燃烧室的燃烧效果和可维护性,燃烧系统的燃料供应和稳定性,温度控制系统的温度监测和控制精度,以及排放系统的废气和废渣处理。
只有在这些方面的综合考虑下,才能设计出高效节能且安全可靠的玻璃马蹄焰窑炉。