备战高考化学化学反应速率与化学平衡(大题培优)含详细答案
- 格式:doc
- 大小:748.00 KB
- 文档页数:17
备战高考化学培优(含解析)之化学反应速率与化学平衡及详细答案一、化学反应速率与化学平衡1.碳酸镁晶须是一种新型的吸波隐形材料中的增强材料。
(1)合成该物质的步骤如下:步骤1:配制0.5mol·L-1 MgSO4溶液和0.5mol·L-1 NH4HCO3溶液。
步骤2:用量筒量取500mL NH4HCO3溶液于1000mL三颈烧瓶中,开启搅拌器。
温度控制在50℃。
步骤3:将250mL MgSO4溶液逐滴加入NH4HCO3溶液中,1min内滴加完后,用氨水调节溶液pH到9.5。
步骤4:放置1h后,过滤,洗涤。
步骤5:在40℃的真空干燥箱中干燥10h,得碳酸镁晶须产品(MgCO3·nH2O n=1~5)。
①步骤2控制温度在50℃,较好的加热方法是_________。
②步骤3生成MgCO3·nH2O沉淀的化学方程式为__________。
③步骤4检验沉淀是否洗涤干净的方法是__________。
(2)测定生成的MgCO3·nH2O中的n值。
称量1.000碳酸镁晶须,放入如图所示的广口瓶中加入适量水,并滴入稀硫酸与晶须反应,生成的CO2被NaOH溶液吸收,在室温下反应4~5h,反应后期将温度升到30℃,最后将烧杯中的溶液用已知浓度的盐酸滴定,测得CO2的总量;重复上述操作2次。
①图中气球的作用是_________。
②上述反应后期要升温到30℃,主要目的是______。
③测得每7.8000g碳酸镁晶须产生标准状况下CO2为1.12L,则n值为_______。
(3)碳酸镁晶须可由菱镁矿获得,为测定某菱镁矿(主要成分是碳酸镁,含少量碳酸亚铁、二氧化硅)中铁的含量,在实验室分别称取12.5g菱镁矿样品溶于过量的稀硫酸并完全转移到锥形瓶中,加入指示剂,用0.010mol/L H2O2溶液进行滴定。
平行测定四组。
消耗H2O2溶液的体积数据如表所示。
实验编号1234消耗H2O2溶液体积/mL15.0015.0215.6214.98①H2O2溶液应装在_________(填“酸式”或“碱式”)滴定管中。
备战高考化学化学反应速率与化学平衡培优练习(含答案)及详细答案一、化学反应速率与化学平衡1.化学学习小组进行如下实验。
[探究反应速率的影响因素]设计了如下的方案并记录实验结果(忽略溶液混合体积变化)。
限选试剂和仪器:0.20 mol·L-1H2C2O4溶液、0.010 mol·L-1KMnO4溶液(酸性)、蒸馏水、试管、量筒、秒表、恒温水浴槽物理量V(0.20 mol·L-1H2C2O4溶液)/mLV(蒸馏水)/mLV(0.010 mol·L-1KMnO4溶液)/mLT/℃乙① 2.00 4.050② 2.00 4.025③ 1.00 4.025(1)上述实验①、②是探究__________对化学反应速率的影响;若上述实验②、③是探究浓度对化学反应速率的影响,则a为_____________;乙是实验需要测量的物理量,则表格中“乙”应填写___________ 。
[测定H2C2O4·x H2O 中x值] 已知:M(H2C2O4)=90 g·mol-1①称取 1.260 g 纯草酸晶体,将其酸制成 100.00 mL 水溶液为待测液;②取 25.00mL 待测液放入锥形瓶中,再加入适的稀H2SO4;③用浓度为 0.05 000 mol·L-1的 KMnO4标准溶液进行滴定。
(2)请写出与滴定有关反应的离子方程式_________________________________________。
(3)某学生的滴定方式(夹持部分略去)如下,最合理的是________ (选填 a、b)。
(4)由图可知消耗KMnO4溶液体积为__________________________________________mL。
(5)滴定过程中眼睛应注视________________________。
(6)通过上述数据,求得x= ____ 。
以标准KMnO4溶液滴定样品溶液的浓度,未用标准KMnO4溶液润洗滴定管,引起实验结果________(偏大、偏小或没有影响) 。
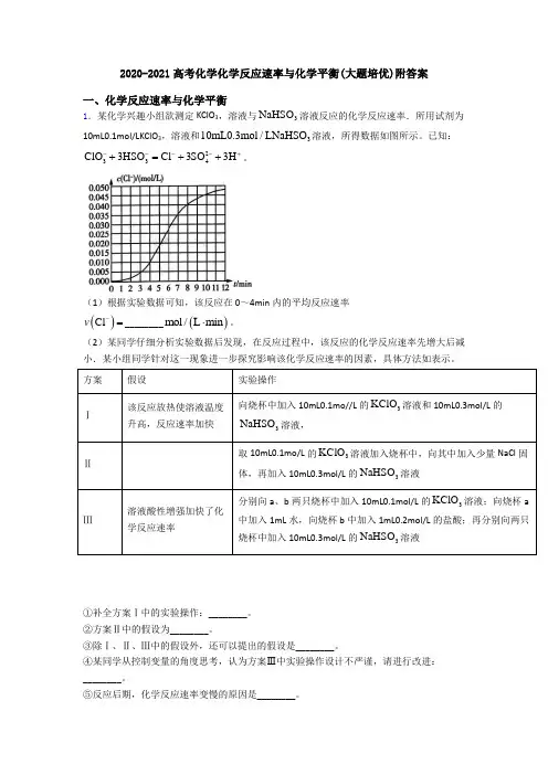
2020-2021高考化学化学反应速率与化学平衡(大题培优)附答案一、化学反应速率与化学平衡1.某化学兴趣小组欲测定KClO 3,溶液与3NaHSO 溶液反应的化学反应速率.所用试剂为10mL0.1mol/LKClO 3,溶液和310mL0.3mol /LNaHSO 溶液,所得数据如图所示。
已知:2334ClO 3HSO Cl 3SO 3H ----++=++。
(1)根据实验数据可知,该反应在0~4min 内的平均反应速率()Cl v -=________()mol /L min ⋅。
(2)某同学仔细分析实验数据后发现,在反应过程中,该反应的化学反应速率先增大后减小.某小组同学针对这一现象进一步探究影响该化学反应速率的因素,具体方法如表示。
方案假设实验操作Ⅰ该反应放热使溶液温度升高,反应速率加快向烧杯中加入10mL0.1mo//L 的3KClO 溶液和10mL0.3mol/L 的3NaHSO 溶液,Ⅱ取10mL0.1mo/L 的3KClO 溶液加入烧杯中,向其中加入少量NaCl 固体,再加入10mL0.3mol/L 的3NaHSO 溶液Ⅲ溶液酸性增强加快了化学反应速率分别向a 、b 两只烧杯中加入10mL0.1mol/L 的3KClO 溶液;向烧杯a 中加入1mL 水,向烧杯b 中加入1mL0.2mol/L 的盐酸;再分别向两只烧杯中加入10mL0.3mol/L 的3NaHSO 溶液①补全方案Ⅰ中的实验操作:________。
②方案Ⅱ中的假设为________。
③除Ⅰ、Ⅱ、Ⅲ中的假设外,还可以提出的假设是________。
④某同学从控制变量的角度思考,认为方案Ⅲ中实验操作设计不严谨,请进行改进:________。
⑤反应后期,化学反应速率变慢的原因是________。
【答案】0.0025 插入温度计 生成的Cl -加快了化学反应速率 生成的24SO -加快了化学反应速率 将1mL 水改为1mL0.2mol/L 的NaCl 溶液 反应物浓度降低 【解析】 【分析】 【详解】(1)根据实验数据可知,该反应在0~4min 内生成氯离子的浓度是0.010mol/L ,所以平均反应速率()()Cl0.010mol /L 4min 0.0025mol /L min c -=÷=⋅;(2)①由于是假设该反应放热,使溶液温度升高,反应速率加快,因此需要测量反应过程中溶液温度的变化;②方案I 、Ⅱ相比较,Ⅱ中加入了少量氯化钠,所以方案Ⅱ中的假设为生成的Cl -加快了化学反应速率;③由于反应中还有硫酸根离子生成,则除I 、Ⅱ、Ⅲ中的假设外,还可以提出的假设是生成的硫酸根离子加快了化学反应速率;④为防止氯离子对实验的干扰,则改进措施是将1mL 水改为1mL0.2mol/L 的NaCl 溶液; ⑤反应后期反应物浓度减小,因此化学反应速率变慢。
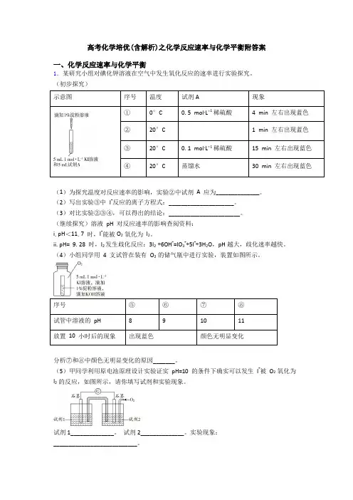
高考化学培优(含解析)之化学反应速率与化学平衡附答案一、化学反应速率与化学平衡1.某研究小组对碘化钾溶液在空气中发生氧化反应的速率进行实验探究。
(初步探究)示意图序号温度试剂A现象①0°C0.5mol∙L−1稀硫酸4min左右出现蓝色②20°C1min左右出现蓝色③20°C0.1mol∙L−1稀硫酸15min左右出现蓝色④20°C蒸馏水30min左右出现蓝色(1)为探究温度对反应速率的影响,实验②中试剂A应为______________。
(2)写出实验③中I-反应的离子方程式:_____________________。
(3)对比实验②③④,可以得出的结论:_______________________。
(继续探究)溶液pH对反应速率的影响查阅资料:i.pH<11.7时,I-能被O2氧化为I2。
ii.pH= 9.28时,I2发生歧化反应:3I2+6OH-=IO3-+5I-+3H2O,pH越大,歧化速率越快。
(4)小组同学用4支试管在装有O2的储气瓶中进行实验,装置如图所示。
序号⑤⑥⑦⑧试管中溶液的pH891011放置10小时后的现象出现蓝色颜色无明显变化分析⑦和⑧中颜色无明显变化的原因_______。
(5)甲同学利用原电池原理设计实验证实pH=10的条件下确实可以发生I-被O2氧化为I2的反应,如图所示,请你填写试剂和实验现象。
试剂1______________。
试剂2______________。
实验现象:___________________________。
(深入探究)较高温度对反应速率的影响小组同学分别在敞口试管和密闭试管中进行了实验⑨和⑩。
(6)对比实验⑨和⑩的现象差异,该小组同学对实验⑨中的现象提出两种假设,请你补充假设1。
假设1:_______________。
假设2:45°C以上I2易升华,70°C水浴时,c(I2)太小难以显现黄色。
化教反应速率战化教仄稳概括训练之阳早格格创做一、采用题(包罗15个小题,每小题4分,共60分.每小题有只一个选项切合题意.)1. 设反应C+CO22CO(正反应吸热)反应速率为v1,N2+3H22NH3(正反应搁热),反应速率为v2.对付于上述反应,当温度降下时,v1、v2的变更情况为A. 共时删大B. 共时减小C. v1删大,v2减小D. v1减小,v2删大2. 正在一稀关容器内爆收氨领会反应:2NH3N2+3H2.已知NH3起初浓度是2.6mol·L-1,4s终为1.0 mol·L-1,若用NH3的浓度变更去表示此反应的速率,则v(NH3)应为mol·L-1·s-1 B. 0.4 mol·L-1 ·s-1C. 1.6 mol·L-1·s-1D. 0.8 mol·L-1·s-13. 正在温度没有变的条件下,稀关容器中爆收如下反应:2SO2+O22SO3,下列道述不妨证明反应已经达到仄稳状态的是A. 容器中SO2、O2、SO3共存B. SO2与SO3的浓度相等C. 容器中SO2、O2、SO3的物量的量之比为2∶1∶2D. 反应容器中压强没有随时间变更4. 反应2A(g)2B(g)+E(g)(正反应为吸热反应)达到仄稳时,要使正反应速率落矮,A的浓度删大,应采与的步伐是A. 加压B. 减压C. 缩小E的浓度D. 落温5. 一定温度下,浓度均为1mol·L-1的A2战B2二种气体,正在稀关容器内反应死成气体C,反应达仄稳后,测得:c(A2)=0.58 mol·L-1,c(B2)=0.16 mol·L-1,c(C)=0.84 mol·L-1,则该反应的精确表白式为A. 2A2+B22A2BB. A2+B22ABC. A2+B2A2B2D. A2+2B22AB26. 一定条件下的反应:PCl5(g)PCl3(g)+Cl2(g)(正反应吸热)达到仄稳后,下列情况使PCl5领会率落矮的是A. 温度、体积没有变,充进氩气B. 体积没有变,对付体系加热C. 温度、体积没有变,充进氯气D. 温度没有变,删大容器体积7. 正在一定温度下,把2. 0体积的N2战6. 0体积的H2通进一个戴活塞的体积可变的容器中,活塞的一端与大气相通,容器中爆收如下反应:N2+3H22NH3.已知仄稳时NH3的浓度是c mol·L-1,现按下列四种配比动做起初物量,分别充进上述容器,并脆持温度没有变,则达到仄稳后,NH3的浓度没有为c mol·L-1的是8. 将3 molO2加进到VL 的反应器中,正在下温下搁电,经t1s 修坐了仄稳体系:3O22O3,此时测知O2的转移率为30%,下列图象能精确表示气体的物量的量浓度(m)跟时间(t)的关系的是9. 下图为可顺反应A(g)+2B(g)nC(g)(正反应搁热)死成物C 的浓度随压强变更并修坐仄稳的关系图,则n 值与压强p1、p2的关系精确的是 A. p2>p1,n <3 >C. p1>p2,n <3D. p1>p2,n >310. 正在容积牢固的稀关容器中充进一定量的X 、Y 二种气体,一定条件下爆收可顺反应3X(g)+Y(g)2Z(g),并达到仄稳.已知正反应是搁热反应,测得X 的转移率为37. 5%,Y 的转移率为25%,下列有关道述精确的是A. 若X 的反应速率为0.2 mol·L -1·s -1,则Z 的反应速率为0.3 mol·L -1·s -1B. 若背容器中充进氦气,压强删大,Y 的转移率普及C. 降下温度,正反应速率减小,仄稳背顺反应目标移动D. 启初充进容器中的X 、Y 物量的量之比为2∶111. 正在373 K 时,把0.5 mol N2O4通进体积为5 L 的真空稀关容器中,坐时出现棕色.反应举止到2 s 时,NO2的浓度为0.02 mol·L -1.正在60 s 时,体系已达仄稳,此时容器内压强为启初的1.6倍.下列道法精确的是A. 前2 s ,以N2O4的浓度表示的仄稳反应速率为0. 01 mol·L -1·s -1B. 正在2 s 时体系内的压强为启初时的1. 1倍C. 正在仄稳时体系内含N2O40. 25molD. 仄稳时,如果压缩容器体积,则可普及N2O4的转移率12. 对付于反应2SO2+O22SO3,下列推断精确的是A. 2体积SO2战脚量O2反应,肯定死成2体积SO3B. 其余条件没有变,删大压强,仄稳肯定背左移动C. 仄稳时,SO2消耗速度肯定等于O2的死成速率D. 仄稳时,SO2浓度肯定等于O2浓度的二倍 13. 反应:L(s)+aG(g)bR(g)达到仄稳,温度战压强对付该反应的 做用如左图所示,图中:压强p1>p2,x 轴表示温度,y 轴表示仄 衡混同气体中G 的体积分数.据此可推断 A 2 3 mD 2 3 m t t 1 B2 3 m 1 C 2 3 m t 2t 1C 浓度/m ol L-1p p .12x yp p OA. 上述反应是搁热反应B. 上述反应是吸热反应C. a>bD. 无法决定a、b的大小14. 合成氨反应为N2+3H22NH3,今有A、B、C、D四个容器,每个容器中有二种支配,二种支配分别达到仄稳后,支配1中N2战支配2中NH3转移率之战一定没有为1的是(起初体积相等)A. 恒温恒容:支配1:加1 mol N2+3 mol H2,支配2:加2 mol NH3B. 恒温恒压:支配1:加1 mol N2+3 mol H2,支配2:加2 mol NH3C. 恒温恒容:支配1:加1 mol N2+3 mol H2,支配2:加3 mol NH3D. 恒温恒压:支配1:加1 mol N2+3 mol H2,支配2:加3 mol NH315. 某温度下,C战H2O(g)正在稀关容器里爆收下列反应:C(s)+H2O(g)CO(g)+H2(g),CO(g)+H2O(g)CO2(g)+H2(g)当反应达到仄稳时,c(H2)=1. 9 mol·L-1,c(CO)=0. 1 mol·L-1.则下列道述精确的有A. CO正在仄稳时转移率为10%B. 仄稳浓度c(CO2)=c(H2)C. 仄稳时气体仄稳相对付分子品量约为23. 3D. 其余条件没有变时,缩小体积,H2O(g)的转移率随之落矮第Ⅱ卷(非采用题共60分)16. (10分)正在稀关容器中爆收下列反应:I2(g)+H2(g)2HI(g)(正反应吸热)起初时,n(H2)=a mol,n(I2)=b mol.只改变表中列出的条件,其余条件没有变,试将化教反应速率的改变(“删大”“减小”或者“没有变”)挖进相映的表格.编号反应条件反应速率(1)降下温度(2)加进催化剂(3)再充进a mol H2(4)将容器容积夸大为本去2倍(5)通进b mol Ne(g)17. (8分)正在一个牢固体积的稀关容器中,加进2 mol A战1 mol B,爆收反应:2A(g)+B(g)3C(g)+D(g)达到仄稳时,C的浓度为W mol·L-1.若保护容器体积战温度没有变,用下列物量动做起初反应物时,经反应达到仄稳后C的浓度(用“大于”“小于”“等于”表示).(1)加进1 mol A战1 mol B时,C的仄稳浓度_________W mol·L-1.(2)加进2mol A、1mol B、3mol C、1mol D时,C的仄稳浓度_________W mol·L -1.(3)加进3 mol C 战1 mol D 时,C 的仄稳浓度_________W mol·L -1.(4)加进2 mol B 、3 mol C 、1 mol D 时,C 的仄稳浓度_________W mol·L -1.18. (12分)现有反应:mA(g)+nB(g)pC(g),达到仄稳后,当降下温度时,B 的转移率变大;当减小压强时,混同体系中C 的品量分数也减小,则:(1)该反应的顺反应为_________热反应,且m+n_________p(挖“>”“=”“<”).(2)减压时,A 的品量分数_________.(挖“删大”“减小”或者“没有变”,下共)(3)若加进B(体积没有变),则A 的转移率_________,B 的转移率_________.(4)若降下温度,则仄稳时B 、C 的浓度之比将_________.(5)若加进催化剂,仄稳时气体混同物的总物量的量_________.(6)若B 是有色物量,A 、C 均无色,则加进C(体积没有变)时混同物颜色_______,而保护容器内压强没有变,充进氖气时,混同物颜色_______(挖“变深”“变浅”或者“没有变”).19. (14分)将等物量的量的A 、B 、C 、D 四种物量混同,爆收如下反应:aA +bB cC(s)+dD ,当反应举止一定时间后,测得A 缩小了nmol ,B 缩小了2nmol ,C 减少了23n mol ,D 减少了nmol ,此时达到化教仄稳.(1)该化教圆程式中各物量的化教计量数为:a=_____________,b=_____________,c=_____________,d=____________.(2)若只改变压强,反应速率爆收变更,但是仄稳没有移动,该反应中各物量的汇集状态:A_____________,B_____________,C_____________,D_____________.(3)若只降下温度,反应一段时间后,测得四种物量的物量的量又达到相等,则该反应为_____________反应(挖“搁热”或者“吸热”).20. (16分)一定条件下,将SO2战O2充进一稀关容器中,爆收如下反应:2SO2(g)+O2(g)2SO3(g)(正反应搁热)反应历程中SO2、O2、SO3物量的量变更如图所示:回问下列问题:(1)落矮温度,SO2的转移率_________,化教反应速度_________.(挖“删大”“减小”或者“没有变”)(2)反应处于仄稳状态的时间是_________.(3)反应举止至20 min 时,直线爆收变更的本果是______________________(用笔墨表白).10 min 到15 min 的直线变更的本果大概是_________(挖写编号). a. 加了催化剂b. 缩小容器体积c. 落矮温度d. 减少SO3的物量的量化教仄稳概括训练问案1、剖析:偶像温度对付v的做用,降下温度,反应速率删大,故选A.问案:A2、剖析:v(NH3)=s4L mol)0.16.2(1-⋅-=0.4mol·L-1·s-1.问案:B3、问案:D4.剖析:为了落矮正反应速率,必须采与落矮反应物或者死成物的浓度、落矮温度、减小压强中的一种或者几种,而采与与此差异的步伐,没有管化教仄稳背何目标移动,皆市删大反应速率的;选项B、C、D切合上述央供.题中又央供使A的浓度删大,则减压(减小压强,真量上是删大容器的体积)后没有管仄稳背何反应目标移动,皆能减小反应物战死成物的浓度,所以选项B没有切合题意.减小E的浓度,仄稳背正反应目标移动,而落温使仄稳背顺反应目标(搁热反应目标)移动,A的浓度会删大,所以D切合题意.问案:D5、剖析:Δc(A2)=1 mol·L-1-0. 58mol·L-1=0. 42mol·L-1,Δc(B2)=1 mol·L-1-0. 16mol·L-1=0. 84mol·L-1,Δc©=0. 84 mol·L-1,果变更量之比等于化教计量数比,故选D.问案:D6、剖析:正反应为扩体吸热反应.A. 无做用;B. 加热,温度降下,仄稳左移,PCl5领会率删大;C. 充进Cl2,仄稳左移,PCl5领会率落矮;D. 温度没有变,体积删大,压强减小,仄稳左移,PCl5领会率删大.故选C.问案:C7.剖析:此题考查教死对付恒温恒压条件下等效仄稳的认识.恒温恒压修坐等效仄稳的条件是投料比相等.所以题设条件下,加进的N2战H2的体积比切合V(N2)∶V(H2)=2. 0∶6. 0=1∶3者皆可选.天然没有管加进几NH3,其转移为N2战H2的体积比皆为1∶3,即加进几NH3皆是符合的,或者曰对付等效仄稳无做用.可睹惟有C选项可选.问案:C8、剖析:3O22O3n(初):3 0n(变):0. 9 0. 6n(仄):2. 1 0. 6故C 切合变更.问案:C9、剖析:p 大,v 大,到达仄稳所需时间短,故p1>p2,若由p1形成p2,则p 减小,仄稳背扩体目标移动,而C 浓度删大,即仄稳背死成C 的目标移动,故1+2<n ,即n >3,故选D.问案:D10、剖析:A 项错,X 消耗速率为0. 3 mol·(L·s)-1,转移为X 战Y 的Z 的速率为0. 2 mol·(L·s)-1才是仄稳的标记.B 项错,正在容器容积没有变时加进氦气,仄稳没有移动.C 项错,降温时,正、顺反应速率均删大,但是删幅分歧.D 项精确,设启初时充进X 的物量的量为x,Y 的物量的量为y ,则x·37. 5%∶y·25%=3∶1得y x =21.问案:D11、剖析:c 初(N2O4)=L 5mol5.0=0. 1mol·L -1,果N2O42NO2,所以v(N2O4)=2s 2L mol 002.01⨯⋅-=0. 005 mol·L -1·s -1,A 没有精确;n(NO2)=0. 02mol·L -1×5 L =0. 1mol ,反应后n(总)=0. 5mol +0. 1 mol×21=0. 55mol ,故B 精确;设到达仄稳时,反应的N2O4物量的量为x ,由N2O42NO2n(初): 0. 5 mol 0n(仄): 0. 5 mol -x 2x则mol 5.0mol 5.0x+=1. 6 mol ,所以x=0. 3 mol ,C 没有精确;压缩容积,压强删大,仄稳背N2O4目标移动,故N2O4的转移率落矮,D 没有精确.问案:B12、剖析:选项A :死成2体积还表示2体积SO2局部反应,但是此反应是可顺反应,反应物没有成能局部转移为死成物.选项B :此反应的正反应是气体物量分子数目缩小的反应,果此删大压强时会使仄稳背正反应目标移动.选项C :达到仄稳时的标记是正、顺反应速率相等.SO2的消耗是正反应,O2的死成是顺反应.由于反应速率之比等于圆程式中各物量的化教计量数之比.所以消耗SO2的速率应为死成O2速率的二倍.选项D :仄稳时,SO2浓度与O2浓度的关系要瞅反应起初的投料量,如果SO2与O2的起初投料量的物量的量之比为2∶1时,由于反应消耗的SO2与O2的起初投料量的物量的量之比为2∶1,所以达仄稳时,SO2浓度肯定等于O2浓度的二倍,可则没有会是.问案:B13、剖析:由图给疑息可知,随着温度的降下,仄稳混同气中G 的体积分数减小,证明该反应为吸热反应;由图知,正在相共温度下,压强删大,仄稳混同气中G 的体积分数也删大,该反应是气体分子数删大的反应,即a <b.问案:B14、剖析:C. 从正、顺二个目标分别修坐等效仄稳,得反应物的转移率与死成物的转移率之战为1.问案:C15、剖析:正在其余条件没有变时,缩小体积,仄稳:C(s)+H2O(g)CO(g)+H2(g)背左移动,火的转移率落矮.问案:D16、剖析:(1)没有管正反应吸热,仍旧搁热,降下温度皆能使化教反应速率加快,v(正)也加快,v(顺)也加快,但是减少幅度没有相共.若正反应吸热,降下温度时,v(正)>v(顺);若正反应搁热,降下温度时,v(正)<v(顺).(2)若无特天声明,常常所道的催化剂即为“正催化剂”,加进催化剂,可共等程度天普及正、顺化教反应速率.(3)再充进a mol H2,c(H2)浓度删大,化教反应速率加快.(4)夸大容器的容积,容器内各物量浓度(或者压强)均减小,化教反应速率落矮.(5)通进Ne(g),并已改变反应物的浓度战压强,化教反应速率没有变.问案:(1)删大 (2)删大 (3)删大 (4)减小(5)没有变17、剖析:此题为等效仄稳问题,2 mol A 战1 mol B 反应达到仄稳时,与3 mol C 战1 mol D 反应达到仄稳时是等效的,即二者正在仄稳时C 的浓度为W mol·L -1,再根据仄稳移动本理加以推断即可.问案:(1)小于 (2)大于 (3)等于 (4)大于18、剖析:降下温度,B 的转移率变大,证明此反应的正反应为吸热反应;减小压强,混同体系中w©减小,证明减压仄稳背顺反应目标移动,即m+n >p.问案:(1)搁> (2)删大 (3)删大减小 (4)变小 (5)没有变 (6)变深变浅19、剖析:(1)果变更的物量的量之比等于化教计量数比,所以a ∶b ∶c ∶d =n ∶2n ∶23n ∶n =2∶1∶3∶2,故a=2,b=1,c=3,d=2.(2)果改变压强,速率爆收变更证明有气态物量介进反应,使仄稳没有移动,证明等号二边气态物量的化教计量数相等,据此可判知:A为气态,B为固态或者液态,C为固态,D为气态.(3)降温时,反应一段时间后,四种物量的量又达到相等,证明仄稳背顺反应目标移动,所以顺反应为吸热反应.问案:(1)2 1 3 2(2)气态固态或者液态固态气态(3)搁热20、剖析:(1)落温,仄稳背正反应目标移动,SO2的转移率删大,化教反应速率落矮.(2)反应举止15 min时,SO2、O2、SO3的物量的量均没有爆收变更,证明反应达到了仄稳状态.(3)反应举止至20 min,O2的物量的量爆收突变,证明此时减少了O2的量.问案:(1)删大减小(2)15~20 min,25~30 min(3)减少了O2的量 ab。
备战高考化学化学反应速率与化学平衡培优练习(含答案)及答案解析一、化学反应速率与化学平衡1.锂离子电池能够实现千余次充放电,但长时间使用后电池会失效,其中的化学试剂排放至环境中不仅会造成环境污染,还会造成资源的浪费。
实验室模拟回收锂离子电池中的Co、Ni、Li的流程如图。
已知:LiCoO2难溶于水,易溶于酸。
回答下列问题:(1)LiCoO2中Co的化合价是__。
(2)LiCoO2在浸出过程中反应的离子方程式是__。
(3)浸出剂除了H2O2外,也可以选择Na2S2O3,比较二者的还原效率H2O2__(填“>”或“<”)Na2S2O3(还原效率:还原等物质的量的氧化剂消耗还原剂的物质的量)。
(4)提高浸出效率的方法有__。
(5)利用Cyanex272萃取时,pH对钴、镍萃取分离效果的影响如图。
从图中数据可知,用Cyanex272萃取分离时,最佳pH是__。
(6)反萃取的离子方程式为2H++CoR2=Co2++2HR,则反萃取剂的最佳选择是__。
(7)常温下,若水相中的Ni2+的质量浓度为1.18g·L-1,则pH=__时,Ni2+开始沉淀。
[K sp(Ni(OH)2=2×10-15](8)参照题中流程图的表达,结合信息设计完成从水相中分离Ni和Li的实验流程图(如图)___。
已知:提供的无机试剂:NaOH、Na2CO3、NaF。
【答案】+3 2LiCoO2+6H++H2O2=2Co2++O2↑+2Li++4H2O < 适当升高温度,适当增加H2SO4浓度 5.5 H2SO4 7.5 ①NaOH ②Ni(OH)2 ③NaF【解析】【分析】(1)通过化合物中各元素化合价代数和为0进行计算;(2)由流程图中有机相反萃取得到CoSO4,可知LiCoO2与H2O2在酸性条件下发生氧化还原反应,根据氧化还原反应的规律写出化学方程式;(3)根据等物质的量H2O2和Na2S2O3作为还原剂转移电子的多少进行判断;(4)提高浸出效率即提高化学反应速率;(5)分离Co2+和Ni2+时,由于Co2+进入有机相,Ni进入水相,因此,应该选择钴的萃取率高而镍的萃取率低的pH范围;(6)将钴洗脱进入水相中时,应该使反应向正反应方向移动,同时不能引入新杂质;(7)根据K sp(Ni(OH)2的表达式进行计算;(8)根据表格中所给物质溶解度信息,调节pH应该用碱性物质,但要考虑分离Ni和Li元素不能使Ni和Li元素同时沉淀。
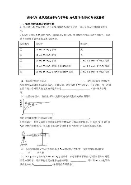
高考化学化学反应速率与化学平衡培优练习(含答案)附答案解析一、化学反应速率与化学平衡1.氧化剂H2O2在反应时不产生污染物被称为绿色氧化剂,因而受到人们越来越多的关注。
I.某实验小组以H2O2分解为例,探究浓度、催化剂、溶液酸碱性对反应速率的影响。
在常温下按照如下表所示的方案完成实验。
实验编号反应物催化剂①10mL2% H2O2溶液无②10mL5% H2O2溶液无③10mL5% H2O2溶液1mL0.1mol·L-1FeCl3溶液④10mL5% H2O2溶液+少量HCl溶液1mL0.1mol·L-1FeCl3溶液⑤10mL5% H2O2溶液+少量NaOH溶液1mL0.1mol·L-1FeCl3溶液(1)实验①和②的目的是_________________________________。
同学们进行实验时没有观察到明显现象而无法得出结论。
资料显示,通常条件下H2O2稳定,不易分解。
为了达到实验目的,你对原实验方案的改进方法是_________________________(填一种方法即可)。
(2)实验③④⑤中,测得生成氧气的体积随时间变化的关系如图所示。
分析该图能够得出的实验结论是________________________________。
II.资料显示,某些金属离子或金属氧化物对H2O2的分解起催化作用。
为比较Fe3+和Cu2+对H2O2分解的催化效果,该实验小组的同学设计了如下图所示的实验装置进行实验。
(1)某同学通过测定O2的体积来比较H2O2的分解速率快慢,实验时可以通过测量_______或______来比较。
(2)0.1g MnO2粉末加入50mL H2O2溶液中,在标准状况下放出气体的体积和时间的关系如图所示。
请解释化学反应速率变化的原因:_____________。
请计算H2O2的初始物质的量浓度为________________(保留两位有效数字)。
化学反应速率和化学平衡练习题(含详细答案)高中化学化学反应速率和化学平衡综合练一、选择题1.对于反应C + CO2 ⇌ 2CO(正反应吸热)和N2 + 3H2 ⇌ 2NH3(正反应放热),当温度升高时,v1增大,v2减小,因此选项C是正确的。
2.根据反应式2NH3 → N2 + 3H2,NH3的浓度从2.6mol/L降低到1.0 mol/L需要4秒,因此v(NH3)= (2.6-1.0)/4 = 0.4 mol/L/s,因此选项B是正确的。
3.当SO2 + O2 ⇌ 2SO3达到平衡状态时,SO2与SO3的浓度相等,因此选项B是正确的。
4.为了使正反应速率降低,A的浓度应增大,因此应采取降温的措施,选项D是正确的。
5.由浓度比可知,反应式为2A2 + B2 → 2AB,因此选项B是正确的。
6.在一定条件下,PCl5(g) ⇌ PCl3(g) + Cl2(g)(正反应吸热)达到平衡后,对体系加热会使PCl5分解率增加,因此选项B是错误的,选项A和C也是错误的,只有选项D是正确的。
7.在一定温度下,2.0体积的N2和6.0体积的H2通入一个带活性催化剂的反应器中,反应生成NH3,由于N2和H2的体积比为1:3,因此反应完全消耗后,NH3的体积为2.0体积,因此选项B是错误的,选项A和C也是错误的,只有选项D是正确的。
化学反应速率和化学平衡综合练一、选择题1.对于反应C + CO2 ⇌ 2CO(正反应吸热)和N2 + 3H2 ⇌ 2NH3(正反应放热),当温度升高时,反应速率v1增大,v2减小,因此选项C是正确的。
2.反应式2NH3 → N2 + 3H2,NH3的浓度从2.6 mol/L降低到1.0 mol/L需要4秒,因此反应速率v(NH3)= (2.6-1.0)/4 = 0.4 mol/L/s,因此选项B是正确的。
3.当SO2 + O2 ⇌ 2SO3达到平衡状态时,SO2与SO3的浓度相等,因此选项B是正确的。
备战高考化学化学反应速率与化学平衡培优练习(含答案)含详细答案一、化学反应速率与化学平衡1.根据当地资源等情况,硫酸工业常用黄铁矿(主要成分为FeS2)作为原料。
完成下列填空:(1)将0.050mol SO2(g) 和0.030mol O2(g) 充入一个2L的密闭容器中,在一定条件下发生反应:2SO2(g)+O2(g)⇌2SO3(g)+Q。
经2分钟反应达到平衡,测得n(SO3)=0.040mol,则O2的平均反应速率为______(2)在容积不变时,下列措施中有利于提高SO2平衡转化率的有______(选填编号)a.移出氧气b.降低温度c.减小压强d.再充入0.050molSO2(g)和0.030molO2(g)(3)在起始温度T1(673K)时SO2的转化率随反应时间(t)的变化如图,请在图中画出其他条件不变情况下,起始温度为T2(723K)时SO2的转化率随反应时间变化的示意图___(4)黄铁矿在一定条件下煅烧的产物为SO2和Fe3O4①将黄铁矿的煅烧产物Fe3O4溶于H2SO4后,加入铁粉,可制备FeSO4。
酸溶过程中需维持溶液有足够的酸性,其原因是______②FeS2能将溶液中的Fe3+还原为Fe2+,本身被氧化为SO42﹣。
写出有关的离子方程式______。
有2mol氧化产物生成时转移的电子数为______【答案】0.005mol/(L•min) bd 抑制Fe3+与Fe2+的水解,并防止Fe2+被氧化成Fe3+ FeS2+14Fe3++8H2O=15Fe2++2SO42﹣+16H+14N A【解析】【分析】(1)根据v=ct∆∆求出氧气的速率,然后根据速率之比等于对应物质的化学计量数之比计算;(2)反应放热,为提高SO2平衡转化率,应使平衡向正反应方向移动,可降低温度,体积不变,不能从压强的角度考虑,催化剂不影响平衡移动,移出氧气,平衡向逆反应方向移动,不利于提高SO2平衡转化率,由此分析解答;(3)反应是放热反应,温度升高,平衡逆向进行,二氧化硫的转化率减小,但达到平衡所需要的时间缩短,据此画出曲线;(4)①Fe3+与Fe2+易水解,Fe2+易被氧化成Fe3+;②根据氧化还原反应中的反应物和生成物几何电子守恒来配平化学方程式,结合方程计算转移电子数。
【化学】化学化学反应速率与化学平衡的专项培优练习题含详细答案一、化学反应速率与化学平衡1.以环已醇 ()为原料制取己二酸[HOOC(CH2)4COOH]的实验流程如下:其中“氧化”的实验过程:在250mL 四口烧瓶中加入50mL 水和 3.18g 碳酸钠,低速搅拌至碳酸钠溶解,缓慢加入9.48g(约 0.060mol) 高锰酸钾,按图示搭好装置,打开电动搅拌,加热至 35℃,滴加 3.2mL(约 0.031mol ) 环己醇,发生的主要反应为KOOC(CH2)4COOK H<0(1)“氧化”过程应采用 ___________加热。
(填标号 )A.热水浴B.酒精灯C.煤气灯D.电炉(2)“氧化”过程,不同环己醇滴加速度下,溶液温度随时间变化曲线如图,为保证产品纯度,应选择的滴速为 ___________s/ 滴。
(3)为证明“氧化”反应已结束,在滤纸上点 1 滴混合物,若观察到_____,则表明反应已经完成 .(4)“趁热抽滤”后,用 ________进行洗涤。
(5)室温下,相关物质溶解度如表。
“蒸发浓缩”过程中,为保证产品纯度及产量,应浓缩溶液体积至 __(填标号 )。
化学式己二酸NaCl KCl溶解度 g/100g 水 1.4435.133.3A.5mL B. 10mL C.15mL (6)称取已二酸(Mr=146g/mol)D.20mL样品 0.2920g,用新煮沸的50mL 热水溶解,滴入 2 滴酚酞试液,用0.2000 mol/LNaOH溶液滴定至终点,进行平行实验及空白实验后,消耗NaOH 的平均体积为19.70mL.①NaOH 溶液应装于_______ (填仪器名称).②己二酸样品的纯度为___________.【答案】A25未出现紫红色热水C碱性滴定管98.5%【解析】【详解】(1)由题可知,“氧化”过程中反应温度为 35℃,因此应采用热水浴加热,故答案为: A;(2)为保证反应温度的稳定性(小于50℃),由图可知,最好采用25s/ 滴,故答案为:25;(3) 0.031mol环己醇完全氧化为KOOC(CH2)4COOK,失去电子0.031mol× 8=0.248mol,而0.06mol高锰酸钾在碱性条件下完全反应转移电子0.18mol ( KMnO4→ MnO2),由此可知,高锰酸钾先消耗完,若证明“氧化”反应已结束,在滤纸上点 1 滴混合物,若观察到未出现紫红色,则说明已经完成,故答案为:未出现紫红色;(4)趁热抽滤后,应用热水进行洗涤,故答案为:热水;(5)溶液中杂质 KCl 的质量为: 0.06mol ×(39+35.5)g/mol=4.47g,完全溶解 KCl 所需水的体积为:4.47100 mL=13.42mL,当杂质全部溶解在水中时,己二酸能够最大限度析出,故33.3应浓缩溶液体积至15mL,故答案为: C;(6) NaOH 溶液应装于碱式滴定管;由HOOC(CH2)4 COOH+2NaOH=2HO+NaOOC(CH2)4COONa 可知,1n(NaOH)= n(HOOC(CH2)4COOH),故己二酸样品的纯度为2-319.7 10 L 0.2mol/L 146g/mol 0.5100% =98.5%,故答案为:碱式滴定管;98.5%。
备战高考化学化学反应速率与化学平衡(大题培优)含答案一、化学反应速率与化学平衡1.某校化学课外兴趣小组为了探究影响化学反应速率的因素,做了以下实验。
(1)用三支试管各取5.0 mL、0.01 mol·L-1的酸性KMnO4溶液,再分别滴入0.1 mol·L-1 H2C2O4溶液,实验报告如下。
①实验1、3研究的是_________对反应速率的影响。
②表中V=_________mL。
(2)小组同学在进行(1)中各组实验时,均发现该反应开始时很慢,一段时间后速率会突然加快。
对此该小组的同学展开讨论:①甲同学认为KMnO4与H2C2O4的反应放热,温度升高,速率加快。
②乙同学认为随着反应的进行,因_________,故速率加快。
(3)为比较Fe3+、Cu2+对H2O2分解的催化效果,该小组的同学又分别设计了如图甲、乙所示的实验。
回答相关问题:①装置乙中仪器A的名称为_________。
②定性分析:如图甲可通过观察反应产生气泡的快慢,定性比较得出结论。
有同学提出将CuSO4溶液改为CuCl2溶液更合理,其理由是____________________________________。
③定量分析:如图乙所示,实验时以收集到40 mL气体为准,忽略其他可能影响实验的因素,实验中需要测量的数据是_______________。
【答案】温度 4.0产物Mn2+可能对该反应具有催化作用分液漏斗控制阴离子相同,排除阴离子的干扰收集40mL气体所需时间【解析】【分析】(1)①、②作对比实验分析,其他条件相同时,只有一个条件的改变对反应速率的影响;(2)探究反应过程中反应速率加快的原因,一般我们从反应放热,温度升高,另一个方面从反应产生的某种物质可能起到催化作用;(3)比较Fe3+、Cu2+对H2O2分解的催化效果,阳离子不同,尽量让阴离子相同,减少阴离子不同造成的差别,催化效果可以从相同时间内收集气体体积的多少或者从收集相同体积的气体,所需时间的长短入手。
高三化学化学反应速率和化学平衡试题答案及解析1.在密闭容器中进行反应:X(g)+3Y(g)2Z(g),有关下列图像的说法正确的是A.依据图a可判断正反应为吸热反应B.在图b中,虚线可表示压强增大C.若正反应的ΔH<0,图c可表示升高温度使平衡向逆反应方向移动D.由图d中气体平均相对分子质量随温度的变化情况,可推知正反应的ΔH>0【答案】C【解析】A.依据图a可知:当反应达到平衡后,由于升高温度,V逆>V正,平衡逆向移动,根据平衡移动原理:升高温度,化学平衡向吸热反应方向移动,因此可判断正反应为放热反应,错误;B.在图b中,平衡未移动,但是达到平衡所需要的时间缩短,由于该反应是气体体积减小的反应,所以虚线不可表示压强增大,只能表示是加入了催化剂,错误;C.若正反应的ΔH<0,升高温度,根据平衡移动原理,平衡逆向移动,故可以用图c可表示升高温度使平衡向逆反应方向移动,正确;D.由于升高温度,气体的平均相对分子质量增大,则根据平衡移动原理,升高温度,平衡向吸热反应方向移动,平衡逆向移动,可推知正反应的ΔH<0,错误。
【考点】考查外界条件对化学平衡移动的影响的知识。
2.(15分)铁及其化合物与生产、生活关系密切。
(1)下图是实验室研究海水对铁闸不同部位腐蚀情况的剖面示意图。
①该电化腐蚀称为。
②图中A、B、C、D四个区域,生成铁锈最多的是 (填字母)。
(2)用废铁皮制取铁红(Fe2O3)的部分流程示意图如下:①步骤I若温度过高,将导致硝酸分解。
硝酸分解的化学方程式为。
②步骤Ⅱ中发生反应:4Fe(NO3)2+O2+(2n+4)H2O=2Fe2O3·nH2O+8HNO3,反应产生的HNO3又将废铁皮中的铁转化为Fe(NO3)2,该反应的化学方程式为。
③上述生产流程中,能体现“绿色化学”思想的是 (任写一项)。
(3)已知t℃时,反应FeO(s)+CO(g)Fe(s)+CO2(g)的平衡常数K=0.25。
高考化学化学反应速率与化学平衡(大题培优易错难题)及详细答案一、化学反应速率与化学平衡1.研究不同pH时CuSO4溶液对H2O2分解的催化作用。
资料:a.Cu2O为红色固体,难溶于水,能溶于硫酸,生成Cu和Cu2+。
b.CuO2为棕褐色固体,难溶于水,能溶于硫酸,生成Cu2+和H2O2。
c.H2O2有弱酸性:H2O2H+ +HO2-,HO2-H+ +O22-。
编号实验现象Ⅰ向1mL pH=2的1mol·L−1CuSO4溶液中加入0.5mL30% H2O2溶液出现少量气泡Ⅱ向1mL pH=3的1mol·L−1CuSO4溶液中加入0.5mL30% H2O2溶液立即产生少量棕黄色沉淀,出现较明显气泡Ⅲ向1mL pH=5的1mol·L−1CuSO4溶液中加入0.5mL30% H2O2溶液立即产生大量棕褐色沉淀,产生大量气泡(1)经检验生成的气体均为O2,Ⅰ中CuSO4催化分解H2O2的化学方程式是__。
(2)对Ⅲ中棕褐色沉淀的成分提出2种假设:ⅰ.CuO2,ⅱ.Cu2O和CuO2的混合物。
为检验上述假设,进行实验Ⅳ:过滤Ⅲ中的沉淀,洗涤,加入过量硫酸,沉淀完全溶解,溶液呈蓝色,并产生少量气泡。
①若Ⅲ中生成的沉淀为CuO2,其反应的离子方程式是__。
②依据Ⅳ中沉淀完全溶解,甲同学认为假设ⅱ不成立,乙同学不同意甲同学的观点,理由是__。
③为探究沉淀中是否存在Cu2O,设计如下实验:将Ⅲ中沉淀洗涤、干燥后,取a g固体溶于过量稀硫酸,充分加热。
冷却后调节溶液pH,以PAN为指示剂,向溶液中滴加c mol·L−1EDTA溶液至滴定终点,消耗EDTA溶液V mL。
V=__,可知沉淀中不含Cu2O,假设ⅰ成立。
(已知:Cu2++EDTA= EDTA-Cu2+,M(CuO2)=96g·mol−1,M(Cu2O)=144g·mol−1)(3)结合方程式,运用化学反应原理解释Ⅲ中生成的沉淀多于Ⅱ中的原因__。
备战高考化学 化学反应速率与化学平衡 培优练习(含答案)附答案解析一、化学反应速率与化学平衡1.资料显示“2O 的氧化性随溶液pH 的增大逐渐减弱”。
某化学小组同学用下列装置和试剂进行实验,探究2O 与KI 溶液发生反应的条件。
供选试剂:240.1mol /L H SO 溶液、2MnO 固体、4KMnO 固体。
该小组同学设计①、②两组实验,记录如下: 实验操作实验现象 ①向Ⅰ试管中加入 4KMnO 固体,连接装置Ⅰ、Ⅱ,点燃酒精灯Ⅱ试管中有气泡冒出,溶液不变蓝 ② 向Ⅰ试管中加入 4KMnO 固体, Ⅱ试管中加入适量 240.1mol /LH SO 溶液,连接装置Ⅰ、Ⅱ,点燃酒精灯 Ⅱ试管中有气泡冒出,溶液变蓝(1)选择Ⅰ装置用4KMnO 固体制取2O ,为避免4KMnO 固体随2O 进入Ⅱ试管对实验造成干扰,应进行的改进是________,②组实验中2O 与KI 溶液反应的离子方程式是________。
(2)对比①、②两组实验可知,2O 与KI 溶液发生反应的适宜条件是________。
为进一步探究该条件对反应速率的影响,可采取的实验措施是________。
(3)为进一步探究碱性条件下KI 与2O 能否反应,用上图中的装置继续进行实验: 实验操作实验现象 ③ 向Ⅰ试管中加入 4KMnO 固体,Ⅱ试管中滴加 KOH 溶液控制 pH 8= ,连接装置Ⅰ、Ⅱ,点燃酒精灯溶液略变蓝 ④ 向Ⅰ试管中加入 4KMnO 固体,Ⅱ试管中滴加 KOH 溶液控制 pH 10= , 连接装置Ⅰ、Ⅱ,点燃酒精灯无明显变化 对于实验④的现象,小明同学提出猜想“pH 10=时2O 不能氧化I -”,设计了下列装置进行实验,验证猜想。
(i )烧杯a 中的溶液为________。
(ii )实验结果表明,此猜想不成立。
支持该结论的实验现象是通入2O 后________。
(iii )小刚同学向pH 10=的KOH 溶液(含淀粉)中滴加碘水,溶液先变蓝后迅速褪色。
高考化学化学反应速率与化学平衡(大题培优)附答案一、化学反应速率与化学平衡1.某化学兴趣小组在一次实验探究中发现,向草酸溶液中逐滴加入酸性高锰酸钾溶液时,溶液褪色先慢后快,即反应速率由小变大。
小组成员为此“异常”现象展开讨论,猜想造成这种现象的最可能原因有两种,并为此设计实验进行探究验证。
猜想Ⅰ:此反应过程放热,温度升高,反应速率加快;猜想Ⅱ:……。
(实验目的)探究草酸与高锰酸钾反应的速率变化“异常”原因(实验用品)仪器:试管、胶头滴管、量筒、药匙、玻璃棒等;试剂:0.1mol/L H2C2O4溶液、0.05mol/L KMnO4(硫酸酸化)溶液等。
请你根据该兴趣小组的实验探究设计思路,补充完整所缺内容。
(1)草酸(H2C2O4,弱酸)与酸性KMnO4溶液反应的离子方程式为(2)要完成对猜想Ⅰ的实验验证,至少还需要一种实验仪器是(3)猜想Ⅱ可是:___________________要设计实验验证猜想Ⅱ,进行该实验还要补充一种试剂及一种仪器,分别是(4)基于猜想Ⅱ成立,设计方案进行实验,请完成以下实验记录表内容。
【答案】(1)5H2C2O4+2MnO42—+6H+=10CO2↑+2Mn2++8H2O(2)温度计(3)生成的Mn2+对该反应有催化作用,加快反应速率;MnSO4(s)和秒表(4)基于猜想Ⅱ成立,设计方案进行实验,请完成以下实验记录表内容。
(加入试剂时只要A试管与B试管所加的0.1mol/L H2C2O4溶液、0.05mol/L 酸性KMnO4体积相等即给分。
)【解析】试题分析:猜想II:影响反应速率的因素有浓度、压强、温度和催化剂,而草酸与高锰酸钾溶液发生反应:5H2C2O4+2MnO4-+6H+=10CO2↑+2 Mn2++8H2O,溶液褪色先慢后快,即反应速率由小变大,反应物是溶液,无气体,故不能是反应物的浓度和压强对反应速率产生的影响,则只能是生成的产物又做了此反应的催化剂,加快了反应速率,故答案为生成的Mn2+在反应中起到催化剂的作用,加快了反应速率;(1)草酸中的碳元素被在酸性条件下能被高锰酸钾溶液氧化为CO2,高锰酸根能被还原为Mn2+,根据得失电子数守恒来配平可得离子方程式为:5H2C2O4+2MnO4-+6H+=10CO2↑+2 Mn2++8H2O;(2)由于猜想I是认为可能是由于反应放热导致体系温度升高而加快了反应速率,故应测量反应前和反应开始后一段时间的温度变化,则还缺少温度计;(3)猜想II是认为生成的Mn2+在反应中起到催化剂的作用,由于Cl-也能使高锰酸钾溶液褪色,故为了避免Cl-的干扰,故应补充MnSO4固体,通过测量溶液褪色的时间的长短来验证猜想,则还需的仪器是秒表;(4)要通过对比实验来验证猜想Ⅱ,则实验B和实验A的试剂的选择应除了MnSO4固体不同,其他均应相同,故试管B内加入的试剂是在试管A试剂的基础上多加了MnSO4(s),由于结论是猜想II成立,则试管B的褪色时间应该比试管A的更快,故答案为2.高锰酸钾具有强氧化性,广泛用于化工、医药、采矿、金属治炼及环境保护领域等。
【化学】化学化学反应速率与化学平衡的专项培优练习题(含答案)附答案解析一、化学反应速率与化学平衡1.研究+6价铬盐不同条件下微粒存在形式及氧化性,某小组同学进行如下实验:已知:Cr2O72-(橙色)+H2O2CrO42-(黄色)+2H+△H=+13.8kJ/mol,+6价铬盐在一定条件下可被还原为Cr3+,Cr3+在水溶液中为绿色。
(1)试管c和b对比,推测试管c的现象是_____________________。
(2)试管a和b对比,a中溶液橙色加深。
甲认为温度也会影响平衡的移动,橙色加深不一定是c(H+)增大影响的结果;乙认为橙色加深一定是c(H+)增大对平衡的影响。
你认为是否需要再设计实验证明?__________(“是”或“否”),理由是____________________________________________________。
(3)对比试管a、b、c的实验现象,可知pH增大2-272-4c(Cr O)c(CrO)_____(选填“增大”,“减小”,“不变”);(4)分析如图试管c继续滴加KI溶液、过量稀H2SO4的实验现象,说明+6价铬盐氧化性强弱为Cr2O72-__________CrO42-(填“大于”,“小于”,“不确定”);写出此过程中氧化还原反应的离子方程式_________。
(5)小组同学用电解法处理含Cr2O72-废水,探究不同因素对含Cr2O72-废水处理的影响,结果如表所示(Cr2O72-的起始浓度,体积、电压、电解时间均相同)。
实验ⅰⅱⅲⅳ是否加入Fe2(SO4)3否否加入5g否是否加入H2SO4否加入1mL加入1mL加入1mL电极材料阴、阳极均为石墨阴、阳极均为石墨阴、阳极均为石墨阴极为石墨,阳极为铁Cr2O72-的去除率/%0.92212.720.857.3①实验ⅱ中Cr2O72-放电的电极反应式是________________。
②实验ⅲ中Fe3+去除Cr2O72-的机理如图所示,结合此机理,解释实验iv中Cr2O72-去除率提高较多的原因_______________。
备战高考化学培优(含解析)之化学反应速率与化学平衡附详细答案一、化学反应速率与化学平衡1.硫代硫酸钠(Na2S2O3)是一种解毒药,用于氟化物、砷、汞、铅、锡、碘等中毒,临床常用于治疗荨麻疹,皮肤瘙痒等病症.硫代硫酸钠在中性或碱性环境中稳定,在酸性溶液中分解产生S和SO2实验I:Na2S2O3的制备。
工业上可用反应:2Na2S+Na2CO3+4SO2=3Na2S2O3+CO2制得,实验室模拟该工业过程的装置如图所示:(1)仪器a的名称是_______,仪器b的名称是_______。
b中利用质量分数为70%〜80%的H2SO4溶液与Na2SO3固体反应制备SO2反应的化学方程式为_______。
c中试剂为_______(2)实验中要控制SO2的生成速率,可以采取的措施有_______ (写出一条)(3)为了保证硫代硫酸钠的产量,实验中通入的SO2不能过量,原因是_______实验Ⅱ:探究Na2S2O3与金属阳离子的氧化还原反应。
资料:Fe3++3S2O32-⇌Fe(S2O3)33-(紫黑色)装置试剂X实验现象Fe2(SO4)3溶液混合后溶液先变成紫黑色,30s 后几乎变为无色(4)根据上述实验现象,初步判断最终Fe3+被S2O32-还原为Fe2+,通过_______(填操作、试剂和现象),进一步证实生成了Fe2+。
从化学反应速率和平衡的角度解释实验Ⅱ的现象:_______实验Ⅲ:标定Na2S2O3溶液的浓度(5)称取一定质量的产品配制成硫代硫酸钠溶液,并用间接碘量法标定该溶液的浓度:用分析天平准确称取基准物质K2Cr2O7(摩尔质量为294g∙mol-1)0.5880g。
平均分成3份,分别放入3个锥形瓶中,加水配成溶液,并加入过量的KI并酸化,发生下列反应:6I-+Cr2O72-+14H+ = 3I2+2Cr3++7H2O,再加入几滴淀粉溶液,立即用所配Na2S2O3溶液滴定,发生反应I2+2S2O32- = 2I- + S4O62-,三次消耗 Na2S2O3溶液的平均体积为25.00 mL,则所标定的硫代硫酸钠溶液的浓度为_______mol∙L-1【答案】分液漏斗 蒸馏烧瓶 24232422H SO Na SO Na SO H O =SO +++↑ 硫化钠和碳酸钠的混合液 调节酸的滴加速度 若 SO 2过量,溶液显酸性.产物会发生分解 加入铁氰化钾溶液.产生蓝色沉淀 开始生成 Fe(S 2O 3)33-的反应速率快,氧化还原反应速率慢,但Fe 3+与S 2O 32- 氧化还原反应的程度大,导致Fe 3++3S 2O 32-⇌Fe(S 2O 3)33-(紫黑色)平衡向逆反应方向移动,最终溶液几乎变为无色 0.1600 【解析】 【分析】 【详解】(1)a 的名称即为分液漏斗,b 的名称即为蒸馏烧瓶;b 中是通过浓硫酸和Na 2SO 3反应生成SO 2,所以方程式为:24232422H SO Na SO Na SO H O =SO +++↑;c 中是制备硫代硫酸钠的反应,SO 2由装置b 提供,所以c 中试剂为硫化钠和碳酸钠的混合溶液; (2)从反应速率影响因素分析,控制SO 2生成速率可以调节酸的滴加速度或者调节酸的浓度,或者改变反应温度;(3)题干中指出,硫代硫酸钠在酸性溶液中会分解,如果通过量的SO 2,会使溶液酸性增强,对制备产物不利,所以原因是:SO 2过量,溶液显酸性,产物会发生分解; (4)检验Fe 2+常用试剂是铁氰化钾,所以加入铁氰化钾溶液,产生蓝色沉淀即证明有Fe 2+生成;解释原因时一定要注意题干要求,体现出反应速率和平衡两个角度,所以解释为:开始阶段,生成3233Fe(S O )-的反应速率快,氧化还原反应速率慢,所以有紫黑色出现,随着Fe 3+的量逐渐增加,氧化还原反应的程度变大,导致平衡逆向移动,紫黑色逐渐消失,最终溶液几乎变为无色;(5)间接碘量法滴定过程中涉及两个反应:①2327226I Cr O 14H =3I 2Cr7H O --++++++;②2222346=I 2S O 2I S O ---++;反应①I -被氧化成I 2,反应②中第一步所得的I 2又被还原成I -,所以①与②电子转移数相同,那么滴定过程中消耗的227Cr O -得电子总数就与消耗的223S O -失电子总数相同 ;在做计算时,不要忽略取的基准物质重铬酸钾分成了三份进行的滴定。
备战高考化学化学反应速率与化学平衡(大题培优)含详细答案一、化学反应速率与化学平衡1.某化学兴趣小组欲测定KClO 3,溶液与3NaHSO 溶液反应的化学反应速率.所用试剂为10mL0.1mol/LKClO 3,溶液和310mL0.3mol /LNaHSO 溶液,所得数据如图所示。
已知:2334ClO 3HSO Cl 3SO 3H ----++=++。
(1)根据实验数据可知,该反应在0~4min 内的平均反应速率()Cl v -=________()mol /L min ⋅。
(2)某同学仔细分析实验数据后发现,在反应过程中,该反应的化学反应速率先增大后减小.某小组同学针对这一现象进一步探究影响该化学反应速率的因素,具体方法如表示。
方案假设实验操作Ⅰ该反应放热使溶液温度升高,反应速率加快向烧杯中加入10mL0.1mo//L 的3KClO 溶液和10mL0.3mol/L 的3NaHSO 溶液,Ⅱ取10mL0.1mo/L 的3KClO 溶液加入烧杯中,向其中加入少量NaCl 固体,再加入10mL0.3mol/L 的3NaHSO 溶液Ⅲ溶液酸性增强加快了化学反应速率分别向a 、b 两只烧杯中加入10mL0.1mol/L 的3KClO 溶液;向烧杯a 中加入1mL 水,向烧杯b 中加入1mL0.2mol/L 的盐酸;再分别向两只烧杯中加入10mL0.3mol/L 的3NaHSO 溶液①补全方案Ⅰ中的实验操作:________。
②方案Ⅱ中的假设为________。
③除Ⅰ、Ⅱ、Ⅲ中的假设外,还可以提出的假设是________。
④某同学从控制变量的角度思考,认为方案Ⅲ中实验操作设计不严谨,请进行改进:________。
⑤反应后期,化学反应速率变慢的原因是________。
【答案】0.0025 插入温度计 生成的Cl -加快了化学反应速率 生成的24SO -加快了化学反应速率 将1mL 水改为1mL0.2mol/L 的NaCl 溶液 反应物浓度降低 【解析】 【分析】 【详解】(1)根据实验数据可知,该反应在0~4min 内生成氯离子的浓度是0.010mol/L ,所以平均反应速率()()Cl0.010mol /L 4min 0.0025mol /L min c -=÷=⋅;(2)①由于是假设该反应放热,使溶液温度升高,反应速率加快,因此需要测量反应过程中溶液温度的变化;②方案I 、Ⅱ相比较,Ⅱ中加入了少量氯化钠,所以方案Ⅱ中的假设为生成的Cl -加快了化学反应速率;③由于反应中还有硫酸根离子生成,则除I 、Ⅱ、Ⅲ中的假设外,还可以提出的假设是生成的硫酸根离子加快了化学反应速率;④为防止氯离子对实验的干扰,则改进措施是将1mL 水改为1mL0.2mol/L 的NaCl 溶液; ⑤反应后期反应物浓度减小,因此化学反应速率变慢。
【点睛】对于多因素(多变量)的问题,常常采用控制因素(变量)的方法,把多因素的问题变成多个单因素的问题。
每一次只改变其中的某一个因素,而控制其余几个因素不变,从而研究被改变的这个因素对事物的影响,分别加以研究,最后再综合解决,这种方法叫控制变量法。
它是科学探究中的重要思想方法,广泛地运用在各种科学探索和科学实验研究之中。
2.某小组同学以不同方案探究Cu 粉与FeCl 3溶液的反应。
(1)甲同学向FeCl 3溶液中加入Cu 粉,观察到溶液的颜色变为浅蓝色,由此证明发生了反应,其离子方程式是__。
(2)乙同学通过反应物的消耗证明了上述反应的发生:将Cu 粉加入到滴有少量KSCN 的FeCl 3溶液中,观察到溶液红色褪去,有白色沉淀A 产生。
①针对白色沉淀A ,查阅资料:A 可能为CuCl 和CuSCN(其中硫元素的化合价为-2价)中的一种或两种。
实验过程如下:请回答:Ⅰ.根据白色沉淀B 是__(填化学式),判断沉淀A 中一定存在CuSCN 。
Ⅱ.仅根据白色沉淀A 与过量浓HNO 3反应产生的实验现象,不能判断白色沉淀A 中一定存在CuSCN ,从氧化还原角度说明理由:__。
Ⅲ.向滤液中加入a 溶液后无明显现象,说明A 不含CuCl ,则a 是__(填化学式)。
根据以上实验,证明A 仅为CuSCN 。
②进一步查阅资料并实验验证了CuSCN 的成因,将该反应的方程式补充完整: Cu 2++ SCN -= CuSCN↓+ (SCN)2__③结合上述过程以及Fe(SCN)3⇌Fe 3++3SCN -的平衡,分析(2)中溶液红色褪去的原因:__。
(3)已知(SCN)2称为拟卤素,其氧化性与Br 2相近。
将KSCN 溶液滴入(1)所得的溶液中,观察到溶液变红色,则溶液变红的可能原因是__或__。
【答案】Cu+2Fe 3+=Cu 2++2Fe 2+ BaSO 4 +1价铜也可将浓HNO 3还原 AgNO 3 2Cu 2++4SCN -=2CuSCN↓+(SCN)2 Cu 和Fe 3+反应生成Cu 2+使c(Fe 3+)减小;Cu 2+和SCN -反应生成CuSCN 沉淀使c(SCN -)减小,均使该平衡正向移动,导致Fe(SCN)3浓度减小,溶液红色褪去 Fe 3+有剩余 空气中的O 2将Fe 2+氧化;(SCN)2将Fe 2+氧化 【解析】 【分析】(1)铁离子具有氧化性,能够把铜氧化为铜离子;(2)I .①不溶于稀硝酸的白的沉淀为硫酸钡; Ⅱ.②亚铜离子具有还原性,也能被硝酸氧化; Ⅲ.检验氯离子,应加入硝酸银溶液;②据电子守恒、电荷守恒、原子守恒,写出反应的方程式; ③根据浓度对平衡移动规律进行分析;(3)亚铁离子具有强还原性,空气中氧气、溶液中(SCN )2都有可能把亚铁离子氧化为铁离子。
【详解】()1甲同学向3FeCl 溶液中加入Cu 粉,观察到溶液的颜色变为浅蓝色,由此证明发生了氧化还原反应,生成2Cu +,其离子方程式是Cu+2Fe 3+=Cu 2++2Fe 2+; 故答案为:Cu+2Fe 3+=Cu 2++2Fe 2+;()2① ⅠA 可能为CuCl 和CuSCN(其中硫元素的化合价为2-价)中的一种或两种,白色沉淀与过量浓硝酸反应生成红棕色的2NO 和含2Cu +的蓝色溶液,向蓝色溶液中加入过量硝酸钡溶液,生成不溶于硝酸的钡盐沉淀,则白色沉淀B 是4BaSO ; 故答案为:4BaSO ;Ⅱ 1+价铜也可将浓3HNO 还原,故仅根据白色沉淀A 与过量浓3HNO 反应产生的实验现象,不能判断白色沉淀A 中一定存在CuSCN , 故答案为:1+价铜也可将浓3HNO 还原;Ⅲ 检验氯离子,应加入硝酸银溶液,则a 是3AgNO , 故答案为:3AgNO ;② 据电子守恒、电荷守恒、原子守恒,该反应的方程式为2Cu 2++4SCN -=2CuSCN↓+(SCN)2,故答案为:2Cu 2++4SCN -=2CuSCN↓+(SCN)2;Cu ③和3Fe +反应生成2Cu +使()3c Fe +减小;2Cu +和SCN -反应生成CuSCN 沉淀使()c SCN -减小,均使该平衡正向移动,导致3Fe(SCN)浓度减小,溶液红色褪去,故答案为:Cu 和Fe 3+反应生成Cu 2+使c(Fe 3+)减小;Cu 2+和SCN -反应生成CuSCN 沉淀使c(SCN -)减小,均使该平衡正向移动,导致Fe(SCN)3浓度减小,溶液红色褪去 ;()3将KSCN 溶液滴入()1所得的溶液中,观察到溶液变红色,则溶液含3Fe +,溶液变红的可能原因是3Fe +有剩余;空气中的2O 将2Fe +氧化;2(SCN)将2Fe +氧化, 故答案为:Fe 3+有剩余;空气中的O 2将Fe 2+氧化;(SCN)2将Fe 2+氧化 。
3.某兴趣小组在实验室进行如下实验探究活动。
(1)设计如下实验研究2Fe 3++2I -ƒ2Fe 2++I 2的反应。
①振荡静置后C 中观察到的现象是_______________________;为证明该反应存在一定限度,还应补做实验为:取C 中分液后的上层溶液,然后______________(写出实验操作和现象)。
②测定上述KI 溶液的浓度,进行以下操作:I 用移液管移取20.00 mL KI 溶液至锥形瓶中,加入适量稀硫酸酸化,再加入足量H 2O 2溶液,充分反应。
II 小心加热除去过量的H 2O 2。
III 用淀粉做指示剂,用c mol/L Na 2S 2O 3标准溶液滴定,反应原理为:2Na 2S 2O 3+I 2=2NaI +Na 2S 4O 6。
步骤II 是否可省略?____________(答“可以”或“不可以”)步骤III 达到滴定终点的现象是___________________________。
巳知I 2浓度很高时,会与淀粉形成稳定的包合物不易解离,为避免引起实验误差,加指示剂的最佳时机是________。
(2)探究Mn 2+对KMnO 4酸性溶液与H 2C 2O 4溶液反应速率的影响。
反应原理(化学方程式)为________;仪器及药品:试管(两支)、0.01 mol/L KMnO 4酸性溶液、0.1 mol/L H 2C 2O 4溶液、一粒黄豆大的MnSO 4固体;实验方案:请仿照教材(或同教材)设计一个实验用表格,在行标题或列标题中注明试剂及观察或记录要点。
______________【答案】溶液分层,上层水层为黄绿色,下层四氯化碳层为紫色 滴加KSCN 溶液,溶液变红不能;;当滴入最后一滴Na2S2O3标准溶液时,蓝色褪去且半分钟内不复原用c mol/L Na2S2O3标准溶液滴定至溶液呈浅黄色时,滴加淀粉指示剂,再继续滴加标准溶液2MnO4-+5H2C2O4+6H+=2Mn2++10CO2↑+8H2O;【解析】【分析】(1)①由题意可知,过量的碘化钾溶液与氯化铁溶液反应生成氯化亚铁和碘,向溶液中加入四氯化碳,振荡静置,溶液分层,为证明该反应存在一定限度,应检验上层溶液中是否存在Fe3+;②由步骤I可知,双氧水的氧化性强于单质碘,若步骤II省略,溶液中过氧化氢会与Na2S2O3溶液反应;当Na2S2O3标准溶液过量时,溶液中碘单质完全反应,溶液由蓝色变为无色;为避免引起实验误差,滴定开始时不能加入淀粉指示剂,应当在I2浓度较小时再滴入淀粉;(2)KMnO4酸性溶液与H2C2O4溶液反应生成硫酸钾、硫酸锰、二氧化碳和水。
【详解】(1)①由题意可知,过量的碘化钾溶液与氯化铁溶液反应生成氯化亚铁和碘,向溶液中加入四氯化碳,振荡静置,溶液分层,上层为氯化铁和氯化亚铁得混合溶液,溶液的颜色为黄绿色,下层为碘的四氯化碳溶液,溶液的颜色为紫色;为证明该反应存在一定限度,应检验上层溶液中是否存在Fe3+,还应补做实验为:取C中分液后的上层溶液,然后滴加KSCN溶液,溶液变红色,故答案为:溶液分层,上层水层为黄绿色,下层四氯化碳层为紫色;滴加KSCN溶液,溶液变红;②由步骤I可知,双氧水的氧化性强于单质碘,若步骤II省略,溶液中过氧化氢会与Na2S2O3溶液反应,导致Na2S2O3标准溶液体积偏大,所测结果偏高,故不能省略;当Na2S2O3标准溶液过量时,溶液中碘单质完全反应,溶液由蓝色变为无色,且半分钟内不复原;由I2浓度很高时,会与淀粉形成稳定的包合物不易解离,为避免引起实验误差,滴定开始时不能加入淀粉指示剂,应当在I2浓度较小时再滴入淀粉,故答案为:不能;当滴入最后一滴Na2S2O3标准溶液时,蓝色褪去且半分钟内不复原;用c mol/L Na2S2O3标准溶液滴定至溶液呈浅黄色时,滴加淀粉指示剂,再继续滴加标准溶液;(2)KMnO4酸性溶液与H2C2O4溶液反应生成硫酸钾、硫酸锰、二氧化碳和水,反应的离子方程式为2MnO4-+5H2C2O4+6H+=2Mn2++10CO2↑+8H2O;据题给条件,设计探究Mn2+对KMnO4酸性溶液与H2C2O4溶液反应速率的影响的实验,应用取两份等体积的0.01mol/LKMnO4酸性溶液,一份加入0.1mol/L的H2C2O4溶液,另一份加入等体积的0.1mol/L的H2C2O4溶液和硫酸锰固体,测定溶液由紫色退为无色所需要的时间,实验用表格如下:故答案为:2MnO4-+5H2C2O4+6H+=2Mn2++10CO2↑+8H2O;当Na2S2O3标准溶液过量时,溶液中碘单质完全反应,溶液由蓝色变为无色,为避免引起实验误差,滴定开始时不能加入淀粉指示剂,应当在I2浓度较小时再滴入淀粉是解答关键,也是难点和易错点。