高考化学复习专题.化学反应速率
- 格式:doc
- 大小:743.50 KB
- 文档页数:10
考点37 化学反应速率一、化学反应速1.定义化学反应速率是用来衡量化学反应进行快慢的物理量。
2.表示方法通常用单位时间内反应物浓度的减少量或生成物浓度的增加量来表示。
数学表达式为v=ct∆∆,单位为mol/(L·min)、mol/(L·s)或mol/(L·h)。
3.化学反应速率与化学计量数的关系:对于已知反应m A(g)+n B(g)p C(g)+q D(g),其化学反应速率可用不同的物质来表示,当单位相同时,化学反应速率的数值之比等于方程式中各物质的化学计量数之比,即v(A)∶v(B)∶v(C)∶v(D)=m∶n∶p∶q。
例如:在一个2 L的容器中发生反应:3A(g)+B(g)2C(g),加入2 mol A,1 s后剩余1.4 mol,则v(A)=0.3 mol·L−1·s−1,v(B)=0.1 mol·L−1·s−1,v(C)=0.2 mol·L−1·s−1。
过关秘籍(1)在同一化学反应中,无论选用反应物还是生成物表示化学反应速率,其值均为正值。
(2)化学反应速率通常是指在某一段时间内的平均反应速率,而不是某一时刻的瞬时反应速率。
(3)同一化学反应中,在相同的反应时间内,不同的物质表示的反应速率的数值可能不同。
但表示的意义相同。
因此表示化学反应速率时,必须指明是用反应体系中的哪种物质作依据。
(4)固体或纯液体的浓度恒为常数,不能用固体或纯液体的浓度表示化学反应速率。
但是化学反应速率与固体和纯液体参与反应的表面积有关,因此,通常增大固体或纯液体参与反应的表面积(如将固体粉碎,将液体变成雾状,加速搅拌等)可加快化学反应速率。
(5)同一化学反应中,各物质表示的化学反应速率之比=化学方程式中各物质的化学计量数之比=各物质的浓度变化量之比。
4.化学反应速率的测定(1)测定原理测定不同反应时刻反应物或生成物的浓度,可通过观察和测量体系中的某一物质的相关性质,再进行适当的转换和计算达到测定目的。
专题十一化学反应速率和化学平衡考点一化学反应速率1.(2022北京,14,3分)CO2捕获和转化可减少CO2排放并实现资源利用,原理如图1所示。
反应①完成之后,以N2为载气,将恒定组成的N2、CH4混合气,以恒定流速通入反应器,单位时间流出气体各组分的物质的量随反应时间变化如图2所示。
反应过程中始终未检测到CO2,在催化剂上检测到有积炭。
下列说法不正确...的是()图1图2A.反应①为CaO+CO2CaCO3;反应②为CaCO3+CH4CaO+2CO+2H2B.t1~t3,n(H2)比n(CO)多,且生成H2的速率不变,推测有副反应CH4C+2H2C.t2时刻,副反应生成H2的速率大于反应②生成H2的速率D.t3之后,生成CO的速率为0,是因为反应②不再发生答案C根据题图1,可知反应①为CO2与CaO反应生成CaCO3,反应②为CaCO3与CH4在催化剂作用下反应生成CaO、CO和H2,A正确;由题图2可知,t1~t3,n(H2)比n(CO)多,生成H2的速率不变,又因为在催化剂上检测到有积炭,故发生的副反应为CH4C+2H2,B正确;t2时刻,CO的气体流速=反应②生成的H2的气体流速≈1.5mmol·min-1,副反应生成的H2的气体流速≈0.5mmol·min-1,故副反应生成H2的速率小于反应②生成H2的速率,C错误;只有反应②生成CO,题图2中t3之后CO气体流速为0,反应②不再发生,所以CO的生成速率为0,D正确。
方法技巧认真审题,仔细观察原理示意图和坐标图:①提取题中有价值的信息,找出每一个转化过程的反应物和生成物;②读懂坐标图中每一条曲线代表的物质,然后确定其变化量。
2.(2022广东,15,4分)在相同条件下研究催化剂Ⅰ、Ⅱ对反应X→2Y的影响,各物质浓度c随反应时间t的部分变化曲线如图,则()A.无催化剂时,反应不能进行B.与催化剂Ⅰ相比,Ⅱ使反应活化能更低C.a曲线表示使用催化剂Ⅱ时X的浓度随t的变化D.使用催化剂Ⅰ时,0~2min内,v(X)=1.0mol·L-1·min-1答案D由题图可知,无催化剂时,反应能进行,但是反应速率比较慢,A项错误;在相同条件下,与催化剂Ⅱ相比,在使用催化剂Ⅰ时生成物的浓度变化量更大,反应速率更快,故催化剂Ⅰ使反应活化能更低,B项错误;0~2min时,反应物浓度的变化量与生成物浓度的变化量之比等于其化学计量数之比,故a曲线表示使用催化剂Ⅰ时X的浓度随t的变化,C项错误;使用催化剂Ⅰ时,0~2min内,v(X)=(4.0mol·L-1-2.0mol·L-1)÷2 min=1.0mol·L-1·min-1,D项正确。
高考化学复习考点知识专题讲解专题二十三、化学反应速率考点知识本高考化学复习考点知识专题讲解专题重要知识有化学反应速率的概念及影响化学反应的因素;主要考查化学反应速率的简单计算,外界条件对化学反应速率的影响。
也可通过图象或图表把化学反应速率融合在化学平衡、实验或计算之中来考查数据处理能力。
结合日常生活、生产科研等为背景,如冰箱保存食物、钢铁生锈、硫酸工业、催化剂材料等考查化学反应速率的表示方法及影响规律。
重点、难点探源一、化学反应速率1、概念用单位时间内反应物或生成物的浓度变化(常用物质的量浓度)来表示。
2、公式,单位:mol•(L•s)-1或mol••(L•min)-1。
3、应用⑴化学反应速率是某段时间内的平均值。
⑵用不同物质表示同一反应的反应速率时,其数值可能不同。
对于反应aA+bB Cc+dD,用各物质表示的反应速率分别为:v(A)、v(B)、v(C)、v(D),则v(A):v(B):v(C):v(D)=a:b:c:d。
⑶不能用纯固体或液体表示反应速率。
4、测定⑴实验设计:如按图安装两套甲、乙,通过分液漏斗分别加入40mL 1mol•L-1和40mL 4m ol•L-1的硫酸,比较二者收集10mL H2所用的时间。
⑵实验现象现象装置产生气泡的快慢收集10mL气体所用时间甲慢长乙较快短⑶实验结论:反应速率甲<乙,进而可求各自的反应速率。
二、影响反应速率的因素1、影响因素⑴内因(主要因素):反应物本身的性质,如Na、Mg、Al与水反应的速率由大到小的顺序为:Na>Mg>Al。
⑵外因(其他条件不变,改变一个条件)2、有效碰撞理论的指导⑴活化分子、活化能、有效碰撞①活化分子:能够发生有效碰撞的分子。
②活化能:活化分子多出的能量。
如图反应的活化能是E1,E3,表示使用催化剂时活化能,反应热是E2-E1.③有效碰撞:活化分子之间能够引发化学反应的碰撞.⑵活化分子、有效碰撞与反应速率的关系。
追踪高考1.【2022天津卷】室温下,向圆底烧瓶中加入1 molC2H5OH和含1molHBr的氢溴酸,溶液中发生反应;C2H5OH+HBr C2H5Br+H2O,充分反应后达到平衡。
化学中的化学反应速率(化学知识点)化学反应速率是指单位时间内反应物消失或产物生成的速率。
反应速率的快慢对于化学反应的研究和应用具有重要的意义。
本文将介绍化学反应速率的定义、影响因素以及如何测定反应速率。
一、化学反应速率的定义化学反应速率是指在一定条件下,反应物消失或产物生成的速率。
一般情况下,反应速率可以通过反应物消失的速率来描述,以此来衡量反应进行的快慢。
化学反应速率可以用如下公式来表示:速率= ΔC/Δt其中,ΔC表示反应物浓度的变化量,Δt表示时间的变化量。
速率的单位可以是摩尔/升·秒(mol/L·s)、分子/升·秒(molecules/L·s)等。
二、影响化学反应速率的因素化学反应速率受到多种因素的影响,主要包括以下几个方面。
1.反应物浓度:当反应物浓度增加时,反应物之间的碰撞频率增加,从而增加了反应的可能性,使得反应速率加快。
2.温度:提高温度会增加反应物的动能,使反应物之间的碰撞更加频繁且具有更高的能量。
因此,温度升高会加快反应速率。
3.催化剂:催化剂可以降低反应的活化能,使反应物更容易发生反应。
催化剂的存在可以提高反应速率,而不参与反应本身。
4.表面积:反应物的表面积越大,反应物颗粒之间的碰撞频率就越高,反应速率也会增加。
5.反应物的物理状态:气相反应相较于固相反应和液相反应具有更高的反应速率,因为气态分子之间的自由运动能带来更频繁的碰撞。
三、测定反应速率的方法测定反应速率是研究反应动力学的重要手段,常用的方法有以下几种。
1.逐点法:在反应过程中,定时取样,通过测定不同时间点上反应物消失或产物生成的量来计算反应速率。
2.连续监测法:利用分光光度计、电导计等仪器对反应过程进行实时监测,获得反应物浓度的变化曲线,从而计算反应速率。
3.消失溶液平行测定法:将相同溶液分装到多个容器中,分别对不同容器中的反应液进行逐点法测定并计算平均速率,以提高测定结果的准确性。
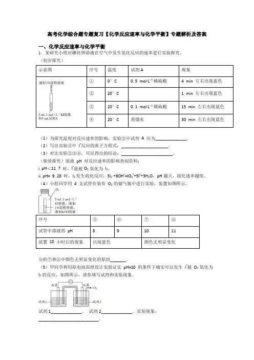
高考化学综合题专题复习【化学反应速率与化学平衡】专题解析及答案一、化学反应速率与化学平衡1.某研究小组对碘化钾溶液在空气中发生氧化反应的速率进行实验探究。
(初步探究)示意图序号温度试剂A现象①0°C0.5mol∙L−1稀硫酸4min左右出现蓝色②20°C1min左右出现蓝色③20°C0.1mol∙L−1稀硫酸15min左右出现蓝色④20°C蒸馏水30min左右出现蓝色(1)为探究温度对反应速率的影响,实验②中试剂A应为______________。
(2)写出实验③中I-反应的离子方程式:_____________________。
(3)对比实验②③④,可以得出的结论:_______________________。
(继续探究)溶液pH对反应速率的影响查阅资料:i.pH<11.7时,I-能被O2氧化为I2。
ii.pH= 9.28时,I2发生歧化反应:3I2+6OH-=IO3-+5I-+3H2O,pH越大,歧化速率越快。
(4)小组同学用4支试管在装有O2的储气瓶中进行实验,装置如图所示。
序号⑤⑥⑦⑧试管中溶液的pH891011放置10小时后的现象出现蓝色颜色无明显变化分析⑦和⑧中颜色无明显变化的原因_______。
(5)甲同学利用原电池原理设计实验证实pH=10的条件下确实可以发生I-被O2氧化为I2的反应,如图所示,请你填写试剂和实验现象。
试剂1______________。
试剂2______________。
实验现象:___________________________。
(深入探究)较高温度对反应速率的影响小组同学分别在敞口试管和密闭试管中进行了实验⑨和⑩。
(6)对比实验⑨和⑩的现象差异,该小组同学对实验⑨中的现象提出两种假设,请你补充假设1。
假设1:_______________。
假设2:45°C以上I2易升华,70°C水浴时,c(I2)太小难以显现黄色。
化学反应速率与化学平衡微专题201920182017考情透析ⅠⅡⅢⅠⅡⅢⅠⅡⅢ化学反应速率化学平衡T28T27T28T28T27T28T28T27T27考向:结合图像考查化学平衡移动的原理、化学反应速率和化学平衡常数的计算是高考的重点,另外在高考中常以信息题的形式考查K sp、反应速率常数等知识化学平衡图像分析及相关计算T28T27T28T27T28T28T27T27题型:化学反应原理综合题、选择题、工艺流程题、实验题 分值:10+412化学反应速率 化学平衡一、化学反应速率1.对化学反应速率计算公式的剖析(1)公式:v (B)=Δc(B)Δt =Δn(B)VΔt。
①浓度变化只适用于气体和溶液中的溶质,不适用于固体和纯液体。
②化学反应速率是某段时间内的平均反应速率,而不是瞬时速率,且计算时取正值。
③同一反应用不同的物质表示反应速率时,数值可能不同,但意义相同。
④对于可逆反应,反应进行的净速率是正、逆反应速率之差,当达到平衡时,净速率为零(注:总反应速率也可理解为净速率)。
(2)比值法:同一化学反应,各物质的反应速率之比等于化学方程式中的化学计量数之比。
对于反应m A(g)+n B(g)p C(g)+q D(g),有v(A)m =v(B)n =v(C)p =v(D)q。
2.气体反应体系中充入惰性气体(或无关气体)时,对反应速率的影响 (1)恒容:充入惰性气体总压增大 物质浓度不变(活化分子浓度不变)反应速率不变。
(2)恒压:充入惰性气体体积增大物质浓度减小(活化分子浓度减小)反应速率减慢。
3.外界条件对可逆反应的正、逆反应速率的影响方向是一致的,但影响程度不一定相同(1)当增大反应物浓度时,v 正瞬间增大,随后逐渐减小,v 逆瞬间不变,随后逐渐增大,直至v 正和v 逆相等时达到新平衡。
(2)增大压强,向气体分子数减少的方向的反应速率变化程度更大。
(3)对于反应前后气体分子数不变的反应,改变压强可以同等程度地改变正、逆反应速率。
化学反应速率化学平衡两个问题:第一、化学反应进行的快慢即化学反应速率问题;第二、化学反应进行的程度即化学平衡问题一、化学反应速率1.表示方法(1)概念:化学反应速率通常用单位时间内反应物浓度的减小或生成物浓度的增加来表示(2)公式:v=△c/△t单位:mol/(L·s)或mol/(L·min)(3)注意事项:①由于反应过程中,随着反应的进行,物质的浓度不断地发生变化(有时温度等也可能变化),因此在不同时间内的反应速率是不同的。
通常我们所指的反应速率是指平均速率而非瞬时速率。
②同一化学反应的速率可以用不同物质浓度的变化来表示,其数值不一定相同,但其意义相同。
其数值之比等于化学计量数之比。
对于反应:m A+n B p C+q DV A∶V B∶V C∶V D=m∶n∶p∶q③一般不能用固体物质表示。
④对于没有达到化学平衡状态的可逆反应:v正≠v逆[例1]某温度时,2L容器中X、Y、Z三种物质的量随时间的变化如图所示。
由图中数据分析,该反应的化学方程式为___3X + Y2Z___;反应开始至2min ,Z的平均反应速率为___0.05 mol/(L·min)__。
[例2]在2A + B = 3C + 4D的反应中, 下列表示该反应的化学反应速率最快的是(B )A. V(A) = 0.5 mol/(L·s)B. V(B) = 0.3 mol/(L·s)C. V(C) = 0.8 mol/(L·s)D. V(D) = 1 mol/(L·s)练习1反应4A(S)+3B(g)==2C(g)+D(g),经2min,B的浓度减少了0.6mol/L.。
此反应速率的表示正确的是()A.用A表示的反应速率是0.4mol/L·minB.用C表示的速率是0.2mol/L·minC.在2 min末的反应速率,用B表示是0.3mol/L·minD.在2 min内用B和C表示的反应速率的值都是逐渐减少的。
专题十一化学反应速率和化学平衡考点二化学平衡1.(2022北京,12,3分)某MOFs多孔材料孔径大小和形状恰好将N2O4“固定”,能高选择性吸附NO2。
废气中的NO2被吸附后,经处理能全部转化为HNO3。
原理示意图如下。
已知:2NO2(g)N2O4(g)ΔH<0下列说法不正确...的是() A.温度升高时不利于NO2吸附B.多孔材料“固定”N2O4,促进2NO2N2O4平衡正向移动C.转化为HNO3的反应是2N2O4+O2+2H2O4HNO3D.每获得0.4mol HNO3时,转移电子的数目为6.02×1022答案D2NO2(g)N2O4(g)ΔH<0,温度升高,平衡逆向移动,NO2生成N2O4的转化率降低,多孔材料不能将更多的N2O4“固定”,故不利于NO2吸附,A正确;多孔材料“固定”N2O4,使混合气体中N2O4的浓度降低,促进平衡2NO2N2O4正向移动,B正确;N2O4与O2和H2O发生氧化还原反应生成硝酸,C正确;由C项中反应2N2O4+O2+2H2O4HNO3可知,每生成0.4mol HNO3,转移电子的数目为0.4×6.02×1023,D错误。
2.(2022广东,13,4分)恒容密闭容器中,BaSO4(s)+4H2(g)BaS(s)+4H2O(g)在不同温度下达平衡时,各组分的物质的量(n)如图所示。
下列说法正确的是()A.该反应的ΔH<0B.a为n(H2O)随温度的变化曲线C.向平衡体系中充入惰性气体,平衡不移动D.向平衡体系中加入BaSO4,H2的平衡转化率增大答案C随着温度升高,n(H2)减小,说明平衡正向移动,反应的ΔH>0,A不正确;起始时H2为4mol,200℃时H2约为0.5mol,即约有3.5mol H2参加反应,根据化学方程式计算可知此时生成的H2O约为3.5mol,故题图中最上方的曲线为n(H2O)随温度的变化曲线,B不正确;恒容体系中充入惰性气体,H2、H2O的浓度均不变,平衡不移动,C 正确;BaSO4为固体,加入BaSO4,平衡不移动,D不正确。
化学反应速率1.化学反应速率(单位可用mol/(L∙s))表示单位时间内反应物或生成物( )A.体积的变化B.物质的量的变化C.质量的变化D.物质的量浓度的变化【答案】D【解析】化学反应速率(单位可用mol/(L∙s))表示单位时间内反应物或生成物物质的量浓度的变化,即v(B)=c(B)t∆∆,故D正确。
2.下列对化学反应速率的理解正确的是( )A.化学反应速率表示的是化学反应进行的程度B.化学反应速率可以用单位时间内反应物浓度的变化来表示C.化学反应速率可以用任何一种反应物或生成物来表示D.化学反应速率可以是正值,也可以是负值【答案】B【解析】A项,化学反应速率表示化学反应进行的快慢,不表示反应进行的程度,A错误;B项,化学反应速率可以用单位时间内反应物浓度的减少量来表示,也可以用单位时间内生成物浓度的增加量来表示,B正确;C项,化学反应速率不能用纯液体或纯固体的物质的量浓度的变化来表示,C错误;D项,化学反应速率都是正值,无负值,D错误;故选B。
3.100mL6mol/LH2SO4跟过量的锌粉反应,在一定温度下,为了减缓反应速率,但又不影响生成氢气的总量。
可向反应物中加入适量的( )A.碳酸钠(固体) B.水C.硫酸铜溶液D.硫酸铵(固体)【答案】B【解析】A项,碳酸钠(固体)与硫酸反应生成二氧化碳和水,消耗氢离子,放出的氢气量减小,故不选A;B项,硫酸中加水,氢离子物质的量不变,放出氢气的量不变,氢离子浓度降低,放出氢气的速率减慢,故选B;C项,加入硫酸铜溶液,锌置换出铜,构成原电池,锌与硫酸反应速率加快,故不选C;D项,硫酸铵和锌反应放出氢气,加入硫酸铵(固体),放出氢气的量增多,故不选D。
故选B。
4.在2A(g)+B(g)=3C(g)+5D(g)反应中,表示该反应速率最快的是( )A.v(A)=2mol·L-1·min-1B.v(B)=0.3mol·L-1·s-1C.v(C)=0.8mol·L-1·s-1D.v(D)=1mol·L-1·s-1【答案】B【解析】A项,v(A)=2 mol·L-1·min-1,转化为B并换算单位,v(B)=0.0167 mol·L-1·s -1;B项,v(B)=0.3 mol·L-1·s-1;C项,v(C)=0.8 mol·L-1·s-1,转化为B为v(B)=0.267 mol·L -1·s-1;D项,v(D)=1 mol·L-1·s-1,转化为B为v(B)=0.2 mol·L-1·s-1;综上所述,0.3 mol·L-1·s -1数值最大,反应速率最快,故B正确;故选B。
化学反应速率化学反应速率是指反应物质在单位时间内消耗或形成的量。
反应速率的大小与化学反应进行的快慢有关,可以通过实验来确定。
本文将介绍化学反应速率的概念、影响因素以及如何测量和调控反应速率。
一、化学反应速率的定义化学反应速率是指在单位时间内反应物质的消耗或生成速度。
一般用反应物浓度的变化量来表示,可以通过下式计算:反应速率= ΔC/Δt其中,ΔC表示反应物浓度的变化量,Δt表示时间间隔。
反应速率越大,反应进行得越快,反之亦然。
二、影响化学反应速率的因素1. 浓度:反应物浓度越高,反应速率越快。
这是因为高浓度意味着反应物分子碰撞的几率增加,从而增加了反应速度。
2. 温度:温度升高会导致分子动能增加,分子碰撞频率增加,反应速率增加。
根据阿伦尼乌斯方程,温度每升高10摄氏度,反应速率会增加2倍至3倍。
3. 催化剂:催化剂是能够改变反应机理、降低活化能的物质。
添加催化剂可以提高反应速率,但催化剂本身在反应中不参与化学变化。
4. 表面积:反应物分子在固体表面上的反应速率比在液体中要快。
这是因为固体表面积大,反应物分子易于吸附在固体表面上进行反应。
三、测量和调控1. 实验测量:可以通过实验来确定反应速率。
例如,在固定温度下,测量反应物浓度随时间的变化,根据测得的数据计算反应速率。
2. 温度控制:调控反应温度可以改变反应速率。
通过改变温度,可以调节反应的快慢,实现对反应速率的控制。
3. 催化剂的使用:添加催化剂可以提高反应速率。
选择适当的催化剂,可以加快反应速度,提高反应效率。
4. 反应物浓度调节:调节反应物浓度也可以改变反应速率。
增加反应物浓度可以加快反应速率,减少浓度则相反。
结语化学反应速率是化学反应进行的快慢的量化指标,受多种因素影响。
了解化学反应速率的概念和影响因素,对于实际应用具有重要意义。
实验测量和调控反应速率是化学研究和工业生产中常用的手段,可以根据实际需要选择合适的方法来控制反应速率。
2024全国高考真题化学汇编化学反应的速率一、单选题(2024江苏高考真题)催化剂能改变化学反应速率而不改变反应的焓变,常见催化剂有金属及其氧化物、酸和碱等。
催化反应广泛存在,如豆科植物固氮、石墨制金刚石、2CO 和2H 制33CH OCH (二甲醚)、25V O 催化氧化2SO 等。
催化剂有选择性,如24C H 与2O 反应用Ag 催化生成(环氧乙烷)、用22CuCl /PdCl 催化生成3CH CHO 。
催化作用能消除污染和影响环境,如汽车尾气处理、废水中3NO 电催化生成2N 、氯自由基催化3O 分解形成臭氧空洞。
我国在石油催化领域领先世界,高效、经济、绿色是未来催化剂研究的发展方向。
完成下列小题。
1.下列说法正确的是A .豆科植物固氮过程中,固氮酶能提高该反应的活化能B .24C H 与2O 反应中,Ag 催化能提高生成3CH CHO 的选择性C .22H O 制2O 反应中,2MnO 能加快化学反应速率D .2SO 与2O 反应中,25V O 能减小该反应的焓变2.下列化学反应表示正确的是A .汽车尾气处理:222NO 4CON 4CO 催化剂B .3NO 电催化为2N 的阳极反应:3222NO 12H 10e N 6H OC .硝酸工业中3NH 的氧化反应:32224NH +3O 2N +6H OΔ催化剂D .2CO 和2H 催化制二甲醚:22332O 2CO H CH OC 3H 6H 催化剂高温、高压3.下列有关反应描述正确的是A .32CH CH OH 催化氧化为3CH CHO ,32CH CH OH 断裂C-O 键B .氟氯烃破坏臭氧层,氟氯烃产生的氯自由基改变3O 分解的历程C .丁烷催化裂化为乙烷和乙烯,丁烷断裂σ键和π键D .石墨转化为金刚石,碳原子轨道的杂化类型由3sp 转变为2sp 4.(2024安徽高考真题)某温度下,在密闭容器中充入一定量的X (g ),发生下列反应: 1X(g)Y(g)ΔH <0 , 2Y(g)Z(g)ΔH <0 ,测得各气体浓度与反应时间的关系如图所示。
专题8.1 化学反应速率(测试时间60分钟,满分100分)姓名:班级:得分:一、选择题(本题包括10小题,每小题5分,共50分)1.【百强校·2016届哈尔滨6中期中】下列说法正确的是()A.增大压强,活化分子百分数增加,化学反应速率一定增大B.升高温度,单位体积内分子总数不变,但活化分子数增加了C.分子间所有的碰撞为有效碰撞D.加入反应物,使活化分子百分数增加,化学反应速率增大【答案】B考点:本题主要是考查影响速率的因素判断2.【2017届河北沧州市第一中学高三上第一次月考】对反应A+B=AB来说,常温下按以下情况进行反应:①20mL溶液中含A、B各0.01mol ②50mL溶液中含A、B各0.05mol③0.1mol•L-1的A、B溶液各10mL ④0.5mol•L-1的A、B溶液各50mL四者反应速率的大小关系是()A.②>①>④>③ B.④>③>②>①C.①>②>④>③ D.①>②>③>④【答案】A考点:考查了化学反应速率的影响因素的相关知识。
3.【2017届湖北省恩施一中高三上学期开学考试】下列影响化学反应速率的因素中,是通过改变活化分子百分数来实现的是()①改变气体物质的浓度②改变气体的压强③加入催化剂④改变气体的温度A.只有①② B.只有③④ C.只有①③④ D.①②③④【答案】B【解析】试题分析:在影响反应速率的外界条件中,只有温度和催化剂才是通过改变活化分子百分数来实现的。
浓度和压强改变的是单位体积内的活化分子个数,而不是活化分子的百分数,故B正确。
考点:本题考查影响反应速率的因素。
4.【2017届内蒙古赤峰二中高三上第一次月考】影响化学反应速率的因素有:浓度、压强、温度、催化剂等。
下列有关说法不正确...的是()A.改变压强不一定能改变有气体参与反应的速率B.增大浓度能加快化学反应速率,原因是增大浓度增加了反应体系中活化分子的百分数C.温度升高使化学反应速率加快的主要原因是增加了单位体积内活化分子总数D.催化剂能加快化学反应速率主要原因是降低反应所需的能量【答案】B【解析】试题分析:A.压强改变有气体参加的反应的反应速率,增大压强,反应速率加快,故A不选;B.增大浓度,增加了反应体系中活化分子数目增大,则反应速率加快,故B选;C.温度升高,增加了反应体系中活化分子百分数增大,反应速率加快,故C不选;D.催化剂降低反应的活化能,则反应速率加快,故D不选;故选B。
考点:考查了化学反应速率的影响因素的相关知识。
5.【2017届河北省沧州市第一中学高三周测】一定条件下,溶液的酸碱性对TiO2光催化燃料R 降解反应的影响如图所示。
下列判断正确的是()A.溶液酸性越强,R 的降解速率越小B.R的起始浓度越小,降解速率越大C.在0~50 min之间,pH=2和PH=7时R的降解百分率相等D.在20~25 min之间,pH=10 时R的平均降解速率为0.04 mol·L-1·min-1【答案】C考点:考查了化学反应速率的影响因素的相关知识。
6.【2017届湖北省宜城一中高三上学期9月月考】对于在一密闭容器中进行如下反应:C(S)+O2(g)=CO2(g)下列说法错误的是()A.将木炭粉碎成粉末状可以加快化学反应速率B.升高温度可以加快化学反应速率C.增加压强可以加快化学反应速率D.增加木炭的量可以加快化学反应速率【答案】D【解析】试题分析:A、固体粉碎增加接触面积,加快反应速率,故说法正确;B、升高温度,加快反应速率,故说法正确;C、增大压强,增大气体浓度,加快反应速率,故说法正确;D、固体或纯液体的浓度视为常数,因此增加木炭的量,反应速率不加快,故说法错误。
考点:考查影响化学反应速率的因素等知识。
7.【2017届河北省唐山一中高三上10月月考】一定量的盐酸跟过量的铁粉反应时,为了减缓反应速度,且不影响生成氢气的总量,可向盐酸中加入适量的()①NaOH 固体②H 2O ③NH 4Cl 固体④CH 3COONa 固体⑤NaNO 3固体⑥ KCl 溶液.A .②④⑥ B.①②C.②③⑤ D.②④⑤⑥【答案】A考点:考查了影响化学反应速率的因素的相关知识8.一定温度下,在2 L 密闭容器中加入纳米级Cu 2O 并通入0.1 mol H 2O(g),发生反应:2H 2O(g)Cu 2O 光照2H 2(g)+O 2(g) ΔH =+484 kJ·mol -1,不同时间产生O 2的物质的量见下表: 时间/min 20 40 60 80 n (O 2)/mol0.001 0 0.001 6 0.002 0 0.002 0A .前20 min 内的反应速率v (H 2O)=5.0×10-5 mol·L -1·min -1B .达到平衡时,至少需要从外界吸收能量0.968 kJC .增大c (H 2O),可以提高水的分解率D .催化效果与Cu 2O 颗粒的大小有关【答案】C【解析】由题意知,v (H 2O)=2v (O 2)=2×0.001 0 mol2 L 20 min=5.0×10-5 mol·L -1·min -1,A 正确;热化学方程式表示的含义是2 mol H 2O(g)完全分解生成2 mol H 2(g)和1 mol O 2(g),吸收484 kJ 的能量,所以生成O 2 0.002 0 mol 时,吸收的能量为0.002 0 mol×484 kJ·mol -1=0.968 kJ ,正确;C 项,由于反应物只有1种,增大c (H 2O),相当于压强增大,平衡向气体体积减小的方向移动,所以水的分解率降低,错误;D 项,若Cu 2O 颗粒小,则接触面积大,反应速率快,催化效果好,正确。
9.在一定条件下,N2O分解的部分实验数据如下:反应时间/min0 10 20 30 40 50 60 70 80 90100c(N2O)/mol /L 0.100.090.080.070.060.050.040.030.020.010.00下图能正确表示该反应有关物理量变化规律的是()(注:图中半衰期指任一浓度N2O消耗一半时所需的相应时间,c1、c2均表示N2O初始浓度且c1<c2)【答案】A考点:考查化学反应速率、转化率、半衰期与浓度的关系等。
10.CaCO3与稀盐酸反应(放热反应)生成CO2的量与反应时间的关系如图所示,下列结论不正确的是()A.反应开始2 min内平均反应速率最大B.反应速率先增大后减小C.反应2 min到第4 min内温度对反应速率的影响比浓度大D.反应在第2 min到第4 min内生成CO2的平均反应速率为前2 min的2倍【答案】A考点:考查图像方法在化学反应速率的计算与比较的应用的知识。
二、非选择题(本题包括4小题,共50分)11.(12分)某化学反应2A B+D在四种不同条件下进行,B,D起始浓度为0,反应物A 的的浓度(mol/L)随反应时间(min)的变化情况如下表:实验0 10 20 30 40 50 60序号1 800℃ 1.0 0.80 0.67 0.57 0.50 0.50 0.502 800℃c20.60 0.50 0.50 0.50 0.50 0.503 800℃c30.92 0.75 0.63 0.60 0.60 0.604 820℃ 1.0 0.40 0.25 0.20 0.20 0.20 0.20根据上述数据,完成下列填空:(1)在实验1,反应在10至20分钟时间内平均速率为_________mol/(L·min)。
(2)在实验2,A的初始浓度c2=_________mol/L,反应经20分钟就达到平衡,可推测实验2中还隐含的条件是____________。
(3)设实验3的反应速率为v3,实验1的反应速率为v1,则v3_______________v1(填>、=、<),且c3___________1.0 mol/L(填>、=、<)。
(4)比较实验4和实验1,可推测该反应速率快的是________,理由是______________________。
【答案】(1)0.013(2分)(2)1.0 (2分)使用了催化剂(1分)(3)>(2分)>(2分)(4)实验4(1分)温度越高,反应速率越快(2分)考点:考查了反应速率的表示方法,化学平衡移动的影响因素的相关知识。
12.(14分) Ⅰ.某温度时,在2 L容器中,某一化学反应中A、B的物质的量随时间变化的曲线如图所示,由图中数据分析得:(1)在4 min末时,A、B的物质的量浓度c(A)________c(B),从0~4 min内A、B的物质的量浓度变化量Δc(A)________Δc(B)(以上填“>”“<”或“=”)。
(2)从反应开始至4 min时,A的平均反应速率为________。
(3)该反应的化学方程式为__________________。
Ⅱ.将等物质的量的A、B混合放于2 L的密闭容器中,发生反应3A(g)+B(g)==X C(g)+2D(g)。
经5 min后测得D的浓度为0.5 mol·L-1,c(A)∶c(B)=3∶5,v(C)=0.1 mol·L-1·min -1。
则:(1)X=________。
(2)前5 min内B的反应速率v(B)=________。
5 min时A的转化率为________。
【答案】(14分,每空2分)I(1)=;>(2)0.05mol/(L·min) (3)2A BⅡ(1)2 (2)0.05 mol/(L·min);50%考点:考查反应速率的有关判断与计算13.(14分)Ⅰ:下列各项分别与哪个影响化学反应速率因素的关系最为密切?(1)夏天的食品易变霉,在冬天不易发生该现象;(2)同浓度不同体积的盐酸中放入同样大小的锌块和镁块,产生气体有快有慢;(3)MnO2加入双氧水中放出气泡更快.Ⅱ:在一定温度下,4L密闭容器内某一反应中气体M、气体N的物质的量随时间变化的曲线如图:(1)比较t2时刻,正逆反应速率大小V正 V逆.(填“>”、“=”、“<”)(2)若t2=2min,计算反应开始至t2时刻用M的浓度变化表示的平均反应速率为:.(3)t3时刻化学反应达到平衡,反应物的转化率为.(4)如果升高温度,则V逆(填增大、减小或不变)【答案】(14分,每空2分)Ⅰ:(1)温度;(2)反应物本身性质;(3)催化剂;Ⅱ:(1)>;(2)0.25mol/(L·min);(3)75%;(4)增大。
考点:考查影响化学反应速率的因素、化学反应速率的计算等知识。