板式支座安装方法
- 格式:doc
- 大小:27.50 KB
- 文档页数:2
板式橡胶支座的施工工艺1:板式橡胶支座的施工工艺1. 引言板式橡胶支座是一种用于桥梁、建筑物等结构的重要支撑装置。
本文将详细介绍板式橡胶支座的施工工艺,包括前期准备工作、材料准备、板式橡胶支座的安装等。
2. 前期准备工作2.1 组织设计和施工方案在施工开始之前,需要组织相关人员进行设计和施工方案的制定。
这包括确定支座的类型和规格、计算支座的承载能力以及设计布置方案等。
2.2 土建准备工作在施工现场,需要进行土建准备工作。
这包括清理施工区域、建立临时施工设施、确保周围环境的安全等。
3. 材料准备3.1 板式橡胶支座在施工过程中需要准备板式橡胶支座。
板式橡胶支座主要由橡胶材料和钢板组成,具有良好的抗震和承载能力。
3.2 其他辅助材料除了板式橡胶支座,还需要准备一些辅助材料,如膨胀螺栓、垫圈、定位螺栓等。
这些材料用于支座的固定和安装。
4. 板式橡胶支座的安装4.1 检查支座和材料在安装板式橡胶支座之前,需要对支座本身进行检查,确保其完好无损。
同时,还需要检查其他辅助材料的质量和数量。
4.2 铺设支座将支座按照设计方案进行布置,确保正确的位置和间距。
在铺设支座时,需要注意支座的垂直度和水平度,并进行调整。
4.3 固定支座使用膨胀螺栓、垫圈等辅助材料对支座进行固定。
固定时需要确保螺栓的紧固力适当,同时要遵循施工规范的要求。
4.4 接缝处理在支座的相邻部分,需要进行接缝处理。
这包括填充适当的密封材料,确保接缝具有良好的密封性和防水性。
本文详细介绍了板式橡胶支座的施工工艺,包括前期准备工作、材料准备、板式橡胶支座的安装等。
通过正确的施工工艺,可以确保支座的安全稳定使用。
1. 罗列出本所涉及附件如下:附件1: 板式橡胶支座设计方案附件2: 板式橡胶支座施工示意图附件3: 板式橡胶支座安装规范2. 罗列出本所涉及的法律名词及注释:2.1 施工规范:指由相关法律法规和行业标准制定的施工操作规范。
2.2 膨胀螺栓:一种通过螺栓端部的膨胀套筒实现紧固的螺纹连接装置。
第1篇一、准备工作1. 施工人员应熟悉板式橡胶支座的设计图纸,了解支座的技术参数、安装要求及注意事项。
2. 准备好施工工具和材料,如扳手、螺丝刀、水平尺、线锤、砂纸、水泥砂浆等。
3. 检查支座质量,确保支座无损坏、变形、老化等现象。
二、施工步骤1. 垫石处理(1)检查墩台垫石顶面,确保其平整、清洁。
(2)如有必要,对垫石进行凿毛处理,提高粘结强度。
(3)根据设计要求,用水泥砂浆调整垫石标高,使其达到设计高度。
2. 支座安装(1)在支承垫石上按设计图标出中心,确保支座中心与支承垫石中心线吻合。
(2)将支座放置在垫石上,调整支座位置,使其与垫石中心线重合。
(3)检查支座是否水平,如有偏差,使用水平尺进行微调。
(4)将支座固定在垫石上,确保支座牢固可靠。
3. 梁体安装(1)在支座上放置一块比支座平面稍大的支承钢板,钢板上焊接锚固钢筋与梁体连接。
(2)将支承钢板视作浇梁模板的一部分进行浇注,确保支座与梁底钢板及垫石顶面全部密贴。
(3)检查梁体与支座之间的间隙,确保无偏压、脱空和不均匀支承受力现象。
4. 质量检查(1)检查支座安装位置是否正确,支座与垫石、梁体之间的连接是否牢固。
(2)检查支座是否水平,梁体与支座之间的间隙是否符合设计要求。
(3)检查梁体与支座之间的接触面是否平整,无损坏、变形等现象。
三、注意事项1. 施工过程中,应严格按照设计要求进行施工,确保支座安装质量。
2. 支座安装前,应检查支座质量,确保支座无损坏、变形、老化等现象。
3. 支座安装过程中,应注意保护支座表面,避免损坏。
4. 支座安装完成后,应进行质量检查,确保支座安装质量符合设计要求。
5. 施工过程中,应遵守相关安全操作规程,确保施工安全。
通过以上施工程序,可以确保板式橡胶支座的安装质量,为桥梁结构的安全和耐久性提供保障。
第2篇一、施工准备1. 材料准备:根据设计要求,准备板式橡胶支座、钢板、螺栓、垫片等主要材料,以及橡胶涂料、防腐涂料等辅助材料。
板式橡胶支座的安装与施工(1)现在详细介绍一下,关于板式橡胶支座的安装与施工的方法,我们知道橡胶支座处于桥梁上、下部构造接点的重要位置,它的可靠程度直接影响桥梁结构的安全度和耐久性。
因此除了确何橡胶支座的设计选型合理,及加工质量符合核技术标准外、正确的施工与安装是橡胶支座应用成功与否的关键所在。
1、对于板式支座安装所需要的支承垫石的设置为了保证工程安装质量以及安装、调整和更换支座的方便,不管是采用现浇梁法还是预制梁法施工,不管是采用什么规格型式的支座,都必须在墩台顶设置支撑垫石。
2、支承垫石的平面尺寸大小应能承受上部结构荷载为宜,一般长度与宽度应比橡胶支座大10CM左右。
垫石的高度要大于6CM,使梁底与桥墩顶有足够的空间高度,以便安置千斤顶,更换支座。
3、支承垫石内应布置钢筋网,竖向钢筋与墩台内钢筋焊接在一起。
浇筑垫石用的水泥标号应高于300号,支撑垫石要求表面平整但不光滑。
1.3、各支承垫石顶面标高应符合设计要求。
特别是一片梁安装两个或四个支座时,各支承垫石平面要一致,以免发生偏压,初始剪切和受力不均匀而变形。
在这里大家可以参考:盆式橡胶支座安装说明关于普通板式橡胶支座的安装方法如下:4.1、现浇梁安装橡胶支座比较方便。
施工程序如下4.2、保持墩台垫石顶面清洁。
如果支承垫石标高差距过大,可以用水泥砂浆进行调整。
4.3、在支承垫石上按设计图标出中心,安装时橡胶支座的中心与支承垫石中心线要吻合,以确保支座就位准确。
4.4、当同一片梁需两个或四个支座时,为方便找平,可以在支承垫石和支座之间铺一层水泥砂浆,让支座在桥梁体的压力下自动找平。
4.5、在浇注梁体前,在支座上放置一块比支座平面稍大的支承钢板,钢板上焊接锚固钢筋与梁体连接,并把支承钢板视作浇梁模板的一部分进行浇注,按以上方法进行,可以使支座与梁底钢板及垫石顶面全部密贴。
板式橡胶支座的安装与施工(3)如果采用坡型橡胶支座(适用于坡度≥1%的桥),对于有纵向坡或综合坡的桥梁采用坡型板式橡胶支座,早年法国CIPEC公司就已提出,并得到了广泛的应用。
SG-006
技术交底
工程名称\ 建设单位\
监理单位\ 施工单位\
交底部位\交底日期
交底人签字接受人签
字
见后
交底内容:
1、支座垫石钻孔施工,首先在支座表面标出支座中心线的位置及顺桥向和横桥向的十字线,根据支座中心及十字线钻锚固螺栓孔,孔深L=150mm,直径φ=100mm,钻孔必须垂直不得倾斜,锚栓孔具体位置分布如下图所示:
2、组装好支座,并在支座上下连接钢板的表面标出中心线的位置及顺桥向和横桥向。
3、在预留孔中注入环氧砂浆,注入环氧砂浆后立即把支座安装到支座垫石上。
在安装时应注意,把支座缓慢放置就位,防止环氧砂浆飞溅。
支座四氟板面应朝上放置,与不锈钢板面紧密接触。
4、待环氧砂浆完全干燥后,按要求进行下一步工作。
环氧砂浆采用如下配合比(按重量比):
环氧树脂:100;
苯二甲酸二丁脂:12;
三乙烯四胺:14~15;
水泥或细砂:250~300;
参加单位
及人员。
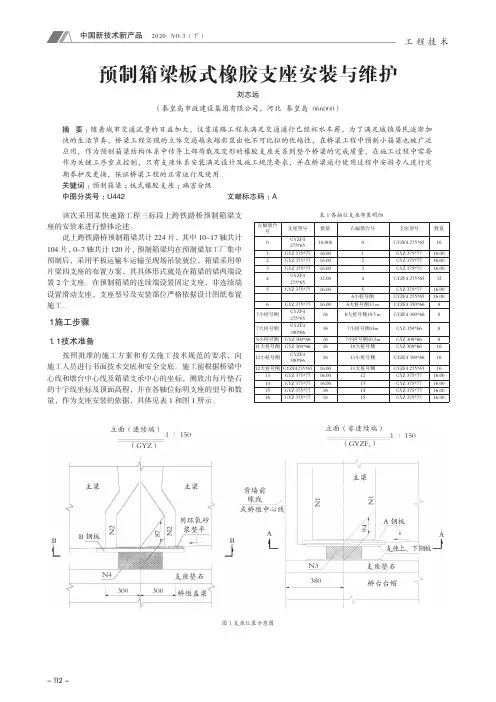
- 112 -工 程 技 术该次采用某快速路工程三标段上跨铁路桥预制箱梁支座的安装来进行整体论述。
此上跨铁路桥预制箱梁共计224片,其中10~17轴共计104片,0~7轴共计120片,预制箱梁均在预制梁加工厂集中预制后,采用平板运输车运输至现场吊装就位,箱梁采用单片梁四支座的布置方案,其具体形式就是在箱梁的梁两端设置2个支座。
在预制箱梁的连续端设置固定支座,非连续端设置滑动支座,支座型号及安装部位严格依据设计图纸布置施工。
1 施工步骤1.1 技术准备按照批准的施工方案和有关施工技术规范的要求,向施工人员进行书面技术交底和安全交底。
施工前根据桥梁中心线和墩台中心线及箱梁支承中心的坐标,测放出每片垫石的十字线坐标及顶面高程,并在各轴位标明支座的型号和数量,作为支座安装的依据,具体见表1和图1所示。
表1 各轴位支座布置明细左幅墩台号支座型号数量右幅墩台号支座型号数量0GYZF4 275*6516.000 0GYZF4 275*65161GYZ 375*7716.001GYZ 375*7716.002GYZ 375*7716.002GYZ 375*7716.003GYZ 375*7716.003GYZ 375*7716.004GYZF4 275*6532.004GYZF4 275*65325GYZ 375*7716.005GYZ 375*7716.00 6小桩号侧GYZF4 275*6516.006GYZ 375*7716.006大桩号侧13 m GYZF4 350*6687小桩号侧GYZF4 275*65166大桩号侧10.5 m GYZF4 300*6687大桩号侧GYZF4 300*66167小桩号侧13m GYZ 350*6688小桩号侧GYZ 300*66167小桩号侧10.5m GYZ 300*66811大桩号侧GYZ 300*661610大桩号侧GYZ 300*661612小桩号侧GYZF4 300*661611小桩号侧GYZF4 300*661612大桩号侧GYZF4275*6516.0011大桩号侧GYZF4 275*651613GYZ 375*7716.0012GYZ 375*7716.0014GYZ 375*7716.0013GYZ 375*7716.0015GYZ 375*771614GYZ 375*7716.0016GYZ 375*771615GYZ 375*7716.00预制箱梁板式橡胶支座安装与维护刘志远(秦皇岛市政建设集团有限公司,河北 秦皇岛 066000)摘 要:随着城市交通流量的日益加大,仅靠道路工程来满足交通通行已经杯水车薪,为了满足城镇居民逐渐加快的生活节奏,桥梁工程实现的立体交通越来越彰显出他不可比拟的优越性,在桥梁工程中预制小箱梁也被广泛应用,作为预制箱梁结构体系中传导上部荷载及变形的橡胶支座关系到整个桥梁的完成质量,在施工过程中需要作为关键工序重点控制,只有支座体系安装满足设计及施工规范要求,并在桥梁通行使用过程中安排专人进行定期养护及更换,保证桥梁工程的正常运行及使用。
板式橡胶支座的产品用途及板式支座安装方法:板式橡胶支座主要适用于公路桥梁、铁路桥梁、城市立交桥。
主要功能是将上部的反力可靠地传递给墩台,并同时能完成梁体结构由于制动力、温度、混凝土的收缩徐变及荷载作用等引起的水平位移及梁端的转动。
板式支座允许水平力为竖向的10%,允许转角不小于40“,摩擦系数0.04-0.06,活动支座水平位移量50mm-250mm,分5级。
荷载等级100KN-15000KN。
板式橡胶支座的性能特点:板式橡胶支座由多层橡胶片与薄钢板硫化、粘合而成,它有足够的竖向刚度,能将上部构造的反力可靠的传递给墩台,有良好的弹性,以适应梁端的转动;又有较大的剪切变形能力,以满上部构造的水平位移。
如果在板式橡胶支座表面粘复一层1.5mm-3mm的聚四氟乙烯圆形板式橡胶支座,制造成聚四氟乙烯滑板式橡胶支座。
它除了竖向钢度与弹性变形,能承受垂直荷载及适应梁端转动外,因聚四氟乙烯板的低磨擦系数,可使梁端在四氟板表面向内滑动,水平位移不受限制;特别适宜中、小荷载,大位移量的桥梁使用。
桥梁板式橡胶支座在安装时要注意哪此事项:板式橡胶支座不仅技术性能优良,还具有构造简单,价格低廉,无需养护,易于更换,缓冲隔震,建筑高度低等优点。
因而,在桥梁界颇受欢迎,被广泛应用。
对于支座的正确就位先使支座和支承垫石按设计要求准确就位。
架梁落梁时,T型梁的纵轴线要与支座中心线重合;板梁、箱梁的纵轴线与支座中心线相平行。
为落梁准确,在架第一跨板梁或箱梁时,可在梁底划好二个支座的十字位置中心,在梁的端立面上标出两个支座的位置中心线的铅直线,落梁时使之与墩台上的位置中心线相重合。
以后数跨可依照第一跨梁为基准进行。
在架梁落梁时要平稳,防止压偏或产生初始剪切变形,大家可以参考铁路桥梁板式橡胶支座规格表。
在安装T型桥梁时,若橡胶支座比梁筋底宽,则应在支座与梁筋底之间加设比支座大的钢筋混凝土垫块或厚钢板做过渡层,以免支座局部受压,而形成应力集中。
桥梁支座安装施工工法中交**工程局有限公司一、前言支座是桥梁的主要承力部件,其生产和安装质量的好坏直接影响到桥梁的安全使用和使用年限,一旦在桥梁上部构造施工完毕和营运阶段发现支座出现损坏或安装质量问题,其维修、更换或调整难度非常大,因此,在支座安装前要把好支座出厂后的质量关,进场的支座要经过专业部门检测,合格后方可使用,在安装过程中要严格按照技术要求进行操作,按照完毕后要及时进行检查,发现问题随时予以纠正,在桥梁营运阶段也要定期进行保养,方可确保桥梁的使用安全。
苏州工业园区北环快速路东延二期工程工程主要有板式橡胶制作和盆式制作,根据施工中的经验总结出一些主要做法。
二、特点板式橡胶支座不仅技术性能优良,还具有构造简单、价格低廉、无需养护、易于更换、缓冲隔震、建筑高度低等优点。
球形支座的特点是各向转动性能一致。
盆式橡胶支座的工作原理是利用半封闭钢制盆腔内的弹性橡胶块,在三向受力状态下具有流体的性质,来实现上部结构的转动;同时依靠上部结构钢板上的聚四氟乙烯板与上座班上的不锈钢板之间的底摩擦系数来实现上部结构的水平位移。
从试验的数据来看,橡胶处于三向约束状态时的抗压弹性模量为5×104kg/cm2,比无侧向约束的抗压弹性模量增大近20倍,因而支座承载能力大大提高,解决了普通橡胶支座承载能力的局限。
三、适用范围1、板式橡胶支座的适用范围:(1)普通橡胶支座的适用于跨度小于30m、位移量较小的桥梁。
不同的平面形状适用于不同的跨结构;正交桥梁用矩形支座;曲线桥、斜交桥及圆柱墩桥用圆形支座。
(2)四氟板式橡胶支座适用大跨度、多跨连续、简支梁连续板等结构的大位移量桥梁。
它还可用作连续梁顶推及T型梁横移中的滑板。
矩形、圆形四氟板式橡胶支座的应用分别与矩形、圆形普通板式橡胶支座相同。
2、球形支座的适用范围:适用于弯桥、斜桥、宽桥及大跨径桥,球形支座无承重橡胶块,特别适用于低温地区。
3、盆式橡胶支座的适用范围:盆式橡胶支座是能满足大的支承反力,大的水平位移,大的转角要求的新型产品。
板式橡胶支座的安装使用说明如果说板式橡胶支座的选型与设计合理、加工质量符合技术标准外,正确的施工安装是产品应用成功的又一关键。
我公司就对板式橡胶在施工安装中出现的问题进行剖析,并从预防的角度出发,谈一谈看法:1、板式橡胶支座安装处宜设置支承垫石,且应考虑便于支座的更换。
2、支承垫石应平整,清洁干爽、无浮沙。
支承垫石顶面标高要求准确无误。
在平坡情况下,同一片梁两端支承垫石及同一桥墩、台上支承垫石应处于同一设计标高平面内,其相对高差不应超过±1.5mm。
3、支承垫石内应布置钢筋网,钢筋网直径为8mm时,间距为50×50mm,桥梁墩台内应有竖向钢筋延伸至支承垫石内,支承垫石混凝土标号不小于C30。
支承垫石顶面要求平整,干净,同一支承垫石高度相差应小于0.5mm。
4、预制梁板式橡胶支座的安装方法:先将支座按设计位置正确安装在支垫石上,然后将梁体直接安放在支座上,避免偏压、脱空、不均匀支承等现象发生。
5、支座进场后,应检查支座上是否有标识、标记。
安装时,应按照设计图纸要求,在支承垫石和支座上均标出支座位置中心线,以保证支座准确就位。
6、现浇梁板式橡胶支座的安装方法:先将支座正确放在支承垫石上,支座侧间的空隙用软木板或黄沙等填没,并在支座上面水平放上浇入梁体的预埋钢板,然后浇注梁体混凝土,梁体拆除脚手架后,让梁体落在支座上,清除填塞物。
7、任何情况下不允许两个或两个以上支座放在同一支承点重叠或顺桥向并排安装,在同一根梁支承位置上,横向不得设置多于两个支座,也不允许把不同规格的支座并排安装,矩形支座长边应与顺桥方向梁底中心线相垂直,且施工时要确保每个支座均匀受力,不得有偏压、脱空、不均匀受力现象。
在有离心力作用的斜桥、弯桥上必须有防止横移措施,如在墩台两侧安放横向橡胶挡块,或在梁底上钢板与支座下钢板之间设置防止横向挡板等。
支座安装方向,一定要安设计图纸进行核实,否则就会造成上下结构产生过大的附加应力,移动方向与转动方向不一致的情况,特别是斜桥、弯桥。
板式橡胶支座施工方案(施工工艺范本一:板式橡胶支座施工方案1. 施工前准备1.1 材料准备1.1.1 主要材料:板式橡胶支座、钢板、螺栓、垫片等。
1.1.2 辅助材料:橡胶涂料、防腐涂料等。
1.2 设备准备1.2.1 起重设备:吊车、起重机等。
1.2.2 砼浇筑设备:混凝土搅拌机、泵车等。
1.2.3 整平设备:水平仪、激光仪等。
2. 施工工艺2.1 基础处理2.1.1 清理基础:清除基础表面杂物和污垢。
2.1.2 查修基础:检查基础是否存在裂缝、沉降等问题,并进行修补。
2.2 安装钢板2.2.1 钢板安装:将预制的钢板安装在基础上,保持水平和垂直。
2.2.2 钢板固定:使用螺栓和垫片将钢板固定在基础上。
2.2.3 检查钢板:检查钢板安装是否符合要求。
2.3 安装橡胶支座2.3.1 将预制的橡胶支座放置在钢板上。
2.3.2 调整支座高度:根据需要,调整橡胶支座的高度。
2.3.3 固定支座:使用螺栓和垫片将橡胶支座固定在钢板上。
2.4 浇筑混凝土2.4.1 预备浇筑:将混凝土预先配好。
2.4.2 浇筑混凝土:将混凝土倒入橡胶支座周围,确保充分填充。
2.4.3 整平混凝土:使用整平设备对混凝土进行整平处理。
3. 施工质量控制3.1 材料验收:对橡胶支座、钢板等材料进行验收。
3.2 施工过程检查:对施工过程进行定期检查,确保施工质量。
3.3 施工结束检查:对施工结束后的工程进行终验,确保工程质量。
附件:施工现场照片、橡胶支座产品说明书、钢板材料报告等。
法律名词及注释:1. 橡胶支座:指用于承受和传递荷载的橡胶制品。
2. 基础处理:指在安装结构物前对基础进行清理和修补的工作。
3. 整平设备:指用于调整地面或混凝土表面水平度的专用设备。
范本二:板式橡胶支座施工方案1. 施工前准备1.1 材料准备1.1.1 主要材料:板式橡胶支座、钢板、螺栓、垫片等。
1.1.2 辅助材料:橡胶涂料、防腐涂料等。
1.2 设备准备1.2.1 起重设备:吊车、起重机等。
关于板式橡胶支座的设计及安装说明橡胶支座是桥梁构造的一个重要组成局部,是连接桥梁上部构造和下部构造的重要构件。
橡胶支座在我国应用的近三十年间,经过研究与提高,在桥梁工程上得到了广泛应用,对提升桥梁的使用寿命和行车舒适性及平安性提供了可靠保证。
橡胶支座就其本身技术而言在我国已成熟。
但是,一个完善的技术具体到应用过程中,还应本着科学合理选型,严格制造工艺,正确安装使用三要素并举的原那么,才能充分表达其技术应具备的功能。
板式橡胶支座的主要功能是将桥梁上部构造的反力可靠地传递给墩台,并同时能适应梁体构造所需要的变形〔水平位移及转角〕。
根据这些要求,板式橡胶支座应在垂直方向具有足够的刚度,从而保证在最大竖向荷载作用下板式橡胶支座产生一定的变形;在水平方向那么应具有一定的柔性,以适应梁体由于受制动力、环境、温度、混凝土的收缩和X变及荷载作用等引起的水平位移;同时板式橡胶支座还应适应梁端的转动。
一、支座构造的设计随着我国公路桥梁建立的开展,橡胶支座产品的设计和生产也在逐步科学和标准化,目前公路桥梁板式橡胶支座的设计和生产采用中华人民XX国交通行业标准JT/T4-2004,本标准参照了ISO6446-1994?橡胶制品-桥梁支座-橡胶材料标准?、美国AASHTO?美国公路桥梁设计标准-LRFD?〔1994〕和欧洲标准CEN/TC167N185等国际、国外先进标准。
本标准与JT/T4-1993相比主要变化如下:1、取消了板式橡胶支座设计参数,提出按照新公布的?公路钢筋混凝土及预应力混凝土桥涵设计标准?〔JTG D62-2004〕进展设计。
2、调整了橡胶、聚四氟乙稀板材等的物理机械性能。
3、增加了支座安装和养护的有关内容。
4、取消了附录“支座规格系列〞。
5、增加了标准性附录?公路桥梁板式橡胶支座力学性能试验方法?。
新旧标准在产品构造设计上的差异主要是因支座形状系数的计算及范围不同而造成的,所以有局部产品的加强钢板层数和中间胶层的厚度与以前老标准不同。
板式橡胶支座施工技术板式橡胶支座施工技术一、引言板式橡胶支座是一种常用于建筑和桥梁工程的支座材料,其具有良好的抗震和抗振性能。
本文将详细介绍板式橡胶支座的施工技术,包括材料准备、施工工艺步骤和注意事项等内容。
二、材料准备1. 橡胶材料:选择质量好、性能稳定的橡胶材料,根据设计要求选择适当的橡胶硬度和厚度。
2. 铺垫材料:通常选用聚乙烯薄膜或防粘涂层材料作为铺垫材料,其作用是减小摩擦力,方便支座的位移。
3. 钢板:根据设计要求选择合适的钢板规格和厚度,用于支座和结构之间的传力。
4. 锚固材料:用于锚固支座的锚固段,通常选用锚筋和锚板等材料。
5. 环氧树脂:用于固定支座和结构之间的钢板,提高刚度和稳定性。
三、施工工艺步骤1. 模板制作:根据设计要求制作支座安装的模板,保证支座的准确位置和尺寸。
2. 支座安装:先将预制的钢板放置在模板上,然后在钢板上码放橡胶块,注意要按设计要求进行排列。
3. 锚固安装:根据设计要求,在支座的一侧或两侧设置锚筋孔,然后将锚固材料固定在支座上,确保支座的稳定性。
4. 固定钢板:用环氧树脂将钢板与支座固定,确保钢板与支座之间的传力。
5. 清理和检查:清理施工现场,确保支座安装的质量,检查支座的是否垂直和水平等。
四、注意事项1. 施工前要对材料进行严格的质量检查,确保其符合设计要求和施工规范。
2. 施工过程中要采取必要的防护措施,以防止橡胶材料和钢板受到损坏。
3. 施工过程中要注意支座的定位和安装顺序,确保支座的准确定位和平稳安装。
附件:本文档所涉及的附件如下:1. 材料检验报告2. 支座安装图纸3. 施工现场照片法律名词及注释:1. 附件:指文档中的附加材料或图表等,用于支持文档的内容。
2. 施工规范:指建筑行业中约定的施工标准和规范,用于指导施工过程中的操作和质量控制。
安装前的准备工作。
首先,对支座进行检查和验收,确保所有橡胶支座都配有产品合格证书;然后,检查垫石混凝土的强度是否符合设计要求,以及支座垫石顶面的标高是否准确且一致;如果梁体为一端安置两个支座的情况,需严格控制两个支承垫石顶面标高的水平误差,相对误差不得超过3mm;对于不符合设计要求的标高和平整度,可使用干硬性水泥砂浆抹平。
支座安装。
在墩台垫石顶面去除浮砂,确保表面清洁、平整、无油污;在支承垫石上按设计图纸标出支座位置中心线,同时在橡胶支座上也标出十字交叉中心线;将橡胶支座安放在垫石上,使支座中心线与墩台上的设计中心线重合,确保支座准确就位;对于预制梁,还需保证梁底与垫石顶面平行、平整,以便与橡胶支座全面密贴。
安装调整。
在安装T型梁支座时,若支座比梁肋底宽,需在支座与梁之间加设钢筋混凝土垫块或厚钢板作过渡,以免局部超载;安装后,橡胶支座顶面应保持水平;如果发现个别支座脱空或不均匀受力,可使用千斤顶顶起梁端,在支座上下表面涂抹环氧树脂砂浆,再次落梁,使一片梁两端的支座处于同一平面内。
注意事项。
矩形支座短边应与顺桥方向平行安置,圆形支座则无需考虑方向性,只需将支座圆心与设计位置中心重合;如果梁体有纵向坡度,按坡度调整支座位置;对于四氟滑板支座,还需注意储油凹坑内应充满硅脂润滑剂,以及与不锈钢板面的接触要求。
板式橡胶支座安装方案简介板式橡胶支座是一种新型支座,也是现今建筑中常用的一种支座。
它是由上、下两个钢板之间夹一个(或多个) 大型橡胶垫组成,具有减震、减振、降噪的功能。
在建筑和桥梁工程中,板式橡胶支座通常用于桥墩或桥面与梁体之间的连接,所以安装质量的好坏直接关系到整个工程的安全性和实用性。
安装前准备工作在安装板式橡胶支座之前,需要检查现场平面度和高程的误差,模板是否符合设计要求,是否存在毛刺、蜂窝等缺陷,否则会影响板式橡胶支座的安装效果。
此外,还需要检查板式橡胶支座本身,观察有无断裂、裂纹、气泡、硬块等异常情况,并确认橡胶垫的品种和性能是否符合设计要求。
安装步骤步骤一:清洁基础面和支座底面首先要清除基础面和支座底面的油污、灰尘、杂物等。
并用钢丝刷除去表面氧化物,以确保基础面能够与支座底面紧密粘合。
步骤二:检查支座定位将支座放到预先准备好的基础上,确保其位置、方向和高程的准确。
步骤三:安装支座把橡胶垫放在板式橡胶支座底面上,再用搭铁或紧固件将上、下钢板压紧,使橡胶垫充分填充在钢板之间。
若钢板间有异物嵌入,应将异物挑出,才能继续安装工作。
步骤四:调整支座水平用水平仪检查支座的水平度,如不在规定范围内可在支座底面加垫片调整,使其达到标准的平整度。
步骤五:检查支座间隙检查支座与基础或钢筋之间的间隙,如不符合设计要求,则需加垫或减少底衬板的数量。
注意事项在板式橡胶支座的安装过程中,需要注意以下几点:1.基础的整平度,决定了板式橡胶支座的稳定性,要保持基础面干净平整,不能有影响支座安装的障碍物。
2.同一桥墩或桥肋上不应发生支座高差,不同桥墩或桥肋处的支座高度及支座高差应符合设计要求。
3.在支座安装过程中,应密切沟通协调,统一认识,遵循标准安装程序,确保整个过程的质量检验,以达到质量优良、环保安全的效果。
本文主要介绍了板式橡胶支座的安装方案、安装前的准备工作、安装步骤以及注意事项等。
要保障工程安全和质量,正确安装板式橡胶支座至关重要。
广河县买家巷镇曹家坡村邓家沟桥桥梁板式橡胶支座的安装与施工方案现浇梁安装橡胶支座较方便。
施工顺序如下:⑴、先将墩台垫石顶面去除浮沙,表面应清洁、平整无油污。
若墩台垫石的标高差距过大,可用水泥砂浆调整。
⑵、在支承垫石上按设计图标出支座位置中心线,同时在橡胶支座上也标上十字交叉中心线。
将橡胶支座安放在支座垫石上,使支座的中心线同墩台上设计位置中心相重合,支座就位准确。
⑶、同一片梁的两个或四个支座应处于同一平面上,为方便找平,可于浇注前在橡胶支座与垫石间铺涂一层水泥砂浆,让支座在重力下自动找平。
⑷在浇注砼梁体前,在橡胶支座上需加设一块比支座平面稍大的支承钢板,钢板上焊锚固钢筋与梁体相连接。
将此支承钢板视作现浇梁模板的一部分进行浇注。
为防止漏浆,可在支承钢板之间四周空隙处,用纱回丝,油灰或软木板填设。
以后在拆除模板时,再将填充物除去,按以上施工可使支座上下面同梁底钢板、垫石顶面全部密贴。
预制梁橡胶支座的安装。
安装好预制梁橡胶支座的关键,在于尽可能地保证梁底与垫石顶面的平行、平整使其同橡胶支座上下面全部密贴,避免偏压、脱空、不均匀支承的发生。
施工顺序如下:⑴、先按现浇梁⑴处理好支承垫石。
⑵、预制梁同支座接触的底平面应保证水平与平整。
若有蜂窝或倾斜度应预先用水泥砂浆捣实、整平。
⑶橡胶支座的正确就位。
先按现浇梁⑵将橡胶支座在墩台垫石上按设计中心位置就位。
T型梁的纵轴线应同支座中心线相重合;板梁与箱梁的纵轴线应与支座中心线相平行。
为落梁准确,在架第一跨板梁或箱梁时,可在梁底划好两个支座的十字位置中心线,在梁端立面上标出两个支座位置中心线的沿直线;落梁时同墩台上的位置中心线相吻合。
以后数跨可依第一跨梁为基准落梁。
⑷、梁落梁时应平稳,防止支座偏心受压或产生初始剪切变形。
⑸、在安放T梁支座时,若支座比梁肋宽,则在支座与梁底之间加设比支座略大的钢筋混凝土垫块或厚钢板作过渡,以免橡胶支座局部超载、应力集中。
该钢筋混凝土垫块或钢板应同梁底用环氧树脂砂浆粘结。
目录一、适用范围 (2)二、施工准备 (2)2.1技术准备 (2)2.2材料要求 (2)2.3机具设备 (3)2.4作业条件 (3)三、施工工艺 (3)3.1工艺流程 (3)1、板式橡胶支座安装 (3)2、盆式橡胶支座安装 (3)3.2 操作工艺 (4)1、板式橡胶支座安装 (4)2、盆式橡胶支座安装 (5)3、季节性施工 (6)四、质量标准 (6)4.1基本要求 (6)4.2实测项目 (6)4.3外观鉴定 (7)五、成品保护 (7)六、应注意的质量问题 (7)七、环境、职业健康安全管理措施 (7)桥梁支座安装施工方案一、适用范围本标段支座型号多样,施工相对难度较大。
支座类型包括板式橡胶支座、盆式橡胶支座。
其中板式支座用于T梁支座中,盆式支座用于箱梁支座中。
板式支座中又包括矩形支座(代号GJZ)、圆形支座(代号GYZ)、聚四氟乙烯滑板式支座(代号GJZF4)、圆形四氟滑板橡胶支座(代号GYZF4)。
本方案适用于本标段桥梁工程中板式橡胶支座、盆式橡胶支座的安装。
二、施工准备2.1技术准备1、认真审核支座安装图纸,编制施工方案,经审批后,向有关人员进行交底。
2、进行补偿收缩砂浆及混凝土各种原材料的取样试验工作,设计砂浆及混凝土混合比。
3、进行环氧砂浆配合比设计。
4、支座进场后取样送有资质的检测单位进行检验。
2.2材料要求1、支座:进场应有装箱清单、产品合格证及支座安装养护细则,规格、质量和有关技术性能指标符合现行公路桥梁支座标准的规定,并满足设计要求。
2、配制环氧砂浆材料:二丁酯、乙二胺、环氧树脂、二甲苯、细砂,除细砂外其他材料应有合格证及使用说明书,细砂品种、质量应符合有关标准规定。
3、配制混凝土及补偿收缩砂浆材料。
⑴水泥:宜采用硅酸盐水泥和普通硅酸盐水泥。
进场应有产品合格证或出厂检验报告,进场后应对强度、安定性及其他必要的性能指标进行取样复试,其质量必须符合国家现行标准《硅酸盐水泥、普通硅酸盐水泥》(GB175)等的规定。
桥梁板式橡胶支座及安装技术要求桥梁支座是在桥跨结构与桥墩或桥台的支承处设置的传力装置。
支座不仅要承受和传递很大的荷载,并且还应保证桥跨结构可以产生一定的变位,支座要有比较合理的传力方式,使支座传力通顺,不致发生过度的应力集中。
支座的作用主要有:传递桥跨结构的支承反力,包括恒载和活载引起的竖向反力和水平推力。
保证桥跨结构在活载、温度变化、混凝土收缩和徐变等因素作用下的自由变形。
一、板式橡胶支座及安装技术要求板式橡胶支座在安装时,要求梁体底面和墩台上的支承垫后顶面具有较高的平整度。
一般要求支承垫石顶面相对水平误差不大于1mm,相邻两墩台上支承垫石顶面相对水平误差不大于3mm。
板式橡胶支座安装正确与否对支座的受力状况和使用寿命有直接的影响,如果支座安放不平整,造成支座局部承压,则支座在活载作用下会产生转动、滑移,甚至脱落。
此外,板式橡胶支座安装时要保持位置准确,橡胶支座的中心要对准梁体轴线,防止偏心过大而损坏支座。
为防止支座产生过大的剪切变形,支座安装最好选择在气温相当于全年平均气温的季节里进行,以保证像胶支座在低温或高温时偏离支座中心位置不会过大。
1、安装板式橡胶支座时应注意事项预制梁支座安装的关键:应尽可能地保证梁底与垫石顶面平行、平整,使其与橡胶支座上下面全部密贴,避免偏心受压、脱空、不均匀受力的现象发生。
⑴橡胶支座在安装前,应全面检查产品合格证书中有关技术性能指标。
⑵支座在安装前应对橡胶支座各项技术性能指标进行复检(本桥橡胶支座已经浙江大学测试中心检验合格)。
⑶支座安装前应将墩、台支座支垫处和梁底面清理干净。
⑷安装前应计算并检查支座的中心位置。
⑸当墩、台两端标高不同,顺桥向有纵坡时,支座标高应按设计规定执行。
⑹梁板安放时,必须仔细,使梁板就位准确与支座密贴,就位不准时,必须吊起重放,不得用撬棍移动梁板。
2、连续端板式橡胶支座安装技术要求⑴先将支座支承垫石顶平面冲洗干净、风干。
⑵复测支座垫石平面标高,使梁端两个支座处在同一平面内。
板式橡胶支座的安装使用说明
如果说板式橡胶支座的选型与设计合理、加工质量符合技术标准外,正确的施工安装是产品应用成功的又一关键。
我公司就对板式橡胶在施工安装中出现的问题进行剖析,并从预防的角度出发,谈一谈看法:
1、板式橡胶支座安装处宜设置支承垫石,且应考虑便于支座的更换。
2、支承垫石应平整,清洁干爽、无浮沙。
支承垫石顶面标高要求准确无误。
在平坡情况下,同一片梁两端支承垫石及同一桥墩、台上支承垫石应处于同一设计标高平面内,其相对高差不应超过±1.5mm。
3、支承垫石内应布置钢筋网,钢筋网直径为8mm时,间距为50×50mm,桥梁墩台内应有竖向钢筋延伸至支承垫石内,支承垫石混凝土标号不小于C30。
支承垫石顶面要求平整,干净,同一支承垫石高度相差应小于0.5mm。
4、预制梁板式橡胶支座的安装方法:先将支座按设计位置正确安装在支垫石上,然后将梁体直接安放在支座上,避免偏压、脱空、不均匀支承等现象发生。
5、支座进场后,应检查支座上是否有标识、标记。
安装时,应按照设计图纸要求,在支承垫石和支座上均标出支座位置中心线,以保证支座准确就位。
6、现浇梁板式橡胶支座的安装方法:先将支座正确放在支承垫石上,支座侧间的空隙用软木板或黄沙等填没,并在支座上面水平放上浇入梁体的预埋钢板,然后浇注梁体混凝土,梁体拆除脚手架后,让梁体落在支座上,清除填塞物。
7、任何情况下不允许两个或两个以上支座放在同一支承点重叠或顺桥向并排安装,在同一根梁支承位置上,横向不得设置多于两个支座,也不允许把不同规格的支座并排安装,矩形支座长边应与顺桥方向梁底中心线相垂直,且施工时要确保每个支座均匀受力,不得有偏压、脱空、不均匀受力现象。
在有离心力作用的斜桥、弯桥上必须有防止横移措施,如在墩台两侧安放横向橡胶挡块,或在梁底上钢板与支座下钢板之间设置防止横向挡板等。
支座安装方向,一定要安设计图纸进行核实,否则就会造成上下结构产生过大的附加应力,移动方向与转动方向不一致的情况,特别是斜桥、弯桥。
8、安装时应考虑支座更换方便,使旧支座的撤换和新支座的安装方便简单。
9、支座应水平安装,最大纵坡应小于1%,当纵坡超过规定必须倾斜安装时,且必须采取措施将梁底调平,如安装调平铁等或其它方法,保证支座始终处于水平工作状态。
10、橡胶支座应按设计的支承中心线正确就位,最好是在全年平均气温时安装。
如必须在高温或低温条件下安装时,应计算预应变位的影响,必要时给支座施加预变位移量,在排除温度等其它因素的影响,在正常情况下,支座安装不应有过大的初始切变形。
11、四氟滑板支座还应注意:在选择支座时承载力应尽可能与桥梁实际支点反力相吻合,而不应采用比桥梁支点实际反力大得多的支座,因四氟板与不锈钢板之间的磨擦系数随着压应力减小而增大,若磨擦系数增大,对桥梁结构受力极端不利。
四氟支座不允许倾斜安装。
有纵坡时滑移面必须调平。
梁底预埋钢板尺寸应比垫在支座上钢板的尺寸略大。
施工时要确保梁底预埋钢板和支座上钢板及墩台上安装的支座下钢板的锚固螺栓位置准确无误。
支座上钢板也可与梁底预埋钢板采取焊接联接,支座下钢板与墩台间用环氧树脂、氩弧焊机焊接或用螺栓固定在梁底上,支座四氟滑动面与不锈钢板之间必须加注5201硅脂油(严禁使用普通润滑油),必须保证支座位置准确无误,应安装防尘装置。
12、四氟球冠圆形橡胶支座安装时,除要注意上述要求外,还要注意先将不锈钢板安放在墩顶上,并保证水平,然后安放在四氟球冠支座,当安装温度与设计温度不相符时,按设计要求调整支座中心位置。
13、支座安装完后,应全面检查是否有支座漏放、错放、支座安装方向、支座规格型号是否有错,临时固定装置是否拆除,支座有无脱空现象(压偏受力不均),四氟支座是否注入硅脂油,有无防尘装置等不良现象,一经发现应及时调整和处理,确保支座安装后正常工作。
总结起来,支座安装使用基本原则;1)支座规格型号符合设计要求;2)安装位置正确;3)严禁有偏压、脱空、不均匀受力现象,保证支座始终处于水平工作状态;4)四氟支座必须使用不锈钢板并加注硅脂油(严禁使用普通润滑油)。
违反上述原则,将大大缩短支座使用寿命和直接影响桥梁整体性能要求。