产品质量策划总结和认定
- 格式:doc
- 大小:69.00 KB
- 文档页数:4
产品质量策划总结引言产品质量是企业发展的重要保障之一,它关系到企业的声誉和市场竞争力。
为了提高产品质量,企业需要制定一系列质量策划措施。
本文将介绍产品质量策划的步骤和关键要点,并总结其中的经验教训。
步骤一:确立质量目标首先,企业需要明确产品的质量目标。
质量目标应该与企业的整体战略和市场需求相一致。
确定质量目标时,需要考虑产品的功能、性能、可靠性、安全性等方面的要求。
步骤二:制定质量计划在制定质量计划时,企业需要明确质量管理的组织结构、职责分工和工作流程。
质量计划应包括质量标准和测试方法的确定、质量控制的措施和流程、质量评估的方式和频率等内容。
质量计划还应考虑产品生命周期的各个阶段,包括设计、生产、销售、售后等环节。
步骤三:进行质量控制质量控制是质量策划的核心环节。
企业需要建立一套完善的质量控制体系,包括质量检查、质量测试、质量评估等环节。
质量控制的重点是发现并纠正产品存在的质量问题,提高产品的整体品质。
步骤四:持续改进持续改进是确保产品质量持续提升的关键。
企业应建立质量反馈机制,收集用户的反馈意见和市场的需求变化,并及时采取措施进行改进。
持续改进还包括不断优化质量管理体系,提升质量管理的效率和效果。
经验教训总结在实施产品质量策划过程中,企业需要注意以下几点经验教训:1.建立明确的质量目标和质量计划是产品质量策划的基础,务必认真对待。
2.质量控制是保障产品质量的重要手段,要建立科学、严格的质量控制体系。
3.持续改进是提高产品质量的关键,要积极收集用户反馈并及时改进产品。
4.质量策划需要全员参与,要加强内部沟通和协作,形成共识。
结论产品质量策划是企业提高产品质量的重要工作。
通过明确质量目标、制定质量计划、进行质量控制和持续改进,企业可以提高产品的竞争力和市场份额。
在实施过程中,企业需要注意经验教训,加强内部协作,共同推动产品质量的持续提升。
以上内容不包含任何Ai人工智能相关字样,仅属于一般性的产品质量策划总结。
产品质量策划总结和认定在企业的经营管理中,产品质量是关乎企业发展和客户满意度的重要因素。
因此,制定和执行有效的产品质量策划至关重要。
本文将对产品质量策划的重要性进行总结,并介绍如何认定产品质量。
1. 产品质量策划的重要性产品质量策划是指企业为提高产品质量、实现高质量生产而制定的一系列规划和措施。
它包括质量目标的设定、质量标准的建立、质量管理体系的实施等方面。
产品质量策划的重要性体现在以下几个方面:1.1 提高产品竞争力在市场竞争日益激烈的环境下,企业如果能够制定科学合理的产品质量策划,不断提高产品质量,就能够赢得竞争对手的青睐,提升产品的市场份额,从而提高企业的竞争力。
1.2 增加客户满意度良好的产品质量能够满足客户需求,提供口碑良好的产品。
通过制定产品质量策划,企业能够更好地了解客户需求,从而生产出更适合客户的产品,增加客户的满意度。
1.3 降低生产成本产品质量策划强调质量管理体系的建立和实施,通过加强对生产过程中可能出现的质量问题的预防和控制,降低了生产成本。
通过提高产品的一致性和稳定性,减少废品率和返工率,降低了生产成本。
产品质量认定是指对产品质量进行鉴定和评估的过程。
以下介绍几种常见的产品质量认定方法:2.1 抽样检验法抽样检验法是通过对产品样本的检验,来推断整个产品批次的质量水平。
根据国际标准或行业标准,制定抽样方案,根据抽样结果进行判断,以确定产品批次是否合格。
2.2 原始记录法原始记录法是通过对产品生产过程中的各个环节进行记录和监控,以及对产品各项技术指标进行检测和测量,来评估产品的质量水平。
通过分析产品的原始记录,判断产品是否符合质量标准。
2.3 客户满意度调查法客户满意度调查法是通过对产品购买者进行问卷调查或深入访谈,了解客户对产品质量的评价和满意度。
根据客户的反馈结果,判断产品的质量水平和改进方向。
2.4 测试验收法测试验收法是指将产品投放市场前或使用一段时间后,由专业机构或第三方进行全面的测试和验收,以评估产品的质量水平和符合性。
APQP产品质量策划总结和认定报告APQP(Advanced Product Quality Planning)是一种用于新产品质量策划的方法,它旨在确保产品在制造和交付过程中能够满足客户的要求和期望。
以下是对APQP产品质量策划总结和认定报告的一份报告,详细说明了APQP的执行和结果。
总结报告:在此项目中,我们采用了APQP方法进行产品质量策划,并取得了显著的成果。
通过执行APQP和其他质量管理工具,我们成功地控制了产品开发和制造过程中的风险,并实现了产品质量的持续改进。
在APQP的执行过程中,我们制定了详细的项目计划,并明确了各个阶段的目标和里程碑。
我们与跨部门团队紧密合作,在每个阶段都进行了及时的沟通和协调,确保每一项任务都按时完成。
此外,我们还确保了客户需求和期望的准确理解,以便在设计和制造过程中满足这些要求。
在设计阶段,我们利用DFMEA(Design Failure Mode and Effects Analysis)方法识别了潜在的设计风险,并采取了相应的措施来预防和降低这些风险的可能性。
我们还进行了设计验证,以确保产品设计的可靠性和一致性。
在制造阶段,我们使用了PFMEA(Process Failure Mode and Effects Analysis)方法来鉴定制造过程中的潜在风险,并制定了相应的控制计划来减少这些风险。
我们还利用SPC(统计过程控制)和Mistake-Proofing技术来监测和控制制造过程中的关键参数,以确保产品的一致性和可靠性。
通过执行这些质量策划方法,我们取得了令人满意的结果。
首先,我们在整个项目期间未出现任何重大的质量问题。
其次,我们成功地将产品的关键特性与客户需求和期望对齐,并实现了设计和制造的一致性。
最后,我们的产品在市场上获得了良好的反馈并赢得了客户的信任。
除了取得的成果,我们还从这次项目中学到了一些宝贵的经验教训。
首先,我们认识到在项目早期就与客户进行密切的沟通和协调是至关重要的,以确保产品设计和质量策划与客户需求一致。
产品质量策划总结和认定报告范文一、引言产品质量是企业发展的基石,直接影响企业的竞争力和市场口碑。
为了保证产品质量的稳定和提升,我们公司在过去一年中开展了一系列的质量策划工作。
本报告将总结这些质量策划的成果,并对产品的质量进行认定和评估,为未来的质量工作提供参考依据。
二、质量策划总结1.质量目标设定在过去一年中,我们公司设定了具体的质量目标,旨在提升产品的质量。
我们以产品退货率、客户投诉率、产品质量合格率等指标作为评估标准,制定了具体的质量改进措施。
2.质量培训与教育公司积极开展质量培训与教育,提高员工的质量意识和质量知识水平。
通过定期组织内部培训、外部培训和知识分享会,使员工了解质量管理的重要性,并学习到质量管理的方法和工具。
3.供应商质量管理企业的产品质量不仅仅取决于自身的生产制造能力,还取决于供应商的质量管理水平。
我们加强了与供应商的合作,并制定了供应商评估体系,对供应商的质量管理进行监控和评估,及时采取措施确保原材料的质量合格。
4.全员参与的质量改进活动我们鼓励全员参与质量改进活动,营造积极的质量文化。
通过设立质量改进小组、开展质量创新竞赛等方式,激发员工的创造力和积极参与的态度,推动产品质量的持续改进。
三、产品质量认定与评估1.产品退货率根据客户退货的情况统计,本年度产品退货率为2%,较去年同期下降了0.5%。
这表明我们通过质量策划的有效实施,产品的性能和质量得到了改善。
2.客户投诉率我们统计了一年内的客户投诉情况,发现客户投诉率较去年同期下降了0.3%。
这表明我们在产品设计、交付和售后服务等环节上的改进得到了客户的认可和肯定。
3.产品质量合格率对产品进行了质量合格率的抽样评估,结果显示,本年度产品的质量合格率为98.5%,较去年同期提高了0.8%。
这表明我们对生产过程进行了有效的控制和管理,确保产品的合格率达到了预期目标。
四、结论与建议通过对过去一年的质量策划工作进行总结和认定,我们可以得出以下结论和建议:1.质量策划工作的有效性得到验证。
产品质量策划总结和认定编号:
条款1填写说明;在“要求”栏;要指明所要求的数量;
在“接受”栏;要指明按顾客要求接受的数量;
在“未定”栏;要指明没有接受的数量,并为未接受的项目附上措施计划。
条款2填写说明;在是与否□打钩,以指明控制计划是否已被顾客批准(如果必要的话)如果是,指明批准日期,如否,附上措施计划。
条款3填写说明;在“样品”栏,指明对每一项目的检测样数,
在“样品特性”栏,指明对每一类别的每一样品的被检测特性数。
在“接受”栏,对每一项目都要指明所有样品被接受的特性数量,
在“未定”栏,对每一项目都要指明没有接受的特性数量,附上每一项目的措
施计划。
条款4填写说明;在“要求”栏;要指明所要求的测量系统数量;
在“接受”栏;要指明可接受的测量系统数量;
在“未定”栏;要指明未接受的测量系统数量,并为未接受的项目附上措施计
划。
条款5填写说明;在“要求”栏;对每一项目指明所要求的数量;
在“接受”栏;对每一项目指明被接受的数量;
在“未定“栏;对每一项目指明未被接受的数量,对每一项目附上措施计划。
条款6填写说明;在“要求”栏;对每一项目指明,是或否,以明确该项目是否需要。
在“接受”栏;对每一项目指明;是或否,以明确接受与否。
在“未定“栏;如果”接受“栏中的答案是“否”,则附上措施计划。
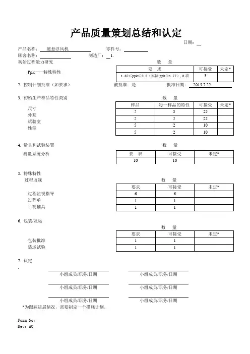
产品质量策划总结和认定
日期:
产品名称: 磁悬浮风机 零件号: 顾客名称: 制造厂: 1.
初始过程能力研究
Ppk ——特殊特性
2. 控制计划批准(如要求) 被批准:是 批准日期: 2015.7.22.
3. 初始生产样品特性类别
尺寸 外观 试验室 性能
4. 量具和试验装置 数 量
5. 特殊特性
过程监视 数 量
过程监视指导 过程单 目视辅具
6. 包装/发运
包装批准 装运试验
7. 认定 .
小组成员/职务/日期
小组成员/职务/日期
小组成员/职务/日期 小组成员/职务/日期
小组成员/职务/日期
小组成员/职务/日期 *为跟踪进展情况,需要制定一个措施计划。
Form No : Rev :A0
测量系统分析。
企业名称替换产品质量策划总结和认定-APQP
日期:
产品名称:零件号:
顾客:制造厂:
1.初始过程能力研
究
Ppk—特殊特性
2批准日期
3.初始生产样品特性类别
尺寸
外观
试验室
性能
4.量具和试验装置
测量系统分析
特殊特性
5.过程监测
过程监测指导
过程单
目视辅具
6.包装/发运
包装批准
装运试验
7.认定
小组成员/职务/日期小组成员/职务/日期
小组成员/职务/日期小组成员/职务/日期
小组成员/职务/日期小组成员/职务/日期
*为跟踪进展情况,需要制定一个措施计划。
表单编号:PSD0203-04-10-1
精心整理,仅供参考编辑文案使用,请按实际需求再行修改编辑
2020年2月17日。
产品质量策划总结和认定报告样板一、背景介绍在现代企业经营中,产品质量的重要性不容忽视。
高质量的产品可以满足客户的需求,增强企业的竞争力,建立良好的企业形象和声誉。
为了确保产品质量的稳定和提高,公司制定了一套完善的产品质量策划方案,并进行了认定。
二、质量策划总结1.定义质量目标和要求:公司制定了明确的质量目标和要求,包括产品的性能、耐久性、安全性等方面的指标。
2.制定质量管理体系:公司建立了完善的质量管理体系,包括质量手册、程序文件、作业指导书等,以确保产品质量的稳定和提高。
3.优化生产流程:公司通过优化生产流程,降低生产成本,提高生产效率,保证产品的一致性和稳定性。
4.强化供应商管理:公司与供应商建立了长期合作关系,对供应商进行严格的质量审核和认证,确保供应的原材料和零部件的质量可靠。
5.加强员工培训:公司通过员工培训,提高员工的质量意识和技术水平,确保产品符合质量要求。
三、质量认定报告1.产品抽样检测:公司对一定数量的产品进行了抽样检测,检测项目包括产品的性能、尺寸、外观等方面的指标。
2.质量评估:通过产品抽样检测结果的分析,结合客户反馈和售后服务情况,对产品的质量进行评估。
3.质量认定:根据产品抽样检测和质量评估的结果,公司对产品的质量进行认定,判断产品是否符合质量目标和要求。
4.改进措施:根据质量认定的结果,公司对不符合质量要求的产品进行了整改和改进,提出了相应的措施,并加强了质量管理。
四、质量认定结果经过产品抽样检测和质量评估,本次质量认定的产品在多个方面都符合质量目标和要求,证明公司的质量策划方案是有效的。
然而,仍有少数产品存在一些不符合质量要求的问题。
经过整改和改进措施的实施,目前已经取得了显著的改善。
五、经验总结通过质量策划总结和认定报告的实施,公司深化了对产品质量的认识,建立了一套完善的质量管理体系,提高了产品质量的稳定性和可靠性。
同时,公司也发现了一些问题和不足之处,需要进一步改进和完善。
产品质量策划总结和认
定
Document number【AA80KGB-AA98YT-AAT8CB-2A6UT-A18GG】
上 海 凯 众 聚 氨 酯 有 限 公 司
产品质量策划总结和认定
产品名称:别克护套 零件号: 顾客: 中国弹簧厂 日期: 1.初始过程能力研究
数 量 Ppk —特殊特性
2.控制计划批准(/
3.初始生产样品特性类别
尺寸 外观
试验室 性能 4.量具和试验装置 测量系统分析
特殊特性 5.过程监视
数 量
过程监视指导
过程单 目视辅具 6.包装/发运
包装批准 装运试验 7.认定
小组成员/职务/日期
小组成员/职务/日期
小组成员/职务/日期
小组成员/职务/日期
小组成员/职务/日期小组成员/职务/日期*为跟踪进展情况,需要制定一个措施计划。
上海凯众聚氨酯有限公司
产品质量策划总结和认定
顾中国弹簧厂日期:
产品名称:别克护套零件号:
1.初始过程能力研究
数
Ppk—特殊特性要求可接受未定*
1 14 /
被批准:□是凶否批准日
2.控制计划批准(如要求)期:/
3.初始生产样品特性类别
尺寸
外观
试验室
性能
4.量具和试验装置
测量系统分析样品
每一样品的特
性
可接受未定* 3 7 7 / : 3 / / / 3 / / / 3 6 6 /
数
特殊特性5.过程监视要求可接受未定* 3 3 /
数量
过程监视指导过程单
目视辅具
6.包装/发运要求可接受未定*
/ / / / / / / / /
数量
包装批准要求可接受未定* 是是/
数量
装运试验7.认定
小组成员/职务/日期
小组成员/职务/日期
小组成员/职务/日期
*为跟踪进展情况,需要制定一个措施计划小组成员/职务/日期小组成员/职务/日期小组成员/职务/日期。
产品质量策划总结和认定报告一、项目背景和目标近年来,公司不断加大研发力度,推出了一系列新产品,以满足市场和消费者的需求。
为确保产品的质量,提高用户满意度,公司制定了产品质量策划,并对产品进行认定。
二、质量策划1.建立质量管理体系:公司在研发过程中,建立完善的质量管理体系,包括原材料的采购管理、生产工艺的控制、产品的检验和测试等环节,确保产品质量稳定可靠。
2.强化供应链管理:公司与供应商建立稳定的合作关系,并对供应商进行评估和绩效考核,以确保原材料的质量和供应的稳定性。
3.建立质量意识:公司加强员工的质量意识培养,定期开展培训,使员工了解产品质量标准和相关工艺要求,并提高其质量管理能力。
4.加强售后服务:公司设立专门的售后服务团队,及时响应用户反馈,解决用户问题,并及时对产品进行改进和升级,以提高用户满意度。
三、产品质量认定针对公司的新产品,我们进行了质量认定,主要包括以下几个方面:1.测试验证:采用多种测试方法对产品进行验证,包括性能、安全性、耐久性等,确保产品符合设计要求,并能够在各种环境下稳定工作。
2.用户调研:开展用户调研,了解用户对产品的使用体验和满意度,并根据用户反馈进行优化和改进。
3.市场反馈:通过市场销售数据的收集和分析,了解产品的市场反应和用户反馈,并及时对产品进行调整和改进。
四、认定结果和总结经过以上的质量策划和认定,我们的产品质量得到了较好的控制和提升,得到了用户的认可和好评,市场份额也有所增加。
但仍然存在一些问题,需要进一步改进和提升,主要包括:1.售后服务响应不及时:由于售后服务团队资源有限,导致部分用户反映售后服务响应不及时,影响用户体验。
2.部分原材料品质不稳定:供应商方面存在一定问题,导致部分原材料的品质不稳定,需要与供应商进行进一步沟通和优化。
3.部分产品功能需要改进:根据用户调研和市场反馈,部分产品功能存在不足,需要进一步进行改进和升级。
在今后的工作中,我们将进一步优化产品质量策划,并根据用户反馈和市场需求,不断改进产品的设计和制造过程,提高产品质量和用户满意度。
产品质量策划总结和认定1. 背景介绍产品质量是企业发展和竞争力的重要组成部分。
为了提高产品质量水平,企业需要进行产品质量策划,并且在完成产品生产后对产品质量进行认定。
本文将对产品质量策划总结和认定进行介绍和分析。
2. 产品质量策划总结在进行产品质量策划时,企业需要考虑以下几个方面:2.1 产品质量目标设定企业应当根据市场需求和竞争状况设定产品质量目标。
产品质量目标应当具备明确性、可达性和可量化性,以便于对其进行具体的评估和监控。
2.2 产品质量标准制定制定产品质量标准是确保产品质量的关键步骤。
产品质量标准应当包括产品性能、外观、安全性等方面的要求,并且应当符合相关法律法规和行业标准。
2.3 产品质量流程规划产品质量流程规划是保证产品质量的重要手段。
企业需要对产品的各个生产环节进行规划和控制,确保每个环节都按照标准操作,并进行相应的质量控制措施。
2.4 产品质量故障分析产品质量故障分析是提高产品质量的重要方法。
企业应当对产品质量问题进行深入分析,找出问题的根本原因,并采取相应的改进措施,以避免类似问题再次发生。
3. 产品质量认定产品质量认定是对产品是否符合质量标准进行评判的过程。
企业可以通过以下几个方法进行产品质量认定:3.1 检测和测试企业可以通过对产品进行各种检测和测试,来判断产品是否符合质量标准。
检测和测试可以包括实验室测试、现场测试、样品抽检等方法,以确保产品的各项指标都符合标准要求。
3.2 抽样调查抽样调查是另一种常用的产品质量认定方法。
企业可以从生产中的批次中随机抽取一部分样品,进行质量检测和评估。
通过对抽样样品的检测结果进行统计分析,可以判断整个批次产品的质量水平。
3.3 客户反馈客户反馈是产品质量认定的重要参考依据。
企业可以通过收集客户的投诉、建议和评价等信息,来评估产品质量表现。
客户反馈可以直接反映产品使用过程中的问题,帮助企业改进产品设计和质量控制措施。
4. 产品质量策划总结和认定的重要性产品质量策划总结和认定对企业来说具有重要意义:•提高产品质量水平:通过制定明确的质量目标和标准,并进行相应的流程规划和故障分析,能够有效提高产品的质量水平。
产品质量策划总结和认定
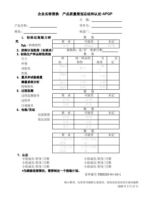
企业名称替换产品质量策划总结和认定-APQP
日期:
产品名称:零件号:
顾客:制造厂:
1.初始过程能力研究
Ppk—特殊特性要求可接受未定* 5项300psc NG数
2.控制计划批准(如要求)批准日期3.初始生产样品特性类别
尺寸
外观
试验室
性能
4.量具和试验装置
测量系统分析
特殊特性
5.过程监测
过程监测指导
过程单
目视辅具
6.包装/发运
包装批准
装运试验
样品每一样品的特性可接受未定* 20psc 35个35个
20psc 7项7项
1psc 1项1项
2psc 2项2项
要求可接受未定*
17项17项
5项5项
要求可接受未定*
12份12份
1张1张
3个3个
要求可接受未定*
□是□否接受□是□否需要
□是□否接受□是□否需要
7.认定
小组成员/职务/日期小组成员/职务/日期
小组成员/职务/日期小组成员/职务/日期
小组成员/职务/日期小组成员/职务/日期
*为跟踪进展情况,需要制定一个措施计划。
表单编号:PSD0203-04-10-1
企业名称替换新产品开发第四阶段审核表(产品和过程确认)-APQP 呈交文件:项目编号:审查日期:第页项目描述:共页项目呈交日期检查日期意见认可日期试生产-制造计划
试生产-质量记录
试生产-确认记录
工作时间测算表
PPAP-尺寸结果报告
PPAP-材料试验报告
PPAP-性能试验报告
R&R、Linearity报告
Ppk分析报告
祥见PPAP职责清单
包装评价验证表
生产-CP
A-8生产-CPchecklist
质量策划总结和认定
审查
意
见项目
小
组
会签
项目组长
批准进行第五阶段(反馈评定和纠正措施):□同意□暂停□取消
总经理批示:
表单编号:PSD0202-1-16。