公共营养师四级试卷三(技能)
- 格式:doc
- 大小:175.50 KB
- 文档页数:6
公共营养师四级(操作技能)模拟试卷3(题后含答案及解析)题型有:1. 案例选择题 3. 计算题 4. 案例分析题 5. 论述题 6. 实际操作题案例选择题以下是一组膳食调查中常用的食物,营养师需要根据经验估计实际重量或折算,请回答下列问题。
1.一个鸡蛋的重量大约是()g。
A.60B.100C.80D.25正确答案:A解析:8个鸡蛋大约500克,一个鸡蛋约60g。
2.()碗米饭的量(约50g)是日常生活中一份的量。
A.1/4B.1/3C.1/2D.1正确答案:A解析:粮食及根茎类食物份量如下表所示。
3.日常生活中一个中号香蕉的可食量是()g。
A.100B.110C.140D.180正确答案:B解析:水果类食物份量如下表所示。
4.生熟比的计算公式是()。
A.生熟比=生食物体积÷熟食物体积B.生熟比=熟食物重量÷生食物重量C.生熟比=生食物重量÷熟食物重量D.生熟比=熟食物体积÷生食物体积正确答案:C5.标准体重的公式是()。
A.标准体重(kg)=身高(cm)-90B.标准体重(kg)=身高(cm)-95C.标准体重(kg)=身高(cm)-100D.标准体重(kg)=身高(cm)-105正确答案:D计算题6.100g馒头中蛋白质7.8g,脂肪1.0g,碳水化合物48.3g,食部为100%,请计算200g馒头中蛋白质、脂肪、碳水化合物各产生多少能量?产生的总能量为多少?正确答案:200g馒头分别产生能量的计算蛋白质产生的能量(kcal)=(200÷100)×7.8×4=62.4kcal;脂肪产生的能量(kcal)=(200÷100)×1×9=18kcal;碳水化合物产生的能量(kcal)=(200÷100)×48.3×4=386.4kcal;200g馒头产生的总能量的计算总能量(kcal)=蛋白质产生的能量+脂肪产生的能量+碳水化合物产生的能量=62.4+18+386.4=466.8kcal。
四级营养师样卷(一)(考试时间90分钟,总分100分)准考证号:_________________________姓名:__________________________一、主观题(共10题,每题10分,共计100分)1、新闻报道了安徽阜阳“大头娃娃”事件,同时公安和执法部门查获了不法分子采用糊精和营养素混合制备的婴儿配方乳粉、或用牛皮水解蛋白配制的婴儿乳粉等伪劣产品。
“大头娃娃”的发病机制是什么?【答案】发病机制有以下几点: (1)因为乳粉是婴幼儿的主要食物,缺乏蛋白质和脂肪的乳粉也就缺乏能量; (2)糊精是淀粉的水解产物,不是蛋白质,没有蛋白质的功能作用; (3)牛皮不是食物,牛皮蛋白是不完全蛋白,氨基酸组成与乳品蛋白不一样,必需氨基酸总量明显低于奶粉,第一限制性氨基酸为含硫氨基酸,蛋白质评分营养价值低; (4) “大头娃娃“ 是蛋白质能量缺乏引起水肿的表现。
2、解释RNI=EAR+2SD和RNI=1.2 ×EAR两个公式的意义。
【答案】RNI是以EAR为基础制定的,如果已知EAR的标准差,则RNI定为EAR加两个标准差,即RNI=EAR+2SD;如果关于需要量变异的资料不够充分,不能计算SD时,一般设EAR的变异系数为10%,则RNI=1.2×EAR。
3、某大型企业总经理(中等体力劳动)女性45岁,身高165 cm,体重68 kg,体检发现,空腹血糖6.5 mol/L,餐后2 h血糖11 mol/L,血压和血脂水平正常,并无明显不适症状。
拟采用单纯饮食控制预防发展为糖尿病。
请回答:换算为总交换份应为多少份?【答案】因每一个交换份提供80~90 kcal,故换算为总交换份应为:1800÷85=21份4、简述学龄儿童的膳食指南。
【答案】第2版《中国居民膳食指南》中,除第七条饮酒应限量外,其余原则也适用于儿童、青少年。
此外还有:(1)保证吃好早餐,让孩子吃饱和吃好每天3顿饭,尤其是早餐,食量应相当于全日量的1/3;(2)少吃零食,饮用清淡饮料,控制食糖摄人;(3)重视户外活动,少数孩子饮食量大而运动量少,故应调节饮食和重视户外活动以避免发胖。
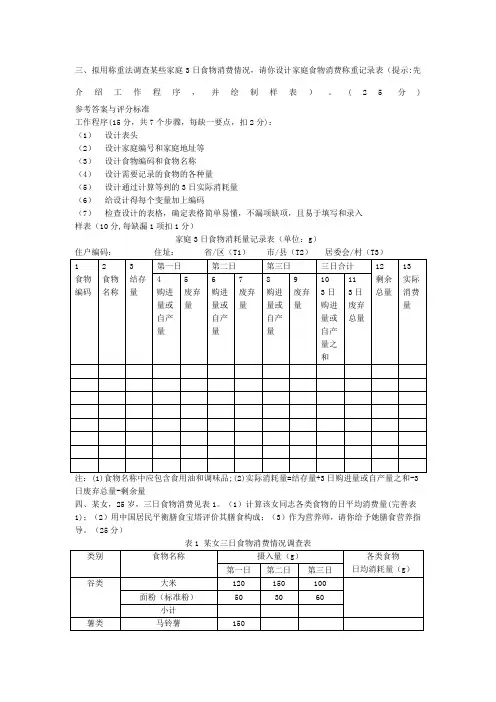
三、拟用称重法调查某些家庭3日食物消费情况,请你设计家庭食物消费称重记录表(提示:先介绍工作程序,并绘制样表)。
(25分)参考答案与评分标准工作程序(15分,共7个步骤,每缺一要点,扣2分):(1)设计表头(2)设计家庭编号和家庭地址等(3)设计食物编码和食物名称(4)设计需要记录的食物的各种量(5)设计通过计算等到的3日实际消耗量(6)给设计得每个变量加上编码(7)检查设计的表格,确定表格简单易懂,不漏项缺项,且易于填写和录入样表(10分,每缺漏1项扣1分)家庭3日食物消耗量记录表(单位:g)住户编码:住址:省/区(T1)市/县(T2)居委会/村(T3)注:(1)食物名称中应包含食用油和调味品;(2)实际消耗量=结存量+3日购进量或自产量之和-3日废弃总量-剩余量四、某女,25岁,三日食物消费见表1。
(1)计算该女同志各类食物的日平均消费量(完善表1);(2)用中国居民平衡膳食宝塔评价其膳食构成;(3)作为营养师,请你给予她膳食营养指导。
(25分)表1 某女三日食物消费情况调查表参考答案及评分标准(1)各类食物日均消耗量分别为(10分,每一类1分)表1 某女三日食物消费情况调查表(2)与平衡膳食宝塔比较(10分,每一层2分)注意此参考答案按教材上的1997版平衡膳食宝塔,若考生按2007版平衡膳食宝塔回答,仍可得满分平衡膳食宝塔第一层推荐的谷类300-500克,而该女同志只摄入170克,谷类消费较少;平衡膳食宝塔第二层推荐蔬菜400-500克,水果100-200克,而该同志实际摄入蔬菜300克,水果70克,蔬菜水果的种类和数量都不足;平衡膳食宝塔第三层推荐畜禽肉类50-100克,鱼虾类50克,蛋类25-50克;该同志畜禽肉类、蛋类消费达到推荐量标准,但未吃鱼虾类;平衡膳食宝塔第四层推荐奶类及奶制品100克,豆类及豆制品50克,该同志奶类和豆类的摄入均不足;平衡膳食宝塔第五层推荐油脂的消费不要超过25克,该同志油脂消费20克,基本符合推荐量。
公共营养师(四级)技能试题真题及答案1. 100g蛋白质可为人体提供的能量是()。
A. 400kJ(95.6kcal)B. 1673.6kJ(400kcal)C. 90kJ(215.1keal)D. 3765.6kJ(900kcal)【答案】B2. 根据我国人民膳食习惯,膳食中碳水化合物提供的能量应占总能量的适宜比例为()。
本资料来源公_众.号:文得课堂,更多营养师考试题库及视频,关注gzh:文得课堂。
A. 20%~30%B. l0%~15%C. 55%~65%D. 20%~25%【答案】C3. 如进食混合膳食,食物特殊动力作用消耗的能量约为基础代谢的()。
A. 4%B. 6%C. 10%D. 30%【答案】C4. 亚油酸属于()脂肪酸。
A. n—3系列B. n—6系列C. n—7系列D. n—9系列【答案】B5. 下列糖中,属于单糖的是()。
A. 果糖B. 蔗糖C. 水苏糖D. 糖原【答案】A6. 对身高体质指数描述有误的是()。
A. 身高体质指数表示每厘米身高的体重值B. 身高体质指数受体重影响较大C. 身高体质指数=体重(kg)÷身高(cm)×1000D. 身高体质指数受身高影响较大【答案】B7. 儿童按“年龄的身高”,低于参考标准身高中位数减2个标准差为()。
A. 中度消瘦B. 重度消瘦C. 中度发育迟缓D. 重度发育迟缓【答案】C8. 儿童按“身高的体重”,低于参考标准中位数减2个标准差为()。
A. 中度消瘦B. 重度消瘦C. 中度发育迟缓D. 重度发育迟缓【答案】A9. 儿童出现生长发育迟缓、消瘦、体重过轻、智力发育障碍,最可能的原因是()。
A. 热能不足B. 蛋白质营养不良C. 脂肪摄入不足D. 锌缺乏【答案】B 本资料来源公_众.号:文得课堂,更多营养师考试题库及视频,关注gzh:文得课堂。
10. 儿童发育迟缓是指与同龄人相比()。
A. 体重偏低B. 身高/体重偏低C. 身高偏低D. 营养不良【答案】B11. 《中国食物成分表2002》中元素硒的单位是______,锰的单位是______。
2017年5月山东省公共营养师四级技能操作考试试卷
一、简答题(第1—5题,每题6分,满分30分)
1、利用食物称重法调查食物摄入量的关键技术有哪些?
2、简述确定成人每日膳食营养目标的方法和原则。
3、食物感官评价的内容和指标有哪些?
4、入户访谈的技能有哪些?
5、判断儿童生长发育迟缓需要注意哪些问题?
二、计算题(第6题10分,第7题10分,共计20分)
6、购买芹菜600克,摘下的根、枯叶及去除的泥沙共计90克,试求芹菜的食部。
大米生重50克,煮好后的重量为125克,试求大米的生熟重量比。
(10分)
7、某女23岁,办公室人员,身高165.0cm,体重43.0kg,试求其BMI值和标准体重指数,并作出相应体质判断。
三、案例分析题(第8题20分,第9题30分,共计50分)
8、某幼儿园购进大批夹心饼干,其食品标签如下:
的刘老师却认为,好吃又含有鸡蛋、花生、黑芝麻、白芝麻、黑豆等物质,很有营养。
双方有了不同看法。
作为一名公共营养师,请你根据此情况和食品标签,作出解释和分析,并对消费给出合理的建议。
(20分)
9、李阿姨今年50岁,身患糖尿病数年,一位营养师为她设计了一日带量食谱(见下表),因受食物选择所困,李阿姨使用此食谱已有1个月,自己不知道该如何选择膳食。
作为公共营养师的你,在了解到这些情况后,请为李阿姨介绍一下什么是食物交换份法以及特点,并利用食物交换份法为其设计出一周带量食谱。
(30。
江苏省国家职业资格鉴定公共营养师四级理论知识试卷(试卷三)参考答案一、单项选择题(1—40题,每题1分,共40分。
每小题只有一个最恰当的答案,请在答题卡上将所选答案的相应字母涂黑。
)1.关于道德与法律的区别,你认为表述不正确的是( )。
A.道德产生时间比法律早B.道德调整范围比法律广C.道德的表现形式不如法律严格D.道德的实施比法律更具有强制性答案:D2.有细胞内动力工厂之称的是( )。
A.线粒体B.溶酶体C.细胞核D.细胞质答案:A3.人体有四大类组织,血液属于( )。
A.上皮组织B.结缔组织C.肌组织D.神经组织答案:B4.消化系统由( )。
A.消化道和消化腺组成B.消化道和肠胃组长C.口腔、肠和胃组成D.口腔和消化腺组成答案:A5.骨质包括有机质和无机质,无机质的主要成分是( )。
A.骨胶原纤维B.黏多糖C.钙盐D.钙答案:C6.人体内外气体交换的场所是( )。
A.器官B.鼻子C.肺D.支气管答案:C7.动脉是( )。
A.把血液从静脉输送到心脏的管道B.把血液从心脏输送到毛细血管的管道C.把血液从毛细血管输送到心脏的管道D.把血液从心脏到输送淋巴管道的管道答案:B8.脊神经共有( )。
A.31对B.32对C.36对D.48对答案:A9.老刘每日摄取350g碳水化合物,按碳水化合物提供热量占全天热能的65%,则共摄取的总热量为( )kcal。
A.2154B.2253C.2099D.2110答案:A10.下面哪条是碳水化合物独特的生理功能( )。
A.供给能量B.构成机体组织成分C.是维持神经系统正常活动不可缺少的物质D.抗生酮作用答案:D11.下列不属于VD缺乏的原因是( )。
A.VD及钙、磷摄入不足 B.阳光照射不足C.VD 及钙磷的肠道吸收障碍 D.肝、肠疾病时可直接影响VD的正常合成代谢答案:D12.下列哪些症状是维生素B2缺乏所造成的( )。
A.贫血 B.夜盲症 C.克山病 D.脂溢性皮炎答案:D13.以下关于VC溶解说法正确的是( )。
公共营养师四级理论知识(人体营养状况测定和评价)模拟试卷3(题后含答案及解析)题型有:1. 单选题 2. 多选题 3. 判断题单选题1.人体体格测量中最重要的指标为()A.皮褶厚度B.身高和体重C.腰围和胸围D.臀围正确答案:B解析:成人体格测量的主要指标有身高、体重、上臂围、腰围、臀围和皮褶厚度等,其中以身高和体重最为重要,因为它综合反映了蛋白质、能量以及其他一些营养素的摄入、利用和储备情况,反映了机体、肌肉、内脏的发育和潜在能力。
2.体重是衡量()状况的重要指标。
A.矿物质摄入B.蛋白质和能量C.维生素摄入D.脂肪摄入正确答案:B解析:对于成人而言,由于身高已基本无变化,当蛋白质和能量供应不足时体重的变化更灵敏,因此常作为了解蛋白质和能量的重要观察指标。
3.()测量可以了解呼吸器官的发育程度以及成人健康状况。
A.臀围B.胸围C.呼吸次数D.肺活量正确答案:B解析:胸围是表示胸腔容积、胸肌、背肌的发育和皮脂蓄积状况的重要指标之一,借此可了解呼吸器官的发育程度以及成人健康情况。
4.一般()体格测量的数据,常被用来评价一个地区人群的营养状况。
A.学龄前儿童B.婴幼儿C.中学生D.成年人正确答案:A解析:体格测量的数据越来越被认为是评价群体或个体营养状况的有用指标,特别是学龄前儿童的测定结果,常被用来评价一个地区人群的营养状况。
5.坐高与身高的比较可以反映()A.躯干生长状况B.下肢与躯干的比例C.器官发育水平D.超重和肥胖正确答案:B解析:坐高可反映躯干的生长情况,与身高比较时,可说明下肢与躯干的比例关系。
6.头围测量主要反映()A.颅脑发育情况B.智力发育情况C.神经系统发育情况D.以上都不对正确答案:A解析:头围主要反映颅脑的发育情况。
如果儿童的头围值明显超出正常范围,则可能患脑积水、巨脑症及佝偻病等疾病;如果头围值过小,则可能是脑发育不全、头小畸形等。
多选题7.营养状况的测定和评价,一般是通过()来进行综合评价的。
公共营养师四级理论试题一.单项选择(每题1分,共80分)1.以下哪种元素是微量元素( )A 铁B 钙C 磷D 硫2.必需脂肪酸的特点()A 单不饱和脂肪酸B n-3系脂肪酸C n-6系脂肪酸D 人体不可缺少而体内又不能合成的脂肪酸3.烹调蔬菜时损失较多的营养素()A 蛋白质B 碳水化合物C β—胡萝卜D 抗坏血酸4.影响鸡蛋营养价值的最直接原因是()A 品种B 产地C 蛋壳颜色D 煮蒸的烹调方法5.下列食物中含锌量最高的是()A 胡萝卜西红柿B 畜禽肉类C 牡蛎D 肝蛋类6.下列食物中含铁量较多,吸收率最高的是()A 大米B 黑豆C 奶类D 肉类7.下列关于钙吸收的正确描述是()A 草酸盐抑制吸收B 植酸盐促进吸收C 糖类抑制吸收D 膳食纤维无影响8.1g碳水化合物在体内氧化能产生多少()。
A 4kcalB 16.7kcalC 9kcalD 7kcal9.硒在人体组织与器官中含量相对最低的是()。
A 肝脏B 胰脏C 肾脏D 脂肪10.大豆中的蛋白质含量( )A 15-20%B 50-60%C 10-15%D 30-40%11.某食物中蛋白质的INQ值大于1( )A 表示食物蛋白质的供给量高于能量供给B 表示食物蛋白质的供给量低于能量供给C 表示食物蛋白质的供给量与能量供给平衡D 表示食物蛋白质的供给高于机体所需12.下列不宜用于喂养婴儿的奶制品是( )。
A 甜炼乳B 调制奶粉C 淡炼乳D 全脂奶粉13.影响赤根菜中钙吸收的主要因素是( )。
A 磷酸B 草酸C 琥珀酸D 植酸14.豆芽中富含( )A 维生素EB 叶酸C 维生素BD 维生素C 15.下面食品中含有的蛋白质,属于优质蛋白质的有( )。
A 面粉B 稻米C 芹菜D 牛肉16.蔬菜和水果中均富含下列哪些成分( )。
A 碳水化合物B 蛋白质C 无机盐D 脂肪17.食用合成色素的色淀是由()沉淀在许可使用的不溶性基质上所制备的特殊着色剂。
A 氧化铝B 脂溶性色素C 二氧化硅D 水溶性色素18.我国规定硝酸钠(钾)只能用于肉类制品,最大使用量为()。
国家职业技能公共营养师《四级》基础理论真题选题卷3国家职业技能公共营养师《四级》基础理论真题选题卷31.[单选][0.5分]60mg色氨酸在体内可以转化为()mg烟酸。
A.1B.2C.3D.42.[单选][0.5分]食品营养标签中,()是最基本的信息。
A.食品主要成分B.营养成分表C.附加营养信息D.能量3.[单选][0.5分]下列不属于维生素D缺乏的原因是()。
A.维生素D及钙、磷摄入不足B.阳光照射不足C.维生素D及钙磷的肠道吸收障碍D.肝、肠疾病时可直接影响维生素D的正常合成代谢4.[单选][0.5分]品质好的稻米米粒均匀、整齐,没有碎米和爆腰米,无腹白,()。
A.硬度低、易碎B.硬度高、不易碎C.硬度低、不易碎D.硬度高、易碎5.[单选][0.5分]一般生奶在()℃环境中可保持48h。
A.-10B.0C.10D.206.[单选][0.5分]新鲜蛋清中含有(),有抑菌作用,一旦作用丧失,腐败菌在适宜的条件下会迅速繁殖。
A.蛋白酶B.溶菌酶C.消化酶D.淀粉酶7.[单选][0.5分]下列关于镁的生理功能的描述中,正确的是()。
A.维护胃肠道的功能B.促进食欲C.构成血红蛋白D.维持骨骼和牙齿的结构8.[单选][0.5分]逻辑检验法的第一步是()。
A.对数据库中的数据进行排序B.点击“排序”,选择排序方法C.可疑值分析D.复制数据9.[单选][0.5分]经过肾脏排泄的水一般占人体总的排泄量的()。
A.60%B.70%C.30%D.40%10.[单选][0.5分]某地区种植的蔬菜中硝酸盐和亚硝酸盐的含量较高,为降低其含量可使用()。
A.氮肥B.磷肥C.钾肥D.钼肥11.[单选][0.5分]河豚毒素属于()。
A.神经毒B.肝脏毒C.血液毒D.肾脏毒12.[单选][0.5分]()所含的必需氨基酸种类齐全,比例恰当,人体利用率高,被称为优质蛋白质。
A.动物性蛋白质和大豆蛋白质B.动物性蛋白质和谷类蛋白质C.谷类蛋白质和大豆蛋白质D.动物性蛋白质和植物性蛋白质13.[单选][0.5分]蛋白质的生物价为()。
公共营养师四级(操作技能)历年真题试卷汇编3(题后含答案及解析)全部题型 5. 论述题论述题1.“食物的份”的含义是什么?“一片吐司面包”“一袋牛奶”“一汤勺”的量一般各指多少?正确答案:食物的份是指单位食物或常用单位量具中食物具体的数量份额。
通常我们食用的一片吐司面包是25~30g,一袋牛奶约为250ml,一汤勺的容量一般为10ml。
2.已知面条生重100克,煮熟后的重量为260克,计算面条的生熟重量比值。
正确答案:面条的生熟重量比值=面条的生重量/面条的熟重量=100/260=0.383.称重记录表的设计原则是什么?正确答案:称重记录表的设计原则有:(1)餐次分开,通过称重记录表能够准确得出每种食物,包括调味品和三餐以外的零食的摄人量。
(2)项目完整、清晰,记录的食物可以及时编码,与食物成分表的营养素成分相比较,从而能够计算出营养素摄入量。
(3)足够的记录空间,设计的表格应便于调查时使用,并利于计算机录入和计算。
4.简述膳食中各类食物摄人量的计算步骤。
正确答案:各类食物摄入量的计算步骤:(1)对某个体一日内所消耗的食物名称和重量做好记录。
(2)根据记录,对一日内消费的食物进行归类排序,并列出每种食物的消耗重量。
(3)把每一类中不同种食物的重量做求和计算,作为这一类食物的摄入量。
5.综述如何对不同饮料进行营养价值评价。
正确答案:(1)分别根据饮料的名称、配料,列出每种饮料的分类。
(2)根据食品标签、配料表或食物成分表,列出各种饮料的营养成分数据和能量值。
(3)具体分析每种饮料的营养特点、优点及不足之处。
(4)指出什么样的人群适合饮用什么样的饮料。
(5)集中讨论各种饮料的营养特点是什么,每种饮料都适合哪些人群饮用。
6.简述成人身高测量的意义。
正确答案:身高与遗传、环境因素有关。
在生长发育阶段,身高与营养状况有关,对于成人来讲,身高发育已经完成,单纯的身高测量不能反映营养状况,必须和体重指标结合起来才能评价营养状况。
职业技能鉴定题库公共营养师四级理论知识模拟试卷(三)注 意 事 项1.本试卷依据2021年颁布的《公共营养师》国家职业技能标准命制。
2.考试时间:90分钟。
3.请仔细阅读答题要求,在规定位置填写答案。
一、判断题(第1题~第10题,将判断正确的打“√”错误的打“×”,每小题1分,满分10分)1.( )《中国食物成分表2002》中包含食物以包装食品为主。
2.( )1000g 水由150C 上升到16C 时所需要的能量即为1kJ。
3.( )身高是从脚尖到颅顶的高度。
4.( )一般在常温下保存尿液样品即可。
5.( )消瘦主要是由于纤维素摄人不足或吸收不良而引起的营养不良表现。
6.( )能量供给允许在土5%以内浮动。
7.( )主食是人类获取能量的主要来源。
8.( )食物交换份法通常将食物分成四类。
9.( )从总体中抽取部分个体的过程称为抽样。
10.( )人库原料的使用应遵循先进后出的原则。
二、单项选择题 (第11题~第80题,选择一个正确的答案,将相应的字母填入题内的括号中,每题1分,满分70分)11.( )是中国传统膳食的主体,也是人体能量的主要来源。
A. 水果 B.蔬菜 C. 谷类 D. 肉类12.限制氨基酸是指( )。
A. 氨基酸评分较高的氨基酸B. 氨基酸评分较低的氨基酸C. 氨基酸评分较高的必需氨基酸D. 氨基酸评分较低的必需氨基酸 13.测得某食物样品的含氮量为4g ,则该样品中的蛋白质含量为( )。
A. 16g B.25g C. 32g D. 40g 14.下列物质中属于多糖的是( )。
A. 蔗糖 B.乳糖 C. 麦芽糖 D. 果胶 15.下列食物中反式脂肪酸含量最多的是( )。
A. 动物脂肪 B.人造黄油 C.奶酪 D. 动物内脏 16.碳水化合物的抗生酮作用主要是指( )。
A. 防止脂肪的分解 B.防止蛋白质的分解 C. 防止淀粉的分解 D.防止酮体的蓄积 17.微量元素是指( )元素。
江苏省国家职业资格鉴定公共营养师四级理论知识试卷(试卷三)
四级技能题
⼀、计算题(25分)
1.某营养师测量了⼀位8岁⼉童的体格情况,其⾝⾼为11
2.5cm,体重为2
3.1kg,胸围为53.4cm,请计算:(请写出计算过程,计算结果保留⼀位⼩数)
(1)体质指数为多少?
(2)⾝⾼体质指数为多少?
(3)Rohrer指数为多少?
(4)⽐胸围为多少?
2. 某营养师测量了⼀位成⼈男性的体格情况,其⾝⾼为17
3.6cm,体重为86.9kg,腰围为89cm,臀围为94cm,请计算:(请写出计算过程,计算结果保留⼀位⼩数)
(1)BMI为多少?
(2)腰臀⽐为多少?
(3)请对其营养状况进⾏判断。
⼆、案例设计(10分)
因开展⼀项⼤型活动,需要动员居民参加,请您设计⼀个⼊户动员的具体⽅案。
三、案例分析(20分)
按照切实可⾏的步骤分析,下列成⼈中餐⾷谱编制过程有⽆错误?请指出错误所在,并阐述正确的⽅法。
1估计成⼈的⾝⾼、体重
2将能量按三⼤产能营养素的供能⽐分配⾄营养素
3根据三⼤产能营养素能量值直接计算所需⾷物的数量
4确定中餐⾷谱在全天所占的⽐重
5配制中餐⾷谱
6计算副⾷数量和品种
7确定主⾷数量和原料品种
8确定能量和营养素膳⾷⽬标
9计算⽤油量
10计算原料营养素含量
11各种营养素与EAR相⽐,不超过20%即可。
四、陈述题(25分)
请列出⽤称重法进⾏膳⾷调查所使⽤的称重记录表设计的具体步骤。
五、论述题(20分)
与普通⾷品标签相⽐,营养标签中有哪些营养信息?。
职业资格全省统一鉴定公共营养师四级专业能力考核试卷注 意 事 项1、考试时间:120分钟。
2、请首先按要求在试卷的标封处填写您的姓名、准考证号和所在单位的名称。
3、请仔细阅读各种题目的回答要求,在规定的位置填写您的答案。
4、不要在试卷上乱写乱画,不要在标封区填写无关的内容。
一、膳食调查与评价(25分)某餐厅从市场购得86kg 土豆用于菜肴制作。
(1)若废弃部分为7kg ,则该土豆的废弃率为多少?可食部分为多少?计算结果请保留1位小数,记录于表2 中。
(8分)(2)若该土豆为450名职工食用2天,人均摄取的土豆为多少克。
(4分) (3)请根据表1,计算职工平均每日从土豆中摄取的蛋白质、脂肪、碳水化合物是多少,摄取到的能量又是多少?计算结果请保留1位小数,记录于表3 中。
(13分)表1 土豆的能量和部分营养素含量(每 100克可食部分)表2 土豆的废弃率和可食部分比例计算结果考 生答题 不准 超过 此 线二、人体营养状况测定和评价(25分)某儿童由家长陪同来向营养师进行营养咨询,营养师发现儿童的生长发育不正常,拟对某儿童进行体格测量。
(1)请列出需要测量的主要指标及使用的相应测量仪器。
(10分)(2)因这些测量仪器已很久未用,需要进行校正。
请您设计一个方案,帮助营养师对所用的测量仪器进行校准,并提出控制标准。
(15分)三、膳食指导和评估(25分)某营养师用下列步骤进行了食谱中食物的交换:(1)先确定全日蛋白质的供应量;(2)用中餐与早餐的食物进行交换;(3)谷类与豆类交换、蔬菜与油类交换;(4)只考虑品种,不考虑具体数量进行交换,交换后即告成功试分析:(1)交换的方法有无错误?有哪些错误之处,为什么?(13分)(2)应如何正确进行食物的交换?(3分)(3)根据表1至表4中数据,请分析下列食物应如何交换?(9分)①100克大米可换成克面包或克土豆。
②250克菠菜可交换为克柿子椒或克鲜豌豆或克胡萝卜。
③50克肥瘦猪肉可交换为克酸奶或克鱼。
一、膳食调查和评价
某营养师将某居民摄取食物的情况与中国居民平衡膳食宝塔的建议值进行了比较。
试请根据居民食物摄取的情况(表1,为可食部分生重)对食物进行归类(表2),并与相应的要求(表3、表4)进行比较,评价其食物摄取量是否达到建议的摄取量,还存在哪些问题。
该居民为男性,30岁,从事办公室工作。
表1 食物摄取情况
食物类别数量(克/日)建议摄取量(克/日)
谷类
大豆类
蔬菜
水果
肉类
乳类
蛋类
水产品
烹饪油
食盐
表3 18~50岁男性膳食营养素参考摄入量
体力活动水平能量(kcal)
轻体力活动2400
中体力活动2700
重体力活动3200
表4 不同能量水平的食物摄取量建议(克/日)
摄取过多的有:谷类、油、盐
摄取不足的有:蔬菜、水果、肉类、乳类、水产
未摄取的有:大豆类
符合要求的有:鸡蛋
表2 食物摄取情况总结表
食物类别数量(克/日)建议摄取量(克/日)
谷类440 350
大豆类0 40
蔬菜385 450
水果350 400
肉类55 75
乳类220 300
蛋类50 50
水产品15 75
烹饪油35 30
食盐9 6
二、营养状况测定与评价
小梅,女,20岁。
为了减肥,长期节食导致营养不良,到营养师处咨询。
她的体格测量结果是:身高165cm,体重40kg,胸围75cm,请完成以下操作:
1.通过计算,对小梅消瘦等级进行评价,填写完成表5小梅消瘦评价表。
2.对小梅进行综合评价并对应可能的原因给出适合的改善建议。
附表表6 中国成人体制指数评价表
表8 我国青年Vervaeck指数营养评价标准
1.表5 小梅消瘦评价表
,
2.综合评价结果:小梅长期食物摄入不足,出现营养不良,结合人体测量及体检观察结果,营养师判断其为消瘦。
给小梅的建议:增加能量摄入,均衡膳食,增加主食和动物性食物摄入;
同时结合适量的体育锻炼,不要盲目减肥。
三、案例分析
1.(1)《食品营养标签管理规范》规定,食品企业在标签上标示食品营养成分、营养声称、营养成分功能声称时,应首先标示能量和蛋白质、脂肪、碳水化合物、钠4种核心营养素及其含量。
本产品未标示钠的含量。
(2)《食品营养标签管理规范》规定,营养标签中营养成分标示应当以每100克(毫升)和/或每份食品中的含量数值标示,并同时标示所含营养成分占营养素参考值(NRV)的百分比。
本产品未标示%NRV。
(3)维生素A单位应为μg RE;维生素E应为mg α-TE
(4)营养素标示的顺序应为能量、蛋白质、脂肪、碳水化合物、钠、钙、维生素A、其他维生素、其他无机盐。
(5)数值标示方法不对
2.三大营养素供热比计算
碳水化合物供能:60×17=1020(kJ)
蛋白质供能:4×17=68(kJ)
脂肪功能:13×37=481(kJ)
总能量=1020+68+481=1569(kJ)
碳水化合物供能比=1020÷1569×100%=65%
蛋白质供能比=68÷1569×100%=4%
脂肪供能比=481÷1569×100%=31%
本产品能量的主要来源为碳水化合物,其次为脂肪,而蛋白质的供能比偏低,只有4%。
在了解食物能量值后可根据如下指标来判断:
<40 kcal/100g(167 kJ/100g)为低能量食品, 100 kcal/100g(418 kJ/100g)为中等能量食品,400 kcal/100g(1670kJ/100g)为高能量食品。
本例中麦片能量(≥1500kJ)较高。
本产品四种微量营养素的含量较高,尤其其上限水平较高。
四、论述题
1、“母乳喂养宣传日”入户动员为例,其工作程序是什么?有哪些注意事项
2.成人肥胖原因分析和综合判断评价指标应用。
1、程序:(1)敲门(2)取得信任(3)把握好方式(4)发放宣传资料(5)填写调查登记表(6)签字确认(7)检查。
注意事项:(1)失访的家庭应该采取邻里走访、电话动员等方式弥补取减少失访率。
(2)调查员人户应注意服装整洁庄重的仪表、整洁的服饰、通俗易懂的语言、准确的表述赢得对方的信任;恰当的称谓称呼对方,主动做自我介绍,使之消除紧张、焦虑心理,做好交谈的心理准备。
(3)尊重调查对象的隐私和拒绝回答的权利。
要尊重调查对象的感情,避免使用批评、讥笑、讽刺、威胁或其他阻碍交流的语言和手段。
2. 综合评价指标:
(1)人体测量体重和身高:按年龄、性别,BMI超出规定标准;按年龄、性别、腰围超出规定标准;皮褶厚度增加等。
(2)体检观察:可见肥胖,面部、腹部脂肪堆积、腰围粗。
肥胖原因分析
(1)食物/营养史:摄入过多的高脂肪、高能量食品或饮料;进食太多(进食量超过推荐量的2倍);能量摄过高多的。
(2)缺乏运动或动运时间、强度不够;久坐,如看电视、看书、玩电脑;不了解营养相关的膳食推荐值;无法或不愿执行膳食推荐值;职业原因等。
(3)个人史:患有甲低、代谢综合征、进食不规律;残疾或运动受限;有身体虐待、性虐待、情感虐待史;服用影响RMR的药物,如心得安、激素类药物等。
必要的情况可以检查生化数据、临床检验,测定代谢情况是否正常。