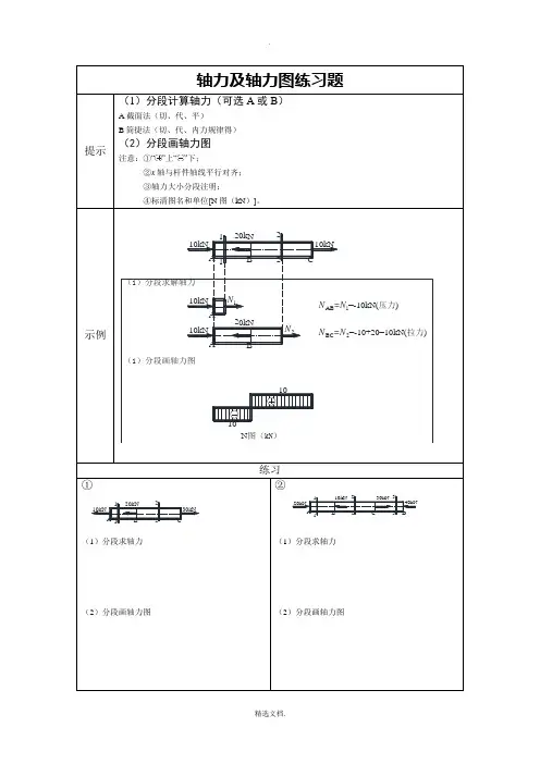
轴力与轴力图
- 格式:ppt
- 大小:2.51 MB
- 文档页数:13
第二章杆件的内力分析第一节杆件拉伸或压缩的内力一、轴向拉伸或压缩的概念轴向拉伸或压缩:由一对大小相等、方向相反、作用线与杆件轴线重合的外力作用下引起的,沿杆件长度发生的伸长或缩短。
二、工程实例三、轴力轴力图1、轴力与杆轴线重合的内力合力。
轴力符号:拉伸为正,压缩为负。
∑=0X0122=-+F F N kNF F N 242212-=-=-= ∑=0X34=-N FkNF N143==任一截面上的轴力等于该截面一侧轴向载荷的代数和,轴向载荷矢量离开该截面者取正,指向该截面者取负。
2、轴力图正对杆的下方,以杆的左端为坐标原点,取平行于杆轴线的直线为x 轴,并称为基线,垂直于x 轴的N 轴为纵坐标。
正值绘在基线的上方,负值绘在基线的下方,最后在图上标上各截面轴力的大小。
注意:轴力图与基线形成一闭合曲线。
轴力图必须与杆件对齐。
在轴向集中力作用的截面上,轴力图将发生突变,其突变的绝对值等于轴向集中力的大小,而突变方向:集中力箭头向左时向上突变,集中力箭头向右时向下突变(图是从左向右画)。
例2-10第二节剪切的内力一、剪切的概念剪切:由一对相距很近、大小相等、方向相反的横向外力引起的横截面沿外力作用方向发生的相对错动。
剪切面或受剪面 m-m二、工程实例三、剪力第三节杆件扭转的内力一、扭转的概念扭转:由一对大小相等、方向相反、作用面都垂直于杆轴的力偶引起的杆的任意两个横截面绕杆轴线的相对转动。
ϕ:扭转角;γ:剪切角二、工程实例三、扭矩某一截面上的扭矩等于其一侧各外力偶矩的代数和。
外力偶矩矢量指向该截面的取负,离开该截面的取正。
四、 扭矩图在外力偶作用的截面上,扭矩图将发生突变,其突变的的绝对值等于该外力偶矩的大小,而突变方向:外力偶矩矢量方向向左的向上突变,向右则向下突变。
外力偶矩的计算公式:)(9550m N nP Mk ⋅=注意:kP 单位为kw ;n 单位为min r ;M 单位为m N ⋅第四节 梁弯曲时的内力一、 弯曲 变形的基本概念弯曲变形:由一对大小相等、方向相反,位于杆的纵向平面内的力偶引起的,杆件的轴线由直线变为曲线。