流程图符号含义
- 格式:doc
- 大小:75.31 KB
- 文档页数:4
流程所使用的符号1. 概述在业务流程图或者系统流程图中,为了更加清晰地表示流程的各个环节和操作,我们通常使用一些特定的符号来表示不同的元素和动作。
本文档将介绍一些常见的流程符号及其含义。
2. 流程符号一览以下是常见的流程符号及其对应的含义:•开始/结束符号:用于表示流程的开始或结束。
一般为一个圆形或椭圆形图标,内部标注“开始”或“结束”字样。
•操作/处理符号:用于表示具体操作或处理步骤。
一般为一个矩形框,并在框内写明具体的操作或处理内容。
•判断/条件符号:用于表示流程中的条件判断。
一般为一个菱形图标,其中写明条件内容。
•连接符号:用于连接不同的流程步骤。
一般为一个小圆圈,位于两个流程步骤之间。
•数据输入/输出符号:用于表示数据的输入或输出。
一般为一个平行四边形,内部标注数据信息。
•并行处理符号:用于表示流程中的并行处理。
一般为两条平行的矩形框,内部标注具体操作或处理内容。
•循环处理符号:用于表示流程中的循环处理。
一般为一个弧线形图标,内部标注循环条件。
3. 示例应用以下是一个简单的示例,说明如何使用上述流程符号表示一个具体的流程:1.开始:以一个圆形符号标注“开始”表示流程的开始。
2.输入数据:使用一个平行四边形符号表示输入数据的环节,并在内部标注输入的数据信息。
3.判断条件:使用一个菱形符号表示判断条件的环节,并在内部标注具体的判断条件。
4.条件分支:根据判断条件的不同结果,分为两个分支。
使用连接符号将判断条件和两个分支连接起来。
5.处理分支1:使用一个操作/处理符号表示处理分支1的环节,并在内部标注具体的处理内容。
6.处理分支2:使用一个操作/处理符号表示处理分支2的环节,并在内部标注具体的处理内容。
7.合并处理分支:使用连接符号将处理分支1和处理分支2连接起来。
8.输出数据:使用一个平行四边形符号表示输出数据的环节,并在内部标注输出的数据信息。
9.结束:以一个圆形符号标注“结束”表示流程的结束。
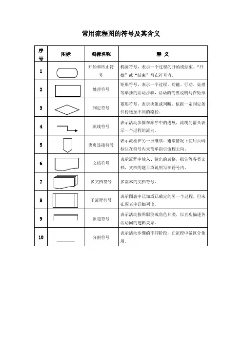
关于流程图的常用标识
(1)过程符号
流程图中矩形符号即过程符号,过程流程符号代表流程中的一个步骤,这是流程图中最常见、出现频率最多的组件。
我们可以将该步骤的具体信息简要说明写在矩形内,以便我们对该步骤具有更为直观的认识。
(2)终端符号
端点符号表示流程图的开始或结束。
该符号通常带有文本“开始”
或“结束”,也有另一种表示方法,即设置圆滑度不同的椭圆符号分别代表某一流程的“开始”与“结束”。
(3)流线符号
流线表示过程的方向。
每条流线通常连接两个块,流线可以是直线、单向箭头或双向箭头,表示步骤之间的不同类型的连接。
在具体的使用过程中,我们可以根据流程图的具体布局以及流程进展的要求选择不同的流线。
(4)判断符号
流程图中出现的菱形符号是判断符号,通常用来表示过程中的一项判定或一个分叉点,判定或分岔的说明写在菱形内,常以问题的形式出现。
对该问题的回答决定了判定符号之外引出的路线,每条路线标上相应的回答,如此一来流程便可以取得进一步进展。
工作流程图符号和用法
1)开始与结束一般是椭圆符号(分两种),用来表示一个过程的开始或结束。
“开始”和“结束”写在符号内。
2)活动/处理进程用矩形符号。
用来表示在过程的一个单独的步骤。
活动的简要说明写在矩形内。
3)判断/判定是菱形符号。
用来表示过程中的一项判定或一个分岔点,判定或分岔的说明写在菱形内,常以问题的形式出现。
对该问题的回答决定了判定符号之外引出的路线,每条路线标上相应的回答
4)进程方向一般是箭线符号。
用来表示步骤在顺序中的进展。
箭头表示一个过程的流程方向。
5)文档/文件符号如下图,用来表示属于该过程的书面信息。
文件的题目或说明写在符号内。
6)输入/输出一般用平行四边形符号,表示数据的输入或者输出。
7)预设处理双边矩形。
可以理解为子流程,像一个黑盒。
双边矩形中包着一个流程图,只是没有详细显示而已。
简单流程图的七个基本符号一、流程图的符号代表什么意义?在流程图中通常用一些图框来表示各种类型的操作,在框内写出各个步骤,然后用带箭头的线把它们连接起来,以表示执行的先后顺序。
用图形表示算法,直观形象,易于理解。
二、简单流程图的七个基本符号如果我们画的流程图用错图形,发给别人看,那是一件很尴尬的事。
重要的事说三遍,不要用错图形符号!不要用错图形符号!不要用错图形符号!掌握并熟练使用各种流程图图形,才能让我们的流程图显得更加清晰、易读,显得我们更加专业。
1、开始形状/结束形状,“跑道圆”形状代表开始或者结束。
2、处理过程,“矩形”这里可以写一些“工序”“处理过程”3、判断,“菱形”(判断是流程图中经常用到的,判断是否,判断条件)4、文档5、子流程可以理解为子流程,像一个黑盒。
双边矩形中包着一个流程图,只是没有详细显示而已。
Axure中并没有这个图标。
三、画流程图的原因一张简明的流程图,不仅能促进产品经理与设计师、开发者的交流,还能帮助我们查漏补缺,避免功能流程、逻辑上出现遗漏,确保流程的完整性。
流程图能让思路更清晰、逻辑更清楚,有助于程序的逻辑实现和有效解决实际问题。
通常,对于任何希望创建流程的人来说,无论创建的是什么用的流程,流程图都是很有用的。
四、画流程图时需要注意的问题1、绘制流程图时,为了提高流程图的逻辑性,应遵循从左到右、从上到下的顺序排列,而且可以在每个元素上用阿拉伯数字进行标注。
2、从开始符开始,以结束符结束。
开始符号只能出现一次,而结束符号可出现多次。
若流程足够清晰,可省略开始、结束符号。
3、当各项步骤有选择或决策结果时,需要认真检查,避免出现漏洞,导致流程无法形成闭环。
4、处理符号应为单一入口、单一出口。
5、连接线不要交叉。
6、如果两个同一路径的下的指示箭头应只有一个。
7、相同流程图符号大小需要保持一致。
8、处理为并行关系,可以放在同一高度。
9、必要时应采用标注,以此来清晰地说明流程。
流程图中各符号表示的意义1、 rectangle:矩形作用:一般用作要执行的处理(process),在程序流程图中做执行框。
在Axure中如果是画页面框架图,那么也可以指代一个页面。
你可把页面和执行命令放在同一个流程中做说明,这个时候将两类不同的矩形做色彩区别,然后做说明就好了。
2、 rounded rectangle:圆角矩形或者扁圆作用:表示程序的开始或者结束,在程序流程图中用作为起始框或者结束框。
3、 beveled rectangle:斜角矩形作用:斜角矩形我几乎不使用,可以视情况自行定义。
或者在其他的流程图中,有特殊含义,暂不知晓,也希望有识之士指点一二。
4、 diamond:菱形作用:表示决策或判断(例如:If?Then?Else),在程序流程图中,用作判别框。
5、 file:文件作用:表达为一个文件,可以是生成的文件,或者是调用的文件。
如何定义,需要自己根据实际情况做解释。
6、 bracket:括弧作用:注释或者说明,也可以做条件叙述。
一般流程到一个位置,做一段执行说明,或者特殊行为时,我会用到它。
7、 semicircle:半圆形作用:半圆在使用中常作为流程页面跳转、流程跳转的标记。
8、 triangle:三角形作用:控制传递,一般和线条结合使用,画数据传递。
9、 trapezoid:梯形作用:一般用作手动操作。
10、 ellipse:椭圆形或圆形作用:如果画小圆,一般是用来表示按顺序数据的流程。
如果是画椭圆形,很多人用作流程的结束。
如果是在use case用例图中,椭圆就是一个用例了。
11、 hexagon:六边形作用:表示准备之意,大多数人用作流程的起始,类似起始框。
12、 parallelogram:平行四边形作用:一般表示数据,或确定的数据处理。
或者表示资料输入(Input)。
13、 actor:角色作用:来自于use case 用例,模拟流程中执行操作的角色是谁。
需要注意的时,角色并非一定是人,有时候是机器自动执行,有时候也可是模拟一个系统管理。
流程图各图形的含义流程图各图形的含义:流线箭头:表⽰活动步骤在顺序中的进展,流线的箭头表⽰这个过程的流向。
:分割符号:表⽰活动步骤的不同阶段,在流程中做区分使⽤。
::表⽰:很多⼈⽤作流程的结束。
::表⽰控制传递,⼀般和线条结合使⽤,画数据传递。
:输⼊输出符号:表⽰数据的输⼊或输出。
:判定符号:表⽰决策或判断,依据⼀定的判断条件传送⾄不同的路径。
:处理符号:表⽰⼀个过程、功能、⾏动、处理等单独的活动步骤,活动的简要说明写在符号内。
::开始和终⽌符号:表⽰⼀个过程的开始或结束。
“开始”或“结束”写在符号内。
::::表⽰⼀般⽤作⼿动操作。
::表⽰准备之意,⼤多数⼈⽤作流程的起始,类似起始框。
:说明符号:表⽰注释或者说明,也可以做条件叙述。
⼀般流程到⼀个位置,做⼀段执⾏说明,或者特殊⾏为时,会⽤到它。
::表⽰在使⽤中常作为流程页⾯跳转、流程跳转的标记。
:⽂档符号:表⽰流程输⼊、输出的表格、报告等各类⽂档,⽂档的标题写在符号内。
或::多⽂档符号:多副本的⽂档符号。
:⾓⾊符号:表⽰模拟流程中执⾏操作的⾓⾊是谁,可是任何⼈或物。
:离页连接符号:表⽰流程在另⼀页继续。
通常情况下,使⽤页码标注在符号内,来简单指引流程去向。
:泳道符号:表⽰活动按照职能或⾓⾊归类,以直观描述各活动间的逻辑关系。
:数据库符号:表⽰存储数据的数据库。
:预设处理符号:表⽰其中包着⼀个流程图,但,没有详细显⽰。
::::表⽰⼀张图⽚,或置⼊⼀个已经画好的图⽚、流程或⼀个环境。
程序流程图符号含义关于流程图图示是否有国际间认同定义,我也曾请教过一些专业人士,但似乎没有一致的定论。
以目前微软产品visio应用最多,当然国际上也有专业的smart draw,国内也有些产品,因此我的做法是基础图示如开始(六角菱型)、过程(四方型)、决策(菱型)、终止(隋园型)掌握著,其它也就自已和别人知道什么意义就可以,当然能自已在流程图面上说明图示定义那就更好。
一、国际通用的流程图形态和程序:开始(六角菱型)、过程(四方型)、决策(菱型)、终止(椭圆型) .在作管理业务流程图时国际通用的形态:方框是流程的描述;菱形是检查、审批、审核(一般要有回路的);椭圆一般用作一个流程的终结;小圆是表示按顺序数据的流程;竖文件框式的一般是表示原定的程序;两边文件框式的一般是表示留下来的资料数据的存储.流程图符号流程图符号是专门用来画图的,其中有流程图,里面有符号的解释。
1 含义2 符号约定3 说明4 参考资料流程图符号-含义不管什么符号,都需要给它定义,定义行为是由制定人予以完成的,要完成这项工作不应该先定义符号代表什么,而应该在做到组织结构或者作业流程心中有数后进行归类,根据归类采用不同的符号加以区分。
另外,我所见过的很多有效组织结构图都是一种符号到底的,他们采取的是多重互联回形目录树的形式,也很有效阿。
这也佐证我的观点。
为了让您的新构架流程图不至于让他人难于理解,建议最好不要因采取过多的符号加以分类而造成实施人难以理解。
另外,还建议您在采取分类后将在流程图的下方添加注解。
其实,没有哪个企业会因一图而兴,关键靠的是实施和控制(重点包括环节控制)。
图再好,别人看不懂又有什么用呢?没有实施过程的监控与指导又会起多大效力呢?以微软产品visio应用最多,当然国际上也有专业的smartdraw,国内也有些产品,因此我的做法是基础图示如开始(六角菱型)、过程(四方型)、决策(菱型)、终止(隋园型)掌握著,其它也就自已和别人知道什么意义就可以,当然能自已在流程图面上说明图示定义那就更好。
工作流程图符号
在制作工作流程图时,符号是非常重要的视觉元素,它们可以清晰地传达信息和引导阅读者理解整个流程。
下面将介绍一些常用的工作流程图符号及其含义。
基本符号
1.开始/结束符号:用来表示流程的开头和结束,通常是一个圆圈或椭
圆。
2.流程符号:用来表示具体的操作步骤,通常是一个长方形。
3.判断符号:用来表示判断或决策点,通常是一个菱形。
4.连接符号:用来表示流程之间的连接,通常是一个箭头。
高级符号
1.子流程符号:用来表示一个独立的子流程,通常是一个长方形,内
部有子流程的说明。
2.数据存储符号:用来表示数据的存储或读取,通常是一个长方形,
内部有数据存储的名称。
3.文档符号:用来表示文档的生成或输出,通常是一个长方形,内部
有文档的名称。
4.传输符号:用来表示数据传输或通信,通常是一个箭头,箭头两端
有通信的名称。
使用注意事项
1.符号布局:在制作工作流程图时,应该遵循一定的符号布局规范,
例如从左到右、从上到下的顺序。
2.符号标签:每个符号应该有清晰的标签,以便读者理解每个符号的
含义。
3.符号颜色:可以使用不同颜色来表示不同类型的操作或流程,增加
视觉效果。
结语
工作流程图符号对于理解复杂的工作流程非常重要,正确选择和使用符号可以提高工作流程图的清晰度和易读性。
希望通过本文介绍的内容,读者能够更好地理解和应用工作流程图符号。
流程图符号流程图符号是专门用来画图的,其中有流程图,里面有符号的解释。
流程图符号 - 含义不管什么符号,都需要给它定义,定义行为是由制定人予以完成的,要完成这项工作不应该先定义符号代表什么,而应该在做到组织结构或者作业流程心中有数后进行归类,根据归类采用不同的符号加以区分。
另外,我所见过的很多有效组织结构图都是一种符号到底的,他们采取的是多重互联回形目录树的形式,也很有效阿。
这也佐证我的观点。
为了让您的新构架流程图不至于让他人难于理解,建议最好不要因采取过多的符号加以分类而造成实施人难以理解。
另外,还建议您在采取分类后将在流程图的下方添加注解。
其实,没有哪个企业会因一图而兴,关键靠的是实施和控制(重点包括环节控制)。
图再好,别人看不懂又有什么用呢?没有实施过程的监控与指导又会起多大效力呢?以微软产品visio应用最多,当然国际上也有专业的smartdraw,国内也有些产品,因此我的做法是基础图示如开始(六角菱型)、过程(四方型)、决策(菱型)、终止(隋园型)掌握著,其它也就自已和别人知道什么意义就可以,当然能自已在流程图面上说明图示定义那就更好。
流程图符号 - 符号约定流程图对某一个问题的定义、分析或解法的图形表示,图中用各种符号来表示操作、数据、流向以及装置等。
2数据流程图数据流程图表示求解某一问题的数据通路.同时规定了处理的主要阶段和所用的各种数据媒体.数据流程图包括:a.指明数据存在的数据符号,这些数据符号也可指明该数据所使用的媒体;b.指明对数据执行的处理的处理符号,这些符号也可指明该处理所用到的机器功能;c.指明几个处理和(或)数据媒体之间的数据流的流线符号;d.便于读.写数据流程图的特殊符号.在处理符号的前后都应是数据符号.数据流程图以数据符号开始和结束(除9.4规定的特殊符号外)3程序流程图程序流程图表示程序中的操作顺序.程序流程图包括:a.指明实际处理操作的处理符号,它包括根据逻辑条件确定要执行的路径的符号;b.指明控制流的流线符号;c.便于读.写程序流程图的特殊符号.4系统流程图系统流程图表示系统的操作控制和数据流.系统流程图包括:a.指明数据存在的数据符号,这些数据符号也可指明该数据所使用的媒体;b.定义要执行的逻辑路径以及指明对数据执行的操作的处理符号;c.指明各处理和(或)数据媒体间数据流的流线符号;d.便于读.写系统流程图的特殊符号.5程序网络图程序网络图表示程序激活路径和程序与相关数据的相互作用.在系统流程图中,一个程序可能在多个控制流中出现;但在程序网络图中,每个程序仅出现一次.程序网络图包括;a.指明数据存在的数据符号;b.指明对数据执行的操作的处理符号;c.表明各处理的激活和处理与数据间流向的流线符号;d.便于读.写程序网络图的特殊符号.6系统资源图系统资源图表示适合于一个问题或一组问题求解的数据单元和处理单元的配置.系统资源图包括:a.表明输入.输出或存储设备的数据符号;b.表示处理器(如中央处理机.通道等)的处理符号;c.表示数据设备和处理器间的数据传输以及处理器之间的控制传送的流线符号;d.便于读.写系统资源图的特殊符号.流程图符号 - 说明流程图(FlowChart)是描述我们进行某一项活动所遵循顺序的一种图示方法。
流程图里的形状符号的代表意义Axure里的流程图形状组件面板对于画流程图,是我们经常会遇到的问题。
我们和程序工程师沟通,用再多的口水,也无法挑明的事情,画一张简明的流程图,就能很直白的说明关键问题。
有时候你可能会懊恼,因为程序员的思维犹如计算机,你告诉他为什么没有用,你就告诉他该怎么做,是左是右,是0是1就好了。
这个时候,产品经理需要的是理性思维,清晰的思路,如果你不清晰,工程师大多数会跟着你的思路乱做一团。
所以多画几个流程,多根据页面需求画清晰的流程,就能解决实际的问题.1、矩形作用:一般用作要执行的处理(process),在程序流程图中做执行框。
在axure中如果是画页面框架图,那么也可以指代一个页面。
有时候我们会把页面和执行命令放在同一个流程中做说明,这个时候将两类不同的矩形做色彩区别,然后做说明就好了.2、圆角矩形或者扁圆作用:表示程序的开始或者结束,在程序流程图中用作为起始框或者结束框。
3、斜角矩形作用:斜角矩形平时几乎不使用,可以视情况自行定义.或者在其他的流程图中,有特殊含义,暂不知晓,也希望有识之士指点一二。
4、菱形作用:表示决策或判断(例如:If。
.Then。
.Else),在程序流程图中,用作判别框。
5、文件作用:表达为一个文件,可以是生成的文件,或者是调用的文件。
如何定义,需要自己根据实际情况做解释。
6、括弧作用:注释或者说明,也可以做条件叙述。
一般流程到一个位置,做一段执行说明,或者特殊行为时,会用到它。
7、半圆形作用:半圆在使用中常作为流程页面跳转、流程跳转的标记.8、三角形作用:控制传递,一般和线条结合使用,画数据传递。
9、梯形作用:一般用作手动操作。
10、椭圆形或圆形作用:如果画小圆,一般是用来表示按顺序数据的流程。
如果是画椭圆形,很多人用作流程的结束.如果是在use case用例图中,椭圆就是一个用例了。
11、六边形作用:表示准备之意,大多数人用作流程的起始,类似起始框。
流程图符号含义
流程图用于描述一个系统或过程的流程和步骤。
在流程图中,不同的图形符号代表不同的意义和操作。
下面是几种常见的流程图符号及其含义:
1. 箭头线:箭头线用于连接流程图中的各个步骤,表示流程的方向和顺序。
2. 矩形框:矩形框表示流程图中的一个步骤或操作。
通常包括输入、处理和输出等。
3. 圆角矩形框:圆角矩形框表示流程图中的判断或条件。
通常在圆角矩形框内写明判断条件,根据条件的结果选择不同的路径。
4. 平行线框:平行线框表示流程图中的子流程。
当一个步骤或操作需要进一步详细描述时,可以使用平行线框来表示子流程。
5. 梯形框:梯形框表示流程图中的开始和结束。
梯形框内通常写明开始和结束的标识,如“开始”和“结束”。
6. 菱形框:菱形框表示流程图中的数据处理和判断。
通常在菱形框内写明数据的输入、处理和输出等。
7. 圆圈:圆圈表示流程图中的连接或合并。
当多个路径需要合并为一个路径时,可以使用圆圈来表示。
8. 平行线:平行线表示流程图中的同步操作。
即多个操作同时进行或按照固定的顺序进行。
9. 实线箭头:实线箭头表示流程图中的正常流程路径。
即按照顺序执行的路径。
10. 虚线箭头:虚线箭头表示流程图中的异常流程路径。
即根
据条件判断需要选择的非正常路径。
以上是一些常见的流程图符号及其含义。
在实际使用流程图时,根据具体的流程和需求,可能会有添加和修改。
因此,在进行流程图绘制时,需要根据实际情况选择合适的符号和含义,以准确描述流程和步骤。
流程图符号含义在流程图中,各种符号起到了不同的作用和含义。
通过理解这些符号的含义,我们可以更好地阅读和理解流程图,从而更好地掌握相关的信息和流程。
本文将介绍一些常见的流程图符号及其含义。
元素符号1. 开始/结束符号流程图中的开始符号通常用一个圆圈表示,表示某个过程或活动的开始。
而结束符号则用一个圆圈中心带有竖线的符号表示,表示某个过程或活动的结束。
例如:开始 --> 进行某个操作 --> 结束2. 过程/操作符号流程图中的过程/操作符号通常用一个矩形框表示,表示某个具体的操作或处理过程。
例如:开始 --> 操作1 --> 操作2 --> 结束3. 判定/决策符号流程图中的判定/决策符号通常用一个菱形框表示,表示某个条件判断。
例如:开始 --> 判断条件A --> 条件成立 --> 操作1 --> 结束| |└--> 条件不成立 --> 操作2 --> 结束连接符号1. 流程线流程线用于连接不同符号之间的顺序,表示流程的流动方向。
例如:开始 --> 操作1 --> 操作2 --> 结束箭头常用于表示顺序流程的方向。
例如:开始 --> 操作1 --> 操作2 --> 结束3. 分支线分支线用于在判定/决策节点后连接相应的操作或流程。
例如:开始 --> 判断条件A --> 条件成立 --> 操作1 --> 结束| |└--> 条件不成立 --> 操作2 --> 结束其他符号1. 输入/输出符号输入/输出符号通常用平行四边形表示,表示某个流程或操作的输入或输出。
例如:开始 --> 输入数据 --> 操作1 --> 输出结果 --> 结束2. 汇总符号汇总符号通常用一个平行四边形表示,表示对某些数据进行汇总或总结。
例如:开始 --> 操作1 --> 操作2 --> 汇总数据 --> 结束3. 插入符号插入符号通常用一个小矩形表示,表示在某个具体位置插入一个子程序或子流程。
常用流程符号在流程图和流程模型中,我们使用各种符号来表示不同的流程元素和操作。
以下是一些常用的流程符号及其含义:●开始/结束符号●开始符号表示流程的起点,通常用一个椭圆表示。
结束符号表示流程的终点,通常用一个实心圆表示。
●输入/输出符号●输入符号表示接收来自外部的信息或数据,通常用一个虚线矩形表示。
输出符号表示向外部输出信息或数据,通常用一个实线矩形表示。
●判断/决策符号●判断符号表示对条件进行评估并选择不同的路径,通常用一个菱形表示。
决策符号也称为“分支”或“多路”符号,表示有多个可能的路径,通常用一个T形或Y形符号表示。
●流程控制符号●流程控制符号包括各种形状的矩形,用于表示不同的流程操作和步骤。
例如:●普通矩形:表示一般的流程步骤或操作。
●虚线矩形:表示一个注释或说明,用于对流程进行解释或说明。
●云形矩形:表示一个输入/输出操作,用于与外部实体进行交互。
●菱形:表示一个判断/决策操作,用于评估条件并选择不同的路径。
●圆形:表示一个循环操作,用于重复执行一段流程。
●平行四边形:表示一个并行操作,用于同时执行多个操作。
流程决策符号流程决策符号包括各种形状的符号,用于表示不同的决策条件和结果。
例如:●椭圆形:表示一个“是/否”决策,用于判断一个条件是否满足。
●菱形:表示一个多路决策,用于选择多个路径中的一个。
●星形:表示一个多重条件决策,用于判断多个条件是否同时满足。
子流程符号子流程符号用于表示一个独立的流程块,可以包含自己的开始/结束符号、输入/输出符号、判断/决策符号等。
子流程符号通常用一个虚线矩形表示,内部可以包含完整的流程图或流程模型。
注释/说明符号注释/说明符号用于对流程进行解释或说明,通常用一个云形矩形表示。
注释/说明符号可以包含文本、图形等元素,用于提供更多的信息和解释。
流程图符号
一般常用的流程图符号包括:
1. 开始/结束符号:表示流程的开始和结束。
通常用一个圆圈表示开始,用一个类似圆圈但内部为空的矩形表示结束。
2. 操作符号:表示具体的操作或处理步骤。
通常用矩形表示,并在内部写明操作或处理的具体内容。
3. 判断符号:表示判断条件。
通常使用菱形表示,并在内
部写明判断条件。
4. 输入/输出符号:表示输入或输出的数据。
通常使用梯形表示,并在内部写明输入或输出的具体数据。
5. 流程线:表示流程的走向。
通常使用箭头线连接各个符号,箭头指向流程的下一步。
6. 连接符号:表示流程的分支或合并点。
通常使用圆圈表示。
在连接符号内写明连接的他流程的线号。
这些符号是流程图中常用的基本符号,不同的软件和文档规范可能会有所差异,但基本原理都是相同的。
通过这些符号可以清晰直观地表示出流程的执行顺序和逻辑。
标准程序流程图的符号及使用约定
一,引言
程序流程图(Progran flowchart)作为一种算法表达工具,早已为工国计算机工作者和广大计算机用户十分熟悉和普通使用.然而它的一个明显缺点在于缺乏统一的规范化符号表示和严格的使用规则.最近,国家标准局批准的国家标准(GB1525-89)<<信息处理--数据流程图,程序流程图,系统流程图,程序网络图和系统资源图的文件编制符号及约定>>为我们推荐了一套标准化符号和使用约定.由于该标准是与国际标准化组织公布的标准ISO5807--85 Information processing--Documentation symbols and comventions for data,program and system flowcharts,program network charts and system resources charts是一致的,这里将其中程序流程图部分摘录出来,并做了一些解释,供读者参考.
根据这一标准画出的程序流程图我们称为标准流程图.
二,符号
程序流程图表示了程序的操作顺序.它应包括:
(1)指明实际处理操作的处理符号,包括根据逻辑条件确定要执行的路径的符号.
(2)指明控制流的流线符号.
(3)便于读写程序流程图的特殊符号.
以下给出标准流程图所用的符号及其简要说明,请参看图1.
图1 标准程序流程图符号
1.数据---- 平行四边形表示数据,其中可注明数据名,来源,用途或其它的文字说明.此符号并不限定数据的媒体.
2.处理---- 矩形表示各种处理功能.例如,执行一个或一组特定的操作,从而使信息的值,信息形世或所在位置发生变化,或是确定对某一流向的选择.矩形内可注明处理名或其简工功能.
3.特定处理---- 带有双纵边线的矩形表示已命名的特定处理.该处理为在另外地方已得到详细说明的一个操作或一组操作,便如子例行程序,模块.矩形内可注明特定处理名或其简要功能.
4.准备---- 六边形符号表示准备.它表示修改一条指令或一组指令以影响随后的活动.例如,设置开关,修改变址寄存器,初始化例行程序.
5.判断----- 菱形表示判断或开关.菱形内可注明判断的条件.它只有一个入口,但可以有若干个可供选择的出口,在对符号内定义折条件求值后,有一个且仅有一个出口被激活.求值结果可在表示出口路径的流线附近写出.
6.循环界限---- 循环界限为去上角矩形表示年界限和去下角矩形的下界限构成,分别表示循环的开始和循环的结束.
图2 两种循环表示
一对符号内应注明同一循环标识符.可根据检验终止循环条件在循环的开始还是在循环的末尾,将其条件分别在上界限符内注明(如:当A>B)或在下界限符内注明(如:直到C<D).图2给出了当终止条件成立时进入循环和直到终止条件成立退出循环的两种不同的表示.
7.连接符---- 圆表示连接符,用以表明转向流程图的它处,或从流程图它处转入.它是流线的断点.在图内注明某一标识符,表明该流线将在具有相同标识符的另一连接符处继续下去(参看以下关于连接符使用的约定).
8.端点符---- 扁圆形表示转向外部环境或从外部环境转入的端点符.例如,程序流程的起始或结束,数据的外部使用起点或终点.
9.注解符---- 注解符由纵边线和虚线构成,用以标识注解的内容.虚线须连接到被注解的符号或符号组合上.注解的正文应靠近纵边线.请参看图3给出的注解符使用示例.
图3 注解符的使用
10.流线----- 直线表示控制流的流线.关于流线上表示流向的箭头,其使用方法见后面的约定.
11.虚线---- 虚线用于表明被注解的范围或连接被注解部分与注解正文,也参看图3.
12.省略符---- 若流程图中有些部分无需给出符号的具体形式和数量,可用三点构成的省略符.省略符应夹在流线符号之中或流线符号之间,参看图4.
图4 省略符的使用
13.并行方式---- 一对平行线表示同步进行两个或两个以上并行方式的操作.并行方式的示例如图5,图中在处理A 完成后才能进行处理C,D和E;同样,处理F要等处理B,C,D完成以后进行.但处理C可以处理D开始和(或)结束前开始和(或)结束.
图5 并行方式示例
三,使用约定
关于流程图符号的使用约定,简要地说明以下几点:
1.图的布局
流程图中所用的符号应该均心地分布,连线保持合理的长度,并尽量少使用长线.
2.符号的形状
流程图中多数符号内的空白供标注说明性文字.使用各种符号应注意符号的外形和各符号大小的统一,避免使符号
变形或各符号大小比例不一.
3.符号内的说明文字
应使符号内的说明文字尽可能简明.通常按从左向右和从上向下方式书写,并与流向无关.如果说明文字较多,符号内写不完,可使用注解符.若注解符干扰或影响到图形的流程,应将正文写在另外一页上,并注明引用符号.
4.符号标识符
为符号规定标识符是为了便于其它文件引用该符号.便如,程序清单中引用到流程图中的特定符号.符号标识符一般写在符号的左上角,参看图6(a).
图6 符号标识符和符号描述符
5.符号描述符
为便于进一步理解符号的功能,可标注符号描述符.通常描述符写在符号的右上角,如图6(b)所示.
6.详细表示
在处理符号或数据符号中画一横线,表明该符号在同一文件集中的其它地言有更为详细的表示.横线在符号内靠近项端,详细表示的标识符写在符号内横线之上,见图7(a).端点符用作详细表示的开始符号和结束符号,在此符号中应给出加横线符号中的标识符,见图7(b).
图7 加横线符号及其详细表示
7.流线
(1)标准流向与箭头的使用
流线的标准流向是从左到右和从上到下.沿标准流向的流线可不用箭头指示流向,但沿非标准流向的流线应用箭头指示充向.
(2)流线的交叉
应当尽量避免流线的交叉.即使出现流线的交叉,交叉的流线之间也没有任何逻辑关系,并不对流向产生任何影响,如图8(a)所示.
(3)流线的汇集
两条或多条进入线可以汇集成一条输出线,此时各连接点应要互错工以提高清晰度,并用箭头表示流向,如图8(b)所示.
图8 汉线的交叉与流线的汇集
(4)符号流线进出
一般情况下,流线应从符号的左边或项端进入,并从右边或底端离开.其进出点均应对准符号的中心.
(5)连接符
为避免出现流线交叉和使用长线,或某个流程图能在另一页上延续,可用连接符将流线截断.截断始端的连接符称为出口连接符,载断末端的连接符称为入口连接符.两连接符中用同一标识符.
换页截断可用与连接符相连的注解符表示,如图9所示.
图9 出口连接符与入口连接符
8.多出口判断的两种表示方法
(1)直接从判断符号引出多条流线,如图10(a)所示.
(2)从判断符号引聘条流线,再从它引出多条流线,如图10(b)所示.
图10 多出口判断
多出口判断的每个出口都应标有相应的条件值,用以反映它所引出的逻辑路径,如图11所示.
图11 多出口判断出口处标出条件值
四, 示例。