模板(现浇结构模板安装)
- 格式:doc
- 大小:118.50 KB
- 文档页数:1
现浇结构模板安装的允许偏差,轴线方向为一、背景介绍在现浇结构的施工中,模板安装是一个重要的环节。
在模板安装的过程中,允许存在一定的偏差,但是这些偏差需要在一定范围之内,以保证结构的稳定和安全。
二、偏差的定义在现浇结构模板安装中,偏差是指模板在安装过程中与设计要求或轴线方向之间的差值。
偏差可分为水平偏差和垂直偏差两种,它们对结构的影响不同。
2.1水平偏差水平偏差是指模板安装后在水平方向上与轴线方向之间的差值。
水平偏差主要会对结构的平整度和外观造成影响,过大的偏差会导致施工后的结构不平整。
2.2垂直偏差垂直偏差是指模板安装后在垂直方向上与轴线方向之间的差值。
垂直偏差主要会对结构的垂直度和高度造成影响,过大的偏差会导致施工后的结构不垂直或高低不一。
三、允许的偏差范围为了保证现浇结构的质量和安全,模板安装的允许偏差需要在一定范围内。
根据相关规范和标准,以下是一般情况下的允许偏差范围。
3.1水平偏差允许范围在水平偏差方面,允许的偏差范围通常为:-室内墙体:每层高度不超过10mm;-外墙模板:每层高度不超过20mm;-地板模板:每层跨度不超过25mm。
3.2垂直偏差允许范围在垂直偏差方面,允许的偏差范围通常为:-室内墙体:每层高度不超过10mm;-外墙模板:每层高度不超过20mm;-梁柱模板:每层高度不超过25mm。
四、偏差的控制与调整为了保证模板安装的精度和减小偏差的产生,需要进行以下方面的控制与调整。
4.1前期准备工作在模板安装前,需要进行仔细的准备工作,包括:-核对结构设计和施工图纸,确保准确无误;-检查模板的尺寸和质量,确保符合要求;-测量基准线和轴线,为安装提供准确的参考。
4.2安装过程中的检查与调整在实际安装过程中,需要进行及时的检查与调整,包括:-使用测量工具进行准确的尺寸测量;-根据测量结果进行模板的调整和校正;-确保模板的水平和垂直度达到要求。
4.3后期验收与修正在模板安装完成后,需要进行验收和修正工作,包括:-检查已安装的模板是否符合要求;-如有必要,进行偏差的修正和调整;-确认修正后的模板达到设计要求。
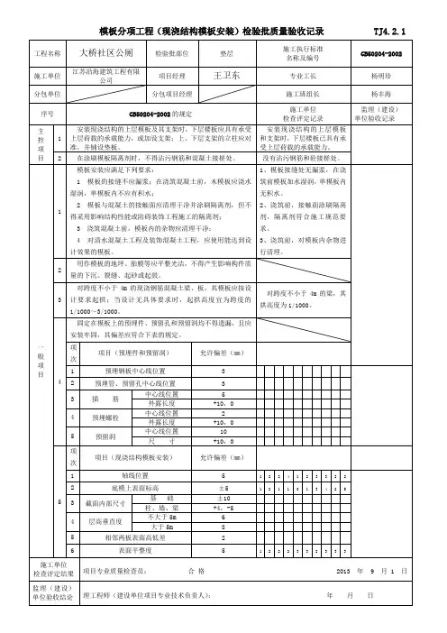
模板安装质量验收标准模板安装质量验收标准提要:模板板缝拼接严密、平整、无错台,模板拼缝部位设置的海绵条等防漏浆措施不得影响结构观感质量模板安装质量验收标准1、现浇结构模板安装允许偏差项次项目允许偏差(mm)检查方法1轴线位移柱、墙、梁3尺量2底模上表面标高±3水准仪或拉线检查3截面模内尺寸基础±5尺量柱、墙、梁±34层高垂直度层高不大于5m3经纬仪或吊线、尺量大于5m55相邻两板表面高低差2尺量6表面平整度2靠尺、塞尺7阴阳角方正2方尺、塞尺顺直2线尺尺寸+5、-0胶合板的质量要求胶合板的翘曲度≤1%胶合板的尺寸公差长度公差±3mm厚度公差12±对角线之差≤5mm拼缝缝隙最宽处≤板边缺损≤10mm胶合板模板加工的质量要求检查内容允许误差(mm)长度2宽度2对角线4边缘平直2边缘毛刺无2、模板安装观感质量模板板面平整、光滑,尺寸准确,尺寸偏差不大于2mm,背楞焊接牢固,刚度足够。
模板背楞在支架部位预留园孔,要求无扭曲、破损、毛刺,位置准确,操作平台、支架安装牢固。
模板板缝拼接严密、平整、无错台,模板拼缝部位设置的海绵条等防漏浆措施不得影响结构观感质量。
胶合板表面不得有水泥浮浆,表面的杂物应擦洗干净。
顶板模板板缝采用硬拼的方式,不得采用粘贴胶带的方法。
因周转使用的结果,板缝部位如有毛刺应及时弹线切去,以保证板缝效果。
模板内外清理干净,脱模剂的涂刷应均匀、无漏刷、对工作面上的钢筋无污染,清理干净的模板材料应标识明确、堆放整齐。
支撑体系要安装牢固,无松动现象,板缝拼缝紧密,不变形不漏浆。
螺栓及"U"型卡、"3"型卡均应按设计要求安装到位,各板缝海绵条不得遗漏,不得嵌入柱内部。
混凝土结构的模板施工标准做法及要点1、模板的安装“模板与支架应有足够的承载能力、刚度和稳定性,能可靠地承受砼的重量、侧压力及施工荷载”,这条强制性条文是模板安装的最基本要求,也是施工安全和施工质量必须的保证,主体必须采用定型钢模板和大模板。
2、模板的清理模板上的灰浆应清除干净,用脱模剂涂刷均匀,但不得采用有影响结构性能或妨碍装修的隔离剂。
3、模板的拆除1模板过早的拆模,砼强度不够,容易造成结构沉降变形、开裂,甚至坍塌,所以一定要按照规范规定的强度要求进行拆模;2在楼面堆放的模板集中荷载不得超重。
4、梁、板的支模标准作法:1当梁底模板跨度≥4m时,应进行起拱,起拱高度为梁跨度的1/1000~3/1000,先主梁起拱,后次梁起拱,起拱线要顺直,不得有折线。
梁高超过75cm时,应考虑采用对拉螺栓进行固定;2模板的位置、轴线、垂直度、高宽应符合设计要求。
最好在支模时小半公分,一不违反规范规定要求,二又保证了砼的截面尺寸不超标,三又节约了砼材料。
3梁、柱接头处应拼缝平整、边角顺直,如果梁柱接头处不赶模数要加小条模板的话,不能加在梁柱接头处,应加在梁的中部,避免出现梁柱梁接头处涨模和缩径质量通病。
4现浇板的板缝,应采取粘贴海绵条的方法,避免砼出现漏浆质量通病。
5打砼前梁内的垃圾用吸尘器清理干净,木模板应浇水湿润。
6设置预先制作好的定位筋,控制框架柱的主筋间距;7现浇板的板缝,应采取粘贴2cm厚、5cm宽海绵条的方法,避免框架柱根部砼出现漏浆质量通病。
8顶板支模的标准作法:①模板安装:应平整、不漏浆、不错台、不跑模。
堵缝的海绵条、泡沫塑料不得突出模板面,模板的支架与基土接触应加设垫板,防止出现下沉现象。
②板底标高的控制:主体施工完后,应在面层的墙面上弹出50或1m标高控制线,看图纸时,一定要搞清楚建筑标高和结构标高的尺寸,明确支模后板底的正确标高尺寸,我们在检查时,就可以根据50线来检查板底的标高是否正确。
板面的缝隙原来要求可以采用贴胶带,因为影响到装修问题,现在有些地区都已经取消了这个要求,可以采用夹海绵条的办法解决。
模板安装与拆除技术交底二、编制依据1、本工程施工图纸及施工组织设计2、标准、规范、规程、及其他:三、施工条件梁板承重架采用扣件式钢管脚手架,由扣件、立杆、横杆、支座组成,采用φ48×2.75钢管。
框架梁、剪力墙侧向约束体系为扣件式钢管脚手架与M14对拉螺栓相结合的方式。
具体施工工艺见本章节。
1、施工准备1、作业条件复核楼层轴线、墙身线、清扫干净墙身部位杂物。
所有线已经复核预检。
墙暗柱、墙体、连梁钢筋绑扎完毕,水电预埋箱、盒、预埋件,并办好隐检,钢筋保护层垫块、钢筋骨架拉结筋间距、数量应满足设计要求,水平、竖向梯子筋安装到位,钢筋有可靠的定位措施。
墙体根部贴20mm厚泡沫海棉条(密度应稍大一点),以防模板下口跑浆,注意海绵条不得伸人墙内。
模板安装前,墙体与顶板间施工缝应处理完毕;墙体与墙体间竖向施工缝已处理完毕,并已经隐检。
施工时,楼层板面混凝土强度应不小于1.2MPa。
即用手按不松软、无痕迹,方可上人开始进行轴线投测。
2、工器具准备塔吊、专用扳手、撬棍、钉锤、线坠、盒尺、水平尺等。
2、模板安装的一般要求竖向结构钢筋等隐蔽工程验收完毕、施工缝处理完毕后准备模板安装。
安装柱模前,要清除杂物,焊接或修整模板的定位预埋件,做好测量放线工作,抹好模板下的找平砂浆。
模板组装要严格按照模板配板图尺寸拼装成整体,模板在现场拼装时,要控制好相邻板面之间拼缝,两板接头处必须设置海绵双面贴,以防漏浆,模板周转使用过程中,每次使用必须涂刷脱模剂,以保证模板周转次数和砼表面质量。
拼装的精度要求如下:○1、两块模板之间拼缝≤1○2、相邻模板之间高低差≤1○3、模板平整度≤2○4、模板平面尺寸偏差±33、模板支撑工艺A、框架梁模板1)、支模程序复核轴线→搭设支模架→支梁底模→梁模起拱→支梁侧模→固定梁模夹→支梁、柱节点模板→检查校正→相邻梁模固定2)、支模方法复核轴线,在模板安装前,根据测量标记在墙或柱上弹出梁的标高及中心线和模板安装控制内边线,并按满堂脚手架设计要求定出支模架立柱位置线。
GB50204-2002 目录号:4.1.10.4.16 共(检验批)模板安装(现浇结构)检验批质量验收记录第
GB50204-2002 目录号:4.1.10.4.16 共(检验批)模板安装(现浇结构)检验批质量验收记录第
GB50204-2002 目录号:4.1.10.4.16 共(检验批)模板安装(现浇结构)检验批质量验收记录第
GB50204-2002 目录号:4.1.10.4.16 共(检验批)模板安装(现浇结构)检验批质量验收记录第
GB50204-2002 目录号:4.1.10.4.16 共(检验批)模板安装(现浇结构)检验批质量验收记录第
GB50204-2002 目录号:4.1.10.4.16 共(检验批)模板安装(现浇结构)检验批质量验收记录第
GB50204-2002 目录号:4.1.10.4.16 共(检验批)模板安装(现浇结构)检验批质量验收记录第
目录号4.2.7.11 GB50242-2002
室内采暖辅助设备及散热器安装检验批质量验收表
目录号4.2.7.11 GB50242-2002
室内采暖辅助设备及散热器安装检验批质量验收表。
现浇结构模板安装的允许偏差及检验方法篇一:现浇结构模板安装的允许偏差及检验方法现浇结构模板安装的允许偏差及检验方法预埋件和预留孔洞的允许偏差预制构件模板安装的允许偏差及检验方法注:L为构件长度(mm)。
注:检查轴线位置时,应沿纵、横两个方向量测,并取其中的较大值。
篇二:现浇结构模板安装的允许偏差及检验方法现浇结构模板安装的允许偏差及检验方法篇三:现浇结构模板安装的允许偏差及检验方法梁模板安装施工流程弹出梁轴线及水平线并进行复核→搭设梁模板支架→安装梁底楞→安装梁底模板→梁底起拱→绑扎钢筋→安装梁侧模板→安装另一侧模板→安装上下锁品楞、斜撑楞、腰楞和对拉螺栓→复核梁模尺寸、位置→与相邻模板连接牢固→办预检一、质量保证措施1、施工质量关1)认真仔细地学习和阅读施工图纸,吃透和领会施工图的要求,及时提出不明之处,遇工程变更或其他技术措施,均以施工联系单和签证手续为依据,施工前认真做好各项技术交底工作,严格按国家颁行《混凝土结构工程施工质量验收规范》GB50204-2002和其它有关规定施工和验收,并随时接受业主、总包单位、监理单位和质监站对本工程的质量监督和指导。
2)认真做好各道工序的检查、验收关,对各工种的交接工作严格把关,做到环环扣紧,并实行奖罚措施。
出了质量问题,无论是管理上的或是施工上的,均必须严肃处理,分析质量情况,加强检查验收,找出影响质量的薄弱环节,提出改进措施,把质量问题控制在萌芽状态。
2、严格落实班组自检、互检、交接检及项目中质检“四检”制度,确保模板安装质量。
3、混凝土浇筑过程中应派专人2~3名看模,严格控制模板的位移和稳定性,一旦产生移位应及时调整,加固支撑。
4、对变形及损坏的模板及配件,应按规范要求及时修理校正,维修质量不合格的模板和配件不得发放使用。
5、为防止模底烂根,放线后应用水泥砂浆找平并加垫海绵。
6、所有柱子模板拼缝、梁与柱、柱与梁等节点处均用海绵胶带贴缝,楼板缝用胶带纸贴缝,以确保混凝土不漏浆。
预埋件和预留孔洞的允许偏差
现浇结构模板安装的允许偏差及检验方法
检验方法:检查同条件养护试件强度试验报告。
2.重量负偏差(%)按公式(Wo-Wd)/ Wo×100计算,其中Wo为钢筋理论重量(kg/m), Wd为调直
后钢筋的实际重量(kg/m);
3.对直径为28mm~40mm的带肋钢筋,表中断后伸长率可降低1%;对直径大于40mm的带肋钢筋,表
中断后伸长率可降低2% 。
注1 检查预埋件中心线位置时,应沿纵、横两个方向量测,并取其中的较大值。
2 表中梁类、板类构件上部纵向受力钢筋保护层厚度的合格点率应达到90%及以上,且不得有超过表中数值1.5倍的尺寸偏差。
现浇结构外观质量缺陷
注:检查轴线、中心线位置时,应沿纵、横两个方向量测,并取其中的较大值。
预制构件尺寸允许偏差和检验方法
取其中的较大值;
3.对形状复杂或有特殊要求的构件,其尺寸偏差应符合标准图或设计的要求。
注:热轧钢筋系数指HPB235级、HRB335级、HRB400级和RRB400级钢筋。
现浇结构模板安装平行检验记录表1. 引言本检验记录表适用于现浇结构模板安装平行检验,旨在确保安装过程中模板的平行度符合设计和施工要求,以保证现浇混凝土结构的稳定性和强度。
2. 检验目的本检验的目的是验证现浇结构模板的平行度是否符合设计和施工要求,以确保模板安装的准确性和结构的稳定性。
检验结果将作为决策和质量控制的依据,确保施工工艺的合理性和施工质量的可控性。
3. 检验范围检验范围包括现浇结构模板的安装过程中的平行度检验,涉及模板的选择、定位、调整和固定等环节。
4. 检验仪器和设备•测量尺•水平仪5. 检验过程5.1 模板选择根据设计图纸和施工要求,选择适当的模板进行安装。
5.2 模板定位根据设计要求和实际情况,在基础或者已施工好的墙体上确定模板的位置,并进行标记。
5.3 模板调整使用测量尺和水平仪,对模板进行调整,使其达到水平状态。
在调整过程中,需要两人配合,一人持测量尺进行测量,一人持水平仪调整模板。
5.4 模板固定模板调整至水平后,使用螺栓或扣件等固定装置将模板牢固地固定在基础或墙体上。
5.5 平行度检验使用测量尺对相邻的模板进行平行度检验,测量并记录模板上、中、下部分的间距差异。
测量时,将测量尺放置在模板上端,记录下相邻模板的间距。
然后将测量尺放置在模板中部和下部,重复测量并记录。
5.6 重复检验重复进行5.3至5.5步骤的检验过程,确保模板的平行度符合要求。
如有需要,可以进行多次检验并记录。
6. 数据记录与分析根据检验过程中的测量结果,将测量数据记录在下表中:模板编号上部间距(mm)中部间距(mm)下部间距(mm)123…根据测量数据,计算平行度的差异,并进行分析和比较。
如果测量结果符合设计和施工要求,则模板安装平行度合格;如果差异过大,则需要重新调整和安装模板。
7. 结论与建议根据数据分析结果,得出结论并提出相应的建议。
如果模板安装平行度符合要求,则结论为合格,并可以进行后续施工;如果模板安装平行度不符合要求,则结论为不合格,并建议重新调整和安装。
模板安装和拆除施工工艺标准GXEJ/QB09-2003本工艺标准适用于一般工业与民用建筑现浇钢筋砼模板安装及拆除。
一、材料要求1、木模板、木支撑所用木材应选用质地坚硬、无腐朽的松木和杉木,不宜低于Ⅲ等材,含水率应低于25%,不得采用有脆性、严重扭曲和受潮后容易变形的木材。
必要时按《木结构设计规范》进行设计。
当木材含水率小于25%时,容许应力可提高15%。
2、金属模板、支承工具及其配件所用钢材应符合3号钢标准。
必要时按《钢结构设计规范》进行设计,钢材的容许应力值可提高25%。
当采用弯曲薄壁型钢时应符合《弯曲薄型钢结构技术规范》的规定,钢材容许应力不予提高。
3、钢管扣件应采用KT33-8可锻铸铁加工件。
4、胶合板模板、塑料模板等可根据各地区具体条件采用,但必须具有足够的强度和刚度,能可靠地承受所浇捣混凝土的重量、侧压力以及施工中所产生的荷载。
5、嵌缝材料和脱模剂等,可根据具体情况采用,但应满足工程质量要求。
二、主要机具设备1、施工机械:电锯、电钻、电动扳手、电焊机等。
2、主要工具:斧、锯、钉锤、水平尺、钢尺、钢卷尺、线锤、钢丝刷、毛刷、小油漆桶、小白线、墨斗、撬杠、起子等。
三、作业条件1、施工图纸及有关资料齐全。
2、施工方案已编,审批手续完备。
3、已组织技术交底和安全技术交底。
4、施工机具、材料已按计划进场。
5、操作所需的脚手架已搭设完毕,有足够的支模空间。
6、测量控制及轴线、标高等能满足施工要求。
四、操作工艺1、模板及其支撑系统的设计和安装应符合下列规定:2、应保证结构和构件各部位形状、尺寸的准确,误差应在允许范围内。
(1)应具有足够的稳定性、强度和刚度,在混凝土浇灌过程申,不变形、不位移。
(2)模板及其支撑系统应考虑便于装拆,损耗少,周转快。
(3)模板的接缝应严密,不漏浆。
3、模板及支架的设计和配制,应根据工程结构形式、施工设备和材料供应等条件而定。
复杂的混凝土结构应做好配板设计,包括模板平面分块图、模板组装图、节点大样图、零件加工图及支撑系统、穿墙螺栓的设置和间距等。
模板安装须符合规定(通用版)
模板安装须符合下如规定:
1、模板安装前应对操作人员进行技术交底。
2、现浇钢筋混凝土梁、板,模板应按设计要求起拱。
当设计无具体要求时,当跨度等于或大于4m时,起拱高度宜为全路长度的1/1000~3/1000。
3、采取分层分段支模的方法,安装上层模板及其支架应满足下列要求:
1)下层楼板应具有承受上层荷载的承载能力或加设支架支撑;
2)上层支架的立柱应对准下层支架的立柱,并铺设垫板;
3)固定在模板上的预埋件和预留孔洞均不得遗漏,安装必须牢固,位置准确;
4)注意控制模板安装的偏差。
4、模板工程完成后要按照设计图纸要求检查轴线位置、相邻标高关系、几何尺寸、形状、垂直度等,并仔细检查各构件是否牢固,经质安员、技术员复核合格后方能浇筑混凝土。
5、在浇筑混凝土过程中派专人经常检查,如发现变形、松动等现象,应及时修整牢固。
6、模板安装和预埋件、预留孔洞的允许偏差和检验方法必须符合有关规定。
7、模板及其支架必须保证工程结构和构件各部分形状尺寸和相互位置正确。