楼控自控系统安装工艺标准
- 格式:doc
- 大小:154.00 KB
- 文档页数:10
楼宇自控系统施工方法1.1施工方案1.1.1建筑设备监控系统施工方法1.安装施工方案1)DDC安装与接线各DDC之间通讯线采用RVVP2*1.0。
DDC安装位置应尽量放在弱电井或监控机电设备附近,就近配置所需电源。
2)电动调节阀安装应垂直安装在水平管道上,同时应考虑设置旁通管路,以便检修和手动操作。
安装时,应避免对调节阀带来附加应力,管道较长的地方,应安装支架,振动剧烈处,采用避振措施,大口径调节阀应避免倾斜。
注意介质流向与阀体上流向标志一致。
3)各类传感器的安装根据技术要求进行安装。
其安装位置与设计院、供应商共同商定最佳位置,以确保数据采集的正确性和提高测试精度。
4)线路敷设用电设备、开关、电磁阀、阀门执行器控制线路可共管敷设。
直流控制回路、直流信号回路、阀门反馈信号回路测量回路、通信回路可共管敷设,不得与用电设备、开关、电磁阀、阀门执行器控制线路共管敷设。
5)系统接地系统地:直接搭接建筑物接地装置。
现场地(工作地):集中于一点后,直接搭接建筑物接地装置。
通信地:通信电源采用浮空地方式运行故不接地。
屏蔽地:同一根屏蔽电缆屏蔽层可靠连接,然后只能在一端接地。
保护地:直接搭接建筑物接地装置。
2.系统调试方案调试应具备的条件:BA系统的全部设备包括现场的各种阀门、执行器、传感器等全部安装完毕,线路敷设和接线全部符合设计图纸的要求。
BA系统的受控设备及其自身的系统不仅安装完毕,而且单体或自身系统的调试结束;同时其设备或系统的测试数据必须满足自身系统的工艺要求,例如空调系统中的冷水机组其单机运行必须正常,而且其冷量和冷冻水的进出口压力、进出口水温等必须满足空调系统的工艺要求。
检查BAS与各系统的联动、信息传输和线路敷设等必须满足设计要求。
常规检查a.按图纸和设备配置资料,核对、检查设备数量,插件位置,部件结构及缺损情况。
b.按前述安装要求和产品技术要求检查设备的安装情况。
c.检查设备线路的连接及标记情况。
楼宇自控系统施工工艺与安装要求2016-09-24前言:最近工程一直在做楼宇自控系统,薛哥整理了一些楼控施工面的容分享给大家正文:1.DDC箱的安装要求DDC箱运到现场,认真开箱检查DDC箱的控制器、模块等元器件是否完整无损,根据设备装箱清单,施工图纸,核对型号规格,部件是否齐全,做好记录。
1.1DDC箱的安装1.1.1DDC箱安装应牢固,高度尽量与就近的低压控制柜一致,垂直偏差度应不大于1.5mm,柜面标示完整清晰,漆面如有脱落应在验收前予以补漆。
1.1.2柜控制器、模块等安装牢固,端子配线正确,接触紧密,各种零件不得脱落或碰坏。
1.2.3DDC箱定位合理(省料、便维修、不与其它专业冲突),安装牢固端正、其垂直偏差不应大于1.5mm。
固定法按施工现场条件而定,宜采用预置膨胀螺钉。
安装的具体位置应综合考虑围环境的美观、操作的便与屏蔽效果。
1.2.4箱体开合适,切口整齐。
暗配DDC箱箱盖紧贴墙面;零线经汇流排连接;无校接现象;油漆完整;箱外清洁;箱面标牌正确;箱盖开关灵活;器件、回路编号齐全;端子排接线整齐;PE线安装明显牢固。
1.2.5DDC箱相关控制回路安装完毕后,先用万用表检测线路通断,再用500V兆欧表对线路进行绝缘测量。
特别强调:所有DDC箱及底座、金属管线必须与PE线可靠连接。
可开启的箱门用多股软导线与PE线连接。
DDC箱的上不应敷设管道,箱底座围应采取封闭措施,并能防止鼠、蛇等小动物进入箱。
按系统设计图检查主机、网络控制设备、UPS、打印机、HUB 集选器等设备之间的连接电缆型号以及连接式是否正确。
尤其要检查其主机与DDC之间的通讯线,要有备用线。
DDC箱的部接线及外部接线必须按设计图施工,接线正确,连接可靠,电缆芯线和所配导线的端部均应标明其回路编号,编号应为永久性标志,导线绝缘良好,不应有接头,箱采用的线材应符合设计要求,敷设时应有合适的裕量。
2.温、湿度传感器的安装2.1温、湿度传感器的安装位置不应安装在直射的位置,远离有较强振动、电磁干扰的区域,其位置不能破坏建筑外观的美观与完整性,室外形温、湿度传感器应有防风雨保护罩。
前言:最近工程一直在做楼宇自控系统,薛哥整理了一些楼控施工方面的内容分享给大家正文:1.DDC箱的安装要求DDC箱运到现场,认真开箱检查DDC箱内的控制器、模块等元器件是否完整无损,根据设备装箱清单,施工图纸,核对型号规格,部件是否齐全,做好记录。
1.1DDC箱的安装1.1.1DDC箱安装应牢固,高度尽量与就近的低压控制柜一致,垂直偏差度应不大于1.5mm,柜面标示完整清晰,漆面如有脱落应在验收前予以补漆。
1.1.2柜内控制器、模块等安装牢固,端子配线正确,接触紧密,各种零件不得脱落或碰坏。
1.2.3DDC箱定位合理(省料、方便维修、不与其它专业冲突),安装牢固端正、其垂直偏差不应大于1.5mm。
固定方法按施工现场条件而定,宜采用预置膨胀螺钉。
安装的具体位置应综合考虑周围环境的美观、操作的方便与屏蔽效果。
1.2.4箱体开孔合适,切口整齐。
暗配DDC箱箱盖紧贴墙面;零线经汇流排连接;无校接现象;油漆完整;箱内外清洁;箱面标牌正确;箱盖开关灵活;器件、回路编号齐全;端子排接线整齐;PE线安装明显牢固。
1.2.5DDC箱相关控制回路安装完毕后,先用万用表检测线路通断,再用500V兆欧表对线路进行绝缘测量。
特别强调:所有DDC箱及底座、金属管线必须与PE线可靠连接。
可开启的箱门用多股软导线与PE线连接。
DDC箱的上方不应敷设管道,箱底座周围应采取封闭措施,并能防止鼠、蛇等小动物进入箱内。
按系统设计图检查主机、网络控制设备、UPS、打印机、HUB集选器等设备之间的连接电缆型号以及连接方式是否正确。
尤其要检查其主机与DDC之间的通讯线,要有备用线。
DDC箱内的内部接线及外部接线必须按设计图施工,接线正确,连接可靠,电缆芯线和所配导线的端部均应标明其回路编号,编号应为永久性标志,导线绝缘良好,不应有接头,箱内采用的线材应符合设计要求,敷设时应有合适的裕量。
2.温、湿度传感器的安装2.1温、湿度传感器的安装位置不应安装在阳光直射的位置,远离有较强振动、电磁干扰的区域,其位置不能破坏建筑外观的美观与完整性,室外形温、湿度传感器应有防风雨保护罩。
楼宇自控系统安装规范为保证系统顺利安装调试成功,现场工程师、工长应遵守以下规则:1.管线、桥架、分线盒的敷设、预埋,依照《民用建筑电气设计规范》要求执行;2.据现场条件严格掌握安装时机。
取得业主谅解,尽量拖后相关设备的安装期限直至现场保护接近于合理情况时为止。
由于工期要求必须安装的设备3.在安装设备前,对于所要安装设备的做到明确了解:①工作环境要求,诸如是否防水,耐温、耐压额定值,接地参数等;②实际工况是否满足工作环境要求。
如不能,应设法改善,以避免设备损坏;③被监控设备接口是否满足楼宇自控系统要求;④安装位置选择:传感器应安装在能正确反映被测参数的位置上;安装位置应留出维护空间,以便正常校压线,必要时方便拆卸。
在满足设备自身安装要求的前提下,带有就地显示的传感器、阀门执行器的指针盘要尽量朝向便于观察的方向。
⑤安装步骤;4.在插拔设备、校压线时应断电操作,禁止带电穿线、压接线;5.安装技工在校压线时,要首先确认被测信号满足控制器及扩展模块的输入额定值要求,确保没有将强电信号引入。
当测量诸如电控柜(箱)、配电柜等强电设备的状态、故障时,要注意如何使用万用表:①首先万用表置于交流电压高档位,分别测量被测设备在运行和停止时的输出信号是否带有强电信号,保证人员(>36V AC)及设备(>24V AC)安全;②其次万用表置于直流电压适当档位,分别测量被测设备在运行和停止时的输出信号是否无源,保证设备正常工作,注意:高于24VDC的信号仍能损坏系统设备;③再将万用表置于电阻档位,分别测量被测设备在运行和停止时的输出信号是否等于(或近似)零和无穷大。
6.在确认被测信号满足要求之后,方可压线。
同一端子接线孔中不得超过2根线;7.压线前必须校线,线两端穿有明确、唯一标识的套号;8.安装、接线完毕后,离开前,要清理现场,保证施工环境的整洁;9.无论是进口设备还是国产设备,现场工程师在设备安装前一定要熟悉其安装要求,对于不熟悉的设备要认真阅读安装说明书,并将相关注意事项详细告知负责安装的人员。
楼宇自控系统施工工艺(总18页)本页仅作为文档页封面,使用时可以删除This document is for reference only-rar21year.March楼宇自控系统1.1施工工艺流程DDC控制器箱体安装→金属管敷设(指定终端设备位置)→楼宇控制前端设备安装→线缆敷设→校接线→终端机房设备安装接线→前端设备调试→DDC单体调试→系统联调。
1.2桥架和管路施工在楼层吊顶设备层内,除智能化系统的主干桥架与分支管线外,还有强电部分的供电桥架、空调系统的通风管道、给排水系统的上下水管道、消防工程的主干管道等等。
因此在进行该项施工时,必须与其它施工单位密切配合、相互协调,尽量避免“管线打架”相互扯皮,而造成返工。
根据小让大的原则,智能化系统的主干线的主干桥架最好在上述管道基本完成后再进行。
1.2.1桥架施工要求主干桥架的施工要严格按照设计要求和施工规范进行,在开始敷设前要进行放线定位,其走向应与建筑物轴线平行。
主干桥架的安装方式,吊顶内宜采用倒龙吊架和Ф10—12mm圆钢,沿墙采用三角型支架。
吊架或支架的间距一般为2000mm。
考虑到桥架在调整、布线及今后检修维护过程中可能会上人蹬踏,必须有一定的承载能力,因此倒龙门吊架每隔6—8米应采用角钢制作。
考虑到吊顶内还有灯具(嵌入式)的安装,主干桥架与分支管线的最低安装高度应高于吊顶200mm。
支架安装应注意以下要点:在金属结构上,采用焊接方法固定;在混凝土结构上,采用膨胀螺栓固定;支架必须固定牢固,整齐美观,支架间距要保持均匀;支架不得安装在具有较大震动、热源、腐蚀性液滴的位置,也不得安装在具有高温、高压、腐蚀性及易燃易爆等介质的设备、管道以及能移动的构筑物上。
为了保证智能化系统的可靠接地,桥架的节间除用连接板连接外,还应用等电位铜带作连接。
等电位铜带每隔20—30米还应与大楼联合接地系统引出的接地点可靠连接,以保证整个智能化系统的接地电阻不大于1Ω。
楼宇自动化控制系统安装施工方案一、概述二、系统组成1.智能控制器:负责接收各个子系统的信号并进行处理和控制。
2.传感器:用于获取各种信息,如温度、湿度、光强等。
3.执行机构:负责执行控制指令,如电机、电磁阀等。
4.通信网络:用于传输数据和指令,如以太网、RS485等。
5. 控制软件:用于管理和控制系统,如Supervisory Control And Data Acquisition (SCADA) 系统。
三、施工步骤1.系统设计:根据楼宇特点和需求,进行系统设计。
包括确定所需的子系统、传感器、执行机构等,并进行系统框图的绘制和详细的技术参数说明。
2.材料选购:根据设计方案,选购合适的设备和材料。
注意设备的性能和质量,以确保系统的稳定运行。
3.施工准备:准备所需的设备、工具和材料,并对施工场地进行清理和布置,确保施工的顺利进行。
4.电缆敷设:根据系统框图,对各个设备之间进行电缆敷设。
注意敷设过程中避免电缆的弯曲和损坏,保证信号的传输质量。
5.控制设备安装:安装智能控制器和各种传感器和执行机构。
注意准确连接各个设备的线缆,并进行适当的校验和测试,确保设备的正常工作。
6.调试和联调:对安装好的设备进行调试和联调,包括对各个子系统的信号和指令进行测试,确保系统的正常运行。
7.控制软件安装:安装控制软件,并进行相应的配置和参数设置。
对软件进行测试,确保软件和系统的正常配合。
8.系统验收:进行系统的整体测试和验收,确保系统按照设计要求正常运行。
与业主进行沟通和交流,对系统进行相应的调整和改进。
9.系统维护和监管:对安装好的系统进行定期的维护和监管,保证系统的长期稳定运行。
四、安全措施在进行楼宇自动化控制系统的安装施工过程中,必须要有相应的安全措施来保证施工人员和设备的安全:1.给施工人员提供必要的安全培训,确保他们了解相关的安全知识和操作规范。
2.在施工现场设置警示标志和安全警戒线,确保施工现场的安全。
3.对施工现场进行定期巡查和检查,及时发现和排除安全隐患。
备案号:企 业 安 装 标 准QB/001 005028-2015 iGE-5000模块化楼宇节能控制系统于2015-05-28发布,自2015-06-01起实施北京际亿智能科技有限公司发布Beijing GE Intelligent Technology Co.,LTD楼宇自控系统设备的安装标准1 应用范围1.1 本章内容适用于智能建筑物内楼宇设备监控系统或楼宇设备自动化系统(BAS)工程的施工及验收。
1.2 BAS工程的施工,除执行本章的规定外,还应符合设计施工图纸、产品安装使用说明书的要求。
1.3 BAS工程的施工,应做好与建筑、电气、暖通空调、装饰等专业的配合工作。
2 规范文件2.1 BAS工程中的电气安装工作,应符合现行国家标准《智能建筑工程质量验收规范》GB50339-2013的规定。
2.2 BAS工程所采用的设备及主要材料除符合供应商提供的技术标准外,应符合国内现行的有关的标准与规范。
3 楼宇自控系统的安装3.1 一般规定3.1.1 楼宇自控系统(BAS)工程应具备下列条件方可施工:1 设计施工图纸、有关技术文件及必要的设备安装使用说明书已齐全;2 施工图纸已经过会审;3 已经过技术交底和必要的培训等技术准备工作;4 施工现场已具备楼宇自控系统(BAS)工程的施工条件。
3.1.2设备外观检查:1 根据设计图纸和合同规定,检查设备的型号、规格、数量、产地等主要技术数据、性能是否相符。
2 检查设备的主要尺寸、安装位置是否符合设计要求、设备外表有无变形、缺陷、脱漆、破损、裂痕、撞击痕迹等。
3 印刷电路板质量检查:有无变形、接插件接触可靠、焊点均应光滑发亮,不能有腐蚀现象,不允许用外接线。
4 设备柜内外配线检查:应无缺损、断线、配线标记是否完善。
5 设备的接地应符合图纸和本规定的要求,连接牢固、接触良好。
6 设备内外接线应紧密,无松动现象、无裸露导电部分。
7 设备接线端子引出的屏蔽电缆的屏蔽线接地检查,应满足本规定的要求。
楼宇设备自控系统(BAS)施工要求1.安装A.所有铜电缆应在线槽或线管内布线;垂直电缆则可以直接置放在电缆托架上或线槽内。
须按照被批准的方法将所有电缆固定于槽箱和托架上。
B.承包单位有责任提供为了正确地完成安装工作所需的任何专用安装设备或工具。
这将包括终接电缆设施、电缆测试和接线设施、通讯设施、电缆转盘的支撑架、或其它安装电缆所需的工具。
C.在没有合适垫具的情况下,承包单位不得卷动或贮存电缆转盘。
D.承包单位不应沿电力线路旁安装任何电缆,或与其它电气器具共享同一根线管、线槽或套管。
E.承包单位应保证在安装过程中的任何时间不使电缆超过最大允许的拉力。
承包单位也应保证在安装过程中电缆的最小弯曲半径不超过所指定的极限。
如不遵守相应的导则,承包单位将被要求提供正确改正情况所需的添加材料与费用。
F.承包单位在安装任何设备或电子部件时应尽可能接近配线架,并考虑将来的发展以便于管理与服务。
G.承包单位在自己安装完毕的电缆管和入口洞处须用被批准的防火材料密封。
H.承包单位所安装的线管道,若长度超过30m或90°弯头超过2个,则一定要使用合适尺寸接线箱,但应符合国际。
I.承包单位应提供本合同所规定的所有电缆所需的终接工具、工具箱以及其它附件。
2.电磁干扰的分离带有不同种类信号或不同电压的设备如集装在一个共享的容器内,应按供货商的有关要求,有效地与任何其它一类的设备屏蔽以避免电磁干扰。
3.电缆的安排根据图纸或规格说明书的要求提供一切必需的电缆插销、插座、接头耳等等,并按照电缆的种类与入口方向把它们固定于安装板和安装带上。
4.电缆的终接A.不要让已绝缘的导体触及未绝缘的有电部件或锐利的边缘。
B.每个终端只能连接一条电缆导体。
在一个终端连接两条或更多导体将不会被接受。
5.接地A.承包单位应负责在所有新安装的电缆框架上提供一个被批准的接地点,并保证能正确地与任何现有设施连接。
承包单位还须负责正确地将所有有关的电缆、包合体、柜、服务箱、和框架连接起来以保证接地地延续性。
楼宇自控系统主要施工方法一、施工程序施工准备→电管预留预埋→桥架安装→设备开箱、检验、材料检验→DDC 控制器箱体及辅控箱安装→风管仪表安装→水管仪表安装→房间仪表安装→现场仪表、控制屏至各DDC 控制器的保护管敷设→缆线敷设→校接线→终端机房设备安装接线→仪表单回路调校→各DDC 子系统调试→联调→系统集成调试二、主要施工方法1.施工准备施工准备包括技术准备和物资准备。
技术准备要求作业队长组织全体施工人员熟悉施工图、施工方案和施工规范,了解该项目自动控制系统的原理,特别是掌握各个仪表的安装方法、安装程序等,同时根据工程进度情况,安排组织好相应的作业人员。
物资准备要求作业队备好近阶段所需的施工用具及材料,同时考虑下阶段所需的用具及材料,随时等待进场。
2.监控仪表设备、材料开箱、检验仪表设备、材料开箱、检验应注意如下:设备搬运时应注意“三防”:防碰撞、防雨淋、防强电磁场;开箱和入库时要小心谨慎,并根据随机文件要求用清洁、通风良好、安全的库房保存;设备开箱后检查外观是否良好,仪表规格、型号是否符合设计要求,各种附件是否齐全。
仪表开箱时各种资料,如合格证、使用说明书、出厂校验单等必须收集好,统一保管。
开箱检验合格的仪表才能交付使用,开箱不合格品不能使用,并作好记录;仪表施工材料领取后检验外观是否良好,有无合格证、质保书,尤其是防爆件更应注意检查。
仪表施工材料领取后要分类别摆放好。
仪表专业使用材料种类多,其中有许多小型加工件和附件容易混乱和遗失,因此无论是在材料科库房还是在班组临时摆放材料的工具箱内材料都要摆放整齐,并上好标志,做到清晰明了,以便于施工时取用方便。
5.DDC 控制器箱体及辅控箱安装DDC 控制器箱体及辅控箱安装内容包括:箱体安装、模块安装、变压器和继电器安装及接线端子排安装。
其具体注意事项如下:控制器内设备与各构件连接应牢固,安装在轻质墙上应采取加固措施;控制器安装时要横平竖直,垂直度和水平偏差度在误差范围内,且接地应牢固良好;对所有需进行二次安装的插件(模块),在插拔时要轻拿轻放,切忌生拉硬拔;变压器元件质量要良好,在辅控箱内要排列整齐,固定牢固,且通风良好;继电器元件质量要良好,在辅控箱内要排列整齐,固定牢固;接线端子排在箱体内应无损坏,绝缘良好,安装时固定牢固。
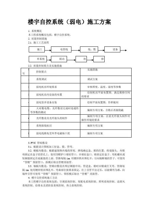
楼宇自控系统(弱电)施工方案1. 系统概况本工程系统概况包括:楼宇自控系统。
2. 质量控制措施2.1. 施工工艺流程3. PVC 管暗敷设3.1. 根据设计图纸加工好盒、箱、管弯。
3.2. 楼板内敷设:根据建筑物内墙的厚度,弹线确定盒、箱的位置,将端接头、内锁母固定在盒子的管孔上,使用顶帽护口堵好管口,并堵好盒口,将固定好盒子,用机螺丝或短钢筋固定在底板筋的上面。
管路每隔1m 用镀锌铁丝绑扎牢,引向隔断墙的管子、可使用“管帽”预留管口,拆模后取出管帽再接管。
3.3. 墙板内敷设:管路应敷设在两层钢筋中间,管进盒、箱时应煨成灯叉弯,管路每隔1m 处用镀锌铁丝绑扎牢,弯曲部位按要求固定,往上引管不宜过长,以能煨弯为准,向墙外引管可使用“管帽”预留管口,带拆模后取出“管帽”再接管。
4. 楼宇自控系统施工方法本工程楼宇自控系统包括:空调系统控制、变配电系统控制、照明系统控制、送排风系统控制、给排水及消防泵系统控制、热力系统控制。
4.1. 冷冻监控系统1) 冷冻机组启停联锁控制(冷却塔—冷却水泵—冷冻水泵—冷水机组)、运行时间累计和程序控制启停。
2) 冷负荷需求计算:根据冷冻水供回水温度、压差及回水流量,确定冷负荷的变化量。
3) 冷冻水压差控制:根据冷冻水供回水压差,调节电动旁通阀以保持所设定的压力。
4) 冷冻水泵启停控制:根据冷负荷与旁通阀的开度来控制冷水机组运行台数。
5) 冷却水温度控制:根据冷却水供回水温差确定冷却塔风机的启停台数并相应开关冷却水塔进/出水蝶阀。
6) 冷却水旁通控制:根据冷却水供回水压差,调节电动旁通阀以保持所设定的压力。
7) 冷却水泵的启停控制、运行时间累积与主备用选择。
8) 水泵保护控制:水泵启动后,监测水流状态、故障自动停机,同时启动备用水泵。
9) 监测:冷水机组、冷却塔风机、冷冻水泵和冷却水泵运行状态、手/自动状态及各个监测点温度、压力和流量信号。
10) 报警:冷水机组过载、水泵过载、冷却塔风机过载,冷却水温超温等各种监测参数超限报警。
楼宇自动化管理系统安装及操作技术规程一、安装准备1.进行前期调研和方案设计,明确系统所需的硬件设备、软件及网络环境等。
2.检查设备保养状况,确保设备完好。
3.制定详细的安装方案,安排好施工人员和物料供应。
4.在安装前,进行系统的基础设置和参数配置。
二、硬件设备安装1.安装系统主机:根据设计方案,将主机安装至设备机房,并连接电源、地线和通讯线路。
2.安装楼宇设备:根据系统方案,对楼宇设备进行布线并连接至主机,确保设备间的通信畅通。
3.安装感知装置:根据需要,安装各类感知装置,并连接通信线路。
4.安装安全设备:根据需求,安装各类安全设备,如监控摄像头、烟感探测器等。
5.安装控制设备:根据需求,安装各类控制设备,如开关、调光设备等。
三、软件安装及配置1.安装系统软件:将系统软件安装至主机中,并确保软件版本与硬件设备兼容。
2.进行软件设置:根据楼宇特点和功能需求,设置楼宇拓扑图、设备控制模式和监控参数等。
3.配置联网功能:配置网络参数和通讯协议,确保系统与其他设备的联网正常。
四、系统调试和优化1.进行系统调试:通过设备检查和状态监测,验证系统的各个功能模块是否正常工作。
2.优化系统性能:根据楼宇特点和实际需求,对系统进行参数调整和功能优化,提高系统的性能和稳定性。
3.进行安全测试:对系统的数据传输安全性进行测试和加密设置,保护楼宇信息安全。
4.进行用户培训:培训相关人员掌握系统的操作和维护技巧,确保系统正常运行。
五、系统操作和维护1.运行系统:按照操作手册使用系统软件,实现对楼宇设备的控制和监测。
2.定期维护:定期进行设备巡检和维护,及时处理故障和问题,保证系统的稳定运行。
3.数据备份:定期对系统数据进行备份,以防止数据丢失。
总结:楼宇自动化管理系统的安装及操作需要依照一定的技术规程进行,包括安装准备、硬件设备安装、软件安装及配置、系统调试和优化、系统操作和维护等步骤。
在操作过程中,要注意系统的稳定性和安全性,并定期进行系统的维护和备份工作。
楼宇自控(BA系统)施工工艺要求与规范1. 安装要求1.1 楼宇自控(BA系统)施工前的准备工作- 确定施工时间和地点,通知相关单位和人员。
- 清理施工现场,确保安全。
- 确定施工所需的设备、材料和工具,并进行采购。
1.2 施工现场要求- 施工现场需满足安全、整洁、通风的要求。
- 控制施工人员流动,确保施工的连贯性。
1.3 施工人员要求- 施工人员需具备相关专业知识和经验。
- 严格遵守施工安全规范,做好个人防护措施。
2. 施工流程2.1 安装设备和设施- 根据设计要求,安装楼宇自控设备和相关设施。
- 进行设备的调试和连接。
2.2 安装控制系统软件- 安装并配置楼宇自控(BA系统)软件。
- 进行系统的调试和测试。
2.3 进行系统联调- 对楼宇自控(BA系统)进行与其他设备和系统的联调。
- 测试系统的稳定性和可靠性。
3. 施工验收和完工3.1 施工验收- 对楼宇自控(BA系统)进行功能测试和性能评估。
- 检查施工质量和符合性。
3.2 完工文件- 准备施工完工报告,记录施工过程和结果。
- 归档相关资料和文件。
4. 附件本文档涉及的附件包括:- 楼宇自控(BA系统)施工图纸- 设备清单和材料清单- 施工进度表和质量检查记录5. 法律名词及注释本文所涉及的法律名词及注释如下:- 施工工艺要求:指施工过程中需要遵守的技术规范和操作规程。
- 安全规范:指施工现场应遵守的安全要求,包括人员防护、设备安全等方面的规定。
- 施工完工报告:指施工完成后准备的报告,记录施工过程和结果,作为施工验收的依据。
----------------------------------------------1. 准备工作1.1 确定施工时间和地点- 与相关单位和人员协商,确定施工时间和地点。
- 确保施工期间不会对正常运营造成影响。
1.2 清理施工现场- 清理施工现场,清除杂物,保持整洁。
- 检查施工现场的安全隐患,并采取相应措施进行处理。
楼宇自控系统布线和末端设备的安装
楼控系统的线缆敷设分为控制器联网线缆的敷设和控制器至输入输出点位之间线缆的敷设。
首先需要了解系统网络的架构以及网络线缆的最大长度,这也是网络线缆敷设的关键,如果出现线缆超长,超长部分的设备在调试时会在网络上时有时无,很不稳定。
另外,线缆在敷设至每个控制箱体时,要预留一定余量,其余量长度应在1米至1.5米之间。
楼宇自控的联网线在敷设并非全部敷设在弱电线槽内,由于系统的特殊性,线缆上下层之间有时也不会走弱电竖井,这需根据现场的实际情况来确定。
控制器末端线缆敷设在楼控系统线缆的敷设中占的比重是最大的,而且,此部分施工不规范,会造成线缆的大量浪费。
末端线缆敷设时要分清是数字量的监控线缆还是模拟量的监控线缆,数字量的监控线缆应采用不超过1omm的RVV线缆,模拟输入输出采用不超过1.0mm的RVVP线缆等,如线缆太粗,端接时会出现困难,理想的线缆线径是0.75mm。
接线时为了避免线路接触不良,尽量把接线端进行涮锡、往接线端子上压接时尽量压接在金属片中间(每个接线端子都带有两个金属片,线缆放到两个金属片中间,不要放到螺丝和金属片中间的空隙中的下面)等。
末端设备安装是指传感器、执行器、变送器等设备的安装。
暖通空调系统传感器、执行器和变送器的安装。
在空调和新风机组中,主要有电动风阀执行器、过滤网压差传感器、防冻开关传感器、冷热水阀门执行器、风道温湿度传感器、室内温湿度传感器等设备。
这部分设备一
定要和暖通专业配合安装。
楼宇自控系统安装工艺标准(Ⅶ501)1适用范围本标准适用于建筑工程中楼宇自控系统的安装。
2施工准备2.1材料、设备2.1.1前端设备:主要包括网络控制器、计算机、不间断电源、打印机、控制台。
2.1.2终端设备:主要包括各类传感器、电动阀、电磁阀等执行器。
2.1.3传输部分:电线电缆、DDC控制箱等。
2.1.4上述设备材料应根据合同文件及设计要求选型,对设备、材料和软件进行进场检验,并填写进场检验记录。
对设备必须附有产品合格证、质检报告、“CCC”认证标识、安装及使用说明书等。
如果是进口产品,则需提供原产地证明和商检证明,配套提供的质量合格证明,检测报告及安装、使用、维护说明书的中文文本。
设备安装前,应根据使用说明书,进行全部检查,合格方可安装。
2.1.5镀锌材料:镀锌钢管、镀锌线槽、金属膨胀螺栓、金属软管、接地螺栓。
2.1.6其它材料:塑料胀管、机螺钉、平垫、弹簧垫圈、接线端子、绝缘胶布、接头等。
2.2机具设备2.2.1安装器具:手电钻、冲击钻、对讲机、梯子、电工组合工具。
2.2.2测量器具:250V兆欧表、500V兆欧表、水平尺、小线。
2.2.3调试仪器:楼宇自控系统专用调试仪器。
2.3 作业条件2.3.1线缆沟、槽、管、箱、盒施工完毕。
2.3.2中央控制室内土建装修完毕,温、湿度达到使用要求。
2.3.3空调机组、冷却塔及各类阀门等安装完毕。
2.3.4暖通、水系统管道、变配电设备等安装完毕。
2.3.5电梯安装完毕2.3.6接地端子箱安装完毕。
2.4技术准备2.4.1施工图纸齐全。
2.4.2施工方案编制完毕并经审批。
2.4.3施工前应组织施工人员熟悉图纸、方案及专业设计安装使用说明书,并进行有氏对性的培训及安全、技术交底。
3 操作工艺3.1工艺流程→中央控制室设备安装→管路及线槽敷设→→现场控制器安装→→单体设备调试→系统联调→传感器、执行器安装→3.2操作方法3.2.1管路及线槽敷设:参见《闭路电视监控系统安装工艺标准》(Ⅶ803)的相关内容。
楼宇自控(BA系统)施工工艺要求与规范智能化弱电工程设计与施工2017-10-30前言:系统是智能建筑物的一个重要的组成部分,基于现代分布控制理论而设计的集散系统,通过网络系统将分布在各监控现场的系统控制器连接起来,共同完成集中操作,管理和分散控制的综合自动化系统,而BA系统在施工中有什么技术要求?需要注意什么问题?正文:一、BA系统施工界面和技术要求楼宇自控系统对空调新风机组的技术要求1、提供空调参数,如风量、制冷量等;2、明确变风量空调、新风机的变风量控制方式,是变频调速或是其他调速方式,控制箱必须符合BA控制要求;3、空调、新风机的新回风门应配置符合电动要求的风阀,风阀的电动执行器由BA厂商提供;4、如有加湿功能,应明确加湿器的控制方式,BAS可安装传感器对加湿器进行控制,控制方式为:模拟信号0-10VDC,开关信号为无源常开(常闭)触点;5、过滤网前后应留有安装测压管的位置(测压管为直径1厘米左右的软管)。
楼宇自控系统对冷冻机组接口的技术要求根据智能化设计要求,楼宇自控系统对冷冻机系统进行计算机远程监测和控制,在冷冻水系统安装温度传感器、压力传感器和流量传感器,对系统负荷进行计算,控制冷冻机的运行台数,并对冷冻机的运行参数进行监视。
为达到上述要求,需要冷冻机提供BAS接口,接口的主要要求为:1、控制要求:BAS对机组的控制主要为启动和停止命令。
实现的主要方式有2种,一是通过硬件点的方式进行,由BAS提供一副常开无源触点给冷冻机组,当触点闭合时命令机组启动,当触点放开时命令机组停止;二是通过软件点的方式进行,由BAS与机组通过通讯方式将命令以一定的格式写入冷冻机组的控制器来实现机组的远程启停。
目前上述两种方式均可行,我们推荐优先采用第一种方式进行控制,因为此种方式较易实现,并且大部分冷冻机组都配有硬件接口。
2、通讯要求:BAS对机组以及冷冻水系统的监测主要通过通讯方式读取冷冻机组的各项参数。
楼宇自控系统设备安装施工方法1. 楼宇自控系统施工工艺流程2. 前端设备安装在楼宇自控系统中,前端设备检测各种参数、执行各种动作,前端设备安装不规范,将直接导致检测数据不准确,系统无法正常工作。
2.1室内外温、湿度传感器安装为了保证检测数据的准确,不得将其安装在阳光直射的位置并要远离有较强震动、电磁干扰的区域,其位置不能破坏建筑物的美观与完整性,远离窗、门和出风口的位置。
室外形温、湿度传感器应有防护罩。
一次部件安装督导 配管、穿线盘芯制作前端设备安装接线、校线 盘箱安装 各种设备测试检验单机调试 系统联网调试 用户操作界面制作软件初步编制用户意见征求 软件修改用户意见征求 用户操作界面确定竣工验收 用户培训 施工准备传感器需固定牢固。
2.2风道温湿度传感器安装⏹为了保证检测数据的准确,传感器应安装在风速平稳的位置,不得安装在出风口处以及风道弯头处。
⏹传感器应在风道保温层施工完成后进行安装,安装时需用拉铆钉固定牢固。
⏹传感器应安装在便于调试、维修的位置。
1.水温传感器安装⏹在安装前需要与机电安装公司确认好需安装在水管上的安装短节的规格尺寸,一般此短节为1/2英寸NPT内牙管箍,确认后由机电安装公司在管道安装时一并进行安装,并参加工艺管道的压力试验。
⏹水温传感器的安装位置应在水流稳定的直管段上,不宜安装在阀门等阻力件的附近以及弯头等位置。
2.3压差开关安装⏹压差开关应在风管保温层施工结束后安装。
⏹压差开关可安装在风机或空调机组上,安装的位置应便于调试、检修,压差开关的安装不得影响空调器本体的密封性。
⏹压差开关的引压橡胶软管应垂直安装在过滤网的前后段,距离过滤网的距离应至少保证150毫米以上。
2.4压力变送器安装⏹在安装前需要与机电安装公司确认好需安装在水管上的安装短节的规格尺寸,确认后由机电安装公司在管道安装时一并进行安装,并参加工艺管道的压力试验。
⏹压力变送器的安装位置应在水流流束稳定的直管段上,不宜安装在阀门等阻力件的附近以及弯头等位置,一般在工艺管道的顶部安装。
住宅小区智能化系统工程楼宇自控系统工程的安装
1、系统设备的安装
1)中央控制及网络通讯设备应在中央控制室的土建和装饰工程完工后安装。
2)设备及设备构件间应连接紧密、牢固,安装用的紧固件应有防锈层。
3)设备在安装前应保证设备外形完整、内外表面漆层完好,设备外形尺寸、设备内主板及接线端口的型号、规格符合设计规定。
4)有底座设备的底座尺寸应与设备相符,其直线允许偏差为每米1mm,当底座的总长超过5米时,全长允许偏差为5mm。
5)设备底座安装时,其上表面应保持水平,水平方向的倾斜度允许偏差为每米1mm,底座总长超过5米时,全长允许偏差为5mm。
6)按系统设计图检查主机、网络控制设备、UPS、打印机、HUB集线器等设备之间的连接电缆型号以及连接方式是否正确,尤其要检查其主机与DDC之间的通讯线,要有备用线。
2、系统输入设备的安装
系统各输入设备即传感器的安装要根据其说明书的要求进行,严格按接线图进行接线,另外要注意以下问题:
1)传感器应安装在便于调试和维修的位置。
2)并列安装的传感器,距地高度应一致。
3)各类型的传感器的安装应充分考虑与相关系统的施工单位的配合,计划好安装流程。
4)传感器与DDC之间的连接应符合设计要求,应尽量减少因接线
引起的误差。
3、系统输出设备的安装
系统各输出设备即执行机构的安装要根据其说明书的要求进行, 严格按接线图进行接线,还要注意以下问题:
1)输出设备在安装前,应进行模拟实验。
2)有些输出设备的安装应考虑操作方便,有指示装置的,应面向便于观察的位置。
3)各执行机构的接线应符合设计要求,技术参数等均符合设计要求。
楼宇自控系统安装工艺标准(Ⅶ501)1适用范围本标准适用于建筑工程中楼宇自控系统的安装。
2施工准备2.1材料、设备2.1.1前端设备:主要包括网络控制器、计算机、不间断电源、打印机、控制台。
2.1.2终端设备:主要包括各类传感器、电动阀、电磁阀等执行器。
2.1.3传输部分:电线电缆、DDC控制箱等。
2.1.4上述设备材料应根据合同文件及设计要求选型,对设备、材料和软件进行进场检验,并填写进场检验记录。
对设备必须附有产品合格证、质检报告、“CCC”认证标识、安装及使用说明书等。
如果是进口产品,则需提供原产地证明和商检证明,配套提供的质量合格证明,检测报告及安装、使用、维护说明书的中文文本。
设备安装前,应根据使用说明书,进行全部检查,合格方可安装。
2.1.5镀锌材料:镀锌钢管、镀锌线槽、金属膨胀螺栓、金属软管、接地螺栓。
2.1.6其它材料:塑料胀管、机螺钉、平垫、弹簧垫圈、接线端子、绝缘胶布、接头等。
2.2机具设备2.2.1安装器具:手电钻、冲击钻、对讲机、梯子、电工组合工具。
2.2.2测量器具:250V兆欧表、500V兆欧表、水平尺、小线。
2.2.3调试仪器:楼宇自控系统专用调试仪器。
2.3 作业条件2.3.1线缆沟、槽、管、箱、盒施工完毕。
2.3.2中央控制室内土建装修完毕,温、湿度达到使用要求。
2.3.3空调机组、冷却塔及各类阀门等安装完毕。
2.3.4暖通、水系统管道、变配电设备等安装完毕。
2.3.5电梯安装完毕2.3.6接地端子箱安装完毕。
2.4技术准备2.4.1施工图纸齐全。
2.4.2施工方案编制完毕并经审批。
2.4.3施工前应组织施工人员熟悉图纸、方案及专业设计安装使用说明书,并进行有氏对性的培训及安全、技术交底。
3 操作工艺3.1工艺流程→中央控制室设备安装→管路及线槽敷设→→现场控制器安装→→单体设备调试→系统联调→传感器、执行器安装→3.2操作方法3.2.1管路及线槽敷设:参见《闭路电视监控系统安装工艺标准》(Ⅶ803)的相关内容。
3.2.2中央控制室设备安装3.2.2.1设备在安装前应进行检验,并符合下列要求:(1)设备外形完整,内外表面漆层完好。
(2)设备外形尺寸、设备内主板及接线端口的型号、规格符合设计规定,备品备件齐全。
3.2.2.2按照图纸连接主机、不间断电源、打印机、网络控制器等设备。
3.2.2.3设备安装应紧密、牢固,安装用的紧固件应做防锈处理。
3.2.2.4设备底座应与设备相符,其上表面应保持水平。
3.2.2.5中央控制室及网络控制器等设备的安装要符合下列规定:(1)控制台、网络控制器应按设计要求进行排列,根据柜的固定孔距在基础槽钢上钻孔,安装时从一端开始逐台就位,用螺丝固定,用小线找平找直后再将各螺栓紧固。
(2)对引入的电缆或导线,首先应用对线器进行校线,按图纸要求编号。
(3)标志编号应正确且与图纸一致,字迹清晰,不易褪色;配线应整齐,避免交叉,固定牢固。
(4)交流供电设备的外壳及基础应可靠接地。
(5)中央控制室一般应根据设计要求设置接地装置。
当采用联合接地时,接地电阻应小于1Ω。
3.2.3现场控制器的安装3.2.3.1现场控制器箱安装方法见图3.2.3.1。
线槽现场控制器箱膨胀螺栓图3.2.3.1 现场控制器箱安装示意图3.2.3.2现场控制器接线应按照图纸和设备说明书进行,并对线缆进行编号。
3.2.4传感器、执行器安装3.2.4.1温、湿度传感器的安装(1)室内外温、湿度传感器的安装位置应符合以下要求:a.温、湿度传感器应尽可能远离窗、门和出风口的位置。
b.并列安装的传感器,距地高度应一致,高度差不应大于1mm,同一区域内高度差不应大于5mm。
c.温、湿度传感器应安装在便于调试、维修的地方。
(2)温度传感器至现场控制器之间的连接应符合设计要求,应尽量减少因接线引起的误差,对于镍温度传感器的接线电阻应小于3Ω,1KΩ铂温度传感器的接线总电阻应小于1Ω。
(3)风管型温、湿度传感器的安装应符合下列要求:a.传感器应安装在风速平稳,能反映温、湿度变化的位置。
b.风管型温、湿度传感器应在做风管保温层时完成安装。
(4)水管温度传感器的安装应符合下列要求:a.水管温度传感器宜在暖通水管路完毕后进行安装。
b.水管温度传感器的开孔与焊接工作,必须在工艺管道的防腐、衬里、吹扫和压力试验前进行。
c.水管温度传感器的安装位置应在水流温度变化灵敏和具有代表性的地方,不宜选择在阀门等阻力件附近和水流流束死角和振动较大的位置。
d.水管型温度传感器宜安装在管道的侧面或底部。
e.水管型温度传感器不宜在焊缝及其边缘上开孔和焊接。
3.2.4.2压力、压差传感器、压差开关安装见图3.2.4.2-1。
接线盒传感器金属软管缓冲弯管截止阀管箍图3.2.4.2-1 压力传感器安装方法(1)传感器宜安装在便于调试、维修的位置。
(2)传感器应安装在温、湿度传感器的上侧。
(3)风管型压力、压差传感器应在做风管保温层时完成安装。
(4)风管型压力、压差传感器应安装在风管的直管段,如不能安装在直管段,则应避开风管内通风死角和蒸汽放空口的位置。
(5)水管型压力与压差传感器应在暖通水管路安装完毕后进行安装,其开孔与焊接工作必须在工艺管道的防腐、衬里、吹扫和压力试验前进行。
(6)水管型压力、压差传感器不宜在管道焊缝及其边缘处开孔及焊接。
(7)水管型压力、压差传感器宜安装在管道底部和水流流束稳定的位置,不宜安装在阀门附近、水流流束死角和振动较大的位置。
(8)风压压差开关安装见图3.2.4.2-2。
a.安装压差开关时,宜将薄膜处于垂直于平面的位置。
b.风压压差开关的安装应在风管保温层完成之后进行安装。
c.风压压差开关宜安装在便于调试、维修的地方。
d.风压压差开关安装完毕后应做密闭处理。
e.风压压差开关的线路应通过软管与压差开关连接。
f.风压压差开关应避开蒸汽排放口。
铜管末端开口金属软管传感器高压侧低压侧过滤网开孔空气流向图3.2.4.-2 压差开关安装方法3.2.4.3水流开关安装见图3.2.4.3。
(1)水流开关的安装,应与工艺管道预制、安装同时进行。
(2)水流开关的开孔与焊接工作,必须在工艺管道的防腐、衬里、吹扫和压力试验前进行。
(3)水流开关宜安装在水平管段上,不应安装在垂直管段上。
(4)水流开关宜安装在便于调试、维修的地方。
-型定位支架水流开关螺帽水管安装板管座安装板管座水流开关螺帽图3.2.4.3 水流开关安装示意图3.2.4.4流量传感器的安装(1)磁流量计安装方法见图3.2.4.4。
a.电磁流量计应避免安装在有较强的交直流磁场或有剧烈振动的场所。
b.电磁流量计应设置在流量调节阀的上游,流量计的上游应有一定的直管段。
c.在垂直的工艺管道安装时,液体流向自下而上,以保证导管内充满被测液体或不致产生气泡;水平安装时必须使电极处在水平方向,以保证测量精度。
磁流量计固定螺栓图3.2.4.4 磁流量计安装示意图(2)涡轮式流量传感器a.涡轮式流量变送器宜安装在便于维修并避开强磁场、剧烈震动及热辐射的场所。
b.涡轮式流量传感器安装时要水平,流体的流动方向必须与传感器壳体上所示的流向标志一致。
如果没有标志,可按下列所述判断流向:● 流体的进口端导流器比较尖,中间有圆孔。
● 流体的出口端导流器不尖,中间没有圆孔。
c.当可能产生逆流时,流量变送器后面装设止逆阀。
d.流量传感器需要装在一定长度的直管上,以确保管道内流速平稳。
流量传感器上游应留有10倍管径长度的直管,下游留5倍管径长度的直管。
若传感器前后的管道中安装有阀门和管道缩径、弯管等影响流量平稳的设备,则直管段的长度还需相应调整。
e.信号的传输线宜采用屏蔽和绝缘保护层的线缆,线缆的屏蔽层宜在现场控制器侧一点接地。
3.2.4.5风机盘管温控器、电动阀的安装(1)温控开关与其他开关并列安装时,距地面高度应一致。
(2)电动阀阀体上箭头的指向应与介质流动方向一致。
(3)风机盘管电动阀应安装于风机盘管的回水管上。
(4)四管制风机盘管的冷热水管电动阀共用线应为零线。
3.2.4.6电磁阀、电动阀的安装(1)电磁阀、电动阀安装前应按安装使用说明书的规定检查线圈与阀体间的绝缘电阻。
(2)电磁阀、电动阀在安装前宜进行模拟动作和试压试验。
(3)空调器的电磁阀、电动阀旁一般应装有旁通管路。
(4)电磁阀、电动阀的口径与管道通径不一致时,应采用渐缩管件,且结合处不允许有间隙、松动现象。
同时电动阀口径一般不应低于管道口径两个等级。
(5)执行机构应固定牢固,操作手轮应处于便于操作的位置,并注意安装的位置便于维修、拆装。
(6)执行机构的机械传动应灵活,无松动或卡涩现象。
(7)有阀位指示装置的电磁阀、电动阀,阀位指示装置应面向便于观察的位置。
(8)电磁阀、电动阀一般安装于回水管道。
(9)阀体上箭头的指向应与介质流动方向一致,并应垂直安装于水平管道上,严禁倾斜安装。
(10)大型电动调节阀安装时,为避免给调节阀带来附加压力,应安装支架,在有剧烈振动的场所,应同时采取抗震措施。
安装于室外的电磁阀、电动阀应加防护罩。
(11)在管道冲洗前,应将阀体完全打开。
3.2.4.7风阀控制器的安装方法见图3.2.4.7。
门轴风阀风阀控制器图3.2.4.7 风阀控制器安装示意图(1)风阀控制器安装前应按安装使用说明书的规定检查工作电压、控制输入、线圈和阀体间的电阻等,应符合设计和产品说明书的要求,风阀控制器与风阀门轴的连接应固定牢固。
风阀控制器在安装前宜进行模拟动作试验。
(2)风阀控制器上的开闭箭头的指向应与阀门开闭方向一致。
(3)风阀的机械机构开闭应灵活,无松动或卡涩现象。
(4)风阀控制器不能直接与风门挡板轴相连接时,则可通过附件与挡板轴相连,但其附件装置必须保证风阀控制器旋转角度的调整范围。
(5)风阀控制器应与风阀门轴垂直安装,垂直角度不小于85°。
(6)风阀控制器的输出力矩必须与风阀所需要的相匹配,符合设计要求。
(7)风阀控制器安装后,风阀控制器的开闭指示位应与风阀实际状况一致,风阀控制器宜面向便于观察的位置。
3.2.5单体设备调试3.2.5.1调试程序(1)楼宇自控系统调试必须具备的条件:a.楼宇自控系统的全部设备包括现场的各种阀门、执行器、传感器等全部安装完毕,线路敷设和接线全部符合图纸及设计的要求。
b.楼宇自控系统的受控设备及其自身的系统安装完毕,且调试合格;同时其设备或系统的测试数据必须满足自身系统的工艺要求,具备相应的测试记录。
c.检测楼宇自控系统设备与各联动系统设备的数据传输符合设计要求。
d.确认按设计图纸、产品供应商的技术资料、软件和规定的其他功能和联锁、联动程序的控制要求。
(2)现场控制器测试调试程序a.数字量输入测试:●信号电平的检查:按设备说明书和设计要求确认干接点输入和电压、电流等信号是否符合要求。