燃气课程设计计算书
- 格式:pdf
- 大小:283.56 KB
- 文档页数:7
吉林建菟工叢拷就燃气输配课程设计计算书设计名称燃气输配课程设计 学 院 市政与环境工程学院建筑环境与设备工程专业082班罗燕03108210专 业 班 级 姓 名 学 号指导教师___________ 赵磊第1章工程概况 (2)第2章资料 (2)2.1原始资料 (2)2.2气源参数......................................................... 二.2 2.3用气量指标. (2)第3章流量计算 (3)3.1供气对象 (3)3.2用气量指标....................................................... 二.3 3.3小时计算流量.. (3)第4章管道布置及技术要求 (3)4.1设计方案 (3)4.2管道材料 (3)4.3管道布置 (3)第5章室内燃气管道水利计算 (5)5.1设计要求 (5)5.2水力计算步骤 (5)5.3水力计算结果 (5)5.4结论 (5)第6章参考文献 (5)第1章工程概况根据有关规划二区25#民用住宅楼配套建设燃气供应基础设施,供给区内居民用户。
气源选用天然气,小区内设置一座中低压调压箱。
调压箱进口与小区外中压燃气干管相连,供气压力为0.15 MPa ;出口与小区低压庭院管网相连,出口压力为3000P&居民住宅楼内设燃气室内管道。
居民住宅楼6层,层咼2.8m,室内首层地面标咼土0.00,室外地坪标咼-0.30m。
居民用户安装燃气表、燃气双眼灶各一台;商业用户安装中式炒菜灶一台。
第2章资料2.1原始资料小区燃气管道室外布置图M1: 1000,住宅楼一层平面图、标准层平面图M1:100;2.2第3 章流量计算3.1供气对象小区居民用户51。
3.2用气量指标双眼灶额定流量为0.9m3/h中式炒菜灶额定流量为 2.8 m3/h3.3小时计算流量小区庭院及室内燃气管道的小时计算流量采用同时工作系数法进行计算。
第一章燃气规模计算一、近期规模计算1.燃气小时计算流量的确定设计采用不均匀系数法计算燃气小时流量,适用于城镇燃气分配管道计算流量,对于整个城市管网的水力计算一般用此方法。
计算公式如下:Q h=(1/n)·Q a式中:Q h —燃气小时计算流量(m3/h);Q a —年燃气用量(m3/a);n —燃气最大负荷利用小时数(h);其值n=(365×24)/K m K d K hK m—月高峰系数。
计算月的日平均用气量和年的日平均用气量之比;K d—日高峰系数。
计算月中的日最大用气量和该月日平均用气量之比;K h—小时高峰系数。
计算月中最大用气量日的小时最大用气量和该日小时平均用气量之比;居民生活和商业用户用气的高峰系数,应根据该城镇各类用户燃气用量(或燃料用量)的变化情况,编制成月、日、小时用气负荷资料,经分析研究确定。
当缺乏用气量的实际统计资料时,结合当地具体情况,可按下列范围选用。
月高峰系数取1.1~1.3;日高峰系数取1.05~1.2;小时高峰系数取2.2~3.2。
本次计算取Q a=567.26万m³,K m=1.2,K d=1.1,K h=2.7。
经计算得n=(365×24)/(1.2×1.1×2.7)=2457.9,Q h=(1/2457.7)×567.26×104=2307.9m3/h2.高峰期日平均气量的确定考虑天然气取暖情况下,该地区高峰用气时间为11、12、1、2月,平峰用气时间为3~10月。
经比较分析确定12月份为用气量最大月份,占全年总用气量22.39%。
因此的高峰期日平均气量为:Q md=Q a×22.39%÷30=42337m³(气态)换算成液态天然气:Q md=42337÷600=70.6m³(液态)3.运输时间的确定初步设计天然气由北京运往常宁市,总里程为3600公里,根据相关规范,平均车速为60公里,每天行车时间为10小时。
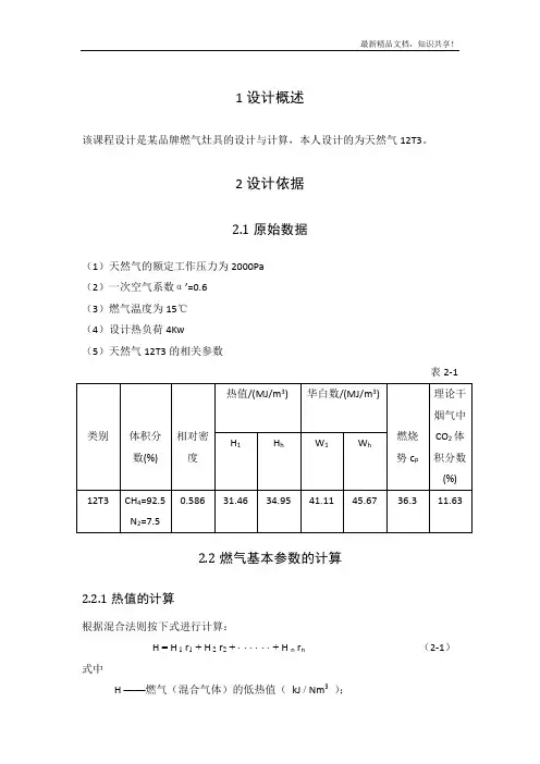
1设计概述该课程设计是某品牌燃气灶具的设计与计算,本人设计的为天然气12T3。
2设计依据2.1原始数据(1)天然气的额定工作压力为2000Pa(2)一次空气系数α’=0.6(3)燃气温度为15℃(4)设计热负荷4Kw(5)天然气12T3的相关参数表2-12.2燃气基本参数的计算2.2.1热值的计算根据混合法则按下式进行计算:H = H1r1 + H2r2 + ⋅⋅⋅⋅⋅⋅ + H n r n(2-1)式中H ——燃气(混合气体)的低热值(kJ / Nm3);H 1 , H 2 ,⋅ ⋅ ⋅H n ——燃气中各可燃组分的低热值( kJ / Nm 3 ),查表可得; r 1 , r 2 ,⋅ ⋅ ⋅r n ——燃气中各可燃组分的容积分数,(原始数据);2.2.2燃气密度计算根据混合法则按下式进行计算:ρ g = ρ1r 1 + ρ 2r 2 + ⋅ ⋅ ⋅ ⋅ ⋅ ⋅ + ρ n r n (2-2)式中ρg ——燃气(混合气体)的密度 (kg / Nm 3 ) ;ρ1 , ρ2 , ρ3 ——燃气中各组分的密度 (kg / Nm 3 ) ,查表可得; r 1 , r 2 ,⋅ ⋅ ⋅r n ——燃气中各可燃组分的容积分数,(原始数据);2.2.3燃气相对密度计算2909.1gs ρ=(2-3)式中s ——燃气的相对密度,无纲量;ρg ——燃气(混合气体)的密度 (kg / Nm 3 ) 。
2.2.4理论空气需要量的计算当燃气组分已知,可按下式计算燃气燃烧所需理论空气量:2110=V [0.5 H 2 + 0.5CO + ∑ ( m + 4/n)C m H n + 1.5H 2 S − O 2 ] (2-4) 式中V 0 ——理论空气需要量 ( Nm 3干空气 / Nm 3 干燃气) ; H 2 , CO, C m H n , H 2 S ——燃气中各种可燃组分的容积分数; O 2 ——燃气中氧的容积成分;2.3头部计算2.3.1计算火孔总面积pp q QF =(2-5) 式中F p ——火孔总面积 (mm 2 ) ; Q ——设计热负荷 (Kw) ; q p ——额定火孔强度 Kw / mm 2 。
第一章 燃气规模计算一、近期规模计算1.燃气小时计算流量的确定设计采用不均匀系数法计算燃气小时流量,适用于城镇燃气分配管道计算流量,对于整个城市管网的水力计算一般用此方法。
计算公式如下:Q h =(1/n )·Q a式中:Q h — 燃气小时计算流量(m 3/h );Q a — 年燃气用量(m 3/a );n —燃气最大负荷利用小时数(h );其值 n =(365×24)/K m K d K hK m —月高峰系数。
计算月的日平均用气量和年的日平均用气量之比;K d —日高峰系数。
计算月中的日最大用气量和该月日平均用气量之比;K h —小时高峰系数。
计算月中最大用气量日的小时最大用气量和该日小时平均用气量之比;居民生活和商业用户用气的高峰系数,应根据该城镇各类用户燃气用量(或燃料用量)的变化情况,编制成月、日、小时用气负荷资料,经分析研究确定。
当缺乏用气量的实际统计资料时,结合当地具体情况,可按下列范围选用。
月高峰系数取1.1~1.3;日高峰系数取1.05~1.2;小时高峰系数取2.2~3.2。
本次计算取Q a =567.26万m3,K m =1.2,K d =1.1,K h =2.7。
经计算得n=(365×24)/(1.2×1.1×2.7)=2457.9,Q h =(1/2457.7)×567.26×104=2307.9m 3/h2.高峰期日平均气量的确定考虑天然气取暖情况下,该地区高峰用气时间为11、12、1、2月,平峰用气时间为3~10月。
经比较分析确定12月份为用气量最大月份,占全年总用气量22.39%。
因此的高峰期日平均气量为:Q md =Q a ×22.39%÷30=42337m3(气态)换算成液态天然气:Q md =42337÷600=70.6m3(液态)3.运输时间的确定初步设计天然气由北京运往常宁市,总里程为3600公里,根据相关规范,平均车速为60公里,每天行车时间为10小时。
燃气输配课程设计指导书第一节负荷计算一、燃气年需用量计算1、居民生活用气量居民生活的燃气用量和燃气用具的配臵、气候条件、有无集中热水供应等许多因素有关,很难精确估计,通常根据实际统计资料分析而得的用气定额来计算。
根据供气区面积、人口密度、燃气热值以及用气量指标,计算出居民气化人口、年用气量及年平均日用气量。
供气区面积可选取图中有道路覆盖的区域面积。
气化率是指城市气化人口占总人口的比例,本设计规划管网覆盖整个供气区,没有涉及到城市总人口数,因此气化率可采用100%。
2、商业用户商业用户主要是指学校、医院、饭店以及城市公共建筑等。
商业用气量与多种因素有关,比如城镇性质、职能划分、发展规模及趋势等。
襄阳各种公共商业建筑也在不断的增加,有商业购物中心、娱乐城、办公写字楼、商贸综合楼,有宾馆、酒店、职工食堂、茶馆,有医院、诊所、福利院、美容美发室,还有职校、中学、小学、幼儿园等。
这些公共或商业服务设施,有的规模庞大,有的规模较小,其热耗要求各不一样,要对其耗气量逐一分析计算是不现实的。
但是,对于整个城市来说,其城市商业用户的发展速度与其人口及经济增长率有着密切相关的联系,一般会随着人口与经济的增长成一定比例的增长。
襄阳在商业方面也较为发达,并且随着经济的发展和人民生活水平的不断提高,商业用户的规模和数量也会扩大和增加。
商业用户在改用天然气后虽然会提高这部分用户的燃料成本,但环境和节能效益却是十分显著的。
考虑到商业用户的燃料成本在其经营成本中所占比例一般不高,对天然气价格有着一定的承受能力,同时随着以后环保要求的提高,继续使用燃煤生活锅炉可能会付出较高的环保成本(如烟尘处理、灰渣处理、排污费等),配合相关的政策支持,在城区内对燃煤生活锅炉逐步实行煤改气是切实可行的。
综上所述,商业用户耗气量按实际调查资料并适当考虑发展进行核算,在没有具体资料的情况下,商业用户的用气量按城市居民耗气量的一定百分比考虑,本课程设计按20%考虑。
燃气课程设计计划书一、教学目标本课程的教学目标是使学生掌握燃气的基本知识,包括燃气的定义、性质、用途和安全性。
具体目标如下:知识目标:学生能够准确地描述燃气的定义和性质,了解其主要用途,掌握燃气安全使用的基本知识。
技能目标:学生能够运用所学知识,分析和解决实际生活中的燃气问题,如正确安装和使用燃气设备,识别和处理燃气泄漏等。
情感态度价值观目标:学生培养对燃气行业的兴趣和热情,增强安全意识和环保意识,认识到燃气在现代生活中的重要性。
二、教学内容本课程的教学内容主要包括燃气的基本知识、燃气设备的使用和维护、燃气泄漏的处理以及燃气安全常识。
具体安排如下:第一章:燃气概述,介绍燃气的定义、性质和用途。
第二章:燃气设备,讲解燃气设备的结构、工作原理和正确使用方法。
第三章:燃气泄漏处理,教授如何识别和处理燃气泄漏,确保安全。
第四章:燃气安全,介绍燃气安全常识,包括预防燃气泄漏、火灾和爆炸的措施。
三、教学方法为了提高学生的学习兴趣和主动性,本课程将采用多种教学方法,包括讲授法、讨论法、案例分析法和实验法等。
讲授法:教师通过讲解燃气的基本知识和原理,使学生掌握燃气的相关概念。
讨论法:学生分组讨论燃气问题,培养合作精神和批判性思维。
案例分析法:分析实际生活中的燃气事故案例,引导学生运用所学知识解决问题。
实验法:进行燃气设备的使用和检测实验,提高学生的实践操作能力。
四、教学资源为了支持教学内容和教学方法的实施,丰富学生的学习体验,我们将选择和准备以下教学资源:教材:《燃气技术与应用》参考书:《城市燃气工程》多媒体资料:燃气设备操作视频、燃气泄漏处理动画等。
实验设备:燃气泄漏检测仪、燃气热水器等。
以上教学资源将有助于实现本课程的教学目标,提高学生的学习效果。
五、教学评估本课程的评估方式包括平时表现、作业和考试三个部分,以全面客观地反映学生的学习成果。
平时表现:通过观察学生在课堂上的参与度、提问和回答问题的表现,以及小组讨论的贡献等,评估学生的学习态度和积极性。
课程设计计算说明书题目名称:燃气管道课程设计系:建筑工程系 ________专业:建筑环境与能源应用工程班级: ___________________学号: _______________学生姓名: ________________指导教师: ___________________职称:讲师____________2016年5月12日前言根据有关批件,近期内为居民区配套燃气供应设施,以供应居民生活、公共建筑用气。
气源来自小区北侧低压燃气干管的末端,供气圧力为天然气3.25Kpao居民区内道路纵横交错,路面平坦,均已修建成柏油或水泥路面。
给排水干管、通讯电缆管道等均已埋设在车行道下,并正式使用。
供热管沟埋设在街区内,一般不穿越干道。
该市冬季冻土深度为地表下0. 85m,地下水位一3.2m, 土壤腐蚀性质为标准级。
室外燃气管道采用焊接钢管,管件均需加工制作,管道上的附属设备有闸板阀、钢制波形补偿器和凝水器等。
区内道路的承载能力按通过一般载重汽车考虑。
塔楼为8户/层;板楼为2户/梯。
公共建筑用气设备如下:托幼:两个开水炉、两个蒸饭灶、两个爆炒灶。
门诊:3个开水炉、3个双眼灶。
写字楼:4个开水炉、1个烤箱灶。
某居民住宅楼为6层,层高2.9m,室内首层地面标高土0.00,室外地表标高为一0.45m。
每户居民厨房内安装家用燃气表、燃气灶及快速热水器各一台。
室内燃气管道及设备的布置按燃气设计规范执行。
一、燃气性质的计算二、布线原则和说明三、四、目录(4)(6)室内燃气管线水力计算(8)室外燃气管网水力计算(12)(14)五、参考文献>燃气性质的计算1、该天然气在标准状态下的平均分子量查课本附录1得屮烷在标准状态下的分子量为16. 043;乙烷在标准状态下的分子量为30. 070 ;丙烷在标准状态下的分子量为44. 097;二氧化碳在标准状态下的分子量为44. 010;氮在标准状态下的分子量为28. 013.由混合气体平均分子量的计算公式帖,得该燃气的平均分子量为:M 二=17. 3662、平均密度查備本附录1得中烷在标准状态下的密度为0. 7174kg/m3;乙烷在标准状态下的密度为1. 3553kg/m3;丙烷在标准状态下的密度为2. 0102kg/m3;二氧化碳在标准状态下的密度为1. 9771kg/m3:氮在标准状态下的密度为1. 2504kg/m3・由混合气体平均密度计算公式, 得该燃气的平均密度X二0. 778 kg/m33、相对密度由混合气体相对密度计算公式,得该燃气的相对密度kg/m34、运动粘度首先,计算该燃气的动力黏度。
天然气的容积成分为:CH4为88.7%;C2H6为5.3%;C3H8为3.2%;C4H10为0.8%;CO2为0.7%;N2为1.3%。
工业用气指标为200 m3/(公顷.d)仓储、物流指标为40m3/(公顷.d)1、混合燃气的物理化学参数计算(1)天然气的平均分子量混合气体的平均分子量M=(y1*Mi+y2*M2+……yn*Mn)/100其中的y均代表成分的容积成分,M代表各气体的单一分子量。
天然气的平均分子量为M=(61*88.7+30*5.3+44*3.2+58*0.8+44*0.7+28*1.3)/100=18.326 (2)、天然气的平均密度查教材第4页的表1-2和1-3可知,CH4、C2H6、C3H8、C4H10、CO2、N2的密度(kg/m3)分别为0.7174、1.3553、2.0102、2.7030、1.9771、1.2504。
混合气体的平均密度为ρ=(∑y i*ρi)/100=(0.7174*88.7+1.3553*5.3+2.0102*3.2+2.7030*0.8+1.9771*0.7+1.2504*1.3)/100=0.8242 kg/m3(3)、混合气体的动力黏度混合气体的动力黏度μ=(g1+g2+……gn)/(g1/μ1+g2/μ2+…+gn/μn)混合气体的动力密度υ=μ/ρgn———各组分的质量成分μn——各组分在0℃时的动力黏度。
查教材第4页的表1-2和1-3可知,CH4、C2H6、C3H8、C4H10、CO2、N2的动力黏度(10-6pa)分别为10.393、8.600、7.502、6.835、14.023、16.671。
混合气体的平均密度为ρ=(∑yi*M)/100=18.326 kg/m3先将容积成分根据gi =100*yi*Mi/(∑yi*Mi)换算为质量成分。
∑yi *Mi=1832.6,则各组分的质量成分分别为:gCH4=16*88.7*100/1832.6=77.44gC2H6=30*5.3*100/1832.6=8.68gC3H8=44*3.2*100/1832.6=7.68gC4H10=58*0.8*100/1832.6=2.53gCO2=44*0.7*100/1832.6=1.68gN2=28*1.3*100/1832.6=1.99则混合气体的动力黏度为μ=(g1+g2+……g n)/(g1/μ1+g2/μ2+…+g n/μn)=100*10-6/(77.44/10.393+8.68/8.6+7.68/7.502+2.53/6.835+1.68/14.023+1.99/16.671)=9.907*10-6Pa.s则天然气的运动黏度为υ=μ/ρ=9.907*10-6/18.326=0.54*10-6 m2/s(4)、混合气体的低热值混合气体的低热值按下式计算: Hl =∑(yi*Hli)/100Hl——混合气体的低热值;yi——各单一气体容积成分(%);Hli——各燃气组分的低热值。
安徽建筑大学环境与能源工程学院课程设计计算书课程《燃气输配》班级XXXXXXXXXXXXX姓名XXXXXXXXXXXXX学号XXXXXXXXXXXXX指导教师XXXXXXXXXXXXX2015年6月14日1.工程概述.............................................................................. (01)1.1工程概况……………………………………………………………… ……… .011.2 设计内容……………………………………………………………………… .012.气源性质 (01)2.1 气源组分性质表…………………………………………………………….…01.2.2 气源性质的计算 (03)3.燃气管网布置 (07)3.1 燃气用量计算 (07)3.2 小区调压柜的选择 (09)3.3 庭院燃气管网布置 (11)3.4 庭院管道管材选择 (13)4.水力计算 (15)4.1管网水力计算 (15)4.2 干管水力计算 (16)4.3 支管水力计算 (18)5.设计小结 (20)6.设计依据 (20)工程概述1.1 工程概况某小区庭院燃气管道施工燃气气源为天然气,调压器出口压力2700Pa,最不利管路允许压损600Pa,用PE管。
1.2 设计内容某小区庭院燃气管道施工图设计2气源性质计算2.1 气源组分基本性质表2.2 气源性质计算2.2.1气源密度单位体积燃气所具有的质量称为燃气的平均密度.混合气体的平均密度按下面公式计算ρ=M/V M其中,混合气体的平均分子量是各组分气体的折合分子量,它取决于组成气体的种类和成分。
M=1/100∑yiMi式中, M——混合气体平均分子量,kg/kmol;yi——第i组分气体的容积成分,%;Mi——第i组分气体的分子量,kg/kmol。
则 M=1/100(91.1×16.04+5.5×30.07+2.2×44.1+0.3×56.11+0.5×44.01+0.4×28.01)=17.74混合气体平均摩尔容积为V M=1/100∑yiV Mi式中,V M——混合气体平均摩尔容积,m3/kmol;yi——第i组分气体的容积成分,%;V Mi i——第i组分气体摩尔体积,m3/kmol。
燃气输配课程设计解:计算顺序如下:1、计算各环的途泄流量,为此:(1)按管网布置将供气区域分成小区。
(2)求出每环内的最大小时用气量(以面积、人口密度和每人的单位用气量相乘)。
(3)计算供气环周边的总长。
(4)求单位长度的途泄流量。
上述计算可列于(表一)中(表1) 各环的单位长度涂泄流量如下:(1)将管网的各管段依次编号,在距供气点(调压站)最远处,假定零点的位置(1、3、7、9),同时决定气流方向。
(2)计算各管段的途泄流量。
(3)计算转输流量,计算有零点开始,与气流相反方向推算到供气点。
如节点的集中负荷由两侧管段供气,则转输流量以各分担一半左右为宜。
这些转输流量的分配,可在计算表的附注中加以说明。
(4)求各管段的计算流量。
见(表2)(表2)各管段的计算流量校验转输流量之总值,调压站由5-4、5-2、5-6、5-8管段输出的燃气量得:(260+384.6)+(303+379.7)+(365+347)+(354+320.7)=2715N 3m /h 由各环的供气量及集中负荷得: 2565+150=2715 N 3m /h 两值相符。
3、根据初步流量分配及单位长度平均压力降选择各管段的管径。
局部阻力损失取沿程摩擦阻力损失的10%。
由供气点至零点的平均距离为(4500500500400450500450400+++++++)=925m即L P ∆=m9251.1500⨯=0.491m P a / 由于本题所用的燃气ρ=0.45kg/ N 3m ,故在查图6-3的水力计算图表时,需要进行修正,即)(1LP ∆=ρ=45.0LP∆=1.092m P a / 选定管径后,由图6-3查得管段的)(1L P ∆=ρ值,求出LP ∆=)(1LP ∆=ρ×0.45 全部计算列于(表3)。
4、从表3的初步计算可见,一个环的闭合差均大于10%。
三个环的闭合差小于10%,应对全部环网进行校正计算,否则由于邻环校正流量值的影响,反而会使该环的闭合差增大,有超过10%的可能。
H《燃气燃烧与应用》课程设计说明书专业班级:学号:姓名:指导老师:目录一:设计任务书1.1燃气燃烧与应用课程设计二:课程设计数据选择2.1燃气起源2.2计算公式三:燃气燃烧计算四:燃气灶具设计计算4.1灶具选择4.2设计计算五:心得体会六:参考资料燃气燃烧与应用课程设计任务书一设计题目:某品牌燃气灶具设计计算二设计原始资料:气源:见下表热负荷:2.7~10 kW三设计任务1、燃烧基础性质计算(热值华白数理论空气量实际空气量过剩空气系数理论燃烧温度等)2、大气式燃烧器燃烧计算和结构尺寸设计计算3、绘制燃烧器设计简图(包括喷嘴和分配管,标注各主要尺寸,使用3#图纸)4、设计说明书:计算内容、灶具燃烧器及各部件结构原理、本设计特点、各项参数选择计算依据。
(注:大家把P137~163之间的内容看明白就可以)四说明书包括目录一、设计任务二、原始资料三、燃气燃烧计算四、燃气灶具设计计算五、心得体会六、主要参考资料第一章1. 气源燃气通常是由单一气体混合而成,其组分只要是可燃气体,同时也含有一些不可燃烧气体。
可燃气体有碳氢化合物,氢及一氧化碳。
不可燃气体有氨,二氧化碳及氧。
设计气源为天然气其中成分是:甲烷 41% 氮气 59%燃气压力=600pa2.设计负荷设计热负荷:3.4kw3.设计器具燃烧器具有扩散式燃烧器,大气式燃烧器,,完全预混式燃烧器设计器具是大气式燃烧器第二章1.热值可燃气体中的可燃成分(H2, ,CO ,CmHn ,H2S等)在一定条件下与氧发生激烈的氧化作用,并产生大量的热和光的物理化学反应过程。
1Nm3燃气完全燃烧所放出的热量为该燃气的热值。
热值可分为高热值和低热值。
在工业与民用燃气应用设备中,烟气中的水蒸气通常是以气体状态排出的,因此实际过程中燃气低热值进行计算。
2.华白数燃气性质中影响燃烧特性的参数有燃气的热值H,相对密度S,及火焰传播速度。
为此导出与热值和相对密度有关的综合参数,即华白数W(W=H/√s) 。
第1章建筑概况及基础资料1.1 工程名称南京市康盛花园三期工程燃气设计1.2 建筑概况本工程位于江苏省南京市。
23号楼为四期工程这里不考虑。
小区三期工程共有8幢住宅楼。
总用户数为361户。
燃气接入管为低压管道。
用户分布如下表:用户分布表1-11.3 设计依据1.《建筑燃气设计手册》袁国汀主编2.《城镇燃气设计规范》GB 50028-20063.《燃气输配》中国建筑工业出版社4.《城镇燃气技术规范》GB 50494-20091.4 设计参数燃气供应设计参数表1-2低压燃气管道允许总压降表1-3100%用户选用双眼灶,灶具额定流量选用如下:双眼灶:Q n=1.4m3/h第2章庭院管道计算2.1 管材选用现有管材主要有钢管、铸铁管和PE管。
钢管承载应力大、可塑性好、便于焊接,与其他管材相比,壁厚较薄、节省金属用量,但耐腐蚀性较差,必须采取可靠的防腐措施;铸铁管抗腐蚀性能很强,但抗拉强度、抗弯曲、抗冲击能力和焊接性能均不如钢管好;PE管具有良好的柔韧性且具有良好的耐腐蚀性,埋地敷设不需要做防腐和阴极保护,弥补了钢管的最大缺点。
除此之外,PE管具有良好的气密性,严密性优于钢管;管内壁平滑,提高介质流速,提高输气能力,较之相同的金属管能输送更多的燃气;成本低,材质轻且卫生无毒。
综合以上的比较,本设计的庭院管道采用PE管以提高输送效率以及节省防腐投入。
聚乙烯燃气管道分为SDR11和SDR17.6两个系列。
SDR为公称外径与壁厚之比。
SDR11系列宜用于输送人工煤气、天然气、气态液化石油气;SDR17.6系列宜用于输送天然气,本工程输送的是人工煤气。
因此选用SDR11系列的聚乙烯燃气管材。
2.2 管道布置2.2.1 地下燃气管道应埋设在冰冻线以下,本设计不存在冰冻线的问题,但同样,有最小覆土深度(路面至管顶)应符合下列要求:埋设在车行道下时,不得小于0.8m;埋设在非车行道(含人行道)下时,不得小于0.6m;埋设在庭院(指绿化地及货载汽车不能进入之地)内时,不得小于0.3m。
XXXXXXX大学环境与能源工程学院课程设计任务书课题名称:燃气输配指导教师: XXXXXX系别:环境与能源工程学院专业:建筑环境与设备工程班级: XXXXXX学号: XXXXXX姓名: XXXXXX目录第一章设计大纲 (3)1.1工程概况 (3)1.2、设计资料 (3)1.3、设计的内容 (3)1.4、设计的步骤 (3)1.5、成果 (4)1.6、参考资料 (4)第二章气源性质的计算 (4)2.1 、参数计算 (4)第三章调压柜选取 (7)第四章小区燃气管道设计 (8)4.1、确定庭院管道的管材 (8)4.2、平面管道布置及绘制 (8)4.3、庭院燃气管道的水力计算 (9)第五章设计总结 (13)第一章设计大纲1.1.工程概况本工程为某小区燃气工程,10栋居民楼,共624户。
居民用户的用气量每户按照安装10升燃气热水器及双眼灶具各1台的用气量设计,总设计量用气液化石油气为72标准立方每小时。
天然气为215.18标准立方每小时。
考虑以后燃气管道互换性,管道设计以天然气介质进行设计。
供气方式:区域调压、中压进户(由区域调压箱调压至表压8kPa进户,户内由户内调压器调至表压液化石油气:3.2kPa,天然气为 2.4kPa)。
设计压力及温度:区域调压箱前中压管道为0.4MPa(表压),区域调压箱后到用户调压器管道为9kPa(表压),户内调压器后5kPa(表压)。
设计温度:常温。
本工程是某小区燃气管道布置安装,其中共有住宅楼10栋,居住户数共760户,起源由小区主入口中压管道引入,经小区调压柜调压后分两个区供给各路用户,本小区采用单户计量。
调压站出口压力3000Pa。
1.2. 设计资料1、气源参数:天然气2.土建资料:小区庭院平面分布图(设计资料图1)第二章气源性质的计算2.1燃气性质的计算(1)平均分子量天然气中的气体成分有CH4 C2H6C3H8C4H10CO2N2。
气体的容积成分分别对应为83.8 6.9 4.5 4.5 0.10 0.20由【1】中的表1-2查得各组分的分子量按照下式得出气体的平均分子量。
一、基本数据计算1、热值的确定H=H1r1+H2r2+……+H n r n H——燃气的高(低)热值;H1、H1、H1+——燃气中可燃成份的高(低)热;r1、r2、r n——燃气中各组分的容积成分。
2、燃气燃烧所需的理论空气量V0=121[0.5H2+0.5CO+∑( m +n4)CmHn+1.5H2S-O2]V0——理论空气需要量;H2、CO、C m H n、H2S——燃气中各种可燃组分的容积成分;O2——燃气中氧气的容积成分。
3、过剩空气系数αα= V V 0通常α>1。
α值的大小决定于燃气燃烧的方法及燃烧设备的运行工况。
在工业设备中α一般控制在1.05~1.20;在民用燃具中α一般控制在1.3~1.8。
过剩空气的存在增加了燃气分子和空气分子碰撞的可能性,增加了其相互作用的机会,从而促使燃烧完全。
在燃烧过程中正确选择和控制α是十分重要的,α过小和过大都将导致不良后果;前者使燃料的化学热不能充分发挥,后者使烟气的体积增大,燃烧室内温度下降,增加排烟的热损失,其结果都将使加热设备的热效率下降。
因此,先进的燃烧设备应在保证完全燃烧的前提下,尽量使α趋进1。
4、理论烟气量(α=1)三原子气体体积V R O2=V C O2+V S O2=0.01(CO2+CO+∑mCmHn+H2S)V RO2——三原子气体体积;V CO2、V SO2——二氧化碳和二氧化硫的体积。
水蒸气体积V0 H2O =0.01[H2+H2S+∑n2CmHn+H2S]V0H2O——理论烟气中水蒸气体积;da——空气的含湿量。
氮气体积V N2=0.79V+0.01N2VN2——理论烟气中氮气的体积。
理论烟气总体积V0 f = V R O2+V0H2O+V0H2O5、实际烟气量(ɑ>1)三原子气体体积V R O2=V C O2+V S O2=0.01(CO2+CO+∑mCmHn+H2S)V RO2——三原子气体体积;V CO2、V SO2——二氧化碳和二氧化硫的体积。
燃气输配课程设计土木建筑学院课程设计(论文)说明书课程名称:《燃气输配》课程设计设计题目:临江小区燃气供应工程设计专业:班级:设计人:指导教师:课程设计任务书专业(方向):班级:学生姓名:学号:一、课程设计题目:临江小区燃气供应工程设计二、原始资料:(1)临江小区平面规划图:所有建筑层高按10层计;(2)气源:液化石油气:密度1.33 kg/Nm3,热值95.5MJ/ Nm3;气体的运动粘度均取25X10-6m2/s;(3)每栋建筑50%的用户有热水器(负荷50MJ/h)和双眼灶(负荷25MJ/h),50%用户只有双眼灶(负荷25MJ/h),暂不考虑公共建筑和商业用气;(4)气源:液化石油气0.4MPa。
低压管道起点压力(调压站出口压力):液化石油气4350Pa;允许总压降(不包括室内压降):液化石油气1750Pa。
三、设计应解决下列主要问题:(1)用户用气量的确定;(2)小区燃气管线的平面布置及相关设备的选择;(3)小区燃气管网水力计算;(4)小区燃气工程图纸绘制。
四、设计图纸:小区燃气输配系统平面布置图、引入管(或穿墙大样图、阀门井大样图等)、小区管道水力计算图、调压设施安装大样图。
五、命题发出日期:2013.6.6 设计应完成日期:2013.6.21设计指导人(签章):系主任(签章):日期:年月日指导教师对课程设计评语指导教师(签章):系主任(签章):日期:年月日摘要随着人类社会的发展和环保要求的提高,气体燃料作为洁净能源在世界能源消费结构中所占的比重将越来越大。
液化石油气清洁,热值高,使用方便,具有很高的环境效益和社会效益。
因此,液化石油气的应用越来越广泛。
本设计为液化石油气供应工程设计,主要包括临江区城市燃气管网规划和低压燃气管网设计。
本设计的主要内容包括:根据给定的液化石油气,结合临江小区的位置、规模等情况,确定合理的液化石油气供应方案和输配方案;根据小区生活区的平面布置进行管线布线,利用同时工作系数法确定各输气管段的小时计算流量并根据经济流速预选管径,计算管道的摩擦阻力损失,通过计算对最不利环路的压力降进行校核并确定管径;对部分输气管线进行断面设计,选择阀门等管道附属设备。
第一章燃气性质计算气源基本参数因为西气东输二线工程经过洛阳市,所以该小区采用的气源是天然气选用的天然气,其容积成分为,甲烷 74.3%,丙烷6.75%,氮气0.55%二氧化碳 1.62%,丁烷 1.88%, CmHn(取丙烯 C3H6)14.9%表1-1 天然气组成及其标态下的主要特性值燃气性质的计算1、分子量的计算由输配课本表1-4、表1-5查得各组分分子量,按以下公式求混合气体平均分子量。
1 1 ’M W市yM y2g yE174.3 16.043 6.75 44.097 1.88 58.124 0.55 28.0134 1.62 44.0098 14.9 42.08100=23.1262、相对密度的计算由输配课本表1-4、表1-5查得各组分密以下公度,按以下公式求混合气体平均密度。
100八丫2; 八疵 74.3 0.7174 6.75 2.0102 1.88 2.703 0.55 1.2504 1.62 1.9771 14.9 1.9136= 1.043 kg\m3按以下公式求混合气体相对比重即相对密度F =0.8073、粘度的计算将容积成分换算为质量成分由输配课本表1-4、表1-5查得各组分的分子量,根据已知的各组分容积成分, 通过计算得到按换算公式,各组分的质量成分为g i二y iM‘ 100' Y i M j二2312.6gCH 474.3 16.043100 二 51.5423126g C3 H86.75 44.097100 二 12.872312 .6gC 4H 1°1.88 58.124100 二 4.732312.6由输配课本表1-4、表1-5查得各组分的动力粘度,按以下公式求混合气体动力卩瓦gi粘度。
Lgii100 10“51.54 1287 4.730.67 3.08 27.11----- + ------- + ----- + ------- + ------- + ------10.395 7.502 6.835 16671 14.023 7.649 -8.95 10“ Pa ・ s混合气体的运动粘度为4、热值的计算0.55 28.0134g N 22312.6100 二 0.67gCO 21.62 44.00982312.6100 二 3.0814.9 42.0812312 .6二27.11u 8.95 10"p 1.043= 8.58 10-6m 2/sQ=0.01 74.3 39.842 6.75 101.266 1.88 113.886 14.9 93.667 1=52.54 sMJ/m3Qt= 0.01 74.3 35.902 6.75 93.24 1.88 112.853 14.9 87.667 A48.15MJ/m3 5、爆炸极限的计算然后将组分的惰性气体按照图1-12 (输配课本)与可燃气体进行组合,即y cH , y N —4.3% 0.55% = 74.85%,惰燃气体== 0.0074由输配课本图1-12查得各混合组分在上述混合比时的爆炸极限相对应为 5%〜 70%和 3%〜11%查表1〜4得:未与惰性气体组合的丁烷的爆炸极限为 1.5%〜8.5% 丙烯的爆炸极限为2.0%〜11.7%&华白指数的计算华白数是一个互换性指数。
目录
第1章工程概况2
第2章资料2
2.1原始资料2
2.2气源参数2
2.3用气量指标3
第3章管道布置及技术要求3
3.1管道材料3
3.2设计方案3
3.3管道布置3
第4章室内燃气管道水利计算4
4.1 设计要求5
4.2 计算步骤5
4.3 计算结果5
4.4 结论5
第5章设计总结6
第6章参考文献 (6)
第1章工程概况
根据有关规划二区25#民用住宅楼配套建设燃气供应基础设施,供给区内居民用户。
气源选用天然气,小区内设置一座中低压调压箱。
调压箱进口与小区外中压燃气干管相连,供气压力为0.15 MPa;出口与小区低压庭院管网相连,出口压力为3000Pa。
居民住宅楼内设燃气室内管道。
居民住宅楼6层,层高2.8m,室内首层地面标高±0.00,室外地坪标高-0.30m。
居民用户安装燃气表、燃气灶各一台。
第2章设计资料
2.1原始资料
小区燃气管道室外布置图M1:1000,住宅楼一层平面图、标准层平面图M1:100;
2.2气源参数
目参数取值
组分,体积百分比(%)CH489.02 CO2 1.54
C2H67.13
C3H8 1.4
C m H n0.41
H2S0.0002 N20.50
气态密度,kg/Nm30.6278
低热值,MJ/Nm3 (kcal/Nm3)38.40(9179)高热值,MJ/Nm3 (kcal/Nm3)42.48(10154)
2.3用气量指标
双眼灶额定流量为0.9m3/h,中式炒菜灶额定流量为2.8 m3/h。
第3章管道布置及技术要求
3.1 管道材料
室外埋地燃气管道采用聚乙烯管,通过钢朔转换接头接到室内燃
气引入管。
室内燃气管道采用镀锌钢管,管材应符合《低压流体焊接用钢管》GB/T3091。
3.2设计方案
室外埋地燃气接到室内燃气引入管,引入管沿建筑物外墙引入室内,室外立管采用玻璃钢保护罩保护,保护罩不采用要暖装置。
管道穿墙处采用镀锌钢套管保护。
燃气管道与套管之间采用油麻沥青密封。
室内燃气管道均采用明设。
燃气立管设于厨房内,每隔2米及转弯处设支架。
3.3 室内管道布置
3.3.1燃气用户引入管
燃气用户引入管一般从家庭厨房,楼梯间或走廊等便于修理的非居住房间引入,不应从卧室、浴室、易燃易爆的仓库。
,生产方式分为地下引入和地上引入,本设计采用地上引入方式。
地上引入:引入管自埋地管接出,沿建筑外墙,在一定高度穿过外墙引入室内。
地下引入:引入管自室外埋地燃气管接出,穿过建筑物基础及建筑物底层地坪,直接引入室内,在室内立管上设三通管作为清扫口。
故比较两种进户方式在本设计采用地上引入方式作为燃气引入管。
3.3.2引入管阀门设置
(1)阀门应设置在室内,对重要用户应在室外,另设阀门,并选快速或切断阀。
(2)地上低压燃气引入管的直径小于或等于75mm时,可在室外设置带丝堵三通,不另设阀门。
3.3.3室内燃气管道
室内燃气管道不应附设在易燃易爆的场所或仓库、配电间、变电室、电缆沟、烟道和进风道等处。
当必须敷设在潮湿或腐蚀介质的场所时,采取特别防腐措施。
当燃气管道需穿过卧室、浴室时,必须采用焊接连接,并必须设置在套管中,燃气管道的立管不得敷设在卧室、浴室或厕所中。
室内燃气管道应明管敷设,当建筑物或工艺上有特殊要求时,可敷设于带有盖板和通风孔的管槽、管沟内或建筑物的设备层、管道井及可拆卸的吊顶内等处。
暗设的燃气管道的管槽应设活动门和通风孔,暗设的燃气管道管沟应设活动盖板,并填充干沙。
燃气管道与电器设备及相邻管道之间的净距,不应小于有关规定。
(参考《城镇燃气室内工程施工及验收规范》)3.3.4室内燃气管道阀门的设置
(1)燃气表前
(2)用气设备和燃烧器前
3.3.5设备与管道之间连接
燃烧设备与燃气管道宜采用软管连接,因为软管连接时,家用燃气灶其连接软管长度不应超过0.5m,且材料为耐油橡胶,不得穿墙
3.3.6家庭炊事燃具布置
(1)燃气灶应安装在通风良好的厨房内,严禁设置在卧室内。
(2)燃气灶靠墙设置,与墙的净距不宜小于10mm,与对面墙之间应有不小于1m的通道,灶边与侧墙净距不小于15cm。
3.3.7燃气计量表的布置
(1)燃气表已设置在通风良好的非燃结构上,并满足便于施工、维修、调试和安全使用的要求。
(2)居民住宅内燃气表明设,高锁表时,表底距地面不小于1.4m,表侧
面与燃气灶净距不小于30cm,表背面距墙面不小于1cm;采用低锁表时,表底距地面不小于5cm.
第4章室内燃气管道水力计算
4.1设计要求
室内燃气管道允许压力降(不含燃气表阻力):天然气:150Pa
4.2、计算步骤
1、确定计算流量和管段长度。
画出管道系统图,在系统图上对计算管段进行编号,凡管径变化或流量变化处均应编号。
(系统图见附图)
2、求出各管段的额定流量,根据各管段供气的用具数得同时工作系数值,可求得各管段的计算流量。
3、由系统图求得各管段的长度,并根据计算流量初步确定各管段的管径。
4、算出各管段的局部阻力系数,求出其当量长度,可得管段的计算长度。
根据管段及已定管径,可由图6-6(当量长度计算图)燃气输配
书p101求得时的,既。
5、求各管段的单位长度压降值,乘以管段计算长度,即得该管段
的阻力损失。
6、计算各管段的附加压头,每米管段的附加压头值等于
g(1.2-)=9.81(1.2-0.6278)=5.61Pa/m
乘以该管段终端及始端的标高差,可得该管段的附加压头值。
计算时需注意其正负号。
7、求各管段的实际压力损失,为
8、求室内燃气管道的总压力降。
管道1~2~3~4~5~6~7~8~9~10总压力降=99.96Pa
管段11~12~13~14~15~6总压力降=-8.34Pa
9、以总压力降与允许的计算压力降相比较,如不合适,则可改变
个别管段的管径。
4.3、计算结果(见附表)
4.4、结论
由计算结果可见,最不利环路的压降值小于允许压降值150Pa,所以本设计符合经济合理的设计要求。
第5章设计总结
本次设计在赵老师的指导下顺利完成《二区25#居民住宅楼低压燃气管道系统设计》的课程设计。
此次设计使我对燃气输配工程这门课程有了更深的认识。
并且通过这次设计,让我积累了很多设计经验,提高了自己运用知识解决实际问题的能力。
这些都是我们在今后从事实际工作时,宝贵的财富。
我们要想做好一个燃气工程,首先要从所使用的燃气性质入手,要很清楚的了解燃气性质,如:燃气的气体组成,各组分的容积成分、质量成分,密度,相对密度,高、低热值,临界温度,临界压力,爆炸极限等等。
其次,在保证燃气系统安全、可靠、经济的前提下,进行准确的水力计算也是必不可少的。
最后,我们不仅要能设计系统,而且我们也要清楚各燃气设备的安装条件。
所以我们应该在设计系统的同时考虑到是否便于施工人员的安装操作,进而使自己的设计更为人性化。
为此,这个设计使我明白只有一直坚持这样做才能使自身成为一名合格的设计人员。
谢谢老师给我们的帮助与指点!
第6章参考文献
《城镇燃气设计规范》 GB50028-2006
《聚乙烯燃气管道工程技术规程》CJJ63-2008
《城镇燃气输配工程施工及验收规范》CJJ33-2005
《燃气工程技术手册》中国建筑工业出版社
《燃气输配》(第三版)中国建筑工业出版社《流体输配管网》(第三版)中国建筑工业出版社。