矩形渡槽设计说明书
- 格式:doc
- 大小:1.46 MB
- 文档页数:15
说明书一、概述该渡槽位于***省、****************工程K9+处,该渡槽槽位原为一片农田,因公路基础建设的需要,此处修建公路,横断面为路堑形式,阻断了原有农灌沟渠,应农灌的需求及在不阻碍正常的交通往来情况下,故在此位置修建此渡槽。
该渡槽作为民生工程,为保证当地居民正常田灌溉、道路通畅、通行安全,修建此渡槽很有必要。
(一)设计依据1、采用规范、标准及文件1)外业勘察资料及业主提供的相关资料。
2)《水工混凝土结构设计规范》(SL/T191-2008)。
3)*************************施工图设计。
4)《水工混凝土砂石骨料试验规程》DL/T5151-2014执行。
5)《水工混凝土施工规范》(SL677-2014)6)现行有关法律、法规、标准、规范及规程等。
(二)工程规模及主要工程内容工程规模:渡槽设计总长,其中渡槽段长,跨径为1×+1×+1×现浇U型槽身,进水口段长55m,出水口段长60m;工程总投资万元;平均每延米渡槽造价万元,其中建筑安装工程费万元,占总投资的%。
主要工程内容:渡槽基础:基础、挖基、基坑回填;下部构造:槽台台身拱肋、横向连系梁、支架;上部构造:U型槽身;其他工程等。
二、地质、水文、航运等基础资料(一)地质根据《****省地图集》(),项目槽位地质为寒武系:硅质岩、岩质页岩,砂页岩及灰岩。
(二)不良地质槽位无不良地质。
(三)地震根据《中国地震动态参数区划图》(GB18306-2015),本项目路段地震动峰值加速度系数等于,按部颁《公路工程技术标准》(JTGB01-2014)规定,除有特殊要求外,可采用简易设防。
三、设计技术标准(一)渡槽工程1、跨径、槽型:1×+1×+1×现浇U型槽身,渡槽段全;2、槽身纵向比降:%。
四、材料、建筑产品采用的技术指标或标准(一)材料1、水泥选用水泥时,应以能使所配制的混凝土强度达到要求、收缩小、和易性好和节约水泥为原则。
摘要南水北调中线工程总干渠河北省南段线路以冀豫交界处的漳河北为起点,沿京广铁路西侧的太行山东麓自南向北,经过河北省邯郸、邢台、石家庄3市及所属11个县(市),至京石应急供水段起点为止,,.黄岗渡槽是南水北调工程总干渠上的一座跨渠输水建筑物,与总干渠交叉点桩号为10+437(黄岗渡槽位置详见总体布置图)。
根据总干渠可行性研究阶段已确定的工程等级及建筑物级别,本渡槽为1级建筑物,抗震设防烈度为Ⅶ度。
考虑经济,施工难度等方面的因素,结合工程有关条件,(无拉杆)矩形梁槽身。
设计分为上部结构和下部结构的设计,上部结构设计包括尺寸拟定和配筋计算,其中又包括跨中截面尺寸的拟定,截面特性的计算,永久作用、可变作用的计算及其组合。
槽身验算主要为承载能力极限状态计算,正常使用极限状态计算以及槽身的配筋计算及验算和变形验算,经计算各项指标均符合设计。
,尺寸的拟订,排架结构的配筋计算和桩基础的荷载计算,及其桩长计算等。
各项检算也均符合要求。
关键词:输水建筑物;渡槽;矩形断面;排架AbstractSouth-North Water Transfer Project in Hebei province south of the trunk line to the junction of Yu Ji Zhang Hebei as a starting point, Jing-Guang Railroad along the west side of the Taihang Mountain Donglu from south to north, after Handan, Hebei Province, Xingtai, Shijiazhuang City, and their 3 11 counties (cities), emergency water supply to Jingshi paragraph starting point, the channels of km, the building of km.Huang Gang is the diversion Aqueduct works on the trunk of a cross-water drainage structures, with the main channel for cross-point Zhuanghao 10 +437 (Huanggang Aqueduct see the overall layout of location). According to the Channel feasibility study stage of the project have been identified and grade-level buildings, the aqueduct for a building, seismic fortification for the intensity of Ⅶ.Consider the economy, the difficulty of such factors, the conditions of work, the aqueduct is designed to m (with drawbars) rectangular beam trough body.Design of the structure is divided into upper and lower structural design, structural design including the upper part of the development and reinforcement size, which also included cross-section size in the formulation, cross-section of the calculation, the permanent role, the role of variable calculation and combinations. Slot for the main body checking carrying capacity limit state basis, the calculation of normal use limit state and the reinforcement shafts are calculated deformation and checking and checking, the calculation of the indicators are in line with the design.The lower part of the design of the structure to design and bent the pile foundation design as the main content. Bent structure, including the determination of the size of the design, calculation bent structure of the reinforcement of the pile foundation and load, and its length calculation. The operator were also seized to meet the requirements.Key words: water supply building ; Aqueduct;Rectangular cross-sectiong; Bent目录1 设计资料及说明 (1)工程概况及任务由来 (1)设计基本资料 (1)工程等级及建筑物级别 (2)建筑物结构布置原则 (3)2水力计算 (4)渡槽水力计算 (5)总水头损失的校定与i、B、H的确定 (6)渡槽水头损失计算 (6)槽底进出口高程的确定 (8)通过加大流量时水面衔接检查 (9)3槽身结构计算 (10)槽身的横向结构计算 (11)槽身的纵向结构计算 (19)4槽墩的结构设计 (23)5 排架及基础结构计算 (24)排架横向计算简图及荷载计算 (24)排架横向内力以及配筋计算 (26)排架纵向内力以及配筋计算 (33)吊装验算 (34)牛腿设计 (36)基础结构设计及配筋计算 (37)6渡槽及其地基的稳定验算 (43)槽身的整体稳定性计算 (43)渡槽的抗滑抗倾覆及基底压应力验算 (43)7 细部结构 (46)伸缩缝及止水 (46)支座 (46)两岸连接 (46)沉降验算地基处理措施 (47)支座止水设计 (47)出口消能工设计 (47) (47)结束语 (47)谢辞 (47)参考文献 (48)1设计资料及说明工程概况及任务由来南水北调中线工程总干渠河北省南段线路以冀豫交界处的漳河北为起点,沿京广铁路西侧的太行山东麓自南向北,经过河北省邯郸、邢台、石家庄3市及所属11个县(市),至京石应急供水段起点为止,,.黄岗渡槽是南水北调工程总干渠上的一座跨渠输水建筑物,与总干渠交叉点桩号为10+437(黄岗渡槽位置详见总体布置图)。
内容摘要本次设计作为水利水电工程专业的毕业设计,主要目的在于运用所学的有关专业课,专业基础知识及基础课等的理论;了解并初步掌握水利工程的设计内容,设计方法和设计步骤;熟悉水利工程的设计规范;提高编写设计说明书和各种计算及制图的能力。
根据设计任务书,说明书分为四章。
第一章,基本资料。
第二章,整体布置,确定渡槽的线路和槽身总长度,进行水利计算,确定槽底纵坡以及进出口高程。
第三章,槽身结构设计,确定槽身的横断面尺寸,进行槽身纵横断面内力计算及结构计算。
第四章,支承结构设计,确定支承结构的尺寸,进行支承结构的结构计算,渡槽基础的结构计算及渡槽整体稳定性计算。
AbstractThis design is a graduation project of undergraduation. Its main aim is to apply what have been learned in class, such as specialized courses, specialized basic courses, basic courses and so on, to initially master the content of design, the methods of design, the steps of design of the irrigation project; to have an intimate knowledge of the design standard of the irrigation project; to raise the capacity to compile the design exposition and the capacity of calculation and drawing.According to the task, the design exposition is made up of four chapters. Chapter one is the basic material. Chapter two is assignment on the whole, in which the aqueduct line and total length are decided, and make the hydraulic design to decide the slope of bottom and the altitude of exit and entrance. Chapter three is the structure design of aqueduct body, in which the cross section of aqueduct body is decided, and calculate the internal force and the structure of cross section and vertical section. Chapter four is the structure design of support structure, in which the dimensions of support structure are decided, and calculate the internal force and structure of support structure , and calculate the structure of aqueduct foundations, and check the stability of aqueduct on the whole.毕业设计(论文)原创性声明和使用授权说明原创性声明本人郑重承诺:所呈交的毕业设计(论文),是我个人在指导教师的指导下进行的研究工作及取得的成果。
目录设计基本资料____________________________________________________ - 2 -一.设计题目_________________________________________________________ - 2 -二.基本资料_________________________________________________________ - 2 -三.设计原则与要求___________________________________________________ - 3 -四.设计内容_________________________________________________________ - 3 -五.设计成果_________________________________________________________ - 3 -六.参考书___________________________________________________________ - 3 -设计说明书______________________________________________________ - 4 -一.渡槽总体布置________________________________________________ - 4 -1,槽身长度的确定_________________________________________________________ - 4 -2.上下游连接形式及其长度 __________________________________________________ - 4 -3.渡槽支撑形式___________________________________________________________ - 5 -4.渡槽基础的形式_________________________________________________________ - 5 -二.渡槽水力计算_____________________________________________________ - 6 -1.尺寸拟定 ________________________________________________________________ - 6 -2.水头损失 ________________________________________________________________ - 7 -三.槽身结构计算_____________________________________________________ - 8 -1. 槽身横向结构计算 _______________________________________________________ - 8 -2.槽身纵向结构计算 _______________________________________________________ - 11 -3.配筋计算 _______________________________________________________________ - 12 -四.槽身支撑排架与基础的布置________________________________________ - 14 -1.支撑排架 _______________________________________________________________ - 14 -2.基础 ___________________________________________________________________ - 15 -设计基本资料一.设计题目:钢筋混凝土渡槽xx灌区干渠上钢筋混凝土渡槽,矩形槽身设计,支撑排架和基础结构布置。
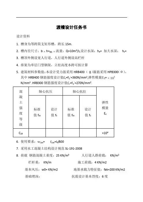
钢筋混凝土装配式渡槽设计指导书一、设计目的钢筋混凝土结构课程设计是水工专业教学的重要内容,通过课程设计一方面加深同学门对本课程所学内容的理解,做到理论联系实际,另一方面让同学们进行工程师的基本训练,为走向工作岗位打下一定基础。
二、渡槽设计任务书1、设计课题某灌溉渠道上装配式钢筋混凝土矩形(无横杆)渡槽2、设计资料某灌溉渠道上渡槽每跨长12m,高3.5m ,侧墙顶外伸悬臂板作为人行道,槽身简支搁于刚架立柱牛腿上,刚架总高13.1m,基础为条形基础,埋置深度为1.4m,渡槽结构布置如图1所示。
结构条件如下:A:渡槽最大水深(设计水深)为2.5m,过水净宽为3.1m;B:栏杆重1.5kN/m,施工荷载4.0kN/m2(不与人群荷载同时出现);人群荷载一般取2.5kN/m2;C:槽身混凝土强度等级C25;D:槽身受力主筋II,分布筋、箍筋为I级。
3、设计内容和要求1)完成设计计算书一份,内容包括a:槽身的荷载计算、内力计算、承载能力极限状态计算和正常使用极限状态计算;2)绘制渡槽结构施工图(2号图纸),内容包括a:槽身模板图及其纵、横配筋图;b:有关设计说明。
三、槽身设计参考资料(一)概述渡槽是渠道跨越河流、溪谷、洼地和道路的输水建筑物,是水利工程中应用最广泛的交叉建筑物之一。
本资料重点介绍简支梁式矩形渡槽结构造型及其槽身结构的结构设计。
(二)简支梁无横杆矩形渡槽的结构和计算1、无横杆矩形截面渡槽槽身主要结构无横杆矩形槽的侧墙顶,常设有外深悬臂板作为人行道,板厚越为60~100mm,人行道宽度常取为800~1200mm。
为了交通方便,人行道上设置栏杆。
槽身截面取决于过水的要求。
过水断面的深宽比(水深与水面宽度之比)从过水能力考虑应取0.5,但从结构受力考虑,因侧墙在纵向起着梁的作用,加高侧墙,可提高槽身的纵向承载能力。
故在实际工程中深宽比常提高0.6~0.8。
为了防止风浪引起槽身侧墙顶溢水,侧墙的高度应留有超高(超出槽内最大水深的高度),一般超高可取为0.2~0.4m。
渡槽课程设计指导书(无拉杆矩形槽)第一部分课程设计任务书简要叙述课程设计的任务,包括原始数据、要求计算的内容、以及要求绘图的内容。
第二部分渡槽尺寸的确定在该部分的计算书中,要按比例绘制相应的尺寸图,以便判断是否合理。
1、槽身纵向尺寸:例如渡槽纵向长12 m,包含槽身之间的伸缩缝缝隙长度30~50mm;支座采用板式橡胶支座,尺寸为φ200 mm,厚50 mm。
支座的边缘到槽身的边缘,以及到刚架牛腿的边缘应符合教材369页表11-15的规定。
2、槽身横向尺寸:槽身的净宽(过水部分):按设计水深深宽比H/B = 0.6~0.8 确定槽身的净高= 校核水深+ 0.4~0.2 m有通航要求时不设拉杆,侧墙做成变厚度的,顶厚不小于100mm,底厚常大于150mm,矩形槽身底板底面可与侧墙底缘齐平或适当高于侧墙底缘,后者用于简支梁式槽身时可以减小底板的拉应力。
槽身侧墙的厚度可以和底板的厚度不一致,但是厚度(平均)都不应该小于200mm。
人行道板的宽度可取为700~1500mm,板厚60~200mm。
3、槽身局部尺寸贴角尺寸:45°,高度200~300mm。
4、刚架尺寸刚架柱的截面最小尺寸不应该小于300 mm。
立柱断面尺寸:长边(顺槽向)1b为排架总高的(1/20~1/30),常采用m b 7.0~4.01=;短边(横槽向)11)8.0~5.0(b h =,常采用m h 5.0~3.01=。
横梁间距可等于或略大于立柱间距。
横梁高2h 可为跨度(即立柱间距)的1/6~1/8,梁宽2b 为2)7.0~5.0(h1-1-侧墙的配筋要选择最不利的组合的内力计算结果进行。
留了φ(41.3 (1(2设计水位+自重+设计水位情况下侧墙底部传来校核(满槽)水位+自重+校核(满槽)水位情况下侧墙底部传来②对于Ⅱ-Ⅱ截面,计算时要注意,所计算的各种水位下的内力,要与和其相应的侧墙传来的轴力、弯矩相一致。
B/2(满槽)水深+自重+ B/2(满槽)水深情况下侧墙底部传来(无人群荷载)(2)配筋由于计算的内容较多,可以用列表的方式进行配筋计算。
1 设计基本资料1.1 工程概况基本说明某渡槽地处道观河水库北干渠3+659处,修建于1968年,原槽身为薄壳钢丝网U形槽,断面尺寸为R160+D45cm,设计流量10m3/s,是东部农田灌溉和几万人畜饮水的咽喉之地。
1.1.1 灌区水文基本情况灌区属亚热带季风气候,四季分明。
据新洲区城关气象站资料统计,多年平均气温16.3℃,极端最高气温39.7℃,最低气温-14.3℃。
多年平均日照时数2081h,无霜期230~250天。
多年平均降雨量1199.5mm,最大降雨量2265.2mm(1954年),最小降雨量619.8mm(1978年)。
降雨量年变化较悬殊,年内分配不均,灌溉季节5~9月份占全年的65%。
多年平均蒸发量1456mm。
从气象特征看,降雨量较丰沛,雨热同期,日照充足,有利于灌区农作物生长。
灌区内举水及其支流,径流年内、年际变化与降雨基本一致。
灌区多年平均径流深455.8mm,最小年径流深仅124.8mm。
举水干流柳子港站(集水面积2997 km2),多年平均径流量14.5亿m3,最小年仅3.9亿m3。
1.1.2 场地位置及地形地貌特征渡槽坐落在某上,某宽约73m,河床高程49.50~50.80m,河岸高程51.50~53.90m。
渡槽两侧为岩石山体,山体斜坡40~55°,两侧山体较稳定。
1.1.3 场地岩土层分布特征通过现场地质测绘、槽探及坑探,并结合原渡槽施工地质资料,将渡槽场址区地层共分为四层,其岩土层描述为:(1)粗砂夹砾卵石(Q4al)褐~灰褐色,松散~稍密,饱和,砾卵石的主要成分为石英,次棱角~次圆状,砾卵石含量30~45%,一般粒径3~5cm,最大粒径12~15cm。
厚度为1.80~3.60m,平均厚度2.65m。
(2)粘土夹碎石(Q3al)褐~黄褐色,可塑,湿,碎石主要成分为石英,棱角状,碎石含量10~20%,一般粒径2~3cm,最大粒径6~8cm,标贯击数N =12~16击。
《水工钢筋混凝土结构学》课程设计任务书某钢筋混凝土渡槽槽身结构设计指导老师:傅少君武汉大学土木建筑工程学院2015年11月1 设计题目某灌区输水渠道上装配式钢筋混凝土矩形渡槽2 设计资料根据初步设计成果,基本资料及有关数据如下:(1)该输水渡槽跨越 142m 长的低洼地带(如图 1 所示),需修建通过 /s 15m 3 设计 流量及16m /s 校核流量,渡槽无通航要求。
经水力计算结果,槽身最大设计水深H=2.75m ,校核水深为 2.90m 。
支承结构采用刚架,槽身及刚架均采用整体吊装的预制 装配结构,设计一节槽身。
槽底高程(M)渠道进口段洼地长(M )20.00M渠道进口段5.00M(2)建筑物等级 4 级。
图 1渡槽跨越洼地带(3)建筑材料:混凝土强度等级,槽身架采用 C25 级; 槽身架受力筋为 HRB335,分布筋、箍筋 HPB235。
(4)荷载钢筋混凝土重力密度 25kN/m ;人行道人群荷载 2.5kN/m ;栏杆重 1.5kN/m 。
(5)使用要求322底板有抗裂要求。
槽身纵向允许挠度[f s]=l0/500,[f L]=l0/550。
3设计要求在规定时间内,独立完成下列成果:(1)设计计算书及说明书,计算书包括:设计题目、设计资料,结构布置及尺寸简图;槽身过水能力计算、槽身、刚架的结构计算(附必要的计算草图);设计说明书包括对计算书中没有表达完全部分的说明。
(2)施工详图,一号图纸2张,包括:槽身结构布置图(手绘)、槽身配筋图(计算机绘制)、钢筋表及必要说明;图纸要求布局合理,线条粗细清晰,尺寸、符号标注齐全,符合制图标准要求。
附件:《水工钢筋混凝土结构学》课程设计指导书附一渡槽设计大钢1概述简要说明:工程位置、设计规模等概况,前阶段设计结论及审批意见,基本资料变动情况,专题研究结论,有关会议或协议情况,对本阶段设计要求及注意的问题……等。
渡槽是渠道跨越河流、溪谷、洼地和道路的明流输水建筑物,是水利工程中应用最广的交叉建筑物之一。
工程名称: 哈密市五堡镇五堡大桥渡槽工程设计阶段:施工阶段渡槽计算书计算:日期:2015.09.01哈密托实水利水电勘测设计有限责任公司2015.09.011 基本资料五堡大桥渡槽定为4级建筑物,设计流量Q=1.2m³/s ,加大流量Q m=1.56m³/s。
,设渡槽总长25.6m,进口与上游改建梯形现浇砼渠道连接,出口与下游改建矩形现浇砼渠道连接。
2 渡槽选型与布置2.1 结构型式选择梁式渡槽的槽身是直接搁置于槽墩或槽架之上的。
为适应温度变化及地基不均匀沉陷等原因而引起的变形,必须设置变形缝将槽身分为独立工作的若干节,并将槽身与进出口建筑物分开。
变形缝之间的每一节槽身沿纵向是两个支点所以既起输水作用又起纵向梁作用。
根据支点位置的不同,梁式渡槽有简支梁式双悬臂梁式和单悬臂梁式三种型式。
单悬臂梁式一般只在双悬臂梁式向简支梁式过渡或与进出口建筑物连接时使用。
简支梁式槽身施工吊装方便,接缝止水构造简单,但跨中弯矩较大,底板受拉对抗裂防渗不利。
简支梁式槽身常用的跨度为8-15m。
本设计采用简支梁式槽身,跨度取为12.8m。
梁式渡槽的槽身采用钢筋混凝土结构。
2.2 总体布置渡槽的位置选择是选定渡槽的中心线及槽身起止点的位置。
本设计的渡槽的中心线已选定。
具体选择时可以从以下几方面考虑:(1)槽址应尽量选在地质良好、地形有利和便于施工的地方,以便缩短槽身长度、减少工程量、降低墩架高度;(2)槽轴线最好成一直线,进口和出口避免急转弯,否则将恶化水流条件,影响正常输水;(3)跨越河流的渡槽,槽轴线应与河道水流方向尽量成正交,槽址应位于河床及岸坡稳定、水流顺直的地段,避免位于河流转弯处;2.3 结构布置根据渠系规划确定,选用钢筋混凝土简支梁式渡槽进行输水,槽身采用带拉杆的矩形槽,支承结构采用单排架型式,两立柱之间设横梁,基础采用整体板式基础支撑排架。
渡槽全长25.6m,采用等跨布置方案,一跨长度为12.8m。
渡槽设计专业与班级:学生姓名:完全学号:指导教师姓名:设计提交日期:目录一、基本资料 (2)二、槽身的水力设计 (5)1.槽身过水断面尺寸的确定 (5)①渡槽纵坡i的确定 (5)②槽身净宽B0和净深H0的确定 (5)③安全超高 (6)2.进出口渐变段的型式和长度计算 (6)①渐变段的型式 (6)②渐变段长度计算 (6)3.水头损失的计算 (7)①进口水面降落Z1 (7)②槽身沿程水头损失 (8)③出口水面回升 (8)④渡槽总水头损失 (8)4.渡槽进出口底部高程的确定 (8)三、槽身的结构设计 (9)1.槽身横断面形式 (9)2.槽身尺寸的确定 (9)3.槽身纵向内力计算及配筋计算 (10)①荷载计算 (10)②内力计算 (10)④底部小梁抗裂验算 (12)⑤底部小梁裂缝宽度验算 (12)4.槽身横向内力计算及配筋计算 (13)①荷载计算 (13)②内力计算 (13)③底板配筋计算 (15)④底板横向抗裂验算 (15)⑤侧墙配筋计算 (16)⑥侧墙抗裂验算 (17)四、槽架的结构设计 (18)1.槽架尺寸拟定 (18)2.风荷载计算 (19)①作用于槽身的横向风压力 (19)②作用于排架的横向风压力 (19)3.作用于排架节点上得荷载计算 (20)①槽身传递给排架顶部的荷载 (20)②作用于排架节点上得横向风压力 (21)4.横向风压力作用下的排架内力计算 (21)①计算固端弯矩 (21)②计算抗变劲度 (21)③计算分配系数和查取传递系数 (22)⑤计算剪力和轴向力 (22)5.横杆配筋计算 (23)①正截面承载力计算 (23)②斜截面承载力计算 (23)6.立柱配筋计算 (24)①正截面承载力计算 (24)②斜截面承载力计算 (25)一、基本资料某灌溉工程干渠需跨越一个山谷,山谷两岸地形对称。
按规划,在山谷处修建钢筋混凝土梁式渡槽。
山谷谷底与渠底间最大高差8m ,岩石坚硬。
渡槽混凝土槽壁表面较光滑(n=0.014),设计流量1m 3/s ,加大流量1.1m 3/s ,渡槽长度为80m ,每跨长度取为10m ,共8跨。
设计基本资料一.设计题目:钢筋混凝土渡槽(设计图见尾页)xx灌区干渠上钢筋混凝土渡槽,矩形槽身设计,支撑排架和基础结构布置二.基本资料1.地形:干渠跨越xx沟位于干渠桩号6+000处,沟宽约75m,深15m左右。
根据地形图和实测渡槽处xx沟横断面如下表;2.干渠水利要素:设计流量Q设 =10 m3/s、加大流量Q加=11.5 m3/s,纵坡i=1/5000,糙率n=0.025.渠底宽B=2m,内坡1:1,填方处堤顶宽2.5m,外坡1:1.干渠桩号6+000处渠底高程为95.00m。
3.地质:该处为第四纪沉积层,表面为壤土深2米,下层为细砂砾石深度为10米,再下层为砂壤土。
经试验测定,地基允许承载能力(P)=200KN/ m24.水文气象:实测该处地面在10米高处,三十年一遇10分钟统计平均最大风速为24m/s。
设计洪水位,按二十年一遇的防洪标准,低于排架顶1m,洪水平均流速为2m/s,漂浮物重50KN。
5.建筑物等级:按灌区规模,确定渡槽为三级建筑物。
6.材料:钢筋Ⅱ级3号钢,槽身采用C25混凝土,排架及基础采用C20混凝土。
7.荷载:1)自重:钢筋混凝土Υ=25 KN/ m3水Υ=10 KN/ m3 2)人群荷载: 3 KN/ m33)施工荷载: 4 KN/ m34)基础及其上部填土的平均容重为20 KN/ m3三.设计原则与要求1.构件强度及裂缝计算应遵守“水工钢筋混凝土结构设计规范“(SDJ20-78)2.为了减少应力集中,构件内角处应加补角,但计算可以忽略不计。
3.计算说明书要求内容完全、书写工整。
4.图纸要求布局适当、图面清洁、字体工整。
四.设计内容1.水力计算:确定渡槽纵坡、过水断面尺寸、水面衔接、水头损失和上下游链接。
2.对槽身进行纵向、横向结构计算,按照强度、刚度和构件要求配置钢筋。
3.拟定排架及基础尺寸。
4.两岸链接和布置。
五.设计成果1.计算说明书一份2.设计图纸一张(A1)总体布置图:纵剖面及平面图一节槽身钢筋布置图:槽身中部、端部剖面,侧墙钢筋布置及底板上、下层钢筋布置图,并列处钢筋用量明细表。
许营渡槽设计说明书题目:许营渡槽(矩形槽身排架支撑)学生姓名:学号:学院:专业班级:完成时间:指导老师:绪言陆浑灌区是河南省较大的灌区之一,灌区跨越洛阳,开封、郑州市三个地区的六个县,灌区范围内居住人口大约100万人。
陆浑灌区的主要水源是陆浑水库。
许营渡槽定为Ⅲ等3级建筑物,设计流量Q设=40m³/s ,加大流量Qmax=45m³/s。
,渡槽总长110m,进口与上游矩形渠道连接,出口与下游梯形浆砌石渠道连接。
IntroductionLuhun irrigated area is Henan province one of the larger area, irrigated area spanning Luoyang, Zhengzhou, Kaifeng, three of the six county region, irrigated area population residing within about 100 million people. The main luhun irrigation water is luhun.Xu Ying aqueduct as Ⅲ, 3-level building, design flow q set = 40 m ³/s, and increase the flow Qmax = 45 m ³/s. Total length of the aqueduct, import and upstream 110m rectangular channel connection, export and downstream trapezoid shiqu connection.目录绪言Introduction1 工程概况及基本资料 (1)1.1 工程概况 (1)1.1.1 灌区基本概况 (1)1.1.2东一干概况 (2)1.2地形地质情况 (2)1.2.1 地形 (2)1.2.2 地质 (2)1.3 气象 (3)2 渡槽选型与布置 (4)2.1 结构型式选择 (4)2.2 总体布置 (4)2.3 结构布置 (4)3 水力计算 (5)3.1 计算依据、公式及参数选择 (5)3.3 水面衔接验算. (6)3.3.1渡槽总水头损失计算 (6)3.3.2渡槽进出口底部高程的确定 (6)3.3.1进出口渐变段长度的确定 (7)4 槽身结构计算 (8)4.1槽身尺寸拟定 (8)4.2荷载与组合 (9)4.2.1荷载 (9)4.2.2荷载组合 (10)4.3槽身横向及纵向结构计算 (10)4.3.1槽身横向结构计算 (10)4.3.2 槽身纵向结构计算 (16)4.4槽身配筋计算 (17)4.4.1横向结构配筋计算 (17)4.4.2纵向结构配筋计算 (18)4.5抗裂验算 (19)4.6挠度验算 (21)4.7槽身整体稳定性验算 (21)5.排架设计 (23)5.1排架的布置 (23)5.2最主要荷载的计算 (25)5.3排架的横向内力计算 (25)5.3.1作用于排架节点上的荷载 (25)5.3.2排架内力计算 (27)5.4排架的配筋计算 (32)5.5排架的强度和稳定验算 (33)6.细部构造 (34)6.1伸缩缝及止水 (34)6.2支座 (34)7.工程量计算........................................................................................... 错误!未定义书签。
设计基本资料一.设计题目:钢筋混凝土渡槽(设计图见尾页)xx灌区干渠上钢筋混凝土渡槽,矩形槽身设计,支撑排架和基础结构布置二.基本资料1.地形:干渠跨越xx沟位于干渠桩号6+000处,沟宽约75m,深15m左右。
根据地形图和实测渡槽处xx沟横断面如下表;2.干渠水利要素:设计流量Q设 =10 m3/s、加大流量Q加=11.5 m3/s,纵坡i=1/5000,糙率n=0.025.渠底宽B=2m,内坡1:1,填方处堤顶宽2.5m,外坡1:1.干渠桩号6+000处渠底高程为95.00m。
3.地质:该处为第四纪沉积层,表面为壤土深2米,下层为细砂砾石深度为10米,再下层为砂壤土。
经试验测定,地基允许承载能力(P)=200KN/ m24.水文气象:实测该处地面在10米高处,三十年一遇10分钟统计平均最大风速为24m/s。
设计洪水位,按二十年一遇的防洪标准,低于排架顶1m,洪水平均流速为2m/s,漂浮物重50KN。
5.建筑物等级:按灌区规模,确定渡槽为三级建筑物。
6.材料:钢筋Ⅱ级3号钢,槽身采用C25混凝土,排架及基础采用C20混凝土。
7.荷载:1)自重:钢筋混凝土Υ=25 KN/ m3水Υ=10 KN/ m3 2)人群荷载: 3 KN/ m33)施工荷载: 4 KN/ m34)基础及其上部填土的平均容重为20 KN/ m3三.设计原则与要求1.构件强度及裂缝计算应遵守“水工钢筋混凝土结构设计规范“(SDJ20-78)2.为了减少应力集中,构件内角处应加补角,但计算可以忽略不计。
3.计算说明书要求内容完全、书写工整。
4.图纸要求布局适当、图面清洁、字体工整。
四.设计内容1.水力计算:确定渡槽纵坡、过水断面尺寸、水面衔接、水头损失和上下游链接。
2.对槽身进行纵向、横向结构计算,按照强度、刚度和构件要求配置钢筋。
3.拟定排架及基础尺寸。
4.两岸链接和布置。
五.设计成果1.计算说明书一份2.设计图纸一张(A1)总体布置图:纵剖面及平面图一节槽身钢筋布置图:槽身中部、端部剖面,侧墙钢筋布置及底板上、下层钢筋布置图,并列处钢筋用量明细表。
排架和基础尺寸,钢筋布置等。
六.参考书1.《水工建筑物》2.《工程力学》3.《建筑结构》4.《水工钢筋混凝土》5. 《工程力学与工程结构》设计说明书一.渡槽总体布置1,槽身长度的确定干渠跨越xx 沟,位于干渠桩号6+000处。
由此表可画出此沟的横剖面图: 桩号 6+000 6+015 6+025 6+035 6+045 6+055 6+065 6+090 6+100 地面高程(m )97.80 92.70 87.66 83.85 83.80 87.60 89.90 97.68 97.70xx 渡槽横断面图由图可知在高程为95m 处沟长为70.25m 。
而对于矩形槽,跨度一般取8~15m ,所以此槽身去跨度为9m ,共8跨,则槽身长L=72m 。
2.上下游连接形式及其长度由于扭面的过流能力较好,所以,上下游连接段均采用扭面进行过渡连接; 在渠道中:水深h 1 由已知条件,带入数据知()0.620.421112122nQ b b h b m h m m m i ⎛⎫⎛⎫=⨯+++ ⎪ ⎪⎝⎭⎝⎭进行迭代得h 1=2.89m校核设计流量:A=(b+mh )h=14.13m2 R=A/x=1.39m0.52213332A 14.131=R 1.399.95/n 0.0255000Q i m s Q ⎛⎫=⨯⨯=≤ ⎪⎝⎭设实故,不符合设计流量的要求,当h 1=2.9m 时21332A =R 10.03/Q nQ i m s =≥设实故,符合设计流量的要求o Q 10.03V ===0.71m/s A 14.21实 当Q=10 m 3/s ,堤顶宽度为2.5m 时,查书中表8-5得10.5h m ∆= 则11 3.4H h h m =+∆= 校核加大流量:21332A =R 14.09/n Q i m s Q =≥、加加故,符合加大流量的要求则,渠道的深度H=3.4m ,水深h 1=2.9m 。
对于中小型渡槽,进口渐变段长度可取L 1大于等于4 h 1(h 1为上游渠道水深); 出口渐变段长度可取L 2大于等于6 h 3(h 3为下游渠道水深)。
则,11L 4h =11.6m ≥ 取 L 1=12m 23L 6h =17.5m ≥ 取L 2=18m综上所述:L 1=12m ,L 2=18m ,均采用扭面过渡。
3.渡槽支撑形式考虑到该渡槽的荷载较小,其支撑形式采用单排架。
4.渡槽基础的形式 采用板梁式条形基础二.渡槽水力计算1.尺寸拟定槽身的过水断面尺寸,一般按设计流量设计,按最大流量校核,通过水力学公式(2132A =R nQ i )进行计算。
当槽身长度L 大于等于(15~20)h 2(h 2为槽内水深)时,按明渠均匀流公式进行计算。
矩形渡槽深宽比一般取0.6~0.8,超高一般取0.2~0.6m 。
初拟时,纵坡一般取1/500~1/1500。
糙率取0.011.拟定h/b=0.7,i=1/1000,得:b=2.6m,不符合实际要求: 拟定h/b=0.8,i=1/700.得:b=2.25m,也不符合实际要求; 拟定h/b=0.8,i=1/500,得;b=2.03m,也不符合要求, …………通过以上的计算得,无论怎么调整数值,都不能满足设计要求,而,一般渡槽的净宽小于等于渠道底宽。
在以上经验数据下,设渡槽净宽b=2m,i=1/700,n=0.011带入2132A =R nQ i 计算水深h ,221332A 2h 1=R =10n 0.0111700h Q i h ⎛⎫⎛⎫⨯⨯= ⎪ ⎪+⎝⎭⎝⎭进行迭代得:h=1.93m 同理,将加大流量带入上式221332A 2h 1=R =11.5n 0.0111700h Q i h ⎛⎫⎛⎫⨯⨯= ⎪ ⎪+⎝⎭⎝⎭迭代得:h 加=2.15m 对设计流量进行校核:b=2m,h=1.93m.2213332A 3.861=R =0.65910.04m /n 0.011700Q i s Q ⎛⎫⨯⨯=≥ ⎪⎝⎭设实则,Q 10.04V===2.6m/s A 3.86实 满足设计流量的要求 对加大流量进行校核取h=0.27∆m 时,则,b=2m, h=0.27+1.93=2.2m2213332A 4.41=R =0.68811.8m /n 0.011700Q i s Q ⎛⎫⨯⨯=≥ ⎪⎝⎭、加加满足加大流量的要求 2.计算水头损失进口段水面 降落值:()()222210110.12.60.710.351229.8K Z v v m g ++=-=-=⨯(K 1=0.1)槽身段沿程降落值: 11/700720.103Z iL m ==⨯=出口段水面回升值: 2110.3510.11733Z Z m ==⨯=渡槽总水面降落值:[]120.3510.1030.1170.337Z Z Z Z m Z ∆=+-=+-=≤∆所以符合最小水头损失的要求。
抬高值: y 1=h 1-Z-h 2=2.9-0.351-1.93=0.619m 进口槽底高程: 131950.61995.619y m ∇=∇+=+= 出口槽底高程: 21195.6190.10395.516Z m ∇=∇-=-= 降低值: y 2=h 3-Z 2-h 2=2.9-0.117-1.93=0.853m 出口渠底高程: 42295.5160.85394.663y m ∇=∇-=-=渡槽水利计算图最终确定,渡槽的断面尺寸为b=2m ,h=2.2m 符合要求。
三.槽身结构计算1. 槽身横向结构计算取槽身长1m计算,拟定截面尺寸如下:可选定:t1=16~20cm t2=20~30cma=80~100cm b=40cmc=36cm 拉杆截面为16*16cm具体尺寸见下图:槽身断面图单位:cm由于结构、荷载对称,取一半计算,截面上剪力大部分分布在侧墙上,可视为一个支撑连杆支持于侧墙底部,忽略侧墙所受的竖向力,可用力矩分配法求解内力,其计算见图如下:(1).拉杆弯矩的计算:荷载 1·H=10 2.43=24.3q γ=⨯水KN ·m 22·H+?t =10 2.43+250.3=31.8q γγ=⨯⨯混水 KN ·m分配系数:截面惯性矩分别为 334410.2I 6.67101212ACt m -===⨯ 333420.3I 2.25101212ABt m -===⨯ 抗弯刚度:443333 6.67108.23102.432.2510 2.05101.1AC ACAB ABEI E K EH EI E K E H ----⨯⨯===⨯⨯===⨯ 所以:分配系数为:0.290.71ACAC AC ABABABAC ABK K K K K K μμ==+==+传递系数:C AC =0 C AB =-1求固端弯矩及约束力矩,固定状态下,可得各固端弯矩219.615F ACq l MKNm =-=- 0FCAM = 2212.83FABq l MKNm =-=-- 22 6.46F BA q l M KNm =-=--最终杆端弯矩为:M AC =-3.1KN ·m M CA =0KN ·m M AB =3.1KN ·m M BA =-22.3KN ·m (2).拉杆拉力的计算 取侧墙为脱离体,由∑M A =0则 3AC H ·H+M -=06CN γ、32AC M H 10 2.43 3.1=-=-=8.6KN 6H62.43CN γ⨯、C N =S=8.62=17.2KNm C N ⨯、C N 、:槽身一米的拉杆拉力S:拉杆间距(这里取2.2m )C N 、:一个拉杆所承受的拉力(3).底板夸中弯矩M 0计算2220AB q l 3.182M =-M=-3.1=16.1KNm 88⨯(4).绘制弯矩图侧墙外侧弯矩3X 2X 1M =X-X 6dM 1=-X =0dX 2C C N N γγ、、X M 则得X M (max )。
X1M =0位置 即 3111X -X 6C N γ、=0 所以1X代入数据得:当M 0=0时,1X =2.27m当M max 时,2X=CN γ、=1.3m此时M max =3111X -X 6C N γ、=38.6 1.3-1/610 1.3=7.5KNm ⨯⨯⨯(5).底板拉力∑M=0 底板拉力N A =33C H 10 2.43-N =-17.2=54.5KN 22γ⨯ (6).拉杆弯矩的计算 荷载:()122q 0.1253211q 0.16250.64KNm KNm=⨯+⨯==⨯= 杆端弯矩:22212q q 220.50.64 2.233 2.35612 2.212C a L a M KNm L ⨯⨯⎛⎫⎛⎫=---=--=- ⎪ ⎪⎝⎭⎝⎭ 跨中弯矩:323212q q 110.50.64 2.20.343243 2.224C a L M KNm L ⨯⨯=+=+=⨯弯矩图 单位:KNm2.槽身纵向结构计算(1).荷载:q 1=(0.2*2.43*2+0.3*2.2)*25=40.8KN ·mq2=10*2.2*2=44KN ·mq3=2a*3=2*0.5*3=3KN ·m总荷载:q=q1+q2+q3=10.8+44+3=87.8 KN ·m (2).内力计算计算跨度 L 计=1.05L 0=1.05*9=9.45m夸中弯矩 M=1/8qL 计2 22ql M==1/887.89.45=9808⨯⨯计 KN ·m 3.配筋计算(1).侧墙配筋查表得, f c =11.9 2N/mm ,f y =300 2N/mm K=1.20取a=30mm ,则h 0=h-a=200-30=170mm6s 20 1.2107.50.0311.91000170c KM f bh α⨯⨯===⨯⨯110.030.850.468b ξξ====2011.910000.0317067.4300c s y f b h A mm f ξ⨯⨯⨯=== min 67.40.04%0.2%1000170ρρ===⨯所以用最小配筋率配筋其210001700.002340s A mm =⨯⨯=选配钢筋选受拉筋为Φ12@300(s A =377mm2)(2).底板受压计算取a=30mm ,则h 0=h-a=300-30=270mm6s 20 1.21016.10.0211.91000270c KM f bh α⨯⨯===⨯⨯110.020.850.468b ξξ====2011.910000.02270214.2300c s y f b h A mm f ξ⨯⨯⨯=== min 214.20.08%0.2%1000270ρρ===⨯所以用最小配筋率配筋其210002700.002540s A mm =⨯⨯=选配钢筋选受拉筋为Φ12@200(s A =565mm2)受拉计算判别偏心受拉构件的类型0/16.1/54.50.3300/2300/230120e M N m mm h a mm ====-=-= 属于大偏心受拉构件。