渡槽设计计算书
- 格式:pdf
- 大小:9.64 MB
- 文档页数:56
渡槽设计任务书1.设计课题某灌区输水渠道上装配整体式钢筋混凝土矩形带横杆渡槽2.设计资料根据初步设计成果,提出设计资料及有关数据如下:1)该输水渡槽跨越142m长的低洼地带见下图,需修建通过15m3/s设计流量及16m3/s校核流量,渡槽无通航要求。
经水力计算结果,槽身最大设计水深H=2.75m,校核水深为2.90m。
支承结构采用刚架,槽身及刚架均采用整体吊装的预制装配结构。
设计一节槽身及一个最大高度的刚架。
2)建筑物等级4级。
3)建筑材料:混凝土强度等级槽身及刚架采用C25级;钢筋槽身及刚架受力筋为HRB335;分布筋、箍筋、基础钢筋HPB235。
4)荷载钢筋混凝土重力密度 25KN/m3;人行道人群荷载 2.5KN/m2栏杆重 1.5KN/m25)使用要求:槽身横向计算迎水面裂缝宽度允许值[W smax]=0.25mm,[W Lmax]=0.20mm。
槽身纵向计算底板有抗裂要求。
槽身纵向允许挠度[f s]=l0/500,[f L]=l0/550。
6)采用:水工混凝土结构设计规范(SL/T191-2008)。
3.设计要求在规定时间内,独立完成下列成果:1)设计计算书一份。
包括:设计题目、设计资料,结构布置及尺寸简图;槽身过水能力计算、槽身、刚架的结构计算(附必要的计算草图)。
2)设计说明书一份。
包括对计算书中没有表达完全部分的说明。
3)施工详图,一号图纸一张。
包括:槽身、刚架配筋图、钢筋表及必要说明。
图纸要求布局合理,线条粗细清晰,尺寸、符号标注齐全,符合制图标准要求。
4.附图渡槽计算书一、 水力计算,拟定渡槽尺寸初步选取每节槽身长度14.2m ,槽身底坡i=11000,取该渡槽槽壁糟率n=0.013,设底宽b=2.5m ,①按设计水深h=2.75m 过水面积:2A b 2.5 2.75 6.875h m =⨯=⨯=湿周:2 2.52 2.758X b h m =+=+⨯=水力半径:0.859A R mX ==111662110.85975/0.013C R m sn =⨯=⨯=流量:3m 6.8757515.1Q s ==⨯⨯=满足设计要求②按校核水深h=2.9m过水面积:2A b 2.5 2.97.25h m =⨯=⨯=湿周:2 2.52 2.98.3X b h m =+=+⨯=水力半径:0.873AR m X ==111662110.87375.2/0.013C R m sn =⨯=⨯=流量:3m 7.2575.216.1Q AC s ==⨯⨯=满足校核要求二、槽身计算纵向受拉钢筋配筋计算(满槽水+人群荷载)1、内力计算:(1)、半边槽身(见下图)每米长度的自重值()()1g KN1.052250.713 1.552.213m g k g RC g g S A g γγγ=∙=⨯⨯++=⨯⨯++=栏杆横杆每米内:2.50.6KN 0.30.1250.713m 2g-=⨯⨯⨯=横杆半边槽身面积:(0.30.4)0.10.80.10.3 1.1520.40.422 2.80.30.080.345220.160.070.840.160.3452S +⨯=⨯+⨯⨯+⨯⨯+⨯+⨯++⨯+++++=满槽水时半边槽身每米长度承受水重设计值(忽略托乘长度)222 1.100.5 2.5 2.911039.875Q k Q w KNq q V mγγγ=⨯=⨯⨯=⨯⨯⨯⨯⨯=水半边槽身每米长度承受人群荷载设计值:2 1.20 2.5113k Q k KNq q m γ=⨯=⨯⨯⨯=总的均布荷载:80.088KNP m =槽身跨度取7m(2)、槽身纵向受力时,按简支梁处理计算跨度:0 5.6,7,1.05 5.88, 6.35.88n n n l m l m l m l a m l m===+==(3)跨中截面弯矩设计值(四级建筑物 k=1.15)2011.152948m M KS p l KN M==⨯⨯⨯=∙2、配筋计算:211.9c Nf mm=,2300y Nf mm =①承载力计算中,由于侧墙受拉区混凝土会开裂,不考虑混凝土承受拉力,故把侧墙看做T 型梁:'400500b 300,4502f h mm +===H 选为校核水深,按短暂情况的基本组合考虑,估计钢筋需排成两排取a=90mm,0370*******h h a mm =-=-=,确定'f b ,'500f h mm=,'05000.13610fh h =>,为独立T 型梁:故'013940464733fl b mm===,''12300125006300f f b b h mm=+=+⨯=上述两值均大于翼缘实有宽度,取'400f b mm=②鉴别T 形梁所属类型1.15294338KM KN m=⨯=∙,'''0h 50011.940050036107996.822fc f f h b h h KN m KM ⎛⎫⎛⎫ ⎪-=⨯⨯⨯-=∙> ⎪ ⎪⎝⎭⎝⎭故为第一类T 型截面()'fx h ≤,按宽度为400mm 的单筋矩形截面计算,6'220338100.05411.94003610s c f KM f b h α⨯===⨯⨯,10.0560.850.468b ξξ=-=<=,'0211.90.05640036103207300c f s yf b h A mm f ξ⨯⨯⨯===,min 032070.3%0.2%3003610s A bh ρρ===>=⨯,满足要求,故可配置6B18和6B2023411mm s A=实,③抗裂验算:()()'22'00''221826ff E s f f E sh bh b b A h y mm bh b b h A αα+-+==+-+,()()()3'''302114000 5.21033fff E s b bybb y I A h y mm α--=-+-=⨯300I 277.5h-W mm y ==,查附录表3得截面抵抗矩塑性系数m γ=1.50考虑截面高度的影响对m γ值进行修正,得:3000.7 1.50 1.23000m γ⎛⎫=+⨯= ⎪⎝⎭,在荷载效应标准组合下0.85ct α=,0330294m ct tk f W KN m KN m γα=∙>∙,故槽身抗裂满足要求。
渡槽计算书一、 水力计算,拟定渡槽尺寸初步选取每节槽身长度14.2m ,槽身底坡i=11000,取该渡槽槽壁糟率n=0.013,设底宽b=2.5m ,①按设计水深h=2.75m过水面积:2A b 2.5 2.75 6.875h m =⨯=⨯=湿周:2 2.52 2.758X b h m =+=+⨯=水力半径:0.859A R mX ==111662110.85975/0.013C R m sn =⨯=⨯=流量:3m 6.8757515.1Q s ==⨯⨯=满足设计要求 ②按校核水深h=2.9m过水面积:2A b 2.5 2.97.25h m=⨯=⨯=湿周:2 2.52 2.98.3X b h m =+=+⨯=水力半径:0.873AR m X ==111662110.87375.2/0.013C R m sn =⨯=⨯=流量:3m 7.2575.216.1Q s ==⨯⨯=满足校核要求二、槽身计算纵向受拉钢筋配筋计算(满槽水+人群荷载)1、内力计算:(1)、半边槽身(见下图)每米长度的自重值()()1g KN1.052250.713 1.552.213m g k g RC g g S A g γγγ=∙=⨯⨯++=⨯⨯++=栏杆横杆每米内:2.50.6KN0.30.1250.713m 2g -=⨯⨯⨯=横杆 半边槽身面积:(0.30.4)0.10.80.10.3 1.1520.40.422 2.80.30.080.345220.160.070.840.160.3452S +⨯=⨯+⨯⨯+⨯⨯+⨯+⨯++⨯+++++=满槽水时半边槽身每米长度承受水重设计值(忽略托乘长度) 222 1.100.5 2.5 2.911039.875Q k Q w KNq q V m γγγ=⨯=⨯⨯=⨯⨯⨯⨯⨯=水半边槽身每米长度承受人群荷载设计值:2 1.20 2.5113k Q k KNq q m γ=⨯=⨯⨯⨯=总的均布荷载:80.088KNP m =槽身跨度取7m(2)、槽身纵向受力时,按简支梁处理 计算跨度:0 5.6,7,1.05 5.88, 6.35.88n n n l m l m l m l a m l m===+==(3)跨中截面弯矩设计值(四级建筑物 k=1.15)2011.152948m M KS p l KN M==⨯⨯⨯=∙2、配筋计算:211.9c Nf mm=,2300y Nf mm =①承载力计算中,由于侧墙受拉区混凝土会开裂,不考虑混凝土承受拉力,故把侧墙看做T 型梁:'400500b 300,4502f h mm +===H 选为校核水深,按短暂情况的基本组合考虑,估计钢筋需排成两排取a=90mm,0370*******h h a mm =-=-=,确定'fb ,'500f h mm=,'05000.13610fh h =>,为独立T型梁:故'013940464733fl b mm===,''12300125006300f f b b h mm=+=+⨯=上述两值均大于翼缘实有宽度,取'400f b mm=②鉴别T 形梁所属类型1.15294338KM KN m=⨯=∙,'''0h 50011.940050036107996.822fc ffh b h h KN m KM ⎛⎫⎛⎫ ⎪-=⨯⨯⨯-=∙> ⎪ ⎪⎝⎭⎝⎭故为第一类T型截面()'fx h ≤,按宽度为400mm 的单筋矩形截面计算,6'220338100.05411.94003610s c f KM f b h α⨯===⨯⨯,10.0560.850.468b ξξ=-=<=,'0211.90.05640036103207300c f s yf b h A mm f ξ⨯⨯⨯===,min 032070.3%0.2%3003610s A bh ρρ===>=⨯,满足要求,故可配置6B 18和6B 2023411mm s A=实,③抗裂验算:()()'22'00''221826ff E s f f E sh bh b b A h y mm bh b b h A αα+-+==+-+,()()()3'''302114000 5.21033fff E s b bybb y I A h y mm α--=-+-=⨯300I 277.5h-W mm y ==,查附录表3得截面抵抗矩塑性系数m γ=1.50考虑截面高度的影响对m γ值进行修正,得:3000.7 1.50 1.23000m γ⎛⎫=+⨯= ⎪⎝⎭,在荷载效应标准组合下0.85ct α=,0330294m ct tk f W KN m KN m γα=∙>∙,故槽身抗裂满足要求。
一、基本资料1.1工程等别根据《水利水电工程等级划分及洪水标准》(SL252-2000)、《灌溉与排水工程设计规范》(GB50288-99)和《村镇供水工程技术规范》(SL687—2014)的规定,工程设计引水流量为3.9m³/s,供水对象为一般,确定本项目为Ⅳ等小(1)型工程。
主要建筑物等级为4等,次要建筑物等级为5等,临时建筑物等级为5等。
渡槽过水流量≤5m³/s,故渡槽等级均为5级。
1.2设计流量及上下游渠道水力要素正常设计流量1.83m³/s,加大流量2.29 m³/s。
1.3渡槽长度槽身长725m,进出口总水头损失0.5m。
1.4地震烈度工程区位于安陆市北部的洑水镇、接官乡和赵鹏镇三个乡镇,属构造剥蚀丘岗地貌。
根据国家标准1:400万《中国地震动参数区划图》(GB18306-2001),工程区地震动峰值加速度为0.05g,地震动反应谱特征周期为0.35s,相应的地震基本烈度小于Ⅵ度,建筑物不设防。
1.5水文气象资料安陆市属亚热带季风气候区,春秋短,冬夏长,四季分明,兼有南北气候特点。
年最高气温40.5℃,最低气温-15.3℃,多年平均气温15.9℃。
年日照时数1920—2440h,日照率49%,居邻近各县(市)之冠。
太阳总辐射年平均112千卡/cm2,年际变化不大,4-10月辐射量占全年的71.43%。
10℃以上积温为4486—4908℃。
多年平均无霜期246d。
境内多年平均降雨量1117mm,年降雨量很不稳定,最多年份可达1772.6mm (1954年),最少年份只有652.9 mm(1978年),降水量年内分配很不均匀,4-10月份平均降雨量占全年降雨量的85%以上,多年平均蒸发量1587.3mm,由于降水量年际和年内间变化大,导致洪涝旱灾发生频繁。
二、水力计算2.1槽身水力计算槽身水力计算采用明渠均匀流公式:Q=AR2/3i1/2/n式中:Q——设计流量,m3/s;A——槽身过水断面面积,m2;R——水力半径,m;i——槽身纵坡;n——糙率系数,混凝土槽身一般采用n=0.013~0.014。
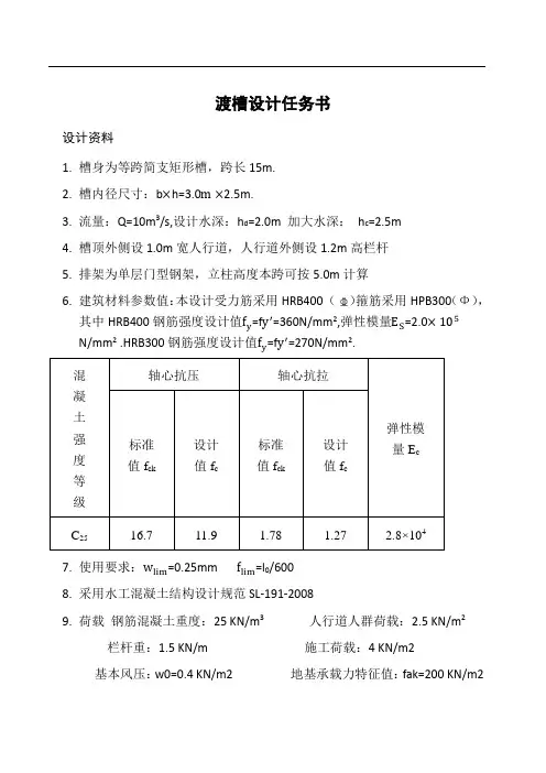
渡槽设计任务书设计资料1.槽身为等跨简支矩形槽,跨长15m.2.槽内径尺寸:b×h=3.0m×2.5m.3.流量:Q=10m3/s,设计水深:h d=2.0m 加大水深:h c=2.5m4.槽顶外侧设1.0m宽人行道,人行道外侧设1.2m高栏杆5.排架为单层门型钢架,立柱高度本跨可按5.0m计算6.建筑材料参数值:本设计受力筋采用HRB400 ()箍筋采用HPB300(Φ),其中HRB400钢筋强度设计值f y=f y′=360N/mm2,弹性模量E S=2.0×105N/mm2 .HRB300钢筋强度设计值f y=f y′=270N/mm2.混凝土强度等级轴心抗压轴心抗拉弹性模量E c 标准值f ck设计值f c标准值f ck设计值f cC2516.7 11.9 1.78 1.27 2.8×1047.使用要求:w lim=0.25mm f lim=l0/6008.采用水工混凝土结构设计规范SL-191-20089.荷载钢筋混凝土重度:25 KN/m3人行道人群荷载:2.5 KN/m2栏杆重:1.5 KN/m 施工荷载:4 KN/m2基本风压:w0=0.4 KN/m2 地基承载力特征值:fak=200 KN/m2基础埋深:1.5m 抗震设计基本烈度:6度设计要求设计计算书一份,包括计算依据资料、计算简图、计算过程、计算的最终成果。
图纸一份,包括槽身(1#图,594mm×841mm)、排架和基础(2#图420mm×594mm)各一张渡槽计算书水力计算及尺寸拟定渠道断面水力计算由已知资料可知此渡槽设计流量Q 设=10 m 3/s 渠道断面取m=1,n=0.014。
按照明渠均匀流计算,根据公式Q =()A b mh h =+2X b =+式中Q ——为渡槽的过水流量(m 3/s ) A ——过水断面面积(m 2) C ——谢才系数 R ——水力半径(m ) X ——湿周(m ) i-为槽底比降n-为槽身糙率,钢筋混凝土槽身可取n=0.014 A=b ×h=2×3=6m 2 X=b+2h=3+2×2=7m R=A X =67=0.875mR =161C R n=C=0.8751 60.014=69.6 M12SI= Q2A2C2R =10062×69.62×0.857=1/1495取1/1200设计水深的流速V=QA=C√Ri=1.67m/s对于混凝土;Q=1m/s~10m/s时,不冲刷流速V’=8 m/s不淤积流速V′=0.3 m/s ~0.5 m/s综上V〞<V <Vˊ流速满足要求。
一、设计基本资料1.1工程综合说明根据丰田灌区渠系规划,在灌区输水干渠上需建造一座跨越小禹河的渡槽,由左岸向右岸输水。
渡槽槽址及渡槽轴线已由规划选定(见渡槽槽址地形图)。
渡槽按4级建筑物设计。
1.2气候条件槽址地区位于大禹乡境内,植被良好。
夏季最高气温36℃,冬季最低气温-32℃,最大冻层深度1.7m。
地区最大风力为9级,相应风速v = 24 m / s。
1.3水文条件根据水文实测及调查,槽址处小禹河平时基流量在0.2—0.4 m3/S之间,有时断流。
洪水多发生在每年7、8月份;春汛一般发生在每年3月上旬,但流量不大。
经水文计算,槽址处设计洪水位为1242.41m,相应流量 Q = 698 m3/S;最高洪水位为1243.83m,相应流量 Q = 1075 m3/S。
据调查,洪水中漂浮物多为树木、牲畜,最大不超过400 kg。
在春汛中无流冰发生。
槽址处小禹河两岸表层为壤土分布;表层以下及河床为砂卵石分布(见渡槽轴线断面图)。
地基基本承载力壤土为34 t / m2;砂卵石为43 t / m2。
1.4工程所需材料要求在建材方面,距槽址50km大禹镇有县办水泥厂一座,水泥质量合格,可满足渡槽建造水泥需要;槽址附近有大量砂石骨料分布,质量符合混凝土拌制需要,运距均在5km以内;槽址东北禹王山有石料可供开采,运距350km。
1.5上、下游渠道资料根据灌区渠系规划,渡槽上下游渠道坡降均为1/5000。
渠道底宽按设计流量计算2.7 m,边坡1:1.5,采用混凝土板衬砌。
渠道设计流量6立方米每秒, 加大流量7.5立方米每秒。
渠道堤顶超高0.5m。
根据灌区渠系规划,上游渠口(左岸)水面高程加大流量时为1251.04m。
下游渠口(右岸)水面高程加大流量时为1250.54m。
渠口位置见渡槽槽址地形图。
1.6设计要求1、学生须在规定期限内独立完成下述毕业设计内容并提交纸质版和电子版毕业设计各一份。
2、毕业设计内容要达到设计的要求,设计说明书要叙述简明,计算正确,符合编写规程要求。
渡槽设计任务书1.设计课题某灌区输水渠道上装配整体式钢筋混凝土矩形带横杆渡槽2.设计资料根据初步设计成果,提出设计资料及有关数据如下:1)该输水渡槽跨越142m长的低洼地带见下图,需修建通过15m3/s设计流量及16m3/s校核流量,渡槽无通航要求。
经水力计算结果,槽身最大设计水深H=2.75m,校核水深为2.90m。
支承结构采用刚架,槽身及刚架均采用整体吊装的预制装配结构。
设计一节槽身及一个最大高度的刚架。
2)建筑物等级4级。
3)建筑材料:混凝土强度等级槽身及刚架采用C25级;钢筋槽身及刚架受力筋为HRB335;分布筋、箍筋、基础钢筋HPB235。
4)荷载钢筋混凝土重力密度 25KN/m3;人行道人群荷载 2.5KN/m2栏杆重 1.5KN/m25)使用要求:槽身横向计算迎水面裂缝宽度允许值[W smax]=0.25mm,[W Lmax]=0.20mm。
槽身纵向计算底板有抗裂要求。
槽身纵向允许挠度[f s]=l0/500,[f L]=l0/550。
6)采用:水工混凝土结构设计规范(SL/T191-2008)。
3.设计要求在规定时间内,独立完成下列成果:1)设计计算书一份。
包括:设计题目、设计资料,结构布置及尺寸简图;槽身过水能力计算、槽身、刚架的结构计算(附必要的计算草图)。
2)设计说明书一份。
包括对计算书中没有表达完全部分的说明。
3)施工详图,一号图纸一张。
包括:槽身、刚架配筋图、钢筋表及必要说明。
图纸要求布局合理,线条粗细清晰,尺寸、符号标注齐全,符合制图标准要求。
4.附图渡槽计算书一、 水力计算,拟定渡槽尺寸初步选取每节槽身长度14.2m ,槽身底坡i=11000,取该渡槽槽壁糟率n=0.013,设底宽b=2.5m ,①按设计水深h=2.75m过水面积:2A b 2.5 2.75 6.875h m =⨯=⨯=湿周:2 2.52 2.758X b h m =+=+⨯=水力半径:0.859AR m X==111662110.85975/0.013C R m sn =⨯=⨯=流量:3m 6.8757515.1Q s ==⨯⨯=满足设计要求②按校核水深h=2.9m过水面积:2A b 2.5 2.97.25h m =⨯=⨯=湿周:2 2.52 2.98.3X b h m=+=+⨯=水力半径:0.873AR mX ==111662110.87375.2/0.013C R m sn =⨯=⨯=流量:3m 7.2575.216.1Q AC s ==⨯⨯=满足校核要求二、槽身计算纵向受拉钢筋配筋计算(满槽水+人群荷载)1、内力计算:(1)、半边槽身(见下图)每米长度的自重值()()1g KN1.052250.713 1.552.213m g k g RC g g S A g γγγ=•=⨯⨯++=⨯⨯++=栏杆横杆每米内:2.50.6KN 0.30.1250.713m 2g -=⨯⨯⨯=横杆半边槽身面积:(0.30.4)0.10.80.10.3 1.1520.40.422 2.80.30.080.345220.160.070.840.160.3452S +⨯=⨯+⨯⨯+⨯⨯+⨯+⨯++⨯+++++=满槽水时半边槽身每米长度承受水重设计值(忽略托乘长度)222 1.100.5 2.5 2.911039.875Q k Q w KNq q V mγγγ=⨯=⨯⨯=⨯⨯⨯⨯⨯=水半边槽身每米长度承受人群荷载设计值:2 1.20 2.5113k Q k KNq q m γ=⨯=⨯⨯⨯=总的均布荷载:80.088KNP m=槽身跨度取7m(2)、槽身纵向受力时,按简支梁处理计算跨度:0 5.6,7,1.05 5.88, 6.35.88n n n l m l m l m l a m l m===+==(3)跨中截面弯矩设计值(四级建筑物 k=1.15)2011.152948m M KS p l KN M==⨯⨯⨯=•2、配筋计算:211.9c Nf mm=,2300y Nf mm =①承载力计算中,由于侧墙受拉区混凝土会开裂,不考虑混凝土承受拉力,故把侧墙看做T 型梁:'400500b 300,4502f h mm +===H 选为校核水深,按短暂情况的基本组合考虑,估计钢筋需排成两排取a=90mm,0370*******h h a mm =-=-=,确定'f b ,'500f h mm=,'05000.13610fh h =>,为独立T 型梁:故'013940464733f l b mm ===,''12300125006300f f b b h mm=+=+⨯=上述两值均大于翼缘实有宽度,取'400f b mm=②鉴别T 形梁所属类型1.15294338KM KN m=⨯=•,'''0h 50011.940050036107996.822fc ff h b h h KN m KM ⎛⎫⎛⎫ ⎪-=⨯⨯⨯-=•> ⎪ ⎪⎝⎭⎝⎭故为第一类T 型截面()'fx h ≤,按宽度为400mm 的单筋矩形截面计算,6'220338100.05411.94003610s c f KM f b h α⨯===⨯⨯,10.0560.850.468b ξξ=-=<=,'0211.90.05640036103207300c f s yf b h A mm f ξ⨯⨯⨯===,min 032070.3%0.2%3003610s A bh ρρ===>=⨯,满足要求,故可配置6B 18和6B 2023411mm s A=实,③抗裂验算:()()'22'00''221826ff E s f f E sh bh b b A h y mm bh b b h A αα+-+==+-+,()()()3'''302114000 5.21033fff E s b bybb y I A h y mm α--=-+-=⨯300I 277.5h-W mm y ==,查附录表3得截面抵抗矩塑性系数m γ=1.50考虑截面高度的影响对m γ值进行修正,得:3000.7 1.50 1.23000m γ⎛⎫=+⨯= ⎪⎝⎭,在荷载效应标准组合下0.85ct α=,0330294m ct tk f W KN m KN m γα=•>•,故槽身抗裂满足要求。
一、槽身纵向内力计算及配筋计算根据支承形式,跨宽比及跨高比的大小以及槽身横断面形式等的不同,槽身应力状态与计算方法也不同,对于梁式渡槽的槽身,跨宽比、跨高比一般都比较大,故可以按梁理论计算。
槽身纵向按正常过水高程计算(本渡槽设计水位高程取60cm)。
图1—1 槽身横断面型式(单位:mm)1、荷载计算根据设计拟定,渡槽的设计标准为5级,使用年限50年所以渡槽的安全级别Ⅲ级,则安全系数为γ=0.9(DL-T 5057 -2009规范),C30混凝土重度为γ=25kN/m3(根据水工混凝土结构设计规范DL-T 5057-2009:6.1.7条),正常运行期为持久状况,其设计状况系数为ψ=1.0,荷载分项系数为:永久荷载分项系数γG=1.05,可变荷载分项系数γQ =1.20(《水工建筑物荷载设计规范》(DL 5057 -1997规范)),结构系数为γd=1.2(DL-T5057 -2009规范)。
纵向计算中的荷载一般按匀布荷载考虑,包括槽身重力(栏杆等小量集中荷载也换算为匀布的)、槽中水体的重力及人群荷载。
其中槽身自重、水重为永久荷载,而人群荷载为可变荷载。
(1)槽身自重:标准值:G1k =γψγ(V1+2V2+V3)=0.9×1×25×(0.15×2.3+0.7×0.25×2+1.4×0.2)=21.94(kN/m)设计值:G1=γG×g1k=1.05×21.94=23.04(kN/m)(a )面板自重设计值:g 1=γG γ0ψγV 1=1.05×0.9×1×25×(0.15×2.3)=8.15(kN/m ) (b )腹板自重设计值:g 2=γG γ0ψγ2V 2=1.05×0.9×1×25×(0.25×0.7)×2=8.27(kN/m ) (c )底板自重设计值:g 3=γG γ0ψγV 3=1.05×0.9×1×25×(1.4×0.2)=6.62(kN/m ) (2)水重:标准值:G 2k =γ0ψγV 4=0.9×9.81×1×(0.6×0.9)=4.77(kN/m )设计值:G 2=γG ×g 2k =1.05×4.77=5.01(kN/m )(3)栏杆荷载:本设计采用大理石栏杆,大理石的容重γ1=28kN/m3,缘石采用C30 混凝土预制,C25混凝土重度为γ=25kN/m 3。
一、槽身纵向内力计算及配筋计算根据支承形式,跨宽比及跨高比的大小以及槽身横断面形式等的不同,槽身应力状态与计算方法也不同,对于梁式渡槽的槽身,跨宽比、跨高比一般都比较大,故可以按梁理论计算。
槽身纵向按正常过水高程计算(本渡槽设计水位高程取60cm)。
图1—1 槽身横断面型式(单位:mm)1、荷载计算根据设计拟定,渡槽的设计标准为5级,使用年限50年所以渡槽的安全级别Ⅲ级,则安全系数为γ=0.9(DL-T 5057 -2009规范),C30混凝土重度为γ=25kN/m3(根据水工混凝土结构设计规范DL-T 5057-2009:6.1.7条),正常运行期为持久状况,其设计状况系数为ψ=1.0,荷载分项系数为:永久荷载分项系数γG=1.05,可变荷载分项系数γQ =1.20(《水工建筑物荷载设计规范》(DL 5057 -1997规范)),结构系数为γd=1.2(DL-T5057 -2009规范)。
纵向计算中的荷载一般按匀布荷载考虑,包括槽身重力(栏杆等小量集中荷载也换算为匀布的)、槽中水体的重力及人群荷载。
其中槽身自重、水重为永久荷载,而人群荷载为可变荷载。
(1)槽身自重:标准值:G1k =γψγ(V1+2V2+V3)=0.9×1×25×(0.15×2.3+0.7×0.25×2+1.4×0.2)=21.94(kN/m)设计值:G1=γG×g1k=1.05×21.94=23.04(kN/m)(a )面板自重设计值:g 1=γG γ0ψγV 1=1.05×0.9×1×25×(0.15×2.3)=8.15(kN/m ) (b )腹板自重设计值:g 2=γG γ0ψγ2V 2=1.05×0.9×1×25×(0.25×0.7)×2=8.27(kN/m ) (c )底板自重设计值:g 3=γG γ0ψγV 3=1.05×0.9×1×25×(1.4×0.2)=6.62(kN/m ) (2)水重:标准值:G 2k =γ0ψγV 4=0.9×9.81×1×(0.6×0.9)=4.77(kN/m )设计值:G 2=γG ×g 2k =1.05×4.77=5.01(kN/m )(3)栏杆荷载:本设计采用大理石栏杆,大理石的容重γ1=28kN/m3,缘石采用C30 混凝土预制,C25混凝土重度为γ=25kN/m 3。
渡槽设计部分计算书渡槽设计任务书1.设计课题某灌区输⽔渠道上装配整体式钢筋混凝⼟矩形带横杆渡槽2.设计资料根据初步设计成果,提出设计资料及有关数据如下:1)该输⽔渡槽跨越142m长的低洼地带见下图,需修建通过15m3/s设计流量及16m3/s校核流量,渡槽⽆通航要求。
经⽔⼒计算结果,槽⾝最⼤设计⽔深H=,校核⽔深为。
⽀承结构采⽤刚架,槽⾝及刚架均采⽤整体吊装的预制装配结构。
设计⼀节槽⾝及⼀个最⼤⾼度的刚架。
2)建筑物等级4级。
3)建筑材料:混凝⼟强度等级槽⾝及刚架采⽤C25级;钢筋槽⾝及刚架受⼒筋为HRB335;分布筋、箍筋、基础钢筋HPB235。
4)荷载钢筋混凝⼟重⼒密度 25KN/m3;⼈⾏道⼈群荷载 m2栏杆重 m25)使⽤要求:槽⾝横向计算迎⽔⾯裂缝宽度允许值[W smax]=,[W Lmax]=。
槽⾝纵向计算底板有抗裂要求。
槽⾝纵向允许挠度[f s]=l0/500,[f L]=l0/550。
6)采⽤:⽔⼯混凝⼟结构设计规范(SL/T191-2008)。
3.设计要求在规定时间内,独⽴完成下列成果:1)设计计算书⼀份。
包括:设计题⽬、设计资料,结构布置及尺⼨简图;槽⾝过⽔能⼒计算、槽⾝、刚架的结构计算(附必要的计算草图)。
2)设计说明书⼀份。
包括对计算书中没有表达完全部分的说明。
3)施⼯详图,⼀号图纸⼀张。
包括:槽⾝、刚架配筋图、钢筋表及必要说明。
图纸要求布局合理,线条粗细清晰,尺⼨、符号标注齐全,符合制图标准要求。
4.附图渡槽计算书⼀、⽔⼒计算,拟定渡槽尺⼨初步选取每节槽⾝长度,槽⾝底坡i=1 1000,取该渡槽槽壁糟率n=,设底宽b=,①按设计⽔深h=过⽔⾯积:2A b 2.5 2.75 6.875h m =?=?=湿周:2 2.52 2.758X b h m =+=+?=⽔⼒半径:0.859A R mX ==111662110.85975/0.013C R m sn =?=?=流量:3m 6.8757515.1Q s ==??=满⾜设计要求②按校核⽔深h=过⽔⾯积:2A b 2.5 2.97.25h m=?=?=湿周:2 2.52 2.98.3X b h m =+=+?=⽔⼒半径:0.873AR mX ==111662110.87375.2/0.013C R m sn =?=?=流量:3m 7.2575.216.1Q AC s ==??=满⾜校核要求⼆、槽⾝计算纵向受拉钢筋配筋计算(满槽⽔+⼈群荷载)1、内⼒计算:(1)、半边槽⾝(见下图)每⽶长度的⾃重值()()1g KN1.052250.713 1.552.213m g k g RC g g S A g γγγ=?=??++=??++=栏杆横杆每⽶内:2.50.6KN 0.30.1250.713m 2g -==横杆半边槽⾝⾯积:(0.30.4)0.10.80.10.3 1.1520.40.422 2.80.30.080.345220.160.070.840.160.3452S +?=?+??+??+?+?++?+++++=满槽⽔时半边槽⾝每⽶长度承受⽔重设计值(忽略托乘长度)222 1.100.5 2.5 2.911039.875Q k Q w KNq q V mγγγ=?=??==⽔半边槽⾝每⽶长度承受⼈群荷载设计值:2 1.20 2.5113k Q k KNq q m γ=?==总的均布荷载:80.088KNP m =槽⾝跨度取7m(2)、槽⾝纵向受⼒时,按简⽀梁处理计算跨度:0 5.6,7,1.05 5.88, 6.35.88n n n l m l m l m l a m l m===+==(3)跨中截⾯弯矩设计值(四级建筑物 k=)2011.152948m M KS p l KN M===?2、配筋计算:211.9c Nf mm=,2300y Nf mm =①承载⼒计算中,由于侧墙受拉区混凝⼟会开裂,不考虑混凝⼟承受拉⼒,故把侧墙看做T 型梁:'400500b 300,4502fh mm+===H 选为校核⽔深,按短暂情况的基本组合考虑,估计钢筋需排成两排取a=90mm,0370*******h h a mm =-=-=,确定'f b ,'500f h mm=,'05000.13610fh h =>,为独⽴T 型梁:故'013940464733fl b mm===,''12300125006300f f b b h mm=+=+?=上述两值均⼤于翼缘实有宽度,取'400f b mm =②鉴别T 形梁所属类型1.15294338KM KN m=?=?,'''0h 50011.940050036107996.822fc ff h b h h KN m KM ?-=-=>故为第⼀类T 型截⾯()'fx h ≤,按宽度为400mm 的单筋矩形截⾯计算,6'220338100.05411.94003610s c f KM f b h α?===??,10.0560.850.468b ξξ=-=<=,'0211.90.05640036103207300c f s yf b h A mm f ξ===,min 032070.3%0.2%3003610s A bh ρρ===>=?,满⾜要求,故可配置6B18和6B2023411mm s A=实,③抗裂验算:()()'22'00''221826ff E s f f E sh bh b b A h y mm bh b b h A αα+-+==+-+,()()()3'''302114000 5.21033fff E s b bybb y I A h y mm α--=-+-=?300I 277.5h-W mm y ==,查附录表3得截⾯抵抗矩塑性系数m γ=考虑截⾯⾼度的影响对m γ值进⾏修正,得:3000.7 1.50 1.23000m γ?=+= ,在荷载效应标准组合下0.85ct α=,0330294m ct tk f W KN m KN m γα=?>?,故槽⾝抗裂满⾜要求。
目录1. 工程概况 (1)2.槽身纵向内力计算及配筋计算 (1)(1)荷载计算 (2)(2)内力计算 (2)(3)正截面的配筋计算 (3)(4)斜截面强度计算 (4)(5)槽身纵向抗裂验算 (5)3.槽身横向内力计算及配筋计算 (6)(1)底板的结构计算 (8)(2)渡槽上顶边及悬挑部分的结构计算 (8)(3)侧墙的结构计算 (9)(4)基地正应力验算 (15)1. 工程概况重建渡槽带桥,原渡槽后溢洪道断面下挖,以满足校核标准泄洪要求。
目前,东方红干渠已整修改造完毕,东方红干渠设计成果显示,该渡槽上游侧渠底设计高程为165.50m,下游侧渠底设计高程为165.40m。
本次设计将现状渡槽拆除,按照上述干渠设计底高程,结合溢洪道现状布置及底宽,在原渡槽位重建渡槽带桥,上部桥梁按照四级道路标准,荷载标准为公路-Ⅱ级折减,建筑材料均采用钢筋砼,桥面总宽5m。
现状渡槽拆除后,为满足东方红干渠的过流要求及溢洪道交通要求,需重建跨溢洪道渡槽带桥。
新建渡槽带桥轴线布置于溢洪道桩号0+95.25,同现状渡槽桩号,下底面高程为165.20m,满足校核水位+0.5m超高要求,桥面高程167.40m,设计为现浇结合预制混凝土结构,根据溢洪道设计断面,确定渡槽带桥总长51m,8.5m×6跨。
上部结构设计如下:渡槽过水断面尺寸为2.7×1.6m,同干渠尺寸,采用C25钢筋砼,底及侧壁厚20cm,顶壁厚30cm,筒型结构,顶部两侧壁水平挑出1.25m,并在顺行车方向每隔2m设置一加劲肋,维持悬挑板侧向稳定,桥面总宽5m,路面净宽4.4m,设计荷载标准为公路-Ⅱ级折减,两侧设预制C20钢筋砼栏杆,基础宽0.5m。
下部结构设计如下:下部采用C30钢筋混凝土双柱排架结构,并设置横梁,由于地基为砂岩,基础采用人工挖孔端承桩,尺寸为1.2×1.2m,基础深入岩层弱风化层1.0m,盖梁尺寸为4×1.6×1.2m。
目录目录 (1)摘要 (3)第一章设计基本资料 (4)1.1、工程概况 (4)1.2、设计要求 (5)1.3、主要参考书 (5)第二章渡槽总体布臵 (7)2.1、槽址选择 (7)2.1.1、注意问题 (7)2.1.2、在选择槽址时 (7)2.2、结构选型 (7)2.2.1、槽身的选择 (7)2.2.2、支承选择 (7)2.3、平面总体布臵 (7)第三章水力计算 (8)3.1、槽身过水断面尺寸拟定 (8)3.1.1、尺寸拟定 (8)3.1.2、输水水头高 (8)3.2、渡槽进出口的底部高程确定 (9)3.3、进出口渐变段 (10)第四章槽身设计 (11)4.1、槽身断面尺寸拟定 (11)4.2、荷载及荷载组合 (11)4.2.1永久荷载设计值 (11)4.2.2、可变荷载设计值 (11)4.3、横向结构计算 (13)4.3.1、受力情况分析: (13)4.3.2、拉杆轴向力计算: (14)4.3.3、侧墙内力计算: (15)4.3.4、底板内力计算: (17)4.3.5、横向配筋计算: (17)4.3.6、拉杆斜截面计算: (22)4.4、槽身纵向结构计算 (22)4.4.1、荷载计算: (23)4.4.2、计算纵向配筋: (23)4.4.3、斜截面强度计算: (24)4.5、抗裂计算 (24)4.5.1、纵向抗裂计算: (24)4.5.2、横向抗裂计算: (26)4.6、吊装计算 (30)第五章排架计算 (32)5.1、排架布臵 (32)5.2、排架尺寸拟定 (32)5.2.1、排架高度计算: (32)5.2.2、排架分组计算: (32)5.2.3、排架分组及尺寸拟定: (33)5.2.4、尺寸拟定: (34)5.3、荷载计算 (34)5.3.1、水平荷载: (34)5.3.2、垂直荷载(传给每各立柱的荷载): (36)5.4、排架横向计算 (38)5.4.1、求排架弯矩M: (39)5.4.2、轴向力计算: (40)5.4.3、排架的配筋计算: (40)5.4.3、横梁配筋: (42)5.4.4、排架的纵向计算: (43)5.4.5、排架吊装验算: (45)5.4.6、牛腿设计计算: (46)第六章基础计算 (48)6.1、基础结构尺寸拟定 (48)6.1.1、排架基础尺寸拟定: (48)6.1.2、基础尺寸见附图所示。
一、设计基本资料1.1工程综合说明根据丰田灌区渠系规划,在灌区输水干渠上需建造一座跨越小禹河的渡槽,由左岸向右岸输水。
渡槽槽址及渡槽轴线已由规划选定(见渡槽槽址地形图)。
渡槽按4级建筑物设计。
1.2气候条件槽址地区位于大禹乡境内,植被良好。
夏季最高气温36℃,冬季最低气温-32℃,最大冻层深度1.7m。
地区最大风力为9级,相应风速v = 24 m / s。
1.3水文条件根据水文实测及调查,槽址处小禹河平时基流量在0.2—0.4 m3/S之间,有时断流。
洪水多发生在每年7、8月份;春汛一般发生在每年3月上旬,但流量不大。
经水文计算,槽址处设计洪水位为1242.41m,相应流量Q = 698 m3/S;最高洪水位为1243.83m,相应流量Q = 1075 m3/S。
据调查,洪水中漂浮物多为树木、牲畜,最大不超过400 kg。
在春汛中无流冰发生。
槽址处小禹河两岸表层为壤土分布;表层以下及河床为砂卵石分布(见渡槽轴线断面图)。
地基基本承载力壤土为34 t / m2;砂卵石为43 t / m2。
1.4工程所需材料要求在建材方面,距槽址50km大禹镇有县办水泥厂一座,水泥质量合格,可满足渡槽建造水泥需要;槽址附近有大量砂石骨料分布,质量符合混凝土拌制需要,运距均在5km以内;槽址东北禹王山有石料可供开采,运距350km。
1.5上、下游渠道资料根据灌区渠系规划,渡槽上下游渠道坡降均为1/5000。
渠道底宽按设计流量计算2.7 m,边坡1:1.5,采用混凝土板衬砌。
渠道设计流量6立方米每秒, 加大流量7.5立方米每秒。
渠道堤顶超高0.5m。
根据灌区渠系规划,上游渠口(左岸)水面高程加大流量时为1251.04m。
下游渠口(右岸)水面高程加大流量时为1250.54m。
渠口位置见渡槽槽址地形图。
1.6设计要求1、学生须在规定期限内独立完成下述毕业设计内容并提交纸质版和电子版毕业设计各一份。
2、毕业设计内容要达到设计的要求,设计说明书要叙述简明,计算正确,符合编写规程要求。
渡槽计算把每跨渡槽槽身沿纵向看作是简支梁,梁的截面是由侧墙与底板组成U型截面,因为它是对称的截面,为简化起见只取一半来进行计算。
计算简图如下:1、荷载计算首先算出半边槽身的截面积等于0.0605m2。
半边槽身每1m长度的自重q1=0.0605×2.5=0.151t/m半边槽身内的水在每1m长度上的重量q2=0.175×0.35=0.061 t/m有2人在槽中央清淤p=150kg线荷载总重q= q1+ q2=0.151+0.061=0.212 t/m2、内力计算计算跨度l=7.5。
把侧墙作为T形梁,b=14cm,h=50cm,h i′=13cm,根据规定:1) b i′=l/3=750/3=250cm,2) b i′=b+6 h i′=8+6×13=86cm,3) 实有b i′=14cm,取最小者,即b i′=14cm。
M=1/8×ql2+1/4pl=1/8×0.212×7.52+1/4×0.15×7.5=1.77t-m3、钢筋计算估计所需钢筋不多,只需排成一排,保护层取4cm,h0=50-6=44cm,鉴别T形梁的情况KM=1.5×1.77=2.66t-mb i′h i′Rw(h0-h i′/2)=14×13×140×(44-13/2)=9.56>KM为第一种T形梁,按梁宽为b i′=14cm的矩形梁计算:A0= KM/ (b i′h02 Rw)= 2.66×105/(14×442×140)=0.07查得α=0.0726Ag=αb i′h0 Rw/Rg=0.0726×14×44×140/3400=1.84cm2。
渡槽设计任务书1.设计课题某灌区输水渠道上装配整体式钢筋混凝土矩形带横杆渡槽2.设计资料根据初步设计成果,提出设计资料及有关数据如下:1)该输水渡槽跨越142m长的低洼地带见下图,需修建通过15m3/s设计流量及16m3/s校核流量,渡槽无通航要求。
经水力计算结果,槽身最大设计水深H=2.75m,校核水深为2.90m。
支承结构采用刚架,槽身及刚架均采用整体吊装的预制装配结构。
设计一节槽身及一个最大高度的刚架。
2)建筑物等级4级。
3)建筑材料:混凝土强度等级槽身及刚架采用C25级;钢筋槽身及刚架受力筋为HRB335;分布筋、箍筋、基础钢筋HPB235。
4)荷载钢筋混凝土重力密度 25KN/m3;人行道人群荷载 2.5KN/m2栏杆重 1.5KN/m25)使用要求:槽身横向计算迎水面裂缝宽度允许值[W smax]=0.25mm,[W Lmax]=0.20mm。
槽身纵向计算底板有抗裂要求。
槽身纵向允许挠度[f s]=l0/500,[f L]=l0/550。
6)采用:水工混凝土结构设计规(SL/T191-2008)。
3.设计要求在规定时间,独立完成下列成果:1)设计计算书一份。
包括:设计题目、设计资料,结构布置及尺寸简图;槽身过水能力计算、槽身、刚架的结构计算(附必要的计算草图)。
2)设计说明书一份。
包括对计算书中没有表达完全部分的说明。
3)施工详图,一号图纸一。
包括:槽身、刚架配筋图、钢筋表及必要说明。
图纸要求布局合理,线条粗细清晰,尺寸、符号标注齐全,符合制图标准要求。
4.附图渡槽计算书一、 水力计算,拟定渡槽尺寸初步选取每节槽身长度14.2m ,槽身底坡i=11000,取该渡槽槽壁糟率n=0.013,设底宽b=2.5m ,①按设计水深h=2.75m 过水面积:2A b 2.5 2.75 6.875h m =⨯=⨯=湿周:2 2.52 2.758X b h m =+=+⨯=水力半径:0.859AR m X ==111662110.85975/0.013C R m sn =⨯=⨯=流量:3m 6.8757515.1Q s ==⨯⨯=满足设计要求②按校核水深h=2.9m过水面积:2A b 2.5 2.97.25h m =⨯=⨯=湿周:2 2.52 2.98.3X b h m =+=+⨯=水力半径:0.873A R mX ==111662110.87375.2/0.013C R m sn =⨯=⨯=流量:3m 7.2575.216.1Q AC s ==⨯⨯=满足校核要求二、槽身计算纵向受拉钢筋配筋计算(满槽水+人群荷载)1、力计算:(1)、半边槽身(见下图)每米长度的自重值()()1g KN1.052250.713 1.552.213m g k g RC g g S A g γγγ=•=⨯⨯++=⨯⨯++=栏杆横杆每米:2.50.6KN 0.30.1250.713m 2g-=⨯⨯⨯=横杆半边槽身面积:(0.30.4)0.10.80.10.3 1.1520.40.422 2.80.30.080.345220.160.070.840.160.3452S +⨯=⨯+⨯⨯+⨯⨯+⨯+⨯++⨯+++++=满槽水时半边槽身每米长度承受水重设计值(忽略托乘长度)222 1.100.5 2.5 2.911039.875Q k Q w KNq q V mγγγ=⨯=⨯⨯=⨯⨯⨯⨯⨯=水半边槽身每米长度承受人群荷载设计值:2 1.20 2.5113k Q k KNq q m γ=⨯=⨯⨯⨯=总的均布荷载:80.088KNP m =槽身跨度取7m(2)、槽身纵向受力时,按简支梁处理计算跨度:0 5.6,7,1.05 5.88, 6.35.88n n n l m l m l m l a m l m===+==(3)跨中截面弯矩设计值(四级建筑物 k=1.15)2011.152948m M KS p l KN M==⨯⨯⨯=•2、配筋计算:211.9c Nf mm=,2300y Nf mm =①承载力计算中,由于侧墙受拉区混凝土会开裂,不考虑混凝土承受拉力,故把侧墙看做T 型梁:'400500b 300,4502f h mm +===H 选为校核水深,按短暂情况的基本组合考虑,估计钢筋需排成两排取a=90mm,0370*******h h a mm =-=-=,确定'f b ,'500f h mm=,'05000.13610fh h =>,为独立T 型梁:故'013940464733fl b mm===,''12300125006300f f b b h mm=+=+⨯=上述两值均大于翼缘实有宽度,取'400f b mm=②鉴别T 形梁所属类型1.15294338KM KN m=⨯=•,'''0h 50011.940050036107996.822fc f f h b h h KN m KM ⎛⎫⎛⎫ ⎪-=⨯⨯⨯-=•> ⎪ ⎪⎝⎭⎝⎭故为第一类T 型截面()'fx h ≤,按宽度为400mm 的单筋矩形截面计算,6'220338100.05411.94003610s c f KM f b h α⨯===⨯⨯,10.0560.850.468b ξξ=-=<=,'0211.90.05640036103207300c f s yf b h A mm f ξ⨯⨯⨯===,min 032070.3%0.2%3003610s A bh ρρ===>=⨯,满足要求,故可配置6B18和6B2023411mm s A=实,③抗裂验算:()()'22'00''221826ff E s f f E sh bh b b A h y mm bh b b h A αα+-+==+-+,()()()3'''302114000 5.21033fff E s b bybb y I A h y mm α--=-+-=⨯300I 277.5h-W mm y ==,查附录表3得截面抵抗矩塑性系数m γ=1.50考虑截面高度的影响对m γ值进行修正,得:3000.7 1.50 1.23000m γ⎛⎫=+⨯= ⎪⎝⎭,在荷载效应标准组合下0.85ct α=,0330294m ct tk f W KN m KN m γα=•>•,故槽身抗裂满足要求。
U形渡槽结构计算书项目名称_____________日期_____________设计者_____________校对者_____________一、示意图:二、基本设计资料1.依据规范及参考书目:《建筑结构荷载规范》(GB 50009-2001)《水工混凝土结构设计规范》(SL 191-2008),以下简称《规范》《水工钢筋混凝土结构学》(中国水利水电出版社)《渡槽》(中国水利水电出版社出版)《建筑结构静力计算手册》(第二版)2.结构尺寸:支承形式:简支槽身长度L = 16.00 m槽壁厚度t = 0.32 m槽壳内径Ro = 3.20 m直段高度f = 1.30 m外挑长度a = 0.38 m外挑直高b = 0.30 m外挑斜高c = 0.38 m拉杆净间距:3.0*3.0拉杆高度h1 = 0.300 m拉杆宽度b1 = 0.300 m端肋尺寸:端肋厚度td = 0.50 m端肋直高f1 = 2.200 m端肋斜高f2 = 3.120 m端肋支座宽度bz = 0.50 m支座净距ln = 5.50 m支座坡角β= 45.0 度走道板宽B = 0.30 m走道板厚tz = 0.30 m3.荷载信息:设计水深hs = 4.500 m人群荷载qr = 3.000 kN/m24.荷载系数:安全系数K =1.20可变荷载的分项系数γQ1K=1.20可变荷载的分项系数γQ2K=1.10永久荷载的分项系数γG1K=1.05永久荷载的分项系数γG2K=1.205.材料信息:混凝土强度等级:C50横向受力钢筋种类:HRB400纵向受力钢筋种类:HRB400构造钢筋种类:HRB400纵筋合力点至近边距离a s = 0.035 m混凝土裂缝宽度限值[ωmax] = 0.250 mm三、计算说明1.荷载组合承载力极限状态计算时,荷载效应组合设计值按下式计算:S =γG1K×S G1K+γG2k×S G2K+γQ1k×S Q1K+γQ2k×S Q2K,即:S =1.05×S G1K+1.20×S G2K+1.20×S Q1K+1.10×S Q2K,即:正常使用极限状态验算应按荷载效应的标准组合进行,并采用下列表达式:S k(G k,Q k,f k,αk)≤c2.横向计算(1)横向计算是将槽壳作为一次超静定的铰接曲杆框架结构,用力法求出横杆的多余未知力,然后利用静力平衡方程式计算各截面的弯矩及轴向力。