分户验收自动计算表
- 格式:xls
- 大小:59.50 KB
- 文档页数:4
附表一住宅工程质量分户验收汇总表附表二住宅工程质量分户验收表编号:整改情况应注明处理的方法和结果;2、分户验收结论为“全数合格,予以通过”、“经整改合格、予以通过”、“经过设计认可,予以通过”、“经过质量认定,予以通过”、“经过协商,予以通过”和“不予通过”。
经过设计认可,予以通过的,应附设计单位意见;经过质量认定的,应附房屋质量鉴定机构意见;经过质量认定和协商予以通过的,涉及已销售的住宅,应附购房户意见。
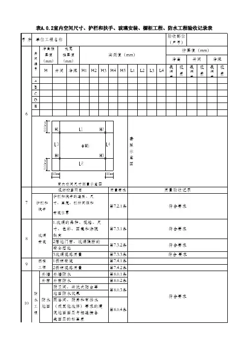
附表三分户验收户型示意及检查定位图制图说明:1、绘制所有户型的平面示意简图,住宅工程质量分户验收在此图基础上进行;在图纸上注明并形成分户验收实施方案;2、形成分户验收户型示意及检查定位图,即在平面示意简图上,按一定的顺序明确标注住宅工程质量分户验收记录表(附件4-1~4-7)中涉及的房间编号(客厅、卧室、书房、餐厅、厨卫等)、门窗编号、防水部位编号(屋面、沿沟、露台、阳台、厨房、外墙等),确保验收记录中检查记录明确、真实,并有可追溯性;附表四室净高、开间净尺寸抽测表注:1、室应做到半成品、成品保护良好,外观完好无破损,无交叉污染,做到窗明地净;2、圆弧、多边形等异形平面的开间尺寸视具体可测量部位另作示意图。
附表五室地面、墙面、顶棚抹灰工程质量分户验收记录表注:1、表格填写地面裂缝、空鼓,墙面和顶棚爆灰、空鼓、裂缝等存在问题;2、涉及结构层的裂缝,应绘制形状图,并将相关处理材料作为本检查表附页。
附表六住宅工程质量分户验收记录表门窗及其安装检查表编号:附表七住宅工程质量分户验收记录表防水工程检查表编号:注:建设单位宜在雨后(淋水)、蓄水后及时组织检查验收。
附表八住宅工程质量分户验收记录(公共部位) 编号:注:1、公共部位检查单元划分:每个单元的外墙为一个检查单元;每个单元通道为一个检查单元,应检查每层楼梯及上下梯段、通道(平台)。
2、每个检查单元填写一本表,本表一式两份,建设(监理)、施工各一份。
附表1:住宅工程质量分户验收表附表2:住宅工程质量分户验收汇总表附表3:住宅工程质量分户验收问题记录表工程名称:宿松县二郎新区商贸大市场3#楼验收时间:2012年9月10日建设单位项目负责人:监理单位项目总监:施工单位项目经理:附表4:住宅工程质量分户验收记录表(空间尺寸)说明:1、H1- H5代表房间净高尺寸,L1- L5代表房间开间和进深尺寸,L值宜取500mm;2、偏差为实测值与推算值之差的绝对值,不得超过15mm;极差为实测值中最大值与最小值之差,不得超过25mm;抽测不合格点数据在表内用笔圈出;3、使用钢卷尺或测距仪按上图规定进行检查,数据进行原位标注;附表5:住宅工程质量分户验收记录表(楼地面、墙面、顶棚、门窗、防水)1、裂缝、空鼓、爆灰、装饰等外观检查项目,均按《建筑装饰装修工程质量验收规范》GB50210-2001和《建筑地面工程施工质量验收规范》GB50209-2002、《住宅建筑规范》GB50368-2005的方法和标准进行;2、材料环保性能根据各地地方规定,核查相关资料进行检查;3、在分户验收时,外窗做人工淋水试验(每三~四层(有挑檐的每一层)设置一条横向淋水带,淋水时间不少于一小时后进户目测观察渗漏情况),外墙、坡屋面可在中雨后或持续淋水2小时后目测观察检查;平屋面、有防水要求的地面做蓄水试验(蓄水深度不低于20mm,24小时后目测观察检查)。
根据检查情况如实填写试验结果。
4、窗台高度检查数据进行原位标注。
附表6:住宅工程质量分户验收记录表(栏杆)说明:以上检查项目,均按《建筑装饰装修工程质量验收规范》GB50210-2001和《住宅建筑规范》GB 50368-2005的方法和标准进行。
栏杆检查数据进行原位标注。
附表7:说明:以上检查项目,均按《建筑给水排水及采暖工程施工质量验收规范》GB 50242-2002、《建筑电气工程施工质量验收规范》GB 50303-2002和《住宅建筑规范》GB 50368-2005的方法和标准进行。