分户验收最大偏差、极差自动计算表
- 格式:xls
- 大小:35.00 KB
- 文档页数:4
建业集团土建工程实测质量分户验收记录表工程名称:备注:极差为实测值中最大值与最小值的差值。
建业集团土建工程观感质量分户验收记录表工程名称:备注:以上所有项目检查比例为全数检查。
工程名称:备注:以上所有检查项目检查为全数检查。
工程名称:备注:以上所有项目的检查比例均为全部。
建业集团工程质量分户验收合格证书工程名称:年月日建业集团工程质量分户验收总控表2、要把初验和复验填写清楚,初验合格,打☆;不合格打△;复验合格打□;3、此表有项目工程部经理指派项目工程部专人填写。
建业集团防水工程质量分户验收记录表工程名称:备注:以上所有项目的检查比例均为全部。
下面是赠送的范文,不需要的朋友可以下载后编辑删除2013党风建设心得体会范文按照上级的统一部署,我们认真组织开展了党风廉政建设教育活动。
通过学习,我对活动的重要意义有了一个更高的认识,使我对开展党风廉政建设的重要性和必要性有了更进一步的认识和了解。
可以肯定地说,通过这次教育活动,使自己对相关内容在原有的学习基础上有了更进一步的提高,在一些方面拓宽了思路,开阔了视野,增强了搞好工作的信心。
现就学习情况谈一点粗浅的认识和看法。
一、加强党风廉政建设,干干净净履行职责党风廉政建设关乎民心向背,关乎事业成败。
党中央领导集体对加强党风廉政建设和反腐败斗争给予高度关注和重视,采取了强力措施,中纪委三次全会上提出了“四大纪律”、“八项要求”,中央连续出台了《党内监督条例》和《纪律处分条例》两个法规,充分显示了坚持不懈反腐倡廉的强大决心。
对于廉洁自律问题,要把握好两条:一要干事,二要干净,也就是既勤又廉。
不勤政无以立业,就没地位;不廉政无以立身,就栽跟头。
要把这两条统一起来对待,经得起考验,树立好形象。
1、要警钟长鸣,筑牢防线。
任何腐化、腐败行为都是从思想的蜕化开始的,都有一个思想演变的过程。
因此,把牢思想这一关是最有效的预防,加强思想教育也是反腐倡廉的根本之策。
我们一时一刻都不能放松世界观、人生观、价值观的改造。
附件1:
住宅工程质量分户验收记录表
(室内空间、构件尺寸、室内地面与墙面、门窗、护栏和扶手、玻璃安装、防水工程等质量)
注:1、室内以每户为一个检查单元
2、工程中增加或不包含的项目应在验收记录中增加或删除;
3、本表一式一份,在单位工程竣工验收过程中使用后,施工单位存档使用。
住宅工程质量分户验收记录表
(安装工程质量)
注:1、工程中增加或不包含的项目应在验收记录中增加或删除;
2、本表一式一份,在单位工程竣工验收过程中使用后,施工单位存档使用。
住宅工程质量分户验收结果表
注:1、工程中增加或不包含的项目应在验收记录中增加或删除;
2、本表一式一份,住宅工程交付使用时,《住宅工程质量分户分户验收结果表》应当作为《住宅质量保证书》的附
件一并交给业主。
住宅工程质量分户验收记录表
(公共部位质量)
注:1、公共部位以每栋楼的每个单元为一个检查单元、地下室可单独为一个检查单元;
2、工程中增加或不包含的项目应在验收记录中增加或删除;
3、本表一式一份,在单位工程竣工验收过程中使用后,施工单位存档使用。
单位工程质量分户验收汇总表
注:此表应与工程竣工验收报告等有关资料一并在单位工程竣工验收前报送质量监督机构。
项目工程质量分户验收汇总表
注:此表应与工程竣工验收报告等有关资料一并在单位工程竣工验收前报送质量监督机构。
序
号
H
L1
L2
H1
H2
H3
H4
H5
L1-1L1-2L2-1L2-2
最大偏差
极差1000000200000030000004
0000000000000
外墙外窗
屋面
橱柜工程
符合设计要求
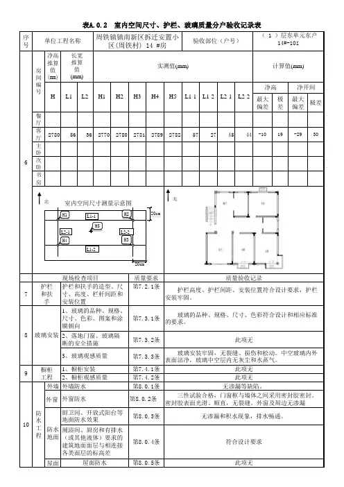
护栏和扶手
长宽推算值(mm)实测值(mm)
防水地面符合设计要求2、落地门窗、玻璃隔断的安全措施第7.3.2条玻璃
表A.0.2 室内空间尺寸、护栏和扶手、玻璃安装、橱柜工程、防水工程
验收记录表
计算值(mm)护栏和扶手的造型、尺寸、高度、栏杆间距和安装位置第7.2.1条
屋面防水
第8.0.5条
/
6
7
8
910房间编号
防
水
工
程厨卫间、开防式阳台等地面防水效果第8.0.3条
符合设计要求
厕浴间、厨房和有排水
(或其他液体)要求的
建筑地面面层与相连接各类面层的标高差
第8.0.4条无倒泛水和积水现象
外墙防水第8.0.1条无渗漏、开裂等缺陷
外窗防水
第8.0.2条现场抽检气密性、水密性合格,符合设计要求
1、橱柜安装第7.4.1条/
2、橱柜观感质量
第7.4.2条/
1、玻璃的品种、规格、尺寸、色彩、图案和涂膜朝向
第7.3.1条 符合设计要求
3、玻璃观感质量
第7.3.3条符合设计要求
最大偏差极差室内空间尺寸测量示意图
现场检查项目
质量要求质量验收记录
单位工程名称香堤半岛 #房
验收部位(户号)
净高
净开间净高推算值(mm)。
附表住宅工程质量分户验收规则验收项目、内容、检查方法及参照标准、条文)管道堵塞管道坡度地漏水封观察检查尺量检查室内电气安装建: 节(保温)插座相序、接地使用“漏电开关测试仪”逐个检查户内配电箱(盘)观察和开、关触电保护器动作照明试验通电检查等电位外窗传热系数、气密性能检验保温层烟囱道设置及附件观察检查检查检验报告观察检查或小锤轻击烟雾或火苗试验观察检查GB50242-2002第5.2.3生活污水塑料管道的坡度必须符合设计或本规范表5.2.3的规定。
表5.2.3生活污水塑料管道的坡度:1、管径50mm, 标准坡度25%。
,最小坡度12%。
;2、管径75mm,标准坡度15%。
,最小坡度8%o;3、管径110mm,标准坡度12%,最小坡度6%;4、管径125mm,标准坡度1O%o,最小坡度5%;5、管径160mm,标准坡度7%o,最小坡度4%0。
GB50242-2002第7.2.1排水栓和地漏的安装应平止、牢固,低于排水表面,周边无渗漏。
地漏水封高度不得小于50m“漏电开关测试仪”无接错显示m oGB50303-2002第22.1.2插座接线应符合下列规定:1单相两孔插座,面对插座的右孔或上孔与相线连接,左孔或下孔与零线连接;单相三孔插座,面对插座的右孔与相线连接,左孔与零线连接;2单相三孔、三相四孔及三相五孔插座的接地(PE)或接零(PEN)线接在上孔。
插座的接地端子不与零线端子连接。
同一场所的三相插座,接线的相序一致。
3接地(PE)或接零(PEN )线在插座间不串联连接。
第3.1.7接地(PE)或接零(PEN)支线必须单独与接地(PE)或接零(PEN)干线相连接,不得串联连接。
(强条)GB50303-2002第6.1.9照明配电箱(盘)安装应符合卜列规定:1箱(盘)内配线整齐,无绞接现象。
导线连接紧密,不伤芯线,不断股。
垫圈下螺丝两侧压的导线截面积相同,同一端子上导线连接不多于 2根,防松垫圈等零件齐全;2箱(盘)内开关动作灵活可靠,带有漏电保护的回路,漏电保护装置动作电流不大于30mA,动作时间不大于0.13照明箱(盘)内,分别设置零线(N)和保护地线(PE线)汇流排,零线和保护地线经汇流排配出。
土建工程实测质量分户验收记录表
备注:1.实测数据按照不同内容填写在表格背面;2.极差为实测值中最大值与最小值的差值。
土建工程观感质量分户验收记录表
备注:以上所有项目检查比例为全数检查。
水暖工程质量分户验收记录表
备注:以上所有检查项目检查为全数检查。
电气工程质量分户验收记录表
备注:以上所有项目的检查比例均为全部。
工程质量分户验收合格证书工程名称:
工程质量分户验收总控表
建设单位联系人(公章):保修电话:
年月日。
分户验收记录表五
室内主要空间尺寸(一)分验表5-1工程名称
房(户)号检查日期
户型简图及检
查点简述
序号项目质量要求实测数据
1 室
内
净
尺
寸
偏
差
房间内平
行墙面之
间净距极
差值控制
在20㎜
以内;非
矩形房间
的内墙面
净距差控
制在20
㎜以内
户内
房间
号
设计
要求
(㎜
)
允许
偏差
(㎜
)
实测值(㎜)
极差
(㎜
)
1 2 3 4 5 6 7 8
1
2
3
4
5
6
7
8
室内净高
应符合设
1
-20
2
计要求,室内净高偏差值控制在-20㎜以内,极差值控制在20㎜以内3 4 5 6 7
8
质量缺陷
及
整改结果
检验结论
建设单位监理单位施工单位物业或其他单位年月日年月日年月日年月日。