心电图机使用流程及注意事项
- 格式:doc
- 大小:434.50 KB
- 文档页数:2
心电图操作流程及注意事项心电图操作流程及注意事项:一、注册流程1、根据病人的基本信息(姓名、性别、年龄)输入标准的病历号,完成病人身份登记。
2、检查病人基本情况、进行心电图测量之前,必须先确认病人基本情况,包括身高、体重、心率等相关指标;3、根据病人情况确定测量方式,以便选用正确的裸眼纸和传感器;4、正确地将心电图设备安装到设备上,确保心电图数据能够正确读取;5、确保设备安装对病人无任何影响,有效地完成被测者测量,设备安装完成后,需要进行设备的质量检查,以确保测量的准确性。
二、文字描述1、独立完成心电图设备安装过程;2、及时更换心电图纸带,确保纸带质量;3、操作前需根据病人情况确定测量方式;4、正确使用心电图信号放大器,避免因设备失灵而影响测量结果;5、用纸质心电图记录病人的心电信号,正确记录所有的测量参数;6、操作过程中,不使用外力,以免影响测量结果;7、电极置换过程中,应搭配合适的电性润滑剂,减少病人的不适感;8、注意观察心电变化,确保测量结果准确;9、帮助病人完成健康宣教或疾病预防建议;10、操作完成后,及时收集文本信息,并记录完整病历,以便为下次操作做准备。
三、注意事项1、在测量之前,必须先完成病人基本情况的登记;2、必须准确地理解病人的健康状况,根据病人的病情确定测量方式;3、必须正确地安装心电图设备,确保设备的准确性;4、定期更换心电图纸带,确保质量的一致性;5、严格遵守心电图的文字描述要求,并随时观察心电变化;6、操作心电图之前必须确保设备完好,并熟悉操作流程;7、操作过程中要注意安全,不得使用外力;8、操作完成后必须及时收集文本信息,并将病历记录完整。
完整版)心电图机操作流程
操作心电图机的步骤和注意事项
心电图机操作的准备物品包括心电图机、酒精棉球、镊子和无菌罐。
医护人员需要保持整洁,洗手、戴口罩和帽子,并向病人解释操作流程。
连接电源并打开电源开关,检查心电图机的性能,使其处于备用状态。
检查各导联是否齐全,并按要求放好地线。
输入病人的住院号、性别和年龄。
四肢电极连接时,先用酒精清洗电极安装部位的皮肤。
RA红色接右手,LA黄色接左手,RL黑色接右腿,LL绿色
接左腿。
胸部电极连接时,用酒精清洗安装部位的胸部皮肤,并按胸电极的吸球将电极吸附于V1-V6位置。
当所有导联链接好后,按开始键走纸。
走纸结束后,取下心电图报告,并填写患者姓名、年龄和性别。
使用完毕后,先将导联线从病人身上取下,协助病人整理衣物,再关电源开关,
拔下电源线并将肢导联与胸导联分开放好,将地线收好,以备下次使用。
注意事项包括要在平卧位下描记心电图,告知病人保持安静,勿讲话、移动体位及过度换气,并正确连接电极。
心电图机周围2米内不能有其他带电仪器以免干扰。
及时充电以保证正常使用。
如果发现故障,应立即找设备科修理。
本文仅供个人研究和研究使用,不得用于商业用途。
心电图机操作流程及注意事项公司标准化编码 [QQX96QT-XQQB89Q8-NQQJ6Q8-MQM9N]心电图机操作流程及注意事项操作流程:遮挡屏风→清洁皮肤→连接导联线及导联球→打开开关→设计走纸速度→打开抗干扰键→测试→走纸记录→关闭开关心电图检查注意事项1. 确认各导联与肢体连接正确及到电性能良好。
2. 做心电图时,如出现振幅超出心电图纸范围和心率过慢过快时及时调整电压和走纸速度至合理范围。
3. 躁动患者做心电图时,由家属协助进行,改用手动模式分步进行逐个导联描记。
4. 进行心电图检查时,发现特殊心电图异常改变(急性改变)应及时同临床医生联系,并限制病人活动,做完心电图后应及时记录患者信息(包括姓名、年龄、时间)并粘贴。
5. 描记常规十二导联心电图后,如III导联有异常Q波(即Q波大于1∕4R 波),应加做吸气描记。
如V1、V2导联R波较高,或可疑后壁心肌梗死,应加做V7-V9导联;可疑右室梗死者,应加做V3—V6R导联。
6. 突发情况下不能处理时,应及时联系主班医师,确保医疗安全。
心电图机常见故障及处理措施一、无心电波形输出显示与描记。
处理措施:1检查各导联线与电极充分接触,导电膏涂抹均匀。
2检查各导联线连接,确认连接无误后联系器械科检查机器故障。
二、后按下START键,走纸速度很快,转换走纸速度的开关无效。
处理措施:机器故障联系器械维修。
三、记录笔出现高频率的抖动,心电图无法记录,按EMG和HUM功能开关也不起作用。
处理措施:1 检查皮肤与电极充分接触,导电膏涂抹均匀。
2 躁动寒战患者由家属协助进行。
四、胸导单个导联不能描记。
处理措施:由其他胸导联代替该导联描记,检查结束后联系器械维修导联故障。
心电图的操作规程1、将电源线插入电源插座。
2、打开心电图机机的电源开关,等待直至主画面出现为止。
3、输入病人的基本资料。
4、用酒精清洗安装电极部位的皮肤,将电极安放在相应位置。
5、待心电图机主画面心电图稳定,按“打印”键开始打印报告。
6、打印报告完成,取下导联,关机。
除颤监护仪操作规程ECG监护1、皮肤准备;2、扣好CEG电极按扣;3将ECG电极安放到病人身上;4、将模式选择开关旋至“监护”,开始监测病人心电;5、监护完成,取下电极,关机。
手动除颤1、解开病人胸前的衣物,擦干病人的胸部,必要时进行皮肤处理;2、均匀涂抹导电膏到手动电极板上;3、将除颤仪模式旋至“手动除颤”;4、安装右图正确安放电极;5、调节能量;6、充电;7、大于10kg力压紧电击。
AED确认病人已经出现心脏骤停,丧失反应,无呼吸无脉搏1、解开病人胸前的衣物,擦干病人的胸部,必要时进行皮肤处理;2、将电极正确安装到病人身上;3、将除颤仪模式旋至“AED”;4、按照语音和提示信息进行操作;5、如有电击提示,按下电击按键。
心电监护仪操作流程1、准备用物,将监护仪推至病人床旁,核对床号、姓名,并向病人解释,以取得合作。
2、插上电源,检查仪器,仪器指示灯亮,检查监护仪性能。
3、根据病情摆好病人体位,清洁病人皮肤,贴好电极,将心电、NIBP、SPO2电缆线分别连接于病人身上,按下仪器最下角的开机键,待仪器屏幕上显示监护画面后,按下‘血压周期设置键’,根据医嘱及病情通过旋转‘选择键’来设置所需的时间周期,再按下‘血压启动键’,仪器默认所设置的血压周期测定,血压测量完毕,显示屏上出现相应HR、SPO2、R、BP数值,记录于护理记录单上,并交待患者注意事项。
4、监护仪使用完毕后,按下‘关机键’,把各输出电缆从病人身上取下,整理好病人体位,保持床单整齐。
同时记录,整理用物,推回原位放置,用75%酒精擦拭仪器及各输出电缆线。
及时补充电极片、心电图纸,以便备用。
心电图机的操作流程心电图机是临床上常用的一种医疗设备,用于检测心脏的电活动,帮助医生诊断心脏疾病。
正确的操作流程对于获取准确的心电图结果至关重要。
下面将详细介绍心电图机的操作流程。
1. 准备工作。
在进行心电图检测之前,首先需要进行一些准备工作。
操作人员应该确认心电图机的电源连接是否正常,机器是否处于正常工作状态。
同时,还需要准备好心电图贴片、导联线等相关设备,确保设备的完整性和清洁度。
2. 患者准备。
在进行心电图检测之前,需要让患者进行一些准备工作。
首先,要告知患者心电图检测的具体流程和注意事项,让患者了解整个检测过程。
然后,需要让患者脱掉上身衣物,清洁胸部皮肤,以保证心电图贴片的贴合度和信号的清晰度。
3. 导联贴附。
接下来是导联的贴附工作。
根据心电图机的要求,将相应数量的心电图贴片贴在患者的胸部和四肢位置。
在贴片贴附的过程中,要确保贴片与皮肤的贴合度良好,避免空气隔离导致信号不清晰。
4. 机器设置。
在导联贴附完成后,需要进行心电图机的设置工作。
根据患者的具体情况,选择合适的心电图检测模式,并设置相应的参数,如增益、滤波器等。
在设置过程中,要根据医生的建议和患者的情况进行调整,以确保获取准确的心电图结果。
5. 开始检测。
一切准备就绪后,即可开始进行心电图检测。
操作人员应按照心电图机的操作手册进行操作,启动设备并开始记录心电信号。
在检测过程中,要注意观察设备的运行情况,确保信号的采集和记录正常。
6. 检测结束。
心电图检测完成后,需要做好相应的收尾工作。
首先,要关闭心电图机并断开相关设备,将导联贴片和导联线等设备进行清洁和消毒。
同时,还需要将心电图结果进行保存和整理,以备医生查阅和分析。
以上就是心电图机的操作流程。
正确的操作流程可以确保心电图检测的准确性和可靠性,为医生的诊断和治疗提供重要的依据。
希望操作人员能够严格按照操作规程进行操作,确保心电图检测的质量和准确性。
心电图机使用操作流程()
[操作常规]
1.按电源开关键开机,与病人连接导联线。
2.按“患者”键,设置患者信息。
3.观察屏幕波形,确认波形稳定。
4.按“开始/停止”键,自动打印波形及分析结果。
[临床保养常规]
1.每次使用完毕用软布沾清水或中性洗液清洁仪器及导联附件表面。
2.使用前检查记录纸及导线。
[使用注意事项]
1.严格按照设备的操作常规及操作手册使用该设备。
2.应保持设备良好的使用环境,环境温度18-30C>湿度30-85%o
3.保持仪器工作环境良好的通风条件。
4.仪器运行时应使机盖、舱门保持关闭,不可随意开启。
5.操作仪器时应尽量佩戴防护手套、防护镜等防护用具。
[应急措施]
L出现导联异常时,请检查电极与患者的接触状态。
着重处理患者皮肤表面。
6.仪器运行出现任何异常报警,异常动作、状态,临床操作者应关闭主机电源:标记“故障停用”标识,并向医学装备科报修。
7.院内报修电话:**。
心电图检查操作流程及注意事项
一、心电图检查操作流程
1. 心电图室准备:首先将心电图仪平整安置,室内温度适宜,灯光充足;
2. 检查者的准备:熟练掌握使用心电图仪的操作方法;
3. 检查者与患者的交流:询问患者病史,了解病情;
4. 患者准备:改变衣着,去掉影响诊断的银饰和金属制品;
5. 检查者准备检查:准备心电图挂钩和电极,检查所需的仪器;
6. 挂钩和粘贴电极:根据心电图挂钩规则,结合左侧右侧胸部位点挂钩,并将电极粘贴至挂钩定位上;
7. 设置心电图仪:根据患者情况调整心电图仪对应部位、心率范围等
数据;
8. 智能诊断:完成上述工作之后,启动心电图程序,待拍片结束之后,诊断报告即可出炉。
二、注意事项
1. 检查过程中要特别注意患者的舒适感及安全性,要避免病患出现不
适感受;
2. 检查过程中要让患者保持静止,避免动作过大导致电极过度活动;
3. 检查过程中要注意检查者和患者的物理分离,避免电极感应到检查
者的肌肉收缩;
4. 拍摄结束后要及时清理电极,切断线接反应。
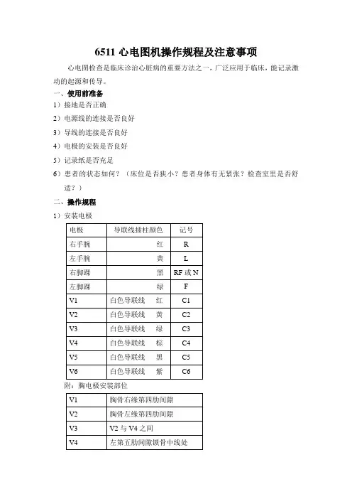
6511心电图机操作规程及注意事项心电图检查是临床诊治心脏病的重要方法之一,广泛应用于临床,能记录激动的起源和传导。
一、使用前准备1)接地是否正确2)电源线的连接是否良好3)导线的连接是否良好4)电极的安装是否良好5)记录纸是否充足6)患者的状态如何?(床位是否狭小?患者身体有无紧张?检查室里是否舒适?)二、操作规程1)安装电极附:胸电极安装部位2)按下记录开关的“START(走纸)”键,走纸后再按下“1mV定标”键描记1mV方波。
·检查描迹,笔温是否适当。
·检查1mV方波幅度是否10mm(置灵敏度于×1处)。
3)描记心电图①按下“LEAD SELECTOR(导联选择)”键选择I导联。
②按下“CHECK(观察)”键观察有无伪差。
③按下“START(走纸)”键即可描记I导联心电图。
④按下“CHECK”键,停止走纸。
⑤按下“导联选择”键,选择II导联。
以下同样地反复操作到完成V6胸导联后,按下“停止”键,停止描记(转换导联时,由于本机具有自动封闭电路,只要操作“导联选择”键就可以连续描记全导联的心电图,不必在转换导联时,每导联都要反复按下“观察”键,停止一次走纸)。
⑥本机装有肌电和交流干扰滤波器,如有肌电和交流干扰,可同时使用两种滤波器,但描记出来的心电图波形失真较大。
三、使用后工作1)根据规定的操作顺序,将操作的开关、拨盘等返回到使用前的位置,然后切断电源。
2)取下电缆类的时候,不要抓住电缆用力拉。
3)将附件、电缆、电极等物一定要清洁后再集中整理放好,使下次使用时不发生任何障碍。
四、日常维护1)机器和零件一定要定期检查。
2)长时间不使用的电池,必须每隔3-6个月充电一次,否则缩短电池寿命。
充电时间不可超过24小时。
心电图仪的操作流程及注意事项心电图仪是一种常用的医疗设备,用于检测人体的心脏电活动。
正确的操作流程和注意事项对于获得准确的心电图结果至关重要。
本文将介绍心电图仪的操作流程以及使用时需要注意的事项。
一、心电图仪的操作流程1. 准备工作在操作心电图仪之前,需要做好以下准备工作:- 确保心电图仪处于正常工作状态,电源接通且仪器完好无损。
- 准备好所需的心电图贴片、导联线等配件。
- 请患者脱去胸部上衣,以便贴片与皮肤充分接触。
2. 安装导联线将心电图导联线连接到心电图仪上。
一般心电图仪会标示出各个导联的位置,根据标示将导联线正确插入。
3. 贴心电图贴片将心电图贴片贴在患者胸部、四肢和背部等位置。
贴片应紧贴皮肤,避免产生松动或皱褶,以免影响心电图信号的接收。
4. 连接导联线将导联线与贴在患者身上的心电图贴片连接。
确认每个导联与相应部位的贴片连接牢固。
5. 开始记录心电图启动心电图仪,并按照仪器上的指示选择合适的记录模式,例如常规心电图、运动心电图等。
确保心电图仪处于稳定运行状态后,开始记录心电图信号。
6. 结束记录记录时间根据需要可以持续数分钟至数小时不等。
根据实际情况,选择适当的记录时间,并在记录结束时按照仪器指示停止记录。
7. 解除连接在记录结束后,先断开导联线与心电图贴片的连接,然后将贴片从患者身上剥离。
8. 存储和分析心电图数据将记录的心电图数据保存在心电图仪内存或外部存储设备中,以备后续分析和诊断使用。
同时,也可以将数据导出至计算机等其他设备,进行更加详细的分析和处理。
二、心电图仪使用的注意事项1. 操作前请阅读说明书每款心电图仪在使用前都需要仔细阅读操作说明书,了解仪器的特点、功能以及操作方法。
熟悉说明书的内容有助于正确、高效地操作心电图仪。
2. 注意电源和电源线安全在操作过程中,应确保心电图仪的电源接口稳定连接,并且电源线外露部分没有破损或裸露的金属导线。
同时,也要注意合理使用电源插座,避免因超负荷使用导致电源问题。
使用心电图仪的步骤和注意事项心电图仪是一种常见的医疗设备,用于检测和记录人体心脏的电活动。
它通过测量心脏产生的电信号,并将其转化为图形化的心电图,以帮助医生诊断心脏疾病。
使用心电图仪需要一些步骤和注意事项。
一、准备工作在使用心电图仪之前,你需要做一些准备工作。
首先,确保设备处于良好的工作状态。
检查仪器的电源是否正常,电极是否完好无损。
如果发现任何问题,应及时联系维修人员进行维修或更换。
另外,还需要为患者做好准备。
患者应脱去上身衣物,以便能够正确安装心电图仪的电极。
确保患者身体干燥和清洁,以避免电极与皮肤接触不良。
如果患者有过敏史或皮肤敏感问题,应提前告知医生,以便采取相应的措施。
二、正确安装电极心电图仪通常附带多个电极,用于在患者身体上记录心电信号。
安装电极是使用心电图仪的关键步骤之一。
首先,清洁患者皮肤,以确保电极能够与皮肤紧密接触。
然后,根据医生的指示,将电极粘贴到特定的位置。
通常,电极会粘贴在胸部、手臂和腿部等位置。
在安装电极时,需要注意以下几点。
首先,电极应牢固粘贴,以确保良好的信号传输。
其次,电极之间应保持适当的距离,以避免相互干扰。
最后,电极与皮肤接触的部分应保持干燥,避免出现杂音或失真的情况。
三、进行心电图记录安装完电极后,就可以进行心电图记录了。
在记录心电图之前,医生会要求患者保持静止,并告知患者不要说话或移动身体。
这是为了避免外界因素对心电图结果的干扰。
心电图记录过程中,患者需要保持放松和舒适的状态。
医生会将心电图仪连接到电脑或记录设备上,并启动记录程序。
在记录过程中,患者需要保持呼吸平稳,不要用力呼吸或屏住呼吸,以免产生干扰。
四、注意事项在使用心电图仪时,还需要注意以下几点。
首先,遵循医生的指示操作,不要私自调整设备设置或停止记录。
其次,及时清理和消毒电极,以避免交叉感染。
另外,注意设备的维护和保养,定期检查和校准设备,确保其正常工作。
此外,心电图仪只是一种辅助诊断工具,不能替代医生的专业判断。
心电图机操作规程一.操作步骤1.将心电图机放置于病人床边,安放妥当。
2.做好解释,保持安静,自然,舒适。
3.按好肢体导联(右上为红色,左上为黄色,左下为绿色,右下为黑色)。
4.按好胸导联V1:胸骨右缘第四肋间V4:胸骨左缘锁骨中线第五肋间V2:胸骨左缘第四肋间V5:左腋前线与V4同一水平V3:V2与V4连线中点V6:左腋中线与V4同一水平5.打开心电图(心电图机右侧侧面POWER)开关。
6、用MODE键选择AUTO模式。
7.用SPEED键调节好走纸速度,一般为25mm/s。
8.用MF键调节好抗干扰强度。
9.用SENS键调节电压(一般为10mm/mv)。
10.按LEAD键观察是否12个导联波形均已出现,如是,按RUN键开始操作。
二.注意事项1.在病人和心电图机一米以内,不要有其他带电的电线经过。
一切电器设备如X线机、B超机等最好都要远离5米以上,以免感应,发生干扰。
2.机器充电时,应打开电源,长按CHARGE键持续2秒以上,机器自动进入充电状态,持续2小时即可,屏幕显示电已充满。
3、如需某个导联单独或延长记录,用MODE键LONG-TERM模式,再用LEAD键选择所需导联,按RUN键开始操作。
4、装纸方法:打开纸盒盖,把打印手柄扳到UP位置,将记录纸背面向上插入记录纸引导部,直至露出记录出纸端,把打印手柄扳回DOWN的位置,盖好纸盒盖。
三.保养方法1.机器表面及导联线用浸过消毒液的微湿抹布擦拭,防止液体渗入机内。
2.避免导联线受折。
3.每天检查机器性能良好,机内电池充足。
实习生请销假制度1.在实习期间,实习生一般不得请事假,实习生休病假必须持所在医院诊断证明。
如有特殊情况,须严格按规定,事先办理请假手续,写出书面申请报告,经批准后方为有效,事后补假一律无效,均按旷工处理。
2.请假1天以内经带教老师同意,并报医院临床学院同意后方可离岗;1天以上由教学基地主管门批准;一周以上有主管校领导批准,事假最长不得超过两周。
心电图机操作规程与使用方法一、目的要求1.熟悉心电图机的原理及分类2.掌握心电图机的使用方法与注意事项。
二、实验原理1.标准导联Ⅰ:为接连左、右臂的电位差,将左臂连于心电图机的正极,右臂连于心电图机的负极,即Ⅰ=左臂(+)→右臂(-)。
Ⅱ:为连接左腿和右臂的电位差,将左腿连于心电图机的正极,右臂连于心电图机的负极,即Ⅱ=左腿(+)→右腿(-)。
Ⅲ:为连接左退和左臂的电位差,将左腿连于心电图机的正极,左臂连于心电图机的负极,即Ⅲ=左腿(+)→左臂(-)。
电极安放位置:右手腕---红色,左手腕----黄色,左脚腕--绿色,右脚腕---黑色2.加压单极肢导联aVR:即加压单极右臂导联,探查电极置于右臂,连于心电图机的正极;无效电极置于左臂与左腿相连的中心电站上,再连于心电图机的负极。
aVL:即加压单极左臂导联,探查电极置于左臂,连于心电图机的正极;无效电极置于右臂与左腿相连的中心电站上,再连于心电图机的负极。
aVF:即加压单极左腿导联,探查电极置于左腿,连于心电图机的正极;无效电极置于右臂与左臂相连的中心电站上,再连于心电图机的负极。
3.单极导联V1:探查电极放在胸骨右缘第4肋间。
--红色V2:探查电极放在胸骨左缘第4肋间。
----黄色V3:探查电极放在V2 与V4连线的中点。
-----绿色V4:探查电极放在锁骨中线与第5肋间的交点上。
-----棕色V5:探查电极放在左腋前线与第5肋间的交点上。
-------黑色V6:探查电极放在左腋中线与第5肋间的交点上。
-------紫色三、操作步骤1.电源开关置于“ON”。
2.电源开关置于“AC(交流),’,此时“LINE”“T E ST”“PAPER SPEED(25mm/s)”“SENSITIVITY(l)”“STOP”,晶体灯发出亮光。
3.调节基线控制旅钮应能改变描笔的位置,使之停在纪录纸中央附近。
4.按动“CHECK”键,此时“STO P”灯灭,“CHECK”灯亮。
心电图机操作及注意事项心电图操作步骤1、操作者着装规范2、核对病人:请问您是_床×××吗?我是×护士,根据您的病情需要给您录个心电图以检查你的心脏状况。
请您不要紧张,请您配合操作,过程中请不要活动,也不要说话,做深呼吸放松。
3、准备病人:1)、用语:“请您平卧,放松,我要给您安置电极。
我来帮您解开衣扣并清洁皮肤,可能会感觉有点凉,请谅解。
”2)、病人取水平仰卧位。
3)、解开衣扣,暴露胸部,露出手腕以及脚腕部。
4)、酒精棉球清洁皮肤。
4、接通电源,安放导联电极。
肢导联—右上肢(RA/R):红;左上肢(LA/L):黄右下肢(RL/RF):黑;左下肢(LL/F):绿胸导联—(红)C1/V1:胸骨右缘第4肋间(黄)C2/V2:胸骨左缘第4肋间(绿)C3/V3:V2、V4连线中点。
(棕)C4/V4:左锁骨中线与第5肋间交点。
(黑)C5/V5:左腋前线同V4水平处。
(紫)C6/V6:左腋中线同V4水平处。
5、录图:1)、开机。
2)、按定标,走纸速度、滤波等键。
3)、检查描笔的位置,调针至心电图纸正中。
4)、按开始键开始描记心电图。
5)、按Ⅰ、Ⅱ、Ⅲ、aVR、aVL、aVF、V1、V2、V3、V4、V5、V6导联的顺序描记心电图。
6)、完成录图。
7)、关机。
8)、取下心电图纸。
6、整理床单元:1)、摆体位,盖被。
2)、放好呼叫器。
3)、交代注意事项:_床×××,您配合得很好,谢谢您的合作,呼叫器放你枕边了,有事请呼叫我。
7、标记:在心电图纸上标记_床×××、性别、年龄、录图时间、导联。
8、整理用物,放回原处备用。
9、心电图交医生。
心电图机使用注意事项1、肢夹的使用:必须严格按照各肢夹所标符号进行对应连接测量,莫将左右脚串联在一起或只用三个肢夹,否则会造成测出的波形干扰、不准或分析结果错误。
2、吸球的使用:请严格按照各胸电极连接的位置进行连接,并要使用6个胸电极连接,不可只使用V1、V3、 V5进行测量,这样会造成波形不准及分析结果错误。
心电图机使用流程及注意事
项
-标准化文件发布号:(9456-EUATWK-MWUB-WUNN-INNUL-DDQTY-KII
·心电图机使用流程
1、打开电源开关。
2、连接导联:
红:右下肢
黄:左上肢
黑:右下肢
绿:左下肢
3、连接导联:
V1:胸骨右缘第四肋间(红色)
V2:胸骨左缘第四肋间(黄色)
V3:V2与V4连接中点(绿色)
V4:第五肋间与锁骨中线相交处(咖啡色)
V5:腋前线与V4水平线相交处(黑色)
V6:腋中线与V4水平线相交处(紫色)
4、选择“男/女”、年龄、抗干扰键。
5、按“开始走纸”键。
6、用后清理用物,充电备用。
心电图机使用注意事项
1、肢夹的使用:必须严格按照各肢夹所标符号进行
对应连接测量,莫将左右脚串联在一起或只用三
个肢夹,否则会造成测出的波形干扰、不准或分
析结果错误。
2、吸球的使用:请严格按照各胸电极连接的位置进行
连接,并要使用6个胸电极连接,不可只使用V1、 V3、 V5进行测量,这样会造成波形不准及分析
结果错误。
5个。
正反面压膜相纸大64开打孔
2。