焊接质量缺陷统计与分析
- 格式:doc
- 大小:32.50 KB
- 文档页数:5
焊接检测缺陷分析报告模板1. 引言本报告对焊接检测中所发现的缺陷进行分析和评估。
通过对不同类型焊接缺陷的描述和分析,旨在帮助读者了解焊接质量问题的根本原因,并提供相关建议和解决方案以改进焊接过程和质量。
2. 缺陷描述在焊接检测中发现了以下缺陷:1. 缺陷1:描述缺陷1的具体情况,包括缺陷的位置、形状、尺寸等。
例如,焊接接头处存在明显的气孔,数量约为10个,分布不均匀,直径在2-5mm之间。
2. 缺陷2:描述缺陷2的具体情况,同样包括缺陷的位置、形状、尺寸等。
例如,焊缝上存在多个未融合的区域,长度约为20mm,宽度约为2mm。
3. 缺陷分析3.1 缺陷原因根据对缺陷的观察和分析,我们得出以下缺陷产生的主要原因:1. 缺陷1原因:可能是焊接过程中气体的残留造成的。
当焊接材料中存在气体或杂质,并未完全排出时,在焊接过程中会形成气孔。
气孔的分布不均匀可能是由于焊接工艺参数不合理导致的。
2. 缺陷2原因:可能是焊接过程中温度不够高或焊接速度过快导致的。
在焊接过程中,如果温度不够高或焊接速度过快,焊接材料没有完全融化和融合,就会形成未融合的区域。
3.2 缺陷影响在焊接过程中发现的这些缺陷可能会导致以下影响:1. 缺陷1影响:气孔的存在会降低焊接接头的强度和密封性,增加应力集中的风险,从而影响整体焊接件的使用寿命。
2. 缺陷2影响:未融合区域会使焊接接头的强度减弱,容易导致接头脱落或断裂。
4. 解决方案基于对焊接缺陷原因的分析,我们提出以下解决方案以改进焊接质量:1. 解决方案1:通过改进焊接工艺参数,确保焊接材料中的气体和杂质在焊接过程中能够完全排除,从而减少气孔的产生。
可以调整焊接电流、电压、焊接速度等参数来优化焊接质量。
2. 解决方案2:提高焊接温度或降低焊接速度,确保焊接材料完全融化和融合,防止未融合区域的产生。
5. 结论本报告对焊接检测中发现的缺陷进行了详细描述和分析,并提供了改进焊接质量的解决方案。
焊接缺点剖析报告不合格焊口统计表:焊口编RT 拜托单日序号焊工号 焊接日期 制作方式RT 拜托单编号 期 RT管线号 ISO NO.Weld Welder Welding 尺寸(NPS)结果 一次返修 不合格 缺点位号FabricationRT Request No. Request ResultSingle repair二次返修SN.jointNO.DateDimension焊工号 置modeDateNO.1 56C001 (密集气孔) C001 V2 14 C003 (咬边、未熔) C003 V3 2 C005 (接头未熔) C005 F454C007、2-3 、3-4 C007V(密集气孔)5 1 C007 (未焊透)C007 V 、OH6 4 C008 (密集气孔)C008 F714C007/C008、5-6 C008V 、OH(密集气孔)8 2C008/C005(根部凹陷) C008OH、4-5 、5-6 、7-0913C009(四张均为内咬3-4(密集气孔)C009V 、OH边)109C007/C009(蛀孔)C009F截止到, CC7焊接质量下滑,共透视 107 道焊口,有 10 道焊口返修,焊工 C001 一道焊口返修, C003 一道焊口返修,C005 一道焊口返修, C007 两道焊口返修, C008 三道焊口返修, C009 两道焊口返修,此中密集气孔 5 道焊口,占不合格焊口总数的 50%,未熔 2 道占 20%,未焊透 1 道占 10%,咬边 1 道占 10%,根部内凹 1 道占 10%,针对上述状况对地管焊接的返修口做焊接缺点剖析报告。
不合格焊口统计表和焊工返片统计表见上表。
一、缺点种类:1、密集气孔、蛀孔(焊接地点F、 V、 OH)2、未熔(焊接地点F、 V)3、未焊透(焊接地点OH)4、内部咬边(焊接地点V、 OH)5、根部内凹(焊接地点OH)二、产生缺点的原由焊工返片统计表:截止到序 焊工号焊口数不合格口 /缺点地点焊接日期号固定 / 预制缺点原由WelderTotal jointDefect Welding探伤口 缺点种类 Defect typeNO.weldedReject/TotalS/FlocationVisual observation.Date1C0011231/14 2-3 (密集气孔) V现场操作坑操作空间不够、弧柱区保护不好(雨、风等)insufficientFoperation room and improper protection of arc column (rain,wind etc)Clustered porosity2C0031201/16 2-3 (咬边、未熔) V焊接电流太小,接头逗留时间较短Flow current , holding time at tie-in is shortUndercut, lack of fusion3C0051201/137-0 (接头未熔) F焊接电流太小,接头逗留时间较短等Slow current , holding time at tie-in is shortLack of joint fusion0-1 、2-3 、3-4(密集气孔) V 、OH现场操作坑操作空间不够Finsufficient operation roomClustered porosity 4C0071142/143-4 (未焊透) 层间及焊根清理不良。
西气东输二线线路管道焊接缺陷浅析摘要:通过对西气东输二线25标段管道焊接中常见焊接缺陷产生类型及原因的分析,总结出减少和避免缺陷的有效办法,在施工过程中严格监督落实,可以在很大程度上提高长输管道的焊接一次合格率。
关键词:西气东输二线焊接缺陷一次合格率1 前言:在西气东输二线管道工程全长近9000Km,首次采用1219mm管径,X80级钢,是我国战略能源大动脉,也是国家重点工程,所涉及的管道建设呈现出施工区域广、地形复杂的特点,以25标段为例,管道所经地区有平原、江南水网、沼泽地及山地等。
从施工角度来看,地形越复杂,焊接施工难度越大,因此也更容易出现各类焊接缺陷。
如何减少甚至避免各类焊接缺陷的出现,是保证管道建设顺利进行和管道施工质量的关键。
2 常见的焊接缺陷类型焊接质量既与焊接设备及焊工的技能高低有关,又受地形、天气、材料等诸多外部因素的影响。
西气东输二线管道工程是目前我国线路最长、口径最大、施工难度最大的管道工程。
管道所经地区既有平原、丘陵,又有山河、河流,因此对焊接质量的要求更为严格。
其焊接工艺要求主管线选用半自动焊接工艺,以熔化极气体保护电弧焊打底,自保护药芯焊丝半自动焊填充盖帽,连头选用低温高韧性的E7016焊条打底,自保护药芯焊丝半自动焊填充盖帽。
西气东输二线25标段管道材质选用国内最高强度的X80钢,所有焊缝进行100%X射线检测,Ⅱ级合格,所有的穿越焊口,还要另加100%的超声波探伤,Ⅰ级合格。
对抽查的约1000道口中出现的焊接缺陷进行统计,其中几种常见缺陷的出现几率见表1表1 几种常见焊缝缺陷的出现几率(%)3未熔合未熔合是指焊道与母材之间或焊道与焊道之间,未能完全熔化结合的部分,其主要发生在管道时钟1点钟和11点钟的接头位置,其主要发生在管道底部6点钟仰焊位置。
未熔合可分为根部未熔合、层间未熔合、坡口未熔合三种。
根部未熔合主要是打底过程中焊缝金属与母材金属以及焊缝接头未熔合;层间未熔合主要是施焊过程中层与层间的焊缝金属未熔合,坡口未熔合是焊缝金属与母材坡口之间的未熔合,其中根部未熔合出现的几率最大,未熔合属于面妆缺陷,易造成应力集中,危害性仅次于焊接裂纹。
常见的点焊质量缺陷及原因点焊质量缺陷是指在点焊过程中出现的不符合要求的焊接质量问题。
常见的点焊质量缺陷及其原因如下:1. 焊点不牢固:焊点不牢固是点焊中最常见的质量缺陷之一。
造成焊点不牢固的原因主要有以下几点:(1) 焊接电流和时间不合适:如果焊接电流过小或焊接时间过短,焊接时产生的热量不足以将焊件熔化并形成牢固的焊点。
(2) 电极表面有污染物:电极表面有油污、锈蚀等污染物时,会导致焊接电流的流通不畅,影响焊点的牢固程度。
(3) 焊件表面没有进行充分处理:焊件表面未进行清洁、打磨、减震等处理,会影响焊点与焊件的结合强度。
2. 焊点太大或太小:焊点太大或太小都会影响焊接质量,造成以下问题:(1) 焊点太大:焊点过大会导致热量过多向周围扩散,使焊接区域过热,影响焊接效果,并且可能造成焊坑、焊缺等缺陷。
(2) 焊点太小:焊点过小无法形成足够强度的焊接连接,容易出现开裂、断裂等质量问题。
3. 电极烧蚀:在点焊过程中,电极与焊件接触面会受到强热和电弧的冲击,导致电极表面烧蚀的问题。
烧蚀严重时,会影响电极的使用寿命,甚至造成焊接质量问题。
造成电极烧蚀的原因有:(1) 电极材质选择不当:电极材质应根据焊件材质和焊接工艺参数选择合适的材料,否则容易导致电极烧蚀。
(2) 焊接电流过大:过大的焊接电流会使电极与焊件间产生较大的热量,电极表面无法承受,容易导致烧蚀。
4. 焊接过热:过热是指焊接过程中焊件局部温度过高,超过了焊接工艺要求。
过热会导致焊缝过深、焊缺、焊缝太宽等缺陷。
造成焊接过热的原因主要有:(1) 焊接电流过大:过大的焊接电流会使焊件受到较大的热量和电弧冲击,容易导致过热现象。
(2) 焊接时间过长:焊接时间过长,焊件得到的热量过多,容易造成过热。
5. 焊缺、错位、飞溅:焊缺、错位和飞溅等问题都会影响焊接质量,导致焊点无法完成预期的功能。
造成这些问题的原因主要有:(1) 材料不匹配:焊接的两个焊件材料不匹配,例如金属种类、厚度等差异较大,会导致焊缺和错位等问题。
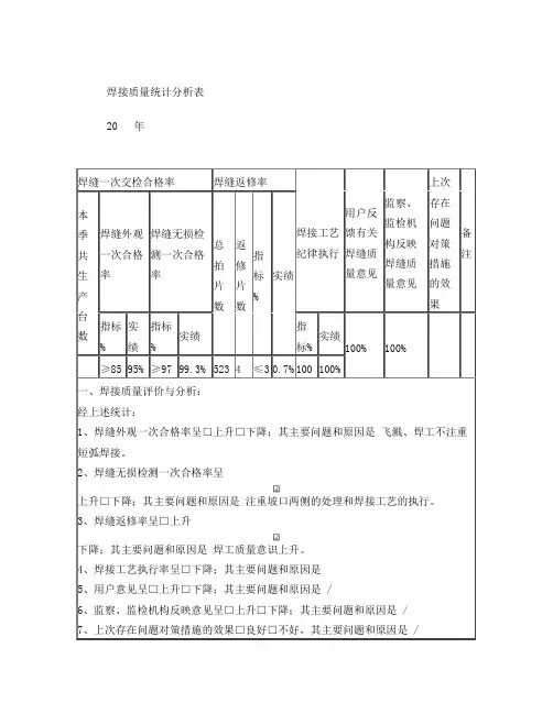
焊接质量统计分析表20 年焊缝一次交检合格率焊缝返修率焊接工艺纪律执行用户反馈有关焊缝质量意见监察、监检机构反映焊缝质量意见上次存在问题对策措施的效果备注本季共生产台数焊缝外观一次合格率焊缝无损检测一次合格率总拍片数返修片数指标%实绩指标%实绩指标%实绩指标%实绩100% 100% ≥85 95% ≥97 99.3% 523 4 ≤30.7% 100 100%一、焊接质量评价与分析:经上述统计:1、焊缝外观一次合格率呈□上升□下降;其主要问题和原因是飞溅、焊工不注重短弧焊接。
2、焊缝无损检测一次合格率呈上升□下降;其主要问题和原因是注重坡口两侧的处理和焊接工艺的执行。
3、焊缝返修率呈□上升下降;其主要问题和原因是焊工质量意识上升。
4、焊接工艺执行率呈□下降;其主要问题和原因是5、用户意见呈□上升□下降;其主要问题和原因是 /6、监察、监检机构反映意见呈□上升□下降;其主要问题和原因是 /7、上次存在问题对策措施的效果□良好□不好,其主要问题和原因是 /二、对策措施(纠正/预防措施):加强焊工培训,提高焊工的技能水平和质量意识,加强与客户的沟通、反馈,做好工艺改进工作。
制表: 20 年月焊接质量统计分析表20 年焊缝一次交检合格率焊缝返修率焊接工艺纪律执行用户反馈有关焊缝质量意见监察、监检机构反映焊缝质量意见上次存在问题对策措施的效果备注本季共生产台数焊缝外观一次合格率焊缝无损检测一次合格率总拍片数返修片数指标%实绩指标%实绩指标%实绩指标%实绩100% 100% ≥85 96% ≥97 99.9% 837 1 ≤30.1% 100 100%一、焊接质量评价与分析:经上述统计:1、焊缝外观一次合格率呈上升□下降;其主要问题和原因是焊工能做好焊前准备工作。
2、焊缝无损检测一次合格率呈上升□下降;其主要问题和原因是注重坡口两侧的处理和焊接工艺的执行。
3、焊缝返修率呈□上升下降;其主要问题和原因是质量意识上升。
焊接检测报告一、引言近年来,焊接技术在工业领域中的应用越来越广泛。
无论是建筑、汽车制造、航空航天还是电子设备,都离不开焊接技术的支持。
而在焊接过程中,焊缝的质量始终是一个非常重要的问题。
为了确保焊接质量,焊接检测成为焊接过程中不可或缺的一环。
本文将介绍焊接检测报告的主要内容。
二、检测方法目前,焊接检测主要采用的方法有目测检测、无损检测和破坏性检测等。
1. 目测检测目测检测是最简单、最常见的一种检测方法。
检测人员通过肉眼观察焊缝的形态、颜色、尺寸等方面来判断焊接质量。
目测检测主要适用于较为简单的焊接工艺,对于界面不平整、裂纹等细小缺陷的检测效果较差。
2. 无损检测无损检测是一种非破坏性的检测方法,通过科学的仪器设备对焊缝进行检测。
常用的无损检测方法包括超声检测、射线检测和磁粉检测等。
无损检测能精确地检测焊接缺陷,检出率较高,对质量的判断准确度更高。
3. 破坏性检测破坏性检测是将焊缝样品进行破坏性试验,通过观察焊缝的断面来判断焊接质量。
破坏性检测可直观地反映焊接缺陷,但同时也会破坏样品,不适用于大批量的检测需求。
三、检测报告的内容焊接检测报告是对焊接工艺和质量进行评估的结果,它通常包括以下几个方面的内容。
1. 检测项目检测报告首先会列出具体检测的项目,这些项目主要根据焊接过程的工艺要求和相关标准来确定。
通常包括焊缝形态、焊缝缺陷、焊缝尺寸、焊接强度等方面的检测。
2. 检测结果检测结果是检测报告的核心部分,它会准确记录各个检测项目的结果。
对于合格的检测项目,会注明“合格”,对于不合格的检测项目,会详细描述不合格的情况,并提出改进意见。
3. 数据分析除了简单记录检测结果外,一份完整的报告还应该对检测数据进行分析。
通过对焊接缺陷的数量、分布等数据进行统计和分析,可以为焊接工艺的改进提供参考。
4. 结论及建议最后,检测报告应给出整体的结论和建议。
结论是对检测结果的总体评估,通过总结检测项目的合格和不合格情况,判断焊接质量是否符合要求。
消除白车身焊点漏焊、开焊的质量缺陷一、前言某轿车公司简介此公司是中国某汽车集团的控股子公司,是某集团发展自主品牌乘用车的核心企业,是中国轿车制造业第一家股份制上市公司。
公司的主营业务为开发、制造、销售乘用车及其配件。
此公司成立于1997年6月10日,同年6月18日在深圳证券交易所上市,股票代码000800,注册资本金现已增至16.275亿元。
此公司新址位于长春高新技术产业开发区,毗邻长春汽车产业开发园区,于2004年7月建成投产,一期规划占地面积88万平方米,建有冲压、焊装、涂装、总装等四大工艺,由12万辆的整车生产能力起步。
二、团队介绍“求索”改善小组共有团队成员3人,成立于2005年2月。
小组成员能力(见下图):三、改善前背景1、工序介绍此公司焊装车间主要从事国产奔腾系列和马自达6系列轿车的白车身焊接,生产比重最大的工作内容就是焊接作业,在整车焊接工艺中点焊工艺所占比重超过96%,点焊焊接的质量问题主要是焊接强度,焊点数量和焊点位置的准确度。
2、选题理由目前已知的汽车行业,在焊装生产过程中均采用画标识自检、联防控制、增加巡检力度和加大抽查终检频次的手段去杜绝漏焊、开焊的发生,但一直效果不很理想。
此公司遵循“不接收、不制造、不转移不合格品”的原则,也采用行业内的焊接质量控制方式,车间在质量控制方面按照在员工的标准作业中增加了自检、互检联控、巡检抽查的工作内容,为了加强控制效果还要求员工采用记号笔对每个检查内容画上检查标识进行再次确认(图1),班组间增加流动质量巡检员、并加大终检频次等手段去杜绝开焊、漏焊的发生,但经过工位保证度的评级确认,其工位保证度的评级标准为最高4级中的2级,并且费时又费力。
现场仍然出现了批量漏焊和开焊的现象,而造成开焊、漏焊的真因很难查找,解决问题的切入点也不明确。
图1(左)工人焊接完成后画标识确认数量。
(右)画完标识的工件(注:按照工位保证度评价标准:一级为通过控制也不能保证产品质量;二级为通过控制不能完全保证产品质量;三级为通过控制能够保证产品质量;四级为不用控制就能保证产品质量。
焊接质量检验标准焊接在电子产品装配过程中是一项很重要的技术,也是制造电子产品的重要环节之一。
它在电子产品实验、调试、生产中应用非常广泛,而且工作量相当大,焊接质量的好坏,将直接影响到产品的质量。
电子产品的故障除元器件的原因外,大多数是由于焊接质量不佳而造成的。
因此,掌握熟练的焊接操作技能对产品质量是非常有必要的。
(一)焊点的质量要求:对焊点的质量要求,应该包括电气接触良好、机械接触牢固和外表美观三个方面,保证焊点质量最关键的一点,就是必须避免虚焊。
1.可靠的电气连接焊接是电子线路从物理上实现电气连接的主要手段。
锡焊连接不是靠压力而是靠焊接过程形成牢固连接的合金层达到电气连接的目的。
如果焊锡仅仅是堆在焊件的表面或只有少部分形成合金层,也许在最初的测试和工作中不易发现焊点存在的问题,这种焊点在短期内也能通过电流,但随着条件的改变和时间的推移,接触层氧化,脱离出现了,电路产生时通时断或者干脆不工作,而这时观察焊点外表,依然连接良好,这是电子仪器使用中最头疼的问题,也是产品制造中必须十分重视的问题。
2.足够机械强度焊接不仅起到电气连接的作用,同时也是固定元器件,保证机械连接的手段。
为保证被焊件在受振动或冲击时不至脱落、松动,因此,要求焊点有足够的机械强度。
一般可采用把被焊元器件的引线端子打弯后再焊接的方法。
作为焊锡材料的铅锡合金,本身强度是比较低的,常用铅锡焊料抗拉强度约为3-4.7kg/cm2,只有普通钢材的10%。
要想增加强度,就要有足够的连接面积。
如果是虚焊点,焊料仅仅堆在焊盘上,那就更谈不上强度了。
3.光洁整齐的外观良好的焊点要求焊料用量恰到好处,外表有金属光泽,无拉尖、桥接等现象,并且不伤及导线的绝缘层及相邻元件良好的外表是焊接质量的反映,注意:表面有金属光泽是焊接温度合适、生成合金层的标志,这不仅仅是外表美观的要求。
典型焊点的外观如图1所示,其共同特点是:①外形以焊接导线为中心,匀称成裙形拉开。
一、底盖焊接品质现状分析:1、异常呈现:2、异常严重性确认:通过对欧盟市场产品2007年度ISO9994检测统计报告可以很明显看出:严重缺陷数占总缺陷数的221/1117*100%=19.79%!然而在221个严重缺陷数中底盖焊接漏该不良项目的不良数则占了52.04%(=115/221*100%)!!所以,改善产品底盖焊接漏的异常是提高产品品质的一个重要方向。
二、要因分析及控制因子确认:分析结论:虽然通过鱼骨图分析得出很多原因,但是本项目主要是想了解:通过优化底盖焊接工艺参数是否能降低产品底盖焊接漏的品质异常,并对后续各产品在焊接工序如何确定参数最优化提供改善方案。
所以,本项目对其影响较大的关键因素初步确定为:部件尺寸的符合性及焊接量的确保(其他的原因可以通过该项的有效检验来确定是否存在原因)、焊接工艺参数的最佳组合这两个原因最大!所以后续将对这两个因子进行确认。
三、尺寸符合性及底盖焊接量分析:1、尺寸合格率及焊接量分析注:底盖焊接量分析的前提是纵向焊接有足够的位置。
2、焊接示意图结论:1、2、从尺寸分析及焊接量可以看出:无论是短期或长期来看,底盖焊接的最少焊接量也能确保在30丝标准以上。
说明部件配合方面不存在重大影响问题!通过以上分析确认,我们可以排除可能焊接量过少导致焊接品质差的原因存在,从而可以初步确认可以通过对焊接工艺参数的优化组合来提高焊接过程能力来提升底盖焊接的品质水平的可能性。
所以,后续将对该工序的控制因子进行更进一步的试验和分析。
四、运用田口方法进行试验设计:1、控制因子及水准:2、直交表及试验数据表(静态望小特性):2254、图形分析:5、考虑到效率方面,此产品底盖焊接工艺参数最佳组合为:A3,B1,C1 (工作压力=3.1;延迟时间=45; 熔接时间=15)此产品底盖焊接工艺参数实际组合为:A1,B2,C2 ( 工作压力=2.5; 延迟时间=50;熔接时间=20)五、焊接工序最优化工艺参数(A3,B1,C1)调整范围试验设计:1、控制因子及水准:2、直交表及试验数据表:2705、总结:1)针对原先焊接工艺参数组合( 工作压力=2.5; 延迟时间=50; 熔接时间=20)进行检测确认,发现下加气焊死问题很严重!;2)采用现DOE初选工艺参数组合(工作压力=3.1; 延迟时间=45; 熔接时间=15)进行焊接处理,未发现下加气焊死问题!但还是有其他不良; 3)依据初选的工艺参数组合,进行第二次DOE,得出确定最佳的工艺参数组合(工作压力=3.2;延迟时间=45; 熔接时间=14);4)建议对最佳工艺参数组合进行批量性验证(2000PCS),同时考虑电源电压(频率)变化对焊接的干扰!。
焊接质量问题报告怎么写1. 引言焊接质量问题报告是一份记录和分析焊接过程中出现的问题和缺陷的文档。
该报告旨在帮助解决焊接质量问题,提高焊接工艺和质量控制,确保产品的完整性和可靠性。
本文将介绍焊接质量问题报告的编写步骤和要点。
2. 报告编写步骤2.1 问题描述在报告的开头,明确描述焊接过程中出现的问题和缺陷。
例如,焊接接头出现裂纹、焊点未完全熔化等。
具体描述问题的位置、形态、大小、数量等信息,并提供相关图片或示意图以便更好地说明问题。
2.2 影响分析分析该问题对焊接结构或产品性能的影响。
焊接缺陷可能导致结构强度降低、气密性损失、电气连接不良等。
针对不同的问题,进行合理的分析和判断,并在报告中进行说明。
2.3 根本原因分析分析问题产生的根本原因。
焊接质量问题往往与焊接工艺参数、焊接材料、设备状况、操作人员等相关。
通过调查、实验和数据分析,找出问题出现的具体原因,并提供相应的解决方案。
2.4 解决方案针对问题的根本原因,提出解决方案。
可以包括调整焊接工艺参数、更换焊接材料、维修设备等。
解决方案应具体、可操作,并注明需要采取的具体步骤和时间安排。
2.5 效果评估将解决方案进行实施,并评估其效果。
测试焊接质量,在质量满足要求的情况下,确认问题已经得到解决。
2.6 总结和建议总结报告中所述问题和解决方案,并给出进一步的建议。
例如,建议持续监测焊接质量、加强培训、改进工艺控制等。
可结合经验和数据,对今后的焊接质量问题预防提出具体建议。
3. 报告要点3.1 清晰明了报告应该使用简洁清晰的语言,避免使用专业术语和复杂长句。
使读者容易理解问题的实质和报告的内容。
3.2 具体细致报告中应提供足够的信息和细节,包括问题的位置、形态、数量、影响等。
同时,应提供解决方案的具体步骤和评估结果。
3.3 逻辑严谨报告结构应严谨,信息排布逻辑合理。
按照问题描述、影响分析、根本原因分析、解决方案、效果评估等顺序组织报告内容,使读者容易理解。
高频焊管焊接缺陷及其分析焊接缺陷及其分析高频直缝焊接钢管的焊接质量缺陷有裂缝、搭焊、漏水、划伤等等。
下面仅对裂缝、搭焊这两个主要缺陷进行分析:一、裂缝裂缝是焊管的主要缺陷,其表现形式可以由通常的裂缝,局部的周期性裂缝,不规则出现的断续裂缝。
也有的钢管焊后表面未见裂缝,但经压扁、矫直或水压试验后出现裂缝。
裂缝严重时便漏水。
产生裂缝的原因很多。
消除裂缝是焊接调整操作中最困难的问题之一。
下面分别从原料方面、成型焊接孔型方面和工艺参数选择方面进行分析。
1.原料方面(1)钢种,即钢的化学成分对焊接性能有明显的影响,钢中所含的化学元素都或多或少、或好或坏地影响着焊接性能。
高频焊由于焊接温度高,挤压力大等原因,比低频焊允许的化学范围要广些,可以焊接碳素钢、低合金钢等。
碳素钢主要含有碳、硅、锰、磷、硫五种元素。
低合金钢还可以含有锰、钛、钒、铝、镍等各种元素。
下面分述各种元素对焊接性能的影响。
1)碳碳含量增加,是焊接性能降低,硬度升高,容易脆裂。
低碳钢容易焊接。
2)硅硅降低钢的焊接性,主要是容易生成低镕点的SiO2 夹杂物;增加了熔渣和溶化金属的流动性,引起严重的喷溅现象,从而影响质量。
3)锰锰使钢的强度、硬度增加,焊接性能降低,容易造成脆裂。
4)磷磷对钢的焊接性不利。
磷是造成蓝脆的主要原因。
5)铜含量小于 0.75% 时,不影响钢的焊接性。
含量再高时,使钢的流动性增加,不利于焊接。
6) 镍镍对钢的焊接性没有显著的不利影响。
7) 铬铬使钢的焊接性能降低,高熔点氧化物很难从焊缝中排除。
8) 钛钛能细化晶粒,钛增加钢的焊接性能,钛能使钢的流动性变差,粘度大。
9)硫硫导致焊缝的热裂。
在焊接过程中硫易于氧化,生成气体逸出,以致在焊缝中产生很多气孔和疏松。
硫不利于焊接并且降低钢的机械性能,通常钢中硫被限制在规定的微量以下。
10) 钒钒能显著改善普通低合金钢的焊接性能。
钒能细化晶粒、防止热影响区的晶粒长大和粗化,并能固定钢中一部分碳,降低钢的淬透性。
许继电子有限公司工艺技术论文SMT常见焊接缺陷及其解决措施作者:张智勇许昌许继电子有限公司二00九年十月十二日序言表面组装技术在减小电子产品体积重量和提高可靠性方面的突出优点,迎合了未来技术先进的特点对制造技术的要求。
但是,要制定和选择适合于具体产品的表面组装工艺不是简单的事情,因为SMT技术是涉及了多项技术的复杂的系统工程,其中任何一项因素的改变均会影响电子产品的焊接质量。
元器件焊点的焊接质量是直接影响印制电路组件乃至整机质量的关键因素。
它受许多参数的影响,如焊膏、基板、元器件可焊性、丝印、贴装精度以及焊接工艺等。
我们在进行SMT工艺研究和生产中,深知合理的表面组装工艺技术在控制和提高SMT生产质量中起到至关重要的作用。
本文就针对所遇到的几种典型焊接缺陷产生机理进行分析,并提出相应的工艺方法来解决。
几种典型焊接缺陷及解决措施1.回流焊中的锡球锡球的存在表明工艺不完全正确,而且电子产品存在短路的危险,因此需要排除。
国际上对锡球存在认可标准是:印制电路组件在600范围内不能出现超过5个锡球。
产生锡球的原因有多种,需要找到问题根源。
1.1回流焊中锡球形成的机理回流焊接中出的锡球,常常藏于矩形片式元件两端之间的侧面或细距引脚之间。
在元件贴装过程中,焊膏被臵于片式元件的引脚与焊盘之间,随着印制板穿过回流焊炉,焊膏熔化变成液体,如果与焊盘和器件引脚等润湿不良,液态焊锡会因收缩而使焊缝填充不充分,所有焊料颗粒不能聚合成一个焊点。
部分液态焊锡会从焊缝流出,形成锡球。
因此,焊锡与焊盘和器件引脚润湿性差是导致锡球形成的根本原因。
1.1.1原因分析与控制方法造成焊锡润湿性差的原因很多,以下主要分析与相关工艺有关的原因及解决措施:a)回流温度曲线设臵不当。
焊膏的回流是温度与时间的函数,如果未到达足够的温度或时间,焊膏就不会回流。
预热区温度上升速度过快,达到平顶温度的时间过短,使焊膏内部的水分、溶剂未完全挥发出来,到达回流焊温区时,引起水分、溶剂沸腾,溅出焊锡球。
焊接质量缺陷统计与分析摘要:本文通过对以往工地特别是惠来工地焊接缺陷数据的统计,对焊接过程中出现的焊接缺陷进行了总结分析,指出在以后的焊接过程中应注意的事项,有效防止不合格焊口的产生;是大型安装工程建设中的一项关键工作,其质量的好坏、效率的高低直接影响工程的安全运行和制造工期;针对发电项目,也直接关系到发电机组的安全、稳定运行;随着火电机组设计参数的不断更新与提高,以及项目监理和业主对在建项目的介入深化,对焊接质量提出了更高的要求;对焊接过程中出现的焊接缺陷进行总结分析,预先防止不合格焊口的产生是提高焊接质量的有效手段;一、焊接质量缺陷的分析统计焊接质量的缺陷分内部缺陷与表面缺陷,内部缺陷主要有未焊透、未熔合、气孔、裂纹、内凹、夹渣等缺陷;表面缺陷主要有烧穿、咬边、焊缝成型差、焊缝宽窄不合格、焊缝余高超标或不足、错折口等缺陷;经初步统计,针对惠来工地在焊接过程中所产生的主要内外部缺陷有以下几种,数据和比例分析如下下表1所示:表1此图所示焊接缺陷出现的几率因特殊情况又有不同;合金含量的高低也会影响产生焊接缺陷的几率,如高合金材质焊口出现焊接裂纹、过烧的缺陷较多;施工环境也会影响焊接质量,在沿海潮湿多风的地方,出现气孔、条孔等焊接缺陷相对较多;二、常见焊接缺陷出现的原因及预防措施内部缺陷一气孔、条孔:气孔属于体积性缺陷,它主要是削弱焊缝的有效截面积,降低焊缝的机械性能和强度,尤其是焊缝的弯曲强度和冲击韧性,也破坏了金属的致密性;原因:1 被焊工件或母材未彻底清楚干净,焊接过程中,本身产生的气体或外部气体进入熔池,在熔池凝固前未及时溢出熔池而残留在焊缝中;2 在空气相对湿度较大情况下也有微小的水珠,在熔池冶金过程中,非金属元素形成非金属氧化物,由于气体在金属中的溶解度随温度降低而减少,在结晶过程中部分气体来不及逸出,气泡残留在金属内形成了气孔;预防措施:1 焊条按照材质证明书进行烘焙,装在专用保温筒内,随用随取;2 焊缝坡口符合要求,彻底清除焊口及母材表面的油污和铁锈等杂质,直至发出金属光泽;3 注意周围焊接施工环境,搭设防风防雨设施,焊接管子时无穿堂风;4 氩弧焊时,氩气纯度不低于%,并注意氩气保护效果,氩气流量合适;5 焊前对工机具进行仔细检查,防止焊枪、皮管等漏气;6 尽量采用短弧焊接,减少气体进入熔池的机会;7 焊工操作手法合理,焊条、焊枪角度合适;8 严格按照焊接工艺操作,必要时焊前进行预热,焊后要缓冷;另外焊接线能量合适,焊接速度不能过快;二未熔合:实质上是一种虚焊现象,导致焊缝的有效截面积减少,在交变应力高度集中的情况下是焊缝的强度降低,塑性下降,最终导致焊缝开裂;未熔合主要有根部未熔合、层间未熔合两种;原因:1层间未彻底清除干净;2电流过小,焊接速度过快,使母材坡口或先焊的金属未能完全熔化;3焊条或焊丝的摆动角度偏离正常位置,熔化金属流动而覆盖到电弧作用较弱的未熔化部分,容易产生未熔合;根部未熔合主要是打底过程中焊缝金属与母材金属以及焊缝接头未熔合;层间未熔合主要是多层多道焊接过程中层与层间的焊缝金属未熔合;预防措施:1 焊前对坡口周围认真清理,彻底去除油污和铁锈,加强层间的清查;2 合理选择焊接工艺参数;3 熟练操作技能,焊条枪角度正确,不用偏心焊条,注意焊条的摆动;4 每层每道,应保证圆滑过渡;三内部裂纹:包括热裂纹和冷裂纹原因:热裂纹一般是在焊缝金属结晶过程中形成的,是应力作用的结果;冷裂纹是在焊缝冷却过程中出现的,钢材的强度越高,焊接产生冷裂纹的可能性越大,在低碳钢的焊接接头中一般不出现冷裂纹;产生裂纹的原因由于钢种结构类型的不同,可能出现各种裂纹,但产生裂纹的根本原因有两点:产生裂纹的内部诱因和必须的应力;预防措施:1 焊前对坡口及母材进行彻底清除;2 应严格控制焊缝金属中C、S、P和其它易形成低熔点共晶体的合金成分的含量,这些元素和杂质的含量越低,焊缝金属的抗裂纹能力越大;3 控制近缝区的冷却速度,使之不易形成淬硬组织;4 加强对层间温度的控制,采取焊前预热和焊后热处理等热处理工艺,以利于氢的溢出;5 焊工应选择合理的焊接顺序,防止应力集中减少裂纹的产生;四未焊透:一种面状缺陷,通常为裂纹类缺陷,未焊透也会使焊缝的有效截面积减少,从而降低焊缝的强度;原因:对口间隙过小、坡口角度偏小、钝边厚、焊接线能量过小、焊接速度过快、焊条和焊丝角度不正确、焊接时有磁偏吹现象;预防措施:1 正确选用和加工坡口尺寸,保证必须的装配空间,对口间隙严格执行标准要求,保证对口间隙在1~3mm内;2 对于坡口角度,按照壁厚和DL/T869-2004火力发电厂焊接技术规程的要求,或者按照图纸的设计要求;一般壁厚小于20mm的焊口采用V型坡口,单边角度不小于30度,不小于20mm的焊口采用双V型或u型等综合性坡口;3 钝边厚度一般在lmm左右,如果钝边过厚,采用机械打磨的方式修整,对于单V型坡口,可不留钝边;4 在工艺允许的范围内,选择合适的线能量、焊接速度、焊接电流;5 使用短弧焊接,以增加熔透能力;五出现焊瘤、凸出、内凹的原因及预防措施原因:这些缺陷一般出现在吊焊或斜焊焊口根部,在平焊及斜平焊位置出现根部焊缝凸出或焊瘤,在仰焊部位出现凹陷;主要原因是:对口间隙大,钝边薄、宽,熔池温度过高,熔池存在一个地方时间过长,对熔池的控制不当造成的,在形成凹陷缺陷时,电弧的推力不够也是重要原因;预防措施:1 对口间隙符合标准要求,一般为1~3mm;对于对口间隙不均匀的焊口,用机械打磨等方法设法修整到规定要求;2对于坡口钝边不符合要求的进行打磨修整至规定要求;3选择合适的焊接线能量以及合适的焊接速度,控制熔池温度在合适的范围,不过高;4仰焊部位焊接尽量采用短弧焊接,增强电弧推力;六过烧原因:这类缺陷一般出现在高合金材质焊口,是由于充氩保护不到位,线能量过大,层间温度过高造成的合金元素烧损;预防措施:1 对高合金材质作好焊口充氩工作,并确保充氩保护有效以打火机或火柴点燃置于坡口内,如自动熄灭则可;2 在保证焊缝熔合良好的情况下,采取合适的焊接工艺参数,如小线能量焊接,熔池温度控制在合适的范围内;七夹杂物、夹渣:熔化焊接时的冶金反应产物,如非金属杂质氧化物、硫化物等以及熔渣,由于焊接时未能逸出,或者多道焊接时清渣不干净,以至残留在焊缝金属内,称为夹渣或夹杂物;分为点状和条状,其外形通常是不规则的,其位置可能在焊缝与母材交界处,也可能存在于焊缝内;另外,在采用钨极氩弧焊打底和手工电弧焊或者钨极氩弧焊时,钨极崩落的碎屑留在焊缝内则成为高密度夹杂物俗称夹钨;原因:1 熔池温度低,液态金属黏度大,焊接速度大,凝固时熔渣来不及浮出;2 运条不当,熔渣和铁水分不清;3 坡口形状不规则,坡口太窄,不利于熔渣上浮;4 多层焊时熔渣清理不干净;预防措施:1 选用合适的焊接工艺参数,以利于熔渣的浮出;2 多层焊时,每层必须清理干净,特别是坡口两侧,由于焊条为药皮过渡合金,铁水发粘且流动性差,如清理不干净容易造成夹渣、夹钨缺陷;3 焊条要适当的摆动,防止焊缝冷却过快,以便熔渣浮出;4 操作时注意保护熔池,防止空气侵入;表面缺陷一焊缝成型差:主要体现在外观质量粗糙,鱼鳞波高低、宽窄发生突变;焊缝与母材非圆滑过渡;原因:焊件坡口角度不当或装配间隙不均匀;焊口清理不干净;焊接电流过大或过小;焊接中运条枪速度过快或过慢;焊条枪摆动幅度过大或过小;焊条枪施焊角度选择不当等;预防措施:1 焊件的坡口角度和装配间隙必须符合图纸设计或所执行标准的要求;2 焊件坡口打磨清理干净,无锈、无垢、无脂等污物杂质,露出金属光泽;3 加强焊接练习,提高焊接操作技术水平,熟悉焊接施工环境;4 根据不同的焊接位置、焊接方法、不同的对口间隙等,按照焊接工艺卡和操作技能要求,选择合理的焊接电流参数、施焊速度和焊条枪的角度;二咬边原因:焊接线能量过大,焊条枪角度不当,焊条丝送进速度不合适等;电弧拉得太长;熔化的金属不能及时填补熔化的缺口;预防措施:1 选择合适的焊接工艺参数;2 控制电弧长度,尽量使用短弧焊接;3 掌握必要的运条枪方法和技巧;4 焊条丝送进速度与所选的焊接电流参数协调;5 注意焊缝边缘与母材熔化结合时的焊条枪角度;三错、折口原因:错口的原因主要是焊件对口不符合要求,焊工在对口不合适的情况下点固和焊接;折口的原因主要是安装对口不合适,本身形成一定的夹角、焊缝熔敷金属在凝固过程中本身横向收缩,焊接过程不对称施焊及热处理方法不当造成的;预防措施:1 加强安装工的培训和责任心:2 对口过程中使用必要的测量工器具;3 对于对口不符合要求的焊件,焊工不得点固和焊接;4 对于大件不对称焊缝,预留反变形余量;5 对称点固、对称施焊;6 采取合理的焊接顺序;7 选择合适的热处理方法;三、预防措施实施效果由此可知,预防焊接缺陷产生所采用的措施主要是:对所需焊接部位要进行彻底清理,直至发出金属光泽;严格按规范操作,采用合适的焊接工艺参数,如合适的焊接电流和电压,焊接速度,正确的施焊角度,运条幅度等;厚、高合金、异种材料焊接前应进行有效的处理,如焊前预热,焊后热处理;采取防风防雨的措施,尽量减少环境因素影响焊接质量;通过对焊接缺陷的分析,了解到产生缺陷的根本原因,在焊接过程中,对其采取有效措施后,很好抑制了焊接缺陷的产生,提高了焊接质量;1 焊前对施焊人员进行交底,严格按规范和作业指导书操作,一是保证焊接工作的顺利进行;二是正确操作可以减少施焊过程中问题的出现,提高了工作效率;2 焊前准备工作,对工件、母材或焊口进行有效的打磨、清理,使施焊部位尽可能的光滑,可以有效减少气孔、裂纹等在焊接中最不能允许产生的主缺陷,一是可以保证焊接质量,提高效率;二是可以防止在以后运行过程中不必要事故的发生;3 施焊过程中,选择合适的焊接工艺参数;如适当大小的电流电压,运行速度,摆条幅度,焊枪或焊条角度等,可以有效减少烧穿、咬边、过烧、未熔合、未焊透、焊缝成型差等缺陷;4 焊后热处理也可以防止裂纹的产生,减少应力集中,对焊后部件的变形有很好抑制作用;。
波峰焊焊接空洞问题的分析与解决对策摘要:本文主要通过对现阶段波峰焊焊接空洞问题进行分析,来探讨解决波峰焊焊接空洞问题的有效措施,以加强对波峰焊焊接工作的研究,统计实际生产过程中出现的焊接不良率,以针对性措施来提高波峰焊焊接质量,提高企业生产效率,为售后质量提供重要保障,从而规避产品安全隐患,降低生产成本,为企业带来更多的经济效益。
关键词:波峰焊;焊接空洞;有效措施;质量波峰焊可使插件板焊接面直接与高温液态多锡接触,以达到焊接目的,其中高温液态锡一直维持斜面,液态锡在特殊装置下会出现一道道类似波浪的现象。
波峰焊主要是先将元件插入于相应的元件孔中,然后再预涂助焊剂,进行预热,预热的温度应当达到90摄氏度至100摄氏度之间,长度控制在一米左右,波峰焊的温度在220摄氏度至240摄氏度之间,冷却之后切除多余插件脚,然后进行检查。
目前,波峰焊接在制程中质量不够稳定,控制器分厂反馈焊接不良率较高,补焊难度较大,严重影响了企业的生产效率和手和质量,需对其进行深入研究,发现其中出现的问题,并采取有效措施来加以解决。
1.现阶段波峰焊焊接空洞问题分析现阶段,波峰焊焊接空洞问题主要表现在两个方面:一方面是在印制板制程工艺上还有所不足。
主要指的是印制板的排气效果不佳,PCB孔内毛刺需要进行整改,PCB的孔径要予以优化,忽视了对印制板的管理;另一方面则是在无铅波峰焊施工方面有所欠缺,需要进一步优化和改进。
主要指的是应当优化波峰焊焊接工艺的各项参数,未重视对无铅波峰焊焊接设备的维护和保养,在原料的选择上还有一定的问题,没能实施有效的焊料取样分析工作[1]。
1.解决波峰焊焊接空洞问题的有效措施1.优化印制板制程工艺在处理元件紧贴印制板的时候,需要使波峰焊能够进行排气。
可加强和PCB 设计人员的交流与沟通,以不影响PCB电气性为前提,与该电解电容PCB的位号面积范围,增设两个透气孔,以便于气体排除。
与此同时,一方面要整改PCB孔内毛刺,基于PCB工艺制作流程,核实钻孔后未经过粗磨去除孔边波峰。
焊接质量缺陷统计与分析摘要:本文通过对以往工地特别是惠来工地焊接缺陷数据的统计,对焊接过程中出现的焊接缺陷进行了总结分析,指出在以后的焊接过程中应注意的事项,有效防止不合格焊口的产生。
焊接是大型安装工程建设中的一项关键工作,其质量的好坏、效率的高低直接影响工程的安全运行和制造工期。
针对发电项目,也直接关系到发电机组的安全、稳定运行。
随着火电机组设计参数的不断更新与提高,以及项目监理和业主对在建项目的介入深化,对焊接质量提出了更高的要求。
对焊接过程中出现的焊接缺陷进行总结分析,预先防止不合格焊口的产生是提高焊接质量的有效手段。
一、焊接质量缺陷的分析统计焊接质量的缺陷分内部缺陷与表面缺陷,内部缺陷主要有未焊透、未熔合、气孔、裂纹、内凹、夹渣等缺陷;表面缺陷主要有烧穿、咬边、焊缝成型差、焊缝宽窄不合格、焊缝余高超标或不足、错折口等缺陷。
经初步统计,针对惠来工地在焊接过程中所产生的主要内外部缺陷有以下几种,数据和比例分析如下下表1所示:表1此图所示焊接缺陷出现的几率因特殊情况又有不同。
合金含量的高低也会影响产生焊接缺陷的几率,如高合金材质焊口出现焊接裂纹、过烧的缺陷较多;施工环境也会影响焊接质量,在沿海潮湿多风的地方,出现气孔、条孔等焊接缺陷相对较多。
二、常见焊接缺陷出现的原因及预防措施内部缺陷(一)气孔、条孔:气孔属于体积性缺陷,它主要是削弱焊缝的有效截面积,降低焊缝的机械性能和强度,尤其是焊缝的弯曲强度和冲击韧性,也破坏了金属的致密性。
原因:(1) 被焊工件或母材未彻底清楚干净,焊接过程中,本身产生的气体或外部气体进入熔池,在熔池凝固前未及时溢出熔池而残留在焊缝中;(2) 在空气相对湿度较大情况下也有微小的水珠,在熔池冶金过程中,非金属元素形成非金属氧化物,由于气体在金属中的溶解度随温度降低而减少,在结晶过程中部分气体来不及逸出,气泡残留在金属内形成了气孔。
预防措施:(1) 焊条按照材质证明书进行烘焙,装在专用保温筒内,随用随取;(2) 焊缝坡口符合要求,彻底清除焊口及母材表面的油污和铁锈等杂质,直至发出金属光泽;(3) 注意周围焊接施工环境,搭设防风防雨设施,焊接管子时无穿堂风;(4) 氩弧焊时,氩气纯度不低于99.95%,并注意氩气保护效果,氩气流量合适;(5) 焊前对工机具进行仔细检查,防止焊枪、皮管等漏气;(6) 尽量采用短弧焊接,减少气体进入熔池的机会;(7) 焊工操作手法合理,焊条、焊枪角度合适;(8) 严格按照焊接工艺操作,必要时焊前进行预热,焊后要缓冷;另外焊接线能量合适,焊接速度不能过快。
(二)未熔合:实质上是一种虚焊现象,导致焊缝的有效截面积减少,在交变应力高度集中的情况下是焊缝的强度降低,塑性下降,最终导致焊缝开裂。
未熔合主要有根部未熔合、层间未熔合两种。
原因:(1)层间未彻底清除干净;(2)电流过小,焊接速度过快,使母材坡口或先焊的金属未能完全熔化。
(3)焊条或焊丝的摆动角度偏离正常位置,熔化金属流动而覆盖到电弧作用较弱的未熔化部分,容易产生未熔合。
根部未熔合主要是打底过程中焊缝金属与母材金属以及焊缝接头未熔合;层间未熔合主要是多层多道焊接过程中层与层间的焊缝金属未熔合。
预防措施:(1) 焊前对坡口周围认真清理,彻底去除油污和铁锈,加强层间的清查;(2) 合理选择焊接工艺参数;(3) 熟练操作技能,焊条(枪)角度正确,不用偏心焊条,注意焊条的摆动;(4) 每层每道,应保证圆滑过渡。
(三)内部裂纹:包括热裂纹和冷裂纹原因:热裂纹一般是在焊缝金属结晶过程中形成的,是应力作用的结果;冷裂纹是在焊缝冷却过程中出现的,钢材的强度越高,焊接产生冷裂纹的可能性越大,在低碳钢的焊接接头中一般不出现冷裂纹。
产生裂纹的原因由于钢种结构类型的不同,可能出现各种裂纹,但产生裂纹的根本原因有两点:产生裂纹的内部诱因和必须的应力。
预防措施:(1) 焊前对坡口及母材进行彻底清除;(2) 应严格控制焊缝金属中C、S、P和其它易形成低熔点共晶体的合金成分的含量,这些元素和杂质的含量越低,焊缝金属的抗裂纹能力越大;(3) 控制近缝区的冷却速度,使之不易形成淬硬组织;(4) 加强对层间温度的控制,采取焊前预热和焊后热处理等热处理工艺,以利于氢的溢出;(5) 焊工应选择合理的焊接顺序,防止应力集中减少裂纹的产生。
(四)未焊透:一种面状缺陷,通常为裂纹类缺陷,未焊透也会使焊缝的有效截面积减少,从而降低焊缝的强度。
原因:对口间隙过小、坡口角度偏小、钝边厚、焊接线能量过小、焊接速度过快、焊条和焊丝角度不正确、焊接时有磁偏吹现象。
预防措施:(1) 正确选用和加工坡口尺寸,保证必须的装配空间,对口间隙严格执行标准要求,保证对口间隙在1~3mm内。
(2 )对于坡口角度,按照壁厚和DL/T869-2004《火力发电厂焊接技术规程》的要求,或者按照图纸的设计要求。
一般壁厚小于20mm的焊口采用V型坡口,单边角度不小于30度,不小于20mm 的焊口采用双V型或u型等综合性坡口。
(3) 钝边厚度一般在lmm左右,如果钝边过厚,采用机械打磨的方式修整,对于单V型坡口,可不留钝边。
(4) 在工艺允许的范围内,选择合适的线能量、焊接速度、焊接电流。
(5) 使用短弧焊接,以增加熔透能力。
(五)出现焊瘤、凸出、内凹的原因及预防措施原因:这些缺陷一般出现在吊焊或斜焊焊口根部,在平焊及斜平焊位置出现根部焊缝凸出或焊瘤,在仰焊部位出现凹陷。
主要原因是:对口间隙大,钝边薄、宽,熔池温度过高,熔池存在一个地方时间过长,对熔池的控制不当造成的,在形成凹陷缺陷时,电弧的推力不够也是重要原因。
预防措施:(1) 对口间隙符合标准要求,一般为1~3mm;对于对口间隙不均匀的焊口,用机械打磨等方法设法修整到规定要求;(2)对于坡口钝边不符合要求的进行打磨修整至规定要求;(3)选择合适的焊接线能量以及合适的焊接速度,控制熔池温度在合适的范围,不过高;(4)仰焊部位焊接尽量采用短弧焊接,增强电弧推力。
(六)过烧原因:这类缺陷一般出现在高合金材质焊口,是由于充氩保护不到位,线能量过大,层间温度过高造成的合金元素烧损。
预防措施:(1) 对高合金材质作好焊口充氩工作,并确保充氩保护有效(以打火机或火柴点燃置于坡口内,如自动熄灭则可);(2) 在保证焊缝熔合良好的情况下,采取合适的焊接工艺参数,如小线能量焊接,熔池温度控制在合适的范围内;(七)夹杂物、夹渣:熔化焊接时的冶金反应产物,如非金属杂质(氧化物、硫化物等)以及熔渣,由于焊接时未能逸出,或者多道焊接时清渣不干净,以至残留在焊缝金属内,称为夹渣或夹杂物。
分为点状和条状,其外形通常是不规则的,其位置可能在焊缝与母材交界处,也可能存在于焊缝内。
另外,在采用钨极氩弧焊打底和手工电弧焊或者钨极氩弧焊时,钨极崩落的碎屑留在焊缝内则成为高密度夹杂物(俗称夹钨)。
原因:(1) 熔池温度低,液态金属黏度大,焊接速度大,凝固时熔渣来不及浮出;(2) 运条不当,熔渣和铁水分不清;(3) 坡口形状不规则,坡口太窄,不利于熔渣上浮;(4) 多层焊时熔渣清理不干净。
预防措施:(1) 选用合适的焊接工艺参数,以利于熔渣的浮出;(2) 多层焊时,每层必须清理干净,特别是坡口两侧,由于焊条为药皮过渡合金,铁水发粘且流动性差,如清理不干净容易造成夹渣、夹钨缺陷;(3) 焊条要适当的摆动,防止焊缝冷却过快,以便熔渣浮出;(4) 操作时注意保护熔池,防止空气侵入。
表面缺陷(一)焊缝成型差:主要体现在外观质量粗糙,鱼鳞波高低、宽窄发生突变;焊缝与母材非圆滑过渡。
原因:焊件坡口角度不当或装配间隙不均匀;焊口清理不干净;焊接电流过大或过小;焊接中运条(枪)速度过快或过慢;焊条(枪)摆动幅度过大或过小;焊条(枪)施焊角度选择不当等。
预防措施:(1) 焊件的坡口角度和装配间隙必须符合图纸设计或所执行标准的要求;(2) 焊件坡口打磨清理干净,无锈、无垢、无脂等污物杂质,露出金属光泽;(3) 加强焊接练习,提高焊接操作技术水平,熟悉焊接施工环境;(4) 根据不同的焊接位置、焊接方法、不同的对口间隙等,按照焊接工艺卡和操作技能要求,选择合理的焊接电流参数、施焊速度和焊条(枪)的角度。
(二)咬边原因:焊接线能量过大,焊条(枪)角度不当,焊条(丝)送进速度不合适等;电弧拉得太长。
熔化的金属不能及时填补熔化的缺口。
预防措施:(1) 选择合适的焊接工艺参数;(2) 控制电弧长度,尽量使用短弧焊接;(3) 掌握必要的运条(枪)方法和技巧;(4) 焊条(丝)送进速度与所选的焊接电流参数协调;(5) 注意焊缝边缘与母材熔化结合时的焊条(枪)角度。
(三)错、折口原因:错口的原因主要是焊件对口不符合要求,焊工在对口不合适的情况下点固和焊接;折口的原因主要是安装对口不合适,本身形成一定的夹角、焊缝熔敷金属在凝固过程中本身横向收缩,焊接过程不对称施焊及热处理方法不当造成的。
预防措施:(1) 加强安装工的培训和责任心:(2) 对口过程中使用必要的测量工器具;(3) 对于对口不符合要求的焊件,焊工不得点固和焊接。
(4) 对于大件不对称焊缝,预留反变形余量;(5) 对称点固、对称施焊;(6) 采取合理的焊接顺序。
(7) 选择合适的热处理方法。
三、预防措施实施效果由此可知,预防焊接缺陷产生所采用的措施主要是:对所需焊接部位要进行彻底清理,直至发出金属光泽;严格按规范操作,采用合适的焊接工艺参数,如合适的焊接电流和电压,焊接速度,正确的施焊角度,运条幅度等;厚、高合金、异种材料焊接前应进行有效的处理,如焊前预热,焊后热处理;采取防风防雨的措施,尽量减少环境因素影响焊接质量。
通过对焊接缺陷的分析,了解到产生缺陷的根本原因,在焊接过程中,对其采取有效措施后,很好抑制了焊接缺陷的产生,提高了焊接质量。
(1) 焊前对施焊人员进行交底,严格按规范和作业指导书操作,一是保证焊接工作的顺利进行;二是正确操作可以减少施焊过程中问题的出现,提高了工作效率。
(2)焊前准备工作,对工件、母材或焊口进行有效的打磨、清理,使施焊部位尽可能的光滑,可以有效减少气孔、裂纹等在焊接中最不能允许产生的主缺陷,一是可以保证焊接质量,提高效率;二是可以防止在以后运行过程中不必要事故的发生。
(3) 施焊过程中,选择合适的焊接工艺参数。
如适当大小的电流电压,运行速度,摆条幅度,焊枪或焊条角度等,可以有效减少烧穿、咬边、过烧、未熔合、未焊透、焊缝成型差等缺陷。
(4) 焊后热处理也可以防止裂纹的产生,减少应力集中,对焊后部件的变形有很好抑制作用。