机电部份“三违“处罚规定标准版本
- 格式:docx
- 大小:26.32 KB
- 文档页数:9
机电方面的处罚规定模板第一章总则第一条规章目的为了加强企业机电设备的管理与使用,保障生产安全与质量,规范员工的行为准则和纪律要求,制定本处罚规定模板。
第二条适用范围本规定适用于企业所有从事机电设备操作和维护人员,并包括与机电设备相关的行为。
第二章管理标准第三条设备操作规范1.操作人员必须具备相关机电设备的操作证书,并接受过相应的安全培训,严禁未经培训和无操作证书的人员操作机电设备。
2.操作时应穿戴符合安全要求的个人防护装备,如安全帽、防护手套、防护眼镜等。
3.在操作前应仔细检查机电设备的运行情况,确保设备处于正常工作状态。
4.操作人员必须按照工艺要求和操作规程进行操作,不得随意调整设备参数或使用不合适的工具。
5.操作结束后,应将机电设备恢复到正常状态,及时清理现场,并进行设备的维护保养。
第四条设备维护规范1.维护人员必须具备相应的机电设备维修证书,并接受过维护操作的培训。
2.维护人员应按照设备生产商提供的维护手册进行维护,定期检查设备的运行状况,并及时进行维修。
3.维护期间,应在设备周围设置明显的安全警示标识,并确保维护过程中不影响正常生产流程。
第五条设备使用禁止事项以下行为严禁在机电设备操作和使用过程中发生:1.未经许可,擅自改动机电设备的结构或参数。
2.未经许可,私自使用机电设备以外的辅助设备。
3.未经许可,私自停用、拆卸或移动机电设备。
4.使用不合格或损坏的配件、工具等进行机电设备的操作和维护。
5.未经许可,将机电设备用于与其设计用途不相符的操作和生产。
6.违反操作规范,安全隐患较大或容易导致事故发生的情况。
第三章考核标准第六条权责明确1.企业职能部门应组织制定机电设备操作和维护的考核标准,明确操作人员、维护人员的职责和权利。
2.考核标准应包括操作技能水平、操作规范遵守情况以及维护工作的质量等方面的要求。
第七条考核方法1.操作人员和维护人员应定期接受机电设备操作和维护的考核,考核可以通过机考、现场考、面试等形式进行。
“三违”处罚标准管理制度“三违”处罚标准管理制度第一部分地面一、严重“三违”1.特种作业人员、特种设备操作人员无证上岗的,罚矿长100元/人证。
2.必须现场交接班的固定岗位人员在设备运行中睡岗、脱岗的,罚50元/人次。
3.无措施带电作业的,罚款200元/人次。
4.约时停送电的,带负荷拉刀闸的,罚款200元/人次。
5.甩掉机电设备的主要保护装置不用的,罚款200元/人次。
6.使用未装设漏电保护的手持电动工具且无绝缘防护作业的,罚款100元/人次。
7.高处作业人员未使用安全带的,进入施工现场未戴安全帽的,罚款30元/人次。
8.在重点防火区域、防爆场所吸烟的,罚款50元/人次。
9.其它经煤矿检查人员或上级检查部门分析认定属于严重“三违”的,罚款200元/人次。
二、一般“三违”1.井口20米范围内吸烟或制造明火的,罚款50元/人次。
2.入井前检身员不检身的,罚款200元/人次。
任何人不听劝阻强行下井的罚款500元/人次,保卫科长罚款100元/人次。
3.将氧气瓶、乙炔瓶一起运送的,罚款50元/人次。
4.行车工吊运物体时下面有人的,罚款20元/人次。
5.各类气瓶、乙炔发生器距明火不够10米以上,氧气瓶距乙炔瓶不够5米以上的,罚款50元/人次。
6.氧气瓶没有防裂圈、安全帽、减压器或减压器没有安全阀的操作人员,罚款10元/人次。
7.在木工房、仓库、监控机房内吸烟的,罚款20元/人次。
8.对易燃、易爆等危险品的保管、使用违反规程规定的,罚款50元/人次。
9.作业规程及措施不向施工人员贯彻学习、考试,不签字或代签的责任人,罚款50元/人次。
10.用钻床钻孔时,手持工件钻孔的,罚款20元/人次。
11.在喷漆时,吸烟、电焊、气割、动用明火的,罚款20元/人次。
12.其它经煤矿检查人员或上级检查部门分析认定属于一般“三违”的,罚款100元/人次。
三、轻微“三违”1.进入井口附近工业广场不戴安全帽的或者矿灯不戴在安全帽上的,罚款20元/人次。
机电管理违章处罚制度模版第一章总则第一条为维护机电管理秩序,提高机电设备运行的安全性和可靠性,根据国家有关法律法规和《机电管理规定》,制定本制度。
第二条本制度适用于本单位内的所有机电设备的管理和维护,包括但不限于电梯、发电机组、空调、给水设备等。
第三条机电设备管理违章,是指利用机电设备进行违法、违规操作或未经许可进行改造、维修等事项的行为。
第四条违章行为将按照本制度进行处罚,处罚包括但不限于警告、扣罚款、停工整改、限时整改等。
第五条本制度由机电设备管理负责人负责组织实施,并由其他相关部门协助执行。
第六条本制度的修改和解释权归本单位机电设备管理负责人和主管领导。
第二章违章行为及处罚第七条机电设备管理违章包括但不限于以下行为:(一)擅自改动、拆卸机电设备或设备封条的行为;(二)未经许可私自进行机电设备的维修、保养等行为;(三)没有进行机电设备操作培训和相关资质的人员擅自操作机电设备;(四)违规使用机电设备;(五)不按照规定定期维护、保养机电设备的行为;(六)在机电设备运行时不按规定检查、监控设备运行状态的行为;(七)未及时上报机电设备故障的行为;(八)机电设备管理负责人和相关人员疏于管理,导致机电设备管理违章的行为;(九)其他违反本单位机电管理规定的行为。
第八条对于机电管理违章行为的处罚如下:(一)对于首次发生的机电管理违章行为,将给予口头警告,并记录在违章行为记录册上;(二)对于多次发生或恶意违章的行为,将按照情节严重程度给予扣罚款、停工整改等措施;(三)对于造成严重后果或违章行为屡教不改的,将给予限时整改、撤销相关操作资质等处罚。
第九条处罚措施的执行要求如下:(一)对于给予扣罚款的,罚款数额应根据具体违章行为情节和后果进行合理确定;(二)对于给予停工整改的,必须停工整改期间才允许停止执行;(三)对于给予限时整改的,限时整改的期限应根据实际情况确定,整改前应向相关部门进行报告。
第十条经济处罚款的使用要求如下:(一)罚款金额应当按照相关权限规定,将罚款收入上交财务部门进行专项管理;(二)罚款收入应当专款专用,用于机电设备管理的设备维修和安全管理。
机电管理违章处罚制度范本一、目的与适用范围本制度的目的是规范机电管理工作中的行为,加强对违反机电管理规定的处罚,维护机电设备的正常运行和安全稳定。
适用于所有机电管理工作人员及相关人员。
二、违章定义和分类1. 违章定义:违章行为是指机电管理工作人员在工作中违反机电管理规定和相关法律法规,不履行或者不按照规定履行职责的行为。
2. 违章分类:根据违章行为的严重程度和后果分类,分为轻微违章、一般违章和严重违章三类。
三、违章处罚1. 轻微违章处罚:(1)口头警告:对于第一次轻微违章的机电管理工作人员,可以给予口头警告,并记录在个人档案中。
(2)书面警告:若机电管理工作人员在六个月内再次发生轻微违章,将给予书面警告,并记录在个人档案中。
2. 一般违章处罚:(1)罚款:对于一般违章行为的机电管理工作人员,根据违章行为的严重程度,可以处以一定数额的罚款。
(2)降级处理:对于多次或严重的一般违章行为,可根据情节轻重降低机电管理工作人员的职务等级。
(3)调离工作岗位:对于多次或严重违章行为,且造成较大经济损失或人身伤害的,可以考虑将机电管理工作人员调离原工作岗位。
3. 严重违章处罚:(1)解聘:对于严重违章行为,且造成重大经济损失或人身伤害的,将予以解聘处理,并追究刑事责任。
(2)停职查办:对于涉嫌犯罪的机电管理工作人员,可立即停职并移交公安机关进行调查处理。
四、处罚程序1. 违章查询:机电管理工作人员被发现有违章行为后,相关管理人员应及时进行调查核实,并记录相关证据。
2. 违章审查:对于违章事实清楚、证据确凿的情况,相关部门将组织违章审查,听取当事人的陈述和申辩。
3. 处罚决定:根据违章的性质和情节,由有权机构作出处罚决定,并以书面形式通知机电管理工作人员。
4. 处罚执行:机电管理工作人员收到处罚决定后,应按照规定的期限和要求,履行相应的处罚义务。
五、违章申诉1. 机电管理工作人员有权依法申诉,对于不服本人受到的处罚决定,可向有关机构提出书面申诉,要求进行复核或再审。
机电部份三违处罚规定一、背景介绍机电部作为企业生产过程中的重要部分,有着严格的安全要求。
为了保持生产秩序,保障员工生命财产安全的同时,保证生产秩序的正常运转,特制定「机电部份三违处罚规定」。
此规定主要适用于机电部工作人员。
二、「机电部份三违处罚规定」内容1.规定概述机电部的工作人员在执行日常工作时,需要遵守相关安全法规,并且要严格执行企业内部的安全规定。
本规定所谓的「机电部份三违」分别是:•违章操作•过失事故•安全隐患当发生上述行为时,将给予相应的惩罚。
2.违章操作处罚① 一级违章:未遵守操作规程,造成轻微安全威胁惩罚措施为口头警告。
② 二级违章:因操作不当,造成公司、个人财产损失,或使作业延误。
惩罚措施为警告或扣除工资。
③ 三级违章:由于违反操作规程,造成严重事故或者可能直接产生严重后果的事故。
惩罚措施为罚款、降职或开除。
3.过失事故处罚机电部人员如果因个人原因引起事故的发生,将根据情节严重程度,依照下列办法处理:① 一级事故:损失金额在1万元(含)以下或者没有造成人员伤亡,应通报批评或者警告。
② 二级事故:造成公司、个人财产损失在1万元以上或者轻度人员受伤者,惩罚措施为扣除他的工资,通报批评。
③ 三级事故:造成人员重伤、死亡或经济损失在10万元以上者的,惩罚措施为停职挂牌检查,罚款,降职或开除。
4.安全隐患处罚机电部工作人员应该认真履行日常安全检查工作,及时发现安全隐患,并且采取措施加以排除。
如因管理不当,造成安全隐患,将按如下规定执行:① 一般事故隐患: Security 政策的要求未落实,未达到公司或部门的相关标准,惩罚措施为细心批评或者警告② 重大或紧急隐患:构成的安全隐患较大或发生的可能性较大,惩罚措施为停职挂牌检查、罚款、降职或者开除。
三、总结本文所述「机电部份三违处罚规定」是对机电部工作人员应遵守的安全规定的规范化,使每个工作人员都有良好的安全意识和管理制度,以提高工作效率,提升企业的综合实力。
教学创新新课程NEW CURRICULUM四、营造和谐的数学课堂氛围数学的教学过程是帮助学生塑造一个完整的知识体系的过程,在这个过程中有多种因素在影响着课堂的教学效率,要想真正做到“少教多学”,就需要教师和学生之间能够形成课堂学习的默契,使学生能够在一个民主、和谐的课堂氛围中获取知识,进而在自己自主学习的时间内进行再分析、再探究来巩固加深对知识的理解。
从提高课堂效率最基本的方法来看,引导学生参与到课堂中是有效的方式,就是教师要同学生建立起良好平等的师生关系、营造和谐的课堂氛围,只有师生的关系友好、课堂的氛围和谐,教师和学生双方才能够更加高效地投入到课堂教学中,无论是从教师的教学效果角度,还是从学生的学习效果角度都是具有巨大的推动作用的。
除此以外,教师还要关注学生个体之间的差异,虽然“少教多学,小组合作”的教学模式中强调小组合作,但并不意味着教师在教学中以小组整体评价学生的学习水平,教师应当根据每一名学生的实际学习情况采用不同的评判模式来评价学生,尊重每一名学生对于问题的不同见解,使学生的数学学习水平能够循序渐进的提高,提高在数学学习中的主动性和积极性。
“少教多学,小组合作”是新课程改革下诞生的创新型教学模式对于初中数学学习效率的提升尤为重要,在初中阶段,运用这种方式一方面能调动起学生数学学习探究的兴趣,另一方面还能够充分发挥学习学习的主动性,提高自主学习的能力。
数学作为一门理性思维较强的学科,单纯“填鸭式”的教学形式已经没有生命力,通过“少教多学,小组合作”教学模式,可以让学生提高学习的主动性和自主学习能力,进而加强对数学知识的深入理解,并全面推动数学教学效果的提升。
参考文献:[1]王晓华.对初中数学小组合作学习存在的问题的思考[J].语数外学习:初中版中旬,2014(01).[2]孙道斌.例谈数学公式课的教学[J].山东教育,2013(Z5).[3]涂红.新课标下初高中数学教学衔接的思考[J].科学咨询:教育科研,2011(02).[4]吴建民.在数学课堂中做好“以学定教”促学生成才[J].成才之路,2014(15).•编辑鲁翠红阅读增长知识,书籍丰富人生。
机电方面的处罚规定范本第一条机电设备操作安全规定1. 违反操作程序和安全规范,造成严重机电设备事故的,给予立即停工整顿,并根据事故的严重程度,从轻到重给予相应处罚,包括但不限于:警告、罚款、记过、降级、解聘等。
2. 违反机电设备操作手册中的规定,引发机械故障或电气故障的,根据故障的后果和影响程度,给予相应处罚,包括但不限于:批评教育、罚款、记过、降低工资等。
3. 擅自改动机电设备的工作范围或参数设置,导致机电设备发生故障的,给予相应处罚,包括但不限于:口头警告、记过、降级等。
第二条机电设备维护保养规定1. 未按照规定定期对机电设备进行维护保养或未及时处理发现的故障隐患的,根据情节轻重给予相应处罚,包括但不限于:批评教育、罚款、记过、降低工资等。
2. 在维护保养过程中,造成机电设备进一步损坏或发生事故的,根据损坏程度和事故后果,从轻到重给予相应处罚,包括但不限于:警告、罚款、记过、降级、解聘等。
3. 故意疏忽或不按规定进行机电设备的维护保养工作,导致机电设备发生严重故障或事故的,给予严厉处罚,包括但不限于:停工整顿、罚款、降级、解聘等。
第三条机电设备巡检检修规定1. 未按照规定进行机电设备巡检检修工作的,根据情节轻重给予相应处罚,包括但不限于:批评教育、罚款、记过、降低工资等。
2. 巡检检修过程中故意疏忽或不按规定操作,导致机电设备进一步损坏或发生事故的,根据损坏程度和事故后果,从轻到重给予相应处罚,包括但不限于:警告、罚款、记过、降级、解聘等。
3. 伪造巡检检修记录或不实报告设备状况的,对相关人员给予相应处罚,包括但不限于:警告、记过、降级、解聘等。
第四条机电设备安全培训规定1. 未按照规定参加机电设备安全培训或未通过安全培训考核的,根据情节轻重给予相应处罚,包括但不限于:批评教育、警告、罚款、记过等。
2. 在安全培训过程中故意疏忽或不按规定操作,给予相应处罚,包括但不限于:记过、降低工资等。
3. 伪造安全培训记录或不实报告培训情况的,对相关人员给予相应处罚,包括但不限于:记过、降级、解聘等。
机电部份三违惩罚规定范文第一章总则为维护企业的生产秩序,保障员工和设备的安全,提高生产效率,依据《中华人民共和国安全生产法》和相关法律法规,订立本规定。
第二章三违概述第一条三违定义三违是指机电部门员工在工作过程中违反安全生产规定,造成安全事故,或者存在严重的违章现象。
第二条三违形式三违重要包含违章操作、违反作业规定、违反管理制度等行为。
第三条三违等级三违依据违法行为严重程度分为一般三违、严重三违、重点三违三个等级。
第三章一般三违惩罚第四条一般三违概述一般三违是指违反安全生产规定,造成轻度安全事故或者存在一般的违章现象的行为。
第五条惩罚依据一般三违的惩罚依据是依据安全生产法律法规和公司的相关管理制度。
第六条惩罚措施对于一般三违,依据违章行为的严重程度,可采取以下惩罚措施:1.口头警告:对于细小的违章行为,可以予以口头警告,提示员工注意。
2.书面警告:对于再次违章的员工,可以予以书面警告,要求其在规定的时间内改正行为。
3.工资扣除:对于恶意违章的员工,可以对其工资进行肯定比例的扣除。
4.停职处分:对于多次违章或者涉及安全事故的员工,可以予以停职处分,时间依据具体情况而定。
第七条惩罚程序对于一般三违,惩罚程序如下:1.发现违章行为:由机电部门相关人员发现违章行为,并及时做好记录。
2.调审核实:由机电部门主管或监管人员对违章行为进行调审核实,收集相关证据。
3.惩罚决议:由机电部门负责人依据调审核实的结果,决议相应的惩罚措施。
4.通知员工:机电部门负责人将惩罚决议书面通知涉事员工,并要求其在规定的时间内接受惩罚。
5.执行惩罚:对于受惩罚的员工,机电部门相关人员要严格执行惩罚决议,确保惩罚措施得到落实。
第四章严重三违惩罚第八条严重三违概述严重三违是指违反安全生产规定,造成较大安全事故或者存在严重的违章现象的行为。
第九条惩罚依据严重三违的惩罚依据是依据安全生产法律法规和公司的相关管理制度。
第十条惩罚措施对于严重三违,依据违章行为的严重程度,可采取以下惩罚措施:1.停职处分:对于造成较大安全事故或者涉及其他严重违章行为的员工,可以予以停职处分,时间依据具体情况而定。
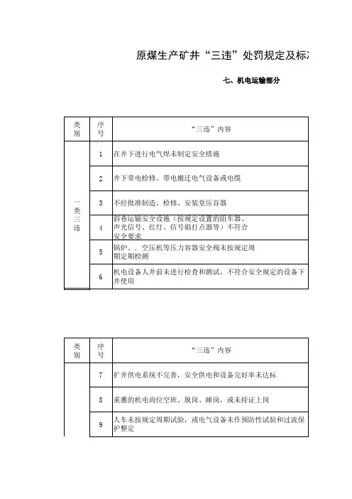
机电运输类三违行为及相关责任人的界定范围与处罚标准集团企业公司编码:(LL3698-KKI1269-TM2483-LUI12689-ITT289-机电运输类“三违”行为及相关责任人的界定范围与处罚标准第一条井下供电不安装使用检漏保护装置的、甩掉不用的、试验不动作的、不按要求试验和记录的,处罚负责人300元。
第二条井下防爆电器设备未经防爆设备检查员进行安全性能检查合格的、没有入井许可证而入井使用的,处罚使用人员500元。
第三条井下带电作业(检修、搬迁机电设备)的、强行送电的、未检查瓦斯打开电气设备的,处罚负责人500元。
第四条非专职人员或非特种操作人员擅自操作电气(器)设备的,处罚当事人200元。
第五条井下使用电气焊(割、喷灯焊)没编制专项措施的、没按规定报批的、不执行措施的,处罚跟班队干500元。
当班班长200元。
第六条检修电气(器)设备时不执行验放电制度的,处罚负责人200元。
第七条高压系统供电不执行“两票三制”的、低压系统供电不执行停电工作票的,处罚负责人200元。
第八条带式输送机防跑偏使用木料、铁管等不转动物体的,处罚负责人100元。
第九条带式输送机综合保护不齐全仍开车的,处罚负责人200元。
第十条电缆破口或划伤已失爆而使用自粘胶布绑扎的,处罚当事人200元。
第十一条检修高压开关或变压器时,切断断路器未拉开隔离插销、隔离刀闸的,处罚检修人员200元。
第十二条车辆运行(含皮带、溜子)期间,扒、蹬、跳车或乘坐皮带、溜子的,处罚当事人200元。
第十三条提放车辆期间,将车辆停吊在上下山中途,而司机又脱离岗位的,处罚当事人500元。
第十四条斜巷运输过程中行车行人或行人行车的,处罚当事人200元。
第十五条斜巷提升超挂车、放飞车的,处罚负责人500元。
第十六条小绞车司机在绞车侧面或滚筒前面(出绳侧)操作,或一手开车,一手处理爬绳的,处罚当事人200元。
第十七条检修电气设备时,未停电闭锁并悬挂“有人工作、禁止送电”的标志或为安排专人看管的,处罚负责人500元。
YF-ED-J4513可按资料类型定义编号机电部份“三违“处罚规定实用版In Order To Ensure The Effective And Safe Operation Of The Department Work Or Production, Relevant Personnel Shall Follow The Procedures In Handling Business Or Operating Equipment.(示范文稿)二零XX年XX月XX日机电部份“三违“处罚规定实用版提示:该管理制度文档适合使用于工作中为保证本部门的工作或生产能够有效、安全、稳定地运转而制定的,相关人员在办理业务或操作设备时必须遵循的程序或步骤。
下载后可以对文件进行定制修改,请根据实际需要调整使用。
1、矿井购置的防爆设备,没有防爆标志、生产许可证号、检验合格证,对有关人员罚款50元,并追究责任。
2、矿井购置的防爆设备虽有“三证",但失去防爆性能或在运输、搬运过程中损坏,继续使用将追究有关人员的责任,视情节轻重情况给予50元~200元罚款。
3、矿井购置的设备、材料不合格或质量较差,除无条件退货外,将对有关人员罚款50元。
4、矿井购置的各种设备、材料,未经生产技术、机电部门作质量防爆验收私自入库,将追究库管员责任,并罚款50元~200元。
机电部门没有验收,罚款100元~200元。
5、入井的各类电气设备必须经防爆员验收,出具入井防爆许可证后,方能入井,否则,将对有关人员进行50元罚款。
6、安装人员安装前,需检查是否有入井许可证,是否与接线电压和设备的容量相适应,设备的外形结构是否完整,防爆性能是否良好;设备内部是否损坏,如有一项不合格,可拒绝安装,将追究有关验收、运输部门的责任,并罚款50元。
7、安装人员安装设备,必须消灭电气失爆,否则,将对安装人员罚款50元~100元,连续三次开除处理。
8、安装人员安装设备,未按完好标准进行,设备未上架或不平稳、牢固有倾斜和震动现象;有积水和滴水现象,将对安装人员罚款30元,并进行改正。
机电方面的处罚规定模版一、违反生产安全管理规定的处罚1.未按规定佩戴个人防护用品的处罚:对未按要求佩戴头盔、护目镜、手套、防护服等个人防护用品的人员,采取如下处罚措施之一:(1)书面警告;(2)责令重新参加安全培训;(3)停职留薪一周;(4)扣除一定工资作为违规处罚;(5)扣除年终奖金;(6)终止劳动合同。
2.未按规定操作机械设备的处罚:对未按要求操作机械设备,或者擅自改变安全防护装置,严重威胁自身安全和他人生命财产安全的人员,采取如下处罚措施之一:(1)书面警告;(2)责令重新参加机械设备操作培训;(3)停职留薪两周;(4)扣除一定工资作为违规处罚;(5)扣除年终奖金;(6)终止劳动合同。
3.违反设备维护保养规定的处罚:对未按规定进行设备维护保养,导致设备故障或安全事故的人员,采取如下处罚措施之一:(1)书面警告;(2)责令重新参加设备维护保养培训;(3)停职留薪两周;(4)扣除一定工资作为违规处罚;(5)扣除年终奖金;(6)终止劳动合同。
二、违反产品质量管理规定的处罚1.生产出不符合标准的产品的处罚:对生产出不符合国家或企业标准的产品的人员,采取如下处罚措施之一:(1)书面警告;(2)责令重新参加产品质量管理培训;(3)停职留薪两周;(4)扣除一定工资作为违规处罚;(5)扣除年终奖金;(6)终止劳动合同。
2.擅自改变产品设计或工艺的处罚:对擅自改变产品设计或工艺,导致产品不合格或安全事故的人员,采取如下处罚措施之一:(1)书面警告;(2)责令重新参加产品设计或工艺培训;(3)停职留薪两周;(4)扣除一定工资作为违规处罚;(5)扣除年终奖金;(6)终止劳动合同。
三、违反环境保护规定的处罚1.违反环保操作规程的处罚:对违反环保操作规程,导致环境污染或安全事故的人员,采取如下处罚措施之一:(1)书面警告;(2)责令重新参加环保操作规程培训;(3)停职留薪两周;(4)扣除一定工资作为违规处罚;(5)扣除年终奖金;(6)终止劳动合同。
第一节机电设备1、煤矿在一个月内出现两次电器失爆,对分管机电负责人处罚款100元。
2、溜子皮带司机所负责区域内的浮煤不清理、溜子返货口不畅通,对责任者处罚款50元。
3、对机电设备传动部分未安装安全罩或安全挡板的,对煤矿机电负责人处罚款100元。
4、各类司机离开岗位后,不将机械电器控制开关手柄拧到停止位置,对其司机处罚款50元。
5、无措施用刮板、皮带转运设备和材料,对责任者处罚款100元。
6、用或其它材料代替保险丝的,对责任者处罚款100元。
7、电气设备失爆,对责任人罚款100元。
人为造成电气设备失爆(包括电缆漏电),对责任人罚款100元,查不到责任者,则对区域责任人处罚款200元。
8、不按操作规程规定停、送电者,对责任者处罚款100元。
9、对人为造成电器短路事故的责任者处罚款100元。
10、 6KV以上(含6KV)停送电不带绝缘手套,不穿绝缘靴或站在绝缘台上操作,对责任者处罚款50元。
11、高低压停电后不上锁,不挂停电牌,不验电、放电,对操作者处罚款50元。
12、采区巷道的各型电缆、管路吊挂不符合标准要求的,对责任队队长处罚款50元。
13、井下带电检修、搬迁者,对责任者处罚款100元。
14、各配、供电点不严格按规程设置接地极或设置不合格,对机电负责人处罚款100元。
15、各机电硐室不按规定配备足够的灭火器,沙箱、沙袋以及防火门不符合防火要求的,对责任单位队长、机电负责人各处罚款50元。
16、安全保护装置矢效或擅自甩掉安全保护装置不用的,对责任者处罚款100元。
17、在井下电焊不严格按专项措施执行的,对现场安全负责人处罚款100元。
未制定专门措施安排电焊作业的,对机电负责人处罚款200元。
18、检漏就地试验不合格的,或不灵敏可靠,无记录可查,对责任者处罚款100元。
第二节机电运输(1)车辆过花道、岔口或进入主运输道时必须变换灯光、鸣笛,如有违反处以100元的罚款。
(2)车辆在曲线运输巷道、岔口需减速、变换灯光、鸣笛,如有违反处以100元的罚款。
机电部份“三违“处罚规定示范文本In The Actual Work Production Management, In Order To Ensure The Smooth Progress Of The Process, And Consider The Relationship Between Each Link, The Specific Requirements Of EachLink To Achieve Risk Control And Planning某某管理中心XX年XX月机电部份“三违“处罚规定示范文本使用指引:此管理制度资料应用在实际工作生产管理中为了保障过程顺利推进,同时考虑各个环节之间的关系,每个环节实现的具体要求而进行的风险控制与规划,并将危害降低到最小,文档经过下载可进行自定义修改,请根据实际需求进行调整与使用。
1、矿井购置的防爆设备,没有防爆标志、生产许可证号、检验合格证,对有关人员罚款50元,并追究责任。
2、矿井购置的防爆设备虽有“三证",但失去防爆性能或在运输、搬运过程中损坏,继续使用将追究有关人员的责任,视情节轻重情况给予50元~200元罚款。
3、矿井购置的设备、材料不合格或质量较差,除无条件退货外,将对有关人员罚款50元。
4、矿井购置的各种设备、材料,未经生产技术、机电部门作质量防爆验收私自入库,将追究库管员责任,并罚款50元~200元。
机电部门没有验收,罚款100元~200元。
5、入井的各类电气设备必须经防爆员验收,出具入井防爆许可证后,方能入井,否则,将对有关人员进行50元罚款。
6、安装人员安装前,需检查是否有入井许可证,是否与接线电压和设备的容量相适应,设备的外形结构是否完整,防爆性能是否良好;设备内部是否损坏,如有一项不合格,可拒绝安装,将追究有关验收、运输部门的责任,并罚款50元。
7、安装人员安装设备,必须消灭电气失爆,否则,将对安装人员罚款50元~100元,连续三次开除处理。
“三违”行为与相关责任人界定范围及处罚标准第四十一条在安全检查和隐患排查中查出的隐患不按期整改的、虽因整改困难但又未采取措施的,对项目经理、安全经理、责任人分别罚款200元,对项目部罚款5000元。
第六十八条平斜巷使用耙装机不按规定固定的、未安装防护栏的、私自改装的、无投光灯或照明不足的、滑轮锚桩不牢固的、作业上方无瓦斯探头的,对责任人、队长分别罚款200元。
第六十九条耙装机耙斗运行范围内行人(站人、干其它工作)的,对当事人、班组长、队长分别罚款200元。
第七十条耙装机电缆(启动按钮)吊挂不符合规定的,对责任人、班组长分别罚款100元。
第七十一条耙装机钢丝绳搭接使用或在一个捻距内断丝超过25%的、出现“烫发头”的、与耙斗连接不牢固的,对责任人、班组长、队长分别罚款100元。
第七十二条现场使用回柱绞车或调度绞车安全保护设施不全的,对当事人、责任人分别罚款100元。
第七十三条综掘机(皮带机、溜子)开机前不发走钩信号的、未进行空载试运转的,对当事人罚款100元。
第七十四条综掘机作业时,前方或两侧作业行走的,对当事人及当班班组长分别罚款200元。
第七十五条综掘机作业或检修时在截割臂下有人作业(穿过)的,对当事人罚款100元。
第七十六条掘进机前照明和后尾灯不完好作业的,对当事人罚款100元。
第一百三十条做炮头(引药)地点不符合规定的、不把脚线扭结短路的、放炮前后母线敷设(回收)不符合规定的、没有扭结短路的,对放炮员、班组长分别罚款200元。
第一百九十九条井下低压供电不安装使用检漏保护装置的、甩掉不用的、试验不动作的、不按要求试验和记录的,对责任人、班组长、机电队长分别罚款500元。
第二百条井下防爆电气设备未经防爆设备检查员进行安全性能检查合格的、没有入井许可证而入井使用的,对责任人、班组长、机电队长分别罚款200元。
第二百零一条井下电气设备短路(过负荷、欠压)等保护装置不按规定进行整定的、擅自调整电气设备保护整定值的,对责任人、班组长、机电队长分别罚款200元。
机电专业“三违”处罚实施细则一、井下电气设备及防爆电器管理办法1:所有机电设备各单位要及时检查更新各种合格证(防爆合格证每月更新一次)、标志牌,设备组检查监督,发现无有效许可证或证件填写不规范等的设备,对包机人罚款50元/台。
3:井下在用的防爆电气设备和五小电器(本安电路),各使用单位要加强管理维护,确保其隔爆性能良好。
检查存在失爆的单位,给予处罚。
有下列情况之一的,一处罚款设备包机人200元。
(1)、鸡爪子、羊尾巴、明接头、电缆损伤漏出金属芯线的。
(2)、闲置进线装置内无挡板或金属挡圈的。
(3)、防爆外壳有裂纹及孔洞的。
(4)、防爆外壳锈死打不开盖的。
(5)、一处进线装置同时进两根电缆的。
(6)、闭锁装置不全,变形损坏起不到闭锁作用的。
(7)、防爆外壳严重变形的(变形长度超过50mm,同时凸凹深度超过50mm的)。
(8)、密封圈不合格的(老化、失去弹性、变质、变形等)。
(9)、密封圈外径与孔室内径间隙大于2mm(小线嘴大于lmm的)。
(10)、两个密封圈套用或密封圈切开套在电缆上的。
(11)、进线嘴与密封圈之间没加金属垫圈的,电缆压紧后,其压扁量超过电缆外径10%的。
(12)、密封挡板锈蚀严重的。
(13)、进线嘴内缘压不紧密封圈或密封圈与孔内壁接触不严或密封圈能活动的。
(14)、电缆在引入装置处能轻易来回抽动的。
(15)、用螺栓固定隔爆结合面,缺弹簧垫圈或螺母的。
(16)、用螺栓固定隔爆结合面,螺栓或螺母滑扣、没采取措施的。
(17)、螺母式引入装置紧不到位,用一只手的拇、食、中指能使压紧螺母向旋紧方向前进超过半圈的。
(18)、用控制线嘴出动力电缆的。
(19)、防爆结合面、喇叭嘴处的螺栓外露不符合规定(严禁使用平垫、螺栓外露1-3丝)二:三大保护1、开关等电气设备应台台上架,间距符合标准;小型电器应上板,否则罚款50元/台。
2、电气设备直接遭受淋水、流水侵蚀而无保护措施的罚款50/台。
3、接地保护装置一处不符合要求、缺少接地线的一处罚款50元,接地螺栓锈蚀每处罚款20元。
文件编号:RHD-QB-K8070 (管理制度范本系列)
编辑:XXXXXX
查核:XXXXXX
时间:XXXXXX
机电部份“三违“处罚规定标准版本
机电部份“三违“处罚规定标准版
本
操作指导:该管理制度文件为日常单位或公司为保证的工作、生产能够安全稳定地有效运转而制定的,并由相关人员在办理业务或操作时必须遵循的程序或步骤。
,其中条款可根据自己现实基础上调整,请仔细浏览后进行编辑与保存。
1、矿井购置的防爆设备,没有防爆标志、生产许可证号、检验合格证,对有关人员罚款50元,并追究责任。
2、矿井购置的防爆设备虽有“三证",但失去防爆性能或在运输、搬运过程中损坏,继续使用将追究有关人员的责任,视情节轻重情况给予50元~200元罚款。
3、矿井购置的设备、材料不合格或质量较差,除无条件退货外,将对有关人员罚款50元。
4、矿井购置的各种设备、材料,未经生产技
术、机电部门作质量防爆验收私自入库,将追究库管员责任,并罚款50元~200元。
机电部门没有验收,罚款100元~200元。
5、入井的各类电气设备必须经防爆员验收,出具入井防爆许可证后,方能入井,否则,将对有关人员进行50元罚款。
6、安装人员安装前,需检查是否有入井许可证,是否与接线电压和设备的容量相适应,设备的外形结构是否完整,防爆性能是否良好;设备内部是否损坏,如有一项不合格,可拒绝安装,将追究有关验收、运输部门的责任,并罚款50元。
7、安装人员安装设备,必须消灭电气失爆,否则,将对安装人员罚款50元~100元,连续三次开除处理。
8、安装人员安装设备,未按完好标准进行,设
备未上架或不平稳、牢固有倾斜和震动现象;有积水和滴水现象,将对安装人员罚款30元,并进行改正。
9、矿井所使用的低压电缆,必须采用矿用橡套不延燃的铜芯电缆,凡井下使用不合格低压电缆,对有关人员进行50元罚款,并进行更换。
10、井下防爆开关,用铁丝或铜丝作保险丝,对有关人员罚款50元~100元,并改正。
未按设备容量选用保险丝,对相关人员罚款20元,并改正。
11、井下电气设备失爆一台,罚责任人50元,(包括五小电器、矿灯),并立即进行处里。
12、凡是运转设备外露旋转部位,需装设安全护罩,没有装护罩一台,罚责任人30元,并改正装设。
13、局部通风机必须装设风电、瓦斯电闭锁,
缺一项闭锁罚有关人员100元~500元,并改正。
14、监控设备安装不合格,瓦斯超限不能声光报警,切断受控区域电源,对相关人员罚款100元,并改正。
15、搞好设备的预防性检修工作,对未定期加油、检修,造成设备损坏、烧毁,将对有关人员进行50元~100元罚款。
16、电钳工、电焊工、司机等特殊工种,严禁穿拖鞋上班,严格按本工种的操作要求进行操作,否则,对违规人员罚款20元~50元,并教育改正。
17、电气设备检修实行停电工作票制度,对突发电气设备故障需停电时,先请示调度室同意后,方能停电。
否则,将对违反者进行罚款50元~100元,并教育改正。
18、各类设备由于检修或安装质量不好,造成
设备损坏,将对责任人罚款50元~200元。
19、坚持使用漏电保护,每天进行一次跳闸实验,并记录对停用断电保护,一次罚款100元,未进行跳闸实验一次罚款20元,未记录一次罚款10元。
20、坚持使用煤电钻综合保护装置,每月对煤电钻电缆进行一次剁头其长度为150~200mm,并记录保存,未使用煤电钻综保,罚款300元,未进行剁头记录一次罚款50元~100元。
21、氧气瓶、乙炔瓶在作业时必须按照规定相距5m以外,未使用的氧气瓶、乙炔瓶要入库保管。
否则,将对有关责任人罚款20元~100元,并教育改正。
22、电缆未悬挂或悬挂不整齐,大小电缆绞在一起,铁丝悬挂电缆同风、水管绞在一起,将电缆放
在水塘、水沟里,对有关人员罚款50元,并悬挂合格。
23、使用的电缆盘成“8”型或“0”型,否则对机电有关人员罚款50元,机电人员将采、掘巷道的电缆悬挂完毕后,移交给使用连队,使用连队不负责任,造成电缆悬挂不好,将对使用连队的有关人员罚款50元,并悬挂合格。
24、防爆开关或接线盒内的电缆进出线接地芯线比导线芯线短,不接地线,盒内有杂物或积水,对机电有关人员罚款100元。
25、使用不合格电缆或绝缘损坏的电缆,对机电有关人员罚款50元。
26、各种设备未挂责任牌,电缆未挂牌,将对有关责任人罚款100元。
27、私自将设备的保护装置撤出或调整过大,
造成设备保护装置失灵,对责任者罚款100元。
28、带电检修设备、带电搬迁设、违反停送电规定、维修设备不验收、不闭锁、不挂牌或预约停送电,不严格执行“谁停电,谁送电”等,将对机电有关人员罚款100元。
29、未经允许擅自送电,对故障未排除就强制送电,对有关人员罚款100元~200元,造成事故的,将
30、未对井下电气设备,临时配电点安设局部接地极,对机电有关人员罚款50元,并改正。
31、检修电气设备时不将电源接线盖板盖好,开关外壳装好,开关闭锁打开,强行送电试验,对相关人员罚款50元。
32、各类设备建帐建卡,设备检修要有记录,设备安装记录,一次记录不齐,对机电有关人员罚款
50元。
33、安装运输设备时,要求安设信号装置未安装,罚款50元。
这里写地址或者组织名称
Write Your Company Address Or Phone Number Here。