热负荷计算表(全)
- 格式:xls
- 大小:61.50 KB
- 文档页数:8
采暖负荷计算书一、工程信息项目名称0采暖形式传统形式地理位置0建筑层数5建筑高度18二、基本计算公式计算原理参照《实用供热空调设计手册》陆耀庆,中国建筑工业出版社1.通过围护结构的基本耗热量计算公式—基本耗热量 K —传热系数 F —传热面积—室内空气计算温度—室外供暖计算温度α —温差修正系数2.附加耗热量计算公式—考虑各项附加后,某围护的耗热量—某围护的基本耗热量—朝向修正—风力修正—两面外墙修正—窗墙面积比过大—房高附加—间歇附加α)(w n j t t KF Q -=j Q n t w t )1)(1)(1(.1j g f m li f ch j Q Q ββββββ++++++=1Q j Q ch βf βli βm βfg βj β2若C<=-1或m<=0,可不计算冷空气渗透耗热量3对于大于六层的高层建筑,计算中,若h<10m 时,h=10m ,当无以上及门窗构造相关数据时,可采用换气次数法计算门窗隙缝的冷风渗透耗热量房间类型一面外墙有窗房间二面外墙有窗房间三面外墙有窗房间门厅换气次数k0.50.5-1.01.0-1.52门窗隙缝的冷风渗透耗热量:Q 2=0.28*1*1.4*(t n-tw)*k*V4.外门开启冲入冷风耗热量计算公式—通过外门冷风侵入耗热量—某围护的基本耗热量—外门开启外门开启冲入冷风耗热量附加率,参见[2]p128表4.1-12三、气象参数室外采暖计算温度℃-22风力附加系数0热压系数0.25风压系数0.25东/西[朝向修正]0北/东北/西北[朝向修正]0.1南[朝向修正]-0.23东南/西南[朝向修正]-0.13kqj Q Q β⨯=33Q j Q kq β。
采暖负荷计算只设采暖系统的民用建筑物,其采暖负荷可按下列两种方法进行估算,注以下计计算方法要求建筑物均按照国家节能建筑设计标准设计,建筑围护结构采取了一定的节能措施,达到了节能建筑的最低节能要求,对于未按节能标准设计的建筑应根据具体情况进行修正。
1.1、单位面积热指标法当我们只知道建筑物总面积时,其采暖热负荷可参考下列数值进行估算:Q=q×FQ:建筑物采暖负荷(w);q:单位面积热指标(w/m3),查表1,对于窗墙比比较大的建筑物应参考注释“窗墙比公式法”进行修正;F:建筑面积(m2);表1:单位面积热指标注释:1) 总建筑面积大、外围护结构热工性能好、窗户面积小,采用较小的指标;反之采用较大的指标;2)当我们已知外墙面积、窗墙比及建筑面积时,对窗墙比比较大的建筑物,单位面积热指标应按下式进行修正:)()7.17(w n t t FW q -+∂=q :建筑物采暖面积指标(w/m 2);∂:外窗面积与外墙面积(包括窗)之比;W :外墙总面积(包括窗)(m 2); F :总建筑面积(m 2); tn :室内采暖设计温度(℃);(1) 设计集中采暖时,冬季室内采暖设计温度,应根据建筑物的用途,按下列规定采用: a 民用建筑的主要房间,散热器对流采暖宜采用16-20℃,地板辐射采暖宜采用14-18℃,空气调节宜采用18-22℃(风机盘管);b 生产厂房的工作地点:轻作业设计温度不应低于15℃;中作业设计温度不应低于12℃;重作业设计温度不应低于10℃,作业种类的划分应按国家现行《工业企业设计卫生标准》执行,当每名工人占用较大面积(50~100m 2)时,轻作业可低至10℃,中作业可低至7℃,重作业可低至5℃;c 辅助建筑物及辅助用房,不应低于下列数值:浴室25℃;更衣室23℃;托儿所、医务室、儿院20℃;办公用室16~18℃;食堂14℃;厕所12℃;车库5℃;d 工艺或使用有特殊要求时应按相关专业标准、规范执行;e 对于冬季空气调节室内计算参数,应符合室内计算温度为18~22℃。
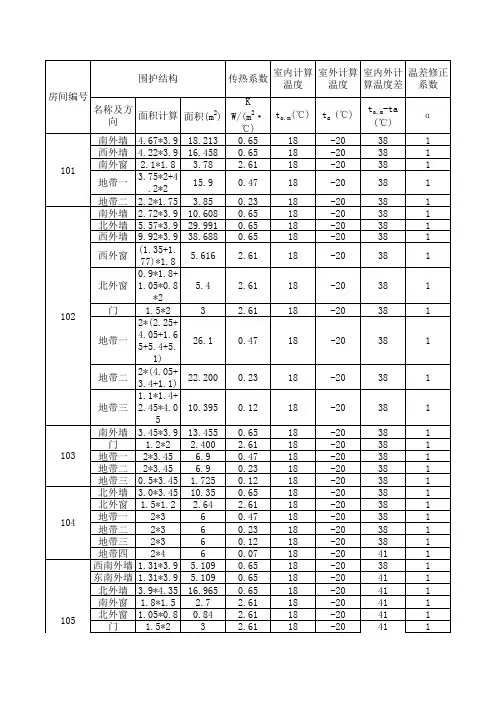
建筑工作室采暖热负荷计算表负荷计算说明:1、维护机构传热系数:外墙:K=0.6W/㎡·℃外窗:K=2.80W/㎡·℃内墙:K=1.5W/㎡·℃内门:K=2.33W/㎡·℃地面:K=0.55W/㎡·℃屋顶:K=0.60W/㎡·℃2、考虑户间传热(在临室不采暖情况下):北京:10W/㎡3、(1)内墙负荷计算中,当临室为非采暖房间时:如电梯井等,房间温度取5℃;(2)地面负荷计算时,当地下一层为敞开的车库等类型房间时,按车库5℃计算。
说明:针对上述内墙和地面两种类型的维护结构负荷计算另一计算的方法为:仍按采暖室外计算温度计算,但是对内墙某0.5~0.6的修正系数,地面某0.75的修正系数本负荷计算采用第一种方法4、屋顶考虑为30°角得坡屋面,则屋顶面积等于1.2倍得房间面积5、冷风渗透负荷计算采用换气次数法(1)一面有外窗或外门时:北向0.45次/h,西向0.3次/h,东向0.2次/h,南向0.175次/h。
当房间面积(2)两面有外窗或外门时:北向0.7次/h,西向0.5次/h,东向0.35次/h,南向0.35次/h。
当房间面积超(3)底层门厅取2次/h参考《注册公用设备师考试复习教材》P18,多层建筑渗透空气量,当无相关数据时,按:一面有外窗:三面有外窗:1.0~1.5;门厅:2次/h;6、最后负荷考虑1.1的放大系数。
7、散热器选用钢圆双层塔接散热器,型号:GG2060,GG2080,GG2090,GG2180四种;散热器总长度L=38某(片数-1)+25+125的修正系数175次/h。
当房间面积超过30㎡时,在上述基础上某0.7得系数。
35次/h。
当房间面积超过30㎡时,在上述基础上某0.7得系数。
时,按:一面有外窗:0.5;两面有外窗:0.5~1.0;。
齐克勒克煤矿一号井供暖锅炉选型齐矿锅炉房设计采暖热负荷通过采暖耗热量计算表进行汇总,经计算得出设计采暖总负荷为18354.6KW≈18.4MW(含工广区生活区供暖,含洗煤厂预留热负荷5MW,含管网热损10%),生活区热水供应及联合建筑浴室热水供应单独设置供热锅炉。
采暖热负荷=18.4MW 0.7MW=1T 18.4MW=26.3T≈27T如果选10T锅炉两台不能够满足需求热负荷,三台才能满足,考虑备用机组就得设置四台10T机组;如果选6T 型,则需5台锅炉。
供暖锅炉选型现考虑四套方案比较如下:方案一:三台10T的承压热水锅炉,工业区直接供暖,生活区通过板式换热器间接供暖,锅炉型号SZL7.0-1.6/130/70-AII;方案二:三台10T的蒸汽锅炉, 锅炉型号为SZL10-1.25-AII 双锅筒纵置式链条炉排蒸汽锅炉,生活区供暖在招待所位置处设立换热站间接换热;方案三:五台6T承压热水锅炉,锅炉型号为SZL4.2-0.7-95/70-AII 双锅筒纵置式链条炉排承压热水锅炉,四用一备,工业区直供,生活区通过换热器间接供暖;方案四:五台6T的蒸汽锅炉, 锅炉型号为SZL10-1.25-AII 双锅筒纵置式链条炉排蒸汽锅炉,生活区通过换热器间接供暖;1技术经济对比,从以下几个方面来考虑:1.采暖总热负荷为18.4MW,考虑用大锅炉机组两台10T的锅炉热负荷输出是14MW满足不了需求热负荷,三台10T锅炉热负荷是21MW正好能满足需求,但是方案一方案二没有备用机组,存在运行安全维护配套设置,需要增加一台10T承压热水或蒸汽锅炉作为备用机组;2.锅炉负荷机组要考虑建设用地面积,用地宽敞可考虑小负荷锅炉组合,多组机组联合便于维修和使用,比如说方案三,用地紧张则可考虑大小锅炉联合使用,比如说方案一;3.锅炉负荷设置条件要保持始终有70%的热量负荷输出所以在夏季只需生活热水时,配置小吨位热水锅炉即可,单开大吨位锅炉太浪费热负荷;4.从安全性、设备可持续性来考虑, 大负荷锅炉机组联合,一旦机组故障,将无法进行检修施工,无论3台10T蒸汽型机组还是热水型机组,如果一台出故障,供暖安全将得不到保证,多台小吨位锅炉可以保证供暖安全,降低备品备件的采购成本,单台故障不影响正常采暖,可有效的保证供暖系统的安全,所以方案三方案四都比较安全可靠,供暖机组前期属于三用两备,后期洗煤厂投运后将是四用一备;5.方案三和方案四从节能降耗提高整体效益来考虑,蒸汽锅炉热效率高,能有效的减轻后管板低温腐蚀,设置回水管道、水箱、泵组只是一次性投资,后期效益明显,考虑到长期效益,冷凝水回收系统可有效地降低水处理成本,所以方案四更具优势。
#吸收能力 1.718208426#烟尘黑度αht0.820612754#光学厚P CO2S 0.490212P CO S 1.56462P H2O S0.01068#气体黑度a co2查图6-140.12a co 查图6-150.036a H2O查图6-160.0072#净烟气黑度a ja CO2 +a CO +a H200.1632#火炬黑度aa ht +a j -a ht ·a j 0.8499#汽化器当量黑度a dl a/[a+(1-a)ψ]0.8970#火炬相对高H xd 按规定取值1#特性参数M0.54-0.2H xd0.340.3717#辐射围挡面积F wd 取烟罩计算值4.9#辐射传热量Q f89.65208023#误差Q f /Q F -11.298176384三炉口段1入口烟焓I'取烟罩出口值745.2942入口烟温θ'取烟罩出口值1466T'θ'+2731739T'3×10-852.589464193入口烟温分解热I F '取烟罩出口值1.746664出口烟温θ"假定1200T"θ"+27314735出口烟焓I"查表6-13708.4K P S⋅⋅1K P Se -⋅⋅-2CO X S⋅CO X S⋅2H O X S⋅'232"1(1)T M T-83'232"4.910"'1(1)dl wdl M a T T F TV M Tψ-⨯⋅⋅⋅⋅⋅⋅⋅-1.39741403——终态的焓h x2 0.75276452——饱和水比体积ν2’0.639465米·绝对大气压饱和蒸汽比体积v2"1.075209米·绝对大气压饱和水焓值h2’0.017622米·绝对大气压饱和蒸汽焓值h2"0.11——终态比体积v x20.025——终态热力学能u x20.009——终态干度x20.144——吸热量Q 0.7884——汽化潜热r 0.8514ψ=0.65压力P1——0.34——0.3153——4.9米2125.510735千卡/标米3炉气1.4481313%993.7千卡/标米3炉气1588℃1861K°64.4524038——6.796千卡/标米3炉气1300℃1573K°31700 190017161800表6-291700 190017161800表6-321700 190017161800表6-1811.001 11.08148 11.5043.1847 3.23038 3.47020.5962 0.595912 0.59440.150.3表6-13表6-131400708.41500933.2 1466745.2941588993.7 1500764.316001002表6-18表6-181400 1.1191500 3.25 1466 1.746661588 6.796 1500 2.0716007.28。
热负荷计算地面辐射供暖是一种高效、节能、舒适的新型采暖方式。
随着人们生活水平和对采暖要求的提高,这几年地面辐射供暖系统得到了突飞猛进的发展,对地暖系统的设计也有了更高的要求。
本文将从建筑物能耗,地面散热量,地热电缆的功率这三方面同广大读者一起探讨地暖系统设计过程中的热负荷计算。
地暖系统的功能就在于弥补建筑物热量损失,维持房间温度,提供舒适、温暖的环境。
要使地暖系统实现这一功能,就必须准确了解建筑物的热量损失。
建筑物热量损失即建筑耗热量是指建筑物围护结构的传热量和空气渗透热损失。
据此定义建筑物耗热量按如下式1计算:Q=qH.T+qINF-qI.H式1Q-建筑物单位面积耗热量。
W/㎡qH.T-单位建筑面积通过围护结构的耗热量。
W/㎡qINF-单位建筑面积的空气渗透热量。
W/㎡qI.H-单位建筑面积的建筑物内部得热量。
(包括炊事,照明,家电和人体散热等)其中单位建筑面积的空气渗透热量qINF式中:qINF=(ti-te)(CP.ρ.N.V/S)式2qINF-单位建筑面积的空气渗透热量。
W/㎡ti-全部房间平均室内计算温度。
te-采暖期平均计算温度。
CP-空气比热容。
(寒冷地区参考值0.28w.h/(kg.k)ρ-温度为te时,空气密度。
N-单位时间房间换气次数。
S-建筑面积。
房间换气次数N参照表(次/h)(表1)一面有外窗房间两面有外窗房间三面有外窗房间门厅0.50.5-1.01.0-1.52单位面积通过围护结构的散热量qH.T按式3计算:式中:mqH.T=(ti-te)(∑ξi.ki.Fi)/S式3i=1qH.T-单位面积通过围护结构的散热量。
ti-全部房间平均室内计算温度。
te-采暖期平均计算温度。
-围护结构传热系数修正。
Ki-围护结构传热系数。
Fi-围护结构面积。
S-建筑面积。
建筑物的围护结构是指建筑物及房间各面的围护物,分为透明和不透明两种类型;不透明围护结构包括:墙、屋面、地板、顶棚等,透明围护结构包括:窗户、天窗、阳台门、玻璃幕墙等。
六、城市供热工程规划(一)城市热负荷计算1.计算法①采暖热负荷计算Q=q·A·10-3(6-11)式中,Q为采暖热负荷(MW),q为采暖热指标(W/m2,取60~67W/m2),A为采暖建筑面积(m2)。
②通风热负荷计算Q T=KQn (6-12)式中,Q T为通风热负荷(MW),K为加热系数(一般取0.3~0.5),Qn为采暖热负荷(MW)。
③生活热水热负荷计算Qw=Kq w F (6-13)式中,Qw为生活热水热负荷(W),K为小时变化系数,q w为平均热水热负荷指标(W/m2),F为总用地面积(m2)。
当住宅无热水供应、仅向公建供应热水时,q w取2.5~3W/m2;当住宅供应洗浴用热水时,q w取15~20W/m2。
④空调冷负荷计算Qc=βq c A10-3 (6-14) 式中,Qc为空调冷负荷(MW),β为修正系数,q c为冷负荷指标(一般为70~90W/m2),A为建筑面积(m2)。
对不同建筑而言,β的值不同,详见表6-6。
表6-50 城市建筑冷负荷指标注:当建筑面积<5000m2时,取上限;建筑面积>10000m2时,取下限。
⑤生产工艺热负荷计算对规划的工厂可采用设计热负荷资料或根据相同企业的实际热负荷资料进行估算。
该项热负荷通常应由工艺设计人员提供。
⑥供热总负荷计算将上述各类负荷的计算结果相加,进行适当的校核处理后即得供热总负荷,但总负荷中的采暖、通风热负荷与空调冷负荷实际上是同一类负荷,在相加时应取两者中较大的一个进行计算。
2.概算指标法对民用热负荷,亦可采用综合热指标进行概算。
①民用建筑供热面积热指标概算值详见表6-51。
表6-51 城市民用建筑供暖面积热指标概算值注:1.总建筑面积大,外围护结构热工性能好,离户面积小,可采用表中较小的数值;反之,则采用表中较大的数值。
2.上表推荐值中,已包括了热网损失在内(约6%)。
②对居住小区而言,包括住宅与公建在内,其采暖热指标建议取值为60~67W/m2。
齐克勒克煤矿一号井供暖锅炉选型齐矿锅炉房设计采暖热负荷通过采暖耗热量计算表进行汇总,经计算得出设计采暖总负荷为18354.6KW≈18.4MW(含工广区生活区供暖,含洗煤厂预留热负荷5MW,含管网热损10%),生活区热水供应及联合建筑浴室热水供应单独设置供热锅炉。
采暖热负荷=18.4MW 0.7MW=1T 18.4MW=26.3T≈27T如果选10T锅炉两台不能够满足需求热负荷,三台才能满足,考虑备用机组就得设置四台10T机组;如果选6T 型,则需5台锅炉。
供暖锅炉选型现考虑四套方案比较如下:方案一:三台10T的承压热水锅炉,工业区直接供暖,生活区通过板式换热器间接供暖,锅炉型号SZL7.0-1.6/130/70-AII;方案二:三台10T的蒸汽锅炉, 锅炉型号为SZL10-1.25-AII 双锅筒纵置式链条炉排蒸汽锅炉,生活区供暖在招待所位置处设立换热站间接换热;方案三:五台6T承压热水锅炉,锅炉型号为SZL4.2-0.7-95/70-AII 双锅筒纵置式链条炉排承压热水锅炉,四用一备,工业区直供,生活区通过换热器间接供暖;方案四:五台6T的蒸汽锅炉, 锅炉型号为SZL10-1.25-AII 双锅筒纵置式链条炉排蒸汽锅炉,生活区通过换热器间接供暖;1技术经济对比,从以下几个方面来考虑:1.采暖总热负荷为18.4MW,考虑用大锅炉机组两台10T的锅炉热负荷输出是14MW满足不了需求热负荷,三台10T锅炉热负荷是21MW正好能满足需求,但是方案一方案二没有备用机组,存在运行安全维护配套设置,需要增加一台10T承压热水或蒸汽锅炉作为备用机组;2.锅炉负荷机组要考虑建设用地面积,用地宽敞可考虑小负荷锅炉组合,多组机组联合便于维修和使用,比如说方案三,用地紧张则可考虑大小锅炉联合使用,比如说方案一;3.锅炉负荷设置条件要保持始终有70%的热量负荷输出所以在夏季只需生活热水时,配置小吨位热水锅炉即可,单开大吨位锅炉太浪费热负荷;4.从安全性、设备可持续性来考虑, 大负荷锅炉机组联合,一旦机组故障,将无法进行检修施工,无论3台10T蒸汽型机组还是热水型机组,如果一台出故障,供暖安全将得不到保证,多台小吨位锅炉可以保证供暖安全,降低备品备件的采购成本,单台故障不影响正常采暖,可有效的保证供暖系统的安全,所以方案三方案四都比较安全可靠,供暖机组前期属于三用两备,后期洗煤厂投运后将是四用一备;5.方案三和方案四从节能降耗提高整体效益来考虑,蒸汽锅炉热效率高,能有效的减轻后管板低温腐蚀,设置回水管道、水箱、泵组只是一次性投资,后期效益明显,考虑到长期效益,冷凝水回收系统可有效地降低水处理成本,所以方案四更具优势。
六、城市供热工程规划(一)城市热负荷计算1.计算法①采暖热负荷计算Q=q·A·10-3(6-11)式中,Q为采暖热负荷(MW),q为采暖热指标(W/m2,取60~67W/m2),A为采暖建筑面积(m2)。
②通风热负荷计算Q T=KQn (6-12)式中,Q T为通风热负荷(MW),K为加热系数(一般取0.3~0.5),Qn为采暖热负荷(MW)。
③生活热水热负荷计算Qw=Kq w F (6-13)式中,Qw为生活热水热负荷(W),K为小时变化系数,q w为平均热水热负荷指标(W/m2),F为总用地面积(m2)。
当住宅无热水供应、仅向公建供应热水时,q w取2.5~3W/m2;当住宅供应洗浴用热水时,q w取15~20W/m2。
④空调冷负荷计算Qc=βq c A10-3 (6-14) 式中,Qc为空调冷负荷(MW),β为修正系数,q c为冷负荷指标(一般为70~90W/m2),A为建筑面积(m2)。
对不同建筑而言,β的值不同,详见表6-6。
表6-50 城市建筑冷负荷指标建筑类型旅馆住宅办公楼商店体育馆影剧院医院冷负荷指标βq c 1.0q c 1.0q c 1.2q c0.5q c 1.5q c 1.2~1.6q c0.8~1.0q c 注:当建筑面积<5000m2时,取上限;建筑面积>10000m2时,取下限。
⑤生产工艺热负荷计算对规划的工厂可采用设计热负荷资料或根据相同企业的实际热负荷资料进行估算。
该项热负荷通常应由工艺设计人员提供。
⑥供热总负荷计算将上述各类负荷的计算结果相加,进行适当的校核处理后即得供热总负荷,但总负荷中的采暖、通风热负荷与空调冷负荷实际上是同一类负荷,在相加时应取两者中较大的一个进行计算。
2.概算指标法对民用热负荷,亦可采用综合热指标进行概算。
①民用建筑供热面积热指标概算值详见表6-51。
表6-51 城市民用建筑供暖面积热指标概算值建筑物类型单位面积热指标(W/m2)建筑物类型单位面积热指标(W/m2)住宅58~64商店64~87办公楼、学校58~87单层住宅81~105医院、幼儿园64~81食堂餐厅116~140旅馆58~70影剧院93~116图书馆47~76大礼堂、体育馆116~163注:1.总建筑面积大,外围护结构热工性能好,离户面积小,可采用表中较小的数值;反之,则采用表中较大的数值。