燃煤锅炉煤渣煤灰、灰渣烟尘量、烟尘、二氧化硫计算方法
- 格式:docx
- 大小:41.59 KB
- 文档页数:6
烟气中二氧化硫及粉尘的计算方法一、燃料燃烧过程二氧化硫排放量的计算1.煤炭中硫的成分可分为可燃硫和非可燃硫,可燃硫约占全部的80%,计算公式如下:Gso2=2×0.8×B×S×(1-η)=1.6BS×(1-η)2. 燃油二氧化硫排放的计算公式如下:Gso2=2BS×(1-η)式中:Gso2—SO2产生量量,kg ;W—燃煤(油)量,kg;S—煤(油)的全硫分含量,(重量) %;η—脱硫设备的脱硫效率%(实测值),无脱硫装置的脱硫效率η值为0 。
3. 燃烧天然气二氧化硫排放的计算公式如下:Gso2=2.857V×C H S×10-3式中:Gso2—SO2产生量量,kg ;V—气体燃料消耗量,m3(标);C H S—气体燃料中H2S的体积%。
二、工艺过程产生气体污染物排放量计算1.水泥生产中SO2排放量计算:G SO2=2×(B×S-0.4Mf1-0.4G d f2)式中:Gso2—水泥熟料烧成中排放SO2量,t;B—烧成水泥熟料的煤耗量,t;S—煤或油的全硫分含量,(重量)%;M—水泥熟料产量,t;f1—水泥熟料中S032-的含量(%);G d—水泥熟料生产中产生的窑灰量,回转窑一般占孰料量的25%(20%~30%),t;f2—粉尘中SO32-含量(%);0.4—系数,即S/S032-=32÷80=0.4 。
2.硫酸生产中排放S02的计算:Gso2=W×S×H×J×(1-Z)×(1-A)×2式中:Gso2—硫酸废气SO2排放量,t;W—硫铁矿石用量,t;S—硫铁矿石含硫量(%):H—硫磺烧出率(%);J—净化工序硫的净化效率(%);Z—转化工序转化为SO3的转化率(%);A—尾气氨吸收净化率(%)。
3.烧结废气中排放SO2计算:G SO2=2×(S H-SJ-SF)式中:G SO2—废气中SO2含量(千克/吨),烧结矿;SH—混合料中含硫量(千克/吨);SJ—烧结矿中含硫量(千克/吨);SF—粉尘带出的硫量(千克/吨)。
燃煤锅炉煤渣、煤灰、灰渣烟尘量、烟尘、二氧化硫计算方法根据环境统计手册煤渣包括煤灰和炉渣,锅炉中煤粉燃烧产生的叫粉煤灰,炉膛中排出的灰渣称为炉渣。
(1)炉渣产生量:Glz= B×A×dlz/(1-Clz)式中:Glz——炉渣产生量,t/a;B——耗煤量,t/a;A——煤的灰份,20%;dlz——炉渣中的灰分占燃煤总灰分的百分数,取35%;Clz——炉渣可燃物含量,取20%(10-25%);(2)煤灰产生量:Gfh= B×A×dfh×η/(1-Cfh)式中:Gfh——煤灰产生量,吨/年;B——耗煤量,800吨/年;A——煤的灰份,20%;dfh——烟尘中灰分占燃煤总灰分的百分比,取75%(煤粉炉75-85%);dfh=1-dlzη——除尘率;Cfh——煤灰中的可燃物含量,25%(15-45%);注:1)煤粉悬燃炉Clz可取0-5%;C f取15%-45%,热电厂粉煤灰可取4%-8%。
Clz、Cfh也可根据锅炉热平衡资料选取或由分析室测试得出。
2) d fh值可根据锅炉平衡资料选取,也可查表得出。
当燃用焦结性烟煤、褐煤或煤泥时,d fh值可取低一些,燃用无烟煤时则取得高一点。
烟尘中的灰占煤灰之百分比(d fh)一、烟气量的计算:0V -理论空气需求量(Nm 3/Kg 或Nm 3/Nm 3(气体燃料)); ar net Q ⋅-收到基低位发热量(kJ/kg 或kJ/Nm 3(气体燃料)); daf V -干燥无灰基挥发分(%);V Y -烟气量(Ng 或Nm 3/m 3/KNm 3(气体燃料)); α-过剩空气系数, α=αα∆+0。
1、理论空气需求量daf V >15%的烟煤:278.01000Q 05.1arnet 0+⨯=⋅V daf V <15%的贫煤及无烟煤:61.04145Q arnet 0+=⋅V劣质煤ar net Q ⋅<12560kJ/kg :455.04145Q arnet 0+=⋅V 液体燃料:21000Q 85.0arnet 0+⨯=⋅V 气体燃料,ar net Q ⋅<10468kJ/Nm 3:1000Q 209.0arnet 0⋅⨯=V 气体燃料,ar net Q ⋅>14655kJ/Nm 3:25.01000Q 260.0arnet 0-⨯=⋅V 2、实际烟气量的计算(1)固体燃料无烟煤、烟煤及贫煤:0arnet Y )1(0161.177.041871.04Q V V -++⋅α=ar net Q ⋅<12560kJ/kg 的劣质煤:0arnet Y )1(0161.154.041871.04Q V V -++⋅α=(2)液体燃料:0arnet Y )1(0161.141871.1Q V V -+⋅α=(3)气体燃料:ar net Q ⋅<10468kJ/Nm 3时:0arnet Y )1(0161.10.141870.725Q V V -++⋅α=ar net Q ⋅>14655kJ/Nm 3时:0arnet Y )1(0161.125.041871.14Q V V -+-⋅α=炉膛过剩空气系数α表1.6-1.65;炉排垃圾锅炉:1.9-2。
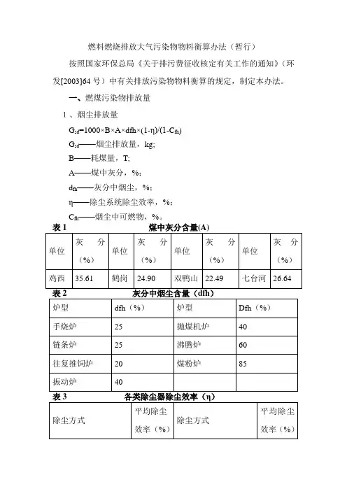
燃料燃烧排放大气污染物物料衡算办法(暂行)按照国家环保总局《关于排污费征收核定有关工作的通知》(环发[2003]64号)中有关排放污染物物料衡算的规定,制定本办法。
一、燃煤污染物排放量1、烟尘排放量G sd=1000×B×A×dfh×(1-η)/(1-C fh)G sd——烟尘排放量,kg;B——耗煤量,T;A——煤中灰分,%;d fh——灰分中烟尘,%;η——除尘系统除尘效率,%;C fh——烟尘中可燃物,%。
表4 烟尘中可燃物含量(C fh)2G SO2=1600×B×SG SO2——SO2排放量,kg;B ——耗煤量,T;S ——燃煤全硫分含量,%。
表5 燃煤全硫分含量(S)3、CO 排放量 G CO =2330×B×C×Q G CO ——CO 排放量,kg ; B ——耗煤量,T ; C ——燃煤中碳含量,%; Q ——燃煤燃烧不完全值,%。
表6 燃煤燃烧不完全值和含碳量(Q 、C )4、NO X 排放量G NOX =1630×B×(0.015×ß+0.000938)G NOX——NO X排放量, kg;B ——耗煤量, T;ß——燃煤中氮的转化率,%。
表7 燃煤中氮NO X转化率(ß)二、燃油污染物排放量1、SO2排放量G SO2=2000×B×SG SO2——SO2排放量,kg;B ——耗油量,T;S ——燃油全硫分含量,%。
表8 燃油全硫分含量(S)G CO=2330×B×C×QG CO——CO排放量,kg;B——耗油量,T;C——燃油中碳含量,%;Q——燃油燃烧不完全值,%。
表9 燃油燃烧不完全值和含碳量(Q 、C )3、NO X 排放量G NOX =1630×B×(N×ß+0.000938) G NOX ——NO X 排放量, kg ; B ——耗油量, T ; N ——燃油中氮含量,%; ß——燃油中氮的转化率,%。
燃煤锅炉灰渣烟气量烟尘二氧化硫的计算燃煤锅炉是使用煤炭燃烧产生热能的装置,但同时也会产生大量的灰渣、烟气和污染物。
因此,对于锅炉的灰渣、烟气量、烟尘和二氧化硫的计算十分重要。
首先,我们来计算燃煤锅炉的灰渣量。
灰渣是煤炭燃烧后产生的固体物质,包括煤灰、飞灰和底灰等。
灰渣的计算可以通过煤炭的燃烧效率和煤炭的含灰量来实现。
燃烧效率可以通过测定燃煤锅炉的额定热效率和实际热效率来确定。
额定热效率是指在理想条件下锅炉单位燃料的热能转化为实际热能的比例,而实际热效率是指在实际操作中锅炉单位燃料的热能转化为实际热能的比例。
煤炭的含灰量可以通过化验分析来确定。
灰渣量的计算公式如下:灰渣量=煤炭消耗量×(1-燃烧效率)×含灰量接下来,我们来计算燃煤锅炉的烟气量。
烟气是煤炭燃烧过程中产生的燃烧产物,包括二氧化碳、一氧化碳、二氧化硫和氮氧化物等。
烟气量的计算可以通过煤炭的燃烧热值和燃烧效率来实现。
煤炭的燃烧热值可以通过煤炭的低位发热量和高位发热量来确定,低位发热量是指完全燃烧煤炭单位质量所释放的热能,高位发热量是指不考虑水分含量的煤炭单位质量所释放的热能。
烟气量的计算公式如下:烟气量=煤炭消耗量×(高位发热量-低位发热量)/燃烧热值然后,我们来计算燃煤锅炉的烟尘量。
烟尘是煤炭燃烧产生的固体颗粒物,主要包括灰尘和颗粒状煤灰等。
烟尘量的计算可以通过煤炭的燃烧效果和灰渣量来实现。
燃煤锅炉的烟尘量通常用排放浓度来表示,即单位体积排放烟尘的质量。
烟尘量的计算公式如下:烟尘量=灰渣量/烟气量最后,我们来计算燃煤锅炉的二氧化硫量。
二氧化硫是煤炭燃烧过程中产生的主要污染物之一,是一种对环境和人体健康具有害处的气体。
二氧化硫量的计算可以通过煤炭的硫含量和燃烧效率来实现。
煤炭的硫含量可以通过化验分析来确定。
二氧化硫量的计算公式如下:二氧化硫量=煤炭消耗量×硫含量×(1-燃烧效率)综上所述,我们可以通过计算燃煤锅炉的灰渣量、烟气量、烟尘量和二氧化硫量来了解其燃烧效果和污染物排放情况,为环境保护和污染治理提供重要依据。
电力燃煤锅炉污染物排放计算方法一、普遍原则1、二氧化碳排放CO2⑴、普通燃煤CO2排放系数为1.487吨/吨;标准煤的二氧化碳排放系数是2.1267,即燃烧一吨标准煤大约释放2.1267吨二氧化碳。
2、二氧化硫排放SO2:⑴、普通燃煤SO2排放系数为13.4公斤/吨。
3、氮氧化物排放NOx⑴、普通燃煤NOx排放系数为1.45 公斤/吨计算。
4、烟尘排放普通燃煤和烟尘排放系数按照0.7公斤/吨;二、详细计算公式1、燃煤烟尘排放量的估算计算公式为:耗煤量(吨)X煤的灰分(%)X灰分中的烟尘(80%)X(1-除尘效率%)烟尘排放量(吨)=———————————————————————————————————1-烟尘中的可燃物(6%)麻石水膜除尘93%2、燃煤SO2排放量的估算计算公式:SO2排放量(吨)=1.6X耗煤量(吨)X煤中的含硫分(%)X(1-脱硫效率%)3、燃煤NO X排放量的估算:计算公式:NO X排放量(吨)=1.63X耗煤量(吨)X(燃煤中氮的含量X燃煤中氮的NOX转化率25%+0.000938)4、供热量折合发电量系数.00834亿千万时/万GJ供热量折合发电量(亿千万时)=供热量(万GJ)*0.3*0.278/105、燃煤灰渣产生量≈燃煤量X灰份%—烟尘排放量6、对于一般锅炉燃烧一吨煤,约产生下列污染物:Ⅰ产生0.78936万标立方米燃料燃烧废气;Ⅱ产生32.00千克二氧化硫;Ⅲ产生0.33333吨灰渣;Ⅳ产生53.98千克烟尘;Ⅴ产生9.08千克氮氧化物三、石灰石-石膏湿法脱硫石灰石耗量,石膏产生量粗略计算公式一单位SO2→消耗1.5625倍纯CaCO3→产生 2.6875倍纯CaSO4·2H2O 石灰石耗量= SO2消减量×1.5625×钙硫比Ca/S÷CaCO3含量CaSO4·2H2O产量=石灰石耗量×1.72÷石膏纯度。
根据环境统计手册煤渣包括煤灰和炉渣,锅炉中煤粉燃烧产生的叫粉煤灰,炉膛中排出的灰渣称为炉渣。
(1)炉渣产生量:Glz= B×A×dlz/(1-Clz) 式中:Glz——炉渣产生量,t/a;B——耗煤量,t/a;A——煤的灰份,20%;dlz——炉渣中的灰分占燃煤总灰分的百分数,取35%; Clz——炉渣可燃物含量,取20%(10-25%);(2)煤灰产生量:Gfh= B×A×dfh×η/(1-Cfh) 式中:Gfh——煤灰产生量,吨/年;B——耗煤量,800吨/年;A——煤的灰份,20%;dfh——烟尘中灰分占燃煤总灰分的百分比,取75%(煤粉炉75-85%);dfh=1-dlzη——除尘率;Cfh——煤灰中的可燃物含量,25%(15-45%);注:1)煤粉悬燃炉Clz可取0-5%;C f取15%-45%,热电厂粉煤灰可取4%-8%。
Clz、Cfh也可根据锅炉热平衡资料选取或由分析室测试得出。
2)d fh值可根据锅炉平衡资料选取,也可查表得出。
当燃用焦结性烟煤、褐煤或煤泥时,d fh值可取低一些,燃用无烟煤时则取得高一点。
烟尘中的灰占煤灰之百分比(d fh)表1 煤的工业分析与元素分析1 高硫煤 2.26 18.87 45.25 44.42 4.41 64.25 4.36 1.12 6.47 24.532 低硫煤 2.92 25.37 29.51 -- 0.49 61.04 3.89 1.10 8.12 22.783 煤:煤矸石4:11.92 32.61 28.10 -- 0.48 -- -- -- -- 19.44表2 煤和矿化脱硫剂的筛分特征序号燃用煤名称配比(煤:矿化脱硫剂)10mm(%)8mm(%)6mm(%)5mm(%)4mm(%)2mm(%)2mm以下(%)1 高硫煤60:40 3.5 2.5 5.0 5.0 16.0 61.0 7.02 低硫煤6:40 2.5 2.0 3.0 2.5 10.0 68.5 11.53煤:煤矸石4:1-- 16.75 7.75 11.75 7.5 9.5 40.5 6.254 矿化脱硫剂-- -- -- 1.0 1.25 5.15 33.25 59.35表3 煤的灰分成分全分析表序号名称SiO2 Al2O3 Fe2O3 CaO MgO TiO2 烧失量1 高硫煤47.26 17.49 17.00 9.01 1.44 0.76 --2 低硫煤56.62 27.98 3.99 3.29 1.70 -- --一、烟气量的计算:-理论空气需求量(Nm3/Kg或Nm3/Nm3(气体燃料));-收到基低位发热量(kJ/kg或kJ/Nm3(气体燃料));-干燥无灰基挥发分(%);VY-烟气量(Ng或Nm3/m3/KNm3(气体燃料));-过剩空气系数, =。
燃煤锅炉排放烟尘二氧化硫当氧化物一氧化碳的计算方法1.烟尘排放计算方法烟尘是指燃煤锅炉燃烧过程中产生的可见颗粒物。
烟尘的计算方法主要包括两种:传统方法和连续排放监测法。
传统方法是通过对废烟中的烟尘进行捕集和称重来计算排放浓度。
具体步骤如下:1)在烟气排放口安装捕集装置,用于收集废烟中的颗粒物。
2)将捕集到的颗粒物经称重后,得到烟尘的质量。
3)根据质量与废气体积的比例关系,计算烟尘排放浓度。
连续排放监测法则是通过安装在线监测设备,实时监测烟气中的烟尘含量。
具体步骤如下:1)在烟气排放口安装在线烟尘监测仪器。
2)监测仪器会实时测量烟气中的烟尘含量,通过采样和物理或化学分析获得准确的烟尘浓度。
2.二氧化硫排放计算方法二氧化硫是燃煤锅炉燃烧过程中产生的主要气体污染物。
其计算方法主要根据燃煤的硫含量和燃烧效率来确定。
计算公式如下:SO2排放量(kg)= SO2浓度(mg/m³)× 排放气体体积(m³) / 1000SO2浓度可以通过连续排放监测法进行实时监测,也可以通过常规方法取样后进行分析。
3.氮氧化物排放计算方法氮氧化物是燃煤锅炉燃烧过程中产生的主要气体污染物,包括氮氧化物(NOx)和一氧化氮(NO)。
其计算方法主要依赖于燃煤的氮含量和燃烧条件。
计算公式如下:NOx排放量(kg)= NOx浓度(mg/m³)× 排放气体体积(m³) / 1000NOx浓度可以通过连续排放监测法进行实时监测,也可以通过常规方法取样后进行分析。
4.一氧化碳排放计算方法一氧化碳是燃煤锅炉燃烧过程中产生的有害气体。
其计算方法主要依赖于燃煤的碳含量和燃烧效率。
计算公式如下:CO排放量(kg)= CO浓度(mg/m³)× 排放气体体积(m³) / 1000CO浓度可以通过连续排放监测法进行实时监测,也可以通过常规方法取样后进行分析。
需要注意的是,上述计算方法只是一种近似估算,准确的排放量需要结合实际监测和化验结果进行计算。
一、烟气量的计算:0V -理论空气需求量(Nm 3/Kg 或Nm 3/Nm 3(气体燃料)); ar net Q ⋅-收到基低位发热量(kJ/kg 或kJ/Nm 3(气体燃料)); daf V -干燥无灰基挥发分(%);V Y -烟气量(Nm 3/Kg 或Nm 3/Nm 3(气体燃料)); α-过剩空气系数, α=αα∆+0。
1、理论空气需求量daf V >15%的烟煤:278.01000Q 05.1arnet 0+⨯=⋅V daf V <15%的贫煤及无烟煤:61.04145Q arnet 0+=⋅V 劣质煤ar net Q ⋅<12560kJ/kg :455.04145Q arnet 0+=⋅V 液体燃料:21000Q 85.0arnet 0+⨯=⋅V 气体燃料,ar net Q ⋅<10468kJ/Nm 3:1000Q 209.0arnet 0⋅⨯=V 气体燃料,ar net Q ⋅>14655kJ/Nm 3:25.01000Q 260.0arnet 0-⨯=⋅V 2、实际烟气量的计算(1)固体燃料无烟煤、烟煤及贫煤:0arnet Y )1(0161.177.041871.04Q V V -++⋅α=ar net Q ⋅<12560kJ/kg 的劣质煤:0arnet Y )1(0161.154.041871.04Q V V -++⋅α=(2)液体燃料:0arnet Y )1(0161.141871.1Q V V -+⋅α=(3)气体燃料:ar net Q ⋅<10468kJ/Nm 3时:0arnet Y )1(0161.10.141870.725Q V V -++⋅α=ar net Q ⋅>14655kJ/Nm 3时:0arnet Y )1(0161.125.041871.14Q V V -+-⋅α=炉膛过剩空气系数α表烟气总量:y V B V ⨯=V -烟气总量,m 3/h 或m 3/a ;B -燃料耗量,kg/h 、m 3/h 、kg/a 、m 3/a 。
燃煤锅炉排放烟尘和二氧化硫与当氧化物一氧化碳的计算方法燃煤锅炉是一种常见的供热设备,但是它的排放会带来大量的污染物,包括烟尘、二氧化硫、氮氧化物和一氧化碳等。
计算这些污染物的排放量是重要的环境评估工作之一、以下是燃煤锅炉排放烟尘和二氧化硫与氮氧化物、一氧化碳的计算方法。
1.烟尘排放计算方法:烟尘是煤燃烧过程中产生的颗粒物,它的排放量可以通过以下公式进行计算:烟尘排放 (kg) = 燃料消耗(kg) × 烟尘产率 (g/kg)其中,燃料消耗指的是煤燃烧过程中消耗的煤的质量,烟尘产率指的是单位质量煤燃烧后产生的烟尘量。
2.二氧化硫排放计算方法:二氧化硫是煤燃烧过程中产生的主要污染物之一,其排放量可以通过以下公式计算:二氧化硫排放 (kg) = 燃料消耗(kg) × 二氧化硫含硫率 (kg/t)× 1000其中,二氧化硫含硫率指的是单位煤质量中二氧化硫的含量。
3.氮氧化物排放计算方法:氮氧化物是煤燃烧过程中产生的另一种主要污染物,其排放量可以通过以下公式计算:氮氧化物排放 (kg) = 燃料消耗(kg) × 综合排放因子 (g/kg)综合排放因子是综合考虑煤样本中氮的含量、不完全燃烧和燃烧条件等因素得到的系数。
4.一氧化碳排放计算方法:一氧化碳是煤燃烧过程中产生的有害气体之一,其排放量可以通过以下公式计算:一氧化碳排放 (kg) = 燃料消耗(kg) × 一氧化碳排放因子 (g/kg)一氧化碳排放因子是根据煤质量和燃烧条件等因素得到的系数。
需要注意的是,以上的计算方法都是在已知燃料消耗的情况下计算排放量,因此需要准确记录燃料使用量。
此外,为了准确计算排放量,还需要对煤质量进行分析,并测定煤中含硫率、氮的含量等参数。
以上是燃煤锅炉排放烟尘和二氧化硫与氮氧化物、一氧化碳的计算方法。
通过对这些污染物的排放进行计算和监测,可以及时采取相应的减排措施,保护环境、改善空气质量。
锅炉烟气量、烟尘、二氧化硫的计算一、烟气量的计算:0V -理论空气需求量(Nm 3/Kg 或Nm 3/Nm 3(气体燃料)); ar net Q ⋅-收到基低位发热量(kJ/kg 或kJ/Nm 3(气体燃料)); daf V -干燥无灰基挥发分(%);V Y -烟气量(Nm 3/Kg 或Nm 3/Nm 3(气体燃料));α-过剩空气系数, α=αα∆+0。
1、理论空气需求量daf V >15%的烟煤:278.01000Q 05.1arnet 0+⨯=⋅V daf V <15%的贫煤及无烟煤:61.04145Q arnet 0+=⋅V 劣质煤ar net Q ⋅<12560kJ/kg :455.04145Q arnet 0+=⋅V 液体燃料:21000Q 85.0arnet 0+⨯=⋅V 气体燃料,ar net Q ⋅<10468kJ/Nm 3:1000Q 209.0arnet 0⋅⨯=V 气体燃料,ar net Q ⋅>14655kJ/Nm 3:25.01000Q 260.0arnet 0-⨯=⋅V2、实际烟气量的计算(1)固体燃料无烟煤、烟煤及贫煤:0arnet Y )1(0161.177.041871.04Q V V -++⋅α=ar net Q ⋅<12560kJ/kg 的劣质煤:0arnet Y )1(0161.154.041871.04Q V V -++⋅α=(2)液体燃料:0arnet Y )1(0161.141871.1Q V V -+⋅α=(3)气体燃料:ar net Q ⋅<10468kJ/Nm 3时:0arnet Y )1(0161.10.141870.725Q V V -++⋅α=ar net Q ⋅>14655kJ/Nm 3时:0arnet Y )1(0161.125.041871.14Q V V -+-⋅α=炉膛过剩空气系数0α表燃烧方式 烟煤 无烟煤 重油 煤气 链条炉 1.3~1.4 1.3~1.5 煤粉炉 1.2 1.25 1.15~1.21.05~1.10沸腾炉1.25~1.3漏风系数α∆表漏风 部位炉膛 对流 管束 过热器 省煤器 空气 预热器 除尘器 钢烟道(每10m ) 钢烟道(每10m ) α∆0.10.150.050.10.10.050.010.05烟气总量:y V B V ⨯= V -烟气总量,m 3/h 或m 3/a ;B -燃料耗量,kg/h 、m 3/h 、kg/a 、m 3/a 。
锅炉烟气量烟尘二氧化硫量与浓度的计算
1.锅炉烟气量的计算:
烟气量(m³/h)=烟气流速(m/s)×烟道横截面积(m²)
其中,烟气流速可以通过测量烟道中烟气通过的速度来获得,烟道横
截面积可以通过横截面的尺寸来计算。
2.烟尘与二氧化硫的质量计算:
烟尘和二氧化硫的质量可以通过以下公式计算:
烟尘质量(kg/h)= 烟尘浓度(mg/m³)× 烟气量(m³/h) / 1000二氧化硫质量(kg/h)= 二氧化硫浓度(mg/m³)× 烟气量(m³/h)/ 1000
烟尘浓度和二氧化硫浓度可以通过烟气采样分析获得,并转换为毫克
/立方米的单位。
3.烟尘与二氧化硫的浓度计算:
烟尘浓度和二氧化硫浓度可以通过以下公式计算:
烟尘浓度(mg/m³)= 烟尘质量(kg/h)× 1000 / 烟气量(m³/h)二氧化硫浓度(mg/m³)= 二氧化硫质量(kg/h)× 1000 / 烟气量(m³/h)
以上公式中,烟尘质量和二氧化硫质量是通过烟尘和二氧化硫的质量
计算所得,烟气量是通过烟气量的计算所得。
总结一下,锅炉烟气量、烟尘、二氧化硫的计算需要先获得烟气流速和烟道横截面积,然后根据烟气量,结合烟尘和二氧化硫的浓度,可以计算出烟尘和二氧化硫的质量,进而计算出烟尘和二氧化硫的浓度。
这些计算对于对烟气排放进行监测和控制非常重要,以保护环境和人类健康。
燃煤小锅炉燃烧1吨燃煤硫分%、灰分25%、低位发热量4500kcal/kg排放的污染物量计算1、二氧化硫计算煤炭中硫的成分可分为可燃硫和非可燃硫,可燃硫约占全硫分的80%;煤燃烧后产生的二氧化硫的排放量计算公式如下:Cso2=2×80%×B×S×1-η;Cso2--二氧化硫排放量,kg;B–消耗的燃料煤量,kg;S–燃料中的全硫分含量,%;η-脱硫装置的二氧化硫去除率,%;①当无脱硫设施时Cso2=2×80%×B×S×1-η=2×80%×1000×%×1-0=②当脱硫效率为80%时Cso2=2×80%×B×S×1-η=2×80%×1000×%×1-80%=③当脱硫效率为95%时Cso2=2×80%×B×S×1-η=2×80%×1000×%×1-95%=当无脱硫措施时,1吨燃煤排放二氧化硫;当脱硫效率为80%时,二氧化硫排放量为,与无脱硫措施相比减少;当脱硫效率为95%时,二氧化硫排放量为,与无脱硫措施相比减少,与80%脱硫效率相比减少;2、氮氧化物计算烟气量计算公式如下:式中:V——理论空气量干,Nm3/kg煤;Vy——烟气量干,Nm3/kg煤;α——空气过剩系数,取;——低位发热量,kJ/kg;V=kgVy=kg氮氧化物排放量按以下公式进行计算:G NO =Vy×103×CNOx×10-6×1-ηGNO—氮氧化物排放量,kg;CNOx—氮氧化物产生浓度为500mg/m3;η-脱硝装置的二氧化硫去除率,%;①当无脱硝设施时G NO =Vy×103×CNOx×10-6×1-η=×103×500×10-6×1-0 =②当脱硝效率为60%时G NO =Vy×103×CNOx×10-6×1-η=×103×500×10-6×1-60% =③当脱硝效率为80%时G NO =Vy×103×CNOx×10-6×1-η=×103×500×10-6×1-80%=当无脱硝措施时,1吨燃煤排放氮氧化物;当脱硝效率为60%时,氮氧化物排放量为,与无脱硝措施相比减少;当脱硝效率为80%时,氮氧化物排放量为,与无脱硝措施相比减少,与60%脱硝效率相比减少;3、锅炉烟尘计算按燃煤灰分为25%,计算公式如下:G sd =dfh×B×A×η/1–CfhGsd–烟尘排放量,kg;B–耗煤量,kg;A–煤中含尘量,取25%;η-除尘系统的除尘效率,%;C–烟尘中的含碳量,取30%;dfh–烟尘中飞灰占灰分总量的份额,取25%;①当除尘效率为85%时G sd =dfh×B×A×1-η/1–Cfh=25%×1000×25%×1-85%/1–30% =②当除尘效率为90%时G sd =dfh×B×A×1-η/1–Cfh=25%×1000×25%×1-90%/1–30% =③当除尘效率为99%时G sd =dfh×B×A×1-η/1–Cfh=25%×1000×25%×1-99%/1–30%=当除尘效率为85%时,1吨燃煤排放烟尘;当除尘效率为90%时,烟尘排放量为,与85%除尘效率时相比减少;当除尘效率为99%时,烟尘排放量为,与85%除尘效率时相比减少,与90%除尘效率时相比减少;。
燃煤锅炉煤渣、煤灰、灰渣烟尘量、烟尘、二氧化硫计算方法根据环境统计手册煤渣包括煤灰和炉渣,锅炉中煤粉燃烧产生的叫粉煤灰,炉膛中排出的灰渣称为炉渣。
(1)炉渣产生量:Glz= B×A×dlz/(1-Clz)式中:Glz——炉渣产生量,t/a;B——耗煤量,t/a;A——煤的灰份,20%;dlz——炉渣中的灰分占燃煤总灰分的百分数,取35%;? ?? ?? ?Clz——炉渣可燃物含量,取20%(10-25%);(2)煤灰产生量:Gfh= B×A×dfh×η/(1-Cfh)式中:Gfh——煤灰产生量,吨/年;B——耗煤量,800吨/年;A——煤的灰份,20%;dfh——烟尘中灰分占燃煤总灰分的百分比,取75%(煤粉炉75-85%);dfh=1-dlz? ?η——除尘率;Cfh——煤灰中的可燃物含量,25%(15-45%);注:1)煤粉悬燃炉Clz可取0-5%;C f取15%-45%,热电厂粉煤灰可取4%-8%。
Clz、Cfh也可根据锅炉热平衡资料选取或由分析室测试得出。
2) d fh值可根据锅炉平衡资料选取,也可查表得出。
当燃用焦结性烟煤、褐煤或煤泥时,d fh值可取低一些,燃用无烟煤时则取得高一点。
烟尘中的灰占煤灰之百分比(d fh)表1 煤的工业分析与元素分析表2? 煤和矿化脱硫剂的筛分特征?表3? 一、烟气量的计算:0V -理论空气需求量(Nm 3/Kg 或Nm 3/Nm 3(气体燃料)); ar net Q ⋅-收到基低位发热量(kJ/kg 或kJ/Nm 3(气体燃料)); daf V -干燥无灰基挥发分(%);V Y -烟气量(Ng 或Nm 3/m 3/KNm 3(气体燃料)); α-过剩空气系数, α=αα∆+0。
1、理论空气需求量daf V >15%的烟煤:daf V <15%的贫煤及无烟煤:劣质煤ar net Q ⋅<12560kJ/kg : 液体燃料:气体燃料,ar net Q ⋅<10468kJ/Nm 3: 气体燃料,ar net Q ⋅>14655kJ/Nm 3:2、实际烟气量的计算(1)固体燃料无烟煤、烟煤及贫煤:ar net Q ⋅<12560kJ/kg 的劣质煤: (2)液体燃料:(3)气体燃料:ar net Q ⋅<10468kJ/Nm 3时:ar net Q ⋅>14655kJ/Nm 3时:炉膛过剩空气系数α表;炉排垃圾锅炉:1.9-2。
折算浓度:(6% 11%)ρ=ρ’(21-O 2)/ (21-O 2’) O 2’—实测氧量;O 2--- 基准氧量ρ’—实测浓度参数(mg/m3)y V -烟气总量,m 3/h 或m 3/a ;B -燃料耗量,kg/h 、m 3/h 、kg/a 、m 3/a 。
浓度参数mg/m3与PPM 的关系: PPM= mg/m3×(22.4/分子量)3、SO 2的计算:烧一吨煤,产生 1600×S%千克 SO2,煤中的硫按90%转化计算SO 2,其中SO 2转换SO 3按1-3%式中:2SO M -二氧化硫的产生量(t/h );B -燃料消耗量(t/h );C -含硫燃料燃烧后生产的SO 2份额,一般取0.8; ar S -燃料收到基含硫量(%); 64-SO 2相对分子质量; 32-S 相对分子质量。
SO 2的产生浓度(mg/m 3):氧化硫排放量计算公式: Gso2=2×W ×S ×P ×(1-h)式中:Gso2-燃煤或燃油SO2年排放量,单位:t ;W-年燃料消耗量,单位:t ; S-燃料中硫的含量(%);P-燃料中硫转化为SO2的转化率%4、烟尘的计算式中:Ai M -烟尘的产生量(t/h ); ar A -燃料收到基含灰分(%);4q -机械未完全燃烧热损失(%);a-排烟带出的飞灰份额。
fh烟尘排放量=耗煤量(t)×煤的灰分(%)×烟气中烟尘占灰份量的百分数(%);烟尘的浓度=烟尘排放量/烟气排放量,烧一吨煤污染物计算:烧一吨煤,产生1600×S%千克SO2,1万立方米废气,产生200千克烟尘。
烧一吨柴油,排放2000×S%千克SO2,1.2万立米废气;排放1千克烟尘。
烧一吨重油,排放2000×S%千克SO2,1.6万立米废气;排放2千克烟尘。
大电厂,烟尘治理好,去除率超98%,烧一吨煤,排放烟尘3-5千克。
普通企业,有治理设施的,烧一吨煤,排放烟尘10-15千克;砖瓦生产,每万块产品排放40-80千克烟尘;12-18千克二氧化硫。
规模水泥厂,每吨水泥产品排放3-7千克粉尘;1千克二氧化硫。
乡镇小水泥厂,每吨水泥产品排放12-20千克粉尘;1千克二氧化硫。
物料衡算公式:1吨煤炭燃烧时产生的SO2量=1600×S千克;S含硫率,一般0.6-1.5%。
若燃煤的含硫率为1%,则烧1吨煤排放16公斤SO2 。
1吨燃油燃烧时产生的SO2量=2000×S千克;S含硫率,一般重油1.5-3%,柴油0.5-0.8%。
若含硫率为2%,燃烧1吨油排放40公斤SO2 。
?排污系数:燃烧一吨煤,排放0.9-1.2万标立方米燃烧废气,电厂可取小值,其他小厂可取大值。
燃烧一吨油,排放1.2-1.6万标立方米废气,柴油取小值,重油取大值。
【城镇排水折算系数】0.7~0.9,即用水量的70-90%。
【生活污水排放系数】采用本地区的实测系数。
【生活污水中COD产生系数】60g/人.日。
也可用本地区的实测系数。
【生活污水中氨氮产生系数】7g/人.日。
也可用本地区的实测系数。
使用系数进行计算时,人口数一般指城镇人口数;在外来较多的地区,可用常住人口数或加上外来人口数。
【生活及其他烟尘排放量】按燃用民用型煤和原煤分别采用不同的系数计算:民用型煤:每吨型煤排放1~2公斤烟尘原煤:每吨原煤排放8~10公斤烟尘一、工业废气排放总量计算1.实测法当废气排放量有实测值时,采用下式计算:Q年= Q时× B年/B时/10000式中:Q年——全年废气排放量,万标m3/y;Q时——废气小时排放量,标m3/h;B年——全年燃料耗量(或熟料产量),kg/y;B时——在正常工况下每小时的燃料耗量(或熟料产量),kg/h。
2.系数推算法1)锅炉燃烧废气排放量的计算①理论空气需要量(V0)的计算:a. 对于固体燃料,当燃料应用基挥发分Vy>15%(烟煤),计算公式为:V0=0.251 ×QL/1000+0.278[m3(标)/kg]b. 当Vy<15%(贫煤或无烟煤),c. V0=QL/4140+0.606[m3(标)/kg]d. 当QL<12546kJ/kg(劣质煤),V0=QL//4140+0.455[m3(标)/kg)b. 对于液体燃料,计算公式为:V0=0.203 ×QL/1000+2[m3(标)/kg]c. 对于气体燃料,QL<10455 kJ/(标)m3时,计算公式为:V0= 0.209 × QL/1000[m3/ m3]当QL>14637 kJ/(标)m3时,V0=0.260 × QL/1000-0.25[m3/ m3]式中:V0—燃料燃烧所需理论空气量,m3(标)/kg或m3/m3;QL—燃料应用基低位发热值,kJ/kg或kJ/(标)m3。
各燃料类型的QL值对照表(单位:千焦/公斤或千焦/标米3)a.对于无烟煤、烟煤及贫煤:Qy=1.04 ×QL/4187+0.77+1.0161(α-1) V0[m3(标)/kg]当QL<12546kJ/kg(劣质煤),Qy=1.04 ×QL/4187+0.54+1.0161(α-1) V0[m3(标)/kg]b.对于液体燃料:Qy=1.11 ×QL/4187+(α-1) V0[m3(标)/kg]c.对于气体燃料,当QL<10468 kJ/(标)m3时:Qy=0.725 ×QL/4187+1.0+(α-1) V0(m3/ m3)当QL>10468 kJ/(标)m3时,Qy=1.14 ×QL/4187-0.25+(α-1) V0(m3/ m3)式中:Qy—实际烟气量,m3(标)/kg;α —过剩空气系数,α = α 0+Δ α炉膛过量空气系数每小时1吨的锅炉怎么计算它的烟尘、二氧化硫排放浓度及及排放量?答案1:首先计算二氧化硫排放量:二氧化硫排放量计算公式:?Gso2=2×W×S×P×(1-h)?式中:?Gso2-燃煤或燃油SO2年排放量,单位:t;?W-年燃料消耗量,单位:t;S-燃料中硫的含量(%);?P-燃料中硫转化为SO2的转化率%。
其次要知道该锅炉的烟气排放量,一般依据锅炉的型号取经验值。
二氧化硫的浓度=二氧化硫排放量/烟气排放量。
烟尘同样也是依据公式先求出烟尘的排放量,燃煤烟尘排放量计算公式为:烟尘排放量=耗煤量(t)×煤的灰分(%)×灰分;再由公式:烟尘的浓度=烟尘排放量/烟气排放量,得到烟尘的浓度。
1t的锅炉一般都是自然通风锅炉,一般都没有脱硫除尘装置,而且自然通风锅炉要求烧型煤.一般可按公式简单估计一下。
Gso2=2×W×S×P。
式中:?Gso2-燃煤或燃油SO2年排放量,单位:t;?W-年燃料消耗量,单位:t;S-燃料中硫的含量(%);?P-燃料中硫转化为SO2的转化率%,一般取80%。
你可以参考《燃煤锅炉烟尘和二氧化硫排放总量核定技术方法—物料衡算法》。