盘式制动器拆装与检测操作工单
- 格式:docx
- 大小:2.61 MB
- 文档页数:2
盘式制动器拆装与检测操作工单一、拆装盘式制动器的准备工作1.确保车辆安全停放在平整的地面上,手刹已经拉起,并禁止后车辆启动。
2.确保车辆安全抬升,使用合适的千斤顶将车辆前部抬起并放置在支撑架上,以确保车辆的稳定。
3.用合适的工具拧松车轮螺丝,并将轮胎拆下。
二、拆装盘式制动器的步骤1.拆卸制动钳:使用合适的扳手和套筒拆卸制动钳螺栓,并将制动钳从刹车盘上取下。
注意不要过度扭曲制动管道。
2.拆卸刹车盘:使用合适的工具拆卸刹车盘螺栓,并将刹车盘从车轮轴上取下。
在拆卸过程中,注意不要损坏刹车盘的表面。
3.检查刹车盘:使用合适的工具检查刹车盘的磨损程度和表面状况。
如果刹车盘磨损较大或者表面有裂纹、变形等情况,需要更换新的刹车盘。
4.检查制动钳:检查制动钳的活塞和密封件是否正常,如果发现损坏或老化的部件,需要更换新的制动钳。
5.检查刹车片:使用合适的工具检查刹车片的厚度和磨损程度。
如果刹车片厚度不够或磨损达到极限,需要更换新的刹车片。
6.拆卸制动泵:将制动泵与刹车油箱分离,使用合适的工具拆卸制动泵上的连接螺栓,并将制动泵从车辆上取下。
7.检查制动泵:检查制动泵的密封件和活塞是否正常。
如果发现损坏或老化的部件,需要更换新的制动泵。
三、盘式制动器的安装与调整1.安装制动盘:将新的刹车盘安装到车轮轴上,并用合适的工具拧紧螺栓,确保刹车盘和车轮轴之间的连接牢固。
2.安装制动钳:将制动钳安装到刹车盘上,用合适的工具拧紧螺栓。
3.安装刹车片:将新的刹车片安装到制动钳上,注意安装方向和位置。
确保刹车片固定牢固且与刹车盘完全接触。
4.安装制动泵:将制动泵连接到刹车油箱上,并用合适的工具拧紧连接螺栓。
5.调整刹车系统:在安装完盘式制动器后,需进行刹车系统的调整工作,确保刹车踏板的行程、刹车片与刹车盘的接触度和制动钳的回位等方面的正常工作。
四、检测盘式制动器的效果1.测试制动效果:在车辆处于平稳的状态下,踩下刹车踏板,观察制动效果是否正常。
如何进行前盘式制动器的拆装和检查(1)拆卸1)制动钳组件装配关系,如图1所示。
2)拧松但不拆下前轮螺母,拆下传动轴开口销。
3)用千斤顶将车辆顶起离地,用安全支架支承稳定车辆。
4)拆下前轮。
5)拆下制动钳螺栓(2件),取下制动钳。
注意:拆卸时应小心,不要损伤制动软管,也不要踩动制动踏板。
6)拆下摩擦块。
7)用专用工具拆下制动盘。
图1 制动钳组件的装配关系1-制动钳总成(右) 2-制动钳总成(左) 3-制动钳轴销 4-制动钳轴销螺栓 5-摩擦块 6-弹簧片 7-放气螺塞 8-放气螺塞罩9-轮缸活塞 10-活塞防尘罩 11-活塞防尘罩 12-轴销套13-16-螺栓 14-17-垫圈 15-制动盘防尘罩8)拆下制动盘与轮毂的连接螺栓(使用专业工具),将制动盘和轮毂拆开.(2)检查1)检查制动钳钳体是否变形、有裂纹,轮缸是否磨损严重,如有不良,应更换新件。
2)检查制动钳各防尘罩是否有破损、裂纹、老化变形等损伤,如有上述缺陷,应更换。
3)检查制动摩擦块。
用卡尺测量摩擦块的厚度,以检查摩擦块摩擦片是否磨损严重。
如磨损量超过极限,应换用新件。
摩擦块更换的时间由各个摩擦片上的槽线决定,当槽线消失时,应换用新件。
注意:绝不允许用砂纸抛光摩擦块摩擦片。
如用砂纸抛光摩擦片,砂纸的硬纸料会嵌入摩擦片内,就有可能损伤制动盘。
摩擦片需修理时应换用新件。
拆下摩擦块时,目测检查制动钳是否漏泄制动液。
如有应修理泄漏部位。
5)检查制动钳轴销滑套移动是否灵活。
如发现不良,应进一步检查制动钳轴销是否变形或损坏,应修理或更换有缺陷的滑套或轴销。
更换时,应在滑套的外表面涂橡胶润滑脂。
6)检查制动盘。
检查制动盘表面受磨部位是否有划痕。
当划痕轻微时,属正常情况,可继续使用;如制动盘有深划痕或整个表面都有划痕时,应更换制动盘。
如制动盘仅一侧有划痕,应抛光并修正该侧。
检查制动盘的厚度,以确定制动盘的磨损情况。
制动盘厚度标准值为10mm,极限值为8.5mm。
盘式制动器的拆装与检测
(1)任务描述
本项考试要求学生能就车对盘式制动器进行拆装与检测。
检查制动盘表面情况,检查轮缸泄漏及防护罩老化情况等,检测制动盘厚度和圆跳动,摩擦片磨损量,并能根据检测结果做出正确的维修结论。
(2)实施条件
1)工位要求
①考场应整洁、卫生、明亮、通风良好,禁止明火和吸烟。
设备仪器完好,应备的工具、原材料齐全,符合规定要求;
②每个操作工位场地面积不小于20平方米,并配置举升设备;
③所有工量具都存放于工具箱内;
④工位明确,准考证摆放位置统一,任何人不得自行调换位置。
工具仪器设备清单(每个工位须配置)
3)辅助材料清单(每个工位须配置)
(3)考核时量
考核时限:40分钟。
(4)评价标准
《盘式制动器的拆装与检测》评价标准
(5)操作工单
《盘式制动器检查》操作工单一、作业安全/5S
作业前应根据项目要求,做好作业前的各项准备工作。
二、拆卸车轮及制动钳
三、盘式制动器检查
四、安装
五、维修结论
根据以上检查做出正确的维修结论(零件和可用性和维修建议,需说明理由)。
学习工作单
学习领域1:液压制动系统的维修学习情境1.2:盘式制动器的检修姓名:
第页班级:
1.2.1车上的具体位置
1: 5:
2: 6:
3: 7:
4: 8:
与实际车辆对照说明各部分的作用
1.2.1盘式制动器结构与工作原理
右图为固定钳盘式制动器的结构简图,说明图中数字的含义并分析其工作原理。
1: 5:
2: 6:
3: 7:
4: 8:
如下图所示,固定钳盘式制动器的工作原理为:
1.2.2浮动钳盘式制动器结构与工作原理
右图为浮动钳盘式制动器的结构简图,说明图中数字的含义并分析其工作原理。
1: 5:
2: 6:
3: 7:
4: 8:
如下图所示,浮动钳盘式制动器的工作原理为:
1.2.3盘式制动器拆卸与分解
1)制动钳的拆卸
2)制动衬片弹簧卡箍与制动盘的拆卸
3)制动钳活塞的拆卸
4)制动钳密封圈的拆卸
1.2.4制动器摩擦衬块的检修
1)制动器摩擦衬块的检查
2)制动器摩擦衬块的维修
1.2.5制动盘的检修
1)制动盘的检查
2)制动盘的维修
1.2.6维修记录
1)故障现象
2)故障原因
3)检测数据分析
4)维修部位
5)更换零部件清单
5.2.5检验。
盘式制动器刹车片的拆装与检测
一、测量前准备
1、游标卡尺(0-150MM)
2、抹布,手套
3、工具车
4、整车
5、拆装工具
二、刹车片的拆卸与测量
1、安装3件套
2、将变速杆置于空挡
3、释放驻车制动杆(提示:驻车制动杆释放后,驻车制动器指示灯熄灭)
4、将车辆举升到适当高度后,安全锁止
5、拆卸左前轮
6、拆卸制动轮缸(提示:右手使用14~17mm呆扳手固定制动器制动轮缸滑销,左手使用14~17mm梅花扳手拆下制动轮缸2个固定螺栓)
7、检查制动轮缸处有无制动液泄露(提示:使用S形钩子将制动轮缸挂起)
8、拆卸前制动器摩擦片
9、测量制动器摩擦片厚度(提示:使用金属直尺测量外侧摩擦片厚度,读出3处的测量值。
若实测厚度小于最小厚度,则成对更换摩擦片;目视检查内侧摩擦片厚度)
10、目视检查摩擦片是否有不均匀磨损
11、清洁制动盘,检查制动盘是否有异常磨损或损坏
12、清洁外径千分尺并校零
13、测量前制动盘厚度(提示:均匀测量3处的厚度,若实测厚度小于最小厚度,则更换)
鼓式制动器
制动盘
制动钳摩擦片
活塞
进油口
导向销
制动钳支架。
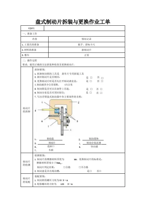
盘式制动片拆装与更换作业工单VIN码
一、准备工作
内容情况记录
1.工量具的准备扳手、游标卡尺
2.材料的准备新制动片
3.整车正常
二、操作过程
要求:能用正确的方法拆装和检查及更换制动片。
制动片的拆卸拆卸要领:
1.拆卸制动钳的工具是刹车片专用拆装工具
2.新旧制动片是否相同:
3.更换制动片时是否先打开制动液壶盖:
4.制动液多少公里更换。
4万公里
5.制动钳是否可以在油管上吊起。
6.制动分泵是否应顶回原位:
7.写出浮钳盘式制动器中各主要部件的名称:
是□
是□
是□
是□
否□
否□
否□
否□
1、制动盘
3、制动片
5、进油口
7、车桥
2、
4、
6、
制动钳体
制动分泵活塞
导向销
制动片的检测检测要领:
1.制动片的摩擦材料厚度为 mm。
更换制动片的标准是:摩擦材料厚度小于3mm_。
制动片判定结果:□合格□不合格
2.制动盘是否出现沟槽:是□ 否口
制动片的装配装配要领:
1.制动钳的螺丝力矩为40 N·m
2.轮胎螺丝的力矩为100 N·m
4 2 5
6 3
7。
邢台技师学院第五届技能竞赛节汽车装配专业技能竞赛
“盘式制动器的拆装与检测”操作工单
一、作业安全/7S
作业前应根据项目要求,做好作业前的各项准备工作。
二、盘式制动器的拆装与检测
作业要求:1、能借助举升设备和常用工具,在30分钟内独立拆卸和安装盘式制动器,且作业流程规范,安装后能正常使用。
2、能借助测量工具,在规定时间内进行制动摩擦片的厚度检查。
3、操作步骤规范,动作标准。
4、工具、场地整理清洁,有安全环保意识。
结论
提示:
1.摩擦片低于极限值必须更换。
2. 摩擦片表面出现沟槽,一般由于摩擦表面进入异物或者摩擦片材质引起,此时应更换摩
擦片。
裁判员:______________ 裁判长:_______________ 年月
日。
城口职业教育中心技能竞赛节汽车专业技能竞赛
“盘式制动器的拆装与检测”操作工单
一、作业安全/6S
作业前应根据项目要求,做好作业前的各项准备工作。
二、盘式制动器的拆装与检测
作业要求:1、能借助举升设备和常用工具,在30分钟内独立拆卸和安装盘式制动器,且作业流程规范,安装后能正常使用。
2、能借助测量工具,在规定时间内进行制动盘与制动摩擦片的厚度检测。
3、操作步骤规范,动作标准。
4、工具、场地整理清洁,有安全环保意识。
盘式制动器刹车片,制动盘厚度测量作业表
备注:
结论
提示:
1.摩擦片低于极限值必须更换。
2. 摩擦片表面出现沟槽,一般由于摩擦表面进入异物或者摩擦片材质引起,此时应更换摩擦片。
裁判:______________ 裁判:_______________ 年月日。
盘式制动器拆卸、安装、调整方法盘式制动器拆卸、安装、调整结合示意图具体如下:一、制动器拆卸方法1、松开螺钉7和螺钉8;2、将长螺栓4从导向套6中拧出,连同弹簧座2及弹簧3一起取出;3、将短螺栓1从螺杆9中拧出,连同弹簧座2及弹簧3一起取出;4、通电松闸,将制动器绕螺杆9翻转,使整个制动器从制动盘中脱离出来,断电;5、将制动器整个从螺杆9中取出,轻放于软质垫板上。
二、制动器安装方法1、清洁螺杆9,抹上少量机油,将制动器对应孔套入螺杆9上;2、通电松闸,将制动器绕螺杆9翻转,使制动盘完全含入制动器中,将长螺杆4涂上螺纹胶连同弹簧座2、弹簧3穿过导向套6,拧紧后,拧紧力矩为≥117Nm,断电;3、检查:手推制动器压缩弹簧3,然后松开,制动器在弹簧3作用下自由复位;4、将短螺杆1涂上螺纹胶连同弹簧座2、弹簧3穿过螺杆9中,拧紧力矩为≥117Nm。
三、制动器调整方法1、通电松闸,用百分表检测点1(制动器机座端面),百分表读数为0.4-0.5mm,若不符合,则调整螺钉8,保证百分表读数符合要求,锁紧螺母;2、再用百分表检测点2(制动器机座端面),百分表读数为0.4-0.5mm(应与点1读数相同),若不符合,则调整螺钉8,保证百分表读数符合要求,锁紧螺母。
3、百分表位置不动(点2位置),通电松闸,调整螺钉7,向外顶出制动器,百分表读数为0.2-0.25mm,锁紧螺母;4、再用百分表检测点1,通电松闸,调整螺钉7,向外顶出制动器,百分表读数为0.2-0.25mm(应与点2读数相同),锁紧螺母。
5、接通和断开制动器,检查:微动开关动作正常,左右制动器同步打开、释放,每次松闸无金属撞击声;检测:最低启动电压为<电磁铁额定电压的70%,最高释放电压为<电磁铁额定电压的50%;盘动制动盘,无摩擦声;断电抱闸,检测整机制动力矩。
注:1.先调螺钉8至动盘与静盘之间气隙0.4-0.5MM.2.调整螺钉7,0.15MM塞尺通过,0.20MM通不过.调整扳手将螺母13松出,先用布包住螺定14,再用老虎钳将螺定逆时针退出(以扳手8来回摆动30度为基准),最后将螺母13锁紧即可.。
盘式制动器拆装与检测
操作工单
WTD standardization office【WTD 5AB- WTDK 08- WTD 2C】
邢台技师学院第五届技能竞赛节汽车装配专业技能竞赛
“盘式制动器的拆装与检测”操作工单
一、作业安全/7S
作业前应根据项目要求,做好作业前的各项准备工作。
二、盘式制动器的拆装与检测
作业要求:1、能借助举升设备和常用工具,在30分钟内独立拆卸和安装盘式制动器,且作业流程规范,安装后能正常使用。
2、能借助测量工具,在规定时间内进行制动摩擦片的厚度检查。
3、操作步骤规范,动作标准。
4、工具、场地整理清洁,有安全环保意识。
结论
提示:
1.摩擦片低于极限值必须更换。
2. 摩擦片表面出现沟槽,一般由于摩擦表面进入异物或者摩擦片材质引起,此时应更换摩擦片。
裁判员:______________ 裁判长:_______________ 年月日。