生产能力评估知识讲解
- 格式:docx
- 大小:27.37 KB
- 文档页数:6
生产产能评估方法一、引言生产产能评估是指通过对企业的生产过程、设备设施和人力资源等进行综合分析,评估企业的生产能力和潜在产能,为企业制定生产计划和资源配置提供参考依据。
本文将介绍一种常用的生产产能评估方法,旨在帮助企业准确评估自身的生产能力,并提供数据支持,以便企业能够更好地进行生产规划和决策。
二、生产产能评估方法的步骤1. 数据收集和分析首先,收集和整理企业的生产数据,包括生产线的数量、设备的技术参数、生产周期、生产效率等。
同时,还需收集人力资源方面的数据,如员工数量、岗位职责、工作时间等。
通过对这些数据进行综合分析,可以了解企业的生产状况和潜在问题。
2. 确定生产能力指标根据企业的特点和需求,确定适合的生产能力指标。
常见的生产能力指标包括产能利用率、生产效率、生产周期等。
这些指标可以帮助企业了解自身的生产能力水平,并与行业标准进行比较。
3. 评估现有生产能力基于收集到的数据和确定的生产能力指标,评估企业的现有生产能力。
通过计算产能利用率、生产效率等指标,可以得出企业的生产能力水平。
同时,也可以发现生产过程中存在的瓶颈和问题,为后续改进提供依据。
4. 预测潜在产能根据现有生产能力和市场需求的变化趋势,预测企业的潜在产能。
这可以通过市场调研、行业趋势分析等方法进行。
通过预测潜在产能,企业可以更好地规划生产,满足市场需求。
5. 制定改进方案根据评估结果和预测的潜在产能,制定改进方案。
这包括改进生产工艺、提升设备性能、优化人力资源配置等。
通过改进生产过程和资源配置,企业可以提高生产效率和产能水平,满足市场需求。
6. 监控和调整评估和改进是一个持续的过程,企业需要建立监控机制,定期跟踪生产产能的变化和改进效果。
根据监控结果,及时调整生产计划和改进方案,以确保企业的生产能力始终符合市场需求。
三、案例分析以某电子制造企业为例,该企业生产手机电池模块。
通过收集和分析生产数据,确定了以下生产能力指标:产能利用率、生产效率和生产周期。
生产能力评估及保障程序引言概述:在现代工业生产中,生产能力评估及保障程序是确保企业正常运营和提高生产效率的关键。
通过对生产能力进行准确评估,并建立相应的保障程序,企业可以优化生产流程,提高产品质量,降低生产成本,从而在市场竞争中取得优势。
本文将详细阐述生产能力评估及保障程序的五个部分。
一、生产能力评估1.1 生产设备评估:对企业的生产设备进行全面评估,包括设备的数量、性能、稳定性等方面。
评估结果可以帮助企业了解当前设备的生产能力是否满足需求,是否需要进行设备更新或扩充。
1.2 人员评估:对企业的员工进行评估,包括员工的技能水平、工作效率等方面。
通过评估,企业可以了解员工的实际能力,有针对性地进行培训和调整,提高生产效率。
1.3 原材料评估:对企业所使用的原材料进行评估,包括原材料的供应稳定性、质量等方面。
评估结果可以帮助企业选择合适的供应商,确保原材料的及时供应和质量可靠。
二、生产能力规划2.1 生产流程规划:根据生产能力评估结果,对生产流程进行规划和优化。
通过合理安排生产流程,减少生产环节,提高生产效率,降低生产成本。
2.2 产能调度规划:根据生产能力评估结果,合理安排生产任务和产能调度。
通过合理分配生产任务,避免生产过剩或生产不足的情况,提高生产效率。
2.3 产能扩展规划:根据生产能力评估结果,制定产能扩展计划。
在需要的情况下,及时进行设备更新或扩充,以满足市场需求。
三、生产能力监控3.1 生产数据监控:建立生产数据监控系统,实时监控生产数据,包括生产数量、生产效率、产品质量等指标。
通过监控数据,及时发现生产异常情况,并采取相应措施进行调整。
3.2 故障预警监控:建立故障预警系统,对生产设备进行监控,及时发现设备故障迹象,并进行维护和修复,以避免生产中断和生产效率下降。
3.3 品质监控:建立品质监控体系,对产品质量进行全面监控。
通过对产品质量的监控,及时发现质量问题,并采取措施进行改进,提高产品质量。
生产能力评估及保障程序引言概述:生产能力评估及保障程序是企业管理中至关重要的一环。
通过对生产能力的评估,企业可以了解自身的生产水平和潜在的生产瓶颈,从而制定相应的保障程序,确保生产能力的稳定和可持续发展。
本文将从五个方面详细阐述生产能力评估及保障程序。
一、生产设备评估1.1 设备现状评估:对企业现有的生产设备进行全面的评估,包括设备的数量、型号、性能等方面的情况,以了解设备的整体状况。
1.2 设备利用率评估:评估设备的利用率,包括设备的开机时间、运行效率等指标,以确定设备的生产能力是否得到充分发挥。
1.3 设备更新计划:根据设备的使用寿命和更新需求,制定设备的更新计划,确保设备的性能和效率能够满足生产需求。
二、人力资源评估2.1 人员数量评估:评估企业现有的人员数量和组织结构,包括各部门的人员配备情况,以确定是否存在人力不足的问题。
2.2 人员技能评估:评估员工的技能水平和培训需求,包括技术人员和操作人员的技能要求,以确保员工具备必要的技能来支持生产能力的提升。
2.3 人员培训计划:根据评估结果,制定员工培训计划,包括技术培训、管理培训等,以提高员工的综合素质和能力,为生产能力的提升提供有力支持。
三、供应链评估3.1 供应商评估:评估企业的供应商,包括供应商的稳定性、产品质量、交货准时率等方面的指标,以确保供应链的稳定和可靠性。
3.2 物流评估:评估企业的物流系统,包括物流网络、运输能力、仓储能力等方面的情况,以确保原材料和成品的及时供应和流转。
3.3 库存管理:评估企业的库存管理水平,包括库存周转率、安全库存等指标,以确保库存的合理控制,避免库存过多或过少对生产能力的影响。
四、生产流程评估4.1 生产工艺评估:评估企业的生产工艺,包括工艺流程、工艺参数等方面的情况,以确定是否存在工艺瓶颈或改进空间。
4.2 生产效率评估:评估生产线的效率,包括生产周期、生产能力利用率等指标,以确定生产线的瓶颈和改进方向。
生产产能评估方法引言概述:生产产能评估是企业管理中非常重要的一环,它可以匡助企业了解自身的生产能力,为生产计划和资源配置提供重要依据。
本文将介绍五种常用的生产产能评估方法,包括效率评估、产能利用率评估、生产效益评估、生产弹性评估和生产风险评估。
一、效率评估:1.1 产能指标评估:通过计算单位时间内生产的产品数量,评估生产效率。
常用的指标有产量、产出率、生产效率等。
1.2 能耗评估:通过分析生产过程中的能源消耗情况,评估生产效率。
可以通过比较不同时间段的能耗数据,找出生产过程中的能源浪费问题,并采取相应的改进措施。
1.3 资源利用评估:评估企业在生产过程中各种资源的利用情况,包括人力资源、设备利用率、原材料利用率等。
通过提高资源利用率,可以提高生产效率。
二、产能利用率评估:2.1 设备利用率评估:通过分析设备运行时间和停机时间,计算设备的利用率。
可以根据设备利用率评估生产线的稳定性和效率,并及时发现设备故障和停机问题。
2.2 人力利用率评估:通过分析员工的工作时间和产出情况,评估人力资源的利用率。
可以发现工作效率低下的员工,并进行培训和调整,提高生产效率。
2.3 车间利用率评估:评估车间的利用率,包括空间利用率和时间利用率。
可以优化车间布局,提高生产效率。
三、生产效益评估:3.1 成本效益评估:通过分析生产过程中的成本和产出情况,评估生产效益。
可以发现生产成本高、产出低的环节,并采取相应的措施降低成本,提高效益。
3.2 质量效益评估:通过分析产品质量和客户满意度,评估生产效益。
可以发现质量问题,并及时进行改进,提高产品质量和客户满意度。
3.3 供应链效益评估:评估供应链中各个环节的效益,包括供应商、生产、物流等。
可以发现供应链中的瓶颈和问题,并进行优化,提高整体效益。
四、生产弹性评估:4.1 产能调整评估:通过分析生产线的可调整性,评估生产弹性。
可以根据市场需求的变化,灵便调整生产能力,提高生产效率。
生产能力评估方法在当今竞争激烈的市场环境下,企业要想保持竞争优势,就需要保持高效的生产能力。
而准确评估和衡量生产能力是企业决策的重要依据之一。
本文将介绍几种常见的生产能力评估方法,帮助企业更好地了解和优化其生产过程。
一、生产能力评估方法之产能利用率产能利用率是最为常用的评估生产能力的方法之一。
产能利用率可以通过计算“实际产量”与“理论产量”的比值得出。
其中,“实际产量”指的是企业在一定时期内实际生产的产品数量,而“理论产量”则是根据工厂的生产设计和设备的能力所计算出的最大产出。
通过计算产能利用率,企业可以了解到生产线的实际运行情况,是否达到了最佳生产效率。
二、生产能力评估方法之生产效率生产效率是评价生产能力的另一个重要指标。
生产效率可以通过计算“实际生产量”与“消耗的资源量”之比得出。
其中,“实际生产量”指的是企业在一定时间内所生产的产品数量,“消耗的资源量”则是生产过程中耗费的各种资源,如人力、物力、时间等。
通过计算生产效率,企业可以了解到资源的利用效率,进而发现和解决生产过程中的低效环节,提高生产效率。
三、生产能力评估方法之时间效率时间效率是评估生产能力的另一个关键指标。
时间效率可以通过计算“实际生产时间”与“理论生产时间”的比值得出。
其中,“实际生产时间”指的是企业实际生产产品所用的时间,“理论生产时间”是根据产品生产的工序和标准工时计算出的理论时间。
通过计算时间效率,企业可以了解到生产过程中是否存在时间上的浪费,从而通过优化生产流程来提高生产能力。
四、生产能力评估方法之设备利用率设备利用率是评估生产能力的重要指标之一。
设备利用率可以通过计算“设备运行时间”与“设备总时间”的比值得出。
其中,“设备运行时间”指的是企业设备在一定时间内运行的时间,“设备总时间”则是设备在同一时间段内的总时长。
通过计算设备利用率,企业可以了解到设备的利用率情况,是否存在设备闲置或者设备寿命过短的问题,进而采取相应的措施来优化设备的使用,提高生产能力。
生产能力评估随着社会的不断发展和经济的快速增长,生产能力评估成为了企业经营和发展中的重要环节。
通过评估企业的生产能力,可以有效提升生产效率,优化资源配置,实现可持续发展。
本文将从生产能力评估的概念与重要性、评估方法与指标、案例分析等方面进行探讨。
一、生产能力评估的概念与重要性生产能力评估是指对企业在一定时间范围内,通过合理利用已有资源所能够实现的最大产出进行评估和分析的过程。
它包括对生产设备、技术水平、劳动力、原材料供应等各方面的综合考量,并通过量化指标来衡量企业的生产潜力和实际生产水平。
生产能力评估对企业的重要性不容忽视。
首先,生产能力评估可以帮助企业合理配置资源,提高生产效率。
通过对现有生产能力的评估,企业可以了解到自身的优势和短板,有针对性地进行生产流程的优化和改进,从而提高生产效率和产品质量。
其次,生产能力评估对企业的战略决策具有指导作用。
通过对生产能力的评估,企业可以清晰了解到自身的发展潜力和限制因素,为战略决策提供数据支持和参考。
例如,当企业计划扩大生产规模或引进新产品时,生产能力评估可以帮助企业确定是否有足够的资源和能力去实现目标。
最后,生产能力评估还可以为企业的内外部沟通提供依据。
企业可以通过将生产能力评估结果与相关方共享,增加各方对企业生产能力的了解和认可,提升企业的市场竞争力。
二、生产能力评估的方法与指标在进行生产能力评估时,可以采用多种方法和指标,以综合评估企业的生产能力水平。
以下是常用的生产能力评估方法和指标:1. 资源利用率:以企业资源的利用效率作为评估指标,包括设备利用率、劳动力利用率等。
通过对资源利用率的评估,可以判断企业在利用现有资源方面的能力和水平。
2. 生产效率:以产量、工时、产品质量等为评估指标,评估企业在单位时间内生产产品的能力和效率。
3. 能源消耗率:以单位产出所消耗能源量作为评估指标,评估企业生产能力的节能水平和资源利用效率。
4. 生产弹性:以企业应对外部环境变化的能力为评估指标,包括生产线的灵活性、供应链的应变能力等。
生产产能评估方法一、引言生产产能评估是企业在制定生产计划和资源配置时的重要依据,能够帮助企业合理安排生产能力,提高生产效率,降低成本,增强市场竞争力。
本文将介绍一种常用的生产产能评估方法,以帮助企业进行科学有效的产能评估。
二、背景在进行生产产能评估之前,我们需要了解一些背景信息。
例如,企业的生产设备、工艺流程、人员配备、原材料供应等。
这些信息对于评估生产产能具有重要的参考价值。
三、生产产能评估方法1. 数据收集首先,我们需要收集相关的数据,包括但不限于以下方面:- 生产设备的技术参数和工作效率;- 工艺流程中各个环节的生产能力和瓶颈;- 人员配备情况,包括操作工、技术人员等;- 原材料供应的可靠性和稳定性。
2. 生产能力计算根据收集到的数据,我们可以进行生产能力的计算。
常用的计算方法有以下几种:- 设备利用率计算:根据设备的运行时间和停机时间,计算设备的利用率。
利用率越高,说明设备的生产能力越大。
- 工序生产能力计算:根据工艺流程中各个环节的生产能力和瓶颈,计算整个工艺流程的生产能力。
瓶颈环节的生产能力将决定整个工艺流程的生产能力。
- 人员生产能力计算:根据人员的数量和工作效率,计算人员的生产能力。
人员的生产能力将直接影响到整个生产线的产能。
- 原材料供应能力评估:根据原材料供应的可靠性和稳定性,评估原材料供应的能力。
供应能力不足将影响到生产线的正常运转。
3. 产能评估结果分析根据以上的计算结果,我们可以得出生产产能评估的结果。
通过对结果的分析,可以找出生产线中的瓶颈和潜在问题,并制定相应的改进措施。
例如,对于瓶颈环节,可以考虑增加设备投入或优化工艺流程;对于人员生产能力不足的情况,可以考虑培训或招聘更多的人员。
四、案例分析为了更好地理解生产产能评估方法的应用,我们以某电子产品制造企业为例进行案例分析。
根据该企业的生产设备、工艺流程、人员配备和原材料供应情况,我们进行了生产产能评估,并得出了以下结论:- 设备利用率较高,达到了80%;- 工艺流程中的瓶颈在焊接环节,导致整个工艺流程的生产能力受限;- 人员配备较为充足,但工作效率有待提高;- 原材料供应稳定可靠。
生产产能评估方法标题:生产产能评估方法引言概述:生产产能评估是企业管理中的重要环节,它能够帮助企业准确了解自身的生产能力,并对生产效率进行评估和改进。
本文将介绍五种常用的生产产能评估方法,分别是需求分析法、时间研究法、作业分析法、效率评估法和产能利用率分析法。
一、需求分析法:1.1 确定需求量:通过市场调研和需求预测,准确估算产品或服务的需求量。
1.2 分析生产能力:根据企业的生产设备、工人数量和生产工艺,评估企业的生产能力。
1.3 比较需求与能力:将需求量与生产能力进行对比,找出差距并制定相应的生产计划。
二、时间研究法:2.1 测量工序时间:通过观察和记录,测量每个工序所需的时间。
2.2 分析瓶颈工序:确定生产中的瓶颈工序,即影响整个生产流程的最慢环节。
2.3 优化时间利用:通过优化瓶颈工序和调整其他工序的时间,提高生产效率和产能。
三、作业分析法:3.1 分解作业:将复杂的生产作业分解为多个简单的工序,明确每个工序的任务和要求。
3.2 评估工序能力:根据工人的技能和经验,评估每个工序的生产能力。
3.3 优化工序流程:通过调整工序的顺序、改进工艺和培训工人,提高生产效率和产能。
四、效率评估法:4.1 设定效率指标:根据生产目标和要求,设定合理的效率指标,如单位时间产量或单位时间成本。
4.2 监测生产过程:通过实时监测生产过程中的关键指标,如生产速度、废品率等,评估生产效率。
4.3 改进生产流程:根据评估结果,找出问题所在并采取相应的改进措施,提高生产效率和产能。
五、产能利用率分析法:5.1 收集数据:收集生产设备的运行时间、停机时间和维修时间等数据。
5.2 计算产能利用率:根据收集的数据,计算出生产设备的产能利用率。
5.3 优化设备利用:通过改进设备维护和保养,减少停机时间和维修时间,提高设备的产能利用率。
结论:生产产能评估方法是企业管理的重要工具,通过准确评估和改进生产能力,企业可以提高生产效率和产能,进而提升竞争力和盈利能力。
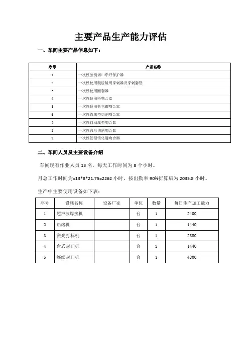
主要产品生产能力评估
一、车间主要产品信息如下:
二、车间人员及主要设备介绍
车间现有作业人员13名,每天工作时间为8个小时。
月总工作时间为=13*8*21.75=2262小时,按出勤率90%折算后为2035.8小时。
生产中主要使用设备如下表:
三、根据生产工艺及人工动作测定工艺用时:
1)一次性腔镜切口牵开保护器其主要工艺如下:产能约 510个/天
2)一次性使用腹腔镜用穿刺器及穿刺套管其主要工艺如下:产能约 700个每天
3)一次性使用圈套器其主要工艺如下:产能约900个/天
4)一次性使用痔吻合器其主要工艺如下:产能约110把/天
5)一次性使用荷包钳吻合器其主要工艺如下:产能约230把/天
6)一次性直线型切割吻合器其主要生产工艺如下:产能约220把/天
7)一次性自动线型吻合器其主要生产工艺如下:产能约230把/天
8)一次性弧形切割吻合器其主要生产工艺如下:产能约230把/天
四、生产能力评估分析
我公司的产品,主要以手工组装为主,工人的熟练度与作业产能有直接的关系,当前的产能为作业员熟练作业后的产能,在生产过程中,原材料的品质,前期准备是否完善,都会影响到产品的产出能力。
从现有设备的生产能力来看,当前的生产能力并未满足设备的负荷,与工人的人数有直接关系,建议综合销售订单情况,适当增加车间作业员,以提高设备运作效率。
生产产能评估方法一、引言生产产能评估是企业管理中的重要环节,它可以匡助企业合理规划生产能力,提高生产效率,降低生产成本,满足客户需求,增强企业竞争力。
本文将介绍一种常用的生产产能评估方法,以匡助企业进行生产能力评估和规划。
二、方法概述该生产产能评估方法基于以下几个关键指标进行评估:生产设备利用率、生产线效率、生产人员效率和生产周期。
通过对这些指标的综合评估,可以得出一个相对准确的生产产能评估结果。
三、评估指标及计算方法1. 生产设备利用率生产设备利用率是指生产设备在一定时间内的实际工作时间与总工作时间之比。
计算公式如下:生产设备利用率 = (实际工作时间 / 总工作时间) × 100%2. 生产线效率生产线效率是指在一定时间内,生产线实际产出与理论最大产出之比。
计算公式如下:生产线效率 = (实际产出 / 理论最大产出) × 100%3. 生产人员效率生产人员效率是指在一定时间内,生产人员实际工作时间与总工作时间之比。
计算公式如下:生产人员效率 = (实际工作时间 / 总工作时间) × 100%4. 生产周期生产周期是指从定单接收到产品交付的时间。
计算公式如下:生产周期 = 定单交付时间 - 定单接收时间四、评估步骤1. 采集数据采集生产设备工作时间、生产线产出数据、生产人员工作时间、定单接收和交付时间等相关数据。
2. 计算生产设备利用率根据采集到的数据,计算生产设备利用率。
3. 计算生产线效率根据采集到的数据,计算生产线效率。
4. 计算生产人员效率根据采集到的数据,计算生产人员效率。
5. 计算生产周期根据采集到的定单接收和交付时间,计算生产周期。
6. 综合评估根据以上计算结果,综合评估生产产能,并进行相应的分析和规划。
五、案例分析以某家电创造企业为例,根据采集到的数据,计算生产产能评估结果如下:- 生产设备利用率为80%- 生产线效率为90%- 生产人员效率为85%- 生产周期为30天根据以上评估结果,该企业的生产产能较高,但仍有提升空间。
生产产能评估方法引言概述:生产产能评估是企业管理中的重要环节,它可以匡助企业确定其生产能力,并为决策提供依据。
本文将介绍五种常见的生产产能评估方法,包括:工艺分析法、能力指数法、瓶颈分析法、生产线平衡法和生产能力利用率分析法。
一、工艺分析法:1.1 工艺流程分析:通过对生产工艺流程的详细分析,确定每一个环节的生产能力。
1.2 作业分析:对每一个作业进行分析,确定其所需的时间、人力和设备资源。
1.3 产能评估:根据工艺流程和作业分析的结果,计算出整个生产过程的产能。
二、能力指数法:2.1 能力指数的定义:能力指数是指企业实际生产能力与标准生产能力之间的比值。
2.2 能力指数的计算:根据企业的实际生产数据和标准生产能力,计算出能力指数。
2.3 能力指数的分析:通过对能力指数的分析,评估企业的生产能力是否达到预期水平。
三、瓶颈分析法:3.1 瓶颈的定义:瓶颈是指在生产过程中限制整个生产能力的环节或者资源。
3.2 瓶颈的识别:通过对生产过程的分析,确定瓶颈环节或者资源。
3.3 瓶颈的优化:通过优化瓶颈环节或者资源,提高整个生产过程的产能。
四、生产线平衡法:4.1 生产线平衡的目标:生产线平衡是指在不增加资源的情况下,使各个工作站的生产能力达到平衡。
4.2 生产线平衡的方法:通过对生产线的分析,确定各个工作站的生产能力,并进行调整,使其达到平衡。
4.3 生产线平衡的优势:生产线平衡可以提高生产效率,减少资源浪费,提高产能。
五、生产能力利用率分析法:5.1 生产能力利用率的计算:根据生产能力和实际产量,计算出生产能力利用率。
5.2 生产能力利用率的分析:通过对生产能力利用率的分析,评估企业的生产能力利用情况。
5.3 生产能力利用率的优化:通过优化生产过程,提高生产能力利用率,提高产能。
总结:生产产能评估是企业管理中的重要环节,通过工艺分析法、能力指数法、瓶颈分析法、生产线平衡法和生产能力利用率分析法等方法,可以匡助企业准确评估其生产能力,并为决策提供重要依据。
生产产能评估方法一、引言生产产能评估是指对企业的生产能力进行全面评估和分析,以确定其生产能力是否满足市场需求,并为企业的生产规划和决策提供依据。
本文将介绍一种常用的生产产能评估方法,以帮助企业更好地评估和提升生产能力。
二、数据收集1. 收集生产数据:包括生产线的产能、产量、生产时间、停机时间等相关数据。
2. 收集市场需求数据:了解市场对产品的需求量、变化趋势等信息。
三、生产产能评估指标1. 利用率:生产线的利用率是指实际生产时间占总生产时间的比例,可以通过以下公式计算:利用率 = 实际生产时间 / 总生产时间 × 100%2. 效率:生产线的效率是指实际产量与理论产量之间的比例,可以通过以下公式计算:效率 = 实际产量 / 理论产量 × 100%3. 生产能力:生产能力是指生产线在一定时间内能够生产的最大产量,可以通过以下公式计算:生产能力 = 总生产时间 ×产能四、生产产能评估方法1. 利用率评估:a. 计算每个生产线的利用率。
b. 对比不同生产线的利用率,找出利用率较低的生产线。
c. 分析利用率低的原因,例如停机时间过长、生产效率低下等。
d. 提出改善措施,如减少停机时间、提高生产效率等。
2. 效率评估:a. 计算每个生产线的效率。
b. 对比不同生产线的效率,找出效率较低的生产线。
c. 分析效率低的原因,例如生产过程中存在的浪费、设备老化等。
d. 提出改善措施,如优化生产流程、更新设备等。
3. 生产能力评估:a. 根据市场需求数据和生产能力指标,计算每个生产线的生产能力。
b. 对比生产能力与市场需求,确定是否存在生产能力不足的情况。
c. 分析生产能力不足的原因,例如市场需求波动大、生产线布局不合理等。
d. 提出提升生产能力的措施,如增加生产线、调整生产计划等。
五、案例分析以某电子产品制造企业为例,假设该企业有两条生产线,每条生产线每天工作8小时,产能为1000件产品。
生产能力评估及保障程序引言概述:在现代工业生产中,生产能力评估及保障程序是确保企业能够高效运作的关键环节。
通过评估生产能力,企业可以了解自身的生产潜力,并制定相应的保障程序来提高生产效率和质量。
本文将从五个方面详细阐述生产能力评估及保障程序的重要性和具体实施方法。
一、设备评估1.1 设备状态评估:对生产设备进行定期检查和维护,确保其正常运行。
评估设备的磨损程度、可靠性和寿命,及时替换老化设备,避免因设备故障导致生产能力下降。
1.2 设备性能评估:通过设备性能测试,评估设备的生产能力和稳定性。
测试设备的生产速度、精度和可靠性,以确定其是否满足生产需求。
1.3 设备改进评估:根据设备评估结果,制定设备改进计划。
通过引入新技术、优化设备布局和提升设备自动化水平等方式,提高设备的生产效率和质量。
二、人力资源评估2.1 人员技能评估:对员工的技能水平进行评估,了解其在生产过程中的能力和熟练程度。
通过培训和提升员工技能,提高生产效率和质量。
2.2 人员配置评估:评估员工的数量和配置是否满足生产需求。
根据生产计划和工作量,合理安排人员,确保生产线的正常运转。
2.3 人员激励评估:评估激励机制是否能够激发员工的积极性和创造力。
通过制定奖励制度和提供良好的工作环境,增强员工的工作动力,提高生产能力。
三、供应链评估3.1 供应商评估:评估供应商的供货能力和产品质量。
选择可靠的供应商,确保原材料的及时供应和质量稳定。
3.2 供应链协同评估:评估供应链各环节之间的协同效率。
通过优化供应链流程和信息共享,提高供应链的响应速度和灵便性。
3.3 库存管理评估:评估库存管理的准确性和效率。
通过合理的库存控制和预测,避免库存过多或者过少,保证生产能力的平稳运行。
四、质量管理评估4.1 生产过程评估:评估生产过程中的质量控制措施和效果。
建立完善的生产工艺和质量检测流程,确保产品符合标准要求。
4.2 产品检测评估:评估产品的质量检测方法和设备。
评估生产能力的方法一个组织的生产能力是指其在一定时间内可以完成的工作数量。
评估生产能力是组织管理中一项重要的任务,它可以帮助组织确定生产目标、制定生产计划、分配资源,以及提高生产效率和盈利能力。
下面将介绍一些常用的评估生产能力的方法。
1.数据收集评估生产能力的第一步是收集相关的数据。
数据可以包括组织的产量、生产周期、生产成本、生产设备的产能等信息。
这些数据可以通过生产记录、设备监测、员工报告等方式获得。
数据收集是评估生产能力的基础,只有掌握了准确的数据,才能进行准确的评估。
2.生产效率指标生产效率指标是评估生产能力的重要指标之一、常用的生产效率指标有产能利用率、设备利用率和劳动生产率等。
产能利用率是指实际产能与理论产能之间的比例。
设备利用率是指设备运行时间与总可用时间之间的比例。
劳动生产率是指单位时间内完成的工作量。
通过监测和分析这些指标的变化,可以评估生产能力的优劣和改进的空间。
3.产能规划产能规划是评估生产能力的重要环节。
通过分析市场需求和竞争对手的情况,组织可以确定合适的产能水平。
产能规划包括长期产能规划和短期产能规划。
长期产能规划是制定组织未来几年的生产目标和战略的指南,短期产能规划是确定近期生产计划和资源调度的依据。
产能规划对于组织的发展和盈利能力至关重要,可以帮助组织避免产能过剩或产能不足的问题。
4.增加产能增加产能是提高生产能力的一种方法。
有几种方法可以增加产能,如购买新设备、提高设备利用率、改善工作流程和增加劳动力等。
在选择增加产能的方法时,组织需要考虑成本、效益和可行性等方面的因素。
通过增加产能,组织可以满足不断增长的市场需求,提高产品质量和竞争力。
5.供应链管理供应链管理是评估生产能力的重要环节之一、组织的生产能力不仅取决于自身的生产过程,还取决于供应链中其他环节的稳定性和效率。
通过与供应商、分销商和物流公司的合作,组织可以实现供应链的协调和优化,提高整体生产能力。
供应链管理包括供应商选择、供应计划制定、库存管理和物流运输等方面的内容。
生产产能评估方法一、引言生产产能评估是指通过对企业生产能力进行评估和分析,确定企业在特定时间内能够生产的产品数量。
准确评估生产产能对企业的生产计划、资源配置以及市场竞争具有重要意义。
本文将介绍一种常用的生产产能评估方法,以匡助企业更好地进行生产计划和资源管理。
二、数据采集1. 产品信息:采集企业所生产产品的相关信息,包括产品名称、规格、生产工艺、生产周期等。
2. 设备信息:采集企业所拥有的生产设备的相关信息,包括设备名称、数量、技术参数、运行效率等。
3. 人力资源信息:采集企业的人力资源情况,包括员工数量、工作时间、生产技能水平等。
三、评估方法1. 单位时间生产能力评估a. 计算设备生产能力:根据设备的运行效率和生产周期,计算出设备在单位时间内能够生产的产品数量。
b. 计算人力资源生产能力:根据员工的工作时间和生产技能水平,计算出员工在单位时间内能够完成的工作量。
c. 综合评估:将设备生产能力和人力资源生产能力进行综合评估,得出单位时间内企业的总生产能力。
2. 生产能力利用率评估a. 计算实际产量:根据企业实际生产的产品数量,计算出实际产量。
b. 计算理论产量:根据单位时间生产能力评估结果,计算出理论上能够生产的产品数量。
c. 计算生产能力利用率:将实际产量除以理论产量,得出生产能力的利用率。
3. 生产能力提升分析a. 定位瓶颈环节:通过对生产过程进行分析,找出生产过程中的瓶颈环节,即生产能力受限的环节。
b. 优化瓶颈环节:针对瓶颈环节,采取相应的优化措施,提高生产能力。
c. 重新评估生产能力:在优化瓶颈环节后,重新进行生产能力评估,得出新的生产能力结果。
四、案例分析以某电子产品创造企业为例,该企业生产手机,拥有100台生产设备和500名员工。
通过数据采集和评估方法,得出以下结果:1. 单位时间生产能力评估结果:设备生产能力为每小时生产100台手机,人力资源生产能力为每小时组装200台手机,综合评估得出每小时总生产能力为300台手机。
生产产能评估方法引言:随着市场竞争的加剧,企业对于生产产能的评估变得越来越重要。
准确评估生产产能可以帮助企业合理规划生产能力,提高生产效率,降低成本,从而在激烈的市场竞争中获得优势。
本文将介绍几种常用的生产产能评估方法,包括产能利用率评估、生产效率评估、瓶颈分析和产能需求预测。
一、产能利用率评估:1.1 设备利用率评估:通过统计设备的运行时间和停机时间,计算设备的利用率。
利用率高的设备表示生产效率高,产能利用率高。
1.2 人员利用率评估:通过统计员工的工作时间和非工作时间,计算人员的利用率。
人员利用率高表示员工的工作效率高,产能利用率高。
1.3 原材料利用率评估:通过统计原材料的消耗量和废料量,计算原材料的利用率。
原材料利用率高表示原材料的浪费少,产能利用率高。
二、生产效率评估:2.1 生产周期评估:通过统计产品从生产开始到完成的时间,计算生产周期。
生产周期短表示生产效率高。
2.2 生产质量评估:通过统计产品的次品率和报废率,计算生产质量。
生产质量高表示生产效率高。
2.3 生产成本评估:通过统计生产过程中的各项费用,计算生产成本。
生产成本低表示生产效率高。
三、瓶颈分析:3.1 识别瓶颈环节:通过分析生产过程中的各个环节,找出生产过程中产能受限的环节,即瓶颈环节。
3.2 优化瓶颈环节:通过改进瓶颈环节的工艺流程、增加设备投入或提高人员技能等方式,优化瓶颈环节,提高产能。
3.3 监控瓶颈环节:通过建立监控系统,实时监测瓶颈环节的运行状态,及时发现问题并采取措施,确保瓶颈环节的稳定运行。
四、产能需求预测:4.1 市场需求分析:通过市场调研和数据分析,了解市场对产品的需求情况,预测未来的市场需求。
4.2 产品生命周期分析:通过分析产品的生命周期,预测产品的销售量和产能需求的变化趋势。
4.3 产能规划:根据市场需求和产品生命周期分析的结果,制定产能规划,包括生产能力的扩充、设备的更新等,以满足未来的产能需求。
生产产能评估方法一、引言生产产能评估是指通过对企业生产能力进行全面评估,以确定企业在特定时间段内能够生产的产品数量或提供的服务水平。
准确评估生产产能对于企业的规划、决策和资源配置具有重要意义。
本文将介绍一种常用的生产产能评估方法,以帮助企业准确评估自身的生产能力。
二、方法概述本文介绍的生产产能评估方法主要基于以下几个方面进行评估:生产设备、劳动力、生产工艺和供应链管理。
1. 生产设备评估生产设备是企业生产的基础,评估生产设备的关键指标包括设备数量、设备效率和设备可用性。
通过对设备数量进行统计,可以确定企业的生产能力上限。
同时,评估设备效率和可用性可以确定企业的实际生产能力。
2. 劳动力评估劳动力是生产过程中不可或缺的因素,评估劳动力的关键指标包括员工数量、员工技能和员工效率。
通过对员工数量的统计,可以确定企业的劳动力资源。
同时,评估员工技能和效率可以确定企业的生产效率和生产能力。
3. 生产工艺评估生产工艺是企业生产的核心,评估生产工艺的关键指标包括生产周期、生产质量和生产效率。
通过对生产周期的统计,可以确定企业的生产周期和生产能力。
同时,评估生产质量和效率可以确定企业的生产能力和产品质量。
4. 供应链管理评估供应链管理是企业生产的重要环节,评估供应链管理的关键指标包括供应商可靠性、物流效率和库存管理。
通过对供应商可靠性的评估,可以确定企业的供应链稳定性和生产能力。
同时,评估物流效率和库存管理可以确定企业的生产能力和物流成本。
三、数据收集与分析为了准确评估生产产能,需要收集相关数据并进行分析。
数据收集可以通过企业内部统计和调查问卷等方式进行。
以下是一些常用的数据收集方法:1. 设备数据收集:通过设备管理系统或设备维护记录,收集设备数量、效率和可用性等数据。
2. 员工数据收集:通过人力资源管理系统或员工调查问卷,收集员工数量、技能和效率等数据。
3. 生产数据收集:通过生产管理系统或生产记录,收集生产周期、质量和效率等数据。
主要产品生产能力评估
一、车间主要产品信息如下:
二、车间人员及主要设备介绍
车间现有作业人员13名,每天工作时间为8个小时。
月总工作时间为=13*8*21.75=2262小时,按出勤率90%折算后为2035.8小时。
生产中主要使用设备如下表:
三、根据生产工艺及人工动作测定工艺用时:
1)一次性腔镜切口牵开保护器其主要工艺如下:产能约 510个/天
2)一次性使用腹腔镜用穿刺器及穿刺套管其主要工艺如下:产能约 700个每天
3)一次性使用圈套器其主要工艺如下:产能约900个/天
4)一次性使用痔吻合器其主要工艺如下:产能约110把/天
5)一次性使用荷包钳吻合器其主要工艺如下:产能约230把/天
6)一次性直线型切割吻合器其主要生产工艺如下:产能约220把/天
7)一次性自动线型吻合器其主要生产工艺如下:产能约230把/天
8)一次性弧形切割吻合器其主要生产工艺如下:产能约230把/天
四、生产能力评估分析
我公司的产品,主要以手工组装为主,工人的熟练度与作业产能有直接的关系,当前的产能为作业员熟练作业后的产能,在生产过程中,原材料的品质,前期准备是否完善,都会影响到产品的产出能力。
从现有设备的生产能力来看,当前的生产能力并未满足设备的负荷,与工人的人数有直接关系,建议综合销售订单情况,适当增加车间作业员,以提高设备运作效率。