煤炭建设井巷工程辅助费综合定额说明
- 格式:doc
- 大小:101.50 KB
- 文档页数:12
煤炭建设井巷工程辅助费综合定额说明第一条《煤炭建设井巷工程辅助费综合定额(2007基价)》(以下简称本定额)是根据建设部实行工程量清单计价的要求和中国煤炭建设协会关于对煤炭各类定额进行修编的安排进行编制的。
适用于新建、改建、扩建矿井基本建设的井巷工程,是编制初步设计概算、施工图预算、编制招标标底和清单计价的依据。
第二条本定额是以矿井井巷工程量、井巷工程施工工期及费用分摊的办法而制定的每10m井筒、巷道和每100m3硐室的费用定额。
第三条本定额为综合成井成巷定额,工作内容包括从井筒破土至全部工程按设计要求竣工验收过程中的全部工作,如井巷掘进、支护、水沟、电缆沟、管子沟、台阶、扶手、设备基础、铺轨(不含斜井井筒及平硐硐身)、管线敷设、机电设备安装及其它零星工程。
还包括施工过程中一般自然条件影响,如巷道滴水、淋水;平均厚度在0.8m以下,一处冒落体积在20m3以内的局部片帮冒顶;壁后注浆;三小时以内的临时停水、停电和其它非主观原因造成的影响较少的时间。
凡定额中包括的内容,不得另取井巷工程辅助费。
设计为无永久轨道、胶带(刮板)输送机、搪瓷(铸石)溜槽、单轨吊的工程(不含斜井井筒及平硐硐身)以0.96系数调整。
第四条本定额施工工期中不包括下列内容:一、矿井移交生产时永久设备的联合试运转和试生产。
二、处理因地质原因造成的大冒顶,即平均冒落厚度0.8m以上,一处冒落体积20m3以上这两个条件同时具备的冒顶。
三、工作面预注浆、探放沼气、探放水。
四、3小时以上停水、停电。
五、发生上述二、三、四种情况不能继续掘进、支护作业时,应按施工组织措施安排编制辅助费补偿费,其计算公式如下:F=D·K·T式中:F—辅助费补偿费;D—停工的立井井筒(砌碹支护)、斜井及巷道每10m(硐室100m3)相应条件的锚喷支护定额基价;T—停工天数;K—下表所列进度折算系数:第五条本定额工期按施工阶段分为四期。
第一期—井筒期。
煤炭建设井巷工程辅助费综合定额(2015)总说明说明1.0.1《煤炭建设井巷工程辅助费综合定额(2015除税基价)》(以下简称本定额)是为了深化工程计价改革的需要,根据住房城乡建设部、财政部颁发的《建筑安装工程费用项目组成》(建标(2013)44号)和住房城乡建设部《建设工程工程量清单计价规范》(GB50500-2013)、《矿山工程工程量计算规范》(GB50859-2013)等规定进行编制的。
适用于新建、改建、扩建矿井基本建设的井巷工程,是编制施工图预算、工程结算、招标控制价、招标标底和投标报价价的依据。
1.0.2本定额按矿井井巷工程量、井巷工程施工工期,以费用分摊的办法制定的每10m井筒、巷道和每100m3硐室的费用定额。
1.0.3本定额为综合成井成巷定额。
工作内容包括从井筒破土至全部工程按设计要求竣工验收过程中的全部工作,如井巷掘进、支护、水沟、电缆沟、管子沟、地坪、台阶、扶手、设备基础、铺轨、管线敷设、机电设备安装及其他零星工程。
还包括施工过程中一般自然条件影响,如巷道滴水、淋水;平均厚度在0.8m以下,一处冒落体积在20m3以内的局部片帮冒顶;壁后注浆(不含立井井筒);3h以内的临时停水、停电。
凡定额中包括的内容,不得另取井巷工程辅助费。
1.0.4本定额施工工期中不包括下列内容:1 矿井移交生产时永久设备的联合试运转和试生产。
2 处理因地质原因造成的大冒顶,即平均冒落厚度0.8m以上,一处冒落体积20m3以上这两个条件同时具备的冒顶。
3 工作面预注浆、探放瓦斯、探放水、探煤以及立井井筒壁后注浆。
4 3h以上停水、停电等。
(自备电源柴油发电机保证辅助系统的运转)5发生上述2、3、4种情况,井巷工程不能继续掘进、支护作业时,应按施工组织措施安排编制辅助费补偿费,其计算公式如下:F=D*K*T式中 F-------辅助费补偿费;D-------停工的立井井筒(砌碹支护)、斜井及巷道每10m(硐室100m3)相应条件的锚喷支护定额基价;T--------停工天数;(总小时/24=天,指辅助系统运转时间补偿)K--------进度折算系数,参见表1.0.4。
煤炭建设井巷工程辅助费综合定额(2015)总说明说明1.0.1《煤炭建设井巷工程辅助费综合定额(2015除税基价)》(以下简称本定额)是为了深化工程计价改革的需要,根据住房城乡建设部、财政部颁发的《建筑安装工程费用项目组成》(建标(2013)44号)和住房城乡建设部《建设工程工程量清单计价规范》(GB50500-2013)、《矿山工程工程量计算规范》(GB50859-2013)等规定进行编制的。
适用于新建、改建、扩建矿井基本建设的井巷工程,是编制施工图预算、工程结算、招标控制价、招标标底和投标报价价的依据。
1.0.2本定额按矿井井巷工程量、井巷工程施工工期,以费用分摊的办法制定的每10m井筒、巷道和每100m3硐室的费用定额。
1.0.3本定额为综合成井成巷定额。
工作内容包括从井筒破土至全部工程按设计要求竣工验收过程中的全部工作,如井巷掘进、支护、水沟、电缆沟、管子沟、地坪、台阶、扶手、设备基础、铺轨、管线敷设、机电设备安装及其他零星工程。
还包括施工过程中一般自然条件影响,如巷道滴水、淋水;平均厚度在0.8m以下,一处冒落体积在20m3以内的局部片帮冒顶;壁后注浆(不含立井井筒);3h以内的临时停水、停电。
凡定额中包括的内容,不得另取井巷工程辅助费。
1.0.4本定额施工工期中不包括下列内容:1 矿井移交生产时永久设备的联合试运转和试生产。
2 处理因地质原因造成的大冒顶,即平均冒落厚度0.8m以上,一处冒落体积20m3以上这两个条件同时具备的冒顶。
3 工作面预注浆、探放瓦斯、探放水、探煤以及立井井筒壁后注浆。
4 3h以上停水、停电等。
(自备电源柴油发电机保证辅助系统的运转)5发生上述2、3、4种情况,井巷工程不能继续掘进、支护作业时,应按施工组织措施安排编制辅助费补偿费,其计算公式如下:F=D*K*T式中 F-------辅助费补偿费;D-------停工的立井井筒(砌碹支护)、斜井及巷道每10m(硐室100m3)相应条件的锚喷支护定额基价;T--------停工天数;(总小时/24=天,指辅助系统运转时间补偿)K--------进度折算系数,参见表1.0.4。
煤炭建设定额说明中系数调整精编(07基价)一、煤炭建设井巷工程消耗量定额说明中系数调整精编1、井下温度高于26°c时,井下用工以1.11系数调整。
2、高瓦斯管理的矿井,其人工、机械消耗量按1.1系数调整。
3、定额是按海拔标高<2000m制定的,如超过时,人工、机械按下表调整: 海拔高度(m)<2500<3000<3500<4000人工调整系数1.061.151.231.32施工机械调整系数1.201.304、定额掘进均按光面爆破编制的,当砌碹或支护的巷道和硐室采用普通爆破施工时,掘进定额以0.83系数调整。
5、如在煤层巷道中夹石厚度>250mm,或在岩层巷道中夹煤厚度>400mm时(如有数层夹石或夹煤,厚度按总厚计算),均为半煤岩巷道。
半煤岩巷道套用定额时,按巷道内煤层与岩层的体积分别选用相应条件的煤或岩石掘进定额,人工、机械分别以1.1系数调整。
6、定额中未出现钢筋混凝土定额。
使用时可套用相应的混凝土砌碹定额,人工消耗量分别按单层筋以1.11系数调整,双层筋以1.18系数调整。
钢筋另按其设计重量选用钢筋制作绑扎定额。
7、架设树脂锚杆时,定额人工、机械台班消耗量均以1.1系数调整;架设水泥药卷锚杆时,定额人工、机械台班消耗量均以 1.2系数调整;当锚杆架设增加钢带时,定额人工以1.05系数调整。
8、在煤(岩)与瓦斯(二氧化碳)突出矿井的煤巷施工时,采用人工装岩(煤),掘进定额扣除耙斗装岩机台班用量,人工以1.23系数调整。
9、立井井筒章节中砌壁部分是以无梁窝或不预留梁窝制定的,需预留梁窝时,其砌壁劳动力消耗量以1.1系数调整。
10、暗立井井筒未单独出现定额,使用时套用相应的立井井筒定额,其劳动力消耗量掘进以1.2系数调整,砌壁以1.1系数调整。
11、当斜井井筒的倾角>45°时,掘进及支护定额按<45°定额套用,其劳动力以1.12系数调整。
井巷工程学习笔记(辅助费综合定额)说明第一条《煤炭建设井巷工程辅助费综合定额》(2007基价)(以下简称本定额)是根据建设部实行工程量清单计价的要求和中国煤炭建设协会关于对煤炭各类定额进行修编的安排进行编制的。
适用于新建、改建、扩建矿井基本建设的井巷工程,是编制初步设计概算、施工图预算、编制招标标底和清单计价的依据。
第二条本定额是以矿井井巷工程量、井巷工程施工工期及费用分摊的办法为依据制定的每10m井筒、巷道和每100m3硐室的费用定额。
(说明:定额单位:井筒及巷道10m、硐室100m3、尾工期铺轨100m。
)第三条本定额为综合成井成巷定额,工作内容包括从井筒破土至全部工程按设计要求竣工验收过程中的全部工作,如井巷掘进、支护、水沟、电缆沟、管子沟、台阶、扶手、设备基础、铺轨(不含斜井井筒及平筒硐身)、管线敷设、机电设备安装及其他零星工程。
还包括施工过程中一般自然条件影响,如巷道滴水,淋水;平均厚度在0.8m以下,一处冒落体积在20m3以内的局部片帮冒顶;壁后注浆;3小时以内的临时停水、停电和其他非主观原因造成的较少时间的影响。
凡定额中包括的内容,不得另取井巷工程辅助费。
设计为无永久轨道、带式(刮板)输送机、搪瓷(铸石)溜槽、单轨吊的工程(不含斜井井筒及平筒硐身及硐室)以0.96系数调整。
第四条本定额施工工期中不包括下列内容:一、矿井移交生产时永久设备的联合试运转和试生产。
二、处理因地质原因造成的大冒顶,即平均冒落厚度0.8m以上,一处冒落体积20m3以上这两个条件同时具备的冒顶。
三、工作面预注浆、探放沼气、探放水。
四、3小时以上停水,停电。
五、发生上述二,三,四种情况不能继续掘进,支护作业时,应按施工组织措施安排编制辅助费补偿费,其计算公式如下:F=D·K·T式中F——辅助费补偿费:D——停工的立井井筒(砌碹支护)、斜井及巷道每10m(硐室100m3)相应条件的锚喷支护定额基价;T——停工天数;K——下表所列进度折算系数:(关于补偿费计算问题说明:定额说明规定施工过程中处理因地质原因造成的大冒顶,即平均冒落厚度0.8m以上,一处冒落体积20m3以上这两个条件同时具备的冒顶;工作面预注浆、探放沼气、探放水;3小时以上停水、停电三种情况不能继续掘进、支护作业时,应按施工组织措施安排编制辅助费补偿费。
煤炭建设井巷工程辅助费综合定额(2015)总说明说明1.0.1《煤炭建设井巷工程辅助费综合定额(2015除税基价)》(以下简称本定额)是为了深化工程计价改革的需要,根据住房城乡建设部、财政部颁发的《建筑安装工程费用项目组成》(建标(2013)44号)和住房城乡建设部《建设工程工程量清单计价规范》(GB50500-2013)、《矿山工程工程量计算规范》(GB50859-2013)等规定进行编制的。
适用于新建、改建、扩建矿井基本建设的井巷工程,是编制施工图预算、工程结算、招标控制价、招标标底和投标报价价的依据。
1.0.2本定额按矿井井巷工程量、井巷工程施工工期,以费用分摊的办法制定的每10m井筒、巷道和每100m3硐室的费用定额。
1.0.3本定额为综合成井成巷定额。
工作内容包括从井筒破土至全部工程按设计要求竣工验收过程中的全部工作,如井巷掘进、支护、水沟、电缆沟、管子沟、地坪、台阶、扶手、设备基础、铺轨、管线敷设、机电设备安装及其他零星工程。
还包括施工过程中一般自然条件影响,如巷道滴水、淋水;平均厚度在0.8m以下,一处冒落体积在20m3以内的局部片帮冒顶;壁后注浆(不含立井井筒);3h以内的临时停水、停电。
凡定额中包括的内容,不得另取井巷工程辅助费。
1.0.4本定额施工工期中不包括下列内容:1 矿井移交生产时永久设备的联合试运转和试生产。
2 处理因地质原因造成的大冒顶,即平均冒落厚度0.8m以上,一处冒落体积20m3以上这两个条件同时具备的冒顶。
3 工作面预注浆、探放瓦斯、探放水、探煤以及立井井筒壁后注浆。
4 3h以上停水、停电等。
(自备电源柴油发电机保证辅助系统的运转)5发生上述2、3、4种情况,井巷工程不能继续掘进、支护作业时,应按施工组织措施安排编制辅助费补偿费,其计算公式如下:F=D*K*T式中 F-------辅助费补偿费;D-------停工的立井井筒(砌碹支护)、斜井及巷道每10m(硐室100m3)相应条件的锚喷支护定额基价;T--------停工天数;(总小时/24=天,指辅助系统运转时间补偿)K--------进度折算系数,参见表1.0.4。
煤炭建设井巷工程辅助费综合定额说明第一条《煤炭建设井巷工程辅助费综合定额(2007基价)》(以下简称本定额)是根据建设部实行工程量清单计价的要求和中国煤炭建设协会关于对煤炭各类定额进行修编的安排进行编制的。
适用于新建、改建、扩建矿井基本建设的井巷工程,是编制初步设计概算、施工图预算、编制招标标底和清单计价的依据。
第二条本定额是以矿井井巷工程量、井巷工程施工工期及费用分摊的办法而制定的每10m井筒、巷道和每100m3硐室的费用定额。
第三条本定额为综合成井成巷定额,工作内容包括从井筒破土至全部工程按设计要求竣工验收过程中的全部工作,如井巷掘进、支护、水沟、电缆沟、管子沟、台阶、扶手、设备基础、铺轨(不含斜井井筒及平硐硐身)、管线敷设、机电设备安装及其它零星工程。
还包括施工过程中一般自然条件影响,如巷道滴水、淋水;平均厚度在0.8m以下,一处冒落体积在20m3以内的局部片帮冒顶;壁后注浆;三小时以内的临时停水、停电和其它非主观原因造成的影响较少的时间。
凡定额中包括的内容,不得另取井巷工程辅助费。
设计为无永久轨道、胶带(刮板)输送机、搪瓷(铸石)溜槽、单轨吊的工程(不含斜井井筒及平硐硐身)以0.96系数调整。
第四条本定额施工工期中不包括下列内容:一、矿井移交生产时永久设备的联合试运转和试生产。
二、处理因地质原因造成的大冒顶,即平均冒落厚度0.8m以上,一处冒落体积20m3以上这两个条件同时具备的冒顶。
三、工作面预注浆、探放沼气、探放水。
四、3小时以上停水、停电。
五、发生上述二、三、四种情况不能继续掘进、支护作业时,应按施工组织措施安排编制辅助费补偿费,其计算公式如下:F=D·K·T式中:F—辅助费补偿费;D—停工的立井井筒(砌碹支护)、斜井及巷道每10m(硐室100m3)相应条件的锚喷支护定额基价;T—停工天数;K—下表所列进度折算系数:第五条本定额工期按施工阶段分为四期。
第一期—井筒期。
煤炭建设井巷工程辅助费用综合概算定额1999基价第一条《煤炭建设井巷工程辅助费综合预算定额(99统一基价)》(以下简称本定额)是根据原国家计委建设函(1997)034号《关于同意对煤炭工程各类定额指标进行修编的复函》进行编制的。
适用于新建、改建、扩建矿井基本建设的井巷工程,是编制初步设计概算、施工图预算、编制招标标底、投标抱价的依据。
第二条本定额是以矿井井巷工程量、井巷工程施工工期及费用分摊的办法而制定的每10m井筒、巷道和100m3硐室的费用定额。
第三条本定额为综合成井成巷定额,施工期内工作内容包括从井筒破土至全部工程按设计要求竣工验收过程中的全部工作,如井巷掘进、支护、水沟、电缆沟、管子沟、台阶、扶手、设备基础、巷道铺轨、管线敷设、机电设备安装及其他零星工程,还包括施工过程中一般自然条件影响,如巷道滴水、淋水;平均厚度在0.8m以下,一处冒落体积在20m3以内的局部片帮冒顶;壁后注浆;3小时以内的临时停水、停电和其他非主观原因造成的影响较少的时间。
凡定额中包括的内容,不得另取井巷工程辅助费。
第四条本定额施工工期中不包括下列内容:一、矿井移交生产时永久设备的联合试运转和试生产。
二、处理因地质原因造成的大冒顶,即平均冒落厚度0.8m以上,一处冒落体积20m3以上这两个条件同时具备的冒顶。
三、工作面预注浆、探放沼气、探访水。
四、3小时以上停水、停电。
五、发生上述二、三、四中情况不能继续掘进、支护作业时,应按施工组织措施安排编制辅助费补偿费,其计算公式如下:F=D*K*T式中F-------辅助费补偿费;D-------停工的立井井筒(砌碹支护)、斜井及巷道每10m(硐室100m3)相应条件的锚喷支护定额基价;T--------停工天数;K--------下表所列进度折算系数;第五条本定额工期按施工阶段分为四期。
第一期----- 井筒期。
按开拓方式分为:1. 立井:指立井(暗立井)井筒、井筒与井底车场连接处、井底水窝及位于井筒中的硐室工程。
总说明一、《煤炭建设井巷工程消耗量定额(2007基价)》(以下简称本定额)是本着合理确定,有效控制工程造价,提高投资经济效益,适应社会主义市场经济体制的原则进行修编。
它是完成规定计量单位分部分项工程计价的人工,材料,施工机械台班消耗量标准。
二、本定额供编制井巷工程量清单报价及施工图预算之用;也是进行工程结算和编制招标工程标底或投标报价的依据。
三、本定额适用于新建、改建、扩建矿井的基本建设井巷工程。
四、本定额是在正常的施工条件,合理的施工组织前提下,依据现行有关国家标准,行业标准,安全规程及有代表性的工程设计,施工资料编制的,反映了当前及今后一定时期社会平均消耗水平。
五、本定额的费用及消耗量范围为直接定额费部分,由人工,材料和机械三项费用及消耗量组成:1、人工费单价的内容包括基本工资,岗位技能工资,煤炭统一性津贴,地方性津贴,辅助工资,职工福利费,劳动保护费等。
工种分为井下直接工,井下辅助工和地面辅助工。
2、材料费是按北京地区材料预算价格计算的,材料品种不足部分是选取几个矿区预算价格进行综合取定的。
材料消耗分为主要材料和周转使用摊销材料。
对于其他价值不大的零星材料,定额以“其他材料费”出现百分率和费用金额。
材料消耗量中,已包括材料,成品及半成品加工,场内运输和施工操作损耗。
3、机械使用费是根据现行常用施工机械型号,按有关规定计算的台班产量而确定的机械台班消耗量。
本定额未出现施工机械的风,水,电的消耗量,当需要调整价差时,按《煤炭建设工程施工机械台班费用定额(2007基价)》计算。
六、定额分别出现煤和岩石子目,岩石分类按普氏岩石系数(f)分为<1.5、<3、<6、<10、>10。
七、本定额的掘进与砌筑部分均已考虑了《矿山井巷工程施工及验收规范》允许超挖量的矸石运输,充填人工及材料用量。
计算工程量时,不允许重复计算超挖量。
但由于自然因素一处冒落厚度超过150mm,连续冒落体积3m3以上时,经核实验收后作为隐蔽工程处理,冒落出矸或充填套用相应定额。
煤炭建设井巷工程辅助费综合定额说明第一条《煤炭建设井巷工程辅助费综合定额(2007基价)》(以下简称本定额)是根据建设部实行工程量清单计价的要求和中国煤炭建设协会关于对煤炭各类定额进行修编的安排进行编制的。
适用于新建、改建、扩建矿井基本建设的井巷工程,是编制初步设计概算、施工图预算、编制招标标底和清单计价的依据。
第二条本定额是以矿井井巷工程量、井巷工程施工工期及费用分摊的办法而制定的每10m井筒、巷道和每100m3硐室的费用定额。
第三条本定额为综合成井成巷定额,工作内容包括从井筒破土至全部工程按设计要求竣工验收过程中的全部工作,如井巷掘进、支护、水沟、电缆沟、管子沟、台阶、扶手、设备基础、铺轨(不含斜井井筒及平硐硐身)、管线敷设、机电设备安装及其它零星工程。
还包括施工过程中一般自然条件影响,如巷道滴水、淋水;平均厚度在0.8m以下,一处冒落体积在20m3以内的局部片帮冒顶;壁后注浆;三小时以内的临时停水、停电和其它非主观原因造成的影响较少的时间。
凡定额中包括的内容,不得另取井巷工程辅助费。
设计为无永久轨道、胶带(刮板)输送机、搪瓷(铸石)溜槽、单轨吊的工程(不含斜井井筒及平硐硐身)以0.96系数调整。
第四条本定额施工工期中不包括下列内容:一、矿井移交生产时永久设备的联合试运转和试生产。
二、处理因地质原因造成的大冒顶,即平均冒落厚度0.8m以上,一处冒落体积20m3以上这两个条件同时具备的冒顶。
三、工作面预注浆、探放沼气、探放水。
1页四、3小时以上停水、停电。
五、发生上述二、三、四种情况不能继续掘进、支护作业时,应按施工组织措施安排编制辅助费补偿费,其计算公式如下:F=D·K·T式中:F—辅助费补偿费;D—停工的立井井筒(砌碹支护)、斜井及巷道每10m(硐室100m3)相应条件的锚喷支护定额基价;T—停工天数;K—下表所列进度折算系数:第五条本定额工期按施工阶段分为四期。
第一期—井筒期。
煤炭建设井巷工程辅助费综合定额说明第一条《煤炭建设井巷工程辅助费综合定额(2007基价)》(以下简称本定额)是根据建设部实行工程量清单计价的要求和中国煤炭建设协会关于对煤炭各类定额进行修编的安排进行编制的。
适用于新建、改建、扩建矿井基本建设的井巷工程,是编制初步设计概算、施工图预算、编制招标标底和清单计价的依据。
第二条本定额是以矿井井巷工程量、井巷工程施工工期及费用分摊的办法而制定的每10m井筒、巷道和每100m3硐室的费用定额。
第三条本定额为综合成井成巷定额,工作内容包括从井筒破土至全部工程按设计要求竣工验收过程中的全部工作,如井巷掘进、支护、水沟、电缆沟、管子沟、台阶、扶手、设备基础、铺轨(不含斜井井筒及平硐硐身)、管线敷设、机电设备安装及其它零星工程。
还包括施工过程中一般自然条件影响,如巷道滴水、淋水;平均厚度在0.8m以下,一处冒落体积在20m3以内的局部片帮冒顶;壁后注浆;三小时以内的临时停水、停电和其它非主观原因造成的影响较少的时间。
凡定额中包括的内容,不得另取井巷工程辅助费。
设计为无永久轨道、胶带(刮板)输送机、搪瓷(铸石)溜槽、单轨吊的工程(不含斜井井筒及平硐硐身)以0.96系数调整。
第四条本定额施工工期中不包括下列内容:一、矿井移交生产时永久设备的联合试运转和试生产。
二、处理因地质原因造成的大冒顶,即平均冒落厚度0.8m以上,一处冒落体积20m3以上这两个条件同时具备的冒顶。
三、工作面预注浆、探放沼气、探放水。
四、3小时以上停水、停电。
五、发生上述二、三、四种情况不能继续掘进、支护作业时,应按施工组织措施安排编制辅助费补偿费,其计算公式如下:F=D·K·T式中:F—辅助费补偿费;D—停工的立井井筒(砌碹支护)、斜井及巷道每10m(硐室100m3)相应条件的锚喷支护定额基价;T—停工天数;K—下表所列进度折算系数:第五条本定额工期按施工阶段分为四期。
第一期—井筒期。
煤炭建设井巷工程辅助费综合定额(2015)总说明说明1.0.1《煤炭建设井巷工程辅助费综合定额(2015除税基价)》(以下简称本定额)是为了深化工程计价改革的需要,根据住房城乡建设部、财政部颁发的《建筑安装工程费用项目组成》(建标(2013)44号)和住房城乡建设部《建设工程工程量清单计价规》(GB50500-2013)、《矿山工程工程量计算规》(GB50859-2013)等规定进行编制的。
适用于新建、改建、扩建矿井基本建设的井巷工程,是编制施工图预算、工程结算、招标控制价、招标标底和投标报价价的依据。
1.0.2本定额按矿井井巷工程量、井巷工程施工工期,以费用分摊的办法制定的每10m井筒、巷道和每100m3硐室的费用定额。
1.0.3本定额为综合成井成巷定额。
工作容包括从井筒破土至全部工程按设计要求竣工验收过程中的全部工作,如井巷掘进、支护、水沟、电缆沟、管子沟、地坪、台阶、扶手、设备基础、铺轨、管线敷设、机电设备安装及其他零星工程。
还包括施工过程中一般自然条件影响,如巷道滴水、淋水;平均厚度在0.8m以下,一处冒落体积在20m3以的局部片帮冒顶;壁后注浆(不含立井井筒);3h以的临时停水、停电。
凡定额中包括的容,不得另取井巷工程辅助费。
1.0.4本定额施工工期中不包括下列容:1 矿井移交生产时永久设备的联合试运转和试生产。
2 处理因地质原因造成的大冒顶,即平均冒落厚度0.8m以上,一处冒落体积20m3以上这两个条件同时具备的冒顶。
3 工作面预注浆、探放瓦斯、探放水、探煤以及立井井筒壁后注浆。
4 3h以上停水、停电等。
(自备电源柴油发电机保证辅助系统的运转)5发生上述2、3、4种情况,井巷工程不能继续掘进、支护作业时,应按施工组织措施安排编制辅助费补偿费,其计算公式如下:F=D*K*T式中F-------辅助费补偿费;D-------停工的立井井筒(砌碹支护)、斜井及巷道每10m(硐室100m3)相应条件的锚喷支护定额基价;T--------停工天数;(总小时/24=天,指辅助系统运转时间补偿)K--------进度折算系数,参见表1.0.4。
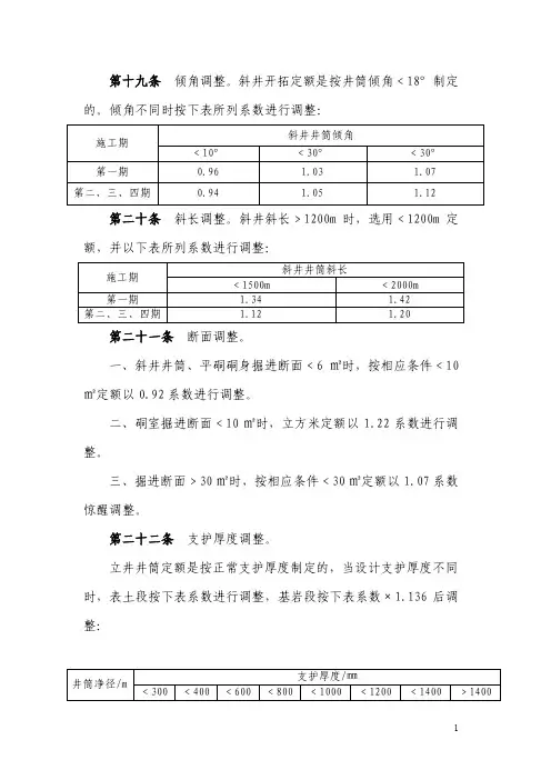
第十九条 倾角调整。
斜井开拓定额是按井筒倾角﹤18°制定的。
倾角不同时按下表所列系数进行调整:第二十条 斜长调整。
斜井斜长﹥1200m 时,选用﹤1200m 定额,并以下表所列系数进行调整:第二十一条 断面调整。
一、斜井井筒、平硐硐身掘进断面﹤6㎡时,按相应条件﹤10㎡定额以0.92系数进行调整。
二、硐室掘进断面﹤10㎡时,立方米定额以1.22系数进行调整。
三、掘进断面﹥30㎡时,按相应条件﹤30㎡定额以1.07系数惊醒调整。
第二十二条 支护厚度调整。
立井井筒定额是按正常支护厚度制定的,当设计支护厚度不同时,表土段按下表系数进行调整,基岩段按下表系数×1.136后调整:^_^第二十三条支护形式调整。
一、立井井筒定额是按砌碹支护条件定制的,的那个设计为钢筋混凝土支护时,按相应定额以1.08系数调整;设计为锚喷支护时,按相应定额以0.9系数进行调整。
二、斜井(斜巷)、平硐(平巷)设计为砌碹带底拱或圆形砌碹支护时,按相应条件的砌碹支护定额以1.24系数进行调整;锚喷或支架支护带底拱时,按相应支护定额以 1.29系数进行调整;砌碹支护的井筒、巷道铺设混凝土地坪的以 1.14系数进行调整;^_^其他支护形式的井筒及巷道,铺设混凝土地坪,均按其掘进断面套用相应条件的砌碹岩巷定额以0.14系数调增费用;斜井井筒及平硐硐身采用支架支护时,采用相应条件的锚喷支护定额,并以0.89系数进行调整;设计为钢筋混凝土支护时,按相应条件砌碹定额,斜井(斜巷)以1.06系数进行调整,平硐(平巷)以1.04系数进行调整。
三、本定额第二、三期编制了锚喷、砌碹、支架支护定额,其中锚喷支护综合了锚喷混凝土、金属网锚喷、钢带(托梁)锚喷等方式。
当采用素喷砂浆、素喷混凝土时,按其相应条件锚喷支护定额分别以0.77、0.92系数进行调整;当采用锚杆支护时以0.8系数进行调整;当采用砌碹金属梁支护时,按砌碹支护和支架支护定额的平均值计算。
煤炭建设井巷工程辅助费综合定额说明第一条《煤炭建设井巷工程辅助费综合定额(2007基价)》(以下简称本定额)是根据建设部实行工程量清单计价的要求和中国煤炭建设协会关于对煤炭各类定额进行修编的安排进行编制的。
适用于新建、改建、扩建矿井基本建设的井巷工程,是编制初步设计概算、施工图预算、编制招标标底和清单计价的依据。
第二条本定额是以矿井井巷工程量、井巷工程施工工期及费用分摊的办法而制定的每10m井筒、巷道和每100m3硐室的费用定额。
第三条本定额为综合成井成巷定额,工作内容包括从井筒破土至全部工程按设计要求竣工验收过程中的全部工作,如井巷掘进、支护、水沟、电缆沟、管子沟、台阶、扶手、设备基础、铺轨(不含斜井井筒及平硐硐身)、管线敷设、机电设备安装及其它零星工程。
还包括施工过程中一般自然条件影响,如巷道滴水、淋水;平均厚度在0.8m以下,一处冒落体积在20m3以内的局部片帮冒顶;壁后注浆;三小时以内的临时停水、停电和其它非主观原因造成的影响较少的时间。
凡定额中包括的内容,不得另取井巷工程辅助费。
设计为无永久轨道、胶带(刮板)输送机、搪瓷(铸石)溜槽、单轨吊的工程(不含斜井井筒及平硐硐身)以0.96系数调整。
第四条本定额施工工期中不包括下列内容:一、矿井移交生产时永久设备的联合试运转和试生产。
二、处理因地质原因造成的大冒顶,即平均冒落厚度0.8m以上,一处冒落体积20m3以上这两个条件同时具备的冒顶。
三、工作面预注浆、探放沼气、探放水。
四、3小时以上停水、停电。
五、发生上述二、三、四种情况不能继续掘进、支护作业时,应按施工组织措施安排编制辅助费补偿费,其计算公式如下:F=D·K·T式中:F—辅助费补偿费;D—停工的立井井筒(砌碹支护)、斜井及巷道每10m(硐室100m3)相应条件的锚喷支护定额基价;T—停工天数;K—下表所列进度折算系数:第五条本定额工期按施工阶段分为四期。
第一期—井筒期。
煤炭建设井巷工程辅助费综合定额(2015)总说明说明《煤炭建设井巷工程辅助费综合定额(2015除税基价)》(以下简称本定额)是为了深化工程计价改革的需要,根据住房城乡建设部、财政部颁发的《建筑安装工程费用项目组成》(建标(2013)44号)和住房城乡建设部《建设工程工程量清单计价规范》(GB50500-2013)、《矿山工程工程量计算规范》(GB50859-2013)等规定进行编制的。
适用于新建、改建、扩建矿井基本建设的井巷工程,是编制施工图预算、工程结算、招标控制价、招标标底和投标报价价的依据。
本定额按矿井井巷工程量、井巷工程施工工期,以费用分摊的办法制定的每10m井筒、巷道和每100m3硐室的费用定额。
本定额为综合成井成巷定额。
工作内容包括从井筒破土至全部工程按设计要求竣工验收过程中的全部工作,如井巷掘进、支护、水沟、电缆沟、管子沟、地坪、台阶、扶手、设备基础、铺轨、管线敷设、机电设备安装及其他零星工程。
还包括施工过程中一般自然条件影响,如巷道滴水、淋水;平均厚度在以下,一处冒落体积在20m3以内的局部片帮冒顶;壁后注浆(不含立井井筒);3h以内的临时停水、停电。
凡定额中包括的内容,不得另取井巷工程辅助费。
本定额施工工期中不包括下列内容:1 矿井移交生产时永久设备的联合试运转和试生产。
2 处理因地质原因造成的大冒顶,即平均冒落厚度以上,一处冒落体积20m3以上这两个条件同时具备的冒顶。
3 工作面预注浆、探放瓦斯、探放水、探煤以及立井井筒壁后注浆。
4 3h以上停水、停电等。
(自备电源柴油发电机保证辅助系统的运转)5发生上述2、3、4种情况,井巷工程不能继续掘进、支护作业时,应按施工组织措施安排编制辅助费补偿费,其计算公式如下:F=D*K*T式中 F-------辅助费补偿费;D-------停工的立井井筒(砌碹支护)、斜井及巷道每10m(硐室100m3)相应条件的锚喷支护定额基价;T--------停工天数;(总小时/24=天,指辅助系统运转时间补偿)K--------进度折算系数,参见表。
1第一期----- 井筒期。
按开拓方式分为:1)立井:指立井(暗立井)井筒、井筒与井底车场连接处、井底水窝及位于井筒内的硐室工程。
2)斜井:指斜井(暗斜井)井筒、斜井联络巷、井底水窝及位于井筒内的硐室和铺轨工程。
3)平硐:指平硐硐身、平硐联络巷及位于硐身内的硐室和铺轨工程。
2第二期-----主要巷道期。
按施工区分为:(定额,二期3~4个工作面,三期9个工作面),(实际以矸石出井口特征,选用开拓方式二期工程)1)主副井施工区:指主副井井底车场巷道及硐室、主要运输石门、运输大巷以及由本施工区施工的采区上下山、联络巷以及该施工区的铺轨工程。
2)风井施工区:指风井井底车场巷道及硐室、总回风石门、总回风巷以及由本施工的采区上下山、联络巷以及该施工区的铺轨等工程。
3 第三期-----采区巷道期。
指第一、二期以外的全部巷道、硐室以及铺轨等工程。
4第四期-----尾工期。
指全矿井井巷工程竣工后,剩余的设备安装、管线敷设及其他收尾工作所发生的辅助费用。
(建设单位按此计取,结算时按基础定额据实结算;较07定额变化铺轨工程归入相应的第二、三期工程,不再第四期中)本定额未出现辅助系统的细目,但费用是按各系统编制的。
各辅助系统包括的范围如下:1 提升系统。
指立井(暗立井)、斜井(暗斜井)由井底或井筒工作面至井口之间为提升矸石(煤)和运送人员、设备设施、周转材料所发生的费用。
其中立井包括井筒提升设备、设施,井口井底设备、设施,以及井筒施工期间工作面伞钻、抓岩机、大模板等设备、设施的悬吊,吊盘、安全梯、混凝土输送管、放炮电缆等设施及其悬吊;巷道期钢丝绳罐道及拉紧装置等所发生的费用。
斜井包括井筒及井口提升设备、设施,以及井筒临时铺轨等所发生的费用。
2给排水系统。
1)给水系统:指为井下工作面施工及环境保护而设置的供水和洒水管网所发生的费用,包括井巷工程施工期间布设的水幕、隔爆水槽、隔爆水袋及巷道降尘酒水耗水量。
工作面施工用水及工作面洒水耗水量包括在《煤炭建设井巷工程消耗量定额》内。
2)排水系统:指为排出井筒及井下全部涌水而设置的主排水、区域排水、工作面排水设备、设施和周转材料所发生的费用。
3通风安全系统:指为保证井下新鲜空气的正常供应和降低井下有害气体浓度、排除粉尘、监测、监控而设置的设备、设施、周转材料所发生的费用,包括入井人员配备的自救器。
4运输系统:指为井巷工程施工期间的地面工业广场运输、矸石山运输,井下平巷(平硐)、斜巷运输以及顺槽施工、平巷反坡掘进小绞车所发生的费用。
5供电照明系统。
1)供电系统:指35kv变电所引出线至主辅井、风井工业广场临时变电所、地面动照网、井口配电点及井下中央变电所、大巷变电所、采区变电所、各掘进工作面配电点间的输、变、配电所发生的费用。
不包括掘进工作面配电点至施工设备的供电电缆及地面场外输电线路。
2)照明系统:指为井巷工程施工服务的地面工业广场、排矸场、辅助系统厂房和井下设置的照明设备、设施(包括固定照明、移动照明、矿灯房设备、设施)所发生的费用。
6其他系统。
指为井巷施工服务但不属上列各辅助系统的辅助工作所发生的费用。
包括井口及井下调度通讯、电钳工、火药运输发放工、施工地质测量、安全质量检查、送班中餐、井下卫生和维修木工等所发生的费用。
7本定额制定了供热系统、汽车排矸附加定额,包括的内容:(临时变电所-压风机供电系统电缆含在风价中)1)供热系统:指为各辅助系统厂房取暖而设置的人工、设备设施及动力、燃料所发生的费用。
2)汽车排矸:指地面采用汽车排矸方式而配备的装载机、汽车、推土机所发生的装、运、卸及平整费用。
费用项目划分:1 人工费:指各辅助系统配备的井上、下辅助工人的工资。
2 材料费:指施工中辅助系统使用的周转材料所发生的费用。
1)摊销费:指钢轨、管路、钢丝绳、电缆、风筒等周转材料的摊销费用。
2)维护费:指以上周转材料使用中发生修理及修理所使用的辅材费用。
3)安装拆卸费:指以上周转材料(含连接件)所发生的安装拆卸费用。
3机械费。
指辅助系统施工设备设施(含仪器仪表)所发生的费用。
1)折旧费:指施工设备、设施在规定耐用期限内陆续回收其原值的费用。
2)检修费:指施工设备、设施在规定耐用期限内,按规定的检修间隔进行必要的检修,以恢复其正常功能所需的费用。
3)维护费:指施工设备、设施在规定耐用期限内,按规定的维护间隔进行各级维护和临时故障排除所需的费用;包括随机配备工具附具的摊销费用,设备、设施正常运转和日常维护所需润滑、擦拭的材料费用。
4)安装拆卸费:指施工设备、设施的安装和拆除所发生的费用(凿井措施费已包括的设备、设施除外)。
5)燃料动力费:指各施工设备运转时消耗的各种燃料及水、电等费用。
本定额第二、三、四期巷道工程量是指除第一期以外的全部巷道工程量,硐室工程按设计长度加入巷道工程量内。
硐室工程分为特殊硐室和一般硐室,其划分原则是:1 特殊硐室:指结构复杂、施工难度大的硐室。
如立井井筒与井底车场连接处、交岔点、箕斗装载硐室、火药库及发放硐室、煤仓(溜煤眼)、清理撤煤硐室、绞车房、中央水泵房、避灾硐室、防爆胶轮车换装硐室、带式输送机机头及接头硐室、防火门硐室、防水闸门硐室等。
2 一般硐室:指结构类似普通水平巷道的硐室。
如井下调度室、等候室、消防材料库、医疗硐室、区域水泵房、转水站、小绞车硐室、变电所等。
开拓方式本定额是按单一开拓方式制定的,当设计为联合开拓时,选用定额的原则和方法是:1 第一期,分别选用立井井筒、斜井井筒或平硐硐身定额。
2 第二、三期,根据所施工第二三期井巷工程提升矸石(煤)的井筒(硐身)特征选用相应的开拓方式定额。
编制概预算、招标控制价、招标标底和投标报价时,无法确定所施工第二、三期井巷工程提升矸石(煤)的井筒(硐身)的,可暂按下列方式选用定额,结算时按本条第2款规定进行调整。
1)主、副井分别为立井、斜井、平硐时,第二期主副井施工区按主井技术条件选用定额;第三期按副井技术条件选用定额。
2 风井分别为立井、斜井时,第二期风井施工区按进风井筒技术条件选定额;第三期按副井技术条件选用定额。
3 第四期,按副井井筒特征选用定额。
4 立井、斜井、平硐与暗立、暗斜井联合开拓时,由建设单位或施工单位总承包单位向工程所在地隶属煤炭工业工程造价管理站申报定额使用原则和方法。
较07定额给定系数,变化较大。
第二、三期工程划分第二、三期按主要贯通线工程贯通点进行划分。
1二期主副井施工区:主副井井底车场至贯通点的主贯通线工程及与其平行施工的工程。
2二期风井施工区:风井井底车场至贯通点的主贯通线工程及与其平行施工的工程。
当风井位于主副井广场时,二期风井施工区工程范围为风井井底车场至采区上(下)山的上(下)部贯通点的主贯通线工程及与其平行施工的工程。
3 三期:主贯通线工程贯通后施工的工程。
4同一单位工程在贯通前后均由施工时,按贯通前后实际完成工程量分别划分工期。
(且辅助系统实现了集中优化,如提升、通风、排水、供电实现优化)片盘斜井开拓时,斜井井筒及位于井筒中的硐室、联络巷为第一期,井筒斜长算至移交生产时最后一个工作面的下部车场交岔点。
其余工程均为第三期。
由地面直接提升和施工的采区上山及位于上山中的硐室、联络巷按斜井井筒第一期定额执行。
定额井深、斜长、硐身长确定原则。
1普通法施工的表土段不分井深、斜长、硐身长,基岩段按井筒、硐身全深(长)计算。
2 冻结法施工的立(斜)井井筒表土段和基岩段按井筒全深(长)计算。
3 斜井井筒斜长按按井口变坡点至井底竖曲线终点的长度计算。
4平硐硐身长:单翼开采时,指平硐口至第一个采区上(下)山口的长度;两翼开采时,指平硐口至两翼分叉处(三角交叉点前)的长度。
5立(斜)井第一期定额的井深(斜长),包含井底水窝的深度(斜长);第二、三、四期定额的井深(斜长),不包含井底水窝的深度(斜长);立井井深超出本定额范围时,可用外延法进行调整。
根据《煤矿瓦斯等级鉴定暂行办法》(安监总煤装[2011]162号)中关于矿井瓦斯等级的划分标准,本定额是按瓦斯矿井编制的,用于高瓦斯矿井或按高瓦斯管理的矿井时,第二期定额系数调整,第一、三、四期定额以系数调整。
瓦斯突出、煤尘突出及煤油气共生矿井根据施工组织设计的设备配备及要求进度,按基础定额编制补充预算。
较07定额系数减小。
第一期定额是按单井筒制定的,一个广场设计为双井筒或三井筒并且施工时有共用地面运输、地面供电照明行辅助系统的,按表中系数调整。
较07定额双井筒变化较大。
大钻机钻进法施工的立井井筒,在钻进施工期间不计取井巷工程辅助费,竣工交接期间发生的提升、给排水、通风、供电照明以及破锅底、破井壁等所发生的辅助费用按每10m井筒15000元,有矿建施工单位计取。