001-SG-025_工程施工检验批质量验收记录(通用表)
- 格式:xls
- 大小:20.00 KB
- 文档页数:1
SG—025 外墙保温工程施工检验批质量验收记录
工程名称
阆中恒大滨江左岸项目
(地块#楼)
分项工程名称外墙保温验收部位
施工单位四川星星建设集团有限公司项目负责人吴启政专业工长
分包单位
项目负责人
(分包单位)
施工班组长
施工执行标准及编号
质量验收规范的规定施工单位检查评定记录监理(建设)单位
验收记录
主控项目1、基层表面的尘土、污垢清除干净
2、保温材料的品种、规格、性能符合设计要求
3、保温层厚度及构造做法应符合建筑节能设计要求,厚度应均匀,不应有负偏差
4、保温层与墙体及各构造之间粘接牢固,不应脱层、开裂、空鼓
5、抹面胶浆无漏抹,网格布均匀压入抹面胶浆,搭接符合要求
6、保温层厚度:实测值
一般项目
1、保温材料及构件外观和包装无破损
2、表面光滑、洁净、接茬平整,线脚顺直清晰,
表面纹路一致
3、耐碱网格布的铺贴、锚固和搭接应符合要求,
砂浆抹压应密实,加强网不得褶皱、外露
4、洞、槽、盒位置、尺寸准确,表面整齐洁净
5、里面平整度4mm
6、表面平整度4mm
7、阴阳角垂直4mm
8、阴阳角方正4mm
共实测点,其中合格点、不合格点,合格点率%
施工单位检查
评定结果
项目专业质量检查员:注册建造师(技术负责人):年月日
监理(建设)单位
验收结论
监理工程师(建设单位项目技术负责人):年月日
四川省建设厅制。
工程施工现场验收记录表一、项目基本信息项目名称:[填写项目名称]施工单位:[填写施工单位名称]业主单位:[填写业主单位名称]监理单位:[填写监理单位名称]验收日期:[填写验收日期]二、施工现场情况1. 工程概况[填写工程概况,包括工程规模、主要施工内容等]2. 施工人员[填写施工人员数量及职责分工]3. 现场安全[描述现场安全情况,包括施工期间是否有安全事故、安全管理措施是否到位等]4. 环境保护[描述环境保护情况,包括施工期间是否存在环境污染问题、是否采取了相应的环保措施等]三、验收内容1. 安全生产[对施工现场的安全生产进行验收,包括是否按照相关法律法规进行安全管理、是否存在违规操作等]2. 施工质量[对施工质量进行验收,包括施工过程中是否按照设计要求进行操作、施工质量是否达到规定标准等]3. 环境保护[对环境保护情况进行验收,包括施工现场是否有环境污染、是否采取了相应的环境保护措施等]4. 工程进度[对工程进度进行验收,包括工程进度是否按照计划进行、是否存在延期等情况][对现场施工文明程度进行验收,包括施工现场是否整洁、是否存在乱堆乱放现象等]四、验收结果1. 安全生产[填写安全生产验收结果,包括是否合格、存在的问题及整改措施等]2. 施工质量[填写施工质量验收结果,包括验收结论、存在的问题及整改措施等]3. 环境保护[填写环境保护验收结果,包括验收结论、存在的问题及整改措施等]4. 工程进度[填写工程进度验收结果,包括验收结论、存在的问题及整改措施等][填写文明施工验收结果,包括验收结论、存在的问题及整改措施等]五、其他事项[填写其他需要记录的事项,如工程现场照明、供水、通风等情况]六、结论与备案本次工程施工现场验收结果合格,并备案存档。
验收单位:[填写验收单位名称]验收人:[填写验收人姓名]日期:[填写验收日期]。
(完整)检验批质量验收记录编辑整理:尊敬的读者朋友们:这里是精品文档编辑中心,本文档内容是由我和我的同事精心编辑整理后发布的,发布之前我们对文中内容进行仔细校对,但是难免会有疏漏的地方,但是任然希望((完整)检验批质量验收记录)的内容能够给您的工作和学习带来便利。
同时也真诚的希望收到您的建议和反馈,这将是我们进步的源泉,前进的动力。
本文可编辑可修改,如果觉得对您有帮助请收藏以便随时查阅,最后祝您生活愉快业绩进步,以下为(完整)检验批质量验收记录的全部内容。
表4 模板安装工程检验批质量验收记录表5 预制构件模板安装工程检验批质量验收记录表6 钢筋原材料检验批质量验收记录表7 钢筋加工检验批质量验收记录表8 钢筋连接检验批质量验收记录表9 钢筋安装检验批质量验收记录表10 预应力材料检验批质量验收记录表11 预应力制作与安装检验批质量验收记录表12 预应力张拉与放张检验批质量验收记录表13 预应力灌浆与封锚检验批质量验收记录表14 混凝土原材料检验批质量验收记录表15 混凝土拌合物检验批质量验收记录表16 混凝土施工检验批质量验收记录表17 混凝土试块强度统计评定质量验收记录表18 现浇结构外观及尺寸偏差检验批质量验收记录表19 混凝土设备基础外观及尺寸偏差检验批质量验收记录表20 预制构件检验批质量验收记录表21 装配式结构安装与连接检验批质量验收记录表4 模板安装工程检验批质量验收记录编号:注:检查预埋件、预留洞中心线位置时,沿纵、横两个方向量测,并取其中偏差的较大值。
填表说明:根据《规范》第4。
2.1条至4.2。
10条,各验收项目的检查数量与检查方法如下:主控项目:检查数量:第1、2项按相关标准确定,第3、4项为全数检查;检验方法:对着模板设计方案及相关标准,现场观察或尺量检查.一般项目:抽样检查项目的检查数量与检验方法如下,其他项目全数检查.第3项—模板起拱。
检查数量:在同一检验批内,对梁,跨度大于18m时应全数检查,跨度不大于18m时应抽查构件数量的10%,且不应少于3件;对板,应按有代表性的自然间抽查10%,且不应少于3间;对大空间结构,板可按纵、横轴线划分检查面,抽查10%,且不应少于3面。
注册建造师监理工程师(建设单位项目技术负责人):年 月 日
注:本表由施工项目专业质量检查员填写,监理工程师(建设单位项目技术负责人)组织项目专业质量(技术)负责人等进行验收。
四川省工程质量安全监督总站制
施工单位检查评
定结果
监理(建设)单
位验收结论
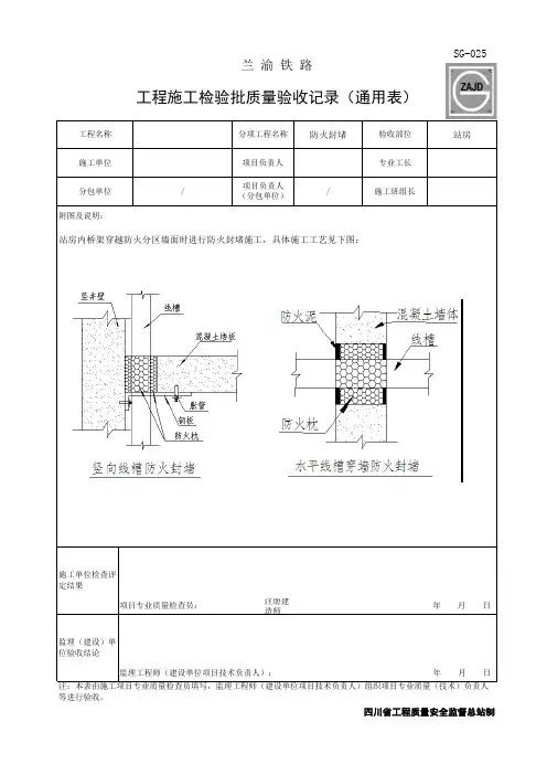
附图及说明:站房内桥架穿越防火分区墙面时进行防火封堵施工,具体施工工艺见下图:
项目专业质量检查员: 年 月 日
分包单位
/项目负责人(分包单位)/施工班组长
施工单位
项目负责人专业工长兰 渝 铁 路工程施工检验批质量验收记录(通用表)
工程名称
分项工程名称防火封堵验收部位站房SG-025。
SG—025
工程施工检验批质量验收记录(通用表)
工程名称分项工程名称验收部位
施工单位项目负责人专业工长
分包单位
项目负责人
(分包单位)
施工班组长
施工执行标准及编号
质量验收规范的规定施工单位检查评定记录监理(建设)单位验收记录
主控项目1 压实度≥91%
2 弯沉值不大于设计规定3
4
5
6
一般项目1 纵断高程/
2 中线偏位/
3 平整度/
4 宽度
不小于设计值+B
5 横坡/
6 边坡/
共检测点,其中合格点、不合格点,合格率 %
施工单位检查
评定结果
项目专业质量检查员: 注册建造师(技术负责人):年月日
监理(建设)单位验
收结论
监理工程师(建设单位项目技术负责人):年月日注:本表由施工项目专业质量检查员填写,监理工程师(建设单位项目技术负责人)组织项目专业质量(技术)负责人等进行验收。
四川省工程质量安全监督总站制。
工程检验批质量验收记录
项目名称:xxxxx
工程名称:xxxxx
施工单位:xxxxx
检验员:xxxxx
日期:xxxxx
序号检验项目检查内容结论
-
1 材料质量检查本批材料生产日期、生产厂家、规格型号、质量证明文件等;对难以查验或关键性部件材料做抽样鉴定合格
2 基础阶段按设计要求检查混凝土浇筑、抹灰、回填、绑扎钢筋等质量,以及地下通道、排水沟、电缆井等管道中绚清掏洗、避免堵塞合格
3 主体结构精确检测每一分部工程是否符合设计要求;统计抽检各种构件外形尺寸、弯曲度、平整度、垂直度等指标值;检测混凝土强度合格
4 安装验收按照现场安装图纸及大纲检查设备安装情况,检查各接口、接线安全、接地是否达标,设备与管道、电缆中的距离相符;设备电气性能及操控系统运转是否正常;合格
5 投入使用前综合检验建设单位按照工程结构特点以及其所处地理位置、地形地貌、自然气候和地震影响等因素,综合考虑建设项目的运行安全、使用寿命、功能区分及实用保障程度,组织相关专家对工程进行综合检验,提出借鉴性的意见和建议等合格
质检员签字:__________________
施工单位责任人签字:_____________
建设单位代表签字:_______________。
一、四川省施工单位用表指南SG-001_工程质量事故报告SG-002_单位工程开工报告(SG-003_施工日志(编册起止日期)SG-004_技术核定单SG-005_建筑物(构筑物)定位(放线)测量记录SG-006_技术交底SG-007_图纸会审记录SG-008_技术、经济签证核定单SG-009_抄测记录SG-010_主要原材料及构配件出厂证明及试验单目录SG-011_设计变更通知单汇总表SG-012_仪器、设备计量标定合格证清单SG-013_建筑工程隐蔽检验记录SG-014_建筑物垂直度、标高、全高测量记录SG-015_单位工程竣工资料SG-016_卷内目录SG-017_单位工程竣工资料目录SG-018_单位工程质量竣工验收记录SG-019_单位(子单位)工程质量控制资料核查记录SG-020_单位(子单位)工程安全和功能检验资料核查及主要功能抽查记录SG-021_单位(子单位)工程观感质量检查记录SG-022_分部工程质量验收记录SG-023_子分部工程质量验收报告SG-024_分项工程质量验收记录SG-025_工程施工检验批质量验收记录(通用表)SG-026_主体结构分部工程质量验收报告二、SG-030(SG-T057至SG-T073)续3_主体结构工程质量文件汇总表(钢结构分项工程)《钢结构工程施工质量验收规范表》GB50205-2001用表SG-T057高强度螺栓连接施拧记录SG-T058钢结构主体工程检查记录SG-T059钢结构工程焊缝外观质量检查记录SG-T060钢结构焊接材料烘焙记录SG-T061钢网架结构安装工程检验批质量验收记录SG-T062钢结构(钢构件焊接)分项工程检验批质量验收记录SG-T063钢结构(焊钉焊接)分项工程检验批质量验收记录SG-T064钢结构(普通紧固件连接)分项工程检验批质量验收记录SG-T065钢结构(高强度螺栓连接)分项工程检验批质量验收记录SG-T066钢结构(零件及部件加工)分项工程检验批质量验收记录SG-T067钢结构(构件组装)分项工程检验批质量验收记录SG-T068钢结构(预拼装)分项工程检验批质量验收记录SG-T069小拼单元和中拼单元验收记录(钢网架结构安装工程质量验收记录附表)SG-T070钢结构(单层结构安装)分项工程检验批质量验收记录SG-T071钢结构(多层及高层结构安装)分项工程检验批质量验收记录SG-T072钢结构(压型金属板)分项工程检验批质量验收记录SG-T073钢结构防腐涂料涂装检验批质量验收记录SG-T073钢结构防火涂料涂装检验批质量验收记录三、外地用表参考统表C01-1 工程概况表统表C01-2 施工现场质量管理检查记录统表C01-3技术交底记录统表C01-4图纸会审记录统表C01-36施工进度计划报审表统表C01-5设计变更通知单统表C01-6工程洽商记录统表C01-7见证取样送检记录统表C01-8施工日志统表C01-9工程定位测量记录统表C02-3 钢材力学、工艺性能检测复试报告统表C02-21焊条、焊剂试验报告统表C02-89钢结构焊缝超声波检测报告统表C02-91高强度螺栓连接副预拉力检测报告统表C02-92螺栓连接副拉力荷载检测报告统表C02-93螺栓连接副施工扭矩检测报告统表C02-94高强度大六角螺栓连接副扭矩系数检测报告统表C02-95高强度螺栓连接副磨擦面抗滑移系数检测报告统表C02-96高强度螺栓硬度检测报告统表C02-100钢结构主体结构整体垂直度检测报告统表C02-101钢结构主体结构整体平面弯曲检测报告统表C02-102钢结构涂层厚度检测报告统表C02-123 检验批质量验收记录统表C02-126单位(子单位)工程质量竣工验收记录统表C02-127单位(子单位)工程质量控制资料核查记录统表C02-128单位(子单位)工程安全和功能检验资料核查及主要功能抽查记录统表C02-129单位(子单位)工程观感质量检查记录。
年 月 日监理(建设)单位验收结论
质 量 验 收 规 范 的 规 定
项目负责人(分包单位)监理(建设)单位验收记录施工单位检查评定记录施工班组长
注:本表由施工项目专业质量检查员填写,监理工程师(建设单位项目技术负责人)组织项目专业质量(技术)负 责人等进行验收。
青山软件打印(鉴定证书号:川建科鉴字[2005]003号)四川省建设厅制主
控
项
目一
般
项
目施工单位检查
评定结果
分包单位
共实测 点,其中合格 点、不合格 点,合格点率 %项目专业质量检查员:项目专业质量(技术)负责人:监理工程师(建设单位项目技术负责人):年 月 日
9
10
7
8
4561
2
3
9
10
7
8
4561
√2
3
施工单位
项目负责人专业工长施 工 执 行 标 准 及 编 号
仿木花架检验批质量验收记录
工程名称
分项工程名称验收部位SG-025。
第五篇施工质量验收记录(各类工程通用表)一、填写说明1.本篇用表为单位工程施工质量验收通用表格,其中检验批验收记录表内容在1-3册分别进行了详细分解,按本册第六篇检验批质量验收记录表要求填写;分项、分部、观感、单位工程等用表均按格式填写。
表头格式要求同前述表格。
2. 施工单位在开工前,要对管段工程按照验标要求、结合工程特点和施工工区划分等情况,对“单位工程名称”、“分部工程名称”、“分项工程名称”和“检验批”重新进行划分,其中单位工程划分报指挥部和监理审核、公司批准,“分部工程名称”、“分项工程名称”和“检验批”报监理单位批准后实施。
在施工质量验收中,要严格按批准的划分数量进行,不得随意变更。
3.有关名词解释:(1)“单位工程名称”按业主批准的单位工程划分名称填写;“分部工程名称”、“分项工程名称”和“检验批”、“工程部位”等按验收标准中规定的名称规范填写,具体由监理单位审核确定。
(2)表头中“建设单位”、“设计单位”、“施工单位”、“监理单位”等名称采用合同中的法定名称或其授权成立的现场管理机构名称,保证与公章中的名称相一致。
表中“项目负责人”、“项目技术负责人”、“项目质量负责人”等人员是指相应单位或机构中的对应岗位人员。
(3)表中涉及签字的人员,均由当事人签字。
4.表格填写、验收和组织程序均按铁道部验收标准中的规定执行。
5.检查结论栏要写主要验收意见并签字和标明签字日期。
6. “施工现场质量管理检查记录表”作为单位(项)工程开工前的检查用表,应由总监理工程师组织有关人员按单位(项)工程分别检查验收填写,并经总监签认合格后,施工单位方可开工。
7.单位工程竣工后,应将此篇各种验收表按单位(项)工程进行合订成册。
二、特别提示。
凡检验批中涉及需要设计人员签认的地基(质)或其它隐蔽工序的,必须由设计人员和监理工程师一起确认并签字。
如果检验批表中没有设计人员签字栏目,应自行在监理签字上面增加一栏,格式参照监理签字栏目。
附件:
XXX检验批施工质量验收记录(n)
XXX分项工程施工质量验收记录
XXX子分部工程施工质量验收记录
XXX子分部工程施工质量控制资料核查记录
XXX子分部工程涉及结构安全和功能质量检验资料核查、抽查记录
XXX子分部工程施工外观质量检查评价记录
XXX分部工程施工质量验收记录
单位(子单位)工程施工质量竣工验收记录
单位(子单位)工程质量控制资料核查记录
单位(子单位)工程影响道路安全使用
注:抽查项目由验收组协商确定
单位(子单位)工程外观质量检查评价记录。
检验批质量验收记录(全套)总目录0、建筑工程施工质量验收规范检验批检查用表填写说明------------001 0、施工现场质量管理检查记录----------------------------------001 0、单位(子单位)工程质量竣工验收记录------------------------001 0、单位(子单位)工程质量控制资料核查记录--------------------001 0、单位(子单位)工程安全和功能检验资料核查及主要功能抽查记录------001 0、单位(子单位)工程观感质量检查记录------------------------001 0、检验批质量验收记录----------------------------------------001 0、分项工程质量验收表----------------------------------------0010、分部(子分部)工程验收记录--------------------------------0011、地基与基础工程检查用表------------------------------------001 1、土方开挖工程检验批质量验收记录----------------------------001 1、土方回填工程检验批质量验收记录----------------------------001 1、排桩墙支护工程检验批质量验收记录(重复使用的钢板桩)------001 1、排桩墙支护工程检验批质量验收记录(混凝土板桩制作)--------001 1、降水与排水检验批质量验收记录------------------------------001 1、地下连续墙检验批质量验收记录(地基基础工程)----------------001 1、锚杆及土钉墙支护工程检验批质量验收记录--------------------001 1、水泥土桩墙支护工程检验批质量验收记录----------------------001 1、沉井(箱)检验批质量验收记录------------------------------001 1、钢及混凝土支撑系统检验批质量验收记录----------------------001 1、灰土地基检验批质量验收记录--------------------------------001 1、砂和砂石地基检验批质量验收记录----------------------------0011、土工合成材料地基检验批质量验收记录------------------------001 1、粉煤灰地基检验批质量验收记录------------------------------001 1、强夯地基检验批质量验收记录--------------------------------001 1、振冲地基检验批质量验收记录--------------------------------001 1、砂桩地基检验批质量验收记录--------------------------------001 1、预压地基和塑料排水带检验批质量验收记录--------------------001 1、高压喷射注浆地基检验批质量验收记录------------------------001 1、土和灰土挤密桩复合地基检验批质量验收记录------------------001 1、注浆地基检验批质量验收记录--------------------------------001 1、水泥粉煤灰碎石桩复合地基检验批质量验收记录----------------001 1、夯实水泥土桩复合地基检验批质量验收记录--------------------001 1、水泥土搅拌桩地基检验批质量验收记录------------------------001 1、锚杆静力压桩及静力压桩检验批质量验收记录------------------001 1、先张法预应力管桩检验批质量验收记录------------------------001 1、钢筋混凝土预制桩检验批质量验收记录------------------------001 1、钢桩检验批质量验收记录(成品钢桩质量检验)----------------001 1、钢桩检验批质量验收记录(钢桩施工质量检验)----------------001 1、混凝土灌注桩钢筋笼检验批质量验收记录----------------------001 1、混凝土灌注桩检验批质量验收记录----------------------------001 1、防水混凝土工程检验批质量验收记录--------------------------001 1、水泥砂浆防水层工程检验批质量验收记录----------------------001 1、卷材防水层检验批质量验收记录------------------------------001 1、涂料防水层检验批质量验收记录------------------------------0011、塑料板防水层检验批质量验收记录----------------------------001 1、金属板防水层检验批质量验收记录----------------------------001 1、细部构造检验批质量验收记录-----------------------------001 1、锚喷支护检验批质量验收记录-----------------------------001 1、复合式衬砌检验批质量验收记录------------------------------001 1、地下连续墙检验批质量验收记录(地下防水工程)----------------001 1、盾构法隧道检验批质量验收记录------------------------------001 1、渗排水、盲沟排水检验批质量验收记录------------------------001 1、隧道、坑道排水检验批质量验收记录--------------------------001 1、预注浆、后注浆检验批质量验收记录--------------------------0011、衬砌裂缝注浆检验批质量验收记录----------------------------0012、主体结构工程检查用表--------------------------------------001 2、模板安装(含预制构件)工程检验批质量验收记录----------------001 2、模板拆除工程检验批质量验收记录----------------------------001 2、钢筋原材料检验批质量验收记录------------------------------001 2、钢筋加工检验批质量验收记录--------------------------------001 2、钢筋连接检验批质量验收记录--------------------------------001 2、钢筋安装检验批质量验收记录--------------------------------001 2、混凝土原材料检验批质量验收记录----------------------------001 2、混凝土配合比设计检验批质量验收记录------------------------001 2、混凝土施工检验批质量验收记录------------------------------001 2、现浇结构外观质量检验批质量验收记录-------------------------001 2、现浇结构尺寸偏差检验批质量验收记录(I)--------------------0012、混凝土设备基础尺寸偏差检验批质量验收记录(II)-------------001 2、预应力原材料检验批质量验收记录-----------------------------001 2、预应力筋制作与安装检验批质量验收记录-----------------------001 2、预应力筋张拉和放张检验批质量验收记录-----------------------001 2、预应力灌浆及封锚检验批质量验收记录-------------------------001 2、预制构件检验批质量验收记录---------------------------------001 2、装配式结构施工检验批质量验收记录---------------------------001 2、砖砌体工程检验批质量验收记录-------------------------------001 2、混凝土小型空心砌块砌体工程检验批质量验收记录---------------001 2、石砌体工程检验批质量验收记录-------------------------------001 2、配筋砌体工程检验批质量验收记录-----------------------------001 2、填充墙砌体工程检验批质量验收记录---------------------------001 2、钢结构(钢构件焊接)工程检验批质量验收记录-------------------001 2、钢结构(焊钉焊接)工程检验批质量验收记录---------------------001 2、钢结构(普通紧固件连接)工程检验批质量验收记录---------------001 2、钢结构(高强度螺栓连接)工程检验批质量验收记录---------------001 2、钢结构(零件及部件加工)工程检验批质量验收记录---------------001 2、钢结构(构件组装)工程检验批质量验收记录-------------------001 2、钢结构(预拼装)工程检验批质量验收记录-----------------------001 2、钢结构(单层结构安装)工程检验批质量验收记录---------------001 2、钢结构(多层及高层结构安装)工程检验批质量验收记录-----------001 2、钢结构(网架结构安装)工程检验批质量验收记录---------------001 2、钢结构(压型金属板)工程检验批质量验收记录-------------------0012、钢结构(防腐涂料涂装)工程检验批质量验收记录---------------001 2、钢结构(防火涂料涂装)工程检验批质量验收记录---------------001 2、方木和圆木结构检验批质量验收记录---------------------------001 2、胶合木结构检验批质量验收记录-------------------------------001 2、轻型木结构检验批质量验收记录-------------------------------0012、木结构的防护检验批质量验收记录-----------------------------0013、建筑装饰装修工程检查用表-----------------------------------001 3、基土检验批质量验收记录-------------------------------------001 3、灰土、三合土、炉渣、水泥混凝土垫层检验批质量验收记录-------001 3、砂、砂石、碎石、碎砖垫层检验批质量验收记录-----------------001 3、找平层检验批质量验收记录-----------------------------------001 3、隔离层检验批质量验收记录-----------------------------------001 3、填充层检验批质量验收记录-----------------------------------001 3、水泥混凝土整体面层工程检验批质量验收记录-------------------001 3、水泥砂浆面层检验批质量验收记录-----------------------------001 3、水磨石面层检验批质量验收记录-------------------------------001 3、水泥钢(铁)屑面层检验批质量验收记录-----------------------001 3、防油渗面层检验批质量验收记录-------------------------------001 3、不发火(防爆)面层检验批质量验收记录-----------------------001 3、砖面层检验批质量验收记录-----------------------------------001 3、大理石面层和花岗石面层检验批质量验收记录-------------------001 3、预制板块面层检验批质量验收记录-----------------------------001 3、料石面层检验批质量验收记录----------------------------------0013、塑料板面层检验批质量验收记录--------------------------------001 3、活动地板面层检验批质量验收记录------------------------------001 3、地毯面层检验批质量验收记录----------------------------------001 3、实木地板面层检验批质量验收记录------------------------------001 3、实木复合地板面层检验批质量验收记录--------------------------001 3、中密度(强化)复合地板面层检验批质量验收记录------------------001 3、竹地板面层检验批质量验收记录--------------------------------001 3、一般抹灰工程检验批质量验收记录------------------------------001 3、装饰抹灰工程检验批质量验收记录------------------------------001 3、清水砌体勾缝工程检验批质量验收记录--------------------------001 3、木门窗安装分项工程检验批质量验收记录------------------------001 3、金属门窗安装工程检验批质量验收记录--------------------------001 3、塑料门窗安装检验批质量验收记录------------------------------001 3、特种门安装工程检验批质量验收记录----------------------------001 3、门窗玻璃安装工程检验批质量验收记录--------------------------001 3、暗龙骨吊顶工程检验批质量验收记录----------------------------001 3、明龙骨吊顶工程检验批质量验收记录----------------------------001 3、板材隔墙分项工程检验批质量验收记录--------------------------001 3、骨架隔墙工程检验批质量验收记录------------------------------001 3、活动隔墙工程检验批质量验收记录------------------------------001 3、玻璃隔墙工程检验批质量验收记录------------------------------001 3、饰面板安装工程检验批质量验收记录----------------------------0013、玻璃幕墙(明框)工程检验批质量验收记录----------------------001 3、玻璃幕墙(隐框、半隐框)工程检验批质量验收记录--------------001 3、金属幕墙工程检验批质量验收记录------------------------------001 3、石材幕墙工程检验批质量验收记录------------------------------001 3、水性涂料涂饰工程(薄涂料)检验批质量验收记录----------------001 3、水性涂料涂饰工程(厚涂料)检验批质量验收记录----------------001 3、水性涂料涂饰工程(复层涂料)检验批质量验收记录--------------001 3、溶剂型涂料涂饰工程(色漆)检验批质量验收记录----------------001 3、溶剂型涂料涂饰工程(清漆)检验批质量验收记录----------------001 3、美术涂饰工程检验批质量验收记录------------------------------001 3、裱糊工程检验批质量验收记录----------------------------------001 3、软包工程检验批质量验收记录-------------------------------001 3、橱柜制作与安装工程检验批质量验收记录------------------------001 3、窗帘盒、窗台板和散热器罩制作与安装工程检验批质量验收记录-------001 3、门窗套制作与安装工程检验批质量验收记录----------------------001 3、护栏和扶手制作与安装工程检验批质量验收记录------------------0013、花饰制作与安装工程检验批质量验收记录------------------------0014、建筑屋面工程检查用表----------------------------------------001 4、屋面找平层检验批质量验收记录--------------------------------001 4、屋面保温层检验批质量验收记录--------------------------------001 4、屋面卷材防水层检验批质量验收记录----------------------------001 4、屋面工程细部构造检验批质量验收记录--------------------------0014、屋面细石混凝土防水层检验批质量验收记录----------------------001 4、屋面密封材料嵌缝检验批质量验收记录--------------------------001 4、(油毡瓦)平瓦屋面检验批质量验收记录-------------------------001 4、金属板材屋面检验批质量验收记录------------------------------0014、架空、蓄水、种植屋面工程检验批质量验收记录------------------0015、建筑给水排水及采暖工程检查用表------------------------------001 5、室内给水管道及配件安装工程检验批质量验收记录----------------001 5、室内消火栓系统安装工程检验批质量验收记录--------------------001 5、室内给水设备安装工程检验批质量验收记录----------------------001 5、室内排水管道及配件安装工程检验批质量验收记录----------------001 5、雨水管道及配件安装工程检验批质量验收记录--------------------001 5、室内热水供应管道及配件安装检验批质量验收记录----------------001 5、室内热水供应辅助设备安装工程检验批质量验收记录--------------001 5、卫生器具安装工程检验批质量验收记录--------------------------001 5、卫生器具给水配件安装工程检验批质量验收记录------------------001 5、卫生器具排水管道安装工程检验批质量验收记录------------------001 5、室内采暖管道及配件安装检验批质量验收记录--------------------001 5、室内采暖辅助设备及散热器安装检验批质量验收记录--------------001 5、室内采暖金属辐射板(低温热水地板辐射采暖)安装检验批验收记录------001 5、室内采暖系统水压试验及调试检验批质量验收记录----------------001 5、室外给水管道安装工程检验批质量验收记录----------------------001 5、消防水泵接合器及室外消火栓安装工程检验批质量验收记录----------001 5、室外排水管沟及井室工程检验批质量验收记录--------------0015、室外排水管道安装和排水管沟及井池工程检验批质量验收记录----------------001 5、室外供热管道及配件安装工程检验批质量验收记录----------------001 5、室外供热系统水压试验及调试检验批质量验收记录----------------001 5、建筑中水系统及游泳池安装工程检验批质量验收记录--------------001 5、供热锅炉安装检验批质量验收记录------------------------------001 5、供热锅炉辅助设备及管道安装检验批质量验收记录----------------001 5、供热锅炉安全附件安装检验批质量验收记录----------------------001 5、供热锅炉、烘炉、煮炉和试运行检验批质量验收记录--------------0015、供热锅炉换热站安装检验批质量验收记录------------------------0016、建筑电气工程检查用表----------------------------------------001 6、建筑电气子分部工程与分项工程相关表--------------------------001 6、架空线路及杆上电气设备安装检验批质量验收记录----------------001 6、变压器、箱式变电所安装检验批质量验收记录--------------------001 6、成套配电柜、控制柜(屏台)和动力、照明配电箱(盘)安装检验批验收记录(高压开关柜)----001 6、成套配电柜、控制柜(屏台)和动力、照明配电箱(盘)安装检验批记录(低压成套柜)----001 6、成套配电柜、控制柜(屏台)和动力、照明配电箱(盘)安装检验批记录(照明配电箱)-----001 6、低压电动机、电加热器及电动执行机构检查接线检验批质量验收记录------------001 6、柴油发电机组安装检验批质量验收记录--------------------------001 6、不间断电源安装检验批质量验收记录----------------------------001 6、低压电气动力设备试验和试运行检验批质量验收记录--------------001 6、裸母线、封闭母线、插接式母线安装检验批质量验收记录----------001 6、电缆桥架安装和桥架内电缆敷设检验批质量验收记录-------------001 6、电缆沟内和电缆竖井内电缆敷设检验批质量验收记录-------------0016、电线导管、电缆导管和线槽敷设安装检验批质量验收记录(室内)----001 6、电线导管、电缆导管和线槽敷设安装检验批质量验收记录(室外)---------001 6、电线、电缆穿管和线槽敷线安装检验批质量验收记录-------------001 6、槽板配线安装检验批质量验收记录-----------------------------001 6、钢索配线安装检验批质量验收记录-----------------------------001 6、电缆头制作、接线和线路绝缘测试检验批质量验收记录-----------001 6、普通灯具安装检验批质量验收记录-----------------------------001 6、专用灯具安装检验批质量验收记录-----------------------------001 6、建筑物景观照明灯、航空障碍标志灯和庭院灯安装检验批质量验收记录----001 6、开关、插座、风扇安装检验批质量验收记录---------------------001 6、建筑物照明通电试运行检验批质量验收记录---------------------001 6、接地装置安装检验批质量验收记录-----------------------------001 6、避雷引下线和变配电室接地干线敷设安装检验批质量验收记录(防雷引下线)-001 6、避雷引下线和变配电室接地干线敷设安装检验批验收记录(变配电室接地干线)----001 6、接闪器安装检验批质量验收记录-------------------------------0016、建筑物等电位联结安装检验批质量验收记录---------------------0017、通风与空调工程检查用表-------------------------------------001 7、通风与空调分部工程各子分部工程与分项工程相关表-------------001 7、风管与配件制作(金属风管)检验批质量验收记录---------------001 7、风管与配件制作(非金属、复合材料风管)检验批质量验收记录---001 7、风管部件与消声器制作检验批质量验收记录---------------------001 7、风管系统安装(送、排风、排烟系统)检验批质量验收记录---------001 7、风管系统安装(空调系统)检验批质量验收记录-------------------0017、风管系统安装(净化空调系统)检验批质量验收记录---------------001 7、通风机安装检验批质量验收记录-------------------------------001 7、通风与空调设备安装(通风系统)检验批质量验收记录-------------001 7、通风与空调设备安装(空调系统)检验批质量验收记录-------------001 7、通风与空调设备安装(净化空调系统)检验批质量验收记录---------001 7、空调制冷系统安装检验批质量验收记录-------------------------001 7、空调水系统安装(金属管道)检验批质量验收记录---------------001 7、空调水系统安装(非金属管道)检验批质量验收记录-------------001 7、空调水系统安装(设备)检验批质量验收记录---------------------001 7、防腐与绝热施工(风管系统)检验批质量验收记录-----------------001 7、防腐与绝热施工(管道系统)检验批质量验收记录-----------------0017、工程系统调试检验批质量验收记录-----------------------------0018、电梯工程检查用表-------------------------------------------001 8、设备进场检验批质量验收记录---------------------------------001 8、土建交接检验批质量验收记录---------------------------------001 8、驱动主机检验批质量验收记录---------------------------------001 8、导轨检验批质量验收记录-------------------------------------001 8、门系统检验批质量验收记录-----------------------------------001 8、轿厢、对重(平衡重)检验批质量验收记录---------------------001 8、安全部件检验批质量验收记录---------------------------------001 8、悬挂装置、随行电缆、补偿装置检验批质量验收记录-------------001 8、电气装置检验批质量验收记录---------------------------------001 8、整机安装检验批质量验收记录---------------------------------0018、液压系统检验批质量验收记录---------------------------------001 8、液压电梯悬挂装置、随行电缆检验批质量验收记录---------------001 8、液压电梯整机安装检验批质量验收记录-------------------------001 8、自动扶梯、自动人行道设备进场检验批质量验收记录-------------001 8、自动扶梯、自动人行道土建交接检验批质量验收记录-------------001 8、自动扶梯、自动人行道整机安装检验批质量验收记录-------------001 0、检查用表填表范例-------------------------------------------001 0、施工现场质量管理检查记录实例-------------------------------001 0、填充墙砌体工程检验批质量验收记录实例-----------------------001 0、附件表-----------------------------------------------------001 0、填充墙砌体分项工程质量验收记录实例-------------------------001 0、砌体结构子分部工程质量验收记录实例-------------------------001 0、主体分部工程质量验收记录实例-------------------------------001 0、单位工程质量竣工验收记录实例-------------------------------001 0、单位工程质量控制资料核查记录实例---------------------------001 0、单位工程安全和功能检验资料核查及主要功能抽查记录实例----------001 0、单位工程观感质量检查记录实例-------------------------------001 0、检验批合格的标准-------------------------------------------001 0、附七大总表(空表格)---------------------------------------001 0、《建筑工程施工质量验收规范》(2002版)相关表格填表说明-------001 0、建设部文件-------------------------------------------------001第一章建筑工程施工质量验收规范检验批检查用表填写说明建设部颁布的新版《建筑工程施工质量验收规范》定于2003年1月1日起执行。