附表1居住建筑节能设计报审表按规定性指标
- 格式:doc
- 大小:124.00 KB
- 文档页数:2
建筑节能方案审查表建筑节能方案审查表建筑节能是指采用一系列科学的技术和策略,以最小化能源消耗和环境污染,同时提高室内舒适度和使用质量的方法。
对于建筑节能方案,需要进行全面的审查来确保其可行性和有效性。
以下是一个建筑节能方案审查表的示例。
1. 建筑设计:- 建筑方案是否考虑了最佳的朝向,以便最大程度地利用自然光和自然通风?- 是否使用了节能材料,如高效保温材料和节水设备?2. 照明系统:- 是否使用了高效的照明设备,如LED灯和自动感应开关?- 是否考虑了自然光的利用,如采用天窗和透明材料?3. 采暖和空调系统:- 是否采用了高效的供暖和空调设备,如地源热泵和无氟制冷剂的空调系统?- 是否考虑了室内温度和湿度的控制,以提高舒适度并节约能源?4. 电气系统:- 是否采用了高效的电气设备,如节能电器、智能电表和电力管理系统?- 是否考虑了用电负荷峰值的管理,以避免能源浪费和电网过载?5. 建筑外墙和屋顶:- 是否考虑了外墙和屋顶的保温性能,以减少能量损失?- 是否采用了太阳能光伏板和太阳能热水器,以提供清洁能源?6. 水资源管理:- 是否采用了节水设备,如低流量水龙头和感应式洗手间? - 是否考虑了雨水回收和再利用,以减少用水需求?7. 建筑自动化系统:- 是否考虑了建筑自动化系统,如智能照明控制和能源监测系统?- 是否采用了传感器和自动控制设备,以根据实际需求进行能源调整?8. 操作和维护:- 是否提供了详细的操作和维护手册,以确保建筑能够实现预期的节能效果?- 是否提供了培训和支持,以帮助用户正确使用和维护节能设备?综上所述,建筑节能方案审查表对建筑节能提供了一个全面的审查和评估框架,以确保设计和实施的建筑节能方案能够达到预期的节能效果。
通过审查表的使用,可以确保建筑节能方案考虑了各个方面的节能措施,从而减少能源消耗和环境污染,提高室内舒适度和使用质量。
建筑节能方案的审查对于可持续发展和环境保护具有重要意义。
江苏省建设工程施工图设计节能报审表
(居住建筑)
江苏省建设厅制
居住建筑施工图设计(建筑节能)报审表
所属市(区、县):
建筑气候分区:寒冷地区□夏热冬冷地区□ 200 年
如有任何虚假成分,本单位及有关人员愿承担相应的行政和法律责任!
设计项目负责人(签章)
设计单位法定代表人(签章)
设计单位(公章)
------------------------------------------本页以下内容及下表中审查结论由审查单位填写
注:1、审查依据:
1)《实施工程建设强制性标准监督规定》建设部令第81号;《民用建筑节能管理规定》建设部令第143号;
2)《夏热冬冷地区居住建筑节能设计标准》JGJ134 —2001;《江苏省民用建筑热环境与节能设计标准》DB32/478 —2001 ;
3)关于下发《江苏省民用建筑热环境与节能设计标准》强制性条文的通知。
2、有关指标的计算应另附计算书或说明。
附录A 建筑节能设计执行强制性条文措施汇总表
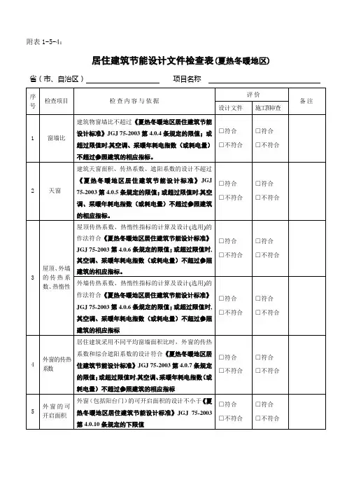
表A-1 夏热冬冷地区居住建筑节能设计执行强制性条文措施汇总表(建筑专业)
2 本表中传热系数的单位为W/(m2·K)。
表A-2 夏热冬暖地区居住建筑节能设计执行强制性条文措施汇总表(建筑专业)
2 本表中传热系数的单位为W/(m2·K)。
表A-3 居住建筑节能设计执行强制性条文措施汇总表(暖通专业)
表A-4 居住建筑节能设计执行强制性条文措施汇总表(给水排水专业)
表A-5 居住建筑节能设计执行强制性条文措施汇总表(电气专业)。
附件:1.民用建筑节能设计审查备案登记表附表1.1 温和中区公共建筑围护结构热工计算结果汇总表附表1.2 温和中区居住建筑围护结构热工计算结果汇总表附表1.3 温和南区和夏热冬暖地区公共建筑围护结构热工计算结果汇总表附表1.4 温和南区和夏热冬暖地区居住建筑围护结构热工计算结果汇总表附表1.5 温和北区和夏热冬冷地区公共建筑围护结构热工计算结果汇总表附表1.6 温和北区和夏热冬冷地区居住建筑围护结构热工计算结果汇总表附表1.7 寒冷地区公共建筑围护结构热工计算结果汇总表附表1.8 寒冷A区居住建筑围护结构热工计算结果汇总表2.建筑设计说明(节能专篇)编制要求3.建筑节能计算书编制要求4.供暖空调建筑冷热负荷计算书编制要求5.太阳能热水系统施工图设计要点—1 —附件1云南省民用建筑节能设计审查备案登记表—2 —填报说明1 填报方式:1.1 本表须与附表配合使用,同时报审。
表格采用手工填写或在线填写后打印。
1.2 附表根据建筑类型及其所在地热工设计分区,按照《云南省民用建筑节能设计标准》表3.1.2及第4.1.1条、第4.1.2条的规定,从附表1.1~1.8中选择其一。
元阳新县城(南沙镇)暂列为夏热冬暖地区。
1.3建筑按单体填报;各单体完全相同的多个居住建筑可按建筑群填报。
公共与居住一体的综合性建筑可分别填补,参见《云南省民用建筑节能设计标准》第1.0.2条条文说明。
2 填报内容:2.1 “适用节能设计标准”的确定方法同上1.2条。
2.2 如果建筑围护结构的热工性能指标全部满足其所适用节能标准的规定,则无需进行权衡判断(也称综合判断、综合评价,视适用标准而定);如果建筑未设置供暖、空调设施,则无需填写相关内容。
2.3 围护结构热工性能指标“是否符合标准限值”栏目内填写项目的多少根据适用标准的要—3 —求而定。
例如,温和南区及夏热冬暖地区居住建筑就不需要填写体型系数、架空(外挑)楼板、分户墙(板)、地面、地下室(与土壤接触的)外墙等项目。
广东省建设厅关于印发《广东省民用建筑节能施工图设计和审查要点》的通知文章属性•【制定机关】广东省建设厅•【公布日期】2006.05.10•【字号】粤建设字[2006]58号•【施行日期】2006.05.10•【效力等级】地方规范性文件•【时效性】现行有效•【主题分类】勘察设计正文广东省建设厅关于印发《广东省民用建筑节能施工图设计和审查要点》的通知(粤建设字[2006]58号)广州市建委,深圳市规划局,各地级以上市建设局:为了更好地实施现行有关建筑节能设计标准,规范我省建筑节能设计及审查行为,明确建筑节能设计、审查内容,根据有关法规、标准,结合我省实际情况,我厅组织起草了《广东省民用建筑节能施工图设计和审查要点》(以下简称《要点》),并广泛征求各地意见及组织专家论证。
现将《要点》印发给你们,并就有关事项通知如下:一、请你们将《要点》及时转发至所属各设计、施工图审查机构,并做好监督实施工作。
二、各设计单位和施工图审查机构必须严格执行《要点》。
各地要根据情况开展有关民用建筑节能施工图设计审查的监督检查工作。
三、我厅将组织有关专家对全省民用建筑节能施工图设计和审查工作进行定期和不定期的检查。
对检查中发现的违背强制性标准条文的情况,按有关法规规定严肃处理并通过媒体公布。
四、本《要点》中有关居住建筑的内容只适用于《夏热冬暖地区居住建筑节能设计标准》划定的我省夏热冬暖地区南区;有关公共建筑的内容只适用于相应规范划定的夏热冬暖地区。
对不属于《要点》适用范围的地区,可参照本《要点》,由当地建设行政主管部门根据相关标准起草适合于本地区的民用建筑节能设计和审查要点。
五、对施工图审查合格的工程项目,需按建设部《关于加强民用建筑工程项目建筑节能审查工作的通知》(建科[2004]174号)规定,在项目所在地的建筑节能办公室(或建筑节能行政管理部门)进行备案。
广东省建设厅二00六年五月十日广东省民用建筑节能施工图设计和审查要点一、建筑节能设计文件的编制要求(一)民用建筑(居住建筑、公共建筑)施工图设计必须进行建筑节能设计。
江苏居建2024规定性指标建筑节能计算报告江苏居建2024规定性指标是指江苏省住房和城乡建设厅于2024年颁布的《江苏省住宅建筑规定》,该规定对住宅建筑的节能要求进行了明确的规定。
根据规定,住宅建筑的节能计算需要按照一定的步骤进行,包括热工性能计算、采暖系统选型和热网设计等。
首先,在热工性能计算中,需要计算建筑的传热系数、透光率和气密性等指标。
建筑的传热系数是指建筑物墙、屋顶、地板等六个侧面的传热能力,透光率是指建筑物外窗的透光能力,气密性是指建筑物在正常使用条件下外界空气对流通过建筑物墙体、屋顶和地板的能力。
这些指标的计算需要根据具体的建筑构造和材料来确定,以确保建筑的热工性能达到规定的节能要求。
其次,在采暖系统选型上,需要根据建筑的热负荷、气候条件和节能要求来选择合适的采暖设备和供暖方式。
热负荷是指建筑物需要供暖的热量,根据建筑物的尺寸、热工性能和室内设备的热负荷来确定。
气候条件是指建筑所在地的气象数据,包括室外温度、湿度和风速等因素,用于确定采暖需求的基准温度和室外环境对建筑的影响。
节能要求是根据居住者的舒适需求和节能政策来确定的,包括室内温度、湿度和照明等方面的要求。
最后,在热网设计中,需要确定供热管网的布局和规模,以及供热设备的选型和运行方式。
供热管网的布局和规模是根据建筑的空间布置和热负荷来确定的,包括主干管、支管和末端设备等。
供热设备的选型和运行方式是根据建筑的热负荷和节能要求来确定的,包括锅炉、换热器和泵等设备的选择和运行参数。
综上所述,江苏居建2024规定性指标建筑节能计算报告需要按照热工性能计算、采暖系统选型和热网设计等步骤进行。
根据具体的建筑结构、材料和气候条件等因素,计算建筑的传热系数、透光率和气密性等指标,选择合适的采暖设备和供暖方式,并确定合理的供热管网布局和规模,以及供热设备的选型和运行方式。
通过这些计算和设计,可以确保住宅建筑的节能要求达到江苏居建2024规定性指标的要求,提高建筑的节能性能。
附表5.1 居住建筑节能设计审查备案登记表
编号:
建设单位工程所在地
项目名称建筑面积A(m2)
设计单位建筑面积A0(m2)
依据标准结构类型
部位名称节能做法K [W/(m2·K)]
屋顶平屋顶坡屋顶
外墙
主墙体K= K m= 热桥部位围护结构类型:
窗(包括阳台门透明部分)
不采暖楼梯间及其它不采暖空间隔墙户门
楼板
接触室外空气楼板
与不采暖空间相邻的楼板
地面
周边地面非周边地面
凸(飘)窗顶板底板
伸缩缝、沉降缝两侧外墙
抗震缝两侧外墙
分户墙
层间楼板
热计量方式窗墙面积比北:东:西:南:
采暖方式建筑节能设
计判定方法□直接判定法□指标判定法□对比判定法
采暖设计热负荷指标
体形系数(S)建筑物耗热量指标(W/m2)规定值:14.53 设计值:∑εi·K i·F i参照建筑:设计建筑:
锅炉类型热效率(%)
机组类型
单位制冷量蒸汽量
kg/(kW·h)
能效比或性能系数(W/W)施工图审查单位节能审查意见
经各专业审查,设计建筑满足节能标准要求,总体可达到节能65%的目标要求。
节能审查专项负责人:(单位盖章)
年月日。