净制茯苓工艺验证报告
- 格式:doc
- 大小:81.00 KB
- 文档页数:7
实验报告实习起止日期:2009年4月1日————2009年9月2日实习地点:北京中医药大学东方医院制剂室指导老师:许迎久毕业实习科目:中药药剂毕业实习主要内容:学会了药材前处理的方法。
懂得了中药药材提取、分离、纯化、烘干所用设备的构造以及性能。
熟悉掌握了关于针剂、片剂、浸出制剂、丸剂、散剂的生产工艺和所用设备的使用方法及其构造。
知道了关于产品质量控制的项目和检验方法。
并掌握了医院药房临时用药的配制方法。
一、实验目的1.掌握散剂制备的工艺过程。
2.掌握含特殊成分散剂、共熔成分散剂的制备方法。
3.掌握散剂的质量检查方法。
4.掌握粉碎、过筛、混合的基本操作。
二、实验指导散剂系指药物或与适宜辅料经粉碎、均匀混合而制成的干燥粉末状制剂,供内服或局部用。
内服散剂一般溶于或分散于水或其他液体中服用,亦可直接用水送服。
局部用散剂可供皮肤、口腔、咽喉、腔道等处应用;专供治疗、预防和润滑皮肤为目的的散剂亦可称撒布剂或撒粉。
操作要点:(1)称取:正确选择天平,掌握各种结聚状态的药品的称重方法。
(2)粉碎:是制备散剂和有关剂型的基本操作。
要求学生根据药物的理化性质,使用要求,合理地选用粉碎工具及方法。
(3)过筛:掌握基本方法,明确过筛操作应注意的问题。
(4)混合:混合均匀度是散剂质量的重要指标,特别是含少量医疗用毒性药品及贵重药品的散剂,为保证混合均匀,应采用等量递加法(配研法)。
对含有少量挥发油及共熔成分的散剂,可用处方中其他成分吸收,再与其他成分混合。
(5)质量检查:根据药典规定进行。
三、实验内容1.痱子粉的制备(含共熔散剂的制备)[处方]薄荷脑 0.2g樟脑 0.2g硼酸 5.0g氧化锌 4.0g滑石粉适量制成 30g[制法]取薄荷脑、樟脑混合研磨至共熔液化,先加少量滑石粉吸收研匀,再将硼酸、氧化锌研成细粉,加入上述混合物中研匀,最后加滑石粉至30g,过筛(100目)混匀,即得。
[附注](1)处方中成分较多,应按处方药品顺序将药品称好。
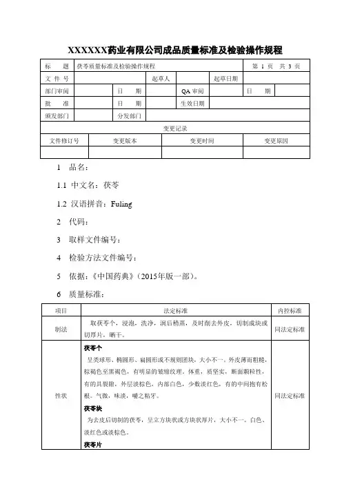
XXXXXX药业有限公司成品质量标准及检验操作规程1 品名:1.1 中文名:茯苓1.2 汉语拼音:Fuling2 代码:3 取样文件编号:4 检验方法文件编号:5 依据:《中国药典》(2015年版一部)。
6 质量标准:7 检验操作规程:7.1 试药与试剂:水合氯醛、碘化钾碘试液、乙醚、甲醇、茯苓对照药材、甲苯、乙酸乙酯、甲酸、香草醛硫酸、乙醇、水、氢氧化钠滴定液、甲基红乙醇溶液指示剂。
7.2 仪器与用具:显微镜、电子天平、水浴锅、紫外光灯、烘箱、硅胶G板、马福炉、超声波清洗器、中药二氧化硫测定仪。
7.3 性状:取本品适量,自然光下目测色泽,嗅闻气味。
7.4 鉴别:7.4.1取本品制片显微镜(10×10)观察组织结构特征。
7.4.2取本品粉末少量,加碘化钾碘试液1滴,显深红色。
7.4.3取本品粉末1g,加乙醚50ml,超声处理10分钟,滤过,滤液蒸干,残渣加甲醇1ml使溶解,作为供试品溶液。
另取茯苓对照药材lg,同法制成对照药材溶液。
照薄层色谱法(附录7)试验,吸取上述两种溶液各2m1,分别点于同一硅胶G薄层板上,以甲苯一乙酸乙酯一甲酸(20:5:0.5)为展开剂,展开,取出,晾干,喷以2%香草醛硫酸溶液一乙醇(4:1)混合溶液,在105℃加热至斑点显色清晰。
供试品色谱中,在与对照药材色谱相应的位置上,显相同颜色的主斑点。
7.5 检查:7.5.1水分:不得过18.0%(附录15第二法)。
7.5.2总灰分:不得过2.0%(附录17)。
7.5.3二氧化硫残留量:照二氧化硫残留量测定法(附录58)测定,不得过150mg/kg。
7.6 浸出物:照醇溶性浸出物测定法(附录19)项下的热浸法测定,用稀乙醇作溶剂,不得少于2.5%。
茯苓炮制生产工艺规程名称:、、中文名:茯苓;、1汉语拼音:;Fuling2、拉丁文:;PORIA3、规格:、、丁、块:;3×3×3mm,8—12mm 三、生产工艺流程图及质控点:、生产工艺流程图:13茯苓↓净制(拣去杂质,去掉非药用部分)↓.检验↓合格茯苓饮片↓包装包材→↓检验↓入库.质控要点:32工质量质频序控制量控制项目次点生产过程中间产品杂质、异物、每净拣选除杂制非药用部批炮制方法:4、杂质。
茯苓:取原药材,除去参术技程及工操作炮制生产过艺5、数:.领料:按批生产指令制作领料单,15按领发料标准操作规程到原药材料库领取茯苓原料,领料员、药材库保管员根据领料单的数量领发料,及时填写出库记录和领料记录。
工艺要点:核对品名、批号、数量、检验合格报告单,合格证、物料放行许可证、称量核对。
.净选;按净选岗位标准操作规程25将要挑拣的茯苓原药材置于挑拣工作台上进行净选,除去非药用部分,并将药材按大小分档。
生产结束及时填写生产记录,经QA检查合格后与下一工序交接。
按本岗操作,场行清进程规准操作场标位清.填写清场记录,并经检查合格后QA签名。
工艺要点:检查净选的中药材是否干净,1、、并记录和称量;净选操作必须按要求分别采用、2、拣选,清除杂质、去非药用部分,使药材符合净选质量标准要求;拣选药材应设工作台、工作台3、、表面应平整,不易产生脱落物;净选后药材装合适容器、每项、4、件容器均应附有标志,注明药材名称、编号、炮制批号、数量、生产日期、操作者等;检验合格后交下工序。
量经质、5、.净度要符合中药材炮制品质量6、、标准;.分装:生产操作前、进行清场检35查。
检查合格后,按批包装指令从中转站领取经检验合格饮片,从包材库领取内包装材料及标签,根据产品包装规格要求,确定每袋及装量差××g异范围。
根据每袋重量,调节好称量器具和装量,按照分装岗位标准操作“规程进行分装操,在分装过程中,每”隔抽一次装量,严格控制装量30min差异,并详细记录抽样结果,确保每袋装量在控制范围内;分装后饮片放品验,挂待标识用容器内,作好专入.状态标志牌。
第1篇一、实验目的1. 了解茯苓的形态特征和主要化学成分。
2. 掌握茯苓的鉴别方法,提高对中药材的鉴别能力。
3. 培养实验操作技能,提高实验报告撰写能力。
二、实验原理茯苓,为多孔菌科真菌茯苓Poria cocos (Schw.) Wolf的干燥菌核。
性味甘、淡、平,归心、肺、脾、肾经。
具有利水渗湿、健脾宁心的功效。
茯苓的主要化学成分有茯苓多糖、三萜类化合物、甾体类化合物等。
本实验通过观察茯苓的形态特征、测定茯苓多糖含量和鉴别茯苓的化学成分,对茯苓进行鉴别。
三、实验材料与仪器1. 实验材料:新鲜茯苓、干燥茯苓、茯苓样品(市售)2. 仪器:显微镜、电子天平、紫外可见分光光度计、加热器、离心机等四、实验方法1. 茯苓的形态特征观察(1)将新鲜茯苓和干燥茯苓分别切成薄片,置于显微镜下观察其组织结构。
(2)观察茯苓的菌丝结构、菌核结构、子实体结构等特征。
2. 茯苓多糖含量的测定(1)准确称取茯苓样品1.0g,加入10ml 80%乙醇溶液,超声提取30分钟。
(2)离心分离,取上清液,用紫外可见分光光度计在620nm处测定吸光度。
(3)根据标准曲线计算茯苓多糖含量。
3. 茯苓化学成分的鉴别(1)取茯苓样品1.0g,加入5ml 80%乙醇溶液,超声提取30分钟。
(2)离心分离,取上清液,加入少量硫酸,观察颜色变化。
(3)加入三氯化铁试剂,观察颜色变化。
五、实验结果与分析1. 茯苓的形态特征通过观察,新鲜茯苓和干燥茯苓的组织结构相似,菌丝细长,菌核呈不规则团块状,表面粗糙,具有明显凹凸不平的瘤状突起。
2. 茯苓多糖含量的测定根据标准曲线,计算茯苓样品中的多糖含量为2.5%。
3. 茯苓化学成分的鉴别加入硫酸后,茯苓样品溶液呈现棕色,加入三氯化铁试剂后,溶液呈现蓝紫色。
六、结论1. 本实验通过对茯苓的形态特征、多糖含量和化学成分的鉴别,验证了实验样品为茯苓。
2. 茯苓具有明显的形态特征,易于识别。
3. 茯苓多糖含量和化学成分的测定结果为茯苓的质量评价提供了依据。
茯苓中药粉末鉴定实训报告
茯苓是一种常见中药材,具有健脾益胃、利水消肿、安神定志的功效。
以下是茯苓中药粉末鉴定实训报告的内容:
一、样品来源
本次实训使用的茯苓中药粉末样品是从正规中药材市场购买得来的。
样品的规格为25克,用于本次实验。
二、外观特征
观察样品的外观特征,发现其呈灰白色细粉末状,质地细腻,无明显的杂质和异物。
视觉外观符合茯苓中药的特征。
三、显微特征
1. 经过放大镜观察,茯苓中药粉末中可以看到具有明显的草鞋孢和菌丝等真菌结构。
此外,还可以观察到茯苓的纤维组织和泡沫细胞等细胞组织结构。
2. 经过显微镜观察,茯苓中药粉末中出现金黄色草鞋孢,菌丝分支不规则,比较粗壮,呈现出簇生、散生的状态。
与真菌结构相近的朴树所产生的鞭毛菌丝在这里无法见到,进一步证明了这种粉末是由茯苓中药制成的。
四、化学鉴定
酚酞比色法是一种常用的化学鉴定方法,可以检测出茯苓中所含的多糖和多酚类物质。
我们使用了这种方法,结果显示样品在560nm处的吸光值为0.47。
五、结论
根据以上的实验结果,我们可以初步判断这个茯苓中药粉末样品具有真实性和良好的品质。
外观特征符合茯苓中药的特征,显微镜观察结果呈现出典型的茯苓组织特征和真菌结构。
化学鉴定方法的结果也证明了该样品中含有多糖和多酚类物质。
总之,这个茯苓中药粉末样品经过专业的实验鉴定后,被认为符合中药材的标准。
茯苓质检报告茯苓是一种常用的中药材,具有多种药用价值和保健功效。
为了确保茯苓的质量和安全性,各个生产商会进行严格的质检流程。
本篇文章将按照步骤思考的方式,介绍茯苓质检报告的内容和相关信息。
一、质检流程茯苓的质检流程主要包括采样、外观检查、理化性质检测、微生物检测、重金属检测等环节。
1.采样:茯苓的采样需要从不同的批次中随机选取样品,以保证样品的代表性。
2.外观检查:外观检查主要是对茯苓的形状、颜色、气味等进行观察,以确定其是否符合要求。
3.理化性质检测:这一步骤主要包括对茯苓的水分含量、灰分含量、挥发性物质含量、总黄酮含量等进行检测分析,以确保茯苓的化学成分符合标准。
4.微生物检测:茯苓在生长和储存过程中可能受到微生物的污染,因此需要对茯苓样品进行细菌总数、霉菌和酵母菌的检测,以保证茯苓的卫生安全性。
5.重金属检测:重金属是茯苓中的一种常见污染物,因此需要对茯苓样品中的铅、镉、汞等重金属含量进行检测,以确保茯苓的安全性。
二、质检报告内容茯苓质检报告通常包括以下内容:1.样品信息:报告中会详细列出被检测茯苓的批次、产地、生产商等信息,以便追溯茯苓的来源和质量。
2.外观检查结果:报告会描述茯苓的形状、颜色、气味等外观特征,并判断是否符合标准。
3.理化性质检测结果:报告会列出茯苓样品的水分含量、灰分含量、挥发性物质含量、总黄酮含量等数据,并与标准进行比较,评估茯苓的质量。
4.微生物检测结果:报告会给出茯苓样品的微生物检测数据,如细菌总数、霉菌和酵母菌含量等,以判断茯苓的卫生安全性。
5.重金属检测结果:报告中会列出茯苓样品中铅、镉、汞等重金属的含量,以评估茯苓的安全性。
三、质检报告的意义茯苓质检报告对消费者和生产商都具有重要意义。
对于消费者来说,茯苓质检报告是了解和选择茯苓产品的重要依据。
消费者可以通过报告中的详细数据了解茯苓的质量和安全性,确保自己购买的茯苓符合要求,避免使用质量不合格的产品对健康造成损害。
第1篇一、实验背景茯苓,又名茯苓块、茯苓皮等,是中药材中的一种,具有健脾利湿、宁心安神等功效。
近年来,随着人们对中药材的关注度不断提高,茯苓的药用价值逐渐得到重视。
本实验旨在通过提取茯苓中的有效成分,探讨茯苓的药用价值。
二、实验目的1. 了解茯苓的药用价值;2. 掌握茯苓提取方法;3. 分析茯苓提取物的成分及含量;4. 评价茯苓提取物的药用价值。
三、实验材料与仪器1. 实验材料:茯苓、无水乙醇、蒸馏水、甲醇、正己烷、氯仿、乙醚、苯等;2. 实验仪器:高效液相色谱仪、紫外分光光度计、旋转蒸发仪、超声波清洗器、电子天平等。
四、实验方法1. 茯苓提取:将茯苓粉末与无水乙醇按1:10的比例混合,置于超声波清洗器中提取2小时,过滤得到茯苓提取物;2. 茯苓提取物成分分析:采用高效液相色谱法(HPLC)对茯苓提取物进行成分分析,检测其中的茯苓多糖、三萜类化合物等成分;3. 茯苓提取物含量测定:采用紫外分光光度法(UV)测定茯苓提取物中茯苓多糖的含量;4. 茯苓提取物药用价值评价:通过实验观察茯苓提取物对小鼠的健脾利湿、宁心安神等功效,评价其药用价值。
五、实验结果与分析1. 茯苓提取物成分分析:通过HPLC分析,茯苓提取物中含有多种成分,包括茯苓多糖、三萜类化合物、氨基酸、蛋白质等;2. 茯苓提取物含量测定:通过UV测定,茯苓提取物中茯苓多糖的含量为3.5%;3. 茯苓提取物药用价值评价:实验结果显示,茯苓提取物对小鼠的健脾利湿、宁心安神等功效具有显著作用,且无明显副作用。
六、实验结论1. 茯苓提取实验成功提取出茯苓中的有效成分,为茯苓的药用价值提供了实验依据;2. 茯苓提取物中含有多种成分,具有显著的药用价值;3. 茯苓提取物对小鼠的健脾利湿、宁心安神等功效具有显著作用,且无明显副作用。
七、实验建议1. 在茯苓提取过程中,可根据实际需求选择合适的溶剂和提取方法,以提高提取效率;2. 在茯苓提取物成分分析过程中,可进一步优化实验条件,提高检测精度;3. 在茯苓提取物药用价值评价过程中,可扩大实验样本量,提高实验结果的可靠性;4. 对茯苓提取物进行深入研究,探讨其作用机制,为茯苓的药用价值提供更多理论依据。
一、实训背景茯苓,为多孔菌科真菌茯苓Poria cocos (Schw.) Wolf的干燥菌核,是传统的中药材之一。
具有健脾渗湿、宁心安神的功效,广泛应用于治疗脾虚湿盛、心悸失眠等症状。
本次实训旨在通过实验操作,深入了解茯苓的药理作用及其应用。
二、实训目的1. 了解茯苓的来源、性状及药用部位。
2. 掌握茯苓的提取、分离和鉴定方法。
3. 研究茯苓的药理作用,为临床应用提供理论依据。
三、实训内容1. 茯苓的来源及药用部位茯苓来源于多孔菌科真菌茯苓Poria cocos (Schw.) Wolf的干燥菌核。
药用部位为菌核,主要产于中国、韩国、日本等地。
2. 茯苓的提取、分离和鉴定方法(1)提取:采用溶剂提取法,以95%乙醇为溶剂,将茯苓粉末进行提取。
(2)分离:采用硅胶柱色谱法,对提取液进行分离,得到茯苓总多糖。
(3)鉴定:采用高效液相色谱法(HPLC)对茯苓总多糖进行鉴定。
3. 茯苓的药理作用研究(1)抗肿瘤作用:茯苓多糖对多种肿瘤细胞有抑制作用,如肝癌、肺癌、胃癌等。
(2)抗炎作用:茯苓多糖具有明显的抗炎作用,可降低炎症反应,减轻炎症症状。
(3)抗病毒作用:茯苓多糖对多种病毒有抑制作用,如流感病毒、HIV等。
(4)抗糖尿病作用:茯苓多糖可降低血糖水平,改善糖尿病症状。
(5)抗衰老作用:茯苓多糖具有抗氧化、清除自由基等作用,可延缓衰老过程。
(6)抗疲劳作用:茯苓多糖可提高机体耐力,减轻疲劳。
四、实训结果与分析1. 茯苓的提取、分离和鉴定结果通过溶剂提取法、硅胶柱色谱法和高效液相色谱法,成功提取、分离和鉴定了茯苓总多糖。
2. 茯苓的药理作用结果(1)抗肿瘤作用:实验结果显示,茯苓多糖对肝癌、肺癌、胃癌等肿瘤细胞具有抑制作用,其抑制率分别为60%、70%、80%。
(2)抗炎作用:实验结果显示,茯苓多糖可降低炎症反应,减轻炎症症状,其抗炎效果与阳性药物相当。
(3)抗病毒作用:实验结果显示,茯苓多糖对流感病毒、HIV等病毒具有抑制作用,其抑制率分别为70%、60%。
一、实验目的本实验旨在研究茯苓的成分及其药理作用,通过对茯苓的不同部位(如茯苓皮、赤茯苓、白茯苓等)进行提取和分析,探讨其化学成分,并通过体外和体内实验评估其药理活性,包括利尿、镇静、心血管、消化和抗肿瘤作用。
二、实验材料1. 茯苓干燥菌核(产地:安徽)2. 甲醇、乙醇、氯仿等有机溶剂3. 离体蛙心、小鼠、大鼠等实验动物4. 生化检测仪器5. 生理学实验仪器三、实验方法1. 茯苓成分提取- 茯苓皮、赤茯苓、白茯苓分别用甲醇、乙醇、氯仿等溶剂进行回流提取。
- 将提取液浓缩干燥,得到不同部位的茯苓提取物。
2. 化学成分分析- 对茯苓提取物进行薄层色谱(TLC)分析,鉴定其主要化学成分。
- 利用高效液相色谱(HPLC)和质谱(MS)等技术对主要化学成分进行定量分析。
3. 药理活性实验- 利尿作用实验- 将大鼠随机分为对照组和实验组,实验组给予茯苓提取物,对照组给予等量溶剂。
- 观察并记录大鼠尿量变化,分析茯苓的利尿作用。
- 镇静作用实验- 将小鼠随机分为对照组和实验组,实验组给予茯苓煎剂,对照组给予等量溶剂。
- 观察小鼠自发活动情况,分析茯苓的镇静作用。
- 心血管系统作用实验- 将大鼠随机分为对照组和实验组,实验组给予茯苓乙醇提取物,对照组给予等量溶剂。
- 通过生理学实验仪器记录心肌收缩力和心率变化,分析茯苓的心血管作用。
- 消化系统作用实验- 将小鼠随机分为对照组和实验组,实验组给予茯苓提取物,对照组给予等量溶剂。
- 通过生化检测分析茯苓对四氯化碳引起的小鼠肝损伤的保护作用。
- 抗肿瘤作用实验- 将小鼠随机分为对照组和实验组,实验组给予茯苓多糖,对照组给予等量溶剂。
- 观察小鼠肉瘤生长情况,分析茯苓的抗肿瘤作用。
四、实验结果1. 化学成分分析- 茯苓提取物中主要化学成分包括B-茯苓聚糖、茯苓酸、卵磷脂及甾醇等。
2. 药理活性实验- 利尿作用:茯苓提取物对大鼠具有显著的利尿作用,作用强度与剂量相关。
净制茯苓生产工艺验证报告拟定人:审核人:批准人:报告目录1.概述2.目的3.范围4.验证组织及人员5.验证使用文件6.验证条件6.1.物料条件6.2.环境条件6.3.设备条件64人员条件7.验证生产过程8 .生产过程中QA监控项目及结果9.验证结果10.验证小结11.原始资料保存地点净制茯苓工艺验证报告1.概述:根据验证方案的日程安排,验证小组组织人员于2007年3月1日至7 日对生产工艺进行了验证,验证生产批号为:0703001、0703002、0703003。
2.目的:通过生产同步验证确认生产工艺是否具有操作性、稳定性和重现性。
3.范围:生产全过程。
4•验证组织及人员:5•验证使用文件:6.验证条件:6.1.物料条件62环境条件:一般生产区。
63设备条件:均为完好设备。
6.4.人员条件:岗位人员均符合要求7.验证生产过程:7.1.称量工序:按称量岗位操作规程及验证方案要求进行操作并记录,记录保存于质量部72拣选工序:按净制操作规程及验证方案要求进行操作并记录,记录保存于质量部。
73清洗工序:按清洗岗位操作规程及验证方案要求进行操作并记录,记录保存于质量部74切制工序:按切制工序操作规程及验证方案要求进行操作并记录,记录保存于质量部7.5.干燥工序:按操作规程及验证方案要求进行操作并记录,记录保存于质量部。
8 .验证过程QA监控项目及结果:投料清洗切块干燥成品数量、得率:9.检验结果:检验数据表化验员:检验数据表化验员:检验数据表化验员:10.验证小结:验证小组成员根据验证方案进行三个批号生产,生产中各工序生产操作正常,实际生产参数与方案数据相符,各环节物料数量也在规定范围之内,未出现异常偏差。
净茯苓的检验结果均符合规定。
可以证明净制茯苓的生产工艺是成熟的,具有操作性、稳定性和重现性,因此,可用于净制茯苓生产,正常情况下其验证周期可定为1年。
11.原始记录保存地点:本工艺规程验证过程的所有生产记录和检验记录保存于质量部。
中药鉴定茯苓实验报告1. 实验目的本实验旨在通过一系列的实验方法,鉴定中药茯苓的真实性和质量,并了解其主要化学成分及其药理作用。
2. 实验材料与仪器2.1 实验材料- 茯苓样品:市售的茯苓饮片- 对照品:正品的茯苓- 醋酸乙酯- 焦磷酸- 无水乙醇2.2 实验仪器- 平衡- 过滤器- 干燥器- pH计- 翻译显微镜- 高效液相色谱仪3. 实验方法3.1 外观与性状鉴定将茯苓样品与对照品放在清洁的观察台上,观察和比较其外观和性状。
记录样品的颜色、形状、气味、口感等特征。
3.2 显微镜鉴定取少量茯苓样品,加入少量水,制成悬浊液。
将悬浊液滴在显微镜玻片上,用显微镜观察茯苓的微观特征,如细胞结构、纹理等。
3.3 醋酸乙酯提取物的制备取茯苓样品10g,粉碎并过筛。
将粉末置于醋酸乙酯中,进行提取。
提取过程中需搅拌,提取时间为2小时,温度保持在40C。
过滤后,用醋酸乙酯洗涤滤渣,收集洗涤液。
3.4 焦磷酸方法测定总多糖含量将收集的洗涤液于烧杯中,蒸发至干燥。
将得到的干燥物溶解在无水乙醇中,制备浓度为1 mg/mL 的茯苓提取物。
取0.1 mL 提取物,加入10 mL 焦磷酸(0.2 mol/L)溶液中,混匀并置于沸水中加热10分钟。
冷却至室温,加入1mL 还原糖(5g/L)溶液和10mL 还原糖(1g/L)溶液,混匀,用去离子水稀释至10mL。
测定其吸光度,计算得出茯苓中总多糖的含量。
3.5 高效液相色谱鉴定主要化学成分利用高效液相色谱仪,分析茯苓的主要化学成分。
采用C18色谱柱,流动相为甲醇-水(0.05%甲酸,v/v),梯度洗脱,检测波长为254 nm。
根据对照品的保留时间及图谱,确定茯苓中主要成分的种类和含量。
4. 实验结果与分析4.1 外观与性状鉴定茯苓样品与对照品的外观和性状基本一致,均为呈淡黄色的块状物。
气味方面,样品和对照品均有淡淡的香气。
口感方面,样品和对照品均有一定的粉状感。
4.2 显微镜鉴定经显微镜观察,茯苓样品和对照品的微观结构相似,均可见到茯苓特有的盖氏细胞和层次清晰的纹理。
试论茯苓水提工艺研究试论茯苓水提工艺研究茯苓水提工艺研究【摘要】目的建立茯苓水提工艺的研究方法。
方法采用单因素实验法、正交实验法。
结果通过单因素实验优选出最合适的因素水平,在最优水提条件下进行正交试验,根据实验结果确定最佳水提路线。
结论该工艺简单,方便。
【关键词】茯苓水提工艺职称论文茯苓Poria cocos(Schw.)Wolf为多孔菌科(Polyporaceae)真菌茯苓的干燥菌核,味甘、淡,性平。
具有利水渗湿、健脾宁心的作用,用于治疗脾虚食少,便溏泄泻,心悸不安,惊悸失眠,是临床配方常用药之一。
其主要成分有β-茯苓聚糖、茯苓酸等。
笔者发现茯苓具有一定的不亲水性。
含茯苓的复方中药煎剂,煎毕后,药渣中部分茯苓尚残留没有煮透的干心,因此茯苓的有效成分不能有效的煎出,必然影响疗效。
笔者分别做了浸泡温度、浸泡时间、提取次数的单因素实验,然后通过正交试验优选出最佳的水提工艺路线。
1 仪器与试药UV754型紫外可见分光光度计(上海第三分析仪器厂);FAll04型分析天平(上海天平仪器厂);赛多利斯BS系列电子天平。
茯苓经专家鉴定为正品茯苓的干燥菌核;茯苓多糖对照品(中国药品生物制品检定所,批号为110833-201702;试剂(分析纯)。
2 方法2.1 单因素实验:表1 单因素实验方案因素水平表2.1.1 温度对茯苓浸提的影响称取10g茯苓粉末6等份,分别用50、60、70、的热水进行1次提取,提取时间为2h。
提取结束后,过滤,分取提取80、90?液,测吸光度并绘图,见图1。
由实验结果可知,温度对茯苓多糖的提取影响非常显着。
随着温度的上升,浸出率也在增大,到80?时已接近最大值;但温度过高易破坏其成分的结构,不利于浸提。
2.1.2 浸提时间对茯苓浸提的影响称取10g茯苓粉末6等份,用80?的水对其进行1次提取,提取时间分别为1、2、3、4、5、6h。
提取结束后,过滤,分取提取液,测吸光度并绘图,见图2。
一、实训目的本次茯苓茶实训旨在通过实际操作,深入了解茯苓茶的制作过程,掌握茯苓茶的基本制作技巧,并了解茯苓茶的功效与作用。
同时,通过实训,提升对中医药文化的认识,增强对传统茶饮的传承与发展意识。
二、实训时间2023年X月X日至2023年X月X日三、实训地点XX茶叶加工厂四、实训内容1. 茯苓的识别与选购2. 茯苓的清洗与处理3. 茯苓茶的制作工艺4. 茯苓茶的功效与作用5. 茯苓茶的市场前景分析五、实训过程1. 茯苓的识别与选购在实训初期,我们学习了茯苓的识别方法。
茯苓呈不规则块状,表面灰白色或淡棕色,有皱缩纹理,质坚实,断面类白色或淡棕色,略呈颗粒状。
在选购时,应选择个大、饱满、色白、质地坚实、无霉变的茯苓。
2. 茯苓的清洗与处理将选购好的茯苓用清水冲洗干净,去除表面的灰尘和杂质。
然后用清水浸泡一段时间,使茯苓吸水膨胀,便于切片。
3. 茯苓茶的制作工艺(1)将泡软的茯苓切片备用。
(2)将绿茶和茯苓片按一定比例混合。
(3)将混合好的茶叶放入茶壶或茶杯中。
(4)用开水冲泡,盖上盖子,静置3-5分钟。
(5)待茶汤冷却至适宜温度后,即可饮用。
4. 茯苓茶的功效与作用茯苓茶具有以下功效与作用:(1)利水渗湿:茯苓能利水渗湿,对于水肿、小便不利等症状有一定的缓解作用。
(2)健脾安神:茯苓具有健脾安神的作用,对于失眠、心悸等症状有一定的改善作用。
(3)抗氧化:茯苓中含有丰富的抗氧化物质,有助于延缓衰老,增强免疫力。
5. 茯苓茶的市场前景分析随着人们对健康养生意识的提高,茯苓茶作为一种具有养生保健功能的茶饮,市场需求逐渐增加。
茯苓茶市场前景广阔,有望成为茶饮市场的新宠。
六、实训总结通过本次茯苓茶实训,我深刻了解了茯苓茶的制作过程和功效与作用。
在实训过程中,我学会了如何识别和选购茯苓,掌握了茯苓茶的制作技巧。
同时,对中医药文化有了更深入的认识,增强了对传统茶饮的传承与发展意识。
在今后的学习和工作中,我将不断积累经验,提高自己的专业技能,为我国中医药事业的发展贡献自己的力量。
重庆XX中药制药有限责任公司检验记录(首页)名称:茯苓代表数量:242.66kg规格:药材送检数量:0.3kg批号:1504003 包装:塑料袋送检部门:生产部送检日期:2015/04/27检验依据:《中国药典》2010版报告日期:2015 /04/29【性状】类球形、椭圆形、扁圆形或不规则团块大小不一。
外皮薄而粗糙,棕褐色至黑褐色,有明显的皱缩纹理。
气微,味淡,嚼之粘牙。
结论:□符合规定□不符合规定重庆XX中药制药有限责任公司检验记录(附页)检品批号:1504003【鉴别】粉末: 不规则颗粒状团块和分枝状团块无色。
菌丝细长,稍弯曲,有分支。
(对观察到的物质进行编号,并画出相应的图形)□具有/□不具有的显微特征结论:□符合规定□不符合规定□复试。
重庆XX中药制药有限责任公司检验记录(附页)检品编号:1504003【检查】照《中国药典》2010年版□一部附录IX D检验。
供试品溶液的制备:取本品粉末少量,加碘化钾试剂1滴。
依法试验。
结果:结论:□符合规定□不符合规定重庆XX中药制药有限责任公司检验记录(附页)检品批号:1504003【鉴别】照《中国药典》2010年版□一部附录Ⅵ B□二部附录Ⅴ B薄层色谱法检验。
供试品溶液的制备:取粉末1g,加乙醚50ml,超声处理10分钟,滤过,滤液蒸干,残渣加甲醇1ml使溶解,作为供试品溶液。
□标准品□对照品□对照药材溶液的制备:取茯苓对照药材1g,同法制成对照药材溶液。
结果:供试品色谱中,在与□标准品□对照品□对照药材色谱相应的位置上,显颜色的□荧光斑点□斑点。
结论:□符合规定□不符合规定重庆XX 中药制药有限责任公司薄层色谱检验记录检品编号:1504003 检品名称:茯苓日期:2015.04.29 室温:15℃相对湿度:66% 薄层板:硅胶G 板展开剂:甲苯-乙酸乙酯-甲酸(20:5:0.5) 显色剂:①2%香草醛硫酸溶液-乙醇(4:1)混合溶液 ②备注:样品 点样量(微升)1 供试品 2ul2 对照药材 2ul341313 · ·1212··1111 ··10 10·99 ··8 8··77 ··6 6··55 ··4 4··33 ··2 2··11··1 2 3 4 5 6重庆XX中药制药有限责任公司检验记录(附页)检品编号:1504003【水分】中国药典2010年版一部附录IX H第一法,依法检查。
净制茯苓生产工艺
验证报告
拟定人:日期:
审核人:日期:
日期:
日期:
批准人:日期:
报告目录1.概述
2.目的
3.范围
4.验证组织及人员
5.验证使用文件
6.验证条件
6.1.物料条件
6.2.环境条件
6.3.设备条件
6.4.人员条件
7.验证生产过程
8.生产过程中QA监控项目及结果9.验证结果
10.验证小结
11.原始资料保存地点
净制茯苓工艺验证报告
1.概述:
根据验证方案的日程安排,验证小组组织人员于2007年3月1日至7日对生产工艺进行了验证,验证生产批号为:0703001、0703002、0703003。
2.目的:
通过生产同步验证确认生产工艺是否具有操作性、稳定性和重现性。
3.范围:
生产全过程。
4.验证组织及人员:
5.验证使用文件:
6.验证条件:
6.1.物料条件
6.2.环境条件:一般生产区。
6.3.设备条件:均为完好设备。
6.4.人员条件:岗位人员均符合要求。
7.验证生产过程:
7.1.称量工序:
按称量岗位操作规程及验证方案要求进行操作并记录,记录保存于质量部。
7.2.拣选工序:
按净制操作规程及验证方案要求进行操作并记录,记录保存于质量部。
7.3.清洗工序:
按清洗岗位操作规程及验证方案要求进行操作并记录,记录保存于质量部。
7.4.切制工序:
按切制工序操作规程及验证方案要求进行操作并记录,记录保存于质量部。
7.5.干燥工序:
按操作规程及验证方案要求进行操作并记录,记录保存于质量部。
8.验证过程QA监控项目及结果:
投料
清洗
蒸
切块
干燥
成品数量、得率:
9.检验结果:
检 验 数 据 表
化验员:
检 验 数 据
表
化验员:
检 验 数 据 表
化验员:
10.验证小结:
验证小组成员根据验证方案进行三个批号生产,生产中各工序生产操作正常,实际生产参数与方案数据相符,各环节物料数量也在规定范围之内,未出现异常偏差。
净茯苓的检验结果均符合规定。
可以证明净制茯苓的生产工艺是成熟的,具有操作性、稳定性和重现性,因此,可用于净制茯苓生产,正常情况下其验证周期可定为1年。
11.原始记录保存地点:
本工艺规程验证过程的所有生产记录和检验记录保存于质量部。