检验批划分计划表
- 格式:doc
- 大小:558.50 KB
- 文档页数:17
中国建筑股份有限公司(厦门) 项目管理手册实施细则表格工程检验批划分及验收计划表格编号CSCEC-PM-1102 工程名称及编码禹州广场项目基本情况建筑面积:约6.8万㎡合同造价:25923万元结构:钢-混凝土混合结构规模:大型(2级)序号检验批名称检验批编号验收部位划分及验收依据验收时间验收人1 土方开挖工程10-18轴地基基础1批,《建筑地基基础工程施工质量验收规范》GB50202-20022 土方回填工程1-10轴、10-18轴地基基础2批,以后浇带划分GB50202-20023 混凝土灌注桩工程(混凝土灌注桩<钢筋笼>、混凝土灌注桩)10-18轴地基基础4批,以桩径划分GB50202-2002、GB50204-20024 降水与排水工程1-10轴、10-18轴地基基础2批,以后浇带划分GB50202-20025 排桩墙支护工程10-18轴地基基础2批,以桩型划分GB50202-2002、GB50204-20026 水泥砂浆防水工程1-10轴、10-18轴地下防水10批,以后浇带、楼层划分,《地下防水工程质量验收规范》GB50208-20117 涂料防水工程1-10轴、10-18轴地下防水10批,以后浇带、楼层划分,GB50208-20118 卷材防水工程1-10轴、10-18轴地下防水10批,以后浇带、楼层划分,GB50208-20119 细部构造工程1-10轴、10-18轴地下防水10批,以后浇带、楼层划分,GB50208-201110模板工程(模板安装工程模板拆除工程)1-10轴、10-18轴地基基础38批,以后浇带、楼层、核心筒划分,《混凝土结构工程施工质量验收规范》GB50204-2002。
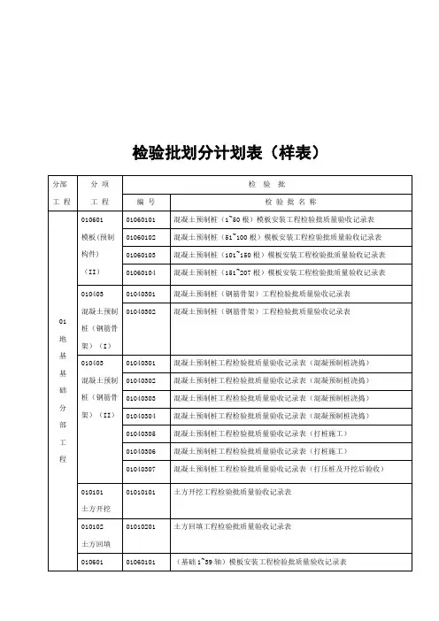
检验批划分表NO:1分部工程子分部工程分项工程01土方工程 01土方开挖;02土方回填01排桩墙支护(A重复使用钢板桩墙支护;B砼板桩制作);02降水与排水;02基坑工程 03地下连续墙支护;04锚杆及土钉墙支护;05水泥土桩墙支护;06沉井与沉箱;07钢或砼支撑系统01灰土地基;02砂和砂石地基;03土工合成地基;04粉煤灰地基;05强夯地基;06振冲地基;07砂桩地基;08预压地基;09高压喷射注浆地基;1003地基工程土和灰土挤密桩复合地基;11注浆地基;12水泥粉煤灰碎石(CFG)桩复合地基;13夯实水泥土桩复合地基;14水泥土搅拌桩复合地基;15碎砖三合土地基01静力压桩;02先张法预应力管桩;03A预制桩钢筋骨架;03B砼预制桩;04A成品钢桩;04B钢桩;05A钢筋笼;05B砼灌注桩;06人工挖孔砼灌注04桩基础桩;07钻孔压浆桩;08桩端压浆桩;09复合载体夯扩桩;10震动沉管灌注桩;11超流砼灌注桩01防水砼;02水泥砂浆防水层;03卷材防层;04涂料防水层;05金属板防层;06塑料板防层;07防水砼细部构造;08锚喷支护;09复合式衬砌;1001地基基础05地下防水地下连续墙;11盾构法隧道;12渗排水、盲沟排水;13隧道、坑道排水;14工程预注浆、后注浆;15衬砌裂缝注浆;16防冻害01模板(A安装;B预制构件;C拆除);02钢筋(A加工;B安装;C焊接骨架、焊接网;D电弧焊接头;E闪光对焊、电渣压力焊、气压焊接头;F预06砼基础埋件钢筋T型接头);03砼;04预应力(A制作、安装;B张拉、封锚);05A现浇结构外观及尺寸偏差;05B设备基础外观及尺寸偏差;06A装配式结构预制构件;06B装配式结构01砖砌体;02砼小型砌块砌体;03石砌体;04配筋砌体;05填充墙砌体;07砌体基础 06粘贴聚苯板节能复合墙体;07苯板一胶粉聚苯颗粒保温浆料节能复合墙体08劲钢(管)砼 01型钢砼组合结构;02钢管砼结构;03砼01A钢结构焊接;01B焊钉(栓钉)焊接;02紧固件连接(A普通紧固件,B高强度螺栓);03A钢结构零部件加工进场材料;03B钢结构零部件加工;04单层钢结构安装;05多层及高层钢结构安装;06钢构件组装(H型钢、墙架、09钢结构檩条及支撑,单层多节钢柱,焊接实腹梁,钢桁架,钢平台、钢梯和防护栏杆,钢板型钢、钢管构件);07钢结构预拼装;08钢网架(A制作;B安装);09压型金属板;10防腐涂装;11防火涂装01模板(A安装;B预制构件;C拆除);02钢筋(A加工;B安装;C焊接骨架、焊接网;D电弧焊接头;E闪光对焊、电渣压力焊、气压焊接头;F预01砼结构埋件钢筋T型接头);03砼;04预应力(A制作、安装;B张拉、封锚);05A02主体结构现浇结构外观及尺寸偏差; 06A装配式结构预制构件;06B装配式结构 02劲钢(管)砼 01型钢砼组合结构;02钢管砼结构;03砼检验批划分表NO:2分部工程子分部工程分项工程01砖砌体;02砼小型空心砌块砌体;03石砌体;04配筋砌体;05填充墙砌03砌体结构体;06粘贴聚苯板节能复合墙体;07苯板一胶粉聚苯颗粒保温浆料节能复合墙体;08外墙板01A钢结构焊接;01B焊钉(栓钉)焊接;02紧固件连接(A普通紧固件,B高强度螺栓);03A钢结构零部件加工进场材料;03B钢结构零部件加工;04单层钢结构安装;05多层及高层钢结构安装;06钢构件组装(H型钢、墙架、04钢结构檩条及支撑,单层多节钢柱,焊接实腹梁,钢桁架,钢平台、钢梯和防护栏杆,02主体结构钢板型钢、钢管构件);07钢结构预拼装;08钢网架(A制作;B安装);09压型金属板;10防腐涂装;11防火涂装01方木和原木结构(A制作、B安装);02胶合木结构;03轻型木结构;0405木结构木构件防护06网架和索膜01网架制作;02网架安装;03索膜安装;04防火涂装;05防腐涂装结构01基层(A基土;B灰土垫层;C砂垫层和砂石垫层;D碎石垫层和碎砖垫层,E三合土垫层;F炉渣垫层;G水泥砼垫层;H找平层;J隔离层;K填充层);02水泥砼面层;03水泥砂浆面层;04水磨石面层;05水泥钢(铁)01建筑地面屑面层;06防油渗面层;07不发火(防爆)面层;08砖面层;09大理石和花岗岩面层;10预制板块面层;11料石面层;12塑料板面层;13活动地板面层;14地毯面层;15实木地板面层;16实木复合地板面层;17中密度(强化)复合地板面层;18竹地板面层02抹灰 01 一般抹灰;02装饰抹灰;03清水砌体勾缝01A木门窗制作;01B木门窗安装;02A钢门窗安装;02B铝合金(铝塑)门03门窗窗安装;02C涂色镀锌钢板门窗安装;03塑料门窗安装;04特种门安装;05 门窗玻璃装 03建筑装饰装修工程 04吊顶 01暗龙骨吊顶;02明龙骨吊顶05轻质隔墙 01板材隔墙;02骨架隔墙;03活动隔墙;04玻璃隔墙06饰面板(砖) 01饰面板安装;02饰面砖粘贴01A隐框或半隐框玻璃幕墙;01B明框玻璃幕墙;01C全玻璃及点支承玻璃幕07幕墙墙;02金属幕墙;03石材幕墙08涂饰 01水性涂料涂饰;02溶剂型涂料涂饰;03美术涂料涂饰 09裱糊与软包01裱糊;02软包01橱柜制作与安装;02窗帘盒、挂镜线、窗台板和暧气罩制作与安装;03门10细部窗套、护墙板制作与安装;04护栏和扶手制作与安装;05花饰制作与安装检验批划分表NO:3分部工程子分部工程分项工程01卷材防水屋01保温层;02找平层;03卷材防水层;04细部构造;05水落管(斗);06面隔气层02涂膜防水屋01保温层;02找平层;03涂膜防水层;04细部构造;05水落管(斗);06面隔气层03刚性防水屋01细石砼防水层;密封材料嵌缝;03细部构造;04水落管(斗);05隔气层;面 06保温层;07找平层01平瓦屋面;02油毡瓦屋面;03金属板材屋面;04细部构造;05水落管(斗);04建筑屋面 04瓦屋面 06隔气层;07保温层;08找平层01架空屋面;02蓄水屋面;03种植屋面;04隔气层;05细部构造;06水落05隔热屋面管(斗); 07保温层;08找平层06玻璃屋面 01玻璃屋顶;02细部构造;03水落管(斗)01倒置式屋面;02防水层;03保温层;04找平层;05细部构造;06水落管07倒置式屋面 (斗)01室内给水系01给水管道安装(A塑料管;B复合管;C金属管、金属涂[衬]复合管);02统消火栓系统安装;03给水设备安装02室内排水系01排水管道安装(A塑料管;B铸铁管);02雨水管道安装统03室内热水供01热水供应管道安装;02热水供应系统设备安装应系统04卫生器具安01卫生器具安装;02卫生器具给水排水配件安装装05室内采暖系01采暖管道安装;02散热器安装;03低温热水地板辐射采暖安装;04采暖系统统辅助设备安装 05建筑给水、06室外给水管排水及采暧 01给水管网安装;02消火栓和水泵接合器安装;03管沟及井室网07室外排水管01排水管网安装;02管沟及井室网08室外供热管01供热管网管道安装;02管沟及井室网09建筑中水系统及游泳池系01建筑中水系统安装;02游泳池、水景工程和公共浴池系统安装统10供热锅炉及01建筑供热和热水供应整装锅炉安装;02整装锅炉辅助设备安装;03整装蒸辅助设备安装汽和热水锅炉附件安装;04整装锅炉烘炉、煮炉和试运行;05换热站安装检验批划分表NO:4分部工程子分部工程分项工程01架空线路安装;02杆上电气设备安装;03变压器、箱式变电所安装;04成套配电柜、控制柜(屏、台)和动力配电箱(盘)安装;05照明配电箱(盘)安装;06A电线钢导管暗敷设;06B电线钢导管明敷设;06C电线钢性绝缘导管暗敷设;06D电线钢性绝缘导管明敷设;06E金属、非金属柔性导管敷设;01室外电气 06F线槽敷设和线槽敷线;07电线、电缆穿管工程;08电缆头制作、接线和线路绝缘测试;09A建筑物景观照明灯和建筑物彩灯安装;09B建筑物霓虹灯安装;09C航空障碍标志灯和庭院灯安装;10建筑物照明通电试运行;11接地装置安装01变压器、箱式变电所安装;02成套配电柜、控制柜(屏、台)和动力配电箱(盘)安装;03照明配电箱(盘)安装;04裸母线安装;05封闭母线、插02变配电室接式母线安装;06电缆沟内和电缆竖井内电缆敷设;07电缆头制作、接线和线路绝缘测试;08变配电室接地干线敷设01封闭母线、插接式母线安装;02裸母线安装;03电缆桥架安装和桥架内电03供电干线缆敷设;04电缆沟内和电缆竖井内电缆敷设;05电缆钢导管、防爆钢导管敷设;06电线、电缆穿管;07电缆头制作、接线和线路绝缘测试01成套配电柜、控制柜(屏、台)和动力配电箱(盘)安装;02低压电动机、电加热器及电动执行机构检查、接线;03低压电气动力设备试验和试运行;04电缆桥架安装和桥架内电缆敷设;05A电线钢导管暗敷设;05B电线钢导06建筑电气 04电气动力管明敷设;05C电线钢性绝缘导管暗敷设;05D电线钢性绝缘导管明敷设;05E金属、非金属柔性导管敷设;05F线槽敷设和线槽敷线;06电线、电缆穿管;07电缆头制作、接线和线路绝缘测试;08A照明开关安装;08B插座安装;08C风扇安装01照明配电箱(盘)安装;02A电线钢导管暗敷设;02B电线钢导管明敷设;02C电线钢性绝缘导管暗敷设;02D电线钢性绝缘导管明敷设;02E金属、非金属柔性导管敷设;02F线槽敷设和线槽敷线;03电线、电缆穿管;04槽板05电气照明安配线;05钢索配线;06电缆头制作、接线和线路绝缘测试;07普通灯具安装;装 08A专用灯具(行灯和防爆灯)安装;08B专用灯具(游泳池、手术台灯)安装;08C专用灯具(应急照明灯)安装;09A建筑物景观照明灯和建筑物彩灯安装;09B建筑物霓虹灯安装;09C航空障碍标志灯和庭院灯安装;10A照明开关安装;10B插座安装接线;10C风扇安装;11建筑照明通电试运行01成套配电柜、控制柜(屏、台)和动力配电箱(盘)安装;02照明配电箱(盘)安装;03柴油发电机组;04不间断电源安装;05裸母线安装;06封闭06备用和不间母线、插接式母线安装;07A电线钢导管暗敷设;07B电线钢导管明敷设;07C断电源安装电线钢性绝缘导管暗敷设;07D电线钢性绝缘导管明敷设;07E 金属、非金属柔性导管敷设;07F线槽敷设和线槽敷线;08电线、电缆穿管; 09电缆头制作、接线和线路绝缘测试;10接地装置安装07防雷及接地01接地装置安装;02避雷引下线敷设;03接器安装;04建筑物等电位联结安装检验批划分表NO:4分部工程子分部工程分项工程01通信网络系01通信系统;02卫星数字电视及有线电视系统;03公共广播系统统02信息网络系01计算机网络;02应用软件;03网络安全系统统01空调与通风系统;02变配电系统;03公共照明系统;04给排水系统;0503建筑设备监热源和热交换系统;06冷冻和冷却水系统;07电梯和自动扶梯系统;08中央控系统管理工作站与操作分站;09子系统通信接口04火灾自动报警及消防联动01火灾和可燃气体探测系统;02火灾自动报警控制系统;03消防联动系统系统05安全防范系01视频安防监控系统;02入侵报警系统;03巡更管理系统;出入口控制(门统禁)系统;05停车场(库)管理系统 07智能建筑06综合布线系01缆线敷设和终接;02机柜、机架、配线架的安装;03信息插座和光缆蕊线统终端的安装07智能化集成01集成系统网络;02实时数据库;03信息安全;04功能接口系统08电源与接地 01智能化系统电源;02防雷及接地09环境 01空间环境;02室内空间环境;03视觉照明环境;04室内噪声及电磁环境01火灾自动报警及消防联动系统;02安全防范系统;03通信网络系统;0410住宅(小区)信息网络系统;05监控与管理系统;06家庭控制器;07综合布线系统;08智能化系统电源与接地;09环境;10室外设备及管网01A金属风道与配件制作;01B非金属、复合材料风道与配件制作;02风管01送排风系统部件与消声器制作;03风管安装;04A设备安装;04B风机安装;05A防腐与绝热;06系统调试01A金属风道与配件制作;01B非金属、复合材料风道与配件制作;02风管02防排烟系统部件与消声器制作;03风管安装;04A设备安装;04B风机安装;05A防腐与绝热;06系统调试01A金属风道与配件制作;01B非金属、复合材料风道与配件制作;02风管08通风与空03除尘系统部件与消声器制作;03风管安装;04A设备安装;04B风机安装;05A防腐调与绝热;06系统调试01A金属风道与配件制作;01B非金属、复合材料风道与配件制作;02风管04空调风系统部件与消声器制作;03风管安装;04设备安装; 05A防腐与绝热;06系统调试01A金属风道与配件制作;01B非金属、复合材料风道与配件制作;02风管05净化空调系部件与消声器制作;03风管安装;04设备安装; 05A防腐与绝热;06系统统调试检验批划分表NO:5分部工程子分部工程分项工程06制冷设备系01管道与设备安装;02防腐与绝热;03系统调试 08通风与空统调 01A金属管道安装;01B非金属管道安装;02设备安装;03防腐与绝热;0407空调水系统系统调试01电力驱动的01设备进场验收;02土建交接检查;03驱动主机安装;04导轨安装;05门牵引式或强制系统安装;06轿厢安装;07对重(平衡重)及安全部件安装;08悬挂装置、式电梯安装随行电缆、补偿装置安装;09电气装置安装;10整机安装01设备进场验收;02土建交接检查;03液压系统、悬挂装置、随行电缆安装;09电梯 02液压电梯安04导轨安装;05门系统安装;06轿厢安装;07对重(平衡重)及安全部件安装装;08电气装置安装;09整机安装03自动扶梯、自01设备进场验收;02土建交接检查;03整机安装动人行道安装01室内燃气系01室内燃气管道、器具安装; 统 10建筑燃气 02室外燃气系01燃气管及附属设备安装;02燃气管道防腐;03室外燃气调压站统*****检验批划分表NO:1分部工程子分部工程分项工程检验批号检验部位序号0102030405060708091011121415161718192021222324大庆市大石建筑公司施工执行标准1. 工业安装工程质量检验评定统一标准 GB50252—942. 工业金属管道工程质量检验评定标准 GB50184-933. 工业设备及管道绝热工程质量检验评定标准 GB50185-934. 机械设备安装工程施工及验收规范 GB50231-985. 工业金属管道工程施工及验收规范 GB50235—976. 现场设备、工业管道焊接工程施工及验收规范 GB50236—98 7. 工业锅炉安装工程施工及验收规范GB50273—98 8. 建筑给水排水及采暖工程施工质量验收规范 GB50242—2002 9. 建设工程施工现场供用电安全规范 GB50194—93 10.工业锅炉通用技术条件JB/T10094—2002 11.锅炉用材料入厂验收规则 JB/T3375—2002 12.建筑机械使用安全技术规程 JGJ33—88 13.施工现场临时用电安全技术规范 JGJ46—88 14.建筑施工安全检查评分标准 JGJ59—88 15.建筑施工高处作业安全技术规范 JGJ80—91 16. 城市供热管网工程施工及验收规范 CJJ28—89 17.建筑工程施工质量验收统一标准 GB50300—2001 18.砌体工程施工质量验收规范 GB50203—2002 19.混凝土结构工程施工质量验收规范 GB50204—2002 20.钢结构工程施工质量验收规范GB50205—2001 21.木结构工程施工质量验收规范 GB50206—2002 22.建筑地基基础工程施工质量验收规范 GB50202—2002 23.屋面工程施工质量验收规范GB50207—2002 24.地下防水工程施工质量验收规范 GB50208—2002 25.建筑地面工程施工质量验收规范 GB50209—2002 26.建筑装饰装修工程施工质量验收规范GB50210—2002 27.建筑给排水及采暖工程施工质量验收规范 GB50242—2002 28.通风与空调工程施工质量验收规范 GB50243—200229.建筑电气工程施工质量验收规范 GB50303—200230.建筑电梯工程施工质量验收规范 GB50310—200231. 统一标准 DB23/711—200332. 建筑装饰装修工程施工质量验收标准 DB23/712--200333. 建筑给排水及采暖工程施工质量验收标准 DB23/713—200334. 钢结构工程施工质量验收标准 DB23/714—200335. 木结构工程施工质量验收标准 DB23/715—200336. 混凝土结构工程施工质量验收标准 DB23/716—200337. 砌体工程施工质量验收标准 DB23/717—200338. 建筑地面工程施工质量验收标准 DB23/718—200339. 通风与空调工程施工质量验收标准 DB23/719—200340. 电梯工程施工质量验收标准 DB23/720—200341. 建筑地基基础工程施工质量验收标准 DB23/721—200342. 屋面工程施工质量验收标准 DB23/722—200343. 建筑电气工工质量验收标准 DB23/723—200344. 地下防水工程施工质量验收标准 DB23/724—200345.电气装置安装工程电气设备交接试验标准 GB50150-91 46.电气装置安装工程电缆线路施工及验收规范 GB50168-92 47.电气装置安装工程接地装置施工及验收规范 GB50169-92 48.电气装置安装工程旋转电机施工及验收规范 GB50170-92 49..电气装置安装工程盘、柜及二次回路结线施工及验收规范 GB50171-92 50..电气装置安装工程低压电器施工及验收规范 GB50254-96 51.电气装置安装工程电气照明装置施工及验收规范 GB50259-96 52.工业自动化仪表工程施工及验收规范GB50093-2002 53(工业设备及管道绝热工程施工及验收规范 GBJ126-89 下面的是2016年经典励志语录,需要的朋友可以欣赏,不需要的朋友下载后可以编辑删除~~谢谢~~1、有来路,没退路;留退路,是绝路。
检验批划分验收表检验批划分表建筑工程质量验收表分部工 程名称子分部 工程名称检验批的划分验收合格质量规定饰面板 (砖)相同材料、工艺和施工条件的室内饰面 板(砖)每50间为一个检验批;相同材 料、工艺和施工条件的室外 500〜1000 卅为一个检验批。
幕墙建筑装 饰装修涂饰裱糊与软包序号 建筑 屋面 名称相同设计、材料、工艺和施工条件的幕 墙工程每500〜1000川为一个检验批; 同一单位工程的不连续的幕墙工程应单 独划分检验批;对于异型或有特殊要求 的幕墙,应根据幕墙的结构、工艺特点 及幕墙工程规模,有监理单位和施工单 位协商确定。
室外涂饰工程同类涂料涂饰的墙面每 500〜1000川应为一个检验批;室内涂 饰工程同类涂料涂饰的墙面每 50个自 然间为一个检验批。
同一品种的裱糊或软包工程每 50间为 一个检验批。
同类制品每50间为一个检验批;每部楼 梯为一个检验批。
根据施工及质量控制和专业验收需要按施工段、变形缝进行划分。
1、 查样本均应符合规范主控项目的规定;2、 抽查样本的80%以上应符合规范一般项目的规定。
其余样本不得有影响使用功能或明显影响 装饰效果的缺陷,其中有允许偏差的检验项目 其最大偏差不得超过规范规定允许偏差的 1 倍; 3、 具有完整的施工操作依据、质量检查记录。
1、 控项目和一般项目的质量经抽样检验合格;验收合格质量规定单位工程1、 单位(子单位)工程所含分部(子分部)工程的质量均应验收合格;2、 质量控制资料应完整;3、单位(子单位)工程所含分部工程有关安全和功能检测资料应完整; 5、观感质量验收应符合要求1所含分项工程的质量均验收合格;2、 质量控制资料完整;3、 有关的安全和功能检测合格;4、 观感质量验收应符合要求。
1所含检验批的质量均验收合格2、质量验收记录完整。
分部(子分 2部)工程3 分项工程隐蔽工程验收表试块、试件和材料见证取样表试块、试件和材料见证取样表。
分部工程子分部工程分项工程子分项工程检验批数备注土方开挖土方开挖(1-16/A-FG)1土方回填土方回填(1-16/A-FG)1基础垫层(1-16/A-FG)1基础条基(1-11/A-FG)、(12-18/A-FG)2钢筋基础条基(1-11/A-FG)、(12-18/A-FG)2基础垫层(1-16/A-FG)1基础条基(1-11/A-FG)、(12-18/A-FG)2砌体基础砖砌体砖基础(1-11/A-FG)、(12-18/A-FG)23.3m(1-11/A-FG)、(12-18/A-FG)26.6m(1-11/A-FG)、(12-18/A-FG)29.9m(1-11/A-FG)、(12-18/A-FG)213.2m(1-11/A-FG)、(12-18/A-FG)216.5m(1-11/A-FG)、(12-18/A-FG)219.8m(1-11/A-FG)、(12-18/A-FG)223.4m(5-6/D-G)、(12-14/D-G)13.3m(1-11/A-FG)、(12-18/A-FG)26.6m(1-11/A-FG)、(12-18/A-FG)29.9m(1-11/A-FG)、(12-18/A-FG)2模板混凝土地基与基础建筑工程检验批划分表钢筋混凝土结构模板无支护土方混凝土基础13.2m(1-11/A-FG)、(12-18/A-FG)216.5m(1-11/A-FG)、(12-18/A-FG)219.8m(1-11/A-FG)、(12-18/A-FG)223.4m(5-6/D-G)、(12-14/D-G)13.3m(1-11/A-FG)、(12-18/A-FG)26.6m(1-11/A-FG)、(12-18/A-FG)29.9m(1-11/A-FG)、(12-18/A-FG)213.2m(1-11/A-FG)、(12-18/A-FG)216.5m(1-11/A-FG)、(12-18/A-FG)219.8m(1-11/A-FG)、(12-18/A-FG)223.4m(5-6/D-G)、(12-14/D-G)13.3m(1-11/A-FG)、(12-18/A-FG)26.6m(1-11/A-FG)、(12-18/A-FG)29.9m(1-11/A-FG)、(12-18/A-FG)213.2m(1-11/A-FG)、(12-18/A-FG)216.5m(1-11/A-FG)、(12-18/A-FG)219.8m(1-11/A-FG)、(12-18/A-FG)223.4m(5-6/D-G)、(12-14/D-G)1多孔砖混凝土主体结构工程钢筋混凝土结构砖砌体。