检验批划分计划最终版
- 格式:doc
- 大小:234.51 KB
- 文档页数:13
检验批划分计划根据《建筑工程施工质量验收统一标准》、本工程图纸设计文件,结合现场实际情况,编制检验批划分计划,具体内容如下:一、地基与基础分部(1#地下车库2#~6#同1#地下车库)1、无支土方回填分项基础土方开挖,计一个检验批护土方土方开挖分项土方回填,计一个检验批子分部筏板基础、地下室墙柱、顶梁板模板安装,计二个检验批模板分项筏板基础、地下室墙柱、顶梁板模板拆除,计三个检验批筏板基础、地下室墙柱、顶梁板钢筋原材料,计三个检验批筏板基础、地下室墙柱、顶梁板钢筋加工,计三个检验批钢筋分项筏板基础、地下室墙柱、顶梁板钢筋连接,计三个检验批 2、砼基筏板基础、地下室墙柱、顶梁板钢筋安装,计三个检验批础子分基础垫层、筏板基础、地下室墙柱、顶梁板砼施工,计四个检验批部砼分项基础垫层、筏板基础、地下室墙柱、顶梁板现浇结构外观质量,计四个检验批基础垫层、筏板基础、地下室墙柱、顶梁板现浇结构尺寸偏差,计四个检验批地下防水地下室垫层上防水层、地下室外墙板防水层、地下室顶板防水层,计三个检验批砖砌体地下室墙体,计一个检验批二、建筑装饰装修基层地下室地面基层,计一个检验批 1、地面子分部水泥砼面层地下室水泥砼面层,计一个检验批 2、抹灰一般抹灰地下室内墙一般抹灰,计一个检验批金属门窗安装地下室门窗安装,计一个检验批 3、门窗特种门安装特种门安装,计一个检验批门窗玻璃安装地下室门窗玻璃安装,计一个检验批水性涂料涂饰地下室水性涂料涂饰,计一个检验批 4、涂饰护栏、扶手溶剂型涂料涂饰,计一个检验批溶剂型涂料涂饰护栏和扶手制作与5、细部护栏和扶手制作与安装,计一个检验批安装三、建筑屋面保温层屋面保温层,计一个检验批 1、卷材防水屋找平层屋面找平层,计一个检验批面卷材防水层屋面卷材防水层,计一个检验批细部构造屋面细部构造,计一个检验批四、建筑给排水及采暖给水管道及配给水管道及配件安装,计一个检验批 1、室内件安装给水系室内消火栓系统室内消火栓系统安装,计一个检验批统安装排水管道及配室内排水管道及配件安装,计一个检验批件安装 2、室内雨水管道及配雨水管道及配件安装,计一个检验批排水系件安装统排水管沟与井排水管沟与井池,计一个检验批池五、建筑电气成套配电柜、控制柜(屏、台)成套配电柜、控制柜(屏、台)和动力、照明配电箱(盘)安装,计一个检验批和动力、照明配1、电气电箱(盘)安装照明安电线、电缆导管装地下室电线、电缆导管和线槽敷设,计一个检验批和线槽敷设电线、电缆导管电线、电缆导管和线槽敷线,计一个检验批和线槽敷线普通灯具安装普通灯具安装,计一个检验批插座、开关、风插座、开关、风扇安装,计一个检验批扇安装建筑照明通电建筑照明通电试运行,计一个检验批试运行接地装置安装基础接地装置安装,计一个检验批避雷引下线和变配电室接地地下室避雷引下线和变配电室接地干线敷设,计一个检验批 2、防雷干线敷设及接地安装建筑等电位连地下室建筑等电位连接,计一个检验批接接闪器安装屋面接闪器安装,计一个检验批六、地基与基础(1#楼、2#~15#楼同1#楼) 1、无支土方回填分项基础土方开挖,计一个检验批护土方土方开挖分项土方回填,计一个检验批子分部2、砼基筏板基础、地下室墙柱、顶梁板模板安装,计二个检验批模板分项础子分筏板基础、地下室墙柱、顶梁板模板拆除,计三个检验批部筏板基础、地下室墙柱、顶梁板钢筋原材料,计三个检验批筏板基础、地下室墙柱、顶梁板钢筋加工,计三个检验批钢筋分项筏板基础、地下室墙柱、顶梁板钢筋连接,计三个检验批筏板基础、地下室墙柱、顶梁板钢筋安装,计三个检验批基础垫层、筏板基础、地下室墙柱、顶梁板砼施工,计四个检验批砼分项基础垫层、筏板基础、地下室墙柱、顶梁板现浇结构外观质量,计四个检验批基础垫层、筏板基础、地下室墙柱、顶梁板现浇结构尺寸偏差,计四个检验批地下防水地下室垫层上防水层、地下室外墙板防水层、地下室顶板防水层,计三个检验批砖砌体地下室墙体,计一个检验批七、主体结构一,阁楼层梁板柱模板安装,计五个检验批一,阁楼层柱模板拆除,计五个检验批模板分项一,阁楼层梁板模板拆除,计五个检验批一,阁楼层二次结构模板安装,计五个检验批一,阁楼层二次结构模板拆除,计五个检验批 1、砼结构子分一,阁楼层墙柱钢筋(原材料、加工、连接、安装),计二十个检验批部钢筋分项一,阁楼层顶梁板钢筋(原材料、加工、连接、安装),计二十个检验批一,阁楼二次结构(原材料、加工、连接、安装),计二十个检验批一,阁楼房层墙柱砼施工,计五个检验批砼分项一,阁楼房层顶梁板砼施工,计五个检验批一,阁楼层二次结构(原材料、配合比、施工),计十五个检验批一,阁楼房层墙柱现浇结构(外观质量、尺寸偏差),计十个检验批现浇结构分项一,阁楼房层顶梁板现浇结构(外观质量、尺寸偏差),计十个检验批一,阁楼层二次结构现浇结构(外观质量、尺寸偏差),计十个检验批 2、砌体填充墙砌体分结构子一,阁楼层,计五个检验批项分部七、建筑装饰装修基层地下室,一层地面基层,计二个检验批 1、地面子水泥砼面层地下室水泥砼面层,计一个检验批分部水泥砂浆面层一~阁楼层水泥砂浆面层,计五个检验批 2、抹灰一般抹灰地下室~阁楼层内墙一般抹灰,计六个检验批,东西南北立面外墙一般抹灰,计四个检验批金属门窗安装地下室~阁楼层门窗安装,计六个检验批 3、门窗特种门安装东西单元特种门安装,计二个检验批门窗玻璃安装地下室~阁楼层门窗玻璃安装,计六个检验批水性涂料涂饰地下室~阁楼水性涂料涂饰,计六个检验批 4、涂饰东、西单元护栏、扶手溶剂型涂料涂饰,计二个检验批溶剂型涂料涂饰护栏和扶手制作与5、细部东、西单元护栏和扶手制作与安装,计二个检验批安装八、建筑屋面保温层屋面保温层,计四个检验批(保温坡屋面、不上人不保温屋面、上人保温平屋面、不上人保温平屋面)找平层屋面找平层,计四个检验批(保温坡屋面、不上人不保温屋面、上人保温平屋面、不上人保温平屋面) 1、卷材屋面卷材防水层,计四个检验批(保温坡屋面、不上人不保温屋面、上人保温平屋面、不上人保温平屋防水屋卷材防水层面) 面细部构造屋面细部构造,计四个检验批(保温坡屋面、不上人不保温屋面、上人保温平屋面、不上人保温平屋面)九、建筑给排水及采暖给水管道及配地下室~阁楼层给水管道及配件安装,计六个检验批 1、室内件安装给水系室内消火栓系统地下室~阁楼层室内消火栓系统安装,计六个检验批统安装排水管道及配地下室~阁楼层室内排水管道及配件安装,计六个检验批 2、室内件安装排水系雨水管道及配统东、南、西、北立面雨水管道及配件安装,计四个检验批件安装十、建筑电气成套配电柜、控制柜(屏、台)地下室~阁楼层成套配电柜、控制柜(屏、台)和动力、照明配电箱(盘)安装,计六个检验批和动力、照明配1、电气电箱(盘)安装照明安电线、电缆导管装地下室~阁楼层电线、电缆导管和线槽敷设,计六个检验批和线槽敷设电线、电缆导管地下室~阁楼层电线、电缆导管和线槽敷线,计六个检验批和线槽敷线普通灯具安装地下室~阁楼层普通灯具安装,计六个检验批插座、开关、风地下室~阁楼层插座、开关、风扇安装,计六个检验批扇安装建筑照明通电建筑照明通电试运行,计一个检验批试运行接地装置安装基础接地装置安装,计一个检验批避雷引下线和变配电室接地地下室避雷引下线和变配电室接地干线敷设,计一个检验批 2、防雷干线敷设及接地安装建筑等电位连地下室建筑等电位连接,计一个检验批接接闪器安装屋面接闪器安装,计一个检验批。
检验批划分及送检计划
一、总体考虑
1. 根据本次产品生产周期和规模,将产品分成若干批次。
2. 考虑每批产品数量,生产难易程度,质量重要性等因素确定每批送检频率和检验项目。
二、批次划分
本次产品总量为1000台,采用3批生产方式:
1批:1-300台
2批:301-700台
3批:701-1000台
三、送检计划
1. 第一批:每50台产品抽取1台送质量检验,检验项目包括外观、尺寸等项目。
2. 第二批:每100台产品抽取1台送质量检验,检验项目增加功能测试。
3. 第三批:每200台产品抽取1台送全项质量检验,增加可靠性测试及一些关键参数测试。
四、后期监测
1. 产品使用期内,将根据投诉和返修情况进行抽查。
2. 年底进行年终总体质量分析,看是否需要优化下一年产品检验方案。
以上为本次产品生产检验批划分及送检计划初步方案,生产过程中如果发现问题,将及时调整补充本计划。
建筑工程检验批划分计划 Jenny was compiled in January 2021高层建筑检验批划分方案检验批划分原则和方法:根据《建筑工程施工质量验收统一标准》和相关施工质量验收规范规定的检验批划分的原则。
针对各楼号设计施工图所含内容、施工组织设计中施工段的划分、结合相关规范关于检验批划分的原则要求。
根据《建筑工程施工质量验收统一标准》中第4.0.5条“分项工程可由一个或若干个检验批组成,检验批可根据施工及质量控制和专业验收需要按楼层、施工段、变形缝等进行划分”的规定,进行本工程的检验批的划分。
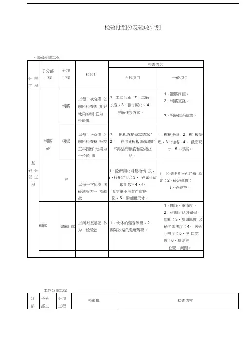
一、地基与基础分部工程地基与基础分部工程由4个子分部工程组成,共划分为138个检验批。
(一)有支护土方子分部工程有支护土方工程含6个分项工程划分为12个检验批1、土方开挖工程为6个检验批2、土方回填工程为6个检验批(二)阀板基础子分部工程阀板基础子分部工程含6个分项工程划分为60个检验批。
1、模板工程分为12个检验批即模板安装、模板拆除各6个检验批。
2、钢筋工程分为12个检验批即钢筋原材料、加工和钢筋连接、安装各6个检验批。
3、混凝土施工设计为24个检验批,即垫层原材料配合比设计和阀板原材料配合比设计各12个检验批;垫层施工和阀基施工各12个检验批。
4、现浇结构工程划分为12个检验批。
(三)地下车库结构子分部工程地下车库结构子分部工程划分为54个检验批。
1、模板工程划分为12个检验批含电梯井、剪力墙、柱、楼梯板、梁板等模板的安装和拆除各6个检验批。
2、钢筋工程划分为24个检验批即原材料、加工和连接、安装各12个检验批。
3、混凝土施工工程划分为12个检验批即以电梯井、剪力墙、柱、梁板的原材料配合比设计和施工各6个检验批。
4、现浇混凝土结构工程划分为6个检验批。
(四)基础防水分部工程基础防水子分部工程含6个分项工程划分为12个检验批。
1、阀板防水划分为1个检验批。
2、墙板防水层划分为1个检验批。
地基与基础分部分项工程检验批划分表二、主体分部分项工程检验批划分本工程主体由钢筋混凝土框架结构和填充墙所组成。
临湖社区二期Z10#楼
检
验
批
划
分
计
划
安徽水安建设发展股份有限公司
二○○九年三月五日
施工方案审批栏
工程名临湖社区二Z10
合肥海恒项目管理有限公建设单合肥市工程建设监理公监理单
安徽水安建设发展股份有公施工单
工程负责编制
审核人意见
审批人意见
(签章
监理单
建设单
临湖社区二期Z10#楼
检验批划分计划
一、工程概况
工程名称:临湖社区二期Z10#楼
建设单位:合肥海恒项目管理有限公司
设计单位:合肥市建筑设计研究院
勘察单位:安徽建筑工程勘察院
施工单位:安徽水安建设发展股份有限公司
监理单位:合肥市工程建设监理公司
建设地点:合肥经济技术开发区临湖社区内
二、检验批划分原则
检验批的划分,实质是分项工程验收批数量的确定,一个分项工程可按工程的特点分为一个或若干个检验批进行验收,而在检验批划分和数量确定时,应视工程的特点(如施工段、结构缝、楼层、部位、工艺、系统等)情况进行确定,这样便于质量管理和工程质量控制,也便于质量验收。
三、本工程检验批划分计划
(一)地基与基础分部
(二)主体结构分部(三)、建筑装饰装修分部
(四)、建筑屋面分部
(五)、建筑节能分部
(六)、建筑给水、排水及采暖分部
(七)、建筑电气
安徽水安建设股份有限公司二日五月三年九○○。
目录一、工程概况二、检验批划分1、地基与基础分部工程2、主体结构分部工程3、建筑装饰装修工程分部4、建筑屋面工程分部5、建筑给水、排水和采暖工程分部6、建筑安装分部建筑电气子分部三、具体划分1、地下室部分2、一层部分3、二层部分4、三层部分5、屋面部分检验批划分计划一、工程概况环金鸡湖商圈的李公堤分期开发。
其中,于2006年12月开业以来一期风情水街汇聚了国内外著名商家及中华老字号餐饮品牌;二期水巷邻里则于2007年年底推出,与“南京1912”合作打造苏州第一个时尚休闲娱乐街区——李公堤1912酒吧街区;三期在2008年12月8日开工,建筑面积约12万平方米。
该项目以一条特色步行商业街将各主题岛串联,将StreetMall的概念首次引入苏州。
李公堤项目的定位和商业策划,充分挖掘了李公堤所拥有的景观、历史资源,将休闲旅游与商业购物等有机组合,使项目不但为区域提供了商业载体,而且使商业项目本身也成为了知名的旅游景点,实现了旅游项目和商业载体的完美结合。
本工程是李公堤四期影院和街区工程,位于金鸡湖大道北侧、星港街东侧、星湖街西侧。
本项目参与单位有:建设单位苏州圆融发展集团有限公司,设计单位苏州工业园区设计研究院有限公司,监理单位江苏建科建设监理有限公司,质量监督单位园区质监站,检测单位苏州工业园区建设工程质量检测咨询服务有限公司,施工单位通州建总集团有限公司。
本工程包括电影院和街区,电影院建筑面积24710.21平方米,建筑基底面积6201.77平方米,地上13444.3平方米,地下11265.91平方米;底下1层、地上3层,建筑总高度16.4米。
设计使用年限为50年,抗震强度为6级,抗震类别为丙类;地下汽车库停车数量为234辆,车型为小型及微型汽车。
影院部分确保姑苏杯,力争扬子杯;街区部分确保苏州市优质结构,力争扬子杯,确保苏州市文明工地。
本工程混凝土等级划分如下二、检验批划分根据以下各验收规范要求分化1、建筑地基基础工程施工质量验收规范2、混凝土结构工程施工质量验收规范3、地下防水工程质量验收规范4、建筑地面工程施工质量验收规范5、建筑装饰装修工程质量验收规范6、建筑给水排水及采暖工程施工质量验收规范7、建筑电气工程施工质量验收规范8、电梯工程施工质量验收规9、通风与空调工程施工质量验收规范范具体划分如下:1、地基与基础分部工程⑴无支护土方子分部::包含土方开挖,土方回填分项、按施工流水段,划分为若干个检验批⑵地下防水子分部:包含水泥砂浆防水层,按施工流水段,划分为若干个检验批。
临湖社区二期Z10#楼
检
验
批
划
分
计
划
安徽水安建设发展股份有限公司二○○九年三月五日
施工方案审批栏
临湖社区二期Z10#楼
检验批划分计划
一、工程概况
工程名称:临湖社区二期Z10#楼
建设单位:合肥海恒项目管理有限公司
设计单位:合肥市建筑设计研究院
勘察单位:安徽建筑工程勘察院
施工单位:安徽水安建设发展股份有限公司
监理单位:合肥市工程建设监理公司
建设地点:合肥经济技术开发区临湖社区内
二、检验批划分原则
检验批的划分,实质是分项工程验收批数量的确定,一个分项工程可按工程的特点分为一个或若干个检验批进行验收,而在检验批划分和数量确定时,应视工程的特点(如施工段、结构缝、楼层、部位、工艺、系统等)情况进行确定,这样便于质量管理和工程质量控制,也便于质量验收。
三、本工程检验批划分计划
(一)地基与基础分部
(二)主体结构分部
(三)、建筑装饰装修分部
(四)、建筑屋面分部
(五)、建筑节能分部
(六)、建筑给水、排水及采暖分部
(七)、建筑电气
安徽水安建设股份有限公司二○○九年三月五日。
检验批划分方案
一、总则
为了保证工程质量,提高工程施工效率,便于组织管理和监督施工过程,特制定本检验批划分方案。
二、检验批划分原则
1. 检验批应根据施工进度、施工工序、材料种类等因素进行合理划分;
2. 检验批之间应相互独立,互不影响;
3. 同类材料、构件应划分在同一检验批内,确保质量可溯。
三、检验批划分具体方案
1. 混凝土工程
根据混凝土浇筑的不同部位和不同强度等级,将混凝土工程划分为多个检验批,确保每个检验批内混凝土质量符合要求。
2. 钢筋工程
按照不同规格、品种的钢筋,将钢筋工程划分为不同的检验批,对每个检验批进行检验,确保钢筋质量达标。
3. 砌体工程
根据砌体的墙体、柱子、梁等不同部位,将砌体工程划分为相应的检验批,保证砌体结构的稳固和合格。
4. 油漆工程
按照油漆的种类、颜色、工艺等要素,将油漆工程划分为多个检验批,对每个检验批进行检验,确保油漆涂装质量良好。
四、检验批划分管理
1. 监理工程师负责检验批划分的制定和落实,确保划分方案符合要求;
2. 承包商应严格按照检验批划分方案进行施工,并配合监理工程师的检查验收;
3. 监理工程师应及时记录检验批划分的实施情况,对不符合要求的问题及时提出整改意见。
五、总结
本检验批划分方案的制定旨在规范工程施工质量管理,保证工程质量,提高工程施工效率。
希望各相关单位、人员严格按照此方案的要求执行,共同为工程质量的提升而努力。
苏地2011-B-77地块项目工程检验批划分计划本工程检验批的划分原则:1、检验批的划分反映施工过程,体现不同工序、工种施工工艺特点,符合施工工艺安排。
2、检验批的划分反映工序和施工过程。
3、检验批的划分考虑不同专业工种的配合。
4、检验批的划分不能过大、过小或大小过于悬殊。
5、检验批的划分要取得完整技术数据,还要覆盖分项工程的每个部位和区段,要反映出工序、工种的质量特征,并能够取得完整的技术数据。
6、检验批划分要利于质量控制。
7、检验批划分要突出“三控制点”(质量控制点、检查点和止停点,包括隐蔽工程)。
8、检验批划分的编号要明确无误,指代准确,防止填错表格或造成已验收的假象而漏验。
有些分项工程在几个子分部中出现,如砖砌体分项在地基与基础和主体结构中都有:建筑电气的接地装置在室外、变配电室、防雷接地、不间断电源和备用等子分部工程中都有,划分时要明确这些区别。
9、施工单位专业质检员和班组长应加强检验批质量自行检查评定,不能忽视质量控制点、检查点和止停点(包括隐蔽工程)的设置,检验批质量验收要对“三点”进行复验,相关单位要以书面形式确认。
10、检验批的划分要根据施工,利于质量控制和便于专业验收;加强检验批划分的管理,通过检验批的划分来提高工程质量管理水平。
一、地基与基础分部工程一、地基与基础分部工程分部(子分部)分项工程验收划分计划一、地基与基础分部工程二、主体分部工程二、主体分部工程二、主体分部工程二、主体分部工程二、主体分部工程二、主体分部工程二、主体分部工程二、主体分部工程二、主体分部工程三、装饰分部工程分部(子分部)分项工程验收划分计划三、装饰分部工程分部(子分部)分项工程验收划分计划四、屋面分部、节能分部工程二、主体检验批的划分计划:1、苏地2011-B-77地块项目工程三栋单体按最高的3#楼来分项划分,1#、2#楼按3#楼划分方案划分。
3#楼1~10层主体分项工程划分为10个检验批。
2、其中电渣压力焊根据工程中接头的实际情况,以各种规格划分检验批,即每层、每个规格的钢筋各划一个检验批。
丽景龙湾二期工程质量检验批划分计划编制人:审核人:批准人:重庆长坪建设集团有限公司丽景龙湾二期工程项目部二0一二年八月二十四日一、工程概况丽景龙湾工程位于重庆市巴南区龙洲湾,建设单位为重庆康丽尔物业发展公司,本工程为二期工程,总建筑面积约为74000 m2。
其中20#楼三层;21#楼三层, 3#楼为住宅,11层;4#楼为住宅,11层,10#楼为住宅,20层,15#楼为住宅,26层,14#楼为住宅,26层,车库一层。
结构形式为框、剪力墙,结构安全等级为二级,安全使用年限50年,抗震设防烈度6度。
二、编制依据1、《建筑工程质量验收统一标准》GB50300-20012、《建筑节能工程施工质量验收规范》GB50411-20073、本工程有关施工图纸及施工组织设计及有关文献。
三、单位(子单位)工程、分部工程划分1、说明根据本工程的具体使用功能特点,结合业主成本控制、物业管理要求,在工程施工过程中为了加强质量管理,规范各道工序质量控制、验收程序的组织,保证竣工资料归档的有序管理,特编制本划分计划。
2、划分原则根据《建筑工程施工质量验收统一验收标准》及《建筑节能工程工程施工质量验收规范》及施工组织设计有关要求,本工程共1个单位工程(工程);7个子单位工程{(20#、21#楼)、3#楼、4#楼、10#楼、14#楼、15#楼、23#楼};分别分为7个分部工程,具体为基础与地基、主体结构、建筑装饰装修、建筑屋面、建筑给水、排水及采暖、电梯、建筑节能;23#楼为7个分部工程,具体为基础与地基、主体结构、建筑装饰装修、建筑屋面、建筑给水、排水及采暖、建筑节能、通风与空调。
3、施工区域(段)划分根据施工工艺质量控制和专业验收楼层、施工段、变形缝的不同划分为若干个独立施工区域,本工程共划分为7个施工区域,即:(20#楼、21#楼)、3#楼、4#楼、10#楼、14#楼、15#楼、23#楼,23#楼按后浇带分为1、2、3、4、5、6、7段施工。
目录1工程概况 (1)1.1工程主要介绍 (1)1.2项目参建、关联单位 (1)1.3项目设计概况 (1)2编制依据 (2)3工程划分 (2)1工程概况1.1工程主要介绍1、地理位置:……………2、工程性质:………….3、项目名称:……………4、项目造价:……………5、功能用途:……………6、项目总工期:750个日历天7、建筑面积:151921.35m21.2项目参建、关联单位1、建设单位:………………………………..2、勘察/设计单位:……………………………..3、监理单位:……………………..4、质监单位:……………………….5、施工单位:…………………….1.3项目设计概况1#楼砖混结构,条形基础,共6F,总建筑面积2121.28平方米,建筑高度为21.84m。
2#楼,砖混结构,条形基础,共6F,总建筑面积2121.28平方米,建筑高度为21.64m。
3#楼,框剪结构共11F、12F/-4F,总建筑面积12707.77平方米,建筑高度为38.80m、35.80m。
4#楼,框剪结构共15F/-4F,总建筑面积16086.34平方米,建筑高度为47.895m。
5#楼,框剪结构共15F/-4F,总建筑面积17056.02平方米,建筑高度为48.20m。
6#楼,框剪结构共16F、18F,总建筑面积29498.56平方米,建筑高度为50.153m、56.153m。
7#楼,框剪结构共16F、18F,总建筑面积19318.30平方米,建筑高度为50.22m、56.22m。
综合用房框架结构,基础为人工挖孔桩,共3F,总建筑面积3754.84平方米,建筑高度为14.7m。
2编制依据1、施工合同2、施工图纸3、《建筑工程施工质量验收统一标准》(GB50300-2013)4、施工组织设计3工程划分根据本项目建筑分部特点,将工程划分为1#、2#、3#、4#、5#、6#、7#、综合楼、门岗、地下室等10个子单位工程。
广西凭祥综合保税区标准厂房二期项目2标段(6#、8#)标准厂房检验批划分方案目录一.编制依据------------------------------------------------------------------------------- 2 二.工程概况------------------------------------------------------------------------------- 4三、结构概况 ------------------------------------------------------------------------------- 5四、检验批划分 ---------------------------------------------------------------------------- 5一.编制依据1.1 施工组织设计文件:《广西凭祥综合保税区标准厂房二期项目2标段(6#、8#)标准厂房·施工组织设计》。
1.2 《广西凭祥综合保税区标准厂房二期项目2标段(6#、8#)标准厂房》施工图及设计变更图纸。
1.3 、应用的主要规范、规程及标准:序号类别规范、规程名称编号1国家规范民用建筑设计通则GB50352-20052 民用建筑隔音设计规范GB50118-20103 民用建筑工程室内环境污染控制规范GB50325-20104 无障碍设计规范GB50763-20125 建筑工程建筑面积计算规范GB50353-20136 建筑工程设计文件编制深度规定2016年版7 建筑设计防火规范GB50016-20148 建筑内部装修设计防火规范GB50222-20179 建筑地面设计规范GB50037-201310 屋面工程技术规范GB50345-201211 屋面工程质量验收规范GB50207-201212 倒置式屋面工程技术规范JGJ230-201013 单层防水卷材屋面工程技术规程JGJ/T316-201314 铝合金门窗工程设计施工及验收规范DBJ15-30-200215 金属与石材幕墙工程技术规范JGJ133-201316 铝合金门窗GB/T8478-200817 建筑外窗采光性能分级及检测方法GB/T11976-200218 建筑外门窗保温性能分级及检测方法GB/T8484-200819 建筑门窗空气隔音性能分级及检测方法GB/T8485-200820 建筑外门窗气密、水密、抗风压性能分级及检测方法GB/T7106-200821 建筑安全玻璃管理规定(发改运行)2003Φ2116号22 建筑玻璃应用技术规程JGJ113-201523 建筑用玻璃与金属护栏JG/T342-201224 建筑外墙防水工程技术规程JGJ/235-201126 墙体材料应用统一技术规范GB50574-201027 外墙内保温工程技术规程JGJ/T261-201128 建筑制图标准GB/T50104-201029 房屋建筑制图统一标准GB/T5001-201030 总图制图标准GB/T50103-201031行业工程结构可靠性设计统一标准GB50153-200832 建筑结构可靠度设计统一标准GB50068-200133 建筑工程抗震设防分类标准GB50223-200834 建筑结构荷载规范GB50009-201235 混凝土结构设计规范GB50010-2010(2015版)36 建筑抗震设计规范GB50011-2010(2016版)37 高层建筑混凝土结构技术规范JGJ3-201038 砌体结构设计规范GB50003-201139 冷轧带肋钢筋混凝土结构技术规程JGJ95-201140 建筑地基基础设计规范GB50007-201141 建筑地基处理技术规范JGJ79-201242 建筑桩基技术规范JGJ94-200843 建筑桩基检测技术规范JGJ106-201444 高层建筑箱形与筏形基础技术规范JGJ201145 钢筋焊接及验收规程JGJ18-201246 钢筋机械连接通用技术规程JGJ107-201047 住宅建筑规范GB50368-200548 建筑设计防火规范GB50016-2014(2018版)49 工程建设标准强制性条文(房屋建筑部分)(2013年版)50 地下工程防水技术规范GB50108-200851 混凝土外加剂应用技术规范GB50119-201352 建筑设计防火规范GB50016-201453 建筑变形测量规范JGJ8-201654 烧结多孔砖和多孔砌块GB13544-201155 多孔砖砌体结构技术规范JGJ137-2001(2002年版)56 混凝土结构施工图平面整体表示方法制图规则和构造详图16G101系列图集51地方广西建筑地基基础设计规范DBJ45/-003-201552 关于严格限制使用人工挖孔灌注桩的通知(桂建管(2014Φ87号)53 广西壮族自治区岩土工程勘察规范DBJ/T45-066-2018 52 广西膨胀土地区建筑勘察设计施工技术规程DB45/T96-2007二.工程概况序号项目内容1 工程名称广西凭祥综合保税区标准厂房二期项目2标段(6#、8#)标准厂房2 建设单位广西凭祥综合保税区开发投资有限公司3 设计单位广西汉和建筑规划设计有限公司4 监理单位广西桂通工程咨询有限公司5 勘察单位南宁地矿地质工程勘察院(6#)/江西勘察设计研究院(8#)6 总承包单位广西建工集团联合建设有限公司7 质量要求达到国家质量验收规范合格标准,要求外观质量达到优良,整体质量达到合格。
检验批划分计划中煤第三建设(集团)有限责任公司检验批划分计划西城山水居2#商业楼工程中煤第三建设,集团,有限责任公司中煤第三建设(集团)有限责任公司中煤第三建设(集团)有限责任公司检验批划分计划二O一二年三月划检验批划分计西城山水居2#商业楼位于合肥市蜀山区井岗路与甘泉路交口。
该工程为三层钢筋混凝土结构商业楼。
一、地基与基础分部基础按每一个施工工序为一个检验批,即基础垫层?基础筏板?地下室墙柱顶梁板。
二、主体结构分部检验批均按楼层进行划分,即每层划分一个检验批。
三、建筑装饰装修分部:1、地面子分部的基层(各构造层)和面层一层划分一个检验批;2、抹灰子分部相同材料、工艺和施工条件室外按500~1000m2划分一个检验批即每三层划分一个检验批,室内每层划分一个检验批;3、门窗子分部每层划分一个检验批;4、饰面板(砖)子分部相同材料、工艺和施工条件室外按500~1000m2划分一个检验批,室内每个单元(楼梯)划分一个检验批;5、涂饰子分部同类涂料涂饰的墙面室外按500~1000m2划分一个检验批,室内每层划分一个检验批;6、细部子分部按每个单元划分一个检验批。
四、建筑屋面分部建筑屋面分部按相同材料、工艺和施工条件每道工序划分一个中煤第三建设(集团)有限责任公司中煤第三建设(集团)有限责任公司检验批划分计划检验批。
五、建筑给排水与采暖分部1、室内给水系统按每个立管为划分为一个检验批。
2、室内给水系统按每个立管为划分为一个检验批。
六、建筑电气分部1、电气动力:电缆桥架和桥架内电缆敷设每三层为一个检验批。
2、电气照明安装子分部配电箱安装每三层一个检验批;电线、电缆导管和线槽敷设根据楼层每层为一个检验批;电线穿管敷设每三层为一个检验批;普通灯具安装每三层为一个检验批;专用灯具安装每三层为一个检验批;插座、开关安装每三层为一个检验批。
3、防雷接地安装子分部接地装置安装为一个检验批;避雷引下线敷设每一层为一个检验批;等电位联接每一层为一个检验批;接闪器安装屋面为一层检验批。
宁海世贸中心新建工程分部、分项、检验批划分方案
本工程检验批划分情况如下:
1、桩基按照每次验收根数划分一个检验批,每根桩一份隐蔽验收
记录。
2、地下室为一个单位工程,共分18个检验批,其中中天标段分为
8个检验批,中鑫标段分为10个检验批,均按后浇带位置进行划分。
(详见后附图)
3、商务公寓楼地下二层每层划分为三个检验批,按后浇带位置进
行划分。
共计6个检验批,地上部分按后浇带位置进行划分,每层二个检验批,共计28层,共计划56个检验批。
4、国际公寓楼按每层一个检验批划分。
A共计33个检验批。
B、
C同A楼。
5、商场主楼地上部分按每层一个检验批划分,共计25个检验批。
6、商场地上部分按后浇带划分每层为三个检验批,分别为②-①至
②-⑤轴为一个检验批,②-⑥至②-⑨轴为一个检验批,②-⑩-
②-⒂轴为一个检验批。
共计15个检验批。
7、水电安装部分依据系统划分,每层预埋按土建划分的检验批进
行划分。
8、分部、分项按规范要求划分。
浙江江南工程管理股份有限公司
宁海世贸项目监理部
2008 年9月2日。
目录一、编制依据及说明 (2)二、工程概况 (2)三、检验批划分概述 (5)1、地基与基础分部工程 (5)2、主体结构分部工程 (7)3、建筑装饰装修工程分部 (8)4、建筑屋面工程分部 (9)5、建筑给水、排水和采暖工程分部 (9)6、建筑电气分部 (9)四、检验批具体划分 (9)xxxxxxxx检验批划分计划一、编制依据及说明1、xxxxxxx设计的施工图纸及设计变更;2、招标文件及答疑文件、投标文件3、工程建设强制性条文—房屋建筑部分3.1、建筑地基基础工程施工质量验收规范(GB50202-2002);3.2、混凝土结构工程施工质量验收规范(GB50204-2015);3.3、砌体工程施工质量验收规范(GB50203-2011);3.4、地下工程防水技术规范(G50208-2011);3.5、建筑地面工程施工质量验收规范(GB50209-2010);3.6、屋面工程质量验收规范(GB50207-2012);3.7、建筑工程施工质量验收统一标准(GB50300-2013);3.8、建筑装饰装修工程施工质量验收规范(GB50210-2001);3.9、工程测量规范(GB50026-2007);3.10、建筑给水排水及采暖工程施工质量验收规范(GB50242-2002);3.11、建筑电气工程施工质量验收规范(GB50303-2015);3.12、电梯工程施工质量验收规范(GB50310-2002);3.13、通风与空调工程施工质量验收规范(GB50243-2002);3.14、混凝土质量控制标准(GB50164-2011);3.15、钢筋焊接及验收规程(JGJ18-2012);3.16、建筑工程冬期施工规程(JGJ104-2011)。
3.17、《建筑节能工程施工质量验收规范》GB50411-20074、本检验批划分主要针对工程的钢筋砼结构、钢结构、机电安装部分,其中实体检测部位在实体检测前确定,装修部分待进场后另行协调。
二、工程概况1、工程建设概况2.2建筑设计简介2.3结构设计简介三、检验批划分概述1、地基与基础分部工程(1)土方子分部::包含土方开挖、土方回填2个分项工程,按楼号划分为1#楼、2#楼、3#楼、4#楼、5#楼、6#楼、14#楼、15#楼、16#楼、地下车库土方开挖10个检验批与土方回填10个检验批;(2)基坑支护子分部::包含土钉墙1个分项工程,按施工流水段,东西南北面,划分为4个检验批;(3)地下防水子分部:包含卷材防水层、涂料防水层2个分项工程,按楼号划分为64个检验批;(1#、3#、4#、6#各4个检验批,2#、5#、14#、16#BC段各2个检验批,地下车库按后浇带划分为20个段共40个检验批。
)⑶笩形与箱型基础子分部:包含模板、钢筋、混凝土,现浇结构4个分项工程,按楼号划分检验批具体如下表。
笩形与箱型基础子分部工程检验批划分表说明:1#、3#、4#、6#为两个单元,2#、5#、14#、15#、16#为一个单元,地下车库按后浇带划分为20个流水施工段。
(4)桩基子分部:包含抗浮锚杆和人工挖孔桩2个分项工程,按楼号及施工段划分为若干个检验批。
2、主体结构分部工程⑴混凝土结构子分部:包含模板,钢筋、混凝土、现浇结构4个分项工程,按楼号,结构缝、楼层划分检验批如下表。
混凝土结构子分部检验比划分表说明:1#、3#、4#、6#为两个单元,2#、5#、14#、15#、16#为一个单元,地下车库按后浇带划分为20个流水施工段。
其中1#-4#楼地下2层,地上33层,5#楼地下2层,地上25层,6#楼地下2层,地上23层。
14#楼、16#楼地上3层,地下车库1层。
⑵砌体结构子分部:包含填充墙砌体1个分项工程,按楼号、楼层划分为若干个检验批。
具体分为1#楼~4#楼每层为2个检验批,各楼分别为70个检验批,5#楼每层1个检验批,共27个检验批,6#楼每层2个检验批,共50个检验批。
地下车库每段1个检验批,共20个检验批。
3、建筑装饰装修工程分部⑴建筑地面子分部:基层(各构造层)和各类面层的分项工程,检验批按楼层或每层施工段划分。
⑵抹灰子分部:相同材料、工艺和施工条件的抹灰工程(室外),按施工段、楼层及按每500~1000M2划分一个检验批,不足500 M2划分一个检验批。
相同材料、工艺、施工条件的抹灰工程(室内)、按施工段、楼层及按50个自然间划分一个检验批,不足50自然间划分为一个检验批。
⑶门窗子部分:同一品种、类型和规格的木门窗、金属门窗、塑料门窗及门窗玻璃,每100樘划分为一个检验批,不足100樘划分为一个检验批.同一品种、类型和规格的特殊种门每50樘为一个检验批,不足50樘划分为一个检验批。
⑷饰面板(砖)子部分:相同材料、工艺和施工条件的室内饰面板(砖)工程,每50间划分为一个检验批,、不足50间划分为一个检验批。
⑸涂饰子分部室外涂饰工程:每栋楼的同类型涂饰的墙面,每500~1000M2划分一个检验批,不足500 M2划分一个检验批。
室内涂饰工程,同类涂料涂刷的墙面,每50间划分为一个检验批,不足50间划分为一个检验批。
⑹细部子部分:楼梯扶手制作与安装按每部楼梯划分为一个检验批。
4、建筑屋面工程分部包含卷材防水屋面、涂膜防水屋面2个子分部,各子分部所含分项工程的检验批按不同楼层屋面(不同设计要求),划分为若干个检验批.5、建筑给水,排水及采暖工程分部⑴多层建筑,可按一个设计系统,每一楼层或每楼层施工工段(变形缝)划分为一个检验批.⑵高层建筑的标准层,每10层或每5层划分为一个检验批、地下室,屋面,裙房与非标准层应单独划分为一个检验批.⑶设备安装、按设备组分别划分检验批、每检验批不得超过10台.⑷室外工程按各分项分别划分检验批.6、建筑安装分部建筑电气子分部(1)混凝土内配管根据每一楼层,单元、施工段(变形缝)及系统划分检验批:(2)多层建筑可按每一楼层,单元、施工段(变形缝)及系统划分检验批:(3)高层建筑的标准层每三层或每五层划分为一个检验批:地下室,屋面,设备层,裙房与非标准层按每一楼层或设计系统,应单独划分为一个检验批;(4)防雷及接地安装工程,应每层划分检验批.不同楼层的屋面和地下室应单独划分检验批;设备安装按不同的子分部,设备组别划分检验批;管弄井按系统每层划分为一个检验批,建筑给水,排水及采暖子分部给水排水可按每层划分为一个检验批。
(5)检验批的划分首先要进行事先策划,同时结合施工工艺及现行有关规范标准要求进行划分,在操作中如需调整,应按施工组织设计修改要求在分项施工前进行调整审批。
四、检验批具体划分一、基础1、土方开挖○1土方开挖检验批质量验收记录○2隐蔽验收记录2、人工挖坑桩○1钢筋原材○2钢筋加工○3钢筋连接○4钢筋安装○5隐蔽⑥砼灌注桩钢筋笼⑦砼原材⑧砼配合比⑨砼施工⑩一桩一表3、抗浮锚杆○1钢筋原材○2钢筋加工○3钢筋连接○4钢筋安装○5隐蔽○6注浆4、土方回填○1土方回填检验批质量验收记录○2隐蔽验收记录5、砼垫层○1砼原材○2砼配合比○3砼施工现浇结构:○1现浇结构外观及尺寸偏差○2隐蔽验收记录6、基础筏板钢筋:○1钢筋原材○2钢筋加工○3钢筋连接○4钢筋安装○5隐蔽模板:○1模板安装砼:○1砼原材○2砼配合比○3砼施工现浇结构:○1现浇结构外观及尺寸偏差○2隐蔽验收记录7、基础防水工程:○1防水检验批质量验收记录、○2隐蔽验收记录二、主体工程1、负二层柱、剪力墙钢筋:○1钢筋原材○2钢筋加工○3钢筋连接○4钢筋安装○5隐蔽验收记录模板:○1模板安装砼:○1砼原材○2砼配合比○3砼施工现浇结构:○1现浇结构外观及尺寸偏差负二层顶梁、板、楼梯钢筋:○1钢筋原材○2钢筋加工○3钢筋连接○4钢筋安装○5隐蔽验收记录模板:○1模板安装砼:○1砼原材○2砼配合比○3砼施工现浇结构:○1现浇结构外观及尺寸偏差负一层至二十三层/二十五层/三十三层检验批同上2、二次构件:钢筋:○1钢筋原材○2钢筋加工○3钢筋连接○4钢筋安装○5隐蔽验收记录模板:○1模板安装砼:○1砼原材○2砼配合比○3砼施工现浇结构:○1、现浇结构外观及尺寸偏差注:按每三层报检验批验收记录3、砌体工程:1、砌体检验批质量验收记录、隐蔽验收记录。
4、屋面工程:钢筋:○1钢筋原材○2钢筋加工○3钢筋连接○4钢筋安装○5隐蔽验收记录模板:○1模板安装砼:○1砼原材○2砼配合比○3砼施工现浇结构:○1现浇结构外观及尺寸偏差三、装饰装修工程1、楼地面工程:1、细石砼面层工程检验批质量验收记录、隐蔽验收记录2、水泥砂浆面层工程检验批验收记录2、抹灰工程:(1)室内抹灰工程:1、一般抹灰工程检验批质量验收记录注:按楼层报检验批(2)室外抹灰工程:1、一般抹灰工程检验批质量验收记录注:按外墙立面报检验批3、屋面工程:1、涂膜防水工程检验批质量验收记录2、找坡层工程检验批质量验收记录3、保温层工程检验批质量验收记录4、细部构造工程检验批质量验收记录5、砖面层工程检验批质量验收记录4、门窗工程:1、塑钢门窗安装工程检验批质量验收记录、隐蔽验收记录2、门窗玻璃安装工程检验批质量验收记录注,按楼层报检验批5、涂饰工程:(1)室内工程1、水溶型涂料工程检验批验收记录,按楼层报检验批(2)室外工程1、水溶型涂料工程检验批验收记录,按外墙立面报检验批6、细部:扶手、栏杆、窗台板制作安装,按外墙立面报检验批1、扶手、栏杆制作安装工程检验批质量验收记录、隐蔽工程验收记录,按外墙立面报检验批7、建筑节能:(1)基层处理1、基层处理检验批质量验收记录2、隐蔽工程验收记录(2)保温层界面层涂刷1、保温层界面层涂刷检验批质量验收记录2、隐蔽工程验收记录(3)保温界面施工1、工程施工检查记录五、水电安装工程(一)给排水:1、室内给水1、检验批质量验收记录2、试验记录2、室内排水1、灌水试验记录2、检验批验收记录3、隐蔽工程验收记录4、雨水管道及配件安装1、灌水试验记录2、检验批质量验收记录(二)建筑电气:1、电缆、管线敷设1、检验批质量验收记录2、隐蔽工程验收记录2、照明配电箱安装1、接地绝缘电阻测试试验记录2、检验批质量验收记录3、导线连接○1绝缘电阻测试试验记录○2检验批质量验收记录○3隐蔽工程验收记录4普通灯具安装○1检验批质量验收记录5、插座、开关、风扇安装○1检验批质量验收记录6、建筑通电运行○1检验批质量验收记录7、接地安装○1接地电阻测试试验记录○2检验批质量验收记录○3隐蔽工程验收记录8、避雷引下线○1检验批质量验收记录○2隐蔽工程验收记录。