检验批划分计划最终版
- 格式:doc
- 大小:268.00 KB
- 文档页数:15
检验批划分计划根据《建筑工程施工质量验收统一标准》、本工程图纸设计文件,结合现场实际情况,编制检验批划分计划,具体内容如下:一、地基与基础分部(1#地下车库2#~6#同1#地下车库)1、无支土方回填分项基础土方开挖,计一个检验批护土方土方开挖分项土方回填,计一个检验批子分部筏板基础、地下室墙柱、顶梁板模板安装,计二个检验批模板分项筏板基础、地下室墙柱、顶梁板模板拆除,计三个检验批筏板基础、地下室墙柱、顶梁板钢筋原材料,计三个检验批筏板基础、地下室墙柱、顶梁板钢筋加工,计三个检验批钢筋分项筏板基础、地下室墙柱、顶梁板钢筋连接,计三个检验批 2、砼基筏板基础、地下室墙柱、顶梁板钢筋安装,计三个检验批础子分基础垫层、筏板基础、地下室墙柱、顶梁板砼施工,计四个检验批部砼分项基础垫层、筏板基础、地下室墙柱、顶梁板现浇结构外观质量,计四个检验批基础垫层、筏板基础、地下室墙柱、顶梁板现浇结构尺寸偏差,计四个检验批地下防水地下室垫层上防水层、地下室外墙板防水层、地下室顶板防水层,计三个检验批砖砌体地下室墙体,计一个检验批二、建筑装饰装修基层地下室地面基层,计一个检验批 1、地面子分部水泥砼面层地下室水泥砼面层,计一个检验批 2、抹灰一般抹灰地下室内墙一般抹灰,计一个检验批金属门窗安装地下室门窗安装,计一个检验批 3、门窗特种门安装特种门安装,计一个检验批门窗玻璃安装地下室门窗玻璃安装,计一个检验批水性涂料涂饰地下室水性涂料涂饰,计一个检验批 4、涂饰护栏、扶手溶剂型涂料涂饰,计一个检验批溶剂型涂料涂饰护栏和扶手制作与5、细部护栏和扶手制作与安装,计一个检验批安装三、建筑屋面保温层屋面保温层,计一个检验批 1、卷材防水屋找平层屋面找平层,计一个检验批面卷材防水层屋面卷材防水层,计一个检验批细部构造屋面细部构造,计一个检验批四、建筑给排水及采暖给水管道及配给水管道及配件安装,计一个检验批 1、室内件安装给水系室内消火栓系统室内消火栓系统安装,计一个检验批统安装排水管道及配室内排水管道及配件安装,计一个检验批件安装 2、室内雨水管道及配雨水管道及配件安装,计一个检验批排水系件安装统排水管沟与井排水管沟与井池,计一个检验批池五、建筑电气成套配电柜、控制柜(屏、台)成套配电柜、控制柜(屏、台)和动力、照明配电箱(盘)安装,计一个检验批和动力、照明配1、电气电箱(盘)安装照明安电线、电缆导管装地下室电线、电缆导管和线槽敷设,计一个检验批和线槽敷设电线、电缆导管电线、电缆导管和线槽敷线,计一个检验批和线槽敷线普通灯具安装普通灯具安装,计一个检验批插座、开关、风插座、开关、风扇安装,计一个检验批扇安装建筑照明通电建筑照明通电试运行,计一个检验批试运行接地装置安装基础接地装置安装,计一个检验批避雷引下线和变配电室接地地下室避雷引下线和变配电室接地干线敷设,计一个检验批 2、防雷干线敷设及接地安装建筑等电位连地下室建筑等电位连接,计一个检验批接接闪器安装屋面接闪器安装,计一个检验批六、地基与基础(1#楼、2#~15#楼同1#楼) 1、无支土方回填分项基础土方开挖,计一个检验批护土方土方开挖分项土方回填,计一个检验批子分部2、砼基筏板基础、地下室墙柱、顶梁板模板安装,计二个检验批模板分项础子分筏板基础、地下室墙柱、顶梁板模板拆除,计三个检验批部筏板基础、地下室墙柱、顶梁板钢筋原材料,计三个检验批筏板基础、地下室墙柱、顶梁板钢筋加工,计三个检验批钢筋分项筏板基础、地下室墙柱、顶梁板钢筋连接,计三个检验批筏板基础、地下室墙柱、顶梁板钢筋安装,计三个检验批基础垫层、筏板基础、地下室墙柱、顶梁板砼施工,计四个检验批砼分项基础垫层、筏板基础、地下室墙柱、顶梁板现浇结构外观质量,计四个检验批基础垫层、筏板基础、地下室墙柱、顶梁板现浇结构尺寸偏差,计四个检验批地下防水地下室垫层上防水层、地下室外墙板防水层、地下室顶板防水层,计三个检验批砖砌体地下室墙体,计一个检验批七、主体结构一,阁楼层梁板柱模板安装,计五个检验批一,阁楼层柱模板拆除,计五个检验批模板分项一,阁楼层梁板模板拆除,计五个检验批一,阁楼层二次结构模板安装,计五个检验批一,阁楼层二次结构模板拆除,计五个检验批 1、砼结构子分一,阁楼层墙柱钢筋(原材料、加工、连接、安装),计二十个检验批部钢筋分项一,阁楼层顶梁板钢筋(原材料、加工、连接、安装),计二十个检验批一,阁楼二次结构(原材料、加工、连接、安装),计二十个检验批一,阁楼房层墙柱砼施工,计五个检验批砼分项一,阁楼房层顶梁板砼施工,计五个检验批一,阁楼层二次结构(原材料、配合比、施工),计十五个检验批一,阁楼房层墙柱现浇结构(外观质量、尺寸偏差),计十个检验批现浇结构分项一,阁楼房层顶梁板现浇结构(外观质量、尺寸偏差),计十个检验批一,阁楼层二次结构现浇结构(外观质量、尺寸偏差),计十个检验批 2、砌体填充墙砌体分结构子一,阁楼层,计五个检验批项分部七、建筑装饰装修基层地下室,一层地面基层,计二个检验批 1、地面子水泥砼面层地下室水泥砼面层,计一个检验批分部水泥砂浆面层一~阁楼层水泥砂浆面层,计五个检验批 2、抹灰一般抹灰地下室~阁楼层内墙一般抹灰,计六个检验批,东西南北立面外墙一般抹灰,计四个检验批金属门窗安装地下室~阁楼层门窗安装,计六个检验批 3、门窗特种门安装东西单元特种门安装,计二个检验批门窗玻璃安装地下室~阁楼层门窗玻璃安装,计六个检验批水性涂料涂饰地下室~阁楼水性涂料涂饰,计六个检验批 4、涂饰东、西单元护栏、扶手溶剂型涂料涂饰,计二个检验批溶剂型涂料涂饰护栏和扶手制作与5、细部东、西单元护栏和扶手制作与安装,计二个检验批安装八、建筑屋面保温层屋面保温层,计四个检验批(保温坡屋面、不上人不保温屋面、上人保温平屋面、不上人保温平屋面)找平层屋面找平层,计四个检验批(保温坡屋面、不上人不保温屋面、上人保温平屋面、不上人保温平屋面) 1、卷材屋面卷材防水层,计四个检验批(保温坡屋面、不上人不保温屋面、上人保温平屋面、不上人保温平屋防水屋卷材防水层面) 面细部构造屋面细部构造,计四个检验批(保温坡屋面、不上人不保温屋面、上人保温平屋面、不上人保温平屋面)九、建筑给排水及采暖给水管道及配地下室~阁楼层给水管道及配件安装,计六个检验批 1、室内件安装给水系室内消火栓系统地下室~阁楼层室内消火栓系统安装,计六个检验批统安装排水管道及配地下室~阁楼层室内排水管道及配件安装,计六个检验批 2、室内件安装排水系雨水管道及配统东、南、西、北立面雨水管道及配件安装,计四个检验批件安装十、建筑电气成套配电柜、控制柜(屏、台)地下室~阁楼层成套配电柜、控制柜(屏、台)和动力、照明配电箱(盘)安装,计六个检验批和动力、照明配1、电气电箱(盘)安装照明安电线、电缆导管装地下室~阁楼层电线、电缆导管和线槽敷设,计六个检验批和线槽敷设电线、电缆导管地下室~阁楼层电线、电缆导管和线槽敷线,计六个检验批和线槽敷线普通灯具安装地下室~阁楼层普通灯具安装,计六个检验批插座、开关、风地下室~阁楼层插座、开关、风扇安装,计六个检验批扇安装建筑照明通电建筑照明通电试运行,计一个检验批试运行接地装置安装基础接地装置安装,计一个检验批避雷引下线和变配电室接地地下室避雷引下线和变配电室接地干线敷设,计一个检验批 2、防雷干线敷设及接地安装建筑等电位连地下室建筑等电位连接,计一个检验批接接闪器安装屋面接闪器安装,计一个检验批。
西安宝能汽车智慧谷项目一期工程编号:FA- 检验批划分方案编制:日期:年月日初审:日期:年月日审核(技术部门):日期:年月日批准:日期:年月日目录第一章编制依据 (1)第二章工程概况 (1)第三章编制方案的目的和依据 (5)第四章单位工程的划分 (5)第五章分部工程的划分 (5)第六章检验批划分 (6)单位工程、分部、分项工程及其检验批的划分方案第一章编制依据1、西安宝能汽车智慧谷项目一期工程合同文件2、西安宝能汽车智慧谷项目一期工程工程结构、建筑、给排水、电气、暖通图纸3、《建筑工程施工质量验收统一标准》GB50300-20134、《建筑节能工程施工质量验收规范》GB50411-20075、《混凝土结构工程施工质量验收规范》GB50204-20156、《砌体结构工程质量验收规范》GB50203-20117、《建筑装饰装修工程质量验收标准》GB50210-20188、《建筑地面工程施工质量验收规范》GB50209-20109、《建筑地基基础工程施工质量验收标准》GB50202-201810、《钢结构工程施工质量验收规范》GB50205-200111、《建筑给排水及采暖工程施工质量验收规范》GB50242-201612、《建筑电气工程施工质量验收规范》GB50303-201513、《通风与空调工程施工质量验收规范》 GB50243-201614、《火灾自动报警系统施工及验收规范》 GB50166-200715、《自动喷水灭火系统施工及验收规范》 GB50261--201716、《智能建筑工程施工规范》GB50606-201017、《智能建筑工程质量验收规范》GB50339-201318、《电梯工程施工质量验收规范》 GB50310-2002第二章工程概况工程名称:西安宝能汽车智慧谷项目一期工程工程地址:陕西省咸阳市渭城区费家村费家转盘西南角建设单位:西安宝能弘石置业有限公司设计单位:深圳市方佳建筑设计有限公司勘察单位:机械工业勘察设计研究院有限公司监理单位:深圳市国银建设工程项目管理有限公司施工单位:深圳建业工程集团股份有限公司质量安全监督单位:秦汉新城质安检测站节能工程的合同约定范围。
检验批划分及送检计划
一、总体考虑
1. 根据本次产品生产周期和规模,将产品分成若干批次。
2. 考虑每批产品数量,生产难易程度,质量重要性等因素确定每批送检频率和检验项目。
二、批次划分
本次产品总量为1000台,采用3批生产方式:
1批:1-300台
2批:301-700台
3批:701-1000台
三、送检计划
1. 第一批:每50台产品抽取1台送质量检验,检验项目包括外观、尺寸等项目。
2. 第二批:每100台产品抽取1台送质量检验,检验项目增加功能测试。
3. 第三批:每200台产品抽取1台送全项质量检验,增加可靠性测试及一些关键参数测试。
四、后期监测
1. 产品使用期内,将根据投诉和返修情况进行抽查。
2. 年底进行年终总体质量分析,看是否需要优化下一年产品检验方案。
以上为本次产品生产检验批划分及送检计划初步方案,生产过程中如果发现问题,将及时调整补充本计划。
临湖社区二期Z10#楼
检
验
批
划
分
计
划
安徽水安建设发展股份有限公司
二○○九年三月五日
施工方案审批栏
工程名临湖社区二Z10
合肥海恒项目管理有限公建设单合肥市工程建设监理公监理单
安徽水安建设发展股份有公施工单
工程负责编制
审核人意见
审批人意见
(签章
监理单
建设单
临湖社区二期Z10#楼
检验批划分计划
一、工程概况
工程名称:临湖社区二期Z10#楼
建设单位:合肥海恒项目管理有限公司
设计单位:合肥市建筑设计研究院
勘察单位:安徽建筑工程勘察院
施工单位:安徽水安建设发展股份有限公司
监理单位:合肥市工程建设监理公司
建设地点:合肥经济技术开发区临湖社区内
二、检验批划分原则
检验批的划分,实质是分项工程验收批数量的确定,一个分项工程可按工程的特点分为一个或若干个检验批进行验收,而在检验批划分和数量确定时,应视工程的特点(如施工段、结构缝、楼层、部位、工艺、系统等)情况进行确定,这样便于质量管理和工程质量控制,也便于质量验收。
三、本工程检验批划分计划
(一)地基与基础分部
(二)主体结构分部(三)、建筑装饰装修分部
(四)、建筑屋面分部
(五)、建筑节能分部
(六)、建筑给水、排水及采暖分部
(七)、建筑电气
安徽水安建设股份有限公司二日五月三年九○○。
检验批划分方案
一、总则
为了保证工程质量,提高工程施工效率,便于组织管理和监督施工过程,特制定本检验批划分方案。
二、检验批划分原则
1. 检验批应根据施工进度、施工工序、材料种类等因素进行合理划分;
2. 检验批之间应相互独立,互不影响;
3. 同类材料、构件应划分在同一检验批内,确保质量可溯。
三、检验批划分具体方案
1. 混凝土工程
根据混凝土浇筑的不同部位和不同强度等级,将混凝土工程划分为多个检验批,确保每个检验批内混凝土质量符合要求。
2. 钢筋工程
按照不同规格、品种的钢筋,将钢筋工程划分为不同的检验批,对每个检验批进行检验,确保钢筋质量达标。
3. 砌体工程
根据砌体的墙体、柱子、梁等不同部位,将砌体工程划分为相应的检验批,保证砌体结构的稳固和合格。
4. 油漆工程
按照油漆的种类、颜色、工艺等要素,将油漆工程划分为多个检验批,对每个检验批进行检验,确保油漆涂装质量良好。
四、检验批划分管理
1. 监理工程师负责检验批划分的制定和落实,确保划分方案符合要求;
2. 承包商应严格按照检验批划分方案进行施工,并配合监理工程师的检查验收;
3. 监理工程师应及时记录检验批划分的实施情况,对不符合要求的问题及时提出整改意见。
五、总结
本检验批划分方案的制定旨在规范工程施工质量管理,保证工程质量,提高工程施工效率。
希望各相关单位、人员严格按照此方案的要求执行,共同为工程质量的提升而努力。
检验批的划分(最终版) -CAL-FENGHAI.-(YICAI)-Company One1重庆国汇中心工程质量检验批划分计划编制人:审核人:批准人:重庆建工集团有限公司国汇中心工程项目部二0一0年六月二十四日一、工程概况重庆国汇中心工程为重庆会展中心置业有限公司投资兴建的大型公共建筑,工程地址在江南大道2号,总建筑面积约14.4891万平方米,建筑功能为酒店公寓、高级办公楼、配套裙房、室外工程四大部分,其中酒店公寓塔楼地上54层,高级办公塔楼地上24层,裙房地上4层,地下室5层(包括首层下层和首层下层夹层)。
二、编制依据1、《建筑工程质量验收统一标准》GB50300-20012、《建筑节能工程施工质量验收规范》GB50411-20073、本工程有关施工图纸及施工组织设计及有关文献。
三、单位(子单位)工程、分部工程划分1、说明根据本工程的具体使用功能特点,结合业主成本控制、物业管理要求,在工程施工过程中为了加强质量管理,规范各道工序质量控制、验收程序的组织,保证竣工资料归档的有序管理,特编制本划分计划。
2、划分原则根据《建筑工程施工质量验收统一验收标准》及《建筑节能工程工程施工质量验收规范》及施工组织设计有关要求,本工程共分2个单位工程(国汇中心工程、室外工程);6个子单位工程(酒店、办公楼、裙房、消防安装工程、室外建筑环境、室外安装);其中3个子单位工程(酒店、办公楼、裙房)分别分为10个分部工程,具体为基础与地基、主体结构、建筑装饰装修、建筑屋面、建筑给水、排水及采暖、建筑智能、通风与空调、电梯、建筑节能;消防安装工程分为室内给水、室外给水、火灾报警系统、大空间智能灭火系统、气体灭火系统5个子分部工程;室外工程分为室外建筑环境、室外安装2个子单位工程,室外建筑环境分为围墙、大门、挡土墙以及建筑小品、道路、绿化等分部工程,室外安装分为室外给水系统、室外排水系统、室外供热系统、室外供电系统、室外照明系统等分部工程。
苏地2011-B-77地块项目工程检验批划分计划本工程检验批的划分原则:1、检验批的划分反映施工过程,体现不同工序、工种施工工艺特点,符合施工工艺安排。
2、检验批的划分反映工序和施工过程。
3、检验批的划分考虑不同专业工种的配合。
4、检验批的划分不能过大、过小或大小过于悬殊。
5、检验批的划分要取得完整技术数据,还要覆盖分项工程的每个部位和区段,要反映出工序、工种的质量特征,并能够取得完整的技术数据。
6、检验批划分要利于质量控制。
7、检验批划分要突出“三控制点”(质量控制点、检查点和止停点,包括隐蔽工程)。
8、检验批划分的编号要明确无误,指代准确,防止填错表格或造成已验收的假象而漏验。
有些分项工程在几个子分部中出现,如砖砌体分项在地基与基础和主体结构中都有:建筑电气的接地装置在室外、变配电室、防雷接地、不间断电源和备用等子分部工程中都有,划分时要明确这些区别。
9、施工单位专业质检员和班组长应加强检验批质量自行检查评定,不能忽视质量控制点、检查点和止停点(包括隐蔽工程)的设置,检验批质量验收要对“三点”进行复验,相关单位要以书面形式确认。
10、检验批的划分要根据施工,利于质量控制和便于专业验收;加强检验批划分的管理,通过检验批的划分来提高工程质量管理水平。
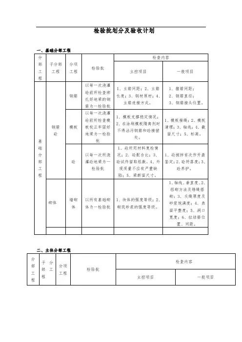
一、地基与基础分部工程一、地基与基础分部工程分部(子分部)分项工程验收划分计划一、地基与基础分部工程二、主体分部工程二、主体分部工程二、主体分部工程二、主体分部工程二、主体分部工程二、主体分部工程二、主体分部工程二、主体分部工程二、主体分部工程三、装饰分部工程分部(子分部)分项工程验收划分计划三、装饰分部工程分部(子分部)分项工程验收划分计划四、屋面分部、节能分部工程二、主体检验批的划分计划:1、苏地2011-B-77地块项目工程三栋单体按最高的3#楼来分项划分,1#、2#楼按3#楼划分方案划分。
3#楼1~10层主体分项工程划分为10个检验批。
2、其中电渣压力焊根据工程中接头的实际情况,以各种规格划分检验批,即每层、每个规格的钢筋各划一个检验批。
第1篇一、项目背景随着我国经济的快速发展,建筑行业也得到了迅猛的崛起。
为了确保工程质量,提高施工效率,我国政府出台了一系列关于工程质量管理的政策法规。
其中,工程检验批划分是工程质量控制的重要环节。
为了确保工程质量,提高施工效率,本项目特制定本工程检验批划分计划方案。
二、工程概况1. 项目名称:某住宅小区2. 项目地点:某市某区3. 项目规模:总建筑面积约10万平方米,包括住宅楼、商业楼、地下车库等。
4. 项目结构:框架结构、剪力墙结构。
5. 施工单位:某建筑工程有限公司6. 设计单位:某建筑设计研究院三、检验批划分原则1. 按照国家标准《建筑工程施工质量验收统一标准》(GB50300-2013)进行划分。
2. 结合工程实际,按照施工顺序、施工工艺、施工部位等因素进行划分。
3. 确保检验批的划分具有代表性、可比性、完整性。
4. 检验批划分应便于施工、监理、验收等环节的操作。
四、检验批划分方案1. 按照施工顺序划分(1)地基基础工程:按照地基处理、基础施工、基础防水等工序进行划分。
(2)主体结构工程:按照主体结构施工、装修施工等工序进行划分。
(3)装饰装修工程:按照室内外装饰装修、水电安装等工序进行划分。
2. 按照施工工艺划分(1)地基基础工程:按照地基处理、基础施工、基础防水等施工工艺进行划分。
(2)主体结构工程:按照框架结构、剪力墙结构等施工工艺进行划分。
(3)装饰装修工程:按照室内外装饰装修、水电安装等施工工艺进行划分。
3. 按照施工部位划分(1)地基基础工程:按照地基处理、基础施工、基础防水等施工部位进行划分。
(2)主体结构工程:按照框架结构、剪力墙结构等施工部位进行划分。
(3)装饰装修工程:按照室内外装饰装修、水电安装等施工部位进行划分。
五、检验批划分具体方案1. 地基基础工程(1)地基处理:分为地基处理前、地基处理后两个检验批。
(2)基础施工:分为基础垫层、基础主体、基础防水等检验批。
2. 主体结构工程(1)框架结构:分为框架柱、框架梁、框架板等检验批。
目录1工程概况 (1)1.1工程主要介绍 (1)1.2项目参建、关联单位 (1)1.3项目设计概况 (1)2编制依据 (2)3工程划分 (2)1工程概况1.1工程主要介绍1、地理位置:……………2、工程性质:………….3、项目名称:……………4、项目造价:……………5、功能用途:……………6、项目总工期:750个日历天7、建筑面积:151921.35m21.2项目参建、关联单位1、建设单位:………………………………..2、勘察/设计单位:……………………………..3、监理单位:……………………..4、质监单位:……………………….5、施工单位:…………………….1.3项目设计概况1#楼砖混结构,条形基础,共6F,总建筑面积2121.28平方米,建筑高度为21.84m。
2#楼,砖混结构,条形基础,共6F,总建筑面积2121.28平方米,建筑高度为21.64m。
3#楼,框剪结构共11F、12F/-4F,总建筑面积12707.77平方米,建筑高度为38.80m、35.80m。
4#楼,框剪结构共15F/-4F,总建筑面积16086.34平方米,建筑高度为47.895m。
5#楼,框剪结构共15F/-4F,总建筑面积17056.02平方米,建筑高度为48.20m。
6#楼,框剪结构共16F、18F,总建筑面积29498.56平方米,建筑高度为50.153m、56.153m。
7#楼,框剪结构共16F、18F,总建筑面积19318.30平方米,建筑高度为50.22m、56.22m。
综合用房框架结构,基础为人工挖孔桩,共3F,总建筑面积3754.84平方米,建筑高度为14.7m。
2编制依据1、施工合同2、施工图纸3、《建筑工程施工质量验收统一标准》(GB50300-2013)4、施工组织设计3工程划分根据本项目建筑分部特点,将工程划分为1#、2#、3#、4#、5#、6#、7#、综合楼、门岗、地下室等10个子单位工程。
完整版)检验批划分计划临湖社区二期Z10#楼的施工方案已经通过审核,由XXX 承担施工任务,XXX和XXX分别担任建设和监理单位。
本工程位于合肥经济技术开发区临湖社区内。
检验批的划分是为了方便工程质量控制和验收,应根据工程特点进行确定。
本工程的检验批划分计划分为地基与基础分部和主体结构分部两部分。
地基与基础分部包括土方开挖、无支护土方、土方回填、防水砼、地下防水、卷材防水层等子分部。
其中,筏板基础、基础梁、地下整体划分为1个检验批,混凝土按基础垫层、基础混凝土2个检验批,砌体基础和砖砌体各为1个检验批。
主体结构分部包括轴柱墙、轴梁板等子分部,每层1~19轴柱墙、轴梁板各1个检验批,每层20~38轴柱墙、轴梁板各1个检验批。
模板安装也是一个子分部,每层都有相应的检验批数量。
通过明确的检验批划分计划,可以更好地进行质量管理和工程质量控制,同时也方便了质量验收。
及采暖分部一、建筑结构分部1.模板拆除:共计72个,按层次进行拆除。
2.主体结构:每层建筑结构包括1个柱墙、1个梁板和1个轴梁板,其中1~19层为1个轴梁板,20~38层为1个轴梁板。
3.砼结构:共计72个钢筋和混凝土结构,外观和质量应符合要求。
4.砌体结构:包括填充墙和砌体,共计36个填充墙和18个砌体。
二、建筑装饰装修分部1.分部子分部分项:包括门窗、饰面砖、水性涂料涂饰、溶剂型涂料涂饰等。
2.工程名称:包括基层、地面水泥砂浆面层、砖面层、一般抹灰、木门窗制作与安装等。
3.检验批数量:1个检验批数量为6个。
4.安装:门窗和塑料门窗按三层划分为一个检验批,其他按整体划分为1个检验批。
5.饰面砖和涂饰:按三层划分为一个检验批。
6.护栏和扶手制作与安装:按三层划分为一个检验批。
三、建筑屋面分部1.分部子分部分项:包括保温层、卷材防水、找平层和细部构造等。
2.工程名称:建筑屋面分部共计4个工程名称。
3.检验批数量:每个工程名称整体划分为1个检验批。
广西凭祥综合保税区标准厂房二期项目2标段(6#、8#)标准厂房检验批划分方案目录一.编制依据------------------------------------------------------------------------------- 2 二.工程概况------------------------------------------------------------------------------- 4三、结构概况 ------------------------------------------------------------------------------- 5四、检验批划分 ---------------------------------------------------------------------------- 5一.编制依据1.1 施工组织设计文件:《广西凭祥综合保税区标准厂房二期项目2标段(6#、8#)标准厂房·施工组织设计》。
1.2 《广西凭祥综合保税区标准厂房二期项目2标段(6#、8#)标准厂房》施工图及设计变更图纸。
1.3 、应用的主要规范、规程及标准:序号类别规范、规程名称编号1国家规范民用建筑设计通则GB50352-20052 民用建筑隔音设计规范GB50118-20103 民用建筑工程室内环境污染控制规范GB50325-20104 无障碍设计规范GB50763-20125 建筑工程建筑面积计算规范GB50353-20136 建筑工程设计文件编制深度规定2016年版7 建筑设计防火规范GB50016-20148 建筑内部装修设计防火规范GB50222-20179 建筑地面设计规范GB50037-201310 屋面工程技术规范GB50345-201211 屋面工程质量验收规范GB50207-201212 倒置式屋面工程技术规范JGJ230-201013 单层防水卷材屋面工程技术规程JGJ/T316-201314 铝合金门窗工程设计施工及验收规范DBJ15-30-200215 金属与石材幕墙工程技术规范JGJ133-201316 铝合金门窗GB/T8478-200817 建筑外窗采光性能分级及检测方法GB/T11976-200218 建筑外门窗保温性能分级及检测方法GB/T8484-200819 建筑门窗空气隔音性能分级及检测方法GB/T8485-200820 建筑外门窗气密、水密、抗风压性能分级及检测方法GB/T7106-200821 建筑安全玻璃管理规定(发改运行)2003Φ2116号22 建筑玻璃应用技术规程JGJ113-201523 建筑用玻璃与金属护栏JG/T342-201224 建筑外墙防水工程技术规程JGJ/235-201126 墙体材料应用统一技术规范GB50574-201027 外墙内保温工程技术规程JGJ/T261-201128 建筑制图标准GB/T50104-201029 房屋建筑制图统一标准GB/T5001-201030 总图制图标准GB/T50103-201031行业工程结构可靠性设计统一标准GB50153-200832 建筑结构可靠度设计统一标准GB50068-200133 建筑工程抗震设防分类标准GB50223-200834 建筑结构荷载规范GB50009-201235 混凝土结构设计规范GB50010-2010(2015版)36 建筑抗震设计规范GB50011-2010(2016版)37 高层建筑混凝土结构技术规范JGJ3-201038 砌体结构设计规范GB50003-201139 冷轧带肋钢筋混凝土结构技术规程JGJ95-201140 建筑地基基础设计规范GB50007-201141 建筑地基处理技术规范JGJ79-201242 建筑桩基技术规范JGJ94-200843 建筑桩基检测技术规范JGJ106-201444 高层建筑箱形与筏形基础技术规范JGJ201145 钢筋焊接及验收规程JGJ18-201246 钢筋机械连接通用技术规程JGJ107-201047 住宅建筑规范GB50368-200548 建筑设计防火规范GB50016-2014(2018版)49 工程建设标准强制性条文(房屋建筑部分)(2013年版)50 地下工程防水技术规范GB50108-200851 混凝土外加剂应用技术规范GB50119-201352 建筑设计防火规范GB50016-201453 建筑变形测量规范JGJ8-201654 烧结多孔砖和多孔砌块GB13544-201155 多孔砖砌体结构技术规范JGJ137-2001(2002年版)56 混凝土结构施工图平面整体表示方法制图规则和构造详图16G101系列图集51地方广西建筑地基基础设计规范DBJ45/-003-201552 关于严格限制使用人工挖孔灌注桩的通知(桂建管(2014Φ87号)53 广西壮族自治区岩土工程勘察规范DBJ/T45-066-2018 52 广西膨胀土地区建筑勘察设计施工技术规程DB45/T96-2007二.工程概况序号项目内容1 工程名称广西凭祥综合保税区标准厂房二期项目2标段(6#、8#)标准厂房2 建设单位广西凭祥综合保税区开发投资有限公司3 设计单位广西汉和建筑规划设计有限公司4 监理单位广西桂通工程咨询有限公司5 勘察单位南宁地矿地质工程勘察院(6#)/江西勘察设计研究院(8#)6 总承包单位广西建工集团联合建设有限公司7 质量要求达到国家质量验收规范合格标准,要求外观质量达到优良,整体质量达到合格。
检验批划分计划最终版————————————————————————————————作者:————————————————————————————————日期:目录一、编制依据及说明 (2)二、工程概况 (2)三、检验批划分概述 (5)1、地基与基础分部工程 (5)2、主体结构分部工程 (7)3、建筑装饰装修工程分部 (8)4、建筑屋面工程分部 (9)5、建筑给水、排水和采暖工程分部 (9)6、建筑电气分部 (9)四、检验批具体划分 (9)xxxxxxxx检验批划分计划一、编制依据及说明1、xxxxxxx设计的施工图纸及设计变更;2、招标文件及答疑文件、投标文件3、工程建设强制性条文—房屋建筑部分3.1、建筑地基基础工程施工质量验收规范(GB50202-2002);3.2、混凝土结构工程施工质量验收规范(GB50204-2015);3.3、砌体工程施工质量验收规范(GB50203-2011);3.4、地下工程防水技术规范(G50208-2011);3.5、建筑地面工程施工质量验收规范(GB50209-2010);3.6、屋面工程质量验收规范(GB50207-2012);3.7、建筑工程施工质量验收统一标准(GB50300-2013);3.8、建筑装饰装修工程施工质量验收规范(GB50210-2001);3.9、工程测量规范(GB50026-2007);3.10、建筑给水排水及采暖工程施工质量验收规范(GB50242-2002);3.11、建筑电气工程施工质量验收规范(GB50303-2015);3.12、电梯工程施工质量验收规范(GB50310-2002);3.13、通风与空调工程施工质量验收规范(GB50243-2002);3.14、混凝土质量控制标准(GB50164-2011);3.15、钢筋焊接及验收规程(JGJ18-2012);3.16、建筑工程冬期施工规程(JGJ104-2011)。
3.17、《建筑节能工程施工质量验收规范》GB50411-20074、本检验批划分主要针对工程的钢筋砼结构、钢结构、机电安装部分,其中实体检测部位在实体检测前确定,装修部分待进场后另行协调。
二、工程概况1、工程建设概况项目名称工程地址建设单位勘察单位设计单位监理单位监督机构施工单位工程性质新建工期600天工程质量合格,力争“振风杯”2.2建筑设计简介序号项目内容1 建筑规模建筑面积主楼建筑层数1#/2#/3#/4#楼地下2层,地上33层结构形式:现浇剪力墙5#楼地下2层,地上25层结构形式:现浇剪力墙6#楼地下2层,地上23层结构形式:现浇剪力墙群楼建筑层数地下1层,地上3层结构形式:框架剪力墙主楼层高地上2.9m地下 3.15m基础形式筏板基础、桩基础裙楼层高地上3.8m地下 4.5m基础形式独立基础、筏板基础2 建筑高度建筑高度(m)室内地坪标高绝对标高3 建筑类别一类高层4 耐火等级一级抗震设防烈度6度5 墙体材料页岩空心砖装修做法6 保温外墙:40厚无机保温砂浆,屋面:现浇泡沫砼7 外墙装饰玻璃幕墙、石材幕墙8 内墙刮腻子、乳胶漆、面砖、吸音墙面9 楼地面地砖、防滑地砖、花岗石、水泥砂浆面层、耐磨砼面层、防静电活动架空板10 顶棚刮腻子、乳胶漆、防火纸面石膏板、吸声顶棚、铝合金板、铝板11 门窗铝合金中空玻璃防盗门、钢制防盗门、钢质甲级防火隔声门、钢制甲级防火门、钢制乙级防火门、钢制丙级防火门、乙级防火门、双帘双轨特级防火卷帘、铝合金窗12 防水地下室屋面楼地面2.0mm厚非固化橡胶沥青防水涂料+3mmSAM—980自粘聚合物改性沥青聚酯胎防水卷材3+3厚SBS改性沥青防水卷材聚氨酯涂膜2.3结构设计简介序号项目内容1 结构形式主楼:现浇剪力墙结构;裙楼:框架结构2 基础形式筏板基础、桩基、独立基础3 基础埋深-6.4m,-6.6m,-9.750m,-10.400m4 环境类别室内潮湿环境、与土直接接触的基础底板底面、外墙迎土面、地下室顶板顶面(室外部分)及地上外露构件为二类a,其他为一类环境5 砼强度等级基础基础垫层C15筏板独立基础1#、16#B(部分)人工挖孔桩墙、柱地下一、地下二层外墙1#-4#住宅楼C45C40F12-F22 C35F23-屋顶层C305#-6#住宅楼地下二层-F3C40 F4-屋顶层C35配套商业框架柱C40梁板地下车库C40地下室顶板无上部结构的部位C35 P6 1#-6#住宅楼C30配套商业C35其他楼梯、坡道同周围梁板砼圈梁,构造柱、过梁C20消防水池C30 P66 砼构件尺寸剪力墙200mm厚、250mm厚、300mm厚、350mm厚柱400*600、600*500、500*600、700*700、600*1100600*800、600*900框梁200*400、200*510、200*600、300*600、300*650、300*700、300*800、350*700、350*800、400*900、450*750、500*1000、500*1100、600*1100、600*1200、700*1200顶板厚度120mm、130mm、150mm、180mm、350mm7 抗震设防类别标准设防类8 结构安全等级二级9 耐火等级一级8 钢筋类别及形式类别HPB300 HRB400 HRB400E HRB500 连接形式直螺纹套筒连接三、检验批划分概述1、地基与基础分部工程(1)土方子分部::包含土方开挖、土方回填2个分项工程,按楼号划分为1#楼、2#楼、3#楼、4#楼、5#楼、6#楼、14#楼、15#楼、16#楼、地下车库土方开挖10个检验批与土方回填10个检验批;(2)基坑支护子分部::包含土钉墙1个分项工程,按施工流水段,东西南北面,划分为4个检验批;(3)地下防水子分部:包含卷材防水层、涂料防水层2个分项工程,按楼号划分为64个检验批;(1#、3#、4#、6#各4个检验批,2#、5#、14#、16#BC段各2个检验批,地下车库按后浇带划分为20个段共40个检验批。
)⑶笩形与箱型基础子分部:包含模板、钢筋、混凝土,现浇结构4个分项工程,按楼号划分检验批具体如下表。
笩形与箱型基础子分部工程检验批划分表1#楼筏形基础模板2#楼筏形基础模板钢筋钢筋混凝土混凝土现浇结构现浇结构3#楼筏形基础模板4#楼筏形基础模板钢筋钢筋混凝土混凝土现浇结构现浇结构5#楼筏形基础模板6#楼筏形基础模板钢筋钢筋混凝土混凝土现浇结构现浇结构模板15#楼独立基础模板钢筋钢筋混凝土混凝土现浇结构 4 现浇结构模板 3地下车库筏形基础模板钢筋12 钢筋混凝土12 混凝土现浇结构 4 现浇结构模板 1钢筋12混凝土12现浇结构 4说明:1#、3#、4#、6#为两个单元,2#、5#、14#、15#、16#为一个单元,地下车库按后浇带划分为20个流水施工段。
(4)桩基子分部:包含抗浮锚杆和人工挖孔桩2个分项工程,按楼号及施工段划分为若干个检验批。
2、主体结构分部工程⑴混凝土结构子分部:包含模板,钢筋、混凝土、现浇结构4个分项工程,按楼号,结构缝、楼层划分检验批如下表。
混凝土结构子分部检验比划分表1#楼混凝土结构模板2#楼混凝土结构模板钢筋钢筋混凝土混凝土现浇结构现浇结构3#楼混凝土结构模板4#楼混凝土结构模板钢筋钢筋混凝土混凝土现浇结构现浇结构5#楼混凝土结构模板6#楼混凝土结构模板钢筋钢筋混凝土混凝土现浇结构现浇结构14#楼混凝土结构模板15#楼混凝土结构模板钢筋钢筋混凝土混凝土现浇结构现浇结构16#楼A段混凝土结构模板地下车库混凝土结构模板钢筋钢筋混凝土混凝土现浇结构现浇结构16#楼B、C 段混凝土结构模板 3钢筋12 混凝土9 现浇结构 3说明:1#、3#、4#、6#为两个单元,2#、5#、14#、15#、16#为一个单元,地下车库按后浇带划分为20个流水施工段。
其中1#-4#楼地下2层,地上33层,5#楼地下2层,地上25层,6#楼地下2层,地上23层。
14#楼、16#楼地上3层,地下车库1层。
⑵砌体结构子分部:包含填充墙砌体1个分项工程,按楼号、楼层划分为若干个检验批。
具体分为1#楼~4#楼每层为2个检验批,各楼分别为70个检验批,5#楼每层1个检验批,共27个检验批,6#楼每层2个检验批,共50个检验批。
地下车库每段1个检验批,共20个检验批。
3、建筑装饰装修工程分部⑴建筑地面子分部:基层(各构造层)和各类面层的分项工程,检验批按楼层或每层施工段划分。
⑵抹灰子分部:相同材料、工艺和施工条件的抹灰工程(室外),按施工段、楼层及按每500~1000M2划分一个检验批,不足500 M2划分一个检验批。
相同材料、工艺、施工条件的抹灰工程(室内)、按施工段、楼层及按50个自然间划分一个检验批,不足50自然间划分为一个检验批。
⑶门窗子部分:同一品种、类型和规格的木门窗、金属门窗、塑料门窗及门窗玻璃,每100樘划分为一个检验批,不足100樘划分为一个检验批.同一品种、类型和规格的特殊种门每50樘为一个检验批,不足50樘划分为一个检验批。
⑷饰面板(砖)子部分:相同材料、工艺和施工条件的室内饰面板(砖)工程,每50间划分为一个检验批,、不足50间划分为一个检验批。
⑸涂饰子分部室外涂饰工程:每栋楼的同类型涂饰的墙面,每500~1000M2划分一个检验批,不足500 M2划分一个检验批。
室内涂饰工程,同类涂料涂刷的墙面,每50间划分为一个检验批,不足50间划分为一个检验批。
⑹细部子部分:楼梯扶手制作与安装按每部楼梯划分为一个检验批。
4、建筑屋面工程分部包含卷材防水屋面、涂膜防水屋面2个子分部,各子分部所含分项工程的检验批按不同楼层屋面(不同设计要求),划分为若干个检验批.5、建筑给水,排水及采暖工程分部⑴多层建筑,可按一个设计系统,每一楼层或每楼层施工工段(变形缝)划分为一个检验批.⑵高层建筑的标准层,每10层或每5层划分为一个检验批、地下室,屋面,裙房与非标准层应单独划分为一个检验批.⑶设备安装、按设备组分别划分检验批、每检验批不得超过10台.⑷室外工程按各分项分别划分检验批.6、建筑安装分部建筑电气子分部(1)混凝土内配管根据每一楼层,单元、施工段(变形缝)及系统划分检验批:(2)多层建筑可按每一楼层,单元、施工段(变形缝)及系统划分检验批:(3)高层建筑的标准层每三层或每五层划分为一个检验批:地下室,屋面,设备层,裙房与非标准层按每一楼层或设计系统,应单独划分为一个检验批;(4)防雷及接地安装工程,应每层划分检验批.不同楼层的屋面和地下室应单独划分检验批;设备安装按不同的子分部,设备组别划分检验批;管弄井按系统每层划分为一个检验批,建筑给水,排水及采暖子分部给水排水可按每层划分为一个检验批。