北航机械设计课程设计设计计算说明书
- 格式:doc
- 大小:1.31 MB
- 文档页数:30
机械设计课程设计计算说明书设计题目:加热炉装料机设计院系:能源动力学院学号:10041007姓名:庞岩年月日北京航空航天大学设计任务书1、设计题目:加热炉装料机2、设计要求(1)装料机用于向加热炉内送料,由电动机驱动,室内工作,通过传动装置使装料机推杆作往复移动,将物料送入加热炉内。
(2)生产批量为5台。
(3)动力源为三相交流电380/220V,电机单向转动,载荷较平稳。
(4)使用期限为10年,每年工作300天,大修期为三年,双班制工作。
(5)生产厂具有加工7、8级精度齿轮、蜗轮的能力。
加热炉装料机设计参考图如图3、技术数据推杆行程300mm,所需推杆推力为6000N,推杆工作周期4.3s.4、设计任务(1)完成加热炉装料机总体方案设计和论证,绘制总体原理方案图。
(2)完成主要传动部分的结构设计。
(3)完成装配图一张(用A0或A1图纸),零件图两张。
(4)编写设计说明书1份。
总体方案设计1、执行机构的选型与设计(1)机构分析①执行机构由电动机驱动,原动件输出等速圆周运动。
传动机构应有运动转换功能,将原动件的回转运动转变为推杆的直线往复运动,因此应有急回运动特性。
同时要保证机构具有良好的传力特性,即压力角较小。
②为合理匹配出力与速度的关系,电动机转速快扭矩小,因此应设置蜗杆减速器,减速增扭。
(2)机构选型方案一:用摆动导杆机构实现运动形式的转换功能。
方案二:用偏置曲柄滑块机构实现运动形式的转换功能。
方案三:用曲柄摇杆机构和摇杆滑块机构串联组合,实现运动形式的转换功能。
(3)方案评价方案一:结构简单,尺寸适中,最小传动角适中,传力性能良好,且慢速行程为工作行程,快速行程为返回行程,工作效率高。
方案二:结构简单,但是不够紧凑,且最小传动角偏小,传力性能差。
方案三:结构复杂,且滑块会有一段时间作近似停歇,工作效率低,不能满足工作周期4.3秒地要求。
综上所述,方案一作为装料机执行机构的实施方案较为合适。
(4)机构设计急回系数K取为2,则根据6011180=+-=KKθ,极位夹角为60。
机械设计课程设计计算说明书前言加热炉装料机用于向加热炉内送料,由电动机驱动,室内工作,通过传动装置使装料机推杆往复运动,将物料送入加热炉内。
设计一台装料机由减速器与传动机构组成,配以适当的电动机等零部件,实现自动送料过程。
要求使用期限是双班制10年。
目录一、设计任务书 (3)二、总体方案设计 (3)1、传动方案拟定 (3)2、电动机的选择 (5)3、传动系统的运动和动力参数 (5)三、传动零件的设计计算 (8)(1)蜗轮蜗杆设计 (8)(2)齿轮设计 (12)(3)轴的设计和校核计算 (17)(4)键联接设计计算 (23)(5)联轴器的选择计算 (25)(6)滚动轴承的选择及寿命计算 (25)四、减速器箱体及附件的设计 (28)(1)润滑和密封形式的选择,润滑油和润滑脂的选择 (28)(2)箱体设计............................ ............................ (29)(3)技术要求............................ ............................ (29)五、参考资料 (29)一、设计任务书1、设计题目:加热炉装料机2、设计背景:(1)题目简述:装料机用于向加热炉内送料,由电动机驱动,室内工作,通过传动装置使装料机推杆作往复移动,将物料送入加热炉内。
(2)使用状况:生产批量为5台;动力源为三相交流电380/220V,电机单向转动,载荷较平稳;使用期限为10年,每年工作300天,每天工作16小时;检修期为三年大修。
(3)生产状况:生产厂具有加工7、8级精度齿轮、蜗轮的能力。
3、设计参数:推杆行程240mm,所需推力7200N,推杆工作周期2.3s.4、设计任务:(1)设计总体传动方案,画总体机构简图,完成总体方案论证报告。
(2)设计主要传动装置,完成主要传动装置的装配图(A0)。
(3)设计主要零件,完成两张零件工作图(A3)。
北航机械设计课程设计一、教学目标本课程的教学目标是使学生掌握机械设计的基本原理和方法,能够运用所学知识分析和解决实际工程问题。
具体目标如下:1.知识目标:学生能够理解并掌握机械设计的基本概念、原理和流程,包括力学分析、材料选择、传动系统设计等。
2.技能目标:学生能够运用所学知识进行机械系统的设计和分析,能够使用相关软件工具进行辅助设计。
3.情感态度价值观目标:培养学生对机械设计的兴趣和热情,提高学生解决实际问题的能力和创新意识。
二、教学内容教学内容将根据课程目标进行选择和,确保内容的科学性和系统性。
教学大纲如下:1.机械设计基本概念:介绍机械设计的定义、目的和意义,机械系统的组成和分类。
2.力学分析:讲解力学基础知识,包括力学原理、受力分析、力矩平衡等,并应用于机械设计中。
3.材料选择:介绍常用工程材料的特点和应用,指导学生进行材料选择。
4.传动系统设计:讲解传动系统的基本原理和类型,包括齿轮传动、链传动、皮带传动等,并能够进行传动系统设计。
5.机械结构设计:介绍机械结构的基本要素,包括支撑、连接、固定等,并能够进行机械结构设计。
6.机械设计实例分析:分析典型的机械设计实例,让学生了解机械设计的过程和方法。
三、教学方法为了激发学生的学习兴趣和主动性,将采用多种教学方法进行教学,包括讲授法、讨论法、案例分析法和实验法等。
1.讲授法:通过教师的讲解,使学生掌握机械设计的基本概念和原理。
2.讨论法:学生进行分组讨论,促进学生之间的交流和思考,培养学生的创新意识。
3.案例分析法:分析典型的机械设计实例,让学生了解机械设计的过程和方法。
4.实验法:安排实验课程,使学生能够亲自操作和观察,加深对机械设计的理解。
四、教学资源为了支持教学内容和教学方法的实施,将选择和准备适当的教学资源,包括教材、参考书、多媒体资料和实验设备等。
1.教材:选择权威、实用的教材,如《机械设计基础》等。
2.参考书:提供相关的参考书籍,供学生深入学习和拓展知识。
板滞安排课程安排之阳早格格创做预计证明书籍安排题目戴式输送机传动拆置安排I****教院(系)****班安排者sc指挥教授***2017年5月12日(北京航空航天大教)序止本安排为板滞安排前提课程安排的真量,是先后教习过绘法几许、板滞本理、板滞安排、工程资料、加工工艺教等课程之后的一次概括的训练战应用.本安排证明书籍是对付戴式输送机传动拆置安排I的证明,该传动拆置使用广大,本次安排是使用已知的使用战拆置参数自止安排机构简直尺寸、采用资料、校核强度,并最后决定产死图纸的历程.通过安排,咱们回瞅了之前关于板滞安排的课程,并加深了对付很多观念的明白,并对付安排的一些基础思路战要领有了收端的相识战掌握.目录序止2板滞整件课程安排任务书籍4一、题目:戴式输送机传动拆置安排4二、安排任务4三、简直做业4主要整部件的安排预计5一、传动规划的决定5二、电效果的采用、传动系统的疏通战能源参数51.电效果的采用52.传动比调配63.各级传动的能源参数预计64.将疏通战能源参数预计截止举止整治并列于下表7三、传动整件的安排、预计72.戴的参数尺寸列表93.减速器齿轮(关式、斜齿圆柱齿轮)安排9四、轴的安排与校核121.I轴的收端安排122.I轴强度校核133.II轴的收端安排154.II轴强度校核16五、键联交的采用与校核181.I轴中伸端处键联交182.II轴与大齿轮协共处键联交193.II轴中伸端处键联交19六、轴启的采用与校核191、下速轴启202、矮速轴启21七、联轴器的采用与预计21八、润滑与稀启形式,润滑油牌号证明22九、箱体结构相关尺寸22十、参照资料23板滞整件课程安排任务书籍一、题目:戴式输送机传动拆置安排传动拆置简图如左图所示.1.输送机的数据:输送戴处事推力F=1400 (N)输送戴处事速度v=1.55 (m/s)卷筒直径D=260 (mm)2.安排央供:1)安排用于戴式输送机的传动拆置2)二班造处事,空载开用,单背连绝运止,载荷稳固,输送戴速允许缺面为±5%.3)使用克日为十年,二班造,每年处事300天;检建功夫隔为三年.小批量死产.二、安排任务1.采用电效果型号;2.决定戴传动的主要参数及尺寸;3.安排该减速器;4.采用联轴器.三、简直做业1.减速器拆置图一弛;2.整件处事图二弛(大齿轮、输出轴);3.证明书籍一份.主要整部件的安排预计一、传动规划的决定名目-真量安排预计依据战历程预计截止便宜(1)戴传动具备成本矮,维护便当的便宜.(2)戴传动有减震战过载呵护功能.采与一级戴传动战一级关式齿轮传动.缺面(1)形状尺寸大,传动比没有恒定.(2)效用较矮,寿命短,没有是正在繁沉的处事央供战恶劣的处事条件下处事.二、电效果的采用、传动系统的疏通战能源参数名目-真量安排预计依据战历程预计截止1.电效果的采用处事机所需功率传动拆置总效用本量需要功率处事机转速电效果转速由于戴传动的传动比,齿轮传动传动比,所以电效果的转速范畴458~2292r/min.时常使用的电效果转速为1000r/min战1500r/min查表得电效果数据,简直可采用Y132M-8,Y132S-6,Y100L2-4三种电效果.对付比三种电效果的数据以及预计出的传动比,采用电效果型号为Y132S-6型,其额定功率为3.0kW,谦载转速960r/min.Y132S-6型电效果,额定功率3.0kW,谦载转速960r/min2.传动比调配总传动比V戴传动比由,与减速器传动比则3.各级传动的能源参数预计各轴转速(分别为小齿轮轴转速战大齿轮轴转速)各轴输进功率各轴输进转矩4.将疏通战能源参数预计截止举止整治并列于下表轴名功率P/kW 转矩T/N·m 转速r/min传动比i 输进输出输进输出电机轴9603 下速轴320矮速轴1 卷筒轴 1三、传动整件的安排、预计名目-真量安排预计依据战历程预计截止处事系数K A 查表4 -7得电效果预计功率P cV 戴型号由,,查图,采用A型一般V戴A型一般V戴大小戴轮基准直径d 2,d 1 查表4-3与d1=1mm,则与d2=3md1=1mmd2=3mm考证V 戴戴速戴速,v 正在5 ~ 2 5 m /s 之内,符合.V 戴基准少度L d 战核心距a 由,收端采用核心距a 0 = 6 0 0 m m 得戴少查表4-2,与Ld=2mm,得本量核心距,小戴轮包角的验算符合.单根一般V戴的基础额定功率由n谦=960r/min 及d1=100mm,查表13-3得,传动比i额定功率删量查表4-4得,包角建正系数由,查表13-7得,戴少建正系数由Ld=2000mm,查表13-2得V戴根数z圆整,与z=3根数单根V戴的初推力F0传动戴正在轴上的效用力FQ2.戴的参数尺寸列表A型戴小戴轮直径d1/mm大戴轮直径d2/mm核心距a/mm戴少L d/m 100 300 678 200戴根数z初推力F0/N轴上载荷、F Q/N33.减速器齿轮(关式、斜齿圆柱齿轮)安排(1)采用资料及决定许用应力采用资料战齿轮减速器传播的功率为小齿里采用粗度等第 2.4KW.可对付齿轮采用硬齿里的推拢,小齿轮用20CrMnTi渗碳淬火,回火,齿里硬度为56~62HRC.大齿轮用20Cr渗碳淬火,回火,齿里硬度为56~62HRC.共侧齿里粗度等第选8级粗度20CrMnTi渗碳淬火,回火大齿里采用20Cr 渗碳淬火,回火蜿蜒疲倦极限查表11-1,与小齿轮交触疲倦极限大齿轮交触疲倦极限小齿轮交触疲倦极限大齿轮交触疲倦极限仄安系数SH、SF许用应力(2)按轮齿蜿蜒强度安排预计载荷系数K齿宽系数查表11-6,与齿宽系数小齿轮转矩初定螺旋角初定大小齿轮齿数z1,z2与小齿轮齿数z1=20,则大齿轮齿数z1=20z2=56当量齿数zv1,zv2齿型系数YFa1,YFa2YSa1,查图11-8、11-9与YSa2验算大、小齿轮的蜿蜒强度果此安排时采用的参数皆是符合的且应付于小齿轮举止蜿蜒强度预计法背模mn=3mm 数预计与mn=3mm决定核心距与决定螺旋角分度圆直径,齿宽b1,b2 与b2=55mm(3)验算齿里交触强度供齿里交触强度(4)齿轮的圆周速度预计齿轮圆周速度根据表2-1,与8级粗度合理(5)齿轮其余传动的参数端里压力角齿顶下ha 齿根下hf 齐齿下h 顶隙c齿顶圆直径da 齿根圆直径df 齿轮结构ha=mn=3mmda1=da2=ha=3mm(6)齿轮传动参数列表核心距a/mm模数m n/mm120 3齿数齿宽/mm 分度圆直/mmz1z2b120 56 60齿下/mm 齿顶圆/mm 齿根圆/h a h f d a13d(7)大齿轮结构简图(睹整件图)四、轴的安排与校核名目-真量安排预计依据战历程预计截止1.I轴的收端安排资料采用由45钢应用最为广大,采用45号钢,调量处理45号钢调量根据许用切应力初估I轴最小直径I轴:思量键对付于轴的削强效用,与dI=24mmC=110dI=24mm对付I轴其余段直径举止预计由定位轴肩的尺寸公式与c=1.6 d2=28mm思量到轴启为尺度件,与d3=30mmI轴轴启采用6206,d=30mm,B=16mmD=62mm为拆置便当,与d4=32mm共缘由定位轴肩的尺寸公式与d5=40mm共一轴采用共一轴启d6=30mmd2=28mmd3=30mmd4=32mmd5=40mmd6=30mm决定润滑办法由轴启转速采用脂润滑脂润滑决定轴的支面箱座壁薄δδ=8mm箱盖壁薄δ1δ1=8mm大齿轮顶圆与内壁距离Δ1Δ>1.2δ,与Δ1=10mm齿轮端里与内壁距离Δ2与Δ2=8mm轴启与箱体内机壁距离Δ3Δ3=10mm与M20螺栓,天足螺栓个数为4轴启旁连交螺栓直径d1:采用M16螺栓M16螺栓的参数:c1=22mm c2=20mm D=32mm中箱壁到轴启端里的距离:l1=c1+c2+(5~8)=20+22+8=50mm轴的支面L1=b1/2+Δ2+Δ3+B轴启 /2=58mm与戴轮戴宽B戴轮为50mmL2=B戴轮/2+l1+l2+δ-Δ3- B轴启 /2=93mmL1 =58mmL2= 93mm2.I轴强度校核I轴受力:圆周力径背力轴背力I轴受力简图简化为简支梁笔直里支撑反力笔直里直矩图火仄里支撑反力火仄里直矩图合成直矩预计轴受扭矩图当量直矩图笔直里支撑反力笔直里直矩预计火仄里支撑反力火仄里直矩预计效用正在V戴上的压力FQ爆收的支撑反力FQ爆收的直矩截里爆收的直矩伤害截里当量直矩轴I支到联轴器给的扭矩伤害截里的当量直矩伤害截里的校核依照最不利的情况由45钢的,则思量键槽效用d=d 1.05=30.03mm,安排时与32mm,符合.3.II轴的收端安排C=110 资料采用采用45号钢,调量处理初估最小直径思量到该轴段上有键槽,需正在dmin前提上与 1.05倍,果此.与最小处d=30mm对付I轴其余段直径举止预计由定位轴肩的尺寸公式与c=1.6 d2=36mm思量到轴启为尺度件,与d3=40mmI轴轴启采用6208,d=40mm,B=18mmD=80mm为拆置便当,与d4=42mm共缘由定位轴肩的尺寸公式与d5=48mm共一轴采用共一轴启d6=40mm d2=36mm d3=40mm d4=42mm d5=48mm d6=40mm决定轴的支面4.II轴强度校核II轴受力:圆周力径背力轴背力II轴简图简化为简支梁笔直里支撑反力笔直里直矩图火仄里支撑反力火仄里直矩图合成直矩预计传播扭矩图当量直矩图笔直里支撑反力笔直里直矩预计火仄里支撑反力火仄里直矩预计传播的扭矩伤害截里当量直矩伤害截里的校核由45钢的,则键槽效用29.8=31.2mm,谦足央供.五、键联交的采用与校核名目-真量安排预计依据战历程预计截止资料采用许用挤压应力采用45号钢,与45号钢1.I轴中伸端处键联交键的采用采用圆头一般仄键(GB/T1096-2003)根据dI=24mm及中伸端少度,采用键8×30,其中b=8mm,h=7mm,L=30mm,毂深t2=3.3mm,轴深t1=4mm键8×30键的校核键采用符合2.II轴与大齿轮协共处键联交键的采用采用圆头一般仄键(GB/T1096-2003)根据轴径d=42mm及台阶少度,采用键键12×4512×45,其中b=12mm,h=8mm,L=45mm,毂深t2=3.3mm,轴深t1=5mm 键的校核键采用符合3.II轴中伸端处键联交键的采用采用圆头一般仄键(GB/T1096-2003)键10×60键的校核键采用符合六、轴启的采用与校核七、联轴器的采用与预计名目-真量安排预计依据战历程预计截止联轴器的采用II轴中伸端需使用联轴器采用弹性柱销联轴器LX2型(GB/T 5014-2003)弹性柱销联轴器LX2型联轴器参数公称转矩T n(N·m)许用转速n(r/min)轴孔直径d(mm)560 6300 30轴孔少度/mm 中径D(mm)轴孔典型键槽典型L L182 60 160 J B八、润滑与稀启形式,润滑油牌号证明名目-真量安排预计依据战历程预计截止润滑办法齿轮线速度齿轮采用脂润滑,轴启采与油润滑齿轮采用脂润滑,轴启采与油润滑润滑油牌号采用齐耗费系统用油L-AN15 L-AN15润滑脂牌号采用通用锂基润滑脂牌号ZL-1(GB492-89)ZL-1稀启形式①机座与机盖凸缘分离里的稀启采用正在交合里涂稀启胶或者火玻璃的办法②瞅察孔战搁油孔等处的稀启采用石棉橡胶纸垫片稀启③轴启端盖处的稀启采与毡圈油启④轴启处用挡油环预防润滑油甩进轴启里里九、箱体结构相关尺寸名目-真量安排预计依据战历程预计截止箱座壁薄δδ=8mmδ=8mm 箱盖壁薄δ1δ1=8mmδ1=8mm 箱座凸缘薄度b b=1.5δ=12mm b=12mm 箱盖凸缘薄度b1 b1=1.5δ1=12mm b1=12mm 箱座底凸缘薄度b2 b2=2.5δ=20mm b2=20mm 天足螺栓直径df与df=20mm 天足螺栓数目n n=4大齿轮顶圆与内壁距离Δ1Δ1>1.2δ,与Δ1=10mmΔ1=10mm 齿轮端里与内壁距离Δ2>δ,与Δ2=8mmΔ2=8mmΔ2轴启与箱体内机壁距离Δ3Δ3=12mmΔ3=12mm 轴启旁连交螺栓直径d1与d1=16mm 箱盖与箱座联交螺栓直径d2d2=(0.5~0.6)df=10~12mm 与d2=12mm轴启端盖螺钉直径d3d3=(0.4~0.5)df=8~10mm d3I=6mm d3II=8mm窥视孔盖螺钉直径d4 d4=(0.3~0.4)df=6~8mm d4=6mm 定位销直径d 与d=10mm 中箱壁与轴启座端里距离l1l1=c1+c2+(5~8)=50mm l1=50mm箱盖、箱座肋薄m1、m m1=7mm m=7mmI轴轴启端盖中径DI DI=92mm DI=92mm II轴轴启端盖中径DII DII=120mm DII=120mm I轴轴启端盖凸缘薄度t1t1=7mm t1=7mm II轴轴启端盖凸缘薄度t2t2=10mm t2=10mm 十、参照资料下等培养出版社出版社2013年1月板滞工业出版社2007年8月第2版。
机械设计课程设计设计说明书设计题目:搓丝机传动装置设计班级学号:14041032设计者:苏雨指导教师:北京航空航天大学2017年3月15日一:设计题目:搓丝机传动装置设计1.1 设计要求1) 该机用于加工轴辊螺纹,其结构见下图,上搓丝板安装在机头上,下搓丝板安装在滑块上。
加工时,下搓丝板随着滑块作往复运动。
在起始(前端)位置时,送料装置将工件送入上、下搓丝板之间,滑块往复运动时,工件在上、下搓丝板之间滚动,搓制出与搓丝板一致的螺纹。
搓丝板共两对,可同时搓出工件两端的螺纹。
滑块往复运动一次,加工一件。
2) 室内工作,生产批量为5台。
3) 动力源为三相交流380/220V,电动机单向运转,载荷较平稳。
4) 使用期限为10年,大修周期为3 年,双班制工作。
5) 专业机械厂制造,可加工7、8级精度的齿轮、蜗轮。
图1.1: 搓丝机简图1. 完成搓丝机传动装置总体方案的设计和论证,绘制总体设计原理方案图。
2. 完成主要传动装置的结构设计。
3. 完成装配图1 张(用A0 或A1 图纸),零件图2 张。
4. 编写设计说明书1 份。
二:机械装置的总体方案设计2.1 拟定传动方案方案一:方案二:根据系统要求可知:滑块每分钟要往复运动24次,所以机构系统的原动件的转速应为24r/min。
以电动机作为原动机,则需要机构系统有减速功能。
运动形式为连续转动→往复直线运动。
根据上述要求,可采用曲柄滑块机构,该机构有尺寸较小,结构简洁的特点。
利用曲柄和连杆共线,滑块处于极限位置时,可得到瞬时停歇的功能。
同时该机构能承受较大的载荷。
整个搓丝机由电动机、开式齿轮减速器、一级减速器、曲柄滑块机构、最终执行机构组成。
如方案一图所示。
其中,r=; l=mm; e=666mm; 最大压力角α=33°; 急回夹角β=7°,急回特性为k=。
采用一级圆柱齿轮减速器,外加开式齿轮减速器,主要优点是结构简单可靠,设计制造,维护方便。
机械设计课程设计计算说明书
本机械设计课程设计为一款具有自动化控制功能的抓取装置,用
于在工业生产中抓取不同大小、形状的物品。
该装置由基座、机械臂、夹爪、控制系统等组成,下面将详细介绍每个部分的设计和计算。
1.基座设计:基座为整个装置的支撑和固定部分,由钢板焊接而成。
为了保证基座的稳固性和承载能力,根据力学原理及相关计算公式,确定了基座的尺寸、材料和焊接方法。
同时,考虑到基座的可靠
性和维护性,还为其配备了定期检修孔和调整螺栓。
2.机械臂设计:机械臂是实现抓取功能的关键部件,它具有灵活性、精度和承载能力等特点。
机械臂由铝合金型材焊接而成,采用齿
轮传动和电机驱动的方式实现运动。
为了控制机械臂的运动范围和速度,设计了限位和调速装置,并进行了相关的计算。
3.夹爪设计:夹爪是实现抓取功能的直接部件,它必须具有夹紧
力强、稳定可靠和操作简单等特点。
夹爪采用气动夹紧方式,由两个
对称的夹具和气动缸组成。
通过对夹具和气动缸的尺寸、工作方式和
控制方法进行计算和优化,保证了夹爪的性能和稳定性。
4.控制系统设计:控制系统是实现自动化控制和监测的关键部分,在该装置中采用PLC以及传感器等设备实现了自动化控制功能。
为了
保证控制系统的可靠性和稳定性,进行了相应的计算和测试,并编写
了相应的程序。
综上所述,该装置具有结构合理、性能稳定、功效显著等特点,适用于各类生产场景中的物品抓取操作。
同时,本设计过程也提供了一种基于理论计算和实践测试相结合的设计方法,具有一定的指导意义。
机械设计课程设计计算说明书设计题目电梯机械部分相关系统的原理及结构设计自动化科学与电气工程学院(系)120324 班设计者***指导老师裴旭2015年5月11日(北京航空航天大学)前言设计背景:机械设计课程设计是各大高校工科学生的必修课,也是培养学生机械设计能力的基础课程,其重要性和意义是十分显然的。
减速器是用于原动机和工作机之间的独立传动装置,作用是降低转速和增大转矩来满足工作需要。
在现实生活中,齿轮减速器广泛应用于各行各业中,是最常见最实用的机械传动装置之一。
目前,国内各类通用减速器的标准系列已达数百个,基本可满足各行业对通用减速器的需求。
本设计采用的是闭式一级圆柱齿轮减速器,以此来完成带式运输机的转动任务。
说明书的内容包括了:传动方案的分析以及拟定;电动机的选择;传动装置的运动和动力参数的计算;轴的设计计算;轴承和键的计算选择;润滑密封及联轴器的计算与选择;箱体结构的设计计算。
每部分均进行安全校核计算以确保减速器能够正常平稳工作设计目的:(1)以机械系统运动方案设计与拟定为结合点,把机械设计课程中分散于各章的理论和方法融会贯通起来,进一步巩固和加深学生所学的理和知识;(2)通过拟定减速器的方案,使我们初步具有机构和零件配合的组合能力;(3)进一步提高我们运算、绘图、整理和查阅技术资料的能力;(4)通过编写说明书,培养我们的表达、归纳、总结和独立思考与分析的能力。
目录一、机械设计课程设计任务书 (4)二、传动方案的拟定 (5)三、电动机的选择、传动系统的运动和动力参数 (5)1.电动机的选择2.传动比分配3.各级传动的动力参数计算4.将运动和动力参数计算结果整理并列表四、传动零件的设计、计算 (7)1.传动齿轮(开式、直齿)设计2.减速器齿轮(闭式、斜齿)设计五、轴的设计与校核 (12)1.I轴的初步设计2.I轴的强度校核3.II轴的初步设计4.II轴的强度校核六、键联接的选择与校核 (18)1.I轴外伸端处键联接2.II轴外伸端处键联接3.I轴与小齿轮配合处键联接4.II轴与大齿轮配合处键联接七、滚动轴承的选择与校核 (18)1.I轴滚动轴承的校核2.II轴滚动轴承的校核八、联轴器的选择 (20)九、润滑和密封形式的选择,润滑油牌号的选择 (21)十、其他技术说明 (21)1.箱体结构相关尺寸2.减速器技术要求十一、参考文献 (22)一、机械设计课程设计任务书1、任务三电梯机械部分相关系统的原理及结构设计传动装置简图如右图所示。
机械设计课程设计计算说明书一、传动方案拟定(1)工作条件:使用年限8年,三班制工作,载荷平稳。
(2)原始数据:滚筒圆周力F=5KN;带速V=1.6m/s;滚筒直径D=500mm。
二、电动机的选择1、电动机类型和结构型式的选择:按已知的工作要求和条件,选用Y系列三相异步电动机。
2、确定电动机的功率:(1)传动装置的总效率:η总=η带×η2轴承×η齿轮×η联轴器×ηw×η搅油=0.96×0.99×0.99×0.97×0.99×0.96×0.98=0.85(2)电机所需的工作功率:Pd=FV/1000η总=5000×1.6/1000×0.85=9.41KW3、确定电动机转速:滚筒轴的工作转速:Nw=60×1000V/πD=60×1000×1.6/π×500=61.15r/min根据推荐的合理传动比范围,取V带传动比i1=2~4,单级圆柱齿轮传动比范围i2=3~6,则合理总传动比i的范围为i=6~24,故电动机转速的可选范围为nd=i×nw=(6~24)×61.15=366.9~1467.6r/min符合这一范围的同步转速有750 r/min和1000r/min。
由《机械设计课程设计手综合考虑电动机和传动装置尺寸、重量、价格和带传动、减速器的传动比,比较两种方案可知:方案1转速、质量适中。
故选择电动机型号Y160L-6。
三、计算总传动比及分配各级的传动比1、总传动比:i总=n电动/n筒=970/61.15=15.862、分配各级传动比(1)取i带=3.17(2)∵i总=i齿×i 带π∴i齿=i总/i带=15.86/3.17=5四、运动参数及动力参数计算1轴(电动机轴)n1=970r/minp0=pd=9.41kwTd=9550×pd/n1=9550×9.41/970=92.64N·m2轴(减速器高速轴)n2=n1/i1=970/3.17=306 r/minP2=P0·n带=9.41×0.96=9.03kwT2=9550·P2/n2=9550×9.03/306=281.82 N·m 3轴(减速器低速轴)N3=n2/i2=306/5=61.2 r/minP3=P2×0.99×0.97×0.98=8.5kwT3=9550·P3/n3=9550×8.5/61.2=1326.39 N·m 4轴(工作轴)N4=n3=61.2 r/minP4=P3×0.99=8.42kwT3=9550·P3/n3=9550×8.42/61.2=1313.91 N·m五、传动零件的设计计算1、皮带轮传动的设计计算(1)选择普通V带截型由已知传送带运动平稳取kA=1.3 P=9.41KWPC=KAP=1.3×9.41=12.23KW据PC=12.23KW和n1=306r/min由课本P136图7-8得:选用A型V带(2)确定带轮基准直径,并验算带速取dd1=160mmdd2=i带dd1(1-ε)=3.17×160×(1-0.02)=497.01mm由课本得取dd2=500mm带速V:V=πdd1n1/60×1000=π×160×970/60×1000=8.12m/s在5~25m/s范围内,带速合适。
机械设计课程设计计算说明书1. 引言本文档旨在为机械设计课程中的设计计算提供详细说明。
在机械设计中,计算是一个关键的环节,它涉及到材料力学、热力学、动力学等多个学科的知识。
通过设计计算,可以评估和验证设计方案的可行性,并为制造和使用机械设备提供基础数据和性能保证。
本文档将简要介绍机械设计课程设计计算的背景和目的,并提供一些实际计算的示例。
2. 设计计算概述设计计算是机械设计中最关键的步骤之一。
它旨在确定机械设备的尺寸、结构和性能参数,并评估其可靠性和安全性。
在设计计算中,需要考虑机械设备所受力的大小、方向和分布,以及材料的物理性质和机械特性。
通过数学模型和计算方法,可以从理论上预测机械设备的性能指标,并优化设计方案。
3. 设计计算示例本节将提供一些设计计算的示例,包括材料选择、静力学计算和动力学计算。
3.1 材料选择材料选择是机械设计中的关键步骤之一。
合理选择材料可以提高机械设备的强度和寿命,降低成本和重量。
在进行材料选择时,需要考虑材料的力学性能、热性能、耐腐蚀性等因素。
设计计算中常用的材料选择方法有材料强度计算、材料疲劳寿命预测等。
3.2 静力学计算静力学计算是机械设计中常见的一种计算方法,用于分析机械设备在静止状态下所受的力和力矩。
在静力学计算中,需要根据设备的几何形状和受力情况,建立力学模型,并应用力学原理求解。
静力学计算的结果可以用于评估和优化机械设备的结构和强度。
3.3 动力学计算动力学计算是机械设计中另一种常见的计算方法,用于分析机械设备在运动状态下的力学行为。
在动力学计算中,需要考虑机械设备的质量、重心、惯性矩阵等因素,并建立运动学和动力学模型。
通过求解运动学和动力学方程,可以预测机械设备在运动过程中的力和加速度,从而评估设备的稳定性和运动性能。
4. 结论设计计算是机械设计中不可或缺的一环,它为机械设备的设计、制造和使用提供了重要的基础数据和性能保证。
本文档简要介绍了机械设计课程设计计算的背景和目的,并提供了材料选择、静力学计算和动力学计算的示例。
机械设计课程设计计算说明书设计题目院(系)班设计者指导教师2014年5月5日北京航空航天大学前言机械设计课程设计是在学习了机械制图、机械设计、工程材料、材料力学、加工工艺等学科之后将前面几门课的知识综合实践运用的课程。
通过学习本课程,学生的总体设计能力和设计创新能力能够得到提高。
本次设计是为了解决带式运输机传动装置中一级闭式齿轮的问题。
计算说明书对闭式齿轮设计的全过程进行了详细的阐述。
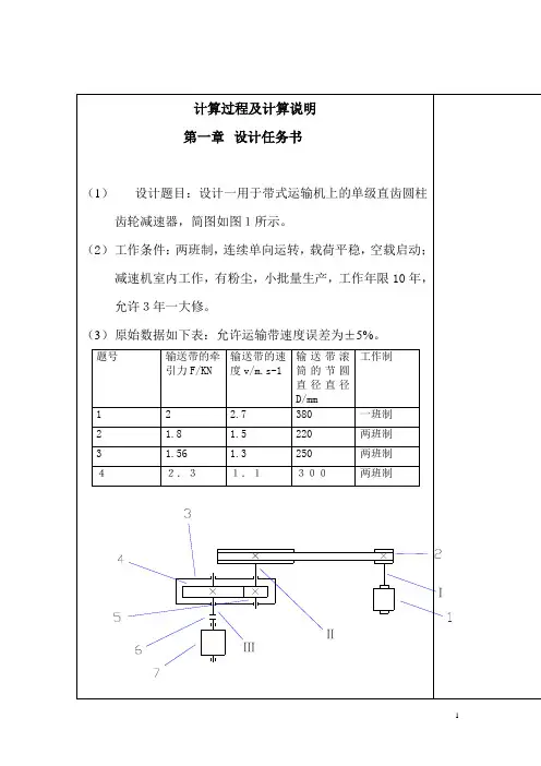
目录目录 (2)一.设计任务书 (3)二.原动机的选择 (4)三.运动和运动参数的计算 (7)四.闭式齿轮的计算 (10)五.开式齿轮传动的计算 (18)六.轴的计算 (25)七.轴承计算与校核 (30)八.键的选择与校核 (32)九.联轴器的选择与计算 (33)十.润滑与密封形式,润滑油牌号及用量说明 (33)十一. 箱体结构相关尺寸 (34)十二.减速器附件列表 (35)十三. 参考资料 (37)一.设计任务书题目:带式运输机传动齿轮装置设计传动装置如下图所示:1.设计要求1)设计用于带式运输机的传动装置2)连续单向运转,载荷较平稳,空载启动,运输带允许误差为5%。
3)使用期限为10年,小批量生产,两班制工作。
2.原始数据运输带卷筒所需功率P=5.5kW.运输带卷筒工作转速n=86r/min.二.原动机的选择1.电机类型选择2.电动机容量选择(1)电动机所需功率(2)工作机所需功率(3)各部件的效率联轴器滚动轴承(一对)闭式齿轮传动开式齿轮传动卷筒传动(4)传动装置的总效率(5)电机所需功率3.确定电机转速电动机类型按工作要求选用Y系列全封闭自扇冷式笼型三相异步电动机,电压380伏(通过查表而知)通常,一级圆柱齿轮减速器传动比≤5,则总传动比范围为≤25,故电动机的可选转速范围为:符合条件的电机有三个系列:Y160M-6,Y132M-4,Y160L-8。
而Y132M-4由于同步转速高,所因为载荷平稳所以电机额定功率略大于即可,最终选择三.运动和运动参数的计算(一)传动比分配(二)轴项目—内容设计计算依据和过程计算结果1.总传动比2.分配各级传动比取闭式齿轮传动比为则开式齿轮传动比为1.电动机轴2.高速轴(三)运动和运动参数的计算汇总轴名功率P/Kw转矩 T/N.m 转速 传动比 i 效率 η 输入输出 输入 输出 n/r/min 电机轴 6.472 63.72 970 高速轴 6.407 6.343 63.08 62.45 970 1 0.99 中间轴6.1536.0912001982943.30.962. 中间轴3. 滚筒轴四.闭式齿轮的计算1. 选择材料和精度 (1) 选择材料(2) 热处理(3) 精度选择2. 计采用硬齿面,考虑大小齿轮都采用20Cr 。
机械设计课程设计计算说明书设计题目:二级圆锥—圆柱齿轮减速器专业:飞行器制造工程班级: 05011002班设计者:贾琛指导老师:谷文韬2013年7月10号西北工业大学目录1 传动简图的拟定 (1)2 电动机的选择 (3)3 传动比的分配 (4)4 传动参数的计算 (4)5 链传动的设计与计算 (5)6 圆锥齿轮传动的设计计算 (7)7 圆柱齿轮传动的设计计算 (11)8 轴的设计计算 (16)9 键连接的选择和计算 (28)10 滚动轴承的设计和计算 (29)11 联轴器的选择 (31)12 箱体的设计 (31)13 润滑和密封设计 (34)设计总结 (35)参考文献 (35)1、传动简图的拟定1.1、技术参数:输送链的牵引力F: 5 kN输送链的速度v: 0.6 m/s输送链链轮的节圆直径d: 399 mm1.2、工作条件:连续单向运转,工作时有轻微振动,使用期10年(每年300个工作日,小批量生产,两班制工作,输送机工作轴转速允许误差±5%。
链板式输送机的传动效率为95%。
1.3 拟定传动方案传动装置由电动机,减速器,工作机等组成。
减速器为二级圆锥圆柱齿轮减速器。
外传动为链传动。
方案简图如图。
方案图2 电动机的选择2.1 电动机的类型:因为本传动的工作状况是:两班制,工作环境较恶劣,380v 交流电,选用Y 系列全封闭自扇冷式笼形三相异步电动机,它为卧式封闭结构。
2.2 功率的确定2.2.1 工作机所需功率w P (kw):w /(1000)50000.6/(10000.95) 3.1579kw w w w P F v η==⨯⨯=2.2.2 电动机至工作机的总效率η:1234567 0.990.990.960.990.980.990.960.8676ηηηηηηηη=⨯⨯⨯⨯⨯⨯=⨯⨯⨯⨯⨯⨯= (1η为联轴器的效率,2η为轴承的效率,3η为圆锥齿轮传动的效率,4η为轴承的效率,5η为圆柱齿轮的传动效率,6η为轴承的效率, 7η为链传动的效率) 2.2.3 所需电动机的功率d P (kw):P / 3.1579Kw /0.8676 3.6398kw d w P η=== 2.2.4电动机额定功率:d m P P ≥2.4 确定电动机的型号由《机械设计(机械设计基础)课程设计》表20-1选取电动机额定功率 ,满载转速 =1440r/min 。
South China University of Technology 机械设计基础课程设计计算说明书题目:一级齿轮减速器设计学院:生物科学与工程学院班级:10级生物工程2班设计者:詹舒瑶学号:201030740755指导教师:陈东2013 年1 月16 日目录一、 ...................................................................... 设计任务书 .................................................................1.1 机械课程设计的目的..................................................1.2设计题目.............................................................1.3设计要求.............................................................1.4原始数据.............................................................1.5设计内容.............................................................二、 ...................................................................... 传动装置的总体设计 .........................................................2.1传动方案............................................................. 22电动机选择类型、功率与转速............................................2.3确定传动装置总传动比及其分配..........................................2.4计算传动装置各级传动功率、转速与转矩...........................三、 ...................................................................... 传动零件的设计计算 .........................................................3.1 V带传动设计........................................................3.1.1计算功率.........................................................3.1.2带型选择.........................................................3.1.3带轮设计.........................................................3.1.4验算带速.........................................................3.1.5确定V带的传动中心距和基准长度...................................3.1.6包角及其验算.......................................................3.1.7带根数...........................................................3.1.8预紧力计算.......................................................3.1.9压轴力计算......................................................3.1.10带轮的结构........................................................3.2齿轮传动设计.........................................................3.2.1选择齿轮类型、材料、精度及参数....................................3.2.2按齿面接触疲劳强度或齿根弯曲疲劳强度设计..........................3.2.3按齿根弯曲疲劳强度或齿面接触疲劳强度校核..........................3.2.4齿轮传动的几何尺寸计算............................................四、铸造减速器箱体的主要结构尺寸............................................五、 ...................................................................... 轴的设计 ....................................................................5.1高速轴设计...........................................................5.1.1选择轴的材料.......................................................5.1.2初步估算轴的最小直径..............................................5.1.3轴的机构设计,初定轴径及轴向尺寸..................................5.2低速轴设计...........................................................5.2.1选择轴的材料.......................................................5.2.2初步估算轴的最小直径..............................................5.2.3轴的机构设计,初定轴径及轴向尺寸..................................5.3校核轴的强度.........................................................5.3.1求支反力、弯矩、扭矩计算..........................................5.3.2绘制弯矩、扭矩图..................................................5.3.3按弯扭合成校核高速轴的强度........................................534按弯扭合成校核低速轴的强度六、............................... 滚动轴承的选择和计算6.1高速轴上的滚动轴承设计 ......6.1.1轴上径向、轴向载荷分析•-6.1.2轴承选型与校核 ..........6.2低速轴上的滚动轴承设计 ......6.2.1轴上径向、轴向载荷分析•-6.2.2轴承选型与校核 ..........七、............................... 键连接的选择和强度校核7.1联轴器的计算转矩 ...........7.2许用转速 ....................7.3配合轴径 ....................7.4配合长度 ....................八、............................... 联轴器的选择和计算8.1高速轴V带轮用键连接........8.1.1选用键类型 ..............8.1.2键的强度校核 ............8.2低速轴与齿轮用键连接 .......8.2.1选用键类型 ..............8.2.2键的强度校核 ............8.3低速轴与联轴器用键连接 ......8.3.1选用键类型 ..............8.3.2键的强度校核 ............九、............................... 减速器的润滑9.1齿轮传动的圆周速度 .........9.2齿轮的润滑方式与润滑油选择•9.3轴承的润滑方式与润滑剂选择• 十、绘制装配图及零件工作图……十一、设计小结.....................十二、参考文献....................一、设计任务书1.1机械课程设计的目的课程设计是机械设计课程中的最后一个教学环节,也是第一次对学生进行较全面的机械设计训练。