10KV配电变压器台架安装.ppt
- 格式:ppt
- 大小:880.00 KB
- 文档页数:19
195-国家电网公司配电网工程典型设计10kV配电变台分册.ppt1、国家电网公司配电网工程典型设计配电变台分册〔典型设计应用方案-青海版〕n名目一、与2022版典设比照二、10kV配电变台分册典型设计n10kV柱上变压器台修编状况10kV柱上变压器台方案概述方案方案概述ZA-150~400kVA〔三相〕10kV侧承受电缆或架空绝缘线引下,低压综合配电箱承受悬挂式安装,双杆等高。
ZA-210~100kVA〔单相〕低损耗、全密闭、油浸式单相节能型变压器,并实行防盗措施;10kV侧:跌落式熔断器;220V侧:带空气断路器的低压开关箱,单杆。
ZA-3线路调压器全密封、油浸式调压变,容量为1000-4000kVA;10kV侧:柱上真空断路器,台式。
原典设7个方案,加上一个补充方案共计8个方案,保存原有ZA-2、2、ZA-3、ZA-5,ZA-6、ZA-7方案。
依据“标准化台架、模块化组件〞的设计原那么:合并ZA-2、ZA-3、ZA-5三相变设计方案;精简不常用的原典设ZA-1、ZA-4、ZA-8方案;取消ZA-2、ZA-3方案中低压配电室模块。
8个方案3个方案标准化台架模块化组件一、与2022版典设比照n设计范围柱上变压器台设计范围是从高压引下线接头至低压出线这段范围的柱上变压器及相关的电气设备。
设计深度按施工图设计内容深度要求开展工作。
〔一〕设计范围及深度总体说明二、10kV配电变台分册典型设计n海拔高度:≤1000米。
环境温度:-30~+40℃。
最热月平均最高温度:35℃。
污秽等级:国标Ⅲ级污秽区。
日照强度:0.1W/cm²。
最大风速:3、30m/s。
地震烈度:按7度设计,地震加速度为0.1g。
〔二〕环境条件n〔三〕10kV柱上变压器台典型设计技术方案组合方案分类工程名称变压器主要设备安装要求无功补偿安装方式ZA-150~400kVA〔三相〕10kV侧承受电缆或架空绝缘线引下,低压综合配电箱承受悬挂式安装,进线承受架空绝缘导线或相应载流量的电缆,出线可承受架空绝缘导线或电缆引出。
10 千伏**线配电变压器台安装标准化作业流程图工作任务 10 千伏变压器台安装定位、挖坑 材料准备 工器具准备组织人员进行 现场勘察现场工作实施作业指导书审批; 学习工作票审核 填写工作票做好停 电验电安 装接地线及其它 现场安全措施`二次线及低压箱安装工作票结束,整理资料编制人: 班组审核人: 单位审核人:安装变压器台 架立杆组装金具 及敷设接地极拆除接地线及其它安全措施一次引线、避雷器安装安装高压引线 横担安装跌落开关安装接地极班前会,人员分工工作 票开工编写作业指导书、作业指导卡 指挥吊车就位吊装变压器变台挂牌 清理现场完 工编号: 20221001 10 千伏**线变压器台安装标准化作业指导书1.1 本指导书合用于**供电局**线**变压器台安装工作。
作业。
1.2 如采用此外的作业方法时,应另行编制标准化作业指导书,但其格式、流程、原则不变。
2.1 国家电网公司《电力安全工作规程(电力路线部份)》2.2GB50173-1992 《电气装置安装工程 35kV 及以下架空电力路线施工及验收规范》2.3 内蒙古东部电力有限公司《架空配电路线安装检修规程》2.4 内蒙古东部电力有限公司《中低压配电网建设与技术改造原则意见》负责人作业负责人(监护人)专责监护人施工前备料人员(负责保存相关技术资料)变台上工作人员地面工作人员吊车司机工作人员签字123456内容排序号 123456789 10名称变压器电杆标准变台材料跌落开关氧化锌避雷器低压补偿箱接地极 电缆(或者绝缘导线)隔离开关接地带规格12m单位 数量 责任人防范及控制措施危(wei )险因素辨识项目排序号 责任人排序号 名称 规格 1 吊车 2 钢丝吊绳 3 运杆车 4 脚扣 5 安全带 6 绝缘杆 7 高压接地线 8 传递绳9 验电器 10KV 10 液压钳 11 铁锨 12 剪钳单位 台个 台 付 付 根 组 根 支 套 把 把 责任人数量 台根套组组台套米组米1 高处坠物伤人2 机械伤人3 高空坠落4 人身触电防止意外事故发生,高空坠物伤人,装设围栏以便工作防止在安装过程中意外的伤害,及触及带电设备人身伤害,以免事故发生做好围栏,并挂好警示牌,与带电体保1、现场人员必须戴好安全帽。
10KV配电变压器台架安装.ppt1、10KV配电变压器及台架安装芮城供电公司李梦华n名目一、配电变压器安装位置的选定二、配电变压器安装结构三、配电变压器台架安装四、户外柱上配电变压器的安装五、配电变压器台架安装安全留意事项n一、配电变压器安装位置的选定1、变压器安装在其供电范围的风荷中心,且供电半径0.5km范围。
投入运行时的线路损耗最少,并能满足电压质量要求。
2、变压器安装位置必需安全可靠,并且便于运输和吊装、检修,同时符合城市乡村进展规划要求。
3、变压器需要单独安装在台杆上时,下述电杆不能安装变压器:①大转角杆、分支杆和装有柱上断路器、隔离开关、高压引下线及电缆的电杆;②低压架空线及接户线多的电杆;③不易巡察、检查、测负荷和检修吊装变压器的电杆。
n4、应避开蒸汽等温度及湿渡较高的场所,并且应远离炉火等高温场所。
5、2、应远离储存爆炸物及可燃物的仓库。
6、应远离盐雾、腐蚀性气体及灰尘较多的场所。
7、应选择在涨潮或河水泛滥等状况下不被水淹的场所。
8、应选择在没有剧烈震动的场所。
9、应选择牢固的地基。
n二、配电变压器安装结构10KV配电变压器的安装方法概括起来分为两类:1、室内安装。
2、室外安装。
n〔一〕变压器室外安装变压器室外安装依据其容量的大小、装设地区的不同以及吊运是否方便,一般分为杆塔式、台墩式和落地式三种。
一、杆塔式杆塔式是将配电变压器安装在户外杆上的台架上,其常见的两种方法为单杆式和双杆式。
1、单杆式配电变压器台〔又叫丁字台〕当配电变压器容量30KVA及以下时〔含30KVA〕,一般采纳单杆配电变压器台架。
优点:结构简洁,安装方便,用料和占地面积都比较少跟双杆配电变压器台节约造价33%。
单杆式配3、电变台n2、双杆式配电变压器台〔又叫H台〕当配电变压器容量在50~315KVA时一般采纳双杆式配电变压器台。
对50KVA及以下的公用变压器,应在低压侧装设熔断器;50KVA以上的公用变压器,可在低压侧安装配电箱或适当选用小的高压熔断丝的方法来解决低压爱护问题。
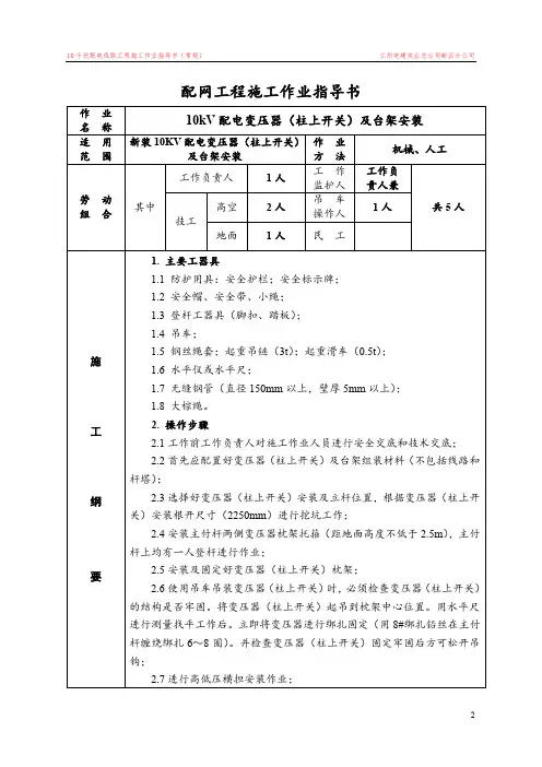
技工(高级工) 1~2 人;辅助工(中级工) 4~5 人。
;10kV 变压器安装小时;接地线(相应电压等级,数量根据工作票规定配置,不小于2 组);安全围栏(施工现场周围)安全警示牌“止步、高压危(wei)险”、“禁止合闸、有人工作”、“禁止合闸、路线有人工作”、“在此工作”等;(防止工作人员走错间隔)。
绝缘杆:一组验电笔:一支安全带:4~8 条登高板:4~8 付工作服4~8 套(所有现场人员必须穿);绝缘鞋4~8 双(所有现场人员必须穿);棉手套4~8 对(所有现场人员必须穿);安全帽4~8 顶(所有现场人员必须穿);梅花板手:#14、#17、#19、#22、#24 各四把;活动板手:8 吋、10 吋、12 吋各两把;管钳:16 吋两把;手锤:2 磅一把;一字螺丝刀:2 吋、4 吋、6 吋、10 吋、16 吋各两把;十字螺丝刀:2 吋、4 吋、6 吋、10 吋、16 吋各两把;尖咀钳:六吋一把;平口钳:8 吋一把;崭子:4 吋一把;毛扫:2.5 吋一把;钢锯:一把;编制人员审核发布日期批准编制日期批准日期实施日期第 1 页共8 页卷尺:3 米一把;直尺:0.5 米一把;钢丝绳套:2 条传递绳:2 条;焊接工具:电焊机一台;压接钳:一把绝缘梯:一把万用表、2500 兆欧表各一个;变压器:一台;避雷器:一组;隔离刀闸:一组;跌落式开关:一组;16 ㎜镀锌圆钢:5 条接地带:80 米铝芯绝缘导线:一捆;镀锌铁线:一捆;绝缘自粘胶带:适量铝并钩:12 个螺丝:各种规格,若干槽钢:两条;角担:4 条;绑线:若干;托梁抱箍:10 付;联板:若干;平垫圈:各种规格,适量;铜接地线:一捆;按设备厂家及设备的实际状况和检修工艺规程要求准备。
路线第一种工作票;(完成停电路线准备,做好安全措施后,办好工作票。
)1 《电力安全工作规程》2 《安全生产工作管理规定》编制人员审核发布日期批准编制日期批准日期实施日期第 2 页共8 页3 《架空配电路线安装、检修规程》4 《电气装置安装工程施工及验收规范合编》人员夹伤、砸伤、碰伤、压伤中起重过程伤人或者运输途中伤人使用权合格的起重机械,严禁过载使用;用前检查起重工具是否完好,钢丝绳做好检查。
10kV变压器台架施工工艺说明0001预览说明:预览图片所展示的格式为文档的源格式展示,下载源文件没有水印,内容可编辑和复制** 供电公司561-3线路全分式10米-10米10kV变压器台架工艺说明一、前言1.本说明按照省公司农网 10kV 变压器台架标准化施工知识及技能竞赛,“变台组装” 技能操作项目任务书建设要求,对施工工艺进行说明。
2.变台组装形式为全分式10 米-10 米变压器台架,对施工前准备工作、变台电杆组立、变压器台架及设备安装、变台引线及其它设备安装、接地体安装、变压器低压侧引线安装、低压出线安装、试验调试、标牌、标识安装等内容进行了详细说明。
二、施工工艺要求一、施工前准备工作工作票签发人或工作负责人应根据工作任务,组织相关人员对作业现场进行现场勘察,然后工作负责人根据勘察记录,制定工作票、安全措施票、标准化作业指导卡、派工单,并经工作票签发人审核、签发;工作负责人组织相关施工人员进行标准化作业指导卡学习。
根据10kV 变压器台架标准化施工图中的材料,进行工程施工物资领用及审核。
根据标准化作业指导卡的安全工器具和施工工器具说明,领取相关安全工器具和施工工器具。
到达工作现场后;应先办理停电手续,得到工作许可人允许布置现场安全措施命令后,工作负责人根据现场实际,指定专人完成装设工作接地线,装设安全围网等安全措施,然后回复工作许可人,作业现场安全措施已全部完成。
得到工作许可人的许可开工命令,召开施工作业班前会,工作负责人首先进行点名,然后宣读工作票,交待工作任务、工作部位、停电部位、带电部位、危险点以及作业现场采取的相应安全措施,对工作班成员地行分工等,最后确认每一名工作班成员都已知晓,并履行确认手续。
对连接引线进行分类截取,10kV 主干线路至刀闸横担隔离刀闸进线端引线共3根A相185cm , B相220cm , B相280cm,隔离刀闸出线端至熔断器上接线端引线共 3 根约为 800cm 、熔断器下接线端至变压器高压侧引线共3根每根为410cm,避雷器上引线共3根每根为62cm , 避雷器间相互连接接地引线共 2 根每根为 50cm , 避雷器至接地极引出扁铁间接地引线 1 根 410cm ,变压器接地线1 根为 250cm , JP 柜接地线 1 根为 250cm ,变压器中性点接地线 1 根为410cm ,各连接引线截取后,根据用压接好接线端子,要保证接线端子压接质量。
探讨电力建设工程中 10kV 配电变压器的安装发表时间:2021-01-04T07:53:35.165Z 来源:《福光技术》2020年21期作者:刘勇余浩[导读] 都会在不同程度上影响其使用效果,也需要技术人员在安装时加以注意和控制。
国网安徽省电力有限公司利辛县供电公司安徽亳州 236700摘要:配电变压器在电网改造中是比较常见的电力设备,由于近年来设备的型号和安装技术发生了很大的变化,使得电力设备在装配和选择的时候也变得非常复杂。
变压器的安装工程非常重要,其过程非常复杂,而且对于安装工作的技术要求也非常的高,变压器的安装质量的好坏会直接影响到其后续的正常运行。
基于此,本文通过探究 10kV 配电变压器的安装技术,为今后电力建设工作的高效开展提供了一些借鉴。
关键词:电力建设工程;10kV 配电变压器;安装技术一、10kV 变压器设备和容量的选择分析(一)10kV 配电变压器设备的选择近几年来,我国的电力建设工程飞速发展,跟随其发展的脚步,我国推出了几种新型的变压器设备,其中也不乏一些节能型的变压器,这些节能变压器更是得到了电力公司的广泛使用。
在开展 10kV 配电变压器安装前,需要综合考虑电网运行需要、成本花费以及使用效果等多方面因素,选择适合的变压器。
现阶段,常用的变压器类型有:按照外壳形式不同,可以分为密封型油浸式变压器(S8、S9 系列),封闭性油浸式变压器(S9-M 系列);按照绝缘介质的不同,可以分为包封线圈变压器(SCR10 系列),非包封线圈变压器(SG10系列)等。
(二)10kV 配电变压器容量的选择在变压器安装的过程中,容量的选择也是一个需要重视的问题。
需要对相关因素进行分析和考虑,一般来说,需要对该区域电力用户的用电需求等等进行分析。
以往在对变压器容量进行选择的时候,基本上都没有对影响数据进行科学的分析,通常只是根据大概用电需求来选择变压器。
但是,这样的选择方式通常会导致的变压器容量选择过小,一旦容量不能达到用电需求,就会使得变压器损耗甚至被烧毁。
浅谈电力建设工程中10kV配电变压器的安装摘要:近年来,我国对于电网的改造工程越来越完善,配电网的结构也随着电网改造工程的实施变的更加合理和科学。
变压器是电网中不可或缺的组成部分之一,其数量在近几年也是不断的在增加。
而变压器的安装工程非常重要,其过程非常复杂,且对于安装工作的技术要求也非常的高,变压器的安装质量的好坏是能够直接影响着其在后续能不能正常、安全的运行。
在电力工程建设中,10kV配电变压器的安装工作非常重要,尤其是在部分电网结构复杂的区域,更是给安装工作增加了难度。
关键词:电力建设; 10kV配电变压器;电网系统;1 10kV配电变压器的选择1.1 设备选择我国的电力建设工程近几年的到来飞速的发展,未来跟随其发展脚步,我国推出了几种新型的变压器设备,其中也不乏一些节能型的变压器,这些节能变压器更是得到了电力公司的广泛使用。
在对10kV配电变压器设备进行选择的时候,首先需要从多方面因素进行考虑,如电网运行需要、成本等等方面,结合多方面影响因素,来选择一种最适合的变压器设备。
目前市面上常见的节能变压器有s7、s9以及s11等等。
s9系列变压器主要是通过增加有效材料来实现节能的目的的,而s11的节能程度更高,从选择上来说,现在基本上不考虑s7系列变压器的使用,而是倾向于s9和更先进的s11。
1.2 容量选择在变压器的安装过程中,容量的选择也是一个需要重视的问题。
需要对相关因素进行分析和考虑,一般来说,需要对该区域电力用户的用电需求等等进行分析。
以往在对变压器容量进行选择的时候,基本上都没有对影响数据进行科学的分析,通常只是根据大概用电需求来选择变压器。
但是这样的选择方式通常会导致的变压器容量选择过小,一旦容量不能达到用电需求,就会使得变压器损耗甚至被烧毁。
所以,科学的选择变压器也非常重要的,可以保障变压器安全运行,延长其使用寿命。
2 10kV配电变压器的安装2.1 安装前准备工作在对配电变压器进行安装之前,首先需要对安装环境进行考察,由此作为施工图纸设计的基础,并且要熟练掌握和了解图纸中的所有内容,针对于图纸内容和施工要求来确定施工所需要的材料和设备,保障安装工程的顺利进行。